Integrated Smart-Home Architecture for Supporting Monitoring and Scheduling Strategies in Residential Clusters
Abstract
1. Introduction
- When and how must energy be stored in residential buildings?
- When and how must energy be transferred from one building to another building?
- When and how must energy be transferred from one building to the grid?
- The dynamic scheduling strategies for residential loads must consider multiple objectives, each of which reflecting the optimal behavior of an actor present in the context: energy-cost reduction and comfort maximization from the perspective of inhabitants, reductions in load demand during the peak period from the perspective of energy providers, and peak-shaving behavior from the perspective of distribution-grid management.
- The vast majority of the optimization algorithms rely on methods for forecasting the residential power load. Such methods rely on a modeling structure that must be identified and validated with large measurement datasets.
- When an objective load curve for one day ahead is defined, the scheduling algorithm uses the load-forecasting model (considering multiple parameters such as electricity price, load demand, and weather forecast). The scheduling algorithm must run in real time to update the forecasted schedule, considering variations such as user intervention.
- The review of saving strategies and algorithms in the complex environment of the residential sector;
- Data sources for constructing and training models;
- Data sources for running control algorithms;
- The implementation of wireless-sensor networks as data sources;
- The development of a smart meter node with wireless communication and easy integration into smart home network;
- Exploiting the sampling and processing facilities of actual smart meters through a more accurate, yet convenient, representation of load curves and demonstrating the advantage of the proposed representation in load-scheduling algorithms;
- A prototype system for validating integrated residential sensing infrastructure (reducing the costs of harmonizing the infrastructures associated with energy saving and residential comfort).
- The study of residential loads and their aggregated impact at the relevant levels of granularity (single buildings, clusters, sectors, and cities);
- The review of the modeling and planning strategies for identifying the relevant variables to be monitored (i.e., those affecting model identification, planning-algorithm simulation, and the evaluation of energy-management-system performance) and the appropriate sampling rates for these relevant variables;
- The review of the architectures that are appropriate for energy monitoring, considering the four fundamental aspects: data acquisition, data collection, data recording and data visualization, and their implications for both hardware and software levels.
2. Modeling and Optimization Methods for Energy Systems in Residential Buildings
2.1. Smart Homes and the Urban Energy System
- The integration of the sensing infrastructure associated with smart homes with the necessary power-monitoring architecture;
- The development of new algorithms for harmonizing energy saving with residential comfort;
- The design of the communication infrastructure for energy hubs and the algorithms able to support optimization at upper hierarchical levels (clusters, sectors, and cities);
- The upgrade of smart-home control equipment (hardware and software) in order to support the energy exchange between neighboring homes and balance the local production of renewable energy with energy demand.
2.2. Modeling and Control of Energy Saving/Exchange at Home Level and Cluster Level
2.3. Estimating the Load Profiles in Residential Buildings
- Must-run/baseline loads, consisting of devices whose operation does not allow delays (e.g., lighting, television, networking devices, cooking devices);
- Shiftable/burst loads, consisting of devices that operate for a fixed duration and can be started/stopped within a specific deadline (e.g., dishwashers, washing machines, clothes dryers, electric vehicles);
- Steady/regular loads, consisting of devices running steadily for a long period according to their internal controller (e.g., refrigerators, water heaters, heating systems, air conditioning).
- Operating principle (i.e., cyclic/non cyclic, with variable power/ON OFF control), which determines the variable type (i.e., binary/integer/continuous), load profile, and operating constraints;
- Flexibility (i.e., time, temperature, dependence on residents’ behavior), which influences the formulation of constraints and objective functions.
2.4. Planning Strategies
2.5. Identification of Users’ Behavior Patterns
3. Sensing Architectures for Energy Monitoring
4. Integration of Energy Monitoring with Smart Building Network Infrastructure
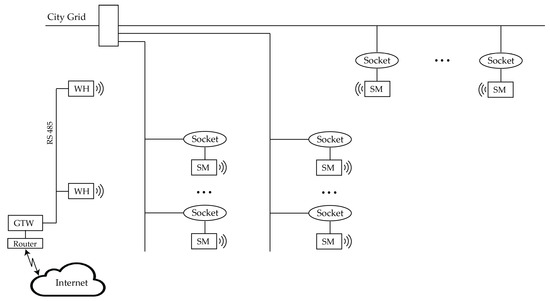
4.1. The Proposed Sensing and Control Architecture
4.2. Development of the Smart-Meter Node with Wireless Communication
4.3. Experiments and Results
4.3.1. Linear Approximation of Load Profiles
- Apply a Gaussian filter, for smoothing the data;
- Apply a first-order derivative of a Gaussian filter on the smoothed data, in order to emphasize the steep changes in the signal;
- Extract the extrema points;
- Using the extrema as breakpoints, find a linear approximation for each interval.
4.3.2. Advantages of PWL Representations for Load Scheduling
4.3.3. Software Applications for Recording and Visualization
5. Discussion
5.1. Privacy
5.2. Scalability
- Active power and energy wideband 0 Hz (4 Hz)–3.6 kHz (the effects of harmonics within this range are included);
- Fundamental active power and energy 45–65 Hz (the current and voltage waveforms are filtered for removing all the harmonics except the first);
- Reactive power and energy;
- Apparent power and energy from RMS data;
- Apparent power vectorial calculation based on the scalar product of active and reactive power;
- Signal parameters, such as the zero-crossing, line period, phase-delay between voltage and current, sag and swell events, tamper and RMS values of the current and voltage on each phase are computed on T = 200 ms every 128 μs.
6. Conclusions
Author Contributions
Funding
Institutional Review Board Statement
Informed Consent Statement
Conflicts of Interest
References
- Zhang, X.; Lovati, M.; Vigna, I.; Widén, J.; Han, M.; Gal, C.; Feng, T. A review of urban energy systems at building cluster level incorporating renewable-energy-source (RES) envelope solutions. Appl. Energy 2018, 230, 1034–1056. [Google Scholar] [CrossRef]
- Köckemann, U.; Alirezaie, M.; Renoux, J.; Tsiftes, N.; Ahmed, M.U.; Morberg, D.; Lindén, M.; Loutfi, A. Open-Source Data Collection and Data Sets for Activity Recognition in Smart Homes. Sensors 2020, 20, 879. [Google Scholar] [CrossRef] [PubMed]
- Pietila, A.J. Reducing the Magnitude and Reshaping the Temporal Distribution of Residential Electrical Loads Purposed to Achieve a Zero Peak House in a Southern Ontario Climate. Master’s Thesis, Aerospace Engineering, Carleton University, Ottawa, ON, Canada, 2011. [Google Scholar]
- Newsham, G.R.; Galasiu, A.D.; Armstrong, M.M.; Beausoleil-Morrison, I.; Szadkowski, F.; Sager, J.M.; Pietila, A.J.; Rowlands, I.H. The zero-peak house: Full-scale experiments and demonstration. Energy Build. 2013, 64, 483–492. [Google Scholar] [CrossRef][Green Version]
- Eunomia Research & Consulting Ltd. Heat Pump Manufacturing Supply Chain Research Project, Final Report. December 2020. Available online: https://www.gov.uk/government/publications/heat-pump-manufacturing-supply-chain-research-project (accessed on 15 March 2021).
- Shukla, A.K.; Sudhakar, K.; Baredar, P. Recent advancement in BIPV product technologies: A review. Energy Build. 2017, 140, 188–195. [Google Scholar] [CrossRef]
- Debbarma, M.; Sudhakar, K.; Baredar, P. Thermal modeling, exergy analysis, performance of BIPV and BIPVT: A review. Renew. Sustain. Energy Rev. 2017, 73, 1276–1288. [Google Scholar] [CrossRef]
- Zhang, X.; Shen, J.; Lu, Y.; He, W.; Xu, P.; Zhao, X.; Qiu, Z.; Zhu, Z.; Zhou, J.; Dong, X. Active Solar Thermal Facades (ASTFs): From concept, application to research questions. Renew. Sustain. Energy Rev. 2015, 50, 32–63. [Google Scholar] [CrossRef]
- Poppi, S.; Sommerfeldt, N.; Bales, C.; Madani, H.; Lundqvist, P. Techno-economic review of solar heat pump systems for residential heating applications. Renew. Sustain. Energy Rev. 2018, 81, 22–32. [Google Scholar] [CrossRef]
- O’Shaughnessy, E.; Cutler, D.; Ardani, K.; Margolis, R. Solar plus: Optimization of distributed solar PV through battery storage and dispatchable load in residential buildings. Appl. Energy 2018, 213, 11–21. [Google Scholar] [CrossRef]
- Alva, G.; Lin, Y.; Fang, G. An overview of thermal energy storage systems. Energy 2018, 144, 341–378. [Google Scholar] [CrossRef]
- Directive 2010/31/EU of the European Parliament and of the Council on the Energy Performance of Buildings; Official Journal of the European Union: Luxembourg, 2010.
- Directive 2009/28/EC of the European Parliament and of the Council on the Promotion of the Use of Energy from Renewable Sources; Official Journal of the European Union: Luxembourg, 2009.
- Renovate Europe. Available online: https://www.renovate-europe.eu (accessed on 24 April 2021).
- Vigna, I.; Pernetti, R.; Pasut, W.; Lollini, R. New domain for promoting energy efficiency: Energy Flexible Building Cluster. Sustain. Cities Soc. 2018, 38, 526–533. [Google Scholar] [CrossRef]
- Li, X.; Wen, J. Net-zero energy building clusters emulator for energy planning and operation evaluation. Comput. Environ. Urban Syst. 2017, 62, 168–181. [Google Scholar] [CrossRef]
- Zhu, T.; Huang, Z.; Sharma, A.; Su, J.; Irwin, D.; Mishra, A.; Menasche, D.; Shenoy, P. Sharing Renewable Energy in Smart Microgrids. In Proceedings of the ACM/IEEE International Conference on Cyber-Physical Systems (ICCPS), Philadelphia, PA, USA, 8–11 April 2013; pp. 219–228. [Google Scholar] [CrossRef]
- Gajowniczek, K.; Ząbkowski, T. Electricity forecasting on the individual household level enhanced based on activity patterns. PLoS ONE 2017, 12, e0174098. [Google Scholar] [CrossRef] [PubMed]
- Alajmi, T.; Phelan, P. Modeling and Forecasting End-Use Energy Consumption for Residential Buildings in Kuwait Using a Bottom-Up Approach. Energies 2020, 13, 1981. [Google Scholar] [CrossRef]
- Gao, B.; Liu, X.; Zhu, Z. A Bottom-Up Model for Household Load Profile Based on the Consumption Behavior of Residents. Energies 2018, 11, 2112. [Google Scholar] [CrossRef]
- Behm, C.; Nolting, L.; Praktiknjo, A. How to model European electricity load profiles using artificial neural networks. Appl. Energy 2020, 277, 115564. [Google Scholar] [CrossRef]
- Barsanti, M.; Mussetta, M. Load Modeling and Scheduling Optimization for Energy Sharing in Prosumers Network. In Proceedings of the 2019 IEEE Milan PowerTech, Milan, Italy, 23–27 June 2019; pp. 1–6. [Google Scholar] [CrossRef]
- Khan, M.A.; Javaid, N.; Arif, M.; Saud, S.; Qasim, U.; Khan, Z.A. Peak Load Scheduling in Smart Grid Communication Environment. In Proceedings of the 2014 IEEE 28th International Conference on Advanced Information Networking and Applications, Victoria, BC, Canada, 13–16 May 2014; pp. 1025–1032. [Google Scholar] [CrossRef]
- Ullah, M.N.; Javaid, N.; Khan, I.; Mahmood, A.; Farooq, M.U. Residential Energy Consumption Controlling Techniques to Enable Autonomous Demand Side Management in Future Smart Grid Communications. In Proceedings of the 2013 Eighth International Conference on Broadband and Wireless Computing, Communication and Applications, Compiegne, France, 28–30 October 2013; pp. 545–550. [Google Scholar] [CrossRef]
- Costanzo, G.T.; Zhu, G.; Anjos, M.F.; Savard, G. A System Architecture for Autonomous Demand Side Load Management in Smart Buildings. IEEE Trans. Smart Grid 2012, 3, 2157–2165. [Google Scholar] [CrossRef]
- Tu, J.; Zhou, M.; Cui, H.; Li, F. An Equivalent Aggregated Model of Large-Scale Flexible Loads for Load Scheduling. IEEE Access 2019, 7, 143431–143444. [Google Scholar] [CrossRef]
- Khan, Z.A.; Khalid, A.; Javaid, N.; Haseeb, A.; Saba, T.; Shafiq, M. Exploiting Nature-Inspired-Based Artificial Intelligence Techniques for Coordinated Day-Ahead Scheduling to Efficiently Manage Energy in Smart Grid. IEEE Access 2019, 7, 140102–140125. [Google Scholar] [CrossRef]
- Nuchprayoon, S. Forecasting of daily load curve on monthly peak day using load research data and harmonics model. In Proceedings of the 6th IEEE International Conference on Control System, Computing and Engineering (ICCSCE), Penang, Malaysia, 25–27 November 2016; pp. 338–342. [Google Scholar] [CrossRef]
- Çakmak, R.; Altaş, İ.H. Optimal scheduling of time shiftable loads in a task scheduling based demand response program by symbiotic organisms search algorithm. In Proceedings of the 2017 Saudi Arabia Smart Grid (SASG), Jeddah, Saudi Arabia, 12–14 December 2017; pp. 1–7. [Google Scholar] [CrossRef]
- Sung, M.; Ko, Y. Machine-learning-integrated load scheduling for peak electricity reduction. In Proceedings of the 2015 IEEE International Conference on Consumer Electronics (ICCE), Las Vegas, NV, USA, 9–12 January 2015; pp. 309–310. [Google Scholar] [CrossRef]
- Li, J.; Zhao, Q.; Wang, H.; Wang, W.; Yang, Y.; Yan, C. Analysis of Deep Learning Control Strategy about Peak Load Regulation and Frequency Regulation with Distribution Thermal Storage Electric Boiler. In Proceedings of the 5th IEEE International Conference on Cloud Computing and Intelligence Systems (CCIS), Nanjing, China, 23–25 November 2018; pp. 461–464. [Google Scholar] [CrossRef]
- Chimamiwa, G.; Alirezaie, M.; Pecora, F.; Loutfi, A. Multi-sensor dataset of human activities in a smart home environment. Data Brief 2021, 34, 106632. [Google Scholar] [CrossRef]
- Park, J.; Jang, K.; Yang, S. Deep neural networks for activity recognition with multi-sensor data in a smart home. In Proceedings of the 2018 IEEE 4th World Forum on Internet of Things (WF-IoT), Singapore, 5–8 February 2018; pp. 155–160. [Google Scholar] [CrossRef]
- Li, Q.; Gravina, R.; Li, Y.; Alsamhi, S.H.; Sun, F.; Fortino, G. Multi-user activity recognition: Challenges and opportunities. Inf. Fusion 2020, 63, 121–135. [Google Scholar] [CrossRef]
- Ramos, D.; Teixeira, B.; Faria, P.; Gomes, L.; Abrishambaf, O.; Vale, Z. Use of Sensors and Analyzers Data for Load Forecasting: A Two Stage Approach. Sensors 2020, 20, 3524. [Google Scholar] [CrossRef] [PubMed]
- Rafe Biswas, M.A.; Robinson, M.D.; Fumo, N. Prediction of residential building energy consumption: A neural network approach. Energy 2016, 117, 84–92. [Google Scholar] [CrossRef]
- Hashizume, A.; Mizuno, T.; Mineno, H. Energy Monitoring System Using Sensor Networks in Residential Houses. In Proceedings of the 26th International Conference on Advanced Information Networking and Applications Workshops, Fukuoka, Japan, 26–29 March 2012; pp. 595–600. [Google Scholar] [CrossRef]
- Rawi, M.I.M.; Al-Anbuky, A. Passive House sensor networks: Human centric thermal comfort concept. In Proceedings of the 2009 International Conference on Intelligent Sensors, Sensor Networks and Information Processing (ISSNIP), Melbourne, Australia, 7–10 December 2009; pp. 255–260. [Google Scholar] [CrossRef]
- Phand, A.; Bangar, R.; Dani, R.; Lohokare, J. A scalable home automation IoT ecosystem using open source technologies. In Proceedings of the 7th International Conference on Computing in Engineering & Technology (ICCET 2022), Online Conference, 12–13 February 2022; pp. 186–190. [Google Scholar] [CrossRef]
- Hlaing, W.; Thepphaeng, S.; Nontaboot, V.; Tangsunantham, N.; Sangsuwan, T.; Pira, C. Implementation of WiFi-based single phase smart meter for Internet of Things (IoT). In Proceedings of the 2017 International Electrical Engineering Congress (iEECON), Pattaya, Thailand, 8–10 March 2017; pp. 1–4. [Google Scholar] [CrossRef]
- Balikhina, T.; Maqousi, A.A.; AlBanna, A.; Shhadeh, F. System architecture for smart home meter. In Proceedings of the 2nd International Conference on the Applications of Information Technology in Developing Renewable Energy Processes & Systems (IT-DREPS), Amman, Jordan, 6–7 December 2017; pp. 1–5. [Google Scholar] [CrossRef]
- Al-Ali, A.R.; Zualkernan, I.A.; Rashid, M.; Gupta, R.; Alikarar, M. A smart home energy management system using IoT and big data analytics approach. IEEE Trans. Consum. Electron. 2017, 63, 426–434. [Google Scholar] [CrossRef]
- Cheo, Z.; Yang, H.; Kansala, K.; Maatta, K.; Rehu, J.; Chen, W. Smart Home/Building Energy Management System for Future Smart Grid Architecture with Automated Demand Response Applications. In Proceedings of the 1st EAI International Conference on Smart Grid Assisted Internet of Things, Sault Ste. Marie, ON, Canada, 11–12 July 2017. [Google Scholar] [CrossRef][Green Version]
- Machorro-Cano, I.; Alor-Hernández, G.; Paredes-Valverde, M.A.; Rodríguez-Mazahua, L.; Sánchez-Cervantes, J.L.; Olmedo-Aguirre, J.O. HEMS-IoT: A Big Data and Machine Learning-Based Smart Home System for Energy Saving. Energies 2020, 13, 1097. [Google Scholar] [CrossRef]
- Moga, D.; Stroia, N.; Petreus, D.; Moga, R.; Munteanu, R.A. Embedded platform for Web-based monitoring and control of a smart home. In Proceedings of the 2015 IEEE 15th International Conference on Environment and Electrical Engineering (EEEIC), Rome, Italy, 10–13 June 2015; pp. 1256–1261. [Google Scholar] [CrossRef]
- van der Veen, J.S.; van der Waaij, B.; Meijer, R.J. Sensor Data Storage Performance: SQL or NoSQL, Physical or Virtual. In Proceedings of the 2012 IEEE Fifth International Conference on Cloud Computing, Honolulu, HI, USA, 24–29 June 2012; pp. 431–438. [Google Scholar] [CrossRef]
- Scislo, L.; Szczepanik-Scislo, N. Air Quality Sensor Data Collection and Analytics with IoT for an Apartment with Mechanical Ventilation. In Proceedings of the 11th IEEE International Conference on Intelligent Data Acquisition and Advanced Computing Systems: Technology and Applications (IDAACS), Cracow, Poland, 22–25 September 2021; pp. 932–936. [Google Scholar] [CrossRef]
- Böhlen, M.H.; Dignös, A.; Gamper, J.; Jensen, C.S. Temporal Data Management-An Overview; Zurich Open Repository and Archive; University of Zurich ZORA: Zurich, Switzerland, 2017. [Google Scholar] [CrossRef]
- Mehmood, N.Q.; Culmone, R.; Mostarda, L. Modeling temporal aspects of sensor data for MongoDB NoSQL database. J. Big Data 2017, 4, 8. [Google Scholar] [CrossRef]
- Sumalan, R.L.; Stroia, N.; Moga, D.; Muresan, V.; Lodin, A.; Vintila, T.; Popescu, C.A. A Cost-Effective Embedded Platform for Greenhouse Environment Control and Remote Monitoring. Agronomy 2020, 10, 936. [Google Scholar] [CrossRef]
- Stroia, N.; Moga, D.; Vitan, E.; Cosovici, G.; Lungoci, C.; Kovacs, I.; Mircea, M. Internet based SCADA platform for monitoring strategic hydrotechnical structures. In Proceedings of the 2016 IEEE International Conference on Automation, Quality and Testing, Robotics (AQTR), Cluj-Napoca, Romania, 19–21 May 2016; pp. 1–5. [Google Scholar] [CrossRef]
- Stroia, N.; Moga, D.; Barabas, Z. Web based monitoring of solar power systems. IFAC Proc. Vol. 2013, 46, 131–136. [Google Scholar] [CrossRef]
- Moga, D.; Petreus, D.; Stroia, N. A low cost architecture for remote control and monitoring of greenhouse fields. In Proceedings of the 7th IEEE Conference on Industrial Electronics and Applications (ICIEA), Singapore, 18–20 July 2012; pp. 1940–1944. [Google Scholar] [CrossRef]
- STMicroelectronics. EVALSTPM34, EVALSTPM33, EVALSTPM32 Evaluation Board; UM1748; User Manual. Available online: https://www.st.com/resource/en/user_manual/um1748-evalstpm34-evalstpm33-evalstpm32-evaluation-board-stmicroelectronics.pdf (accessed on 12 July 2022).
- Trodden, P.A.; Bukhsh, W.A.; Grothey, A.; McKinnon, K.I.M. Optimization-Based Islanding of Power Networks Using Piecewise Linear AC Power Flow. IEEE Trans. Power Syst. 2014, 29, 1212–1220. [Google Scholar] [CrossRef]
- Oprea, S.-V.; Bâra, A.; Reveiu, A. Informatics Solution for Energy Efficiency Improvement and Consumption Management of Householders. Energies 2018, 11, 138. [Google Scholar] [CrossRef]
- Silva, B.N.; Khan, M.; Han, K. Load Balancing Integrated Least Slack Time-Based Appliance Scheduling for Smart Home Energy Management. Sensors 2018, 18, 685. [Google Scholar] [CrossRef]
- Caprino, D.; Della Vedova, M.L.; Facchinetti, T. Applying limited-preemptive scheduling to peak load reduction in smart buildings. In Proceedings of the IEEE 20th Conference on Emerging Technologies & Factory Automation (ETFA), Luxembourg, 8–11 September 2015; pp. 1–8. [Google Scholar] [CrossRef]
- Shaban, A.; Maher, H.; Elbayoumi, M.; Abdelhady, S. A cuckoo load scheduling optimization approach for smart energy management. Energy Rep. 2021, 7, 4705–4721. [Google Scholar] [CrossRef]
- Jamil, M.; Mittal, S. Hourly load shifting approach for demand side management in smart grid using grasshopper optimisation algorithm. IET Gener. Transm. Distrib. 2020, 14, 808–815. [Google Scholar] [CrossRef]
- Vidal, A.R.S.; Jacobs, L.A.A.; Batista, L.S. An evolutionary approach for the demand side management optimization in smart grid. In Proceedings of the 2014 IEEE Symposium on Computational Intelligence Applications in Smart Grid (CIASG), Orlando, FL, USA, 9–12 December 2014; pp. 1–7. [Google Scholar] [CrossRef]
- Sharma, A.K.; Saxena, A. A demand side management control strategy using Whale optimization algorithm. SN Appl. Sci. 2019, 1, 870. [Google Scholar] [CrossRef]
- Naz, M.; Iqbal, Z.; Javaid, N.; Khan, Z.A.; Abdul, W.; Almogren, A.; Alamri, A. Efficient Power Scheduling in Smart Homes Using Hybrid Grey Wolf Differential Evolution Optimization Technique with Real Time and Critical Peak Pricing Schemes. Energies 2018, 11, 384. [Google Scholar] [CrossRef]
- Tamilarasu, K.; Sathiasamuel, C.R.; Joseph, J.D.N.; Madurai Elavarasan, R.; Mihet-Popa, L. Reinforced Demand Side Management for Educational Institution with Incorporation of User’s Comfort. Energies 2021, 14, 2855. [Google Scholar] [CrossRef]
- Lezama, F.; Soares, J.; Canizes, B.; Vale, Z. Flexibility management model of home appliances to support DSO requests in smart grids. Sustain. Cities Soc. 2020, 55, 102048. [Google Scholar] [CrossRef]
- Venkatesh, B.; Sankaramurthy, P.; Chokkalingam, B.; Mihet-Popa, L. Managing the Demand in a Micro Grid Based on Load Shifting with Controllable Devices Using Hybrid WFS2ACSO Technique. Energies 2022, 15, 790. [Google Scholar] [CrossRef]
- Ullah, I.; Hussain, S. Time-Constrained Nature-Inspired Optimization Algorithms for an Efficient Energy Management System in Smart Homes and Buildings. Appl. Sci. 2019, 9, 792. [Google Scholar] [CrossRef]
- Yang, X.-S. Nature-Inspired Optimization Algorithms; Elsevier: London, UK, 2014. [Google Scholar]
- Giaconi, G.; Gunduz, D.; Poor, H.V. Privacy-Aware Smart Metering: Progress and Challenges. IEEE Signal Processing Mag. 2018, 35, 59–78. [Google Scholar] [CrossRef]
- Silicon Laboratories. WGM160P Wi-Fi® Module Data Sheet. Available online: https://www.silabs.com/documents/public/data-sheets/wgm160p-datasheet.pdf (accessed on 29 September 2020).
- STMicroelectronis. EVALSTPM3x-3PH Evaluation Board and Graphical User Interface (GUI); UM1944; User Manual. Available online: https://www.digikey.in/htmldatasheets/production/3156012/0/0/1/EVALSTPM3X-3PH-GUI.pdf (accessed on 12 July 2022).
- STMicroelectronis. STPM32, STPM33, STPM34. ASSP for Metering Applications with up to Four Independent 24-Bit 2nd Order Sigma-delta ADCs, 4 MHz OSF and 2 Embedded PGLNA; DS10272; Datasheet. Available online: https://www.st.com/resource/en/datasheet/stpm32.pdf (accessed on 12 July 2022).
- STMicroelectronics. EVALSTPM-3PHISO: Getting Started with the STPMS2 3-ph Full Shunt Evaluation Board; UM2847; User Manual. Available online: https://www.st.com/resource/en/user_manual/um2847-evalstpm3phiso-getting-started-with-the-stpms2-3ph-full-shunt-evaluation-board-stmicroelectronics.pdf (accessed on 12 July 2022).
- Sun, Q.; Li, H.; Ma, Z.; Wang, C.; Campillo, J.; Zhang, Q.; Wallin, F.; Guo, J. A Comprehensive Review of Smart Energy Meters in Intelligent Energy Networks. IEEE Internet Things J. 2016, 3, 464–479. [Google Scholar] [CrossRef]









































| Reference | Data Type | Sampling Period |
|---|---|---|
| [35] | Power consumption, light intensity, CO2 | 5 min |
| [37] | Power consumption (W) | 1 sec |
| [36] | Energy consumption (Wh) of the heat pump and of the home, outdoor dry-bulb temperature (C), solar radiation (Wh/m2) | 1 day |
| [27,29] | Power rate (kWh) of appliances | Daily usage (hours) |
| [28] | Energy consumption for each customer (kWh) | 15 min |
| [30] | Power consumption (W) of appliances | 1 sec |
| [31] | Temperature, humidity, day of week Load power | Daily ½ h |
| Ref. | Architecture | Technologies | Smart Home Capabilities | Energy Monitoring Capabilities | Maturity and Scalability | Local Display |
|---|---|---|---|---|---|---|
| [39] | ‘Cloud-first’ implementation | Open-source, publish/subscribe, MongoDB | End-to-end IoT technologies | Energy footprints of appliances (not accurate due to nonlinear nature of time-energy footprint) | Raspberry-Pi-3-based ON/OFF detection for appliances; load test of servers with Apache JMeter | N/A 1 |
| [40] | Arduino + ESP8266 Wi-Fi Module | Web server | N/A | Current and voltage sensors interfaced to Arduino Leonardo | Arduino-based prototype; Wi-Fi connection demonstrated between meter and web application. Upper level (gateway, cloud DB) not present | Character LCD |
| [41] | Intel Edison board-based station | MQTT, AWS IoT, DynamoDB | N/A | Allegro ACS712 current sensor interfaced to Intel Edison board | Prototype tested individually | N/A |
| [37] | Wireless sensor network, data-acquisition module (gateway), data-storage module, visualization module | PostgreSQL, Apache, PHP, data-stream management system | N/A | Wireless smart-power strip nodes interfaced by a sink node | Prototype | N/A |
| [42] | Data-acquisition module (microcontroller for HVAC unit management), middleware module, client-application module | MQTT server, storage server, analytics engine server, Webserver | RFID reader, temperature and humidity sensors | Current sensor for measuring AC unit current, solid-state relay for switching devices ON/OFF | Hardware prototype, scalability simulated using Webserver stress tool | N/A |
| [43] | Wireless sensor network, gateway, cloud servers | Virtual End Node server for handling Virtual Top Node events, Bluetooth 4.0 (BLE) | BLE nodes for monitoring of temperature, humidity, air pressure, CO2, and air pressure differences | Controllable smart devices, monitoring of data from distributed resources (solar PV, wind mill, ESS, and electric vehicle charging posts) | Pilot project implemented at VTT’s research apartment | N/A |
| [44] | HEMS-IoT architecture integrating 7 layers (presentation, IoT services, security, management, communication, data, and device layer) | ZigBee, IoT (REST) services, big-data technologies, and machine learning | Smart-home monitoring (motion and room location, lighting, temperature, water flow, gas, sound sensors) for ensuring comfort and safety | Smart-home monitoring (energy control sensors) for reducing energy consumption | Case study conducted on 10 homes (with two types of design and characteristics) in a residential complex for identifying energy-consumption patterns | N/A |
| Current work | Layered architecture integrating wired/wireless sensor nodes, gateway-managed networks, cloud processing | BLE, MongoDB, Cloud DB server, iOS, XCode, Qt | Sensor nodes for environmental variables (temperature, humidity, CO2, light intensity), controller nodes/smart actuator nodes for regulation of room environment | Measurement of: active power and energy, reactive power and energy, apparent power and energy from RMS data, apparent power vectorial calculation, zero-crossing, line period, phase-delay between voltage and current, sag and swell events. | Prototype devices with high technology readiness level (beta prototypes) are validated and installed in residential and office buildings. Energy-monitoring nodes fully integrated into the smart-home/BMS networks. Scalability of the network based on wireless hubs and wired gateways (up to 60 controller and sensor nodes managed by a gateway). Technologies with proven scalability used at cloud level. | LCD graphic display: local editing of the control/monitoring parameters; current measured values; plot of the last 12/24 h |
| Device | Model | Consumption |
|---|---|---|
| Washing machine | ARCTIC APL71222BDW3 | 173 kWh/year |
| Refrigerator | Bosch KGE39AI40/13 | 156 kWh/year |
| Electric oven | Electrolux EOF5C70X | 0.81 kWh/cycle, max. 2790 W |
| Electric heater | Electrolux ER 2009 | Max. 2000 W |
| Lamp with light bulb | Osram | 200 W |
| Ref. | Algorithm | Types of Devices | Time Granularity |
|---|---|---|---|
| [57] | Least Slack Time (LST) | Devices with different duty cycles | N/A 1 |
| [58] | Full/limited preemption Earliest Deadline First (EDF) | Interruptible devices | N/A |
| [56] | Gradual- and lump-shifting algorithms | Programmable interruptible/non-interruptible devices | 1 h |
| [59] | Cuckoo Search (CS), Mixed-Integer Linear Programming (MILP) | Shiftable and non-shiftable devices | 1 h |
| [60] | Particle Swarm Optimization (PSO), Grasshopper Optimization Algorithm (GOA) | Controllable devices | 1 h |
| [61] | Genetic Algorithm (GA) | Controllable devices | 1 h |
| [62] | Whale Optimization Algorithm | Controllable devices | 1 h |
| [63] | Hybrid Gray Wolf Differential Evolution (HGWDE) | Shiftable, non-shiftable, and controllable devices | 15, 30, and 60 min |
| [64] | Enhanced Binary Gray Wolf Optimization (EBGWO), Binary Particle Swarm Optimization (BPSO) and Binary Gray Wolf Optimization (BGWO) | Controllable/uncontrollable shiftable/non-shiftable devices | N/A |
| [65] | PSO, vortex search (VS), differential evolution (DE), Hybrid-Adaptive DE (HyDE), HyDE with decay function (HyDE-DF) | Shiftable and real-time devices | 15 min |
| [66] | WFS2ACSO (hybrid technique incorporating Wingsuit Flying Search Algorithm (WFSA) and Artificial Cell Swarm Optimization (ACSO)) | Controllable devices | N/A |
| [67] | Moth-Flame Optimization (MFO) algorithm, Genetic Algorithm (GA), TG-MFO (Time-Constrained Genetic-Moth-Flame Optimization) | Fixed and elastic devices | 30 min |
| Component | Producer | Unit Price | Quantity | Total |
|---|---|---|---|---|
| STPMS2 | STMicroelectronics | 1.10 | 3.00 | 3.30 |
| STISO621W | STMicroelectronics | 1.30 | 3.00 | 3.90 |
| STM32F413RHT6TR | STMicroelectronics | 6.79 | 1.00 | 6.79 |
| Total | 13.99 | |||
| Component | Producer | Unit Price | Quantity | Total |
|---|---|---|---|---|
| STPM32 | STMicroelectronics | 1.39 | 3.00 | 4.17 |
| IL260 | NVE Corporation | 5.71 | 3.00 | 17.12 |
| STM32L496RGT3 | STMicroelectronics | 7.40 | 1.00 | 7.40 |
| Total | 28.69 | |||
Publisher’s Note: MDPI stays neutral with regard to jurisdictional claims in published maps and institutional affiliations. |
© 2022 by the authors. Licensee MDPI, Basel, Switzerland. This article is an open access article distributed under the terms and conditions of the Creative Commons Attribution (CC BY) license (https://creativecommons.org/licenses/by/4.0/).
Share and Cite
Stroia, N.; Moga, D.; Petreus, D.; Lodin, A.; Muresan, V.; Danubianu, M. Integrated Smart-Home Architecture for Supporting Monitoring and Scheduling Strategies in Residential Clusters. Buildings 2022, 12, 1034. https://doi.org/10.3390/buildings12071034
Stroia N, Moga D, Petreus D, Lodin A, Muresan V, Danubianu M. Integrated Smart-Home Architecture for Supporting Monitoring and Scheduling Strategies in Residential Clusters. Buildings. 2022; 12(7):1034. https://doi.org/10.3390/buildings12071034
Chicago/Turabian StyleStroia, Nicoleta, Daniel Moga, Dorin Petreus, Alexandru Lodin, Vlad Muresan, and Mirela Danubianu. 2022. "Integrated Smart-Home Architecture for Supporting Monitoring and Scheduling Strategies in Residential Clusters" Buildings 12, no. 7: 1034. https://doi.org/10.3390/buildings12071034
APA StyleStroia, N., Moga, D., Petreus, D., Lodin, A., Muresan, V., & Danubianu, M. (2022). Integrated Smart-Home Architecture for Supporting Monitoring and Scheduling Strategies in Residential Clusters. Buildings, 12(7), 1034. https://doi.org/10.3390/buildings12071034

