Next Article in Journal
Digital Technologies Role in the Preservation of Jewish Cultural Heritage: Case Study Heyman House, Oradea, Romania
Next Article in Special Issue
Modelling of Strengthened Steel Connections under Static and Cyclic Loading
Previous Article in Journal
Repair and Protection of Existing Steel-Reinforced Concrete Structures with High-Strength, Textile-Reinforced Mortars
Previous Article in Special Issue
Numerical Performance Analysis of Concrete-Filled Hollow GFRP Beams including Inner Surface Bearing Stresses at the Interface
 
 
Font Type:
Arial Georgia Verdana
Font Size:
Aa Aa Aa
Line Spacing:
Column Width:
Background:
Article

Life Cycle Assessment of an Innovative Hybrid Highway Bridge Made of an Aluminum Deck and Glulam Timber Beams

1
Civil and Water Engineering Department, Laval University, 1065 Avenue de la Médecine, Québec, QC G1V 0A6, Canada
2
Aluminium Research Center—REGAL, Laval University, 1065 Avenue de la Médecine, Québec, QC G1V 0A6, Canada
3
Centre D’expertise Sur L’aluminium, The Quebec Aluminium Industrial Cluster, 625, President Kennedy Street, Suite 505, Montréal, QC H3A 1K2, Canada
*
Author to whom correspondence should be addressed.
Buildings 2022, 12(10), 1616; https://doi.org/10.3390/buildings12101616
Submission received: 1 September 2022 / Revised: 24 September 2022 / Accepted: 26 September 2022 / Published: 5 October 2022
(This article belongs to the Special Issue Finite Element Analysis and Design of Hybrid Structures)

Abstract

:
Reinforced concrete and steel are the most commonly used materials in bridge applications in Quebec (Canada). The production of these materials has a significant environmental impact and contributes to the scarcity of non-renewable resources due to the numerous maintenance requirements during the life of the structure. Consequently, there are governmental initiatives and efforts in the province of Quebec to promote the use of aluminum and engineered wood in the construction and rehabilitation of roadway bridges. Those two materials are not widely used due to the short-term vision of decision makers and the lack of technical knowledge for structural uses in highway bridge structures. However, they can be competitive materials due to their local production, durability and recyclability. The life cycle assessment method allows for an analysis of the use of complementary materials, considering all the stages of the life cycle of a structure. The comparison of a roadway bridge made of an aluminum deck on glulam timber beams against a bridge made of an aluminum deck on steel girders shows that, due to the local production and low environmental impact of glulam timber, the aluminum-to-timber bridge is economically and environmentally more advantageous than the aluminum-to-steel bridge. Similarly, a comparison of this alternative aluminum/wood solution to the conventional concrete slab-on-steel girder bridge solution shows a decrease in overall cost by 86% and a decrease in environmental impacts by 88% due to the ease of prefabrication and the relatively low number of interventions over its lifetime.

1. Introduction

According to the 2018–2019 annual management report of the Ministère des Transports du Québec (MTQ) in Canada, Quebec’s upper highway bridge network (including concrete and wood decks) represents around 5400 structures with a span of 4.5 m or more. More than 70% of those highway bridge structures were built between 1960 and 1980 [1,2,3] and has exhibited rapid deterioration of their decks under the corrosive action of de-icing salts, given the severe winter climate of Québec; in turn, this requires a significant rehabilitation investment from the provincial Government of Québec [3,4,5,6,7]. Nowadays, the MTQ is investing in bringing its existing structures up to standard. The question arises as to which construction materials should be selected and used in the context of the severe winter climate of Québec. Although reinforced concrete is the most widely used construction material, it is prone to rapid degradation caused by the corrosive action of d-icing salts (Figure 1). Concrete can be degraded by the reaction (dissolution, swelling) of its constituents. The main agents promoting the migration of polluting agents in concrete are air and water. As they enter the pores of the concrete, they modify the characteristics—in particular, the chemical composition of the interstitial solution. These agents are responsible for one of the main degradation mechanisms of existing structures (Figure 1). When corrosion kinetics become important, the degradation produced influences the durability and safety of the structure. In order to avoid such a phenomenon, reinforced concrete structures require numerous maintenance interventions including a total replacement of the concrete slabs about every 25 years [3]. The construction and maintenance interventions for this type of bridge are numerous and require particularly long road closures.
Similarly, the durability of steel bridges is also compromised by corrosion. In order to ensure their long-term structural integrity, steel elements must have a protective coating. This coating must be replaced several times throughout the life of the bridge, as must the connectors used to assemble the steel parts. For example, the Jacques Cartier Bridge in Montreal, Canada is repainted every 25 years [3]. These maintenance operations are costly and involve large economic and environmental impacts.
The environmental and economic impacts of this type of bridge are therefore at the heart of discussions. Conventional materials such as concrete and steel could be replaced by materials such as aluminum and engineered wood, which, today, are effective alternatives with lower environmental impacts. These two materials are part of a Quebec-wide valorization program aimed at strengthening the Quebec aluminum [8,9] and engineered wood industries [10]. Since the 1990s, the use of aluminum in the construction of high-way bridges has been regarded as a promising alternative solution. Owing to its recyclability, extrudability, excellent resistance-to-weight ratio, good resistance at low temperatures and high resistance to corrosion, this material can find extensive applications by complementing or replacing structural components in building and bridge applications. However, the use of aluminum is still in its infancy in Quebec, since only one bridge has made use of the material for its entire superstructure (Arvida bridge), along with one other for its decking (Saint-Ambroise bridge). The same is true for the use of engineered wood: only about a hundred glued-laminated wood bridges have been built in recent years.
Aluminum and engineered timber exhibit desirable and interesting properties for the construction of highway bridges. They are both local materials (reduction of transportation costs and environmental impacts), recyclable and particularly well adapted to prefabrication (reduction of costs and indirect impacts of road closures). The use of aluminum also reduces the mass of the structure. Indeed, its density is three times lower than that of steel, making it possible to design lightweight bridge decks that are suitable for bridge rehabilitation. In addition, aluminum is resistant to low temperatures, which makes it particularly well adapted to the Quebec winter climate. Finally, its main quality is its durability due to its natural high resistance to atmospheric corrosion [10]. As for engineered wood, it is a material that offers interesting mechanical properties while being environmentally friendly since it comes from an abundant and renewable resource in Quebec. The durability of engineered timber structures can be guaranteed by the aluminum deck, which is waterproof and protects the timber components from direct rains [11,12]. The properties and characteristics of these two materials are complementary, and the combination of an aluminum deck with an engineered timber structure can result in low maintenance and rehabilitation costs, in addition to a large potential for recycling. This would reduce the costs and environmental impacts of maintenance and end-of-life management and allow for the consideration of sustainable and economically viable solutions for the construction of highway bridges.
While wooden elements have a lower initial cost than steel elements, this is not the case for aluminum. The initial costs of building aluminum decking are higher than those of a concrete slab. However, its lower number of maintenance operations could reverse this trend by reducing, among other things, the indirect costs of road closures during maintenance operations. Similarly, engineered wood elements, which act as carbon sinks during their cultivation, could reduce the environmental impact of the construction of road bridges. Could the use of preservatives every ten years to ensure the durability of wood components not reverse these gains? To answer these questions, the purpose of this study is to quantify the total life-cycle costs of a bridge deck composed of aluminum over glulam timber beams and compare them to those of a deck composed of aluminum over steel beams and, eventually, to those of conventional concrete slabs over steel beams. An analysis of the environmental impacts of both deck systems complements this economic analysis. The major parameters influencing the results of the two studies are then identified in order to draw a global conclusion.
To carry out this comparison, two typical 20 m-span bridges (aluminum/steel and aluminum/glulam timber) representative of an urban environment are designed. The extruded aluminum decks used in this study are developed through a collaborative research project between REGAL and MTQ [12].

2. Scope of the Study

To carry out a comparative analysis of the costs and environmental impacts of the bridge made of an aluminum deck on glulam timber beams and the bridge made of an aluminum deck on steel beams over their entire life span, it is necessary to base this study on a common function, such as ensuring road transport between two segments of road separated by an obstacle. Thus, for each bridge, the study is limited to the superstructure (frame and decking). The temporal limit of the study is 75 years, which corresponds to the minimum lifetime of a bridge, as defined by the Canadian Highway Bridge Design Code [13].
This study includes an economic and environmental analysis of two types of bridges (aluminum/steel and aluminum/glulam timber). The context of the study is an urban environment defined in terms of intensity of traffic (average daily flow of 2500 vehicles). The bridge with aluminum decking on steel beams and the one with aluminum decking on glulam timber beams have the same dimensions and characteristics: three traffic lanes, a span of 20 m and a total width of 11.5 m. The aluminum deck on steel beams is made up of four beams [14], while the aluminum deck on glulam timber beams has nine beams. Preliminary FE-analyses have allowed for an optimization of the design of the aluminum decking in the case of an aluminum/wood deck.

3. Description of the Studied Bridges

The studied highway bridges are made of aluminum decks built up of several extruded aluminum panels (Figure 2c) assembled together on site. The readers are referred to [2] for a better reading on the production and assembly of aluminum extrusions (male–female connections, welding, blind bolts, etc.). The aluminum deck is composed of three traffic lanes and is supported on either four-steel girders (Figure 2a) or nine-glulam timber beams (Figure 2b). The connections between the aluminum deck and the steel girders or the glulam beams are designed (Figure 3) to allow for relative horizontal sliding (no composite action) given the difference in the thermal expansion of materials.
The two bridges have an 11.5 m width and a 20 m span length and are designed to meet the Canadian Highway Bridge Design Code (CHBDC) for the service, ultimate and fatigue limit states [2].
The AA6005A-T61 alloy was adopted for the aluminum extrusions, and Nordic-Lam timber was adopted for the glulam timber beams.
In order to identify the overall costs and environmental impacts of the two bridges, maintenance scenarios are established based on feedback from practical experience and some hypotheses. These scenarios concern maintenance operations, their frequency and duration as well as the residual value of the bridges at the end of their service life. Regular maintenance activities such as inspections, maintenance or cleaning are considered identical for both bridges and are therefore excluded from the study.

4. Methodology

4.1. Design Stage

The life-cycle assessment study is highly dependent on the quantity of materials involved in the two types of bridges. Thus, the design (sizing) of the bridge aluminum deck on glulam timber beams was first carried out by means preliminary FE-analyses and manual calculations according to the standard requirements. The aluminum deck and glulam beams were designed to meet, respectively, the Canadian Highway Bridge Design Code (CHBDC) [13] and the Timber Engineering Design Code (CSA O86) [15] for the service and ultimate limit states. The steel girders were designed to meet the CAN/CSA S16-14 [16]. Note that the aluminum deck and the four-steel girders were already designed in a previous study by the authors [2].
The main material properties are given in Table 1.
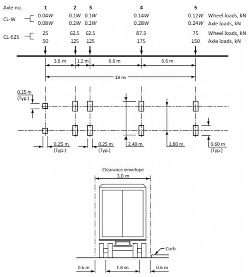
Figure 4 illustrates the location of the tire print for the CL-625 truck loads for each lane of the studied bridge (a total of three CL-625 trucks). The wheel and axle loads as well as the axle spacing for the CL-625 truck according to the CHBDC Standard are given in Figure 5.
The design of the bridge consists of:
  • sizing the aluminum deck according to the Canadian Highway Bridge Design Code (CHBDC) [13];
  • sizing the glulam beams according to the Timber Engineering Design Code (CSA O86) [15];
  • sizing the steel-girders according to the CAN/CSA S6-14 [16].
Here, the aluminum deck is sized and designed for 75 years of life under the specified traffic loads. Note that it was found that the fatigue limit state controls the design of the aluminum deck, while the ultimate limit state induces a maximum von-Mises stress of σ v M = 35 MPa, which is below the material (aluminum) resistance capacity (Figure 6). This result is consistent with the finding published in [2]. Here, only the dimensions of glulam timber beams are given, since the aluminum deck on steel girders was already studied in [2].
Table 2 and Table 3 display the dimensions of both the aluminum deck and the glulam timber beams, which meet the requirements of the specific standards.
Nine glulam timber beams supported the aluminum deck. Their dimensions are determined from finite-element modelling and analysis and are verified against the Canadian the Canadian Engineering Timber Design code (CSA O86-14) [15] requirements, under both the ultimate and serviceability limit states.

4.2. Data Collection

Performing life cycle assessments requires a certain amount of data. Data collection is an iterative process to determine what data are needed and the importance of such data. The data related to the life-cycle assessment for the aluminum deck on steel girders have been obtained from a previous work carried out at the Laval University [14]. This phase of dimensioning allows for the assessment of the quantities of materials needed for the construction and maintenance of the whole bridge over 75 years of life.

4.2.1. Deterministic Study Framework

Two methods exist to evaluate the economic and environmental impacts of bridges: the deterministic method and the probabilistic method. These two methods condition the data processing. The choice here was made for the deterministic study. This study does not consider the variability and uncertainties related to the input parameters of the studied system. The input parameters are therefore fixed, and the output result—either the total cost of the bridges or the total environmental impacts of the bridges—is therefore a fixed value. The relevance of the study result is therefore directly dependent on the quality and accuracy of the initial data. Sensitivity studies complement the deterministic analysis in order to assess the influence of the input parameters. By varying a single input parameter and setting the other parameters, it is possible to see the influence of this parameter on the final result.

4.2.2. Bridge Location

Within the framework of the deterministic study, a reference bridge characteristic of the urban environment was chosen. It is the bridge P-17683 from the Quebec bridge inventory. Its characteristics, taken from the inventory sheet, are summarized in Table 4. This bridge, built in 2015, has a total length of 35.4 m for a deck length of 20 m. Its total width is 11.5 m. The bridge made of an extruded aluminum deck on steel girders is located on Route 243 near the municipality of Brome Lake, Quebec.

4.2.3. Construction Scenarios

Data on maintenance operations are necessary to calculate the indirect costs associated with road closures caused by maintenance operations. This data collection also helps to determine the quantities of the materials required during maintenance operations.
In the case of the aluminum/steel bridge deck, it should be noted that the aluminum structure does not require any particular maintenance operation over the life of the structure, just like the structure that is protected by the permeability of the deck. However, it is estimated that the following two maintenance operations would be required:
  • The replacement of the running surface and the bolts under the deck (connection beam/deck and flanges) every 25 years [3];
  • The replacement of the intra-panel bolts every 50 years.
Thus, in year 25, two days of closure would be required, and in year 50, five days of closure are anticipated. Concerning the aluminum/wood deck, maintenance operations are to be planned on the wood structure. Every ten years, a preservative treatment must be applied to the elements of the structure in order to protect the timber beams. These maintenance operations do not require road closures. The maintenance operations on the deck are identical to those of the aluminum/steel bridge. Thus, in year 25, two days of closure are to be expected, and in year 50, five days of closure are to be expected.

4.3. Life Cycle Cost Analysis

The Life Cycle Assessment of a bridge structure is a holistic method that addresses all stages of its life cycle, from the production of raw materials to the end-of-life management of the bridge. Life cycle cost analysis is a full cost approach that considers the impact of deferred costs [15]. The method used is the discount rate method. The discount rate corresponds to the value that is given to the future. The results of the study is highly dependent on the choice of the discount rate. The MTQ recommends a discount rate of 2.37%, decreasing from year 30 onwards in order to avoid the undue discounting of future costs [16]. The discount rate, i, is calculated according to Equation (1):
i = { 0.0237   i f   n 30   ( 1 + 0.0237 ) 30 × ( 1 + 0.01 ) ( n 30 ) n 1   i f   n > 30
where n = year of the deferred cost, i = discount rate.
The cost analysis is carried out in four steps. The first step defines the objectives and scope of the study. Next, an inventory of economic flows is carried out on all the costs that appear during the lifetime of the decks. These costs include the direct costs attributable to the construction, the maintenance and the end-of-life management, along with the indirect costs, i.e., those incurred by users during the construction and maintenance phases. The calculation of indirect costs considers the costs impacting users (cost related to lost time, cost related to the use of fuel and cost related to the depreciation of the vehicle), as well as environmental costs. These indirect costs depend essentially on the daily flow of vehicles, the length of the traffic diversion, the number of vehicles on the road and the amount of time for which the facility is closed [16]. The cost analysis (CCV) is then carried out using the sum of all costs, updated as necessary and calculated using Equation (2).
C C V = C C 0 + C c l o s i n g c o n s t . ( T 0 ) + n = 1 N C m a i n t . n ( T n ) ( 1 + i ) T n + n = 1 N C c l o s i n g m a i n t . n ( T n ) ( 1 + i ) T n V r e s i d u a l ( 1 + i ) T N
where C C 0 = initial construction cost, C c l o s i n g c o n s t . ( T 0 ) = cost of road closure during the initial construction of the bridge,   C m a i n t . n ( T n ) = maintenance cost in year Tn, C c l o s i n g m a i n t . n ( T n )   = road closure cost for maintenance operation in year Tn, V r e s i d u a l = residual value (remaining value) at the end of the life cycle, T N = year of the end of the life cycle, i = discount rate, N = the number of updated costs considered in the CCV.
Finally, an interpretation of the results allows the latter to be compared and the preferred option to be defined while maintaining a critical view toward them. Sensitivity analyses on the data collected and the hypotheses formulated allow for a confirmation of the results and for a verification of the robustness of the formulated conclusions of the study.

4.4. Environmental Life Cycle Assessment

The environmental life cycle analysis follows the same method as the economic analysis, except the potential environmental impacts of emissions and extractions are studied instead of costs.
The first step in the life cycle assessment is to define the objectives and scope of the study. Three scopes are used to study the impact of each stage of the life cycle on the final result of the analysis. The three perimeters are visible in Figure 7.
The three perimeters cover the following elements:
  • Perimeter 1: Only activities related to the initial construction of the bridge are included. This includes all the activities necessary for the construction of the bridge under consideration;
  • Perimeter 2: The maintenance operations and materials necessary for the maintenance of the bridge are included. The management of the index of life of the bridge is also included in the perimeter;
  • Perimeter 3: The traffic diversion associated with the initial construction of the bridge as well as that caused by maintenance operations are studied here.
The text continues here.
The first perimeter, Initial Construction, is included in the second perimeter, Maintenance and End-of-Life, which, in turn, is included in the third perimeter, Traffic Diversion.
Subsequently, the elementary processes that are involved in the field of analysis are defined. An elementary process is defined as the smallest part considered in the life cycle inventory for which input and output data are quantified in the database. The database chosen here is Ecoinvent version 3.3 cut-off (www.ecoinvent.org, accessed on 28 June 2020) on the OpenLCA 1.7.2 software (www.openlca.org, accessed on 25 June 2020). An example of a basic process is the production of aluminum decking. For each process, the database provides the elementary flows. These are defined as the material or energy entering the elementary process that has been taken from the environment without prior human transformation (water, gas, etc.) and the material or energy leaving the process that is released into the environment without further human transformation (waste, heat or gas emissions). Knowledge of these elementary flows and, therefore, of the elementary processes is provided by the life cycle inventory. This corresponds to the balance of the elementary flows, i.e., the resources extracted from the environment and the pollutants emitted into the environment. This same life cycle inventory is then used to carry out the environmental life cycle analysis. It is therefore a matter of translating the emissions from the inventory into the results of impact category indicators using characterization factors. The choice of impact categories must reflect a complete set of environmental problems related to the deck system studied. Several methods exist for carrying out the environmental impact assessment. These essentially differ in their analytical framework, their characterization model and their parameterization. The method used here is the European IMPACT 2002+ method [17,18,19]. The aggregation of life cycle impacts into four categories of damages provides results that are simple to understand and analyze. Moreover, this method allows for a rapid assessment of the potential environmental issues associated with the different scenarios studied. The damage categories are summarized in Table 5. The factors for converting impacts to damages include an implicit weighting described in the IMPACT 2002+ methodology.
The final stage of the LCA is a discussion and a comparison of the results obtained. In order to validate the latter, it is necessary to verify the consistency and quality of the data and the validity of the assumptions made over the course of the study.

4.5. Life Cycle Cost Analysis

In an urban setting, the study results show a 4% reduction in the total life cycle cost for an aluminum/wood deck compared to an aluminum/steel bridge in the case of a bridge rehabilitation with an initial road closure. This cost reduction is 8% in the case of a new bridge construction without an initial road closure. The use of wood framing and the optimization of the aluminum deck reduce the initial construction cost by 30% compared to an aluminum/steel structure. The difference is subsequently reduced due to maintenance operations on the wooden elements. As a result, the breakdown of the overall cost between the construction and service phases is 70%–30% for the aluminum/steel deck compared to 68%–32% for the aluminum/wood deck in the case with an initial road closure. In both configurations, the importance of indirect costs related to road closures is noteworthy. Indeed, in both cases, nearly 80% of the overall life cycle costs are generated exclusively by indirect costs. In the case of the aluminum/steel deck, the indirect cost of the initial closure represents 51% of the total cost, and the indirect cost of the road closure related to maintenance operations represents 28%. In the case of the aluminum/glulam timber deck, this represents 53% and 29% of the total cost of the deck, respectively. These two alternative aluminum deck solutions are then compared to the conventional concrete-slabs-on-steel-beams solution. The results of the life cycle cost study are summarized in Figure 8.
The high initial cost of aluminum leads to an increase in the initial construction cost of alternative solutions, but this trend is rapidly reversed. The speed of construction of aluminum solutions and the reduction in the number of maintenance operations on such structures reduce the cost of the alternative bridge deck solutions to 15% (aluminum/steel) and 14% (aluminum/wood) of the total cost of a conventional concrete slab deck.
The strength of the alternative solutions lies in their capacity for prefabrication and, therefore, rapid on-site installation. The durability of the materials also makes it possible to reduce maintenance operations, which are costly both in terms of direct material costs and indirect road closure costs. The robustness of these conclusions is verified through sensitivity analyses of the study’s determining parameters, namely, the daily flow rate and the length of the traffic diversion. Indirect costs are directly proportional to these two parameters. Whatever the value of these parameters, the aluminum/wood solution remains, economically, the most advantageous.

4.6. Environmental Life Cycle Analysis

The life cycle assessment leads to similar conclusions. The use of a glulam timber structure and the optimization of the aluminum deck reduce the environmental impacts of the deck construction by 18%, regardless of the damage category, compared to the environmental impacts of building an aluminum/steel bridge deck, as shown in Figure 9.
The recycling of glulam wood elements at the end of their life cycle reduces the environmental impact of this bridge by 24% over its entire life cycle. Finally, it appears once again that traffic diversions are at the root of the increase in the environmental impacts of the two deck solutions, since they account for nearly 86% of the total environmental impacts for both deck systems. Thus, the environmental impacts of the two decks over their entire life cycle are relatively similar due to the identical scenario of road closures for construction and maintenance. Conversely, the differences widen when comparing the alternative deck systems to the conventional deck solution. Although the environmental impacts of the conventional deck are lower during construction than those of an alternative aluminum/wood deck (reduction of 75% or even 5% depending on the category of damages), the trend reverses as soon as maintenance operations and end-of-life management are considered. In addition, there are the environmental impacts related to traffic diversions. Consequently, the use of an aluminum/wood deck reduces the overall environmental impact by 85% to 88%, depending on the damage category, compared to the environmental impact of a conventional concrete/steel solution, as shown in Figure 10. This is essentially due to the possibility of prefabrication and the use of recyclable materials.
It is important to note that the results of the study are only valid in the context of Quebec, particularly with the relatively cheaper production cost of aluminum using hydroelectricity. Changing suppliers leads to variations in environmental impacts, but sensitivity analyses have shown that the alternative solutions remain environmentally advantageous regardless of where they are produced.

5. Study Limitation and Applications

5.1. Applications

The Life Cycle Cost Analysis and the Life Cycle Environmental Analysis are designed to compare the total life cycle cost and environmental impacts of an alternative aluminum/wood bridge deck to those of an alternative aluminum/steel or concrete/steel bridge deck. These analyses are carried out in the urban Quebec context in the case of all materials obtained in Quebec. Thus, the conclusions of these analyses are valid only in this context. The results of this study can be used in the following situations:
  • The characterization of the environmental and economic profile of each bridge studied;
  • Identification of the key parameters of and main contributors to the economic profiles and environmental impact of the bridge facilities studied;
  • Determination of the strengths and weaknesses of each solution;
  • Drawing of the overall portrait of each deck for the purpose of finding durable and economically viable solutions for the construction of road structures.

5.2. Limitations

This study has some limitations that are important to note. With respect to life cycle assessments, the limitations are:
  • The robustness of the assumptions related to the different life cycle stages of each of the solutions;
  • The validity of the construction and maintenance hypotheses for aluminum deck solutions, as well as glulam timber beam solutions that are still not frequently used;
  • The lack of long-term knowledge of the methods and technologies used for the production, maintenance and end-of-life management of building materials, which could be used in 75 years;
  • The estimates used for the characterization of bridge traffic over the 75-year life of the bridge;
  • The choice of a 75-year study, as required by the Canadian standard [13]. Some existing bridges, such as the Champlain Bridge in Montreal, now have an estimated lifespan of 125 years due to the introduction of new, more durable materials (high-performance concrete and stainless steel) and modern construction techniques.
Regarding the cost analysis’ limitations, they concern:
  • The future fluctuation of the unit prices of the various elements that make up the life cycle cost analysis;
  • The robustness of the selected discount rates.
The Life Cycle Environmental Analysis also presents the following limitations:
  • The representation of potential and non-real environmental impacts;
  • The use of a European inventory database in a North American context;
  • Not considering assembly boundaries in modelling;
  • The completeness and validity of the environmental impact assessment method, because it covers the totality of the emissions, which has a significant environmental impact. Assessing life cycle impacts is, in fact, an average case and not the worst-case scenario.

6. Recommendations and Perspectives

6.1. Recommendations

Following the economic and environmental life cycle analysis of the decks, it appears that aluminum decks on glulam timber beams are to be preferred in urban areas, depending on the following parameters of the study: the daily flow of vehicles and the length of traffic diversions. The main advantages of such a deck are the local production of the deck elements (which limits the environmental impact and the costs associated with the transportation of materials), the possibility of prefabrication of the deck elements (which considerably reduces installation time and thus the costs and environmental impacts of traffic diversions) and the low number of maintenance operations. These advantages make it possible to offset higher initial construction costs compared to conventional solutions.
The results highlight different methods that make it possible to reduce the costs as well as the environmental impacts of road structures in Quebec:
  • Use of construction materials produced in Quebec;
  • Optimization of aluminum decking to reduce the amount of aluminum required;
  • Priority to materials adapted to pre-manufacturing (reduction of construction time on site);
  • Priority to materials that require little maintenance and therefore limited closing during their lifespan;
  • Recycling of construction materials.
The results obtained are consistent with the conclusions drawn in previous studies. The production of materials as well as traffic diversions are the most contributing parameters to the economic and environmental profiles. The solutions requiring the least amount of raw materials and maintenance operations are to be preferred from an economic and environmental point of view.
Finally, this study shows the importance of life cycle thinking. A conclusion based solely on the construction phase is incomplete because costs and environmental impacts appear throughout the life of the bridge.

6.2. Perspectives

This study can be completed and improved, particularly in terms of data that have high uncertainty and contribute significantly to the final results. The sensitive parameters identified during the study are:
  • The origin of the aluminum;
  • Construction scenarios;
  • Maintenance scenarios;
  • The mass of the aluminum decking;
  • The daily flow of vehicles;
  • The length of traffic diversions;
  • The discount rates.
By performing more complete sensitivity and uncertainty analyses on all these parameters, it would be possible to increase the robustness of the results.
Additionally, it might be interesting to develop a database on the present study that compares the possible solutions. The user would only need to know the key parameters in the context such as the span of the bridge, the daily flow of vehicles, the length of the traffic diversions, etc., and the database would directly give the economic and environmental results of the different existing bridge models. This database would be regularly updated with new technical advances. It would allow for rapid decision making and long-term overviews of possible solutions.
Finally, more in-depth studies on flanges for connecting wood and aluminum materials can be carried out in order to widely democratize the use of hybrid bridges made of these two promising materials.

7. Conclusions

This study has revealed the benefits of an aluminum-deck-on glulam-timber-beams solution in the construction of bridges in Quebec urban areas. This solution is interesting from an economic and environmental point of view. The use of glulam timber allows for the reduction of initial construction costs. The use of aluminum, although initially costly, reduces maintenance costs and therefore ensures a competitive cost over the lifetime of the bridge deck. The main strength of the aluminum-deck-on-glulam-timber-beams solutions lies in their precascability. Indirect road closure costs and environmental impacts are reduced over the lifetime of the bridge compared to traditional concrete-slabs-over-steel-beams solutions. It should be noted, however, that, today, there are precast concrete and high-performance concrete (HPC) solutions that reduce, respectively, the costs and environmental impacts related to the construction of the bridge and the maintenance of the bridge over its lifetime. It will therefore be interesting to compare aluminum deck solutions to these new concrete solutions. Nevertheless, the use of aluminum and glulam in the province of Quebec allows two local industries to develop. Social analysis was not mentioned in this study, but it is also an interesting aspect of sustainable development.

Author Contributions

Conceptualization, C.B.; methodology, C.B. and M.O.; software, A.D.; validation, C.B., M.O. and M.F.; formal analysis, C.-D.A.; investigation, C.B. and A.D.; resources, C.B. and A.D.; data curation, C.B.; writing—original draft preparation, C.B.; writing—review and editing, M.O., C.-D.A. and M.F.; visualization, C.B., A.D.; supervision, M.O. and M.F.; project administration, M.O. and M.F.; funding acquisition, M.O. and M.F. All authors have read and agreed to the published version of the manuscript.

Funding

This research was funded by Mitacs grant number [FR44384].

Institutional Review Board Statement

Not applicable.

Informed Consent Statement

Not applicable.

Data Availability Statement

Not applicable.

Acknowledgments

This project was initiated by Mario Fafard and Marc Oudjene via ‘’le Centre de Recherche sur l’Aluminium (REGAL)’’. The financial supports from MITACS and CeiAl/AluQuebec are gratefully acknowledged.

Conflicts of Interest

Authors declare no conflict of interest.

References

  1. MTQ. Rapport Annuel de Gestion; Ministère des Transports, de la Mobilité Durable et de l’Électrification des Transports: Montréal, QC, Canada, 2019. [Google Scholar]
  2. Djedid, A.; Guillot, M.; Desjardins, V.; Annan, C.-D.; Fafard, M. Design and fabrication of bridge decks made from extruded aluminum. J. Light Met. Weld. 2020, 58, 138–144. [Google Scholar] [CrossRef]
  3. Pedneault, J.; Desjardins, V.; Margni, M.; Conciatori, D.; Fafard, M.; Sorelli, L. Economic and environmental life cycle assessment of a short-span aluminum composite bridge deck in Canada. J. Clean. Prod. 2021, 310, 127405. [Google Scholar] [CrossRef]
  4. Conciatori, D.; Bruhwiler, E.; Linden, C. Numerical simulation of the probability of corrosion initiation of RC elements made of reinforcing steel with improved corrosion performance. Struct. Infrastruct. Eng. 2018, 14, 1446–1454. [Google Scholar] [CrossRef]
  5. Sanchez, T.; Conciatori, D.; Cidreira Keserle, G. Influence of the type of the de-icing salt on its diffusion properties in cementitious materials at different temperatures. Cem. Concr. Compos. 2022, 128, 104439. [Google Scholar] [CrossRef]
  6. Bah, A.S.; Sanchez, T.; Zhang, Y.; Sasai, K.; Conciatori, D.; Chouinard, L.; Power, G.J.; Zufferey, N. Assessing the condition state of a concrete bridge combining visual inspection and nonlinear deterioration model. Struct. Infrastruct. Eng. 2022, 1–6. [Google Scholar] [CrossRef]
  7. Available online: https://www.lapresse.ca/actualites/montreal/201503/26/01-4855918-le-pont-jacques-cartier-se-refera-une-beaute.php (accessed on 30 September 2019).
  8. Gouvernement du Québec, Ministère de l’Économie, de la Science et de l’Innovation. Stratégie Québécoise de Développement de L’aluminium 2015–2025; Gouvernement du Québec, Ministère de l’Économie, de la Science et de l’Innovation: Montréal, QC, Canada, 2015. [Google Scholar]
  9. MRN. Charte du Bois; Ministère des Forêts, de la Faune et des Parcs: Montréal, QC, Canada, 2013. [Google Scholar]
  10. Association de L’aluminium du Canada. Infrastructures et Ouvrages; AA of Canada: Ottawa, ON, Canada, 2018. [Google Scholar]
  11. Frenette, C. Guide sur la Durabilité des Ponts en Bois; Centre D’expertise sur la Construction Commerciale du Bois, CECOBOIS: Québec, QC, Canada, 2020. [Google Scholar]
  12. Djedid, A.; Desjardins, V.; Guillot, M.; Fafard, M. Rapport D’étape 1 du Projet de Recherche R786.1—Développement d’une Solution de Platelage en Aluminium Pour Pont Routier à Poutres D’acier, Avec Action Composite; Rapport de Recherche Réalisé Pour le Compte du Ministère des Transports, de la Mobilité Durable et de l’Électrification des Transports; Les Publications du Québec: Québec, QC, Canada, 2018. [Google Scholar]
  13. Canadian Standard Association. S6-14-Canadian Highway Bridge Design Code; Canadian Standard Association: Ottawa, ON, Canada, 2016. [Google Scholar]
  14. Pedneault, J.; Bayan, C.; Sorelli, L.; Margni, M.; Conciatori, D.; Desjardins, V.; Fafard, M. Analyse du Coût Total de Possession sur le Cycle de vie d’un Pont Routier à Platelage en Aluminium; Université Laval: Québec, QC, Canada, 2019. [Google Scholar]
  15. Canadian Standard Association. CSA O86-14-Engineering Design in Wood. Canadian Council of Wood: Ottawa, ON, Canada, 2019.
  16. Canadian Standard Association. S16-14-Design of Steel Structures; Canadian Standard Association: Ottawa, ON, Canada, 2016. [Google Scholar]
  17. ISO: 15686-5; Standardized Method of Life Cycle Costing for Construction. ISO: Geneva, Switzerland, 2008.
  18. MTQ. Guide de L’analyse Avantages-Coûts des Projets Publics en Transport Routier; Ministère des Transports, de la Mobilité Durable et de l’Électrification des Transports: Montréal, QC, Canada, 2016. [Google Scholar]
  19. Jolliet, O.; Saadé, M.; Crettaz, P. Analyse du Cycle de vie: Comprendre et Réaliser un Écobilan; PPUR Presses Polytechniques: Montréal, QC, Canada, 2010. [Google Scholar]
Figure 1. Typical damage caused by de-ice salts on exposed concrete bridges.
Figure 1. Typical damage caused by de-ice salts on exposed concrete bridges.
Buildings 12 01616 g001
Figure 2. Schematic view of the studied bridges: (a) Aluminum deck supported by four-steel beams, (b) aluminum deck supported by nine-glulam timber beams and (c) typical male–female assembled aluminum extrusions.
Figure 2. Schematic view of the studied bridges: (a) Aluminum deck supported by four-steel beams, (b) aluminum deck supported by nine-glulam timber beams and (c) typical male–female assembled aluminum extrusions.
Buildings 12 01616 g002
Figure 3. Typical deck-to-girders connection systems: (a) deck/glulam beam connection and (b) deck/steel girder connection.
Figure 3. Typical deck-to-girders connection systems: (a) deck/glulam beam connection and (b) deck/steel girder connection.
Buildings 12 01616 g003
Figure 4. Spatial arrangement of the CL-625 truck live loads (wheel and axle loads) on the three lanes.
Figure 4. Spatial arrangement of the CL-625 truck live loads (wheel and axle loads) on the three lanes.
Buildings 12 01616 g004
Figure 5. The CHDBDC loading truck CL-625 arrangement.
Figure 5. The CHDBDC loading truck CL-625 arrangement.
Buildings 12 01616 g005
Figure 6. Distribution of the von-Mises stress on the aluminum deck under the ultimate limit state.
Figure 6. Distribution of the von-Mises stress on the aluminum deck under the ultimate limit state.
Buildings 12 01616 g006
Figure 7. Definition of the studied perimeters.
Figure 7. Definition of the studied perimeters.
Buildings 12 01616 g007
Figure 8. Breakdown of life cycle costs for alternative solutions and conventional bridges, according to spending areas.
Figure 8. Breakdown of life cycle costs for alternative solutions and conventional bridges, according to spending areas.
Buildings 12 01616 g008
Figure 9. Comparison of environmental impacts; aluminum/steel deck versus aluminum/wood deck; perimeter 1.
Figure 9. Comparison of environmental impacts; aluminum/steel deck versus aluminum/wood deck; perimeter 1.
Buildings 12 01616 g009
Figure 10. Comparison of environmental impacts; aluminum/steel deck versus aluminum/wood deck; perimeter 2.
Figure 10. Comparison of environmental impacts; aluminum/steel deck versus aluminum/wood deck; perimeter 2.
Buildings 12 01616 g010
Table 1. The main mechanical properties of aluminum and timber.
Table 1. The main mechanical properties of aluminum and timber.
AluminumTimber (Nordic Lam)
E (MPa)70,000EL (MPa)13,100.0
Fu (MPa)260 ρ   (kg/m3)560.0
Fy (MPa)240Fb (MPa)30.7
Fwu (MPa)165Fv (MPa)2.5
Fwy (MPa)90Fcp (MPa)7.5
Table 2. Dimensions of the timber beams.
Table 2. Dimensions of the timber beams.
BeamsSize (mm)
Width357
Length20,000
Depth1054
Table 3. Dimensions of the aluminum deck.
Table 3. Dimensions of the aluminum deck.
DeckSize (mm)
Width11,600
Length20,000
Depth110
Table 4. Characteristics of the bridge considered for the deterministic study.
Table 4. Characteristics of the bridge considered for the deterministic study.
CharacteristicsData
Speed on the bridge50 km/h
Daily flow of traffic2500
Length of traffic diversion25 km
Speed during traffic diversion50 km/h
Table 5. Characteristics of damage categories.
Table 5. Characteristics of damage categories.
Damage CategoriesUnit
Human healthDaly
Ecosystem qualityPDF.m2. year/kg
Climate changekgCO2, eq
ResourcesMJ
Publisher’s Note: MDPI stays neutral with regard to jurisdictional claims in published maps and institutional affiliations.

Share and Cite

MDPI and ACS Style

Beudon, C.; Oudjene, M.; Djedid, A.; Annan, C.-D.; Fafard, M. Life Cycle Assessment of an Innovative Hybrid Highway Bridge Made of an Aluminum Deck and Glulam Timber Beams. Buildings 2022, 12, 1616. https://doi.org/10.3390/buildings12101616

AMA Style

Beudon C, Oudjene M, Djedid A, Annan C-D, Fafard M. Life Cycle Assessment of an Innovative Hybrid Highway Bridge Made of an Aluminum Deck and Glulam Timber Beams. Buildings. 2022; 12(10):1616. https://doi.org/10.3390/buildings12101616

Chicago/Turabian Style

Beudon, Camille, Marc Oudjene, Amar Djedid, Charles-Darwin Annan, and Mario Fafard. 2022. "Life Cycle Assessment of an Innovative Hybrid Highway Bridge Made of an Aluminum Deck and Glulam Timber Beams" Buildings 12, no. 10: 1616. https://doi.org/10.3390/buildings12101616

APA Style

Beudon, C., Oudjene, M., Djedid, A., Annan, C.-D., & Fafard, M. (2022). Life Cycle Assessment of an Innovative Hybrid Highway Bridge Made of an Aluminum Deck and Glulam Timber Beams. Buildings, 12(10), 1616. https://doi.org/10.3390/buildings12101616

Note that from the first issue of 2016, this journal uses article numbers instead of page numbers. See further details here.

Article Metrics

Back to TopTop