Surface Wear in Hadfield Steel Castings DOPED with Nitrided Vanadium
Abstract
1. Introduction
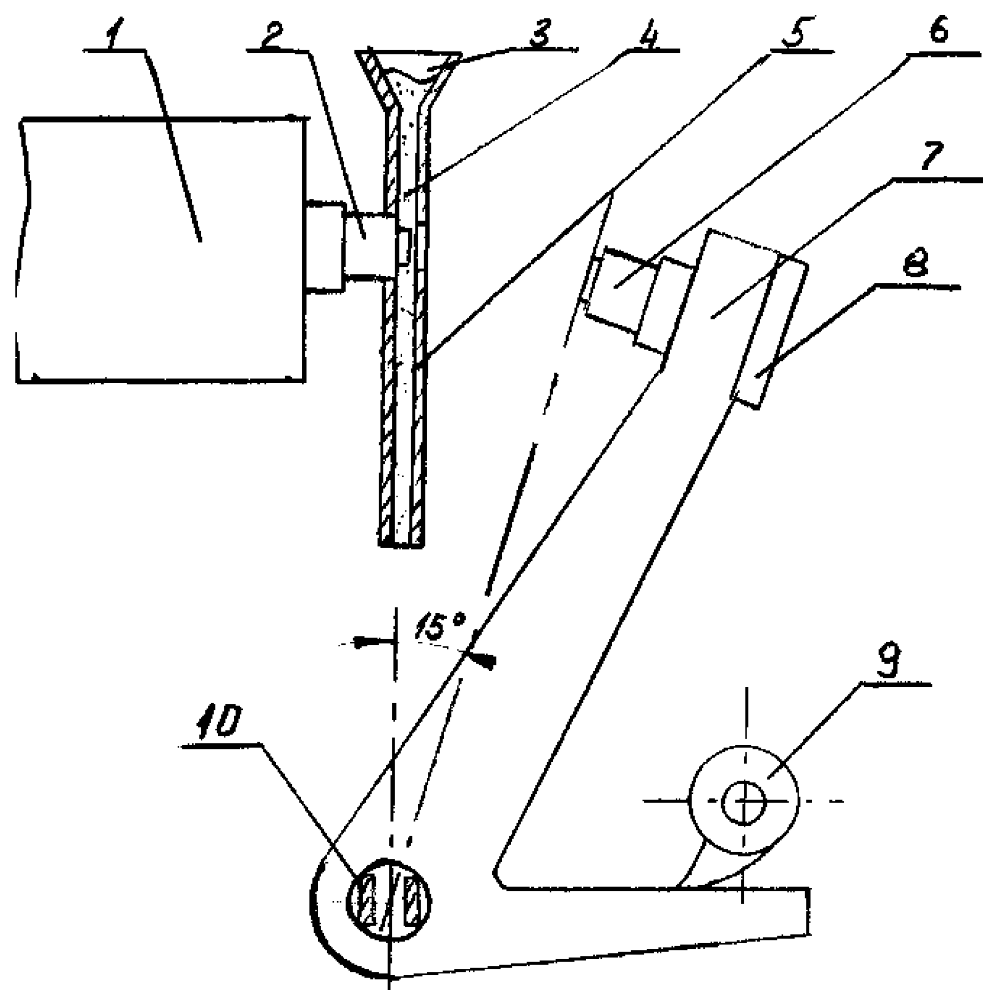
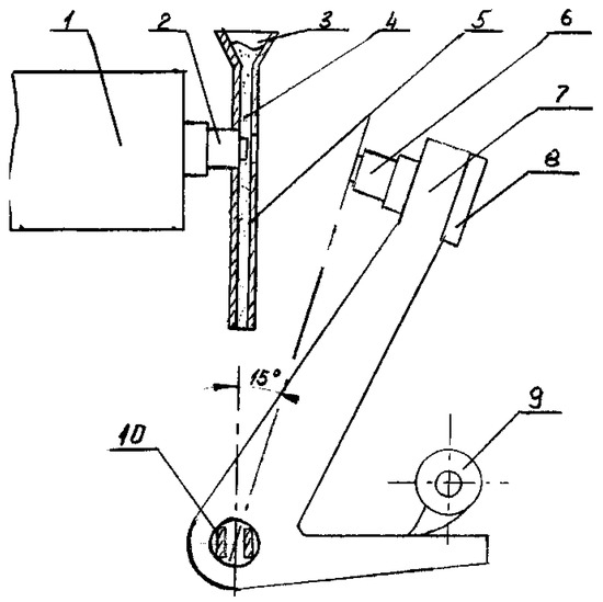
2. Materials and Methods
3. Results
4. Discussion
5. Conclusions
Author Contributions
Funding
Acknowledgments
Conflicts of Interest
References
- Sinitskyi, Y.V.; Nefed’iev, A.A.; Akhmetova, A.A.; Ovchinnikova, M.V.; Hrenov, I.B.; Deryabin, D.A. Review of results of investigation aimed at improvement of properties of castings made from high manganese steel. Theor. Technol. Steelmak. 2016, 2, 42–57. [Google Scholar]
- Davydov, N.G. High Manganese Steel; Metallurgiya: Moscow, Russia, 1979; p. 176. [Google Scholar]
- Chumanov, I.V.; Porsev, M.A. On the effect of the chemical composition of metal on the heat treatment regimes applied for 110G13L steel castings. Bull. State Ural State Univ. 2012, 39, 59–63. [Google Scholar]
- Chernyshev, E.A. Cast Alloys and Their Foreign Counterparts; Mashinostroenie: Moscow, Russia, 2006; p. 336. [Google Scholar]
- Kreshchanovskyi, N.S.; Ladyzhenskyi, B.N.; Khorin, Y.D. Steel Melting and Steel Castings; TsNIITMASH: Moscow, Russia, 1960; pp. 77–82.
- Kozlov, L.Y.; Kolokoltsev, V.M.; Vdovin, K.N. Production of Steel Castings: Textbook for University Students; MISiS: Moscow, Russia, 2005; p. 351. [Google Scholar]
- Golubtsov, V.A. Theory and Practice of Extra-Furnace Steel Doping; NPP Company: Chelyabinsk, Russia, 2006; p. 423. [Google Scholar]
- Shitikov, V.S.; Gederevich, N.A.; Sherstyuk, A.A.; Kurbatov, M.I. Effect of titanium on the gas saturation, surface properties and quality of high manganese steel. Prod. Technol. Manag. 1971, 3, 57–58. [Google Scholar]
- Nasajpour, A.; Kokabi, A.H.; Davami, P.; Nikzad, S. Effect of molybdenum on mechanical and abrasive wear properties of coating of as weld Hadfield steel with flux-cored gas tungsten arc welding. J. Alloys Compd. 2016, 659, 262–269. [Google Scholar] [CrossRef]
- Mejía, I.; Bedolla-Jacuinde, A.; Pablo, J.R. Sliding wear behavior of a high-Mn austenitic twinning induced plasticity (TWIP) steel microalloyed with Nb. Wear 2013, 301, 590–597. [Google Scholar] [CrossRef]
- Lyakishev, N.P.; Tulin, N.A.; Pliner, Y.L. Alloys and Niobium Containing Steels; Metallurgiya: Moscow, Russia, 1981; p. 192. [Google Scholar]
- Mirzaev, D.A.; Koryagin, Y.D.; Okishev, K.Y. Effect of metallurgical factors on the mechanical and wear properties of cast manganese steels. Izv. Chelyabinskogo Nauchnogo Tsentra Bull. Chelyabinsk Sci. Cent. 1999, 3, 18–22. [Google Scholar]
- Gorlenko, D.; Vdovin, K.; Feoktistov, N. Mechanisms of cast structure and stressed state formation in Hadfield steel. China Foundry 2016, 13, 433–442. [Google Scholar] [CrossRef]
- Jiang, Q.; He, Z.; Cui, D.; Wang, S.; Yan, J. Abrasion-resistant as-cast manganese steel with nodular carbide modified by calcium. J. Mater. Sci. Lett. 1990, 9, 616–617. [Google Scholar]
- Atabaki, M.M.; Jafari, S.; Abdollah-pour, H. Abrasive wear behavior of high chromium cast iron and Hadfield steel—A comparison. J. Iron Steel Res. Int. 2012, 19, 43–50. [Google Scholar] [CrossRef]
- Petrov, Y.N.; Gavriljuk, V.G.; Berns, H.; Schmalt, F. Surface structure of stainless and Hadfield steel after impact wear. Wear 2006, 260, 687–691. [Google Scholar] [CrossRef]
- Yan, W.; Fang, L.; Zheng, Z.; Sun, K.; Xu, Y. Effect of surface nanocrystallization on abrasive wear properties in Hadfield steel. Tribol. Int. 2009, 42, 634–641. [Google Scholar] [CrossRef]
- Kolokoltsev, V.M.; Vdovin, K.N.; Chernov, V.P.; Feoktistov, N.A.; Gorlenko, D.A. Understanding the Mechanical and Wear Properties of High Manganese Steel Doped with Nitrided Frochromium. Vestnik Nosov Magnitogorsk State Tech. Univ. 2016, 3, 46–54. [Google Scholar] [CrossRef]
- Bochkov, V.S. Use of Cold-Working Techniques for Enhanced Wear Resistance of Ball Mill Liners as Part of the Maintenance Routine. Ph.D. Thesis, Saint-Petersburg Mining University, Saint Petersburg, Russia, 2014; p. 119. [Google Scholar]


—4.5 °С/s;
—8.9 °С/s;
—25 °С/s.
—4.5 °С/s;
—8.9 °С/s;
—25 °С/s.






| Element | N | V | Si | Mn | S | P | С | Al | Ti | Ca | Fe |
|---|---|---|---|---|---|---|---|---|---|---|---|
| Concentration, mass % | 7.6 | 40.4 | 8.5 | 2.3 | 0.04 | 0.04 | 0.34 | 0.01 | 0.03 | 0.03 | 40.75 |
| Specimen | Mold Type | Weight, kg | Cooling Rate in the Internal, °С/s | |
|---|---|---|---|---|
| Crystallization | Excess Phase Precipitation | |||
| 1 | Dry green sand | 0.5 | 1.1 | 0.24 |
| 2 | Dry green sand | 0.34 | 1.9 | 0.35 |
| 3 | Dry green sand | 0.21 | 3.7 | 0.4 |
| 4 | Dry green sand | 0.1 | 4.5 | 1.0 |
| 5 | Dry green sand w/cold box | 0.05 | 8.9 | 1.8 |
| 6 | Dry green sand w/cold box | 0.05 | 13.6 | 3.27 |
| 7 | Wet green sand | 0.1 | 17.9 | 4.25 |
| 8 | Chill mold | 0.1 | 25.0 | 5.45 |
© 2018 by the authors. Licensee MDPI, Basel, Switzerland. This article is an open access article distributed under the terms and conditions of the Creative Commons Attribution (CC BY) license (http://creativecommons.org/licenses/by/4.0/).
Share and Cite
Vdovin, K.; Pesin, A.; Feoktistov, N.; Gorlenko, D. Surface Wear in Hadfield Steel Castings DOPED with Nitrided Vanadium. Metals 2018, 8, 845. https://doi.org/10.3390/met8100845
Vdovin K, Pesin A, Feoktistov N, Gorlenko D. Surface Wear in Hadfield Steel Castings DOPED with Nitrided Vanadium. Metals. 2018; 8(10):845. https://doi.org/10.3390/met8100845
Chicago/Turabian StyleVdovin, Konstantin, Alexander Pesin, Nikolay Feoktistov, and Dmitri Gorlenko. 2018. "Surface Wear in Hadfield Steel Castings DOPED with Nitrided Vanadium" Metals 8, no. 10: 845. https://doi.org/10.3390/met8100845
APA StyleVdovin, K., Pesin, A., Feoktistov, N., & Gorlenko, D. (2018). Surface Wear in Hadfield Steel Castings DOPED with Nitrided Vanadium. Metals, 8(10), 845. https://doi.org/10.3390/met8100845

