Very High Cycle Fatigue Investigations on the Fatigue Strength of Additive Manufactured and Conventionally Wrought Inconel 718 at 873 K
Abstract
:1. Introduction
2. Materials and Methods
2.1. Materials
2.2. Determination of the Properties of the Material
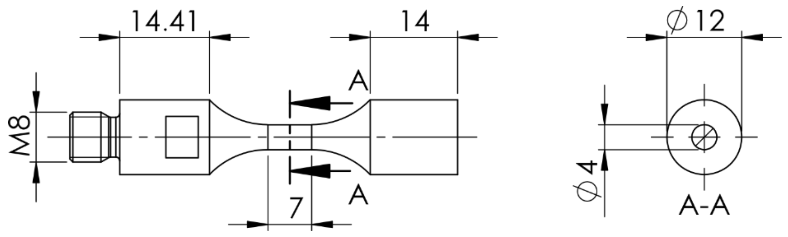
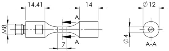
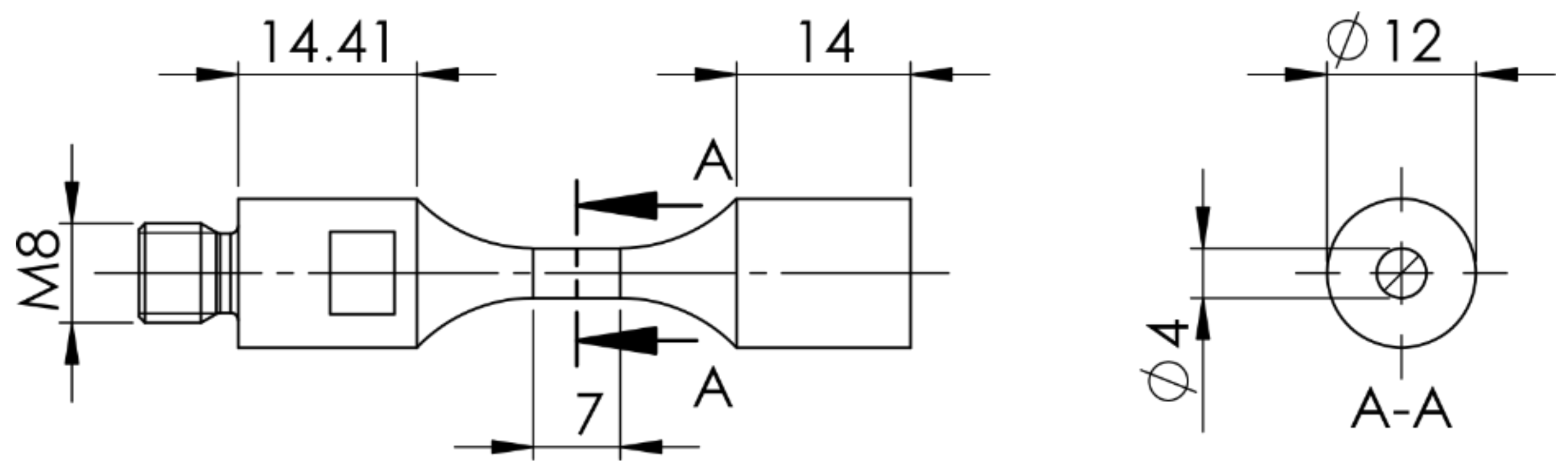
2.3. Fatigue Tests
2.4. Microstructural Investigation
2.5. Fractography
3. Results
3.1. Characterization of the Initial Material Conditions
3.2. Fatigue Lifetimes
3.3. Fractography



4. Discussion
4.1. Fatigue Crack Initiation and Propagation
4.2. Fatigue Lives
5. Conclusions
- Both investigated material batches of IN718 showed significant differences in the microstructure. The REF material showed a fine-grained, non-textured microstructure with relatively large Ti- and Nb-rich inclusions whereas the EBM material showed very large columnar grains with <001> texture parallel to the building direction as well as gas- and shrinkage porosity;
- The EBM material showed a significantly lower fatigue strength compared to the REF materials as well as significant differences with respect to the material properties, e.g., the EBM materials showed lower values of hardness compared to the REF materials;
- The REF material showed in most cases crack initiation starting from the sample’s surfaces. Thus, NMIs (e.g., NbC) were assumed to be the crack origins in this case, which were in the magnitude of the grain size. The EBM material showed crystallographic crack initiation along the activated slip systems initiated by internal defects such as gas or shrinkage porosity. Carbides observed in the EBM materials were not assumed to be relevant for crack initiation due to their small size (1–2 μm).
Author Contributions
Funding
Data Availability Statement
Acknowledgments
Conflicts of Interest
References
- Kobayashi, K.; Yamaguchi, K.; Hayakawa, M.; Kimura, M. High-temperature fatigue properties of austenitic superalloys 718, A286 and 304L. Int. J. Fatigue 2008, 30, 1978–1984. [Google Scholar] [CrossRef]
- Chen, Q.; Kawagoishi, N.; Nisitani, H. Evaluation of fatigue crack growth rate and life prediction of Inconel 718 at room and elevated temperatures. Mater. Sci. Eng. A 2000, 277, 250–257. [Google Scholar] [CrossRef]
- Kawagoishi, C. Fatigue strength of Inconel 718 at elevated temperatures. Fatigue Fract. Eng. Mater. Struct. 2000, 23, 209–216. [Google Scholar] [CrossRef]
- Amanov, A.; Pyun, Y.-S.; Kim, J.-H.; Suh, C.-M.; Cho, I.-S.; Kim, H.-D.; Wang, Q.; Khan, M.K. Ultrasonic fatigue performance of high temperature structural material Inconel 718 alloys at high temperature after UNSM treatment. Fatigue Fract. Eng. Mater. Struct. 2015, 38, 1266–1273. [Google Scholar] [CrossRef]
- Shyam, A.; Torbet, C.J.; Jha, S.K.; Larsen, J.M.; Caton, M.J.; Szczepanski, C.J.; Pollock, T.M.; Jones, J.W. Development of ultrasonic fatigue for rapid, high temperature fatigue studies in turbine engine materials. In Proceedings of the 10th International Symposium Superalloys 2004, Champion, PA, USA, 19–23 September 2004; pp. 259–268. [Google Scholar]
- Miao, J.; Pollock, T.M.; Wayne Jones, J. Crystallographic fatigue crack initiation in nickel-based superalloy René 88DT at elevated temperature. Acta Mater. 2009, 57, 5964–5974. [Google Scholar] [CrossRef]
- Cervellon, A.; Cormier, J.; Mauget, F.; Hervier, Z. VHCF life evolution after microstructure degradation of a Ni-based single crystal superalloy. Int. J. Fatigue 2017, 104, 251–262. [Google Scholar] [CrossRef]
- Nezhadfar, P.D.; Johnson, A.S.; Shamsaei, N. Fatigue behavior and microstructural evolution of additively manufactured Inconel 718 under cyclic loading at elevated temperature. Int. J. Fatigue 2020, 136, 105598. [Google Scholar] [CrossRef]
- Konečná, R.; Kunz, L.; Nicoletto, G.; Bača, A. Long fatigue crack growth in Inconel 718 produced by selective laser melting. Int. J. Fatigue 2016, 92, 499–506. [Google Scholar] [CrossRef]
- Song, Z.; Gao, W.; Wang, D.; Wu, Z.; Yan, M.; Huang, L.; Zhang, X. Very-high-cycle fatigue behavior of Inconel 718 alloy fabricated by selective laser melting at elevated temperature. Materials 2021, 14, 1001. [Google Scholar] [CrossRef]
- Gustafsson, D.; Moverare, J.; Johansson, S.; Hörnqvist, M.; Simonsson, K.; Sjöström, S.; Sharifimajda, B. Fatigue crack growth behaviour of Inconel 718 with high temperature hold times. Procedia Eng. 2010, 2, 1095–1104. [Google Scholar] [CrossRef] [Green Version]
- Vanswijgenhoven, E.; Holmes, J. Fatigue crack growth in Inconel 718 superalloy foil at elevated temperature. In Superalloys 718, 625, 706 and Various Derivatives; The Minerals, Metals & Materials Society: Pittsburgh, PA, USA, 2001; pp. 669–678. [Google Scholar] [CrossRef]
- Mills, W.J.; James, L.A. Effect of temperature on the fatigue-crack propagation behaviour of Inconel X-750. Fatigue Fract. Eng. Mater. Struct. 1980, 3, 159–175. [Google Scholar] [CrossRef]
- Lynch, S.; Radtke, T.; Wicks, B.; Byrnes, R. Fatigue crack growth in nickel-based superalloys at 500–700 °C. II: Direct-aged alloy 718. Fatigue Fract. Eng. Mater. Struct. 2007, 17, 313–325. [Google Scholar] [CrossRef]
- Sajjadi, S.A.; Zebarjad, S.M. Study of fracture mechanisms of a Ni-base superalloy at different temperatures. J. Achiev. Mater. Manuf. Eng. 2006, 18, 227–230. [Google Scholar]
- Waqas Tofique, M.; Bergström, J.; Burman, C. Very high cycle fatigue crack initiation mechanisms in different engineering alloys. Procedia Struct. Integr. 2016, 2, 1181–1190. [Google Scholar] [CrossRef] [Green Version]
- Stinville, J.-C.; Lenthe, W.C.; Miao, J.; Pollock, T.M. A combined grain scale elastic–plastic criterion for identification of fatigue crack initiation sites in a twin containing polycrystalline nickel-base superalloy. Acta Mater. 2016, 103, 461–473. [Google Scholar] [CrossRef]
- Heinz, A.; Neumann, P. Crack initiation during high cycle fatigue of an austenitic steel. Acta Metall. Mater. 1990, 38, 1933–1940. [Google Scholar] [CrossRef]
- Cervellon, A.; Hémery, S.; Kürnsteiner, P.; Gault, B.; Kontis, P.; Cormier, J. Crack initiation mechanisms during very high cycle fatigue of Ni-based single crystal superalloys at high temperature. Acta Mater. 2020, 188, 131–144. [Google Scholar] [CrossRef]
- Cervellon, A.; Torbet, C.J.; Pollock, T.M. Crack initiation anisotropy of Ni-based SX superalloys in the very high cycle fatigue regime. Mater. Sci. Eng. A 2021, 825, 141920. [Google Scholar] [CrossRef]
- Zhao, Z.; Li, Q.; Zhang, F.; Xu, W.; Chen, B. Transition from internal to surface crack initiation of a single-crystal superalloy in the very-high-cycle fatigue regime at 1100 °C. Int. J. Fatigue 2021, 150, 106343. [Google Scholar] [CrossRef]
- Utada, S.; Bortoluci Ormastroni, L.M.; Rame, J.; Villechaise, P.; Cormier, J. VHCF life of AM1 Ni-based single crystal superalloy after pre-deformation. Int. J. Fatigue 2021, 148, 106224. [Google Scholar] [CrossRef]
- Texier, D.; Cormier, J.; Villechaise, P.; Stinville, J.-C.; Torbet, C.J.; Pierret, S.; Pollockb, T.M. Crack initiation sensitivity of wrought direct aged alloy 718 in the very high cycle fatigue regime: The role of non-metallic inclusions. Mater. Sci. Eng. A 2016, 678, 122–136. [Google Scholar] [CrossRef]
- Sjoberg, G.; Ingesten, N.; Carlson, R.G. Grain boundary δ-phase morphologies, carbides and notch rupture sensitivity of cast alloy 718. In Superalloys 718, 625 and Various Derivatives; The Minerals, Metals & Materials Society: Pittsburgh, PA, USA, 1991; pp. 603–620. [Google Scholar]
- Gao, M.; Dwyer, D.J.; Wei, R.P. Niobium enrichment and environmental enhancement of creep crack growth in nickel-base superalloys. Scr. Metall. Mater. 1995, 32, 1169–1174. [Google Scholar] [CrossRef]
- Connolley, T.; Reed, P.A.S.; Starink, M.J. Short crack initiation and growth at 600°C in notched specimens of Inconel718. Mater. Sci. Eng. A 2003, 340, 139–154. [Google Scholar] [CrossRef] [Green Version]
- Connolley, T.; Starink, M.J.; Reed, P.A.S. Effect of oxidation on high temperature fatigue crack initiation and short crack growth in Inconel 718. In Proceedings of the 9th International Symposium on Superalloys, Champion, PA, USA, 17–21 September 2000; pp. 435–444. [Google Scholar]
- Diboine, A.; Pineau, A. Creep crack initiation and growth in Inconel 718 alloy at 650 °C. Fatigue Fract. Eng. Mater. Struct. 1987, 10, 141–151. [Google Scholar] [CrossRef]
- Connolley, T.; Reed, P.A.S.; Starink, M.J. A study of the role of (Nb,Ti)C carbides in fatigue crack initiation in IN718 at 20 °C and 600 °C. In Parsons 2000 Advanced Materials for 21st Century Turbines and Power Plant, Proceedings of the Fifth International Charles Parsons Turbine Conference, Churchill College, UK, 3–7 July 2000; Strang, A., Banks, W.M., Conroy, R.D., McColvin, G.M., Neal, J.C., Simpson, S., Eds.; Woodhead: Cambridge, UK, 2000; pp. 982–998. [Google Scholar]
- Huang, X.; Yu, H.; Xu, M.; Zhao, Y. Experimental investigation on microcrack initiation process in nickel-based superalloy DAGH4169. Int. J. Fatigue 2011, 42, 153–164. [Google Scholar] [CrossRef]
- Sundararaman, M.; Mukhopadhyay, P.; Banerjee, S. Carbide precipitation in nickel base superalloys 718 and 625 and their effect on mechanical properties. Superalloys 1997, 718, 625–706. [Google Scholar]
- Stanzl-Tschegg, S. Very high cycle fatigue measuring techniques. Int. J. Fatigue 2014, 60, 2–17. [Google Scholar] [CrossRef]
- Schmiedel, A.; Henkel, S.; Kirste, T.; Morgenstern, R.; Weidner, A.; Biermann, H. Ultrasonic fatigue testing of cast steel G42CrMo4 at elevated temperatures. Fatigue Fract. Eng. Mater. Struct. 2020, 43, 2455–2475. [Google Scholar] [CrossRef]
- Bhowal, P.R.; Stolz, D.; Wusatowska-Sarnek, A.M.; Montero, R. Surface effects on low cycle fatigue behavior in IN718 alloy. In Superalloy 2008; The Minerals Metals & Materials Society (TMS): Champion, PA, USA, 2008; pp. 417–427. [Google Scholar]
- Sames, W.J.; Unocic, K.A.; Dehoff, R.R.; Lolla, T.; Babu, S.S. Thermal effects on microstructural heterogeneity of Inconel 718 materials fabricated by electron beam melting. J. Mater. Res. 2014, 29, 1920–1930. [Google Scholar] [CrossRef] [Green Version]
- Strondl, A.; Palm, M.; Gnauk, J.; Frommeyer, G. Microstructure and mechanical properties of nickel based superalloy IN718 produced by rapid prototyping with electron beam melting (EBM). Mater. Sci. Technol. 2011, 27, 876–883. [Google Scholar] [CrossRef]
- Kirka, M.M.; Medina, F.; Dehoff, R.; Okello, A. Mechanical behavior of post-processed Inconel 718 manufactured the electron beam melting process. Mater. Sci. Eng. A 2017, 680, 338–346. [Google Scholar] [CrossRef] [Green Version]
- Unocic, K.; Kolbus, L.; Dehoff, R.; Dryepondt, S.; Pint, B. High-temperature performance of UNS N07718 processed by additive manufacturing. In Proceedings of the NACE Corrosion Conference, San Antonio, TX, USA, 9–13 March 2014. [Google Scholar]
- Balachandramurthi, A.R.; Moverare, J.; Mahade, S.; Pederson, R. Additive manufacturing of alloy 718 via Electron beam melting: Effect of post-treatment on the microstructure and the mechanical properties. Materials 2019, 12, 68. [Google Scholar] [CrossRef] [PubMed] [Green Version]
- Al-Juboori, L.A.; Niendorf, T.; Brenne, F. On the tensile properties of inconel 718 fabricated by EBM for as-built and heat-treated components. Metall. Mater. Trans. B 2018, 49, 2969–2974. [Google Scholar] [CrossRef]
- Hosseini, E.; Popovich, V.A. A review of mechanical properties of additively manufactured Inconel 718. Addit. Manuf. 2019, 30, 100877. [Google Scholar] [CrossRef]
- Kirka, M.M.; Unocic, K.A.; Raghavan, N.; Medina, F.; Dehoff, R.R.; Babu, S.S. Microstructure development in electron beam-melted Inconel 718 and associated tensile properties. JOM 2016, 68, 1012–1020. [Google Scholar] [CrossRef]
- Kumara, C.; Deng, D.; Moverare, J.; Nylén, P. Modelling of anisotropic elastic properties in alloy 718 built by electron beam melting. Mater. Sci. Technol. 2018, 34, 529–537. [Google Scholar] [CrossRef]
- Haldipur, P. Estimation of single-crystal elastic constants from ultrasonic measurements on polycrystalline specimens. In Proceedings of the Quantitative Nondestructive Evaluation Conference, Green Bay, WI, USA, 27 July–1 August 2003; pp. 1061–1068. [Google Scholar] [CrossRef]
- Martin, G.; Ochoa, N.; Saï, K.; Hervé-Luanco, E.; Cailletaud, G. A multiscale model for the elastoviscoplastic behavior of directionally solidified alloys: Application to FE structural computations. Int. J. Solids Struct. 2014, 51, 1175–1187. [Google Scholar] [CrossRef]
- Jothi, S.; Merzlikin, S.V.; Croft, T.N.; Andersson, J.; Brown, S.G.R. An investigation of micro-mechanisms in hydrogen induced cracking in nickel-based superalloy 718. J. Alloys Compd. 2016, 664, 664–681. [Google Scholar] [CrossRef] [Green Version]
- Deng, D.; Moverare, J.; Peng, R.L.; Söderberg, H. Microstructure and anisotropic mechanical properties of EBM manufactured Inconel 718 and effects of post heat treatments. Mater. Sci. Eng. A 2017, 693, 151–163. [Google Scholar] [CrossRef]
- Kirka, M.M.; Greeley, D.A.; Hawkins, C.; Dehoff, R.R. Effect of anisotropy and texture on the low cycle fatigue behavior of Inconel 718 processed via electron beam melting. Int. J. Fatigue 2017, 105, 235–243. [Google Scholar] [CrossRef]
- Pascual, F.; Meeker, W. Analysis of fatigue data with runouts based on a model with nonconstant standard deviation and a fatigue limit parameter. J. Test. Eval. 1997, 25, 292–301. [Google Scholar] [CrossRef] [Green Version]
- Pineau, A.; Antolovich, S.D. High temperature fatigue of nickel-base superalloys—A review with special emphasis on deformation modes and oxidation. Eng. Fail. Anal. 2009, 16, 2668–2697. [Google Scholar] [CrossRef]
- Antunes, F.V.; Ferreira, J.M.; Branco, C.M.; Byme, J. High temperature fatigue crack growth in Inconel 718. Mater. High Temp. 2000, 17, 439–448. [Google Scholar] [CrossRef]
- Bowman, R.; Antolovich, S. The effect of microstructure on the fatigue crack growth resistance of nickel base superalloys. In Proceedings of the 6th International Symposium Superalloys 1988, Champion, PA, USA, 18–22 September 1988; pp. 565–574. [Google Scholar] [CrossRef]
- Antolovich, S. Microstructural aspects of fatigue in Ni-base superalloys. Philos. Trans. Ser. A 2015, 373, 20140128. [Google Scholar] [CrossRef] [Green Version]
- Zhong, L.; Hu, H.; Liang, Y.; Huang, C. High cycle fatigue performance of Inconel 718 alloys with different strengths at room temperature. Metals 2019, 9, 13. [Google Scholar] [CrossRef] [Green Version]
- Alexandre, F.; Deyber, S.; Pineau, A. Modelling the optimum grain size on the low cycle fatigue life of a Ni based superalloy in the presence of two possible crack initiation sites. Scr. Mater. 2004, 50, 25–30. [Google Scholar] [CrossRef]
- Suresh, S. Fatigue of Materials, 2nd ed.; Cambridge University Press: Cambridge, UK, 1998. [Google Scholar] [CrossRef]
- Goel, S.; Ahlfors, M.; Bahbou, F.; Joshi, S. Effect of different post-treatments on the microstructure of EBM-built alloy 718. J. Mater. Eng. Perform. 2019, 28, 673–680. [Google Scholar] [CrossRef] [Green Version]
- Graybill, B.; Li, M.; Malawey, D.; Ma, C.; Alvarado Orozco, J.; Martinez Franco, E. Additive manufacturing of nickel-based superalloys. In Proceedings of the ASME 2018 13th International Manufacturing Science and Engineering Conference, Volume 1: Additive Manufacturing, Bio and Sustainable Manufacturing, College Station, TX, USA, 18–22 June 2018. [Google Scholar] [CrossRef]
- Li, S.; Wei, Q.; Shi, Y.; Zhu, Z.; Zhang, D. Microstructure characteristics of Inconel 625 superalloy manufactured by selective laser melting. J. Mater. Sci. Technol. 2015, 31, 946–952. [Google Scholar] [CrossRef]
- Hong, J.K.; Park, N.K.; Kim, S.J.; Kang, C.Y. Microstructures of oxidized primary carbides on superalloy Inconel 718. Mater. Sci. Forum 2005, 502, 249–256. [Google Scholar] [CrossRef]
- Texier, D.; Stinville, J.-C.; Echlin, M.P.; Pierret, S.; Villechaise, P.; Pollock, T.M.; Cormier, J. Short crack propagation from cracked non-metallic inclusions in a Ni-based polycrystalline superalloy. Acta Mater. 2019, 165, 241–258. [Google Scholar] [CrossRef] [Green Version]
- Balachandramurthi, A.R.; Moverare, J.; Hansson, T.; Pederson, R. Anisotropic fatigue properties of Alloy 718 manufactured by electron beam powder bed fusion. Int. J. Fatigue 2020, 141, 105898. [Google Scholar] [CrossRef]
- Data Sheet on Fracture Toughness and High-Cycle Fatigue Properties of Alloy 718 (1128 K ST) Base Metal and Welded Joints, 20; National Institute for Materials Science: Tsukuba, Japan, 2013; ISSN 1348-1428.
- Data Sheet on Fracture Toughness and High-Cycle Fatigue Properties of Alloy 718 (1338 K ST) Base Metal and Welded Joints, 24; National Institute for Materials Science: Tsukuba, Japan, 2015; ISSN 1348-1428.
- Sun, S.; Koizumi, Y.; Saito, T.; Yamanaka, K.; Li, X.; Cui, Y.; Chiba, A. Electron beam additive manufacturing of Inconel 718 alloy rods: Impact of build direction on microstructure and high-temperature tensile properties. Addit. Manuf. 2018, 23, 457–470. [Google Scholar] [CrossRef]
- Li, L.; Gong, X.; Ye, X.; Teng, J.; Nie, Y.; Li, Y.; Lei, Q. Influence of building direction on the oxidation behavior of Inconel 718 alloy fabricated by additive manufacture of electron beam melting. Materials 2018, 11, 2549. [Google Scholar] [CrossRef] [Green Version]
- Nandwana, P.; Kirka, M.; Okello, A.; Dehoff, R. Electron beam melting of Inconel 718: Effects of processing and post-processing. Mater. Sci. Technol. 2018, 34, 612–619. [Google Scholar] [CrossRef]
- Chang, S.-H.; Lee, S.-C.; Huang, K.-T. Influences of γ ″and δ precipitations on the microstructural properties of 718 alloy through HIP, solid-solution, and different aging heat treatments. Mater. Trans. 2010, 51, 1683–1688. [Google Scholar] [CrossRef] [Green Version]
- Chamanfar, A.; Sarrat, L.; Jahazi, M.; Asadi, M.; Weck, A.; Koul, A.K. Microstructural characteristics of forged and heat treated Inconel-718 disks. Mater. Des. 2013, 52, 791–800. [Google Scholar] [CrossRef]
- Goel, S.; Olsson, J.; Ahlfors, M.; Klement, U.; Joshi, S. The effect of location and post-treatment on the microstructure of EBM-built alloy 718. In Proceedings of the 9th International Symposium on Superalloy 718 & Derivatives: Energy Aerospace, and Industrial Applications; Ott, E., Liu, X., Andersson, J., Bi, Z., Bockenstedt, K., Dempster, I., Eds.; Springer International Publishing: Cham, Switzerland, 2018; pp. 115–129. [Google Scholar] [CrossRef] [Green Version]







| No. | IN718 State (Treatment) | Test Temperature [K] | UTS [MPa] (Determined at) | Grain Size [μm] |
|---|---|---|---|---|
| 1 | Wrought (ST + A) [1] | 823 | 1212 (RT) | 10–20 |
| 2 | Wrought (ST + A) [1] | 773 | 1089 (RT) | 100–200 |
| 3 | Wrought (ST + A) [4] | 773 | 1117 (RT) | 16 |
| 4 | Wrought (ST) [4] | 773 | 1275 (RT) | 16 |
| 5 | Wrought (ST + A) [10] | 923 | 1196 (RT) | 9.8 |
| 6 | SLM (ST + A) [10] | 923 | 1165 (RT) | 5.4 |
| 7 | Wrought 2013 (ST + A) [63] | RT | 1458 (RT) | 3.5 |
| 8 | Wrought 2013 (ST + A) [63] | 873 | 1214 (873 K) | 3.5 |
| 9 | Wrought 2015 (ST + A) [64] | RT | 1364 (RT) | 6.0 |
| 10 | Wrought 2015 (ST + A) [64] | 873 | 1136 (873 K) | 6.0 |
| 11 | EBM (HIP + ST + A) [48] | 923 | 1083 (923 K) | 200–500 * |
| 12 | EBM (as build)-this work | 873 | - | 200–700 * |
| 13 | REF (ST + A)-this work | 873 | 1217 (873 K) | 7.5 |
Publisher’s Note: MDPI stays neutral with regard to jurisdictional claims in published maps and institutional affiliations. |
© 2021 by the authors. Licensee MDPI, Basel, Switzerland. This article is an open access article distributed under the terms and conditions of the Creative Commons Attribution (CC BY) license (https://creativecommons.org/licenses/by/4.0/).
Share and Cite
Schmiedel, A.; Burkhardt, C.; Henkel, S.; Weidner, A.; Biermann, H. Very High Cycle Fatigue Investigations on the Fatigue Strength of Additive Manufactured and Conventionally Wrought Inconel 718 at 873 K. Metals 2021, 11, 1682. https://doi.org/10.3390/met11111682
Schmiedel A, Burkhardt C, Henkel S, Weidner A, Biermann H. Very High Cycle Fatigue Investigations on the Fatigue Strength of Additive Manufactured and Conventionally Wrought Inconel 718 at 873 K. Metals. 2021; 11(11):1682. https://doi.org/10.3390/met11111682
Chicago/Turabian StyleSchmiedel, Alexander, Christina Burkhardt, Sebastian Henkel, Anja Weidner, and Horst Biermann. 2021. "Very High Cycle Fatigue Investigations on the Fatigue Strength of Additive Manufactured and Conventionally Wrought Inconel 718 at 873 K" Metals 11, no. 11: 1682. https://doi.org/10.3390/met11111682
APA StyleSchmiedel, A., Burkhardt, C., Henkel, S., Weidner, A., & Biermann, H. (2021). Very High Cycle Fatigue Investigations on the Fatigue Strength of Additive Manufactured and Conventionally Wrought Inconel 718 at 873 K. Metals, 11(11), 1682. https://doi.org/10.3390/met11111682

