Mechanical Behavior of Secondary Lining in Super Large-Span Tunnels Considering Temperature Effects
Abstract
1. Introduction
2. Engineering Background and Test Scheme
2.1. Project Overview
2.2. On Site Test Scheme
3. Test Results and Analysis
3.1. Concrete Stress of Secondary Lining
3.2. Reinforcement Stress of Secondary Lining
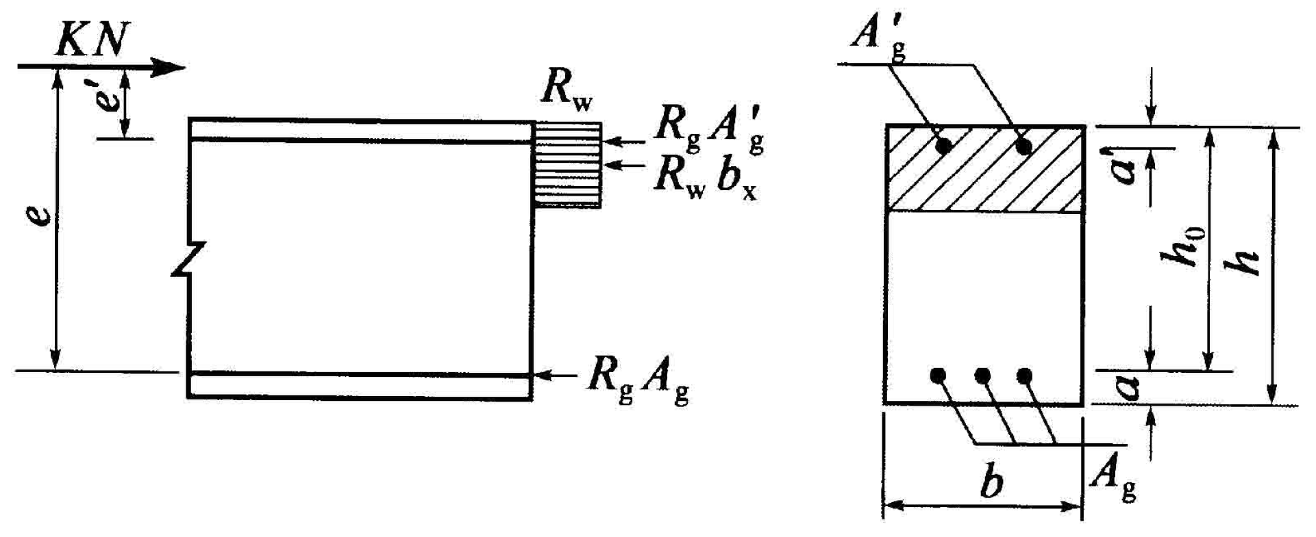
3.3. Fitting Analysis of Secondary Lining Stress
3.4. Secondary Lining Safety
4. Numerical Simulation and Analysis
4.1. Establishment of Numerical Models
4.1.1. Numerical Calculation Process
4.1.2. Numerical Model Parameters
4.2. Simulation Results and Analysis
4.2.1. Mechanical Behavior of Secondary Lining under Gravity Load
4.2.2. Mechanical Behavior of Secondary Lining under Temperature Stress
- (1)
- Whether in winter or summer, the axial force is most pronounced at the arch springs and wall springs of the secondary lining. The maximum positive bending moment in summer and the maximum negative bending moment in winter both occurred at the wall springs, indicating that the wall springs are most significantly affected by temperature stress. The axial force and bending moment of the tunnel arch are relatively small, indicating that the influence of temperature stress on the tunnel arch is relatively gentle.
- (2)
- In summer, as the temperature increases, the axial force of the secondary lining increases while the bending moment decreases. In winter, the opposite is true, indicating that for secondary lining, an increase in temperature leads to an increase in axial force, while a decrease in temperature leads to an increase in bending moment.
4.2.3. Mechanical Behavior of Secondary Lining under the Combined Action of Gravity Load and Temperature Stress
5. Conclusions
- (1)
- Field test results show that the stress of secondary lining steel bars and concrete is greatly affected by seasonal temperature differences. Specifically, the compressive stress of secondary lining steel bars and concrete is significantly greater in summer than in winter, while the tensile stress is greater than in winter. In summer, the phenomenon of tension and compression stress state conversion occurred at many monitoring points.
- (2)
- The stress values of steel bars and concrete fluctuate periodically as a sinusoidal function over time. The overall pattern shows an increase as the temperature increases in summer and decreases as the temperature decreases in winter. The fluctuation period is one year.
- (3)
- The fluctuation amplitude of the concrete and steel stress on the inside of the secondary lining is greater than that on the outside. Among them, the amplitude of the flat fluctuation of stress at each monitoring point on the outside of the concrete with time is between 0.44 and 1.07 MPa; the amplitude on the inside of the concrete is between 0.77 and 1.75 MPa; The amplitude of the stress of the outer steel bars is between 7 and 13 MPa; the amplitude of the inner steel bars is between 5 and 31 MPa. The safety factor in summer is smaller than that in winter. The minimum safety factors of the secondary lining in summer and winter are 3.4 and 4.6, respectively.
- (4)
- The axial force and bending moment of the secondary lining arch are small, and the maximum axial force and bending moment appear at the springs of the wall. The average axial force of the secondary lining under the coupled effects of self-weight and temperature in winter and summer is 528 MPa and 563 MPa, respectively, which is significantly greater than the superposition of the axial forces under the separate effects of the two. The bending moment distribution at the arch, wall base and other positions is different from the superposition of bending moments under the separate action of the two. It is even opposite, indicating that the influence of temperature stress on the internal force of the lining structure cannot be ignored, and the influence of self-weight and temperature coupling on the internal force of the lining structure is far away. It is more complex than the superposition of the two acting alone.
Author Contributions
Funding
Data Availability Statement
Conflicts of Interest
References
- He, M.C.; Guo, A.P.; Du, Z.F.; Liu, S.Y.; Zhu, C.; Cao, S.D.; Tao, Z.G. Model test of negative Poisson’s ratio cable for supporting super-large-span tunnel using excavation compensation method. J. Rock. Mech. Geotech. 2023, 15, 1355–1369. [Google Scholar] [CrossRef]
- Liu, C.; Li, S.C.; Zhou, Z.Q.; Li, L.P.; Wang, K.; Qin, C.S. Model test study on spatial deformation law of surrounding rock for super-large section and shallow buried tunnels. Geotech. Test. J. 2019, 42, 703–724. [Google Scholar] [CrossRef]
- Zhao, J.P.; Tan, Z.S.; Yu, R.S.; Li, Z.L.; Wang, X.Y. Mechanical responses of a shallow-buried super-large-section tunnel in weak surrounding rock: A case study in guizhou. Tunn. Undergr. Sp. Technol. 2023, 131, 104850. [Google Scholar] [CrossRef]
- Ministry of Transport of the People’s Republic of China. Design Rules for Highway Tunnels: JTG/T D70-2010; China Communication Press: Beijing, China, 2010.
- Liu, W.W.; Chen, J.X.; Chen, L.J.; Luo, Y.B.; Shang, Q.C.; Zhang, L.X.; Gao, S.K.; Jia, H.Y. A rational construction method and deformation control system of tunnelling in extremely soft and fractured chlorite schist medium. Tunn. Undergr. Sp. Technol. 2024, 143, 105472. [Google Scholar] [CrossRef]
- Pu, C.P.; Xia, C.C.; Li, Y.S.; Weng, X.N. Study of thermo-stress of highway tunnel and the law of line-fissure development caused by the thermo-stress. China J. Highw. Transp. 2000, 2, 78–81. [Google Scholar]
- Xu, Z.L.; Chen, J.X.; Luo, Y.B.; Zhu, H.Y.; Liu, W.W.; Shi, Z.; Song, Z.G. Geomechanical model test for mechanical properties and cracking features of Large-section tunnel lining under periodic temperature. Tunn. Undergr. Sp. Technol. 2022, 123, 104319. [Google Scholar] [CrossRef]
- Li, P.F.; Zhao, Y. Performance of a multi-face tunnel excavated in loess ground based on field monitoring and numerical modeling. Arab. J. Geosci. 2016, 9, 1–10. [Google Scholar] [CrossRef]
- He, B.G.; Zhu, Y.Q.; Sun, M.L.; Liu, H.Y.; Zhang, Z.Q. In situ experiments on supporting load effect of large span deep tunnels in hard rock. J. Mt. Sci. Engl. 2013, 10, 1125–1136. [Google Scholar] [CrossRef]
- Xu, G.W.; He, C.; Wang, J.; Chen, Z.Q. Study on the Mechanical Behavior of a Secondary Tunnel Lining with a Yielding Layer in Transversely Isotropic Rock Stratum. Rock. Mech. Rock. Eng. 2020, 53, 2957–2979. [Google Scholar] [CrossRef]
- Tan, Z.S.; Zhou, Z.L.; Kong, H.; Zhao, B.J.; Zhao, J.P. Single excavation face method for super-large-span bifurcated tunnels, P.I. Civil. Eng. Geotec. 2021, 174, 406–418. [Google Scholar]
- He, J.X.; He, S.H.; Liu, X.B.; Ma, J.F.; Li, Y.M.; Zhang, B. Investigating the mechanical responses and construction optimization for shallow super-large span tunnels in weathered tuff stratum based on field monitoring and flac3d modeling. Int. J. Civ. Eng. 2023, 22, 379–395. [Google Scholar] [CrossRef]
- Mostafa, S.; Farshad, K.; Masoud, G.; Shahaboddin, Y. Design of sequential excavation method for large span urban tunnels in soft ground—Niayesh tunnel. Tunn. Undergr. Sp. Technol. 2013, 35, 178–188. [Google Scholar]
- He, J.X.; He, S.H.; Liu, X.B.; Zheng, J.L. Structural design and mechanical responses of closely spaced super-span double tunnels in strongly weathered tuff strata. Front. Struct. Civ. Eng. 2022, 16, 685–703. [Google Scholar] [CrossRef]
- Liu, D.P.; Zhang, D.L.; Fang, Q.; Sun, Z.Y.; Luo, J.W.; Li, A. Field monitoring of the deformation and internal forces of the surrounding rock and support structures in the construction of a super-span high-speed railway tunnel—A case study. Appl. Sci. 2020, 10, 5182. [Google Scholar] [CrossRef]
- Zhou, S.; Li, L.P.; An, Z.M.; Li, H.L.; Yang, G.Y.; Zhou, P.F. Stress-release law and deformation characteristics of large-span tunnel excavated with semi central diaphragm method. KSCE J. Civ. Eng. 2021, 25, 2275–2284. [Google Scholar] [CrossRef]
- Li, L.P.; Shang, C.S.; Chu, K.W.; Zhou, Z.Q.; Song, S.G.; Liu, Z.H.; Chen, Y.H. Large-scale geo-mechanical model tests for stability assessment of super-large cross-section tunnel. Tunn. Undergr. Sp. Technol. 2021, 109, 103756. [Google Scholar] [CrossRef]
- Zhang, J.R.; Wang, Z.Y.; Feng, J.M.; Yu, L.P.; Zhou, P.; Li, Z.L. Deformation control for large-section tunnel construction in fractured carbonaceous slate, P.I. Civil. Eng. Geotec. 2021, 176, 132–145. [Google Scholar] [CrossRef]
- Li, P.F.; Zhang, D.L.; Zhao, Y.; Zhou, Y.; Fang, Q.; Zhang, X. Study of mechanical characteristics of secondary lining of large-section loess tunnel. Chin. J. Rock Mech. Eng. 2010, 29, 1690–1696. [Google Scholar]
- Fang, Y.; Xu, C.; Chen, X.G.; Guo, J.N. Scaled model test on mechanical characteristics of large cross-section highway tunnel lining under water pressure. China Civ. Eng. J. 2016, 49, 111–119. [Google Scholar]
- Wu, C.; Huang, L.; Chen, Z.T.; Fang, Y. Model Test for Mechanical Characteristics of Secondary Lining of Large Cross-section Highway Tunnel. Tunn. Constr. 2018, 38, 977–985. [Google Scholar]
- Zhao, P.Y.; Chen, J.X.; Luo, Y.B.; Li, Y.; Chen, L.J.; Wang, C.W.; Hu, T.T. Field measurement of air temperature in a cold region tunnel in northeast China. Cold Reg. Sci. Technol. 2020, 171, 102957. [Google Scholar] [CrossRef]
- Zhang, S.C.; Chen, W.H.; Liu, H. Dynamic Response of Tunnels Surrounded by Thawing Permafrost with Anisotropic Frost Heave in Cold Regions: Considering the Movement of the Frozen Interface. J. Eng. Mech. 2023, 149, 04022112. [Google Scholar] [CrossRef]
- Ling, X.Z.; Yu, Y.; Tang, L.; Geng, L.; Han, X. The lining responses for shallow mountain tunnels subjected to frost heaving. J. Mt. Sci. 2022, 19, 529–546. [Google Scholar] [CrossRef]
- Li, H.W.; Lai, Y.; Zhang, H.Y.; Chen, Y.Y.; Jiang, W.T.; Tian, Y.; Ran, J.C. Composite lining-ground interaction behavior in a cold-region circular tunnel under isotropic frost heave action. Cold Reg. Sci. Technol. 2023, 207, 103771. [Google Scholar] [CrossRef]
- Li, H.W.; Lai, Y.; Zhang, H.Y.; Chen, Y.Y.; Jiang, W.T.; Ran, J.C. Composite lining-ground interaction behavior in a cold-region circular tunnel under anisotropic frost action. Int. J. Rock Mech. Min. Sci. 2023, 164, 105341. [Google Scholar] [CrossRef]
- Xu, P.; Wu, Y.M.; Huang, L.; Zhang, K. Study on the progressive deterioration of tunnel lining structures in cold regions experiencing freeze–thaw cycles. Appl. Sci. 2021, 11, 5903. [Google Scholar] [CrossRef]
- Sutoh, A.; Maruyama, O.; Kanekiyo, H.T.; Sato, T. A Consideration on Deterioration Model for Cold Region Tunnel Lining Based on Life-cycle Concept. Geotech. Saf. Risk V. 2015, 413–418. [Google Scholar] [CrossRef]
- Zhao, X.; Zhang, H.W.; Lai, H.P.; Yang, X.H.; Wang, X.Y.; Zhao, X.L. Temperature field characteristics and influencing factors on frost depth of a highway tunnel in a cold region. Cold Reg. Sci. Technol. 2020, 179, 103141. [Google Scholar] [CrossRef]
- Yang, J.; Wang, T.; He, X.; Su, Y.; Dai, F.; Xiong, L.; Zhao, R.; Duan, X. Preparation and Experimental Investigations of Low-Shrinkage Commercial Concrete for Tunnel Annular Secondary Lining Engineering. Materials 2022, 15, 6848. [Google Scholar] [CrossRef]
- Ministry of Transport of the People’s Republic of China. Specifications for Design of Highway Tunnels: JTG 3370.1-2018; China Communication Press: Beijing, China, 2018.
- Fairbairn, E.M.R.; Silvoso, M.M.; Toledo Filho, R.D.; Alves, J.L.D.; Ebecken, N.F.F. Optimization of mass concrete construction using genetic algorithms. Comput. Struct. 2004, 82, 281–299. [Google Scholar] [CrossRef]

























| Items | Positions | ||||||||||||
|---|---|---|---|---|---|---|---|---|---|---|---|---|---|
| 0 | 1 | 2 | 3 | 4 | 5 | 6 | 7 | 8 | 9 | 10 | 11 | ||
| Outer side | Summer | 1.04 | 2.84 | 2.85 | 1.62 | 1.51 | 1.62 | / | 1.58 | 2.72 | −1.47 | −0.98 | 1.10 |
| Winter | −0.27 | 2.04 | 1.89 | 0.49 | 0.83 | 0.76 | / | 0.03 | 2.07 | −2.65 | −2.07 | −0.61 | |
| Difference | 1.31 | 0.8 | 0.96 | 1.13 | 0.68 | 0.86 | / | 1.55 | 0.65 | 1.18 | 1.09 | 1.71 | |
| Inner side | Summer | 3.31 | 2.41 | 2.76 | 2.67 | 2.81 | 3.05 | / | 2.48 | 5.00 | −1.72 | −1.55 | 0.57 |
| Winter | 0.86 | 1.26 | 2.24 | 1.92 | 1.55 | 2.19 | / | −0.21 | 3.86 | −3.09 | −3.45 | −0.68 | |
| Difference | 2.45 | 1.15 | 0.52 | 0.75 | 1.26 | 0.86 | / | 2.69 | 1.14 | 1.37 | 1.90 | 1.25 | |
| Items | Positions | ||||||||||||
|---|---|---|---|---|---|---|---|---|---|---|---|---|---|
| 0 | 1 | 2 | 3 | 4 | 5 | 6 | 7 | 8 | 9 | 10 | 11 | ||
| Outer side | Summer | −45 | −37 | −39 | −23 | −32 | −28 | −33 | −24 | −38 | −31 | −14 | −16 |
| Winter | −35 | −23 | −31 | −14 | −20 | −18 | −17 | 2 | −19 | −18 | 0 | −6 | |
| Difference | −10 | −14 | −8 | −9 | −12 | −10 | −16 | −26 | −19 | −13 | −14 | −10 | |
| Inner side | Summer | −40 | −45 | −45 | −39 | −30 | −52 | −40 | −35 | −62 | −10 | −5 | −11 |
| Winter | −17 | −31 | −32 | −30 | −16 | −33 | −29 | 5 | −21 | 11 | 4 | 14 | |
| Difference | −23 | −14 | −13 | −9 | −14 | −19 | −11 | −40 | −41 | −21 | −9 | −25 | |
| Monitoring Point | Fitting Mathematical Model | Correlation Coefficient |
|---|---|---|
| No. 0 | 0.95 | |
| No. 7 | 0.94 | |
| No. 10 | 0.95 |
| Monitoring Point | Fitting Mathematical Model | Correlation Coefficient |
|---|---|---|
| No. 7 | 0.96 | |
| No. 10 | 0.94 | |
| No. 11 | 0.95 |
| Rock Grade | Materials | Thickness/cm | Elastic Modulus/GPa | Poisson’s Ratio μ | Gravity Density/KN·m−3 | Linear Expansion Coefficient/°C−1 |
|---|---|---|---|---|---|---|
| V | C30 reinforced concrete | 70 | 32.4 | 0.20 | 23 | 1.05 × 10−5 |
| Positions | 0 | 1 | 2 | 3 | 4 | 5 | 6 | 7 | 8 | 9 | 10 | 11 |
|---|---|---|---|---|---|---|---|---|---|---|---|---|
| Axial force (kN) | 109.3 | 122.1 | 122.1 | 182.5 | 182.5 | 245.3 | 245.3 | 277.3 | 277.3 | 284.7 | 284.7 | 288.7 |
| Bending moment (kN·m) | 57.0 | 28.0 | 28.0 | −52.7 | −52.7 | −14.2 | −14.2 | −63.7 | −63.7 | 19.0 | 19.0 | 4.0 |
| Safety factor | 10.1 | 13.2 | 13.2 | 8.1 | 8.1 | 9.0 | 9.0 | 5.8 | 5.8 | 7.6 | 7.6 | 8.4 |
| Seasons | Positions | 0 | 1 | 2 | 3 | 4 | 5 | 6 | 7 | 8 | 9 | 10 | 11 |
|---|---|---|---|---|---|---|---|---|---|---|---|---|---|
| Summer | Axial force (kN) | 254.0 | 254.0 | 254.0 | 253.5 | 253.5 | 252.1 | 252.1 | 276.7 | 276.7 | 256.0 | 256.0 | 256.7 |
| Bending moment (kN·m) | −1.5 | −1.7 | −1.7 | 3.0 | 3.0 | 8.7 | 8.7 | 41.2 | 41.2 | 15.6 | 15.6 | −1.5 | |
| Safety factor | 9.7 | 9.7 | 9.7 | 9.6 | 9.6 | 9.2 | 9.2 | 6.7 | 6.7 | 8.5 | 8.5 | 9.6 | |
| Winter | Axial force (kN) | 11.1 | 15.0 | 15.0 | 2.8 | 2.8 | −31.5 | −31.5 | −31.7 | −31.7 | −12.9 | −12.9 | 2.7 |
| Bending moment (kN·m) | 38.1 | 26.6 | 26.6 | −38.4 | −38.4 | −62.1 | −62.1 | −70.0 | −70.0 | 67.6 | 67.6 | 137.8 | |
| Safety factor | 24.1 | 31.4 | 31.4 | 26.0 | 26.0 | 13.7 | 13.7 | 12.4 | 12.4 | 14.1 | 14.1 | 7.4 |
| Seasons | Positions | 0 | 1 | 2 | 3 | 4 | 5 | 6 | 7 | 8 | 9 | 10 | 11 |
|---|---|---|---|---|---|---|---|---|---|---|---|---|---|
| Self-weight + summer | Axial force (kN) | 484.4 | 497.7 | 497.7 | 547.8 | 547.8 | 598.1 | 598.1 | 629.5 | 629.5 | 593.8 | 593.8 | 600.7 |
| Bending moment (kN·m) | 26.3 | −66.5 | −66.5 | 61.8 | 61.8 | 45.6 | 45.6 | 110.2 | 110.2 | −69.8 | −69.8 | 7.9 | |
| Safety factor | 4.6 | 3.8 | 3.8 | 3.6 | 3.6 | 3.5 | 3.5 | 2.8 | 2.8 | 3.3 | 3.3 | 4.0 | |
| Self-weight + winter | Axial force (kN) | 445.9 | 464.1 | 464.1 | 526.0 | 526.0 | 574.5 | 574.5 | 584.2 | 584.2 | 508.6 | 508.6 | 516.4 |
| Bending moment (kN·m) | −39.7 | −112.9 | −112.9 | 117.5 | 117.5 | 97.6 | 97.6 | 118.0 | 118.0 | −104.3 | −104.3 | 10.0 | |
| Safety factor | 5.4 | 4.3 | 4.3 | 4.0 | 4.0 | 4.0 | 4.0 | 3.8 | 3.8 | 4.2 | 4.2 | 5.6 |
Disclaimer/Publisher’s Note: The statements, opinions and data contained in all publications are solely those of the individual author(s) and contributor(s) and not of MDPI and/or the editor(s). MDPI and/or the editor(s) disclaim responsibility for any injury to people or property resulting from any ideas, methods, instructions or products referred to in the content. |
© 2024 by the authors. Licensee MDPI, Basel, Switzerland. This article is an open access article distributed under the terms and conditions of the Creative Commons Attribution (CC BY) license (https://creativecommons.org/licenses/by/4.0/).
Share and Cite
Dong, F.; Luo, Y.; Chen, J.; Wang, C.; Liu, Y.; Xun, W. Mechanical Behavior of Secondary Lining in Super Large-Span Tunnels Considering Temperature Effects. Symmetry 2024, 16, 339. https://doi.org/10.3390/sym16030339
Dong F, Luo Y, Chen J, Wang C, Liu Y, Xun W. Mechanical Behavior of Secondary Lining in Super Large-Span Tunnels Considering Temperature Effects. Symmetry. 2024; 16(3):339. https://doi.org/10.3390/sym16030339
Chicago/Turabian StyleDong, Fangfang, Yanbin Luo, Jianxun Chen, Chuanwu Wang, Yahui Liu, and Wenjie Xun. 2024. "Mechanical Behavior of Secondary Lining in Super Large-Span Tunnels Considering Temperature Effects" Symmetry 16, no. 3: 339. https://doi.org/10.3390/sym16030339
APA StyleDong, F., Luo, Y., Chen, J., Wang, C., Liu, Y., & Xun, W. (2024). Mechanical Behavior of Secondary Lining in Super Large-Span Tunnels Considering Temperature Effects. Symmetry, 16(3), 339. https://doi.org/10.3390/sym16030339
