Multistep Model Predictive Control for Electrical Drives—A Fast Quadratic Programming Solution
Abstract
:1. Introduction
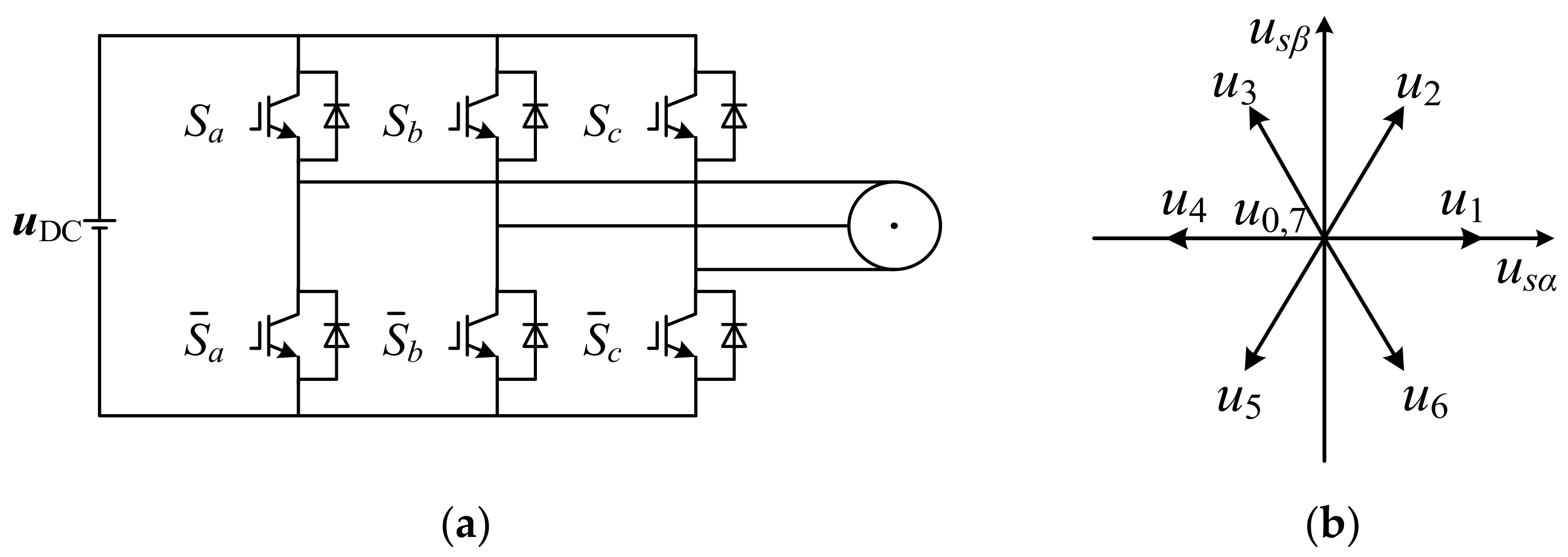
2. Control Plant Description
3. Multistep PCC Algorithm
4. Fast Quadratic Programming Solution
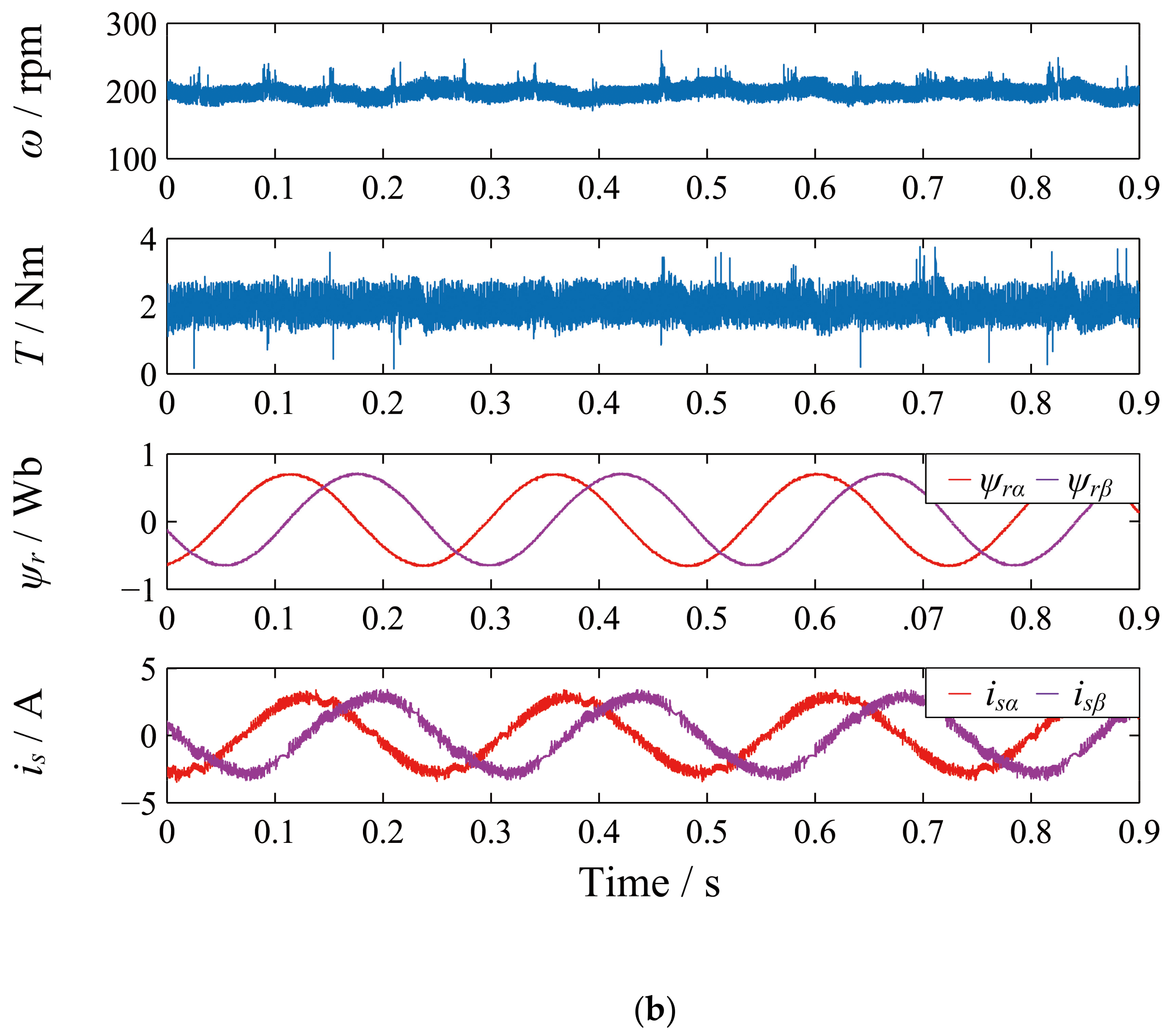
5. Experimental Verification
6. Conclusions
Author Contributions
Funding
Institutional Review Board Statement
Informed Consent Statement
Data Availability Statement
Acknowledgments
Conflicts of Interest
References
- Mayne, D.Q. Model Predictive Control: Recent Developments and Future Promise. Automatica 2014, 50, 2967–2986. [Google Scholar] [CrossRef]
- Rao, C.V.; Rawlings, J.B.; Mayne, D.Q. Constrained state estimation for nonlinear discrete-time systems: Stability and moving horizon approximations. IEEE Trans. Autom. Control 2003, 48, 246–258. [Google Scholar] [CrossRef] [Green Version]
- Wang, Y.; Boyd, S. Fast Model Predictive Control Using Online Optimization. IEEE Trans. Control. Syst. Technol. 2010, 18, 267–278. [Google Scholar] [CrossRef] [Green Version]
- Xu, Y.; Tang, W.; Chen, B.; Qiu, L.; Yang, R. A Model Predictive Control with Preview-Follower Theory Algorithm for Trajectory Tracking Control in Autonomous Vehicles. Symmetry 2021, 13, 381. [Google Scholar] [CrossRef]
- Ji, H.; Wei, Y.; Fan, L.; Liu, S.; Wang, Y.; Wang, L. Disturbance-Improved Model-Free Adaptive Prediction Control for Discrete-Time Nonlinear Systems with Time Delay. Symmetry 2021, 13, 2128. [Google Scholar] [CrossRef]
- Xi, Y.; Li, D.; Lin, S. Model predictive control—Status and Challenges. Acta Autom. Sin. 2013, 39, 222–236. [Google Scholar] [CrossRef]
- Bemporad, A.; Borrelli, F.; Morari, M. Model predictive control based on linear programming—The explicit solution. IEEE Trans. Autom. Control 2002, 47, 1974–1985. [Google Scholar] [CrossRef]
- Vazquez, S.; Rodriguez, J.; Rivera, M.; Franquelo, L.G.; Norambuena, M. Model predictive control for power converters and drives: Advances and Trends. IEEE Trans. Ind. Electron. 2017, 64, 935–947. [Google Scholar] [CrossRef] [Green Version]
- Zhang, Z.; Babayomi, O.; Dragicevic, T.; Heydari, R.; Garcia, C.; Rodriguez, J.; Kennel, R. Advances and opportunities in the model predictive control of microgrids: Part I—primary layer. Int. J. Electr. Power Energy Syst. 2022, 134, 107411. [Google Scholar] [CrossRef]
- Ahmed, A.A.; Koh, B.K.; Lee, Y.I. A Comparison of Finite Control Set and Continuous Control Set Model Predictive Control Schemes for Speed Control of Induction Motors. IEEE Trans. Ind. Inform. 2018, 14, 1334–1346. [Google Scholar] [CrossRef]
- Zhou, J.; Hassan, M.A.; Zhang, J.; Hou, M.; Wu, S.; Xing, G.; Chi, S. Stabilization of Constant Power Loads in DC Microgrid Systems Using an Adaptive Continuous Control Set Model Predictive Control. Symmetry 2021, 13, 1112. [Google Scholar] [CrossRef]
- Karamanakos, P.; Geyer, T. Guidelines for the Design of Finite Control Set Model Predictive Controllers. IEEE Trans. Power Electron. 2020, 35, 7434–7450. [Google Scholar] [CrossRef]
- Karamanakos, P.; Liegmann, E.; Geyer, T.; Kennel, R. Model Predictive Control of Power Electronic Systems: Methods, Results, and Challenges. IEEE Open J. Ind. Appl. 2020, 1, 95–114. [Google Scholar] [CrossRef]
- Wang, F.; Li, S.; Mei, X.; Xie, W.; Rodriguez, J.; Kennel, R. Model-based Predictive Direct Control Strategies for Electrical Drives: An Experimental Evaluation of PTC and PCC Methods. IEEE Trans. Ind. Inform. 2015, 11, 671–681. [Google Scholar] [CrossRef]
- Zhang, Y.; Jiang, T. Robust Predictive Rotor Current Control of a Doubly Fed Induction Generator Under an Unbalanced and Distorted Grid. IEEE Trans. Energy Convers. 2022, 37, 433–442. [Google Scholar] [CrossRef]
- Geyer, T.; Papafotiou, G.; Morari, M. Model Predictive Direct Torque Control—Part I: Concept, Algorithm, and Analysis. IEEE Trans. Ind. Electron. 2009, 56, 1894–1905. [Google Scholar] [CrossRef]
- Geyer, T.; Quevedo, D.E. Performance of Multistep Finite Control Set Model Predictive Control for Power Electronics. IEEE Trans. Power Electron. 2015, 30, 1633–1644. [Google Scholar] [CrossRef]
- Zhang, Z.; Hackl, C.M.; Kennel, R. Computationally Efficient DMPC for Three-Level NPC Back-to-Back Converters in Wind Turbine Systems with PMSG. IEEE Trans. Power Electron. 2017, 32, 8018–8034. [Google Scholar] [CrossRef]
- Baidya, R.; Aguilera, R.P.; Acuña, P.; Vazquez, S.; Mouton, H.D.T. Multistep Model Predictive Control for Cascaded H-Bridge Inverters: Formulation and Analysis. IEEE Trans. Power Electron. 2018, 33, 876–886. [Google Scholar] [CrossRef]
- Dorfling, T.; Mouton, H.d.T.; Geyer, T.; Karamanakos, P. Long-horizon Finite-Control-Set Model Predictive Control with Nonrecursive Sphere Decoding on an FPGA. IEEE Trans. Power Electron. 2020, 35, 7520–7531. [Google Scholar] [CrossRef]
- Zhou, Z.; Xia, C.; Yan, Y.; Wang, Z.; Shi, T. Torque Ripple Minimization of Predictive Torque Control for PMSM With Extended Control Set. IEEE Trans. Ind. Electron. 2017, 64, 6930–6939. [Google Scholar] [CrossRef]
- Gao, J.; Gong, C.; Li, W.; Liu, J. Novel Compensation Strategy for Calculation Delay of Finite Control Set Model Predictive Current Control in PMSM. IEEE Trans. Ind. Electron. 2020, 67, 5816–5819. [Google Scholar] [CrossRef]











| Number of Prediction Horizons | Exhaustive Search η1 | Fast QP Solution η2 | η1/η2/% |
|---|---|---|---|
| 1 | 7 | 2 | 28.57 |
| 2 | 49 | 4 | 8.16 |
| 3 | 343 | 8 | 2.33 |
| 4 | 2401 | 16 | 0.67 |
| 5 | 16,807 | 32 | 0.19 |
| Number | Description |
|---|---|
| A | Danfoss inverter (3.0 kW) |
| B | Servostar inverter (14 kVA) |
| C | Control panel |
| D | 1.4 GHz Linux-based real-time control system |
| E | Main machine (2.2 kW IM) |
| F | Load machine (2.2 kW IM) |
| Parameter | Value |
|---|---|
| DC-link voltage uDC/V | 582 |
| Nominal rotor speed ωnom/rpm | 2772 |
| Nominal torque Tnom/Nm | 7.5 |
| Nominal flux ||ψnom||/Wb | 0.71 |
| Nominal rated power Pnom/kW | 2.2 |
| Stator, rotor resistance Rs, Rr/Ω | 2.68, 2.13 |
| Stator, rotor inductance Ls, Lr/H | 0.283, 0.283 |
| Magnetizing inductance Lm/H | 0.275 |
| Number of pole pairs p | 1 |
| PI parameters kp, ki | 0.23, 5.38 |
| Test Scenarios | Performance Metric | Conventional PCC | Proposed Algorithm |
|---|---|---|---|
| 1 | Torque ripple | 2.0 Nm | 1.6 Nm |
| Current ripple | 0.56 A | 0.33 A | |
| 2 | Torque ripple | 2.5 Nm | 1.8 Nm |
| Current ripple | 0.81 A | 0.62 A |
| Algorithm | Number of Optimized Nodes | Algorithm Time |
|---|---|---|
| Conventional PCC | 7 | 19 μs |
| Proposed multistep PCC with a fast QP solution | 32 | 27 μs |
Publisher’s Note: MDPI stays neutral with regard to jurisdictional claims in published maps and institutional affiliations. |
© 2022 by the authors. Licensee MDPI, Basel, Switzerland. This article is an open access article distributed under the terms and conditions of the Creative Commons Attribution (CC BY) license (https://creativecommons.org/licenses/by/4.0/).
Share and Cite
Xie, H.; Du, J.; Ke, D.; He, Y.; Wang, F.; Hackl, C.; Rodríguez, J.; Kennel, R. Multistep Model Predictive Control for Electrical Drives—A Fast Quadratic Programming Solution. Symmetry 2022, 14, 626. https://doi.org/10.3390/sym14030626
Xie H, Du J, Ke D, He Y, Wang F, Hackl C, Rodríguez J, Kennel R. Multistep Model Predictive Control for Electrical Drives—A Fast Quadratic Programming Solution. Symmetry. 2022; 14(3):626. https://doi.org/10.3390/sym14030626
Chicago/Turabian StyleXie, Haotian, Jianming Du, Dongliang Ke, Yingjie He, Fengxiang Wang, Christoph Hackl, José Rodríguez, and Ralph Kennel. 2022. "Multistep Model Predictive Control for Electrical Drives—A Fast Quadratic Programming Solution" Symmetry 14, no. 3: 626. https://doi.org/10.3390/sym14030626
APA StyleXie, H., Du, J., Ke, D., He, Y., Wang, F., Hackl, C., Rodríguez, J., & Kennel, R. (2022). Multistep Model Predictive Control for Electrical Drives—A Fast Quadratic Programming Solution. Symmetry, 14(3), 626. https://doi.org/10.3390/sym14030626

