Abstract
This study concerns dynamic loading on the carrying structure of a flat car with elastic-friction longitudinal beams. The authors built a mathematical model including the vertical displacements in the carrying structure of a flat car symmetrically loaded with four 1 CC containers. The mathematical model was solved with MathCad software. It was found that the maximum accelerations on a flat car were about 2.0 m/s2. Thus, the accelerations obtained were within the allowable values. The study presents the results of computer modeling of dynamic loads on the carrying structure of a container and a flat car with elastic-friction longitudinal beams. The calculation was made with the finite element method in SolidWorks (CosmosWorks) software. Besides, the authors defined the numerical values of these accelerations and the distribution fields relative to the carrying structure of a container and a flat car. The discordance between the results of the mathematical and computer modeling was about 7%. The research may be useful for those who are concerned about designing innovative rolling stock units and improving the operational efficiency of the rolling stock.
1. Introduction
The leading position of the rail transport industry can be maintained by putting innovative rolling stock into operation with special attention to the carrying structure. At the current stage of railway engineering, the issue of multifunctional carrying structures of railway transport means is of primary importance. These structures can transport freight and be adapted for certain conditions which provide operational efficiency.
One of the most frequent problems of today is the fatigue strength of the carrying structure of long-base cars (particularly, flat cars) due to periodic cyclic loads in the vertical and longitudinal planes. This causes damage to the carrying elements of a flat car, such as cracks, deformations, etc. Therefore, the designing of these cars requires the adoption of measures aimed at higher fatigue strength of the carrying structure by implementing innovative solutions.
The special features of determination of the strength factors for a flat car frame are given in the study [1]. The design diagram of the carrying structure of a flat car was built by the PN-EN standards. The strength calculation was carried out using the finite element method (FEM). The results of the calculation confirmed the rationality of the design decisions made in the design of the car.
Study [2] presents the research into the dynamic symmetrical loading and the strength of a long-base car. The strength calculation of the carrying structure was realized by the FEM. When carrying out strength calculations, the authors used standard values of loads. Additionally, the proposed car design underwent experimental studies in order to detect the most damaged components and their subsequent optimization.
It should be mentioned that designing such carrying structures of cars did not take into account measures aimed at increasing the fatigue strength under the cyclic loads.
The strength research into the carrying structure of a flat car by means of electric strain measurement is given in the study [3]. The studies were carried out using the method of electrical strain measurement. The authors determined the average torsional rigidity of the carrying structure of a flat car. It was found that the average torsional rigidity was 3.45 × 1010 KN mm2/rad. In this case, the elevation of the supporting structure of one side of the car relative to the other was assumed to be 20 mm.
The carrying structure of a car intended for intermodal transportation is analyzed in [4]. The special feature of the carrying structure of such a car is a loading/unloading rotating platform. The strength calculation was made using FEM. At the same time, European standards which regulate the normative values of loads on the load-bearing structures of cars were taken into account. In addition to theoretical calculations, the authors carried out experimental studies of the strength of the car frame.
However, the design of these car structures did not take into account the measures for increasing the fatigue strength in operation.
The strength of the basic carrying elements of the flat car frame is determined in the study [5] with an application of modern software. The authors propose a method for determining the reliability indicators and solving the scientific and applied problem of calculating the elements of freight cars, taking into account the features of operation and the influence of the load mode, which makes it possible to determine their durability at the design stage. The approach offered by the authors proved effective and efficient, which testifies that the authors found the right approach in their research.
A possibility to improve the center sill in the carrying structure of a car is described in the study [6]. The authors have proposed several promising versions of the car center sill. These designs are based on the use of C-shaped profiles, forming a closed section of the center sill. The authors present the results of the strength calculation for the carrying structure of a car improved according to their solutions. However, the ways to decrease dynamic loads and fatigue strength of the center sill of a car were not studied.
The issue of decreasing dynamic loads in the carrying structure of the transport means intended for combined transportation is studied in [7]. The authors suggested and substantiated the application of viscous connections in the carrying structure of transport means to decrease the dynamic loads during the operational modes. It should be mentioned that the problem of increased fatigue strength of the carrying structure of a car with consideration of the measures proposed was not studied.
The results of optimizing the supporting structure of a car with small containers are covered in [8]. The authors carried out a comparative assessment of the main indicators of strength, reliability, and stability of the car’s supporting structure. A variant of the execution of the supporting structure of the car from different types of materials was considered. The expediency of improving the supporting structure of the car, taking into account the proposed methodology, was substantiated.
In the publication [9], a study was made of the possible causes of damage, namely cracks, in the structures of freight car frames. A methodology was proposed that made it possible to determine cracks in the areas where welds are located between individual elements of the car frames. An example of the application of this methodology, considered on the frame of an Sgmns type car, was presented.
It is important to say that the improvements and methods proposed by the authors of these works do not contribute to reducing the dynamic loading of the load-bearing elements of cars under cyclic loading under operating conditions.
In [10], the issues of fatigue strength calculation of the supporting structure of a long-base platform car were considered. The calculation was carried out for the main operating modes of the car in accordance with the standards that are used for broad-gauge railways. In this case, FEM was used. It has been established that the fatigue strength of the car frame is ensured.
The calculation of the strength of the frame of a platform car, taking into account various options for its loading, was carried out in [11]. The greatest bending moments in the car frame were determined. The authors also presented the results of the frame strength calculation using FEM. The most loaded elements of the platform car frame were determined. However, at the same time, the strength of the structural elements of the frame under the considered loading conditions was ensured. However, when designing and calculating the considered design of a long-base car, no solutions were proposed that would improve its fatigue strength.
The publication [12] analyzed the design of a wagon for heavy transportation. The results of the calculation for the strength of the car were also presented. At the same time, the authors did not simulate the dynamic loading of the car and used the standard values of the loads acting on the car in operation. The results of the calculations confirmed the feasibility of design solutions that were taken into account when creating the car.
Features of carrying out full-scale tests of the platform car model 13-9975 are presented in [13]. At the same time, the car was subjected to running dynamic and strength tests. The car was loaded with heavy-duty containers of 1 CC and 1 AA sizes. It has been established that the determined indicators of strength and dynamics are within the permissible limits, which made it possible to conclude that its operation is safe.
Additionally, full-scale studies of the strength of the supporting structure of a platform car are covered in [3,14]. At the same time, the authors carried out the determination of the frame deflection of the platform car. An electrical strain gauge was used as the basic method. Places of mounting of strain gauges were determined on the basis of previous theoretical strength calculations. At the same time, the authors of these works did not propose solutions aimed at reducing the dynamic loading of non-load-bearing structures of flat cars.
The issues of studying the dynamic loading of a car in operation are considered in the publication [15]. A feature of these studies is that the authors considered and substantiated the possibility of using various models of bogies under the car. The conducted research allows increasing the efficiency of the use of freight cars by reducing their downtime in anticipation of repairs.
The determination of the strength of the supporting structure of the platform car was carried out in [16]. This used computer simulation using FEM. The dislocation fields of the highest stresses in the design of the platform car were determined. The results of the experimental determination of the strength of the platform car are presented, which confirmed the results of theoretical studies.
At the same time, the authors did not consider the issues of improving the strength indicators of the load-bearing structures of platform cars under operational loading.
In [17,18], the issues of introducing advanced designs of platform cars were considered and solutions were proposed to improve the fastening of containers on them. Calculation of the stability of containers on platform cars under operational loading was carried out. Additionally, the proposed solutions can be used in relation to swap bodies.
It should be noted that long-base flat cars are subjected to cyclic loading during bouncing oscillations, and therefore it is advisable to study the issues of improving the scheme of their interaction with the car frame to reduce dynamic loading.
In [19], the results of studies of the dynamic qualities of a platform car are presented. The calculations were carried out on the example of a platform car model 13-401. At the same time, the possible movement of cargo relative to the frame of the flat car during its vibrations is taken into account. The dependences of the main dynamic indicators of the car depending on the speed of movement are obtained. However, at the same time, the authors did not propose measures aimed at reducing the load and ensuring the safety of the movement of the platform car.
A study of the dynamic loading of a car under operating conditions is given in [20]. To reduce the dynamic loads acting on freight cars, including flat cars, the concept of a draft device is proposed. The reduction of dynamic loads in this case is achieved by converting the kinetic energy of impact into the work of viscous friction forces. The proposed solutions are substantiated by theoretical calculations given in the article. At the same time, studies were carried out for the case of longitudinal loading of the car. No attention was paid to reducing its vertical loading.
The analysis of literary sources [1,2,3,4,5,6,7,8,9,10,11,12,13,14,15,16,17,18,19,20], carried out by the authors, allows us to conclude that the issues of improving the load-bearing structures of platform cars are very relevant. However, no attention was paid to the improvement of the supporting structures of platform cars by introducing elastic-friction components to reduce their dynamic loading in operation.
The objective of this article is to present the peculiarities in the determination of the vertical accelerations in the carrying structure of a flat car with elastic friction longitudinal beams. To achieve this objective, the following tasks were set:
- To conduct the mathematical modeling of dynamic loads on the carrying structure of a flat car with elastic-friction longitudinal beams;
- To conduct the computer modeling of the dynamic loads on the carrying structure of a flat car with elastic-friction longitudinal beams;
- To analyze the accelerations on the carrying structure of a flat car obtained during the mathematical and computer modeling;
- To verify the models of dynamic loading of the supporting structure of the platform car with elastic-friction beams.
2. Determination of Vertical Accelerations in the Carrying Structure of a Flat Car with Elastic Friction Longitudinal Beams by Mathematical Modeling
The authors suggest the application of resilient elements in the basic longitudinal beams for lower dynamic symmetrical loads on the carrying structure of a long-base car. Thus, the dynamic loads can be lowered due to the dry friction forces between the carrying structure components owing to the work of the elastic elements.
A platform car model 13-7024 was used as a prototype. The main technical characteristics of the platform car are given in Table 1.
Table 1.
The main technical characteristics of the platform car model 13-7024.
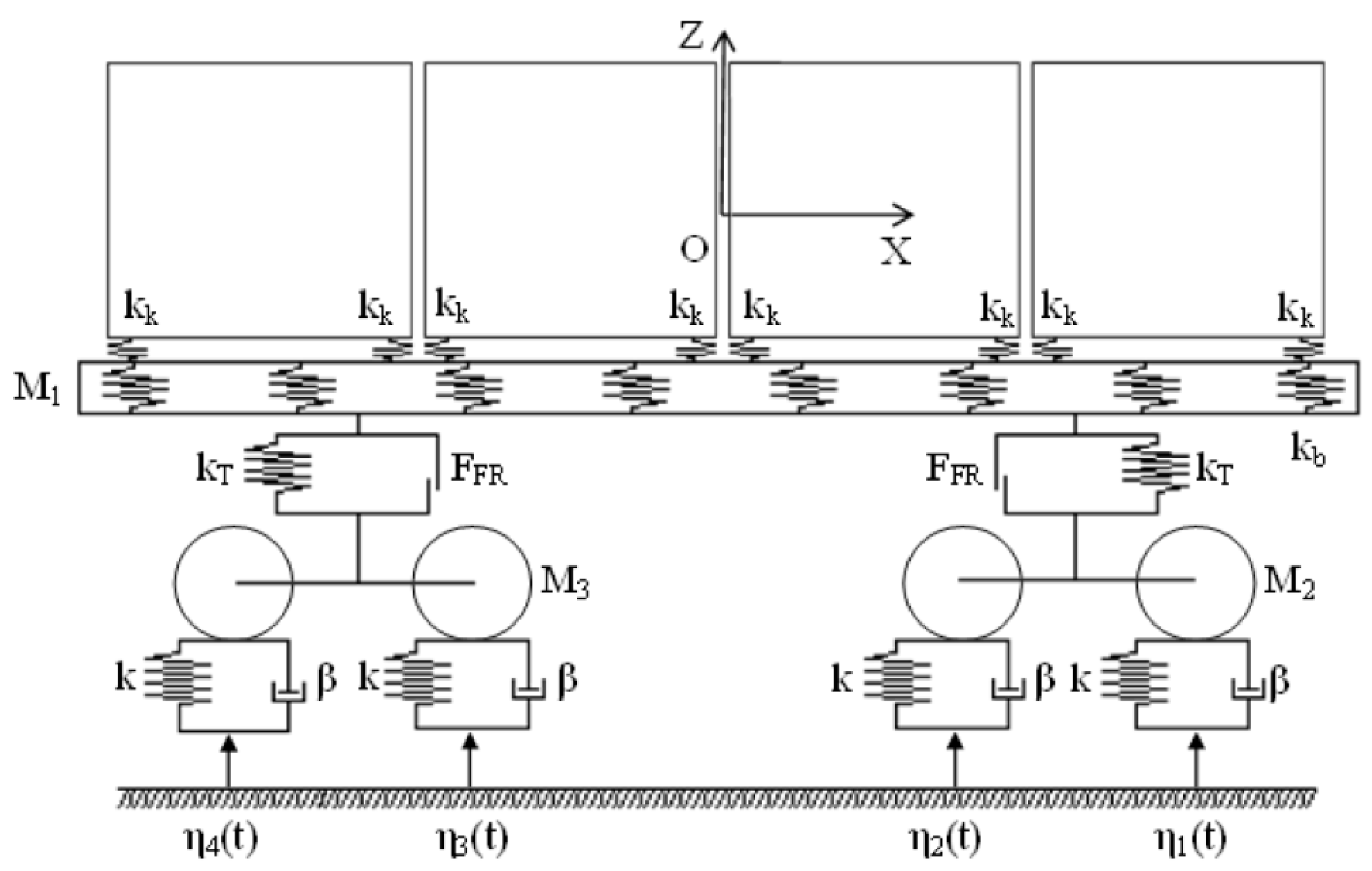
The dynamic symmetrical loads on the carrying structures of a container and a flat car with elastic-friction longitudinal beams were defined with the mathematical modeling. The research was made in the XZ plane coordinates. The design diagram is presented in Figure 1.
Figure 1.
Design diagram of the carrying structure of a flat car symmetrically loaded with containers.
The flat car was taken as a system of three solid bodies: the frame and two 18-100 bogies with suspension groups of some rigidity and relative friction coefficient. The main technical characteristics of the bogie are given in Table 2 [21].
Table 2.
The main technical characteristics of the bogie model 18-100.
When compiling the model, the angular displacements of the supporting structure of the platform car in the vertical plane were not taken into account.
The following restrictions were assumed for the system:
- Wheelsets moved without sliding: ψij = xij/R, (i, j = 1, 2), where R—wheel radius, 0.475 m;
- Due to the absence of elastic elements in the axle box suspension, the bouncing of bogies was defined through the bouncing of the wheelsets.
The motion equations included the car moving along the elastic viscous track [22]. The authors assumed that the track response was proportional to both the track deformation and the speed of this deformation. The calculation included that the flat car was symmetrical loaded with 1 CC containers. The main technical characteristics of the container are given in Table 3 [23].
Table 3.
The main technical characteristics of the container size 1 CC.
The motion equations did not include the friction forces between the elements of the longitudinal beam at vertical oscillations of a flat car. The interaction between a container and a flat car was described as an elastic linkage with the coefficient of rigidity kk.
The differential equations of motion of a flat car symmetrically loaded with containers look like:
where M1 is mass of the carrying structure of a flat car; M2, M3 are mass of the first and second bogies facing the engine, accordingly; M4 is container mass; Cij is elasticity characteristics of elements of the oscillation system corresponding to the rigidity coefficients of springs kr; kb is the rigidity of the elastic elements in the side beams of a frame; kk is the rigidity of the elastic linkage which models the interaction between the container and the fitting stops of a flat car; Bij is the dissipation function; a is half-base of a bogie; k is track rigidity; β is the damping coefficient; FFR is the absolute friction force in a spring group; δi is the deformation of elastic elements of spring suspension; ηi(t) is track irregularity; Fz is the vertical symmetrical load acting on the container.
The linkage between the body and the running part is described as a sequential elastic connection:
It was assumed that the car passed over a joint irregularity described by periodic function [23]:
where h—irregularity depth; ω—oscillation frequency determined by the formula ω = 2π V/L (where V is motion speed of a car, L is irregularity length).
The rigidity of the connection between a container and fitting stops was determined by means of a spatial model of a fitting stop, and the strength was calculated with the FEM in the SolidWorks Simulation (CosmosWorks) software (Figure 2). The design model included the vertical static load Pv on the fitting stop through the fitting elements of a container (Figure 3). The model was secured in the interaction zone between a fitting stop and a flat-car frame.
Figure 2.
A spatial model of a fitting stop.
Figure 3.
Design diagram of a fitting stop.
The input parameters of the model were the technical characteristics of the carrying structure of a flat car, spring suspension, and disturbing force.
Spatial tetrahedrons were taken as finite elements. The optimal number of elements was calculated with the graphical analytical method [24,25,26]. The essence of the method is to plot the dependence of the maximum equivalent stresses on the number of finite elements. When this dependence begins to be described by a horizontal line, then this is the optimum amount of FE.
The model consisted of 14,721 units and 72,230 elements. The maximum element size was 4.86 mm, and the minimum was 1.62 mm. The percentage of elements with a side ratio of less than three was 87.4, and more than ten was 0.0402. The minimum number of elements in a circle was eight, and the element size gain ratio was 1.5. Steel 09G2S was taken as the structural material for the carrying structure.
The displacements in a fitting stop were determined on the basis of the calculation (Figure 4).
Figure 4.
Displacements in a fitting stop.
By applying the well-known dependency kk = P/f, where P—force on a fitting stop (P ~ PB), f—deflection under the force P, the authors determined the rigidity of the link between a container and a fitting stop. The value kk accounted for 9.8 × 105 kN/m.
The mathematical model (1)–(4) was solved in the MathCad software suite [27,28,29]. The model was reduced to the normal Couche form, and then it was integrated by the Runge–Kutta method. The initial conditions for velocities, and displacements, are taken equal to zero [30,31,32,33].
The differential equations of motion of a flat car loaded with containers look like:
where
The results of the calculation are given in Figure 5.
Figure 5.
Accelerations of a flat car.
Thus, the accelerations on the carrying structure of a flat car were about 2.0 m/s2 (Figure 5); they did not exceed the allowable values [34,35,36] (Figure 6). The allowable accelerations on the carrying structure were taken equal to 0.65 g (‘allowable’ motion).
Figure 6.
Accelerations on a flat car loaded with containers.
The acceleration on the carrying structure in the areas of support on the bogies was about 0.4 g, and the acceleration on the bogies was about 1.0 g. This calculation demonstrates that the accelerations on the carrying structure of a flat car did not exceed the allowable values subject to transportation safety regulations [34,35,36].
3. Determination of Vertical Accelerations in the Carrying Structure of a Flat Car with Elastic Friction Longitudinal Beams by Computer Modeling
The acceleration fields relative to the carrying structure of a flat car and a container were determined by means of the computer modeling of dynamic symmetrical loads. The calculation was made in the SolidWorks (CosmosWorks) software suite with the FEM. The authors built a spatial model of the carrying structure of a flat car in the SolidWorks software. A spatial model of a 1 CC container was also built in this software.
The finite element model of the supporting structure of a platform car with containers is shown in Figure 7.
Figure 7.
Finite element model of the supporting structure of a platform wagon with containers.
Spatial tetrahedrons were taken as the finite elements (FE), (Figure 8). To determine the optimal amount of FE, a graphical-analytical method was used.
Figure 8.
Spatial tetrahedrons.
The model consisted of 107,506 units and 320,403 elements. The maximum element size was 100 mm, and the minimum was 20 mm. The percentage of elements with a side ratio of less than three was 6.07%, and more than ten was 70.5%. The minimum number of elements in a circle was nine, and the element size gain ratio was 1.8.
The design model included the vertical symmetrical loads on the carrying structure of a flat car Pk and the response to these loads from the fittings (Figure 9).
Figure 9.
Design diagram of the carrying structure of a flat car symmetrically loaded with containers.
Elastic elements were mounted in the basic longitudinal beams of a flat car frame and between the frame and the support elements, imitating the center plates of bogies (Figure 10). The calculations did not take into account the possible friction forces between the body central bearings and the center bowls. When modeling dynamic loading, only bouncing oscillations were considered, i.e., the model did not take into account possible angular displacements due to the transport delay of the action of the unevenness of the track on the running gear, causing pitching oscillations. In this connection, the angular rigidity of the elastic-friction bonds in the longitudinal beams of the platform car was not considered. The load of all containers placed on the platform car was assumed to be the same.
Figure 10.
Modeling the connection between the body central bearing and the center bowl.
On the basis of the calculation, the authors obtained the accelerations on the carrying structure of a flat car and a container (Figure 11).
Figure 11.
Finite element model of the carrying structure of a flat car symmetrically loaded with containers.
The calculation made it possible to conclude that the maximum accelerations were concentrated in the middle part of the carrying structure of a flat car; they accounted for about 1.9 m/s2 (0.19 g).
The discordance between the results of the mathematical and computer modeling was about 7%. The application of elastic elements in the carrying structure of a flat car can decrease the vertical accelerations by about 15% in comparison with those for a prototype car; besides this, it can also increase the fatigue strength.
4. Verification of Models of Dynamic Loading of the Supporting Structure of a Platform Car with Elastic-Friction Beams
The F-criterion [37,38,39] was used to verify the models of dynamic loading of the supporting structure of a platform car. The optimal number of experiments was determined by the Student’s (Gorsett) criterion [40]. As a variational parameter, the vertical load acting on the supporting structure of the platform car was used. That is, a variation of the container load was carried out, which was considered in the range of 65–100%. The simulation results are shown in Figure 12.
Figure 12.
Simulation results of dynamic loading of the supporting structure of the platform car.
Based on the calculations, the actual value of the F-criterion Fp = 1.41, which is less than the tabular value Ft = 3.58. Therefore, the hypothesis of adequacy is not rejected. The discrepancy between the results of mathematical and computer modeling is shown in Figure 13.
Figure 13.
The discrepancy between the results of mathematical and computer modeling.
In this case, the maximum percentage of the discrepancy between the results of mathematical and computer modeling was 15.2% and corresponded to a vertical load of 847.6 kN. The minimum percentage of discrepancy was 13.4% and corresponded to a vertical load on the flat car of 800.5 kN.
5. Conclusions
The authors carried out the mathematical modeling of dynamic symmetrical loads on the carrying structure of a flat car with improved elastic friction longitudinal beams and built a mathematical model, which included the vertical displacements of the carrying structure of a flat car with elastic friction longitudinal beams loaded with four 1 CC containers. It was found that the maximum acceleration on the carrying structure of a flat car was about 2.0 m/s2 (0.2 g). The accelerations on the carrying structure in the areas of support on the bogies were about 0.4 g, and the bogie accelerations were about 1.0 g. The accelerations obtained were within the allowable values.
This study concerns the computer modeling of the dynamic symmetrical loads on the carrying structure of a flat car with elastic friction longitudinal beams. The authors defined the numerical values of accelerations, with their distribution fields relative to the carrying structure of a container and a flat car. It was found that the maximum accelerations were concentrated in the middle part of the carrying structure of a flat car; they accounted for about 1.9 m/s2 (0.19 g). The accelerations of the carrying structure of a flat car were analyzed by means of mathematical and computer modeling. The discordance between the results of the mathematical and computer modeling was about 5%.
Verification of models of dynamic loading of the supporting structure of the platform car was carried out. The calculation results showed that the actual value of the F-criterion Fp = 1.41, which is less than the tabular value Ft = 3.58. Therefore, the hypothesis of adequacy is not rejected.
6. Patents
- Fomin, O.V.; Vatulia, G.L.; Lovska, A.O.; Pavlyuchenkov, M.V. Long-base platform car with elastic elements in the load-bearing structure: pat. 146847 Ukraine: IPC (2021.01) B61D 3/00; application 13.11.2020; publ. 24.03.2021. Bull. №12. (in Ukr.).
- Fomin, O.V.; Gorbunov, M.I.; Lovska, A.O. The method of increasing the fatigue strength of the load-bearing structure of the long-base car-platform: pat. 148108 Ukraine: IPC (2021.01) B61D 3/00; application 13.11.20; publ. 08.07.21., Bull. №27. (in Ukr.).
Author Contributions
Conceptualization, O.F., J.G. and A.L.; methodology, O.F. and A.L.; software, A.L.; validation, A.L. and J.G., G.V.; investigation, O.F., A.L. and K.K.; resources, O.F., A.L. and K.K.; writing—original draft preparation, O.F., A.L. and K.K.; writing—review and editing, J.G. and G.V.; visualization, O.F., A.L. and K.K.; supervision J.G. and G.V. All authors have read and agreed to the published version of the manuscript.
Funding
This publication was issued thanks to support from the Cultural and Educational Grant Agency of the Ministry of Education of the Slovak Republic in the project, “Implementation of modern methods of computer and experimental analysis of properties of vehicle components in the education of future vehicle designers” (Project No. KEGA 036ŽU-4/2021). This research was also supported by the Slovak Research and Development Agency of the Ministry of Education, Science, Research and Sport of the Slovak Republic in Educational Grant Agency of the Ministry of Education of the Slovak Republic in the project and VEGA 1/0513/22 “Investigation of the properties of railway brake components in simulated operating conditions on a flywheel brake stand”. The authors also gratefully acknowledge funding from the specific research on “Innovative principles for creating resource-saving structures of railroad cars based on the refined dynamic loads and functionally adaptive flash-concepts”, which was funded from the state budget of Ukraine in 2020.
Institutional Review Board Statement
Not applicable.
Informed Consent Statement
Not applicable.
Data Availability Statement
Not applicable.
Conflicts of Interest
The authors declare no conflict of interest.
References
- Krason, W.; Niezgoda, T. FE numerical tests of railway wagon for intermodal transport according to PN–EU standards. Bull. Pol. Acad. Sci. Tech. Sci. 2014, 62, 843–851. [Google Scholar] [CrossRef]
- Nandan, S.; Trivedi, R.; Kant, S.; Ahmad, J.; Maniraj, M. Design, Analysis and Prototype Development of Railway Wagons on Different Loading Conditions. SSRN. Available online: https://doi.org/10.2139/ssrn.3539937 (accessed on 18 February 2020).
- Das, A.; Agarwal, G. Investigation of Torsional Stability and Camber Test on a Meter Gauge Flat Wagon. In Lecture Notes in Mechanical Engineering; Springer: Cham, Switzerland, 2020; pp. 271–280. [Google Scholar] [CrossRef]
- Šťastniak, P.; Kurčík, P.; Pavlík, A. Design of a new railway wagon for intermodal transport with the adaptable loading platform. MATEC Web Conf. 2018, 235, 00030. [Google Scholar] [CrossRef][Green Version]
- Neduzha, L.O.; Shvets, A.O. Theoretical and experimental research of strength properties of spine beam of freight cars. Science and Transport Progress. Bull. Dnipropetr. Natl. Univ. Railw. Transp. 2018, 1, 131–147. [Google Scholar] [CrossRef]
- Sokolov, A.M.; Savushkina, I.V.; Novoselov, A.I.; Korotkov, D.S. Multifunctional configuration for wagon longitudinal tie rod. Transp. Russ. Fed. 2019, 1, 50–55. [Google Scholar]
- Lovska, A.; Fomin, O.; Pistek, V.; Kucera, P. Dynamic load modelling within combined transport trains during transportation on a railway ferry. Appl. Sci. 2020, 10, 5710. [Google Scholar] [CrossRef]
- Boronenko, Y.P.; Filipova, I.O. The choice of constructive solutions for the elements of cars with a small tare weight Science and Transport Progress. Bull. Dnipropetr. Natl. Univ. Railw. Transp. 2017, 3, 121–129. [Google Scholar] [CrossRef]
- Milovanovic, V.; Dunic, V.; Rakic, D.; Zivkovic, M. Identification causes of cracking on the underframe of wagon for containers transportation—Fatigue strength assessment of wagon welded joints. Eng. Fail. Anal. 2013, 31, 118–131. [Google Scholar] [CrossRef]
- Donchenko, A.V.; Fedosov-Nikonov, D.V. Methods of computational and experimental research of long-base platform design. Collection of scientific works of the State Economic and Technological University of Transport. Ser. Transp. Syst. Technol. 2016, 28, 53–60. [Google Scholar]
- Kelrich, M.B.; Fedosov-Nikonov, D.V. Research on the strength of the long-base platform. Bull. Volodymyr Dahl East Ukr. Natl. Univ. 2016, 1, 90–94. [Google Scholar]
- Divya Priya, G.; Swarnakumari, A. Modeling and analysis of twenty tonne heavy duty trolley. Intern. J. Innov. Technol. Res. 2014, 2, 1568–1580. [Google Scholar]
- Chepurnoy, A.D.; Litvinenko, A.V.; Sheichenko, R.I.; Graborov, R.V.; Chuban, M.A. Running strength and dynamic tests of the platform car. Bull. Natl. Tech. Univ. Kharkiv Polytech. Inst. 2015, 31, 111–128. [Google Scholar]
- Das, A.; Agarwal, G. Compression, tension & lifting stability on a meter gauge flat Wagon: An experimental approach. Aust. J. Mech. Eng. 2020. [Google Scholar] [CrossRef]
- Myamlin, S.; Lingaitis, L.P.; Dailydka, S.; Vaičiūnas, G.; Bogdevičius, M.; Bureika, G. Determination of the dynamic characteristics of freight wagons with various bogie. Transport 2015, 30, 88–92. [Google Scholar] [CrossRef]
- Stoilov, V.; Simić, G.; Purgić, S.; Milković, D.; Slavchev, S.; Radulović, S.; Maznichki, V. Comparative analysis of the results of theoretical and experimental studies of freight wagon Sdggmrss-twin. IOP Conf. Ser. Mater. Sci. Eng. 2019, 664, 012026. [Google Scholar] [CrossRef]
- Boronenko, Y.P.; Dauksha, A.S. Selection of constructive solutions for fastening devices for containers and swap bodies on railway platforms. Transp. Russ. Fed. 2017, 3, 29–32. [Google Scholar]
- Boronenko, Y.P.; Dauksha, A.S. Prospects for the introduction of wagons with demountable bodies of increased carrying capacity. News Petersburg State Univ. Commun. 2017, 3, 437–451. [Google Scholar]
- Shatunov, O.V.; Shvets, A.O. Study of dynamic indicators of flat wagon with load centre shift. Sci. Transp. Prog. Bull. Dnipropetr. Natl. Univ. Railw. Transp. 2019, 2, 127–143. [Google Scholar] [CrossRef]
- Lovska, A.; Fomin, O.; Pistek, V.; Kucera, P. Calculation of loads on carrying structures of articulated circular-tube wagons equipped with new draft gear concepts. Appl. Sci. 2020, 10, 7441. [Google Scholar] [CrossRef]
- Lukin, V.V.; Shadur, L.A.; Koturanov, V.I.; Khokhlov, A.A.; Anisimov, P.S. Design and Calculation of Wagons; UMK MPS Russia: Moscow, Russia, 2000; 731p. [Google Scholar]
- Domin, Y.V.; Chernyak, G.Y. Fundamentals of Wagon Dynamics; Tutorial; KUETT: Kiev, Ukraine, 2003; 270p. [Google Scholar]
- Prudnikova, V.P. Container as a Means of Cargo Transportation. Maritime State University Named after Admiral G. I. Nevelskoy: Vladivostok, Russia, 2009; 29p. [Google Scholar]
- Vatulia, G.; Komagorova, S.; Pavliuchenkov, M. Optimization of the truss beam. Verification of the calculation results. MATEC Web Conf. 2018, 230, 02037. [Google Scholar] [CrossRef]
- Pistek, V.; Kucera, P.; Fomin, O.; Lovska, A. Effective Mistuning Identification Method of Integrated Bladed Discs of Marine Engine Turbochargers. J. Mar. Sci. Eng. 2020, 8, 379. [Google Scholar] [CrossRef]
- Dižo, J.; Steišunas, S.; Blatnický, M. Simulation analysis of the effects of a rail vehicle running with wheel flat. Manuf. Technol. 2016, 16, 889–896. [Google Scholar] [CrossRef]
- Kondratiev, A.; Gaidachuk, V.; Nabokina, T.; Tsaritsynskyi, A. New possibilities in creating of effective composite size-stable honeycomb structures designed for space purposes. Adv. Intell. Syst. Comput. 2020, 1113, 45–59. [Google Scholar] [CrossRef]
- Oleksij, E.; Alyona, L. Establishing patterns in determining the dynamics and strength of a covered freight car, which exhausted its resource. East. -Eur. J. Enterp. Technol. 2020, 6, 21–29. [Google Scholar] [CrossRef]
- Kliuiev, S. Experimental study of the method of locomotive wheel-rail angle of attack control using acoustic emission. East. -Eur. J. Progress. Technol. 2018, 2, 69–75. [Google Scholar] [CrossRef][Green Version]
- Lovska, A.; Fomin, O. A New fastener to ensure the reliability of a passenger car body on a train ferry. Acta Polytech. 2020, 60, 478–485. [Google Scholar] [CrossRef]
- Fomin, O.; Gerlici, J.; Gorbunov, M.; Vatulia, G.; Lovska, A.; Kravchenko, K. Research into the Strength of an OpenWagon with Double Sidewalls Filled with Aluminium Foam. Materials 2021, 14, 3420. [Google Scholar] [CrossRef]
- Krol, O.; Porkuian, O.; Sokolov, V.; Tsankov, P. Vibration stability of spindle nodes in the zone of tool equipment optimal parameters. Comptes Rendus L’Acade’Mie Bulg. Sci. 2019, 72, 1546–1556. [Google Scholar] [CrossRef]
- Krol, O.; Sokolov, V. Modeling of Spindle Node Dynamics Using the Spectral Analysis Method. Lect. Notes Mech. Eng. 2020, 1, 35–44. [Google Scholar] [CrossRef]
- DSTU 7598:2014. Freight Wagons. General Requirements for Calculations and Design of New and Modernized Wagons of 1520 mm Track (Non-Self-Propelled); UkrNDNTS: Kiev, Ukraine, 2015; 162p. [Google Scholar]
- GOST 33211-2014. Freight Wagons. Requirements for Strength and Dynamic Properties; FGUP “STANDARTINFORM”: Moskow, Russia, 2016; 54p. [Google Scholar]
- EN 12663–2. Railway Applications—Structural Requirements of Railway Vehicle Bodies—Part 2: Freight Wagons. B; BDS: Sofia, Bulgaria, 2010; 54p. [Google Scholar]
- Ivchenko, G.I.; Medvedev, Y.I. Mathematical Statistics; LIBROCOM: Moscow, Russia, 2014; 352p. [Google Scholar]
- Rudenko, V.M. Mathematical Statistics; Center of Educational Literature: Kiev, Ukraine, 2012; 304p.
- Oleksij, F.; Alyona, L. Determination of dynamic loading of bearing structures of freight wagons with actual dimensions. East.-Eur. J. Enterp. Technol. 2021, 2, 6–15. [Google Scholar] [CrossRef]
- Kosmin, V.V. Fundamentals of Scientific Research; Educational and Methodological Center for Education in Railway Transport: Moscow, Russia, 2007; 271p. [Google Scholar]
Publisher’s Note: MDPI stays neutral with regard to jurisdictional claims in published maps and institutional affiliations. |
© 2022 by the authors. Licensee MDPI, Basel, Switzerland. This article is an open access article distributed under the terms and conditions of the Creative Commons Attribution (CC BY) license (https://creativecommons.org/licenses/by/4.0/).












