You are currently viewing a new version of our website. To view the old version click .
Crystals
  • Article
  • Open Access

1 October 2022

Mechanical and Physical Characterizations of a Three-Phase TiAl Alloy during Near Isothermal Forging

,
,
,
,
,
,
,
and
1
School of Mechanical and Transportation Engineering, Taiyuan University of Technology, Taiyuan 030024, China
2
Engineering Research Center of Advanced Metal Composite Forming Technology and Equipment, Ministry of Education, Taiyuan University of Technology, Taiyuan 030024, China
3
College of Mechanical and Electrical Engineering, Huangshan University, Huangshan 245021, China
4
School of Mechanical and Electric Engineering, Nanyang Normal University, Nanyang 473061, China
This article belongs to the Special Issue Processing, Structure and Properties of TiAl Alloys

Abstract

TiAl alloy is a high temperature structural material with excellent comprehensive properties in the range of 750–900 °C. However, its engineering application is limited by its poor plasticity and hot working properties at room temperature. Based on the above background, a novel three-phase Ti-40Al-6V-1Cr-0.3Ni (at.%) alloy was designed and fabricated in the present study. The as-cast ingot was subjected to near-isothermal forging, and the thermoplastic deformation behavior, microstructure evolution and mechanical properties were systematically studied. Near-isothermal forging shows excellent forming capability, and the forging disk is flawless without cracking. The core of the forging disk shows the greatest degree of deformation, and the microstructure is composed of fine equiaxed grains and residual (α2/γ) lamellae. The hardness of the B2 phase and the hardness difference between the B2 phase and γ phase are reduced by the Cr and V elements added in the alloy. The wrought alloy exhibits excellent mechanical properties at room temperature and elevated temperature, respectively. The uniform fine microstructure, low nanohardness of the B2 and γ phase and the property matching of each phase can be accounted for the excellent mechanical properties.

1. Introduction

Due to the low density (3.9–4.2 g/cm3), high specific strength, excellent oxidation and creep resistance, TiAl-based alloys are regarded as the only high-temperature structural material that can replace Ni-based alloys at 750–900 °C and exhibit wide application prospects in the aerospace and automotive industries [1,2,3]. TiAl alloys are hard-to-deform materials with high processing temperatures and small thermal operating windows. They are prone to destabilization and cracking during plastic deformation, so investment casting has become one of its common molding methods [4]. While, cast TiAl alloys are coarse, prone to defects such as shrinkage and loosening, and their mechanical properties are difficult to match those of high-performance components [5,6,7] such as turbines and engine blades for aircraft, and thermal protection systems for reusable launch vehicles [8,9,10]. Thermomechanical treatment can greatly modify the coarse microstructure and improve the strength and ductility [11], such as forging, hot extrusion, and rolling [12,13,14]. However, several factors influence the deformation process of TiAl alloys that are difficult to control, including the inherent brittleness, limited thermal processing window, and poor thermal workability. Therefore, the thermoplastic and mechanical processing of TiAl alloys is much more complex than that of ordinary alloys [15].
In order to avoid substantial temperature drops during hot working, the as-cast ingot is always canned by stainless steel or titanium alloy during forging, named as the canned forging process [16]. With the assistance of additional protection, the brittle TiAl alloy can be forged with conventional thermal processing equipment. While the canned material will raise the cost, and the choice of canning material will significantly impact the forming quality of the ingot.
Isothermal forging has been proposed and developed to reduce canning costs and prevent the alloy from undergoing a temperature drop during processing. Nevertheless, considering the mold life and high-temperature strength, isothermal forging is frequently performed at or below 1200 °C, requiring that the treated TiAl alloy should have excellent plastic deformation capabilities in this temperature range. Currently, researchers are focused on enhancing the mechanical properties of TiAl alloys by combining composition optimization, microstructure control, and thermomechanical processing [17]. Clemens et al. developed alloys in the composition range Ti-(42–45)Al-(2–7)- Nb-(1–10)(Mn, Cr, V, Mo), called beta-gamma TiAl alloys [18]. Due to the superior thermoplastic formability, β-γ TiAl alloys have become a hot research direction for deformed TiAl alloys [19]. Many researchers have studied the forging of β-γ TiAl alloys and have obtained relatively excellent properties [20,21,22,23]. β-γ TiAl alloys are distinguished by a fine and homogeneous microstructure. Moreover, the β-phase with the A2 structure can be introduced into the high-temperature microstructure of the alloy by adding β-phase stabilizing elements, such as Cr, V, Mn, Nb, Mo, and W [24]. During thermomechanical deformation, the β-phase can provide a greater number of slip systems, considerably enhancing the thermoplastic formability of TiAl alloys [25]. As a new generation of deformed TiAl alloy, three-phase TiAl alloy has become an important choice for the deformed TiAl alloy components. Based on β-γ TiAl alloy, three-phase TiAl alloy reduces the Al content while increasing the content of β-phase stabilizing elements, which considerably improves the high-temperature β-phase content and exhibits better thermal deformation ability. At room temperature, the primary stable phases of the three-phase TiAl alloy are the α2 phase, γ phase, and B2 phase [26,27].
The novel three-phase TiAl alloy differs greatly from the typical TiAl alloy in both high-temperature and room-temperature microstructure. The grain size, phase morphology and deformation features can significantly influence the mechanical properties. However, there are few studies concerning the deformation behavior, microstructure, and mechanical properties of the three-phase TiAl alloy. Therefore, the research in this paper is concentrated on the near-isothermal forging of Ti-40Al-6V-1Cr-0.3Ni alloy without canning, to investigate the plastic deformation behavior and microstructure evolution during the near-isothermal forging process, providing theoretical guidance and technical support for the thermoplastic forming and engineering applications of TiAl alloys.

2. Materials and Methods

Alloys of nominal composition of Ti-40Al-6V-1Cr-0.3Ni (at.%) were studied in this paper. The parent materials used in this study contained high purity titanium sponge (Ti: 99.9 wt.%), high purity aluminum (Al: 99.99 wt.%), V-Al intermediate alloy (V: 53.88 wt.%), high purity Cr (Cr: 99.9 wt.%), and high purity Ni powder (Ni: 99.9 wt.%). The raw materials were blended and then melted in an induction skull melting furnace (ISM) under an Ar atmosphere (pressure of 50 KPa). Adequate Ar pressure was used to avoid possible metal oxidation during the melting process. In order to ensure the sufficient uniformity of composition and microstructure, thermal insulation and electromagnetic stirring was conducted for 300 s in the melt conditions. The melt was poured into a 500 °C pre-heated metal mold forming a cylindrical ingot with size of Φ 100 × 120 mm, as shown in Figure 1a. The standard of ISM conforms to GB5959.3-2020. Measurement components were imaged by scanning electron microscopy (SEM) equipped with energy dispersive spectrometry (EDS). The measurement results are shown in Table 1.The ingot was initially heated to 1200 °C and held for 30 min in a ZY-LS-1600 high-temperature vertical furnace. The heated ingot was immediately transferred to the hydraulic press for near-isothermal forging with the press ram heated to 1000 °C. The forging was done in two steps, with 50% reduction in each step and 75% total reduction. The firstly forged disk was held in the furnace at 1200 °C for 10 min to ensure the final forging temperature. The finally forged disk was air-cooled to room temperature, and the disk can be observed without obvious cracks on the surface, as shown in Figure 1b. The forging operation follows GB/T 38964-2020.
Figure 1. Macroscopic view of cast ingot and near-isothermal forging disk and location of test specimens for forging disk: (a) Cast ingot; (b) Near-isothermal forging disk, (c) location of test specimens for forging disk.
Table 1. EDS detection of experimental materials (at.%).
Scanning electron microscope (FESEM, JSM-7900F) and electron backscattered diffraction (Model: QUANTA650FEG) were used to analyze the microstructure of as-cast and as-forged alloys. Microstructure observation specimens were polished using metallographic sandpaper, followed by electrolytic polishing. The electro-polishing was implemented at 30 V and −25 °C, and the electrolyte was a solution of 6% perchloric acid + 34% butanol + 60% methanol.
The Instron-5569 electronic universal material testing machine was used to test the tensile properties of TiAl alloy at room and high temperatures (700 °C, 800 °C, 900 °C). The tensile specimen size was mentioned in the previous study [28], and the tensile rate was 5.0 × 10−4 s−1. At least three tests were performed on each condition and average values were reported. The Vickers hardness test was performed on the HVT-1000 tester, and the samples were ground with SiC sandpaper and following with the electrolytic polishing treatment. The indenter was a quadratic cone diamond, and the test was performed for 10 s at a weight of 500 N. Each position was tested three times with the average value taken. The Nano Indenter G200 was used to test the nanohardness of various phases using a 5 μm triangular indenter. The TiAl alloy specimens were finely ground and electrolytically polished. Each phase was measured 5 times, with the average value taken. Room-temperature tensile and high-temperature tensile specimens and their determination standards conform to GB/T 228-2002 and GB/T 4338-1995, respectively.

3. Results and Discussion

3.1. As-Cast Microstructure

The microstructure of the as-cast three-phase TiAl alloy is illustrated in Figure 2a. The white B2 phase and the black γ phase can be observed with a net basket-like ordered arrangement, and the gray lamellar microstructure distributes between them. In contrast to the typical γ-TiAl alloy, the lamellar colonies of this alloy exhibit a large aspect ratio and an average size of approximately 60 μm, which is consistent with the characteristics of the β-path solidification microstructure. This is mainly due to the β → α transition follows the Burgers orientation relationship and the generated α phase generally grows in a slatted pattern, resulting in the subsequent α2/γ lamellae retaining this morphology [29]. The fraction of the B2 phase is detected as 18.2% by using the IPP image processing software, roughly twice that of the common β-TiAl alloy. This is mostly owing to the comparatively high content of V and Cr addition, with higher β phase stabilization capability than Nb and Mo elements.
Figure 2. Microstructure of the as-cast and microstructure of forged ingot at different positions along the radius: (a) as-cast; (b) core; (c) 1/4r; (d) 1/2r; (e) 3/4r; (f) edge.

3.2. Forging Microstructure

As shown in Figure 1b, the microstructure homogeneity of the forged material is studied by taking five locations along the radius direction in the middle thickness, as there can be certain differences in the force and temperature at different locations of the ingot during forging. The SEM observations of the Ti-40Al-6V-1Cr-0.3Ni alloy forging disk at various locations are shown in Figure 2b–f. The as-forged microstructure is primarily composed of lamellar (α2/γ) (gray contrast), equiaxed γ phase (black contrast), and B2 phase (bright gray contrast). The comparison demonstrates that the histomorphology of the forging disk differs at various locations. Figure 2b shows the microstructure at the center of the forging disk. The microstructure is homogeneous and fine. The average size of the lamellar colonies is approximately 25 μm, and the average size of the γ phase grains is about 10 μm, significantly smaller than that of the as-cast alloy.
Figure 2c shows the microstructure at 1/4r. In addition to the presence of dynamically recrystallized grains identical to those at the core, there are also some larger residual lamellar colonies, indicating that dynamic recrystallization (DRX) occurs to a lesser extent at 1/4r than at the core. From Figure 2b–f, it is apparent that the microstructure morphology of the forged disk is relatively similar from the edge to the center position and that all positions contain residual lamellae. The distinction is that from the center to the edge, the lamellar colonies gradually change from independent to continuous distribution, and the microstructure morphology at the edge position is similar to as-cast microstructure, which intuitively reflects the inhomogeneity of the forged microstructure. Koeppe et al. [30] demonstrated that the microstructural homogeneity of the TiAl alloy disk is sensitive to plastic flow and temperature during hot forging, with the greatest degree of deformation occurring in the middle of the disk while the edge and contact areas between the disk and the anvil are typically “hard deformation” areas. Therefore, the large deformation area refers to the area where the grain deformation is most intense during the forging process, i.e., the central area of the forging disk. Moreover, the thermal deformation of TiAl alloy is a typical thermally activated process in which heat loss and transfer cannot be avoided. Therefore, large deformation and high temperature result in abundant DRX and microstructure refinement in the center region.

3.3. Microstructure Characterization of Large Deformation Area

Figure 3 shows the grain boundary angle statistics and recrystallization diagrams at different locations of the forged Ti-40Al-6V-1Cr-0.3Ni alloy. Figure 3a–c depicts the high and low angle grain boundaries of the forged microstructure, where the sub-grain boundaries (2°–5°) are shown in green, representing dislocations in the deformed microstructure; the low-angle grain boundaries (5°–15°) are depicted in blue, resulting from the sub-structural, sub-crystalline transformation of the deformation process; and the high-angle grain boundaries (15°–90°) are described in purple, where the dynamic recovery and dynamic recrystallization occur. The high- and low-angle grain boundaries at different positions are counted in Table 2, and the microstructure at edge is detected as 62.60% high-angle grain boundaries; while the high-angle grain boundaries at center can reach 80.66% due to the larger degree of deformation, which can be attributed to adequate dynamic recrystallization. High-angle grain boundaries characterize the distribution around fine dynamic recrystallization grains. The majority of these fine recrystallization grains are γ-phase grains, which have low stacking fault energy. Moreover, adding a large quantity of V and Cr elements to TiAl alloy will further reduce the stacking fault energy of γ-TiAl [31]. Consequently, dynamic recrystallization of the γ phase occurs readily during hot forging. Due to the dynamic recovery of the α2 phase, lamellar colonies also contain high-angle grain boundaries. Because of the higher stacking fault energy of the α2 phase than the γ and β phases, dynamic recrystallization of the α2 phase is more difficult, and dynamic recovery is the primary softening process for the α2 phase [32]. Low-angle grain boundaries exist primarily in the relatively large size of the γ phase. With the subsequent plastic deformation, some recrystallized grains will continue to deform and generate low angle grain boundaries.
Figure 3. Grain boundary map and recrystallized map of Ti-40Al-6V-1Cr-0.3Ni alloy: (a) grain boundary of edge; (b) grain boundary of 1/2r; (c) grain boundary of core; (d) recrystallized of edge; (e) recrystallized of 1/2r; (f) recrystallized of core.
Table 2. Statistical results of grain boundary angle at different positions of the forged TiAl disk.
Figure 3d–f shows the statistical results of the recrystallization ratio at different positions. The recrystallization ratio of the alloy increases progressively from the edge to the center of the forged disk, reaching 74.99% in the core. This result correlates to the maximum number of high-angle grain boundaries in the center, indicating the efficient dynamic recrystallization induced from sufficient deformation at the center and less temperature loss compared with the edge position.
Figure 4 shows the phase analysis of the forged Ti-40Al-6V-1Cr-0.3Ni alloy, as well as the quantification results for each phase at various points after forging. Although the degree of recrystallization and dynamic recovery varies at different positions, this is primarily reflected in the inconsistency of grain size and lamellae size in the final formed microstructure, and the proportion of each phase at different positions does not vary significantly. The lowest proportion of the α2 phase is between 12.2% and 13.1%, the ratio of the B2 phase is between 25.5% and 28.6, and the highest proportion of the γ phase is between 58.3% and 62.3%. The reason for this phase proportion distribution can be mainly attributed to the occurrence of phase decomposition of α2/γ and phase transformation of the β phase [33], i.e., α → β + γ and β → γ, which produces fine equiaxed γ grains. Additionally, some equiaxed γ grains result from the break and recrystallization of coarse γ plates, causing fine γ recrystallization zones to occur at and near the boundary of the lamellar colony. The reduced β phase content at the center is also connected to the transformation of the β phase to the α phase throughout the cooling process [34]. Due to the high V and Cr addition in the present study, the β phase at high temperature is considerably increased, which improves the deformation capability during hot forging [35].
Figure 4. Phase map of Ti-40Al-6V-1Cr-0.3Ni alloy: (a) edge; (b) 1/2r; (c) core.
During the forging process of the Ti-40Al-6V-1Cr-0.3Ni alloy, the degree of deformation varies for different positions, as do the degrees of grain deformation, recovery, and recrystallization. It is also necessary to investigate the possible orientation relationship between various phases, which in turn exposes the recrystallization and coordinate deformation between different phases. Therefore, the interfaces between the γ and α phase, the γ and B2 phase, and the γ and γ phase with specific orientation relationships are calibrated separately, and the results are shown in Figure 5, with large variability of phase interfaces in different regions.
Figure 5. Diagrams of the orientation relations between the α2, γ and B2 phases of the Ti-40Al-6V-1Cr-0.3Ni alloy: (a) edge; (b) 1/2r; (c) core.
According to the above analysis, the degree of deformation and recrystallization in the edge region is relatively lower. Substructured is the product of grain deformation followed by recovery. According to Figure 3d, 65.25% of the substructured grains are in the edge region, which indicates that the grains suffer a degree of deformation and recovery but maintain a relatively strict orientation relationship between different phases [36]. The γ phase and α2 phase are in the Blackburn orientation relationship (OR), i.e., {111}γ//(0001) α2, [1–10>γ//<11–20>α2, and the OR exists mainly in larger residual lamellar colonies and less in the equiaxed grain region, which is related to the lower volume fraction of the α2 phase in the equiaxed grain region. At the edge region, the interface between the γ and B2 phase is generally dark green, and there is a strict K-S OR, i.e., {111}γ//(1–10)B2, [1–10>γ//<111>B2. The γ phase twin boundary is mainly present in the residual lamellar region. The degree of deformation and recrystallization increases dramatically from the edge to the center of the forging disk, and the phase interface demonstrates an increasing trend, while the length of the individual phase interface is observed to be decreased because of the refined grain. In the fine lamellar colonies of Figure 5b,c, the α2 and γ phases are still in strict Blackburn OR, while the γ and B2 phases deviate from the K-S dislocation to some extent, which is shown as a light green color.
After forging, the α2, γ and B2 phases of the Ti-40Al-6V-1Cr-0.3Ni alloy are recrystallized to a certain extent. The grain is refined, and the density of the phase interface is increased obviously in the equiaxed grain area, as shown in Figure 5. During dynamic recrystallization, the three phases still maintain a relatively strict orientation relationship with low interfacial energy, especially in the core region. There is essentially an orientation relationship between the fine recrystallized grains, and the lattice distortion energy and interfacial energy of the alloy are in a low state.
As known, more fine lamellar colonies can be observed at the center and 1/2r of the forged disk. According to the solidification characteristics of the β-γ TiAl alloy, the decomposition reaction α → (α + γ) occurs in the (α + γ) two-phase region, forming the special lamellar colony. As the temperature decreases, the α phase of the A3 structure undergoes an ordered phase transition to form the α2 phase of the D019 structure. The α2 phase retains the orientation of the parent α phase, i.e., in a single (α2 + γ) lamellar colony, the orientation of all α2 phases is the same. Therefore, the orientation change of the α2 phase can directly reflect the change of the lamellar colonies during the forging process. Figure 6 shows the Euler calibration of the α2 phase in the 1/2r and central areas. It can be seen that the α2 phases inside numerous fine lamellae colonies have the same orientation, as shown by the same color in the Euler diagram. This fully demonstrates that the fine lamellae in Figure 4 are residual lamellar colonies of the as-cast microstructure. Meanwhile, the α2 phase inside the residual lamellar colony in Figure 6b exhibits significantly interrupted and coarsened characteristics. Combined with the phase boundary characteristics in Figure 5c, it indicates that under forging-induced severe plastic deformation, the alloy undergoes significant dynamic recrystallization and relatively gentle α2 → γ phase transformation inside the lamellar colony, i.e., coarsening and discontinuity of the lamellae.
Figure 6. Euler diagram of the α2 phase of the Ti-40Al-6V-1Cr-0.3Ni alloy: (a) 1/2r; (b) core.
Figure 7 depicts the grain orientation spread (GOS) of the forged microstructure at different locations. The GOS value represents the distribution of the orientation difference angle between a single pixel within a grain and the average orientation of the grain. The GOS graphic accurately shows the orientation difference within each grain. Higher GOS values indicate a greater dislocation density and lattice distortion, also known as deformed grains in the microstructure. Lower GOS values suggest fewer dislocations and lattice distortions within the grain. The degree of lattice distortion after near-isothermal forging deformation can be determined by different colors in the GOS diagram. The area of the blue in the GOS plot at the edge is the lowest, while the area of the blue in the GOS plot at the center is the largest, indicating the smallest lattice distortion at the center position. According to the previous analysis, the degree of recrystallization of the material at the center is highest, and recrystallization is reported to reduce lattice distortion. Therefore, Figure 6 can laterally reflect the more remarkable deformation ability of the material closer to the center. The bent red region is predominantly the B2 phase with a higher degree of dislocation density and lattice distortion, which is generated by the stress concentration remission resulted from the elongation of the β phase during forging deformation [37]. Jiang et al. [38] presented a similar conclusion, where the high-temperature β phase could coordinate plastic deformation of different phases and alleviate stress concentration at grain boundaries, contributing to the excellent thermal-mechanical ability.
Figure 7. Grain orientation spread maps of the Ti-40Al-6V-1Cr-0.3Ni alloy: (a) edge; (b) 1/2r; (c) core; (d) GOS value at edge; (e) GOS value at 1/2r; (f) GOS value at core.
The above analysis indicates that the high-temperature softening of the TiAl alloy during the isothermal forging process is dominated by β-phase-coordinated deformation, lamellar structure transformation, decomposition and dynamic recrystallization of the γ phase. The final microstructure is a mixture of residual α2/γ lamellae, equiaxed B2 and γ phases.

3.4. Micro and Nano-Hardness Analysis

The deformation of multiphase materials at room temperature is influenced by several factors, including grain boundary, adjacent grain orientation, and the internal dislocation slip ability of the grains. The γ and α2 phases of the three-phase TiAl alloy are the first to undergo dislocation slip when subjected to stress. Due to the difficulty of dislocation activation in the B2 phase, dislocation pile-up occurs at the phase interface when dislocations move to the B2 phase, causing stress concentration [39], which cause a drop in the tensile properties [40]. This is the reason that the B2 phase reduces the room-temperature plasticity of the TiAl alloy [41]. Different regions of the forging disk will have different degrees of phase distribution, affecting the hardness of microstructures. Nanohardness measures the hardness of each phase, while microhardness measures the hardness of different microstructures. The correlation between the two experiments makes the experimental results more credible. Figure 8a shows the nanohardness of the lamellar(α2/γ), B2, and γ phases at various stages after forging process. The results show that the nanohardness of the (α2/γ) lamellar, B2 and γ phases are 4.75 GPa, 5.19 GPa and 3.83 GPa, respectively.
Figure 8. Hardness statistics of the forged Ti-40Al-6V-1Cr-0.3Ni alloy: (a) nano-hardness of various constituent phases; (b) microhardness.
In order to further analyze the mechanical property performance of the novel three-phase TiAl alloy, the microhardness at different locations of the forging disk was investigated to study the influence of microstructure variations on its hardness, and the findings are presented in Figure 8b. The hardness increases from the core area to the edge of the forging disk. The value of the edge area reaches 385.8 Hv, which is approximately 8% greater than that of the core. This suggests that the variances in the microstructure for different deformation areas cause slight changes in the mechanical characteristics. This is mostly because of the higher hardness of the α2 and B2 phases as shown in Figure 8a. The proportion of the α2 and B2 phases increases from the core to edge area, and the hardness rises considerably.

3.5. Room-Temperature and High-Temperature Tensile Property

Figure 9 shows the tensile properties of the Ti-40Al-6V-1Cr-0.3Ni alloy in both cast and forged states at room and high temperatures. Figure 9a illustrates the room-temperature tensile properties of the cast and forged alloy. The room-temperature tensile properties of the cast three-phase TiAl alloy are poor, with a yield strength only reaching 230 MPa, tensile strength reaching 360 MPa, and elongation reaching 0.35%. After the near-isothermal forging process, the room-temperature tensile characteristics are greatly enhanced, with a yield strength of 550 MPa, tensile strength of 800 MPa, and elongation of 1.2%.
Figure 9. Room- and high-temperature tensile properties and tensile samples of the β-TiAl alloy: (a) room-temperature tensile properties of the cast and forged alloys; (b) high-temperature tensile properties of the forged alloys; (c) initial sample; (d) 700 °C; (e) 800 °C; (f) 900 °C.
Figure 9b shows the high-temperature tensile properties of the forged alloy at 700 °C, 800 °C, and 900 °C, respectively. As shown in the diagram, the yield strength decreases with increasing test temperature, while the fracture elongation increases. At 700 °C, the tensile strength is tested as 670.95 MPa and the elongation is 68.55%. Compared to the properties at room temperature, the strength decreases, and the elongation increases significantly. This can be mainly ascribed that dislocations and twins can be activated easily at a certain high temperature, contributing to the enhancement of high-temperature deformation capacity [42]. When the temperature rises to 800 °C and 900 °C, the tensile strength decreases significantly while the plasticity increases further. At 800 °C, the tensile strength reaches 333.99 MPa and the elongation is 84.85%. At 900 °C, the tensile strength is 186.64 MPa and the elongation increases to 143.73%. Considering that TiAl alloy is a typically brittle material, elongation that exceeds 100% can be determined as the superplastic state [23]. As a result, at 900 °C, the forged alloy is considered to attain a superplastic deformation ability. In addition, the slope of the tensile curve shows that the modulus of elasticity of the specimen after high-temperature stretching is lower than that of room-temperature stretching. At room temperature, the elastic modulus of the forged alloy is calculated as 162 GPa, while with the increased test temperature, the elastic modulus decreases gradually. When testing at 900 °C, the elastic modulus decreases to 110 GPa, about 32% lower than that of room temperature. According to the research of J Hünecke [43], the elastic modulus was reported to decrease with the increase of tensile temperature, similar to the present study. This phenomenon can be mainly attributed to the interatomic spacing increasing as the temperature increases.
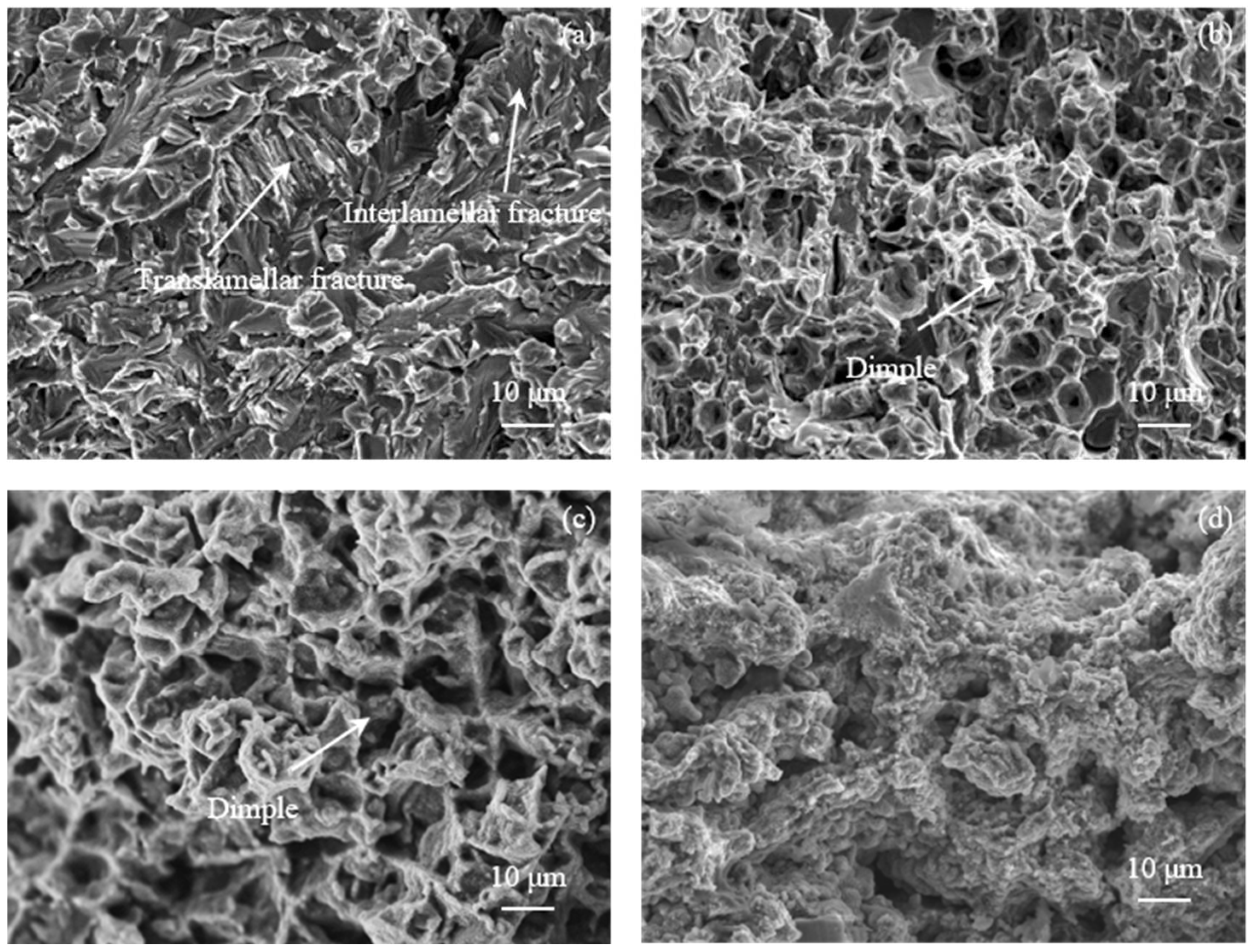
Figure 10 shows the room-temperature and high-temperature tensile fracturing and morphology of the forged Ti-40Al-6V-1Cr-0.3Ni alloy. According to Figure 10a, the tensile fracture at room temperature consists primarily of translamellar, interlamellar, and transgranular fracture features, which represent the typical brittle fracture. Due to the tiny size of the lamellae and the dominance of γ grains, translamellar fracture and interlamellar fracture occupy only a minor fraction of the overall fracture area. Figure 10b–d shows the fracture morphology after high-temperature tensile deformation. The fracture morphology underwent considerable modification, resulting in the appearance of dimples of various sizes. Figure 10b depicts the fracture morphology after testing at 700 °C, which shows a small but dense number of dimples at the fracture surface. A large number of dimples with large size and depth are discovered (Figure 10c), which are typical plastic fracture characteristics, implying significant plastic deformation before fracture at 800 °C. After testing at 900 °C, significant oxidation happens in the fracture, and an oxidation layer covered with a massive number of dense dimples occurs, demonstrating a certain superplasticity deformation.
Figure 10. Room- and high-temperature tensile fracture surface of the forged TiAl Alloy: (a) room temperature; (b) 700 °C; (c) 800 °C; (d) 900 °C.

3.6. Analysis of the High-Strength Plasticity Mechanism of the Three-Phase TiAl Alloy

Numerous studies have demonstrated that the tensile strength of TiAl alloys follows the Hall-Petch relationship with grain size and lamellar spacing. The tensile strength increases with the decreasing of grain size and lamellar spacing. This is mainly because when the fine microstructure is subjected to an external force, the strain may be transfer throughout a greater number of grains, resulting in a lower stress concentration. Moreover, the finer the grain, the larger the total area of grain boundaries, and the more significant the hindrance effect of grain boundaries on dislocation slip, thus increasing the resistance to dislocation slip near the grain boundaries. Therefore, dislocations are more difficult to slip cross grain boundaries, and pile at grain boundaries, ultimately increasing the strength of the alloy. According to the previous section, the forged microstructure is more uniform and refined at the center area, with γ grain and α2/γ lamellar colony sizes of 10 μm and 25 μm, respectively. The size of lamellar colony is much smaller than that of the as-cast alloy (60 μm). The fine microstructure can effectively improve the tensile strength of the alloy as shown in Figure 9.
It is also noted that the forged alloys in this paper exhibit good room-temperature and high-temperature elongation. Some researchers currently believe that the plasticity of a TiAl alloy depends primarily on the homogeneity of the alloy microstructure and chemical composition [28] rather than the grain size. While most studies have shown that the plasticity of polycrystalline alloys is inversely correlated with the grain size [44]. On the one hand, grain refinement can reduce the slip zone, shorten the duration of dislocation movement and accumulation at the slip plane, reduce strain concentration at the slip plane intersection and grain boundaries, and limit the crack nucleation. On the other hand, the coordination of plastic deformation is better for fine grain material, and the greater dislocation density also makes it easier for more slip systems to activate. As a result, grain size substantially influences the plasticity of a TiAl alloy.
In addition, according to the above section the proportional distribution of the α2, B2 and γ phases in the center area are 12.2%, 25.5% and 62.3%, respectively. For the Ti-43Al-2Cr-2Mn-0.2Y alloy studied by Cui [20], the volume fractions of the α2, B2 and γ phases at the center of the forging disk were 3.8%, 4.6% and 91.7%, corresponding to hardnesses of 5.8 GPa and 4.6 GPa for the B2 and γ phases, respectively. The measured room-temperature tensile strength and elongation were 657 MPa and 0.86%, respectively. For Ti-43Al-4Nb-2Mo-0.5B alloy studied by Niu [21], the volume fractions of the α2, B2 and γ phases were 2.1%, 11.7% and 86.1%, corresponding to hardnesses of 8.5 GPa and 5.3 GPa for the B2 and γ phases, respectively. The measured room-temperature tensile strength and elongation were 900 MPa and 0.4%, respectively. This suggests that the B2 phase containing Nb and Mo is harder than the B2 phase containing Cr and Mn. In this paper, the plasticity of the novel three-phase TiAl alloy is better than that of Ti-43Al-2Cr-2Mn-0.2Y and Ti-43Al-4Nb-2Mo-0.5B alloys. It is noteworthy that the nanohardness of the B2 and γ phases for the present study is lower than that of Ti-43Al-2Cr-2Mn-0.2Y and Ti-43Al-4Nb-2Mo-0.5B alloys. Furthermore, the hardness difference between the B2 and γ phases is 1.36 GPa, similar to the Ti-43Al-2Cr-2Mn-0.2Y alloy, while much lower than that of Ti-43Al-4Nb-2Mo-0.5B alloy (3.2 GPa). Small hardness differences promote the coordinated deformation between the B2 and γ phases. Meanwhile, the addition of Cr can improve the thermal stability and electron density at the grain boundaries of TiAl, which will positively influence the room-temperature ductility [45].
As a result, for the forged Ti-40Al-6V-1Cr-0.3Ni alloy, the fine microstructure with more B2 phase and less γ phase, as well as a lower hardness difference between the B2 and γ phases, are the primary reasons for its high strength and plasticity.
More in-depth studies on the high-temperature deformation mechanism of the three-phase TiAl alloy are still needed, which will be investigated in the future work of the authors.

4. Conclusions

The deformation behavior, microstructure, and mechanical properties of a novel three-phase Ti-40Al-6V-1Cr-0.3Ni (at%) alloy after near-isothermal forging were studied, and the following conclusions were reached:
(1)
The high-temperature softening of the Ti-40Al-6V-1Cr-0.3Ni alloy during near-isothermal forging is dominated by coordinated deformation of the β phase, decomposition of lamellar structure, and dynamic recrystallization of the γ phase. The final microstructure is a mixture of residual α2/γ lamellae, equiaxed B2 and γ phases. The as-forged microstructure is fine and consistent, and the grain size at the center of the forging disk is about 10 μm.
(2)
Each phase of the novel three-phase TiAl alloy exhibits low nanohardness and the hardness for α2/γ lamellae, equiaxed B2 and γ phases are 4.75 GPa, 5.19 GPa, and 3.83 GPa, respectively. The soft B2 and γ phases, and the lower hardness difference between the B2 and γ phases contribute to the coordinated plastic deformation.
(3)
The forged Ti-40Al-6V-1Cr-0.3Ni alloy exhibits outstanding tensile properties, with a strength of 800 MPa, an elongation of 1.2%, and an elastic modulus of 162 GPa at room temperature. At high temperatures, the elastic modulus decreases, the elongation increases dramatically, and the deformed alloy achieves superplasticity at 900 °C. The favorable tensile property at room and high temperatures can be attributed to the fine microstructure, soft phase and better coordinated deformation between different phases.

Author Contributions

Conceptualization, X.Z.; methodology, Y.J. and J.H.; validation, J.W., H.N. and H.Y.; investigation, Z.D. and Z.Z.; data curation, Y.J.; writing—original draft preparation, J.W., S.C. and H.Y.; writing—review and editing, J.W. and J.H.; supervision, X.Z. All authors have read and agreed to the published version of the manuscript.

Funding

This research was funded by the National Natural Science Foundation of China (51904205, 51901151), Natural Science Foundation of He’nan Province, China (Grant No. 22230042025). Natural Science Foundation of Anhui Provincial Education Department, China. (Grant No. KJ2021A1041), Central Government Guides the Special Fund Projects of Local Scientific and Technological Development (YDZJSX2021A020, YDZX20191400002149).

Data Availability Statement

Not applicable.

Acknowledgments

The authors gratefully acknowledge the financial support from the funding.

Conflicts of Interest

The authors declare no conflict of interest.

References

  1. Wang, L.; Shen, C.; Zhang, Y.; Li, F.; Huang, Y.; Ding, Y.; Xin, J.; Zhou, W.; Hua, X. Effect of Al content on the microstructure and mechanical properties of γ-TiAl alloy fabricated by twin-wire plasma arc additive manufacturing system. Mater. Sci. Eng. A 2021, 826, 142008. [Google Scholar] [CrossRef]
  2. Bewlay, B.P.; Nag, S.; Suzuki, A.; Weimer, M.J. TiAl alloys in commercial aircraft engines. Mater. High Temp. 2016, 33, 549. [Google Scholar] [CrossRef]
  3. Shuai, L.; Liu, Z.Y.; Xia, Y.Q.; Wang, X.X.; He, P.; Jiu, Y.T.; Jia, L.H.; Long, W.M. Vacuum brazing TiAl intermetallics to GH3030 alloy with a multi-component Ti-based filler metal. J. Manuf. Process. 2021, 70, 484–493. [Google Scholar]
  4. Clemens, H.; Mayer, S. Intermetallic titanium aluminides in aerospace applications—processing, microstructure and properties. Mater. High Temp. 2016, 33, 560. [Google Scholar] [CrossRef]
  5. Tan, Y.; Chen, R.; Fang, H.; Liu, Y.; Cui, H.; Su, Y.; Guo, J.; Fu, H. Enhanced strength and ductility in Ti46Al4Nb1Mo alloys via boron addition. J. Mater. Sci. Technol. 2022, 102, 16–23. [Google Scholar] [CrossRef]
  6. Jia, Y.; Liu, Z.D.; Li, S.; Yao, H.M.; Ren, Z.K.; Wang, T.; Han, J.C.; Xiao, S.L.; Chen, Y.L. Effect of cooling rate on solidification microstructure and mechanical properties of TiB2-containing TiAl alloy. Trans. Nonferrous Met. Soc. China 2021, 31, 391–403. [Google Scholar] [CrossRef]
  7. Liu, X.; Song, L.; Stark, A.; Lorenz, U.; He, Z.; Lin, J.P.; Pyczak, F.; Zhang, T. Deformation and phase transformation behaviors of a high Nb-containing TiAl alloy compressed at intermediate temperatures. J. Mater. Sci. Technol. 2022, 102, 89–96. [Google Scholar] [CrossRef]
  8. Prokoshkin, S.; Brailovski, V.; Inaekyan, K.; Korotitskiy, A.; Kreitcberg, A. Thermo mechanical Treatment of TiNi Intermetallic−based Shape Memory Alloys. Mater. Sci. Found. 2015, 81–82, 260. [Google Scholar] [CrossRef]
  9. Clemens, H.; Glatz, W.; Eberhardt, N.; Martinz, H.P.; Knabl, W. Processing, Properties and Applications of Gamma Titanium Aluminide Sheet and Foil Materials. MRS Online Proc. Libr. 1996, 460, 29–43. [Google Scholar] [CrossRef]
  10. Das, G.; Kestler, H.; Clemens, H.; Bartolotta, P.A. Sheet gamma TiAl: Status and opportunities. JOM 2004, 56, 42–45. [Google Scholar] [CrossRef]
  11. Zhu, K.; Qu, S.; Feng, A.; Sun, J.; Shen, J. Microstructural Evolution and Refinement Mechanism of a Beta–Gamma TiAl-Based Alloy during Multidirectional Isothermal Forging. Materials 2019, 12, 2496. [Google Scholar] [CrossRef] [PubMed]
  12. Liu, C.T.; Wright, J.L.; Deevi, S.C. Microstructures and properties of a hot-extruded TiAl containing no Cr. Mater. Sci. Eng. A 2002, 329, 416–423. [Google Scholar] [CrossRef]
  13. Wei, S.; Fei, Y.; Kong, F.; Wang, X.; Chen, Y. Interface characteristics of Ti6Al4V-TiAl metal-intermetallic laminate (MIL) composites prepared by a novel hot-pack rolling. Mater. Charact. 2018, 144, 173–181. [Google Scholar]
  14. Wang, Q.B.; Zhang, S.Z.; Zhang, C.J.; Song, Z.W.; Zhu, D.D.; Dong, D.; Zhang, S.L. Effect of hot rolling temperature on microstructure evolution, deformation texture and nanoindentation properties of an intermetallic Ti-43Al-9V-0.2Y alloy. Intermetallics 2020, 117, 106677. [Google Scholar] [CrossRef]
  15. Shi, C.; Zhang, K.; Lu, Z.; Xiao, H. Microstructure evolution and mechanical properties of Ti46.5Al2Cr1.8Nb-(W, B) alloys fabricated by spark plasma sintering and pulse current assisted isothermal forging. Mater. Sci. Eng. A 2019, 747, 98–110. [Google Scholar] [CrossRef]
  16. Su, Y.; Kong, F.; Chen, Y.; Gao, N.; Zhang, D. Microstructure and mechanical properties of large size Ti-43Al-9V-0.2Y alloy pancake produced by pack-forging. Intermetallics 2013, 34, 29–34. [Google Scholar] [CrossRef]
  17. Liu, G.H.; Li, T.R.; Wang, X.Q.; Guo, R.Q.; Misra, R.D.K.; Wang, Z.D.; Wang, G.D. Effect of alloying additions on work hardening, dynamic recrystallization, and mechanical properties of Ti-44Al-5Nb-1Mo alloys during direct hot-pack rolling. Mater. Sci. Eng. A 2020, 773, 138838.1–138838.10. [Google Scholar] [CrossRef]
  18. Wu, Y.; Hu, R.; Yang, J.; Xue, X. Phase Transformation and Fine Fully Lamellar (FFL) Structure Formation in a High Nb-Containing Beta-Gamma TiAl Alloy. Adv. Eng. Mater. 2019, 21, 1900244. [Google Scholar] [CrossRef]
  19. Xiang, L.; Tang, B.; Xue, X.; Kou, H.; Li, j. Microstructural characteristics and dynamic recrystallization behavior of β-γ TiAl based alloy during high temperature deformation. Intermetallics 2018, 97, 52–57. [Google Scholar] [CrossRef]
  20. Ning, C.; Kong, F.; Wang, X.; Chen, Y.; Zhou, H. Microstructural evolution, hot workability, and mechanical properties of Ti–43Al–2Cr–2Mn–0.2Y alloy. Mater. Des. 2016, 89, 1020–1027. [Google Scholar]
  21. Niu, H.Z.; Chen, Y.Y.; Xiao, S.L.; Xu, L.J. Microstructure evolution and mechanical properties of a novel beta γ-TiAl alloy. Intermetallics 2012, 31, 225–231. [Google Scholar] [CrossRef]
  22. Zhao, E.T.; Niu, H.Z.; Zhang, S.Z.; Feng, L.; Yang, S.Y. Microstructural control and mechanical properties of a β-solidified γ-TiAl alloy Ti-46Al-2Nb-1.5V-1Mo-Y. Mater. Sci. Eng. A 2017, 701, 1–6. [Google Scholar] [CrossRef]
  23. Gao, S.; Xu, X.; Shen, Z.; Ye, T.; Xu, S.; Lin, J. Microstructure and properties of forged plasma arc melted pilot ingot of Ti–45Al–8.5Nb–(W, B, Y) alloy. Mater. Sci. Eng. A 2016, 677, 89–96. [Google Scholar]
  24. Kim, J.S.; Lee, Y.H.; Kim, Y.W.; Lee, C.S. High Temperature Deformation Behavior of Beta-Gamma TiAl Alloy. Mater. Sci. Forum 2007, 539–543, 1531–1536. [Google Scholar] [CrossRef]
  25. Chen, Y.; Niu, H.; Kong, F.; Xiao, S. Microstructure and fracture toughness of a β phase containing TiAl alloy. Intermetallics 2011, 19, 1405–1410. [Google Scholar] [CrossRef]
  26. Liu, H.; Li, Z.; Gao, F.; Wang, Q. Dislocation structures of B2 phase in Ti-42Al-6V-1Cr alloy deformed at room temperature and 800 °C. J. Alloy. Compd. 2019, 785, 131–135. [Google Scholar] [CrossRef]
  27. Liu, H.; Rong, R.; Gao, F.; Liu, Y.; Li, Z.; Wang, Q. Hot Deformation Mechanisms of an As-Extruded TiAl Alloy with Large Amount of Remnant Lamellae. J. Mater. Eng. Perform. 2017, 26, 3151–3159. [Google Scholar] [CrossRef]
  28. Han, J.; Xiao, S.; Tian, J.; Chen, Y.; Xu, L.; Wang, X.; Jia, Y.; Rahoma, H.K.S.; Du, Z.; Cao, S. Microstructure characterization, mechanical properties and toughening mechanism of TiB2-containing conventional cast TiAl-based alloy. Mater. Sci. Eng. A 2015, 645, 8–19. [Google Scholar] [CrossRef]
  29. Kartavykh, A.V.; Asnis, E.A.; Piskun, N.V.; Statkevich, I.I.; Gorshenkov, M.V.; Korotitskiy, A.V. A promising microstructure/deformability adjustment of beta-stabilized gamma-TiAl intermetallics. Mater. Lett. 2016, 162, 180–184. [Google Scholar] [CrossRef]
  30. Koeppe, C.; Bartels, A.; Seeger, J.; Mecking, H. General aspects of the thermomechanical treatment of two-phase intermetallic TiAl compounds. Metall. Trans. A 1993, 24, 1795–1806. [Google Scholar] [CrossRef]
  31. Huang, S.C.; Hall, E.L. The effects of Cr additions to binary TiAl-base alloys. Metall. Trans. A 1991, 22, 2619–2627. [Google Scholar] [CrossRef]
  32. Xu, R.R.; Li, H.; Li, M.Q. Dynamic recrystallization mechanism of γ and α phases during the isothermal compression of γ-TiAl alloy with duplex structure. J. Alloy. Compd. 2020, 844, 156089. [Google Scholar] [CrossRef]
  33. Takeyama, M.; Kobayashi, S. Physical metallurgy for wrought gamma titanium aluminides: Microstructure Control Through Phase Transformations. Intermetallics 2005, 13, 993–999. [Google Scholar] [CrossRef]
  34. Zhu, L.; Li, J.; Tang, B.; Zhao, F.; Hua, K.; Yan, S.; Kou, H. Dynamic recrystallization and phase transformation behavior of a wrought β-γ TiAl alloy during hot compression. Prog. Nat. Sci. 2020, 30, 517–525. [Google Scholar] [CrossRef]
  35. Liu, B.; Liu, Y.; Li, Y.P.; Zhang, W.; Chiba, A. Thermomechanical characterization of β-stabilized Ti–45Al–7Nb–0.4W–0.15B alloy. Intermetallics 2011, 19, 1184–1190. [Google Scholar] [CrossRef]
  36. Appel, F.; Clemens, H.; Fischer, F. Modeling concepts for intermetallic titanium aluminides. Prog. Mater. Sci. 2016, 81, 55–124. [Google Scholar] [CrossRef]
  37. Vanderschueren, D.; Nobuki, M.; Nakamura, M. Superplasticity in a vanadium alloyed gamma plus beta phased Ti-Al intermetallic. Scr. Metall. Mater. 1993, 28, 605–610. [Google Scholar] [CrossRef]
  38. Jiang, H.; Zeng, S.; Zhao, A.; Ding, X.; Dong, P. Hot deformation behavior of β phase containing γ-TiAl alloy. Mater. Sci. Eng. A 2016, 661, 160–167. [Google Scholar] [CrossRef]
  39. Lu, S.; Zhang, B.; Li, X.; Zhao, J.; Zaiser, M.; Fan, H.; Zhang, X. Grain boundary effect on nanoindentation: A multiscale discrete dislocation dynamics model. J. Mech. Phys. Solids 2019, 126, 117–135. [Google Scholar] [CrossRef]
  40. Ghandvar, H.; Jabbar, M.A.; Koloor, S.S.R.; Petrů, M.; Bahador, A.; Bakar, T.A.A.; Kondoh, K. Role B4C Addition on Microstructure, Mechanical, and Wear Characteristics of Al-20%Mg2Si Hybrid Metal Matrix Composite. Appl. Sci. 2021, 11, 3047. [Google Scholar] [CrossRef]
  41. Huang, Z.W. Ordered ω phases in a 4Zr–4Nb-containing TiAl-based alloy. Acta Mater. 2008, 56, 1689–1700. [Google Scholar] [CrossRef]
  42. Zhang, Y.; Wang, X.; Kong, F.; Sun, L.; Chen, Y. Microstructure, texture and mechanical properties of Ti-43Al-9V-0.2Y alloy hot-rolled at various temperatures. J. Alloy. Compd. 2019, 777, 795–805. [Google Scholar] [CrossRef]
  43. Hünecke, J.; SchNe, D.; Klingbeil, D.; Bork, C. Advanced life prediction by microstructural simulation of short cracks in a low carbon steel. Int. J. Fatigue 2006, 28, 993–1000. [Google Scholar] [CrossRef]
  44. Kim, Y.-W. Ordered intermetallic alloys, part III: Gamma titanium aluminides. JOM 1994, 46, 30–39. [Google Scholar] [CrossRef]
  45. Wen, D.; Huang, Y.Y.; Wu, D.H.; Cao, M.Z.; Xiong, L.Y. Effects of Cr and Sn on defects and electron densities in TiAl alloys. Mater. Lett. 2002, 56, 593–596. [Google Scholar]
Publisher’s Note: MDPI stays neutral with regard to jurisdictional claims in published maps and institutional affiliations.

Article Metrics

Citations

Article Access Statistics

Multiple requests from the same IP address are counted as one view.