Design and Test of a Spoke-like Piezoelectric Energy Harvester
Abstract
:1. Introduction
2. Materials and Methods
2.1. Configuration of the PEH
2.2. Measurement Methods of the SPEH
3. Modeling and Analysis
4. Results and Discussion
4.1. Open-Circuit Response Experiment
4.2. Closed-Circuit Response Experiment
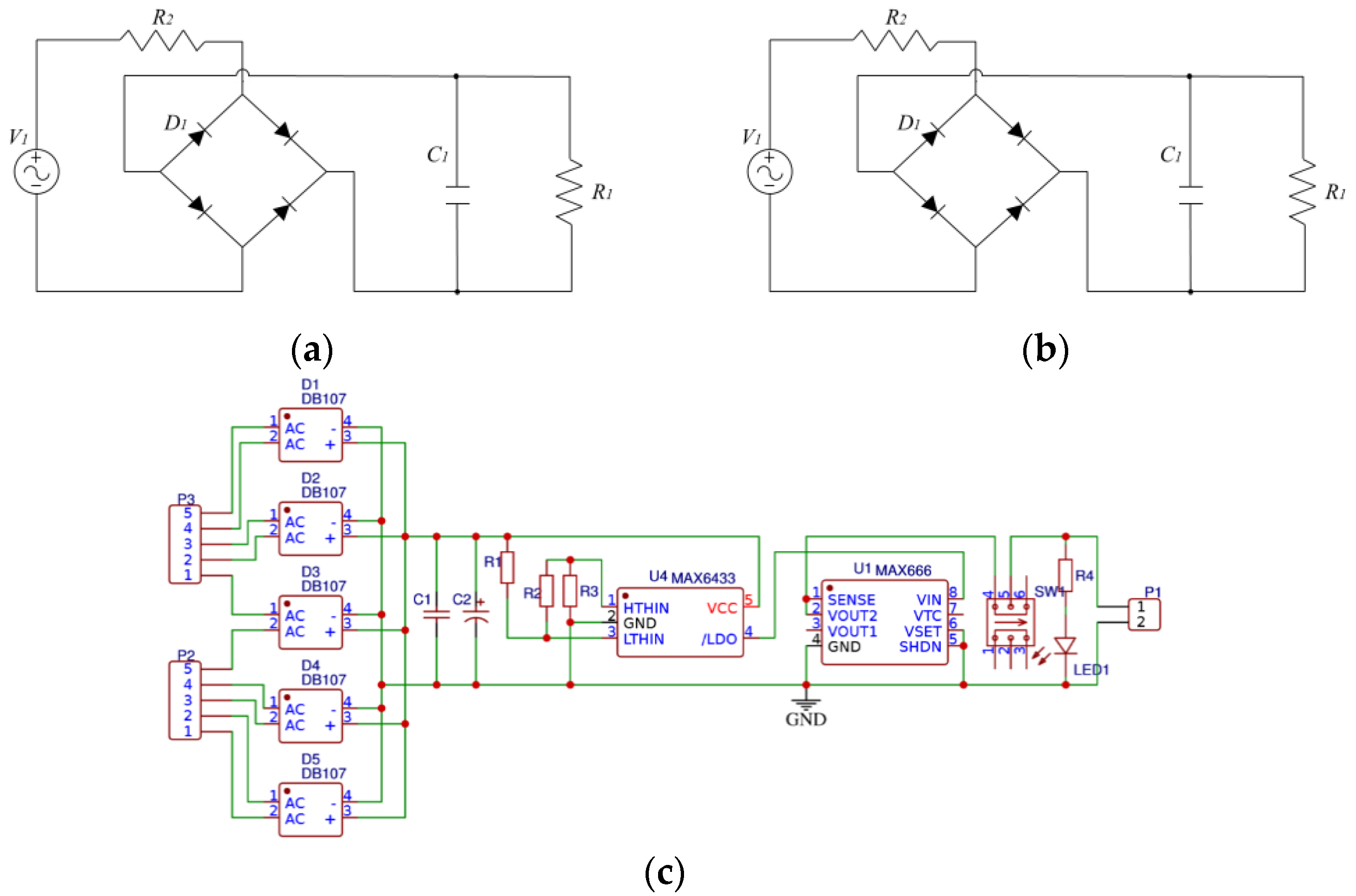
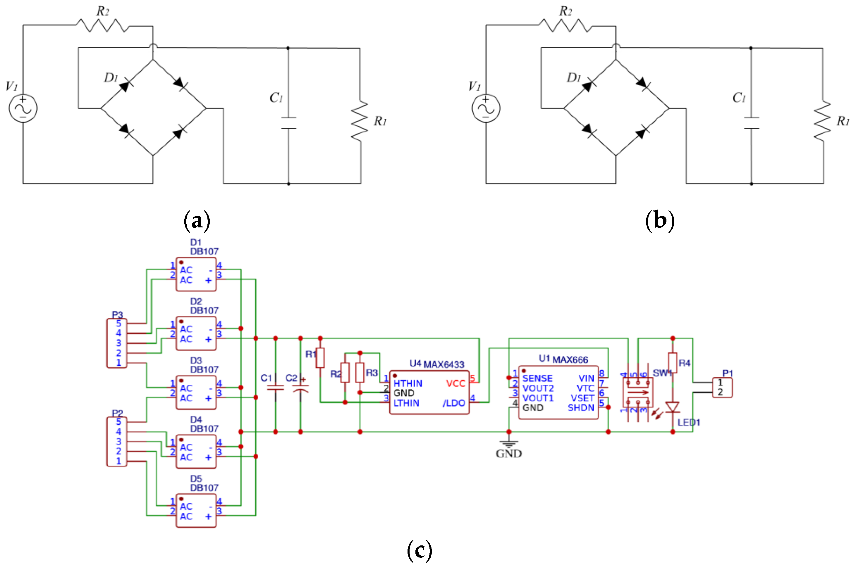
4.3. Design and Test of Energy Harvesting Regulator Circuit
4.3.1. Design of Voltage Regulator Circuit
4.3.2. Output Tests on Energy Harvesting Regulator Circuit
4.4. Influence of Magnetic Field on the Output Performance of SPEH
5. Conclusions
Author Contributions
Funding
Institutional Review Board Statement
Informed Consent Statement
Data Availability Statement
Conflicts of Interest
References
- Wang, Z.L. Nanopiezotronics. Adv. Mater. 2007, 19, 889–892. [Google Scholar] [CrossRef]
- Aly, S.P.; Ahzi, S.; Barth, N. Effect of physical and environmental factors on the performance of a photovoltaic panel. Sol. Energ. Mat. Sol. Cells 2019, 200, 109948. [Google Scholar] [CrossRef]
- Tarafdar, G.; Pandey, U.K.; Sengupta, S.; Ramamurthy, P.C. Effect of structural isomerism in BODIPY based donor-acceptor co-polymers on their photovoltaic performance. Sol. Energy 2019, 186, 215–224. [Google Scholar] [CrossRef]
- Jiang, J.; Liu, S.; Feng, L.; Zhao, D. A review of piezoelectric vibration energy harvesting with magnetic coupling based on different structural characteristics. Micromachines 2021, 12, 436. [Google Scholar] [CrossRef] [PubMed]
- Zhu, J.; Liu, X.; Shi, Q.; He, T.; Sun, Z.; Guo, X.; Liu, W.; Sulaiman, O.B.; Dong, B.; Lee, C. Development trends and perspectives of future sensors and MEMS/NEMS. Micromachines 2020, 11, 7. [Google Scholar] [CrossRef] [PubMed] [Green Version]
- Brenes, A.; Lefeuvre, E.; Badel, A.; Seok, S.; Yoo, C.S. Shunt-diode rectifier: A new scheme for efficient piezoelectric energy harvesting. Smart Mater. Struct. 2019, 28, 015015. [Google Scholar] [CrossRef] [Green Version]
- Moure, A.; Izquierdo Rodríguez, M.A.; Rueda, S.H.; Gonzalo, A.; Rubio-Marcos, F.; Cuadros, D.U.; Pérez-Lepe, A.; Fernández, J.F. Feasible integration in asphalt of piezoelectric cymbals for vibration energy harvesting. Energy Convers. Manag. 2016, 112, 246–253. [Google Scholar] [CrossRef]
- Liu, H.; Zhong, J.; Lee, C.; Lee, S.W.; Lin, L. A comprehensive review on piezoelectric energy harvesting technology: Materials, mechanisms, and applications. Appl. Phys. Rev. 2018, 9, 395. [Google Scholar] [CrossRef]
- Fan, K.; Liu, J.; Wei, D.; Zhang, D.; Zhang, Y.; Tao, K. A cantilever-plucked and vibration-driven rotational energy harvester with high electric outputs. Energy Convers. Manag. 2021, 244, 114504. [Google Scholar] [CrossRef]
- Liang, J.; Zhao, Y.; Zhao, K. Synchronized Triple Bias-Flip Interface Circuit for Piezoelectric Energy Harvesting Enhancement. IEEE Trans. Power Electron. 2019, 34, 275–286. [Google Scholar] [CrossRef]
- Wang, Z.L. Progress in piezotronics and piezo-phototronics. Adv Mater. 2012, 24, 4632–4646. [Google Scholar] [CrossRef] [PubMed]
- Zhou, N.; Li, R.; Ao, H.; Zhang, C.; Jiang, H. Piezoelectric Performance of a Symmetrical Ring-Shaped Piezoelectric Energy Harvester Using PZT-5H under a Temperature Gradient. Micromachines 2020, 11, 640. [Google Scholar] [CrossRef] [PubMed]
- Stamatellou, A.M.; Kalfas, A.I. Testing of piezoelectric energy harvesters isolated from base vibrations. Energy Convers. Manag. 2019, 196, 717–728. [Google Scholar] [CrossRef]
- Gao, M.; Wang, Y.; Wang, Y.; Wang, P. Experimental investigation of non-linear multi-stable electromagnetic-induction energy harvesting mechanism by magnetic levitation oscillation. Appl. Energy. 2018, 220, 856–875. [Google Scholar] [CrossRef]
- Wang, H.; He, C.; Lv, S.; Sun, H. A new electromagnetic vibrational energy harvesting device for swaying cables. Appl. Energy. 2018, 228, 2448–2461. [Google Scholar] [CrossRef]
- Narita, F.; Fox, M. A Review on Piezoelectric, Magnetostrictive, and Magnetoelectric Materials and Device Technologies for Energy Harvesting Applications. Adv. Eng. Mater. 2018, 20, 1700743. [Google Scholar] [CrossRef] [Green Version]
- Wang, C.; Wang, S.; Gao, Z.; Wang, X. Applicability evaluation of embedded piezoelectric energy harvester applied in pavement structures. Appl. Energy. 2019, 251, 113383. [Google Scholar] [CrossRef]
- Izadgoshasb, I.; Lim, Y.Y.; Lake, N.; Tang, L.; Padilla, R.V.; Kashiwao, T. Optimizing orientation of piezoelectric cantilever beam for harvesting energy from human walking. Energy Convers. Manag. 2018, 161, 66–73. [Google Scholar] [CrossRef]
- Fan, K.; Zhang, Y.; Shiju, E.; Tang, L.; Qu, H. A string-driven rotor for efficient energy harvesting from ultra-low frequency excitations. Appl. Phys. Lett. 2019, 115, 203903. [Google Scholar] [CrossRef]
- Bai, Y.; Tofel, P.; Hadas, Z.; Smilek, J.; Losak, P.; Skarvada, P.; Skarvada, P.; Macku, R. Investigation of a cantilever structured piezoelectric energy harvester used for wearable devices with random vibration input. Mech. Syst. Signal. Process. 2018, 106, 303–318. [Google Scholar] [CrossRef] [Green Version]
- Gu, L.; Liu, J.; Cui, N.; Xu, Q.; Du, T.; Zhang, L.; Wang, Z.; Long, C.; Qin, Y. Enhancing the current density of a piezoelectric nanogenerator using a three-dimensional intercalation electrode. Nat. Commun. 2020, 11, 1030. [Google Scholar] [CrossRef] [PubMed] [Green Version]
- Mahapatra, S.D.; Mohapatra, P.C.; Aria, A.I.; Christie, G.; Mishra, Y.K.; Hofmann, S.; Thakur, V.K. Piezoelectric Materials for Energy Harvesting and Sensing Applications: Roadmap for Future Smart Materials. Adv. Sci. 2021, 8, 2100864. [Google Scholar] [CrossRef] [PubMed]
- Zou, H.X.; Zhao, L.C.; Gao, Q.H.; Zuo, L.; Liu, F.R.; Tan, T.; Wei, K.X.; Zhang, W.M. Mechanical modulations for enhancing energy harvesting: Principles, methods and applications. Appl. Energy 2019, 255, 113871. [Google Scholar] [CrossRef]
- Lv, C.; Zhang, Y.; Zhang, H.; Zhang, Z.; Shen, M.; Chen, Y. Generalized optimization method for energy conversion and storage efficiency of nanoscale flexible piezoelectric energy harvesters. Energy Convers. Manag. 2019, 182, 34–40. [Google Scholar]
- Wang, L.; He, T.; Zhang, Z.; Zhao, L.; Lee, C.; Luo, G.; Mao, Q.; Yang, P.; Lin, Q.; Li, X. Self-sustained autonomous wireless sensing based on a hybridized TENG and PEG vibration mechanism. Nano Energy 2021, 80, 105555. [Google Scholar] [CrossRef]
- Wang, H.; Tang, L. Modeling and experiment of bistable two-degree-of-freedom energy harvester with magnetic coupling. Mech. Syst. Signal. Process. 2017, 86, 29–39. [Google Scholar] [CrossRef]
- Wu, N.; Bao, B.; Wang, Q. Review on engineering structural designs for efficient piezoelectric energy harvesting to obtain high power output. Eng. Struct. 2021, 235, 112068. [Google Scholar] [CrossRef]
- Gao, S.; Ao, H.; Jiang, H. Energy harvesting performance of vertically staggered rectangle-through-holes cantilever in piezoelectric vibration energy harvester. J. Energy Resour. Technol. 2020, 142, 1–7. [Google Scholar] [CrossRef]
- Bhavanasi, V.; Kumar, V.; Parida, K.; Wang, J.; Lee, P.S. Enhanced Piezoelectric Energy Harvesting Performance of Flexible PVDF-TrFE Bilayer Films with Graphene Oxide. ACS Appl. Mater. Interfaces 2016, 8, 521–529. [Google Scholar] [CrossRef]
- Guo, Y.; Zhang, X.S.; Wang, Y.; Gong, W.; Zhang, Q.; Wang, H.; Brugger, J. All-fiber hybrid piezoelectric-enhanced triboelectric nanogenerator for wearable gesture monitoring. Nano Energy 2018, 48, 152–160. [Google Scholar] [CrossRef]
- He, J.; Wen, T.; Qian, S.; Zhang, Z.; Tian, Z.; Zhu, J.; Mu, J.; Hou, X.; Geng, W.; Cho, J. Triboelectric-piezoelectric-electromagnetic hybrid nanogenerator for high-efficient vibration energy harvesting and self-powered wireless monitoring system. Nano Energy 2018, 43, 326–339. [Google Scholar] [CrossRef]
- Ryu, H.; Yoon, H.J.; Kim, S.W. Hybrid Energy Harvesters: Toward Sustainable Energy Harvesting. Adv. Mater. 2019, 31, 1–19. [Google Scholar] [CrossRef] [PubMed]
- Fan, K.; Tan, Q.; Zhang, Y.; Liu, S.; Cai, M.; Zhu, Y. A monostable piezoelectric energy harvester for broadband low-level excitations. Appl. Phys. Lett. 2018, 112, 123901. [Google Scholar] [CrossRef]
- Gao, S.; Zhang, C.Y.; Ao, H.R.; Jiang, H.Y. Performance of beam-type piezoelectric vibration energy harvester based on ZnO film fabrication and improved energy harvesting circuit. Chinese Phys. B 2020, 29, 088401. [Google Scholar] [CrossRef]
- Hamid, R.; Yuce, M.R. A wearable energy harvester unit using piezoelectric–electromagnetic hybrid technique. Sens. Actuators A Phys. 2017, 257, 198–207. [Google Scholar] [CrossRef]
- Gao, S.; He, T.; Zhang, Z.; Ao, H.; Jiang, H.; Lee, C. A Motion Capturing and Energy Harvesting Hybridized Lower-Limb System for Rehabilitation and Sports Applications. Adv. Sci. 2021, 8, 2101834. [Google Scholar] [CrossRef]
- Huang, P.C.; Tsai, T.H.; Yang, Y.J. Wide-bandwidth Piezoelectric Energy Harvester Integrated with Parylene-C Beam Structures. Microelectron. Eng. 2013, 111, 214–219. [Google Scholar] [CrossRef]
- Firdaus, R.N.; Suhairi, R.; Farina, S.; Karim, K.A.; Ibrahim, Z. Improvement of Power Density Spoke Type Permanent Magnet Generator. In Proceedings of the 2015 IEEE 11th International Conference on Power Electronics and Drive Systems (PEDS 2015), Sydney, Australia, 9–12 June 2015. [Google Scholar]
- Viola, F. Comparison Among Different Rainfall Energy Harvesting Structures. Appl. Sci. 2018, 8, 955. [Google Scholar] [CrossRef] [Green Version]
- Jackson, N.; Olszewski, O.Z.; O’Murchu, C.; Mathewson, A. Shock-induced aluminum nitride based MEMS energy harvester to power a leadless pacemaker. Sens. Actuators A Phys. 2017, 264, 212–218. [Google Scholar] [CrossRef]
- Tian, Y.W.; Li, G.M.; Yi, Z.R.; Liu, J.Q.; Yang, B. A low-frequency MEMS piezoelectric energy harvester with a rectangular hole based on bulk PZT film. J. Phys. Chem. Solids 2018, 117, 21–27. [Google Scholar] [CrossRef]
- Senturia, S.D. Microsystem Design; Springer: New York, NY, USA, 2001; pp. 246–252. [Google Scholar]
- Xu, S.; Hansen, B.J.; Wang, Z.L. Piezoelectric nanowire-enabled power source for driving wireless microelectronics. Nat. Commun. 2010, 1, 93. [Google Scholar] [CrossRef] [PubMed]
- Karami, M.A.; Inman, D.J. Analytical modeling and experimental verification of the vibrations of the zigzag microstructure for 491 energy harvesting. J. Vib. Acoust. 2011, 133, 011002. [Google Scholar] [CrossRef]
- Lee, J.; Choi, B. Development of a piezoelectric energy harvesting system for implementing wireless sensors on the tires. Energy Convers. Manag. 2014, 78, 32–38. [Google Scholar] [CrossRef]











| Parameter | Value | Unit |
|---|---|---|
| Inner diameter of the toroidal plate (φ1) | 100 | mm |
| Outer diameter of the toroidal plate (φ2) | 128 | mm |
| Thickness of the toroidal plate (bA) | 7.5 | mm |
| Length of the trapezoidal sheet’s long side (d2) | 20 | mm |
| Length of the trapezoidal sheet’s short side (d3) | 5.8 | mm |
| Thickness of the trapezoidal sheet (bB) | 0.4 | mm |
| Distance from long side of the trapezoidal sheet to center (l) | 58 | mm |
| Convergence angle of the trapezoidal sheet (θ) | 83 | ° |
| Length of the piezoelectric layer’s long side (dP1) | 15.0 | mm |
| Length of the piezoelectric layer’s short side (dP2) | 13.9 | mm |
| Thickness of the piezoelectric layer (bP) | 0.4 | mm |
| Diameter of the magnet (φm) | 11.5 | mm |
| Thickness of the magnet (bm) | 4 | mm |
| Authors | Ref. No | Power Density (W/m3) |
|---|---|---|
| Gao et al. | Present work | 4.08 × 103 (Closed circuit, without magnetic field) |
| 4.01 × 103 (Repulsive mode, with magnetic field) | ||
| 5.45 × 103 (UR-LA mode, with magnetic field) | ||
| Xu et al. | [43] | 2.80 × 103 |
| Karami and Inman | [44] | 5.02 × 103 |
| Jackson et al. | [40] | 4.54 × 103 |
| Tian et al. | [41] | 1.71 × 103 |
| Lee and Choi | [45] | 1.37 × 103 |
Publisher’s Note: MDPI stays neutral with regard to jurisdictional claims in published maps and institutional affiliations. |
© 2022 by the authors. Licensee MDPI, Basel, Switzerland. This article is an open access article distributed under the terms and conditions of the Creative Commons Attribution (CC BY) license (https://creativecommons.org/licenses/by/4.0/).
Share and Cite
Gao, S.; Cao, Q.; Zhou, N.; Ao, H.; Jiang, H. Design and Test of a Spoke-like Piezoelectric Energy Harvester. Micromachines 2022, 13, 232. https://doi.org/10.3390/mi13020232
Gao S, Cao Q, Zhou N, Ao H, Jiang H. Design and Test of a Spoke-like Piezoelectric Energy Harvester. Micromachines. 2022; 13(2):232. https://doi.org/10.3390/mi13020232
Chicago/Turabian StyleGao, Shan, Qiang Cao, Nannan Zhou, Hongrui Ao, and Hongyuan Jiang. 2022. "Design and Test of a Spoke-like Piezoelectric Energy Harvester" Micromachines 13, no. 2: 232. https://doi.org/10.3390/mi13020232
APA StyleGao, S., Cao, Q., Zhou, N., Ao, H., & Jiang, H. (2022). Design and Test of a Spoke-like Piezoelectric Energy Harvester. Micromachines, 13(2), 232. https://doi.org/10.3390/mi13020232
