Optimal Sustainable Energy Management for Isolated Microgrid: A Hybrid Jellyfish Search-Golden Jackal Optimization Approach
Abstract
1. Introduction
- Implementation of MPPT technique for optimizing PV system output under varied operating conditions;
- Integration of pitch angle and tip speed ratio controller for WECS to maximize power extraction;
- Utilization of micro-turbine for backup system control and battery management for storage system control, alongside hybrid system integration for feeding various DC loads, evaluated under different operational circumstances;
- Introduction of a novel optimization algorithm, JSO-GJO, tailored for microgrids with HES and BESS, addressing limitations of conventional methods like PSO, BFO, ABC, GWO, and WOA;
- JSO-GJO algorithm characterized by computational efficiency, rapid convergence, and proficiency in resolving complex ESS scheduling problems, yielding high-quality solutions;
- Thorough evaluation of JSO-GJO algorithm across diverse microgrid cases, including those with HES, demonstrating superior efficacy compared to existing methods, leading to lower operation costs and higher efficiency.
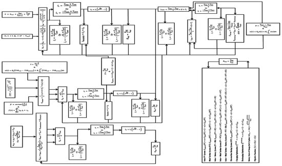
2. Mathematical Modeling of Proposed System
2.1. Mathematical Model of Solar Cell
2.2. Mathematical Model of WECS
2.3. Battery Energy Storage Systems and Their Enhancements
2.4. Microturbine Energy Contribution
- is the efficiency of the microturbine
- is lower heating value.
2.5. MPPT Control
2.5.1. Solar PV System
- Power Generation Equation
- MPPT Objective Function:
- Hybrid Optimization Algorithm
2.5.2. Wind Turbine System
- A MPPT Control Equation:
- Power Generation Equation:
- The power extracted through the turbine is given by the product of the air density ρ, the swept A, the wind , is the angular velocity of the generator.
- MPPT Objective Function:
- Hybrid Optimization Algorithmwhere α is the hybridization parameter controlling the balance between global exploration () and local exploitation ().
- MPPT Control Equation:
2.6. Boost Converter
2.7. Bi-Directional Converter
2.8. PI-Controller
2.8.1. PI Controller in Battery System (BS)
2.8.2. PI Controller in Tip Speed Ratio of Wind Turbine (WT)
2.9. ANN Controller in Pitch Angle Optimization of WT
Mathematical Expression
- Let represent the input variables (e.g., wind speed, generator speed);
- Let represent the weight connecting neuron in the input layer to neuron in the hidden layer;
- Let represent the bias term for neuron in the hidden layer;
- Let represent the activation function applied to the output of each neuron in the hidden layer;
- Let represent the weight connecting neuron in the hidden layer to neuron in the output layer;
- Let represent the bias term for neuron in the output layer;
- Let represent the predicted optimal pitch angle;
- The expression for the output of neuron in the hidden layer is:
- The expression for the predicted optimal pitch angle is:
- During the training process, the weights , , biases , , and parameters of the activation function are adjusted iteratively to minimize the loss function and improve the accuracy of the predicted pitch angle;
- These mathematical expressions form the basis for modeling an ANN controller for pitch angle optimization of a wind turbine within an Energy Management System.
3. Proposed Optimization Framework for EMS
- Jellyfish Search Optimization (JSO):JSO is inspired by the collective behavior of jellyfish in their search for food. In JSO, a population of potential solutions, called “jellyfish”, is initially randomly generated. Each jellyfish represents a potential solution to the optimization problem, with its position in the search space corresponding to a set of control parameters for the energy management system. The jellyfish move through the search space using a combination of random motion and attraction towards better solutions [14,18]. As the jellyfish move, they communicate and share information with each other, allowing them to collectively converge towards promising areas of the search space [19,20]. Through iterative movement and communication, JSO aims to find the optimal set of control parameters that maximize the objective function (e.g., system efficiency) while satisfying any constraints.where represent the current solution in the JSO algorithm, is the random motion of the fish, and is the AttractiontowardsBetterSolutions.
- Golden Jackal Optimization (GJO): GJO is inspired by the foraging behavior of golden jackals in search of food [21]. In GJO, a population of potential solutions, represented by “jackals”, is initialized randomly. Each jackal represents a potential solution, similar to jellyfish in JSO, with its position corresponding to a set of control parameters for the energy management system. The jackals move through the search space using a combination of random exploration and exploitation of promising regions based on the quality of solutions encountered. Like JSO, jackals communicate and share information with each other to collectively converge towards better solutions. GJO aims to find the optimal set of control parameters by iteratively improving the quality of solutions through exploration and exploitation of the search space [15,22].where represent the current solution in the GJO algorithm, represents RandomExploration and E represents ExploitationofPromisingRegions.
3.1. Hybridization of JSO and GJO for Controller Optimization in EMS
- Parameter Tuning: The hybrid algorithm serves to optimize controller parameters including set points alongside gain values and control strategies according to references [23,24]. The algorithm performs iterative optimization to adjust parameters through which it optimizes system efficiency and upholds operational limits and performance standards.where represents the optimized set of parameters that minimize the objective function, finding the value of that minimizes the expression.
- Dynamic Adaptation:The hybrid algorithm uses dynamic search adaptation for the EMS through modifications based on current operational conditions and environmental factors. When renewable energy generation reaches peak levels, the algorithm adjusts by putting focus on parameters that improve storage and distribution operations. The algorithm operates differently under situations characterized by low generation versus periods with high energy demands.where:
- = learning rate (0.01);
- = stabilization factor (0.1);
- = gradient of objective function.
where is a function that determines the value of at each iteration based on the system state and environmental conditions. - Iterative Improvement:The hybrid algorithm executes multiple sequential optimization cycles through which it improves controller parameters based on data received from the EMS. During its execution, the algorithm moves toward an optimal solution which achieves both maximum efficiency levels as well as EMS objectives.where γ is the iteration factor controlling the rate of convergence towards the optimal solution, and are new and old solutions, respectively.
- Performance Evaluation: Throughout the optimization process, the performance of the EMS is continuously evaluated based on predefined metrics such as efficiency, reliability, and cost-effectiveness. The hybrid algorithm aims to find controller parameters that optimize these metrics while ensuring the smooth and reliable operation of the EMS.where PM is Performance matrices, is efficiency and R is Reliability.
3.2. Hybrid Optimization for Charging and Discharging Operations
- Charging Optimization: The combined operation of JSO and GJO algorithms enables optimized energy storage system charging by monitoring renewable energy outputs, load requirements and battery status. The solution space exploration capability of JSO helps detect efficient charging methods that GJO subsequently enhances through its adaptive strategy optimization techniques.where the charging parameters include charging rates, timings, renewable energy forecasts, load demand profiles, and battery health parameters. is the charging power at time , and is the hybridization parameter controlling the balance between JSO and GJO.
- Discharging Optimization: Under hybrid optimization, the scheduling system benefits from maximized energy efficiency by managing the discharge regime of energy storages to maintain reliable power distribution. JSO and GJO algorithms operate as a coordinated system for dynamic adjustments of release rates and time frames according to present load requirements, renewable energy availability and grid state for optimal stored energy use.where the discharging parameters include discharging rates, timings, real-time load demand, renewable energy availability, and standalone conditions. is the discharging power at time , and is the same hybridization parameter as in the charging process.
- Battery State of Charge (SoC) Update: The battery’s state of charge (SoC) at time can be updated based on the charging and discharging processes as follows:where the total amount of energy a battery can store, (kWh) .
3.3. Hybrid Optimization in Operation of Renewable Energy Sources and Backup Systems
- Solar PV System: When solar energy generation is sufficient to meet the load demand, the hybrid optimization approach ensures optimal utilization of solar panels by MPPT to maximize energy capture. JSO and GJO algorithms collaborate to explore and exploit optimal operating conditions for solar panels based on real-time solar irradiance and load demand.where PV parameters include real-time solar irradiance and load demand.
- Wind Turbine System (WT): Similarly, when wind energy generation is available, the hybrid optimization approach optimizes the operation of wind turbines by adjusting the blade pitch angle and MPPT to maximize power output. JSO and GJO algorithms work together to identify optimal operating parameters for wind turbines based on wind speed forecasts and load demand.where WT parameters include wind speed forecasts and load demand.
- Solar + Battery System: In cases where solar energy generation exceeds the immediate load demand, the excess energy can be stored in batteries for later use. The hybrid optimization approach optimizes the charging and discharging schedules of batteries to efficiently manage the balance between solar generation and load demand, maximizing self-consumption and minimizing grid dependence.where Battery parameters include solar generation, load demand, and battery state of charge.
- Solar + Wind System: When both solar and wind energy sources are available, the hybrid optimization approach dynamically allocates power generation between the two sources based on their respective output and load demand [16]. JSO and GJO algorithms collaborate to optimize the operation of both solar panels and wind turbines, ensuring optimal utilization of available renewable energy resources.where parameters include solar and wind output and load demand.
- Solar + Wind + Battery System:In cases where solar and wind energy generation alone cannot meet the load demand, the hybrid optimization approach utilizes energy stored in batteries to bridge the gap [17,25]. JSO and GJO algorithms optimize the coordination between renewable energy generation and battery storage, ensuring reliable power supply to the load while minimizing grid dependence.where parameters include solar and wind generation, battery state of charge, and load demand.
- Microturbine Backup System: In situations where renewable energy generation is insufficient or unavailable, a microturbine can serve as a backup power source to supplement energy supply [26]. The hybrid optimization approach dynamically activates the microturbine based on load demand and renewable energy availability, ensuring uninterrupted power supply during periods of low renewable energy generation.where Microturbine parameters include load demand and renewable energy availability.
3.4. Cost Analysis with Optimization
3.4.1. Initial Cost
3.4.2. Operational Costs
3.4.3. Financial Incentives
3.4.4. Total Cost of Ownership (TCO)
4. Results and Discussion
- Photovoltaic (PV) System: Under peak irradiance (1000 W/m2) and a temperature of 25 °C, the PV system, integrated with MPPT and a boost converter, contributes substantially to the EMS, producing 14,561.76 W with JSO-GJO. The MPPT ensures that even with variations in irradiance, the PV system extracts maximum available power, optimizing energy capture during peak solar hours. Under optimal conditions, the PV system serves as the primary power source, reducing dependency on other sources and minimizing battery discharge cycles.
- Wind Energy Conversion System (WECS): The WECS, incorporating Permanent Magnet Synchronous Generator (PMSG) technology with Tip Speed Ratio and Pitch Angle Control, performs consistently, especially at the evaluated wind speed of 12 m/s, generating a stable output of 14,695.54 W under JSO-GJO. This component provides crucial support during low solar periods, especially in the evening or on cloudy days. The Pitch Angle and Tip Speed Ratio adjustments dynamically enhance energy capture and stabilize power output, compensating for wind fluctuations.
- Battery Storage (BS): The battery’s role is to balance supply and demand, charging when excess power is available and discharging when demand exceeds generation. In optimized operation, the BS typically outputs 14,212.8 W to help meet load demands. The bidirectional converter with PI control maintains stable SOC, preventing critical discharge levels and prolonging battery life by avoiding rapid cycling.
- Micro-Turbine (MT): Operating as a reliable backup, the MT adds stability during demand surges or power shortfalls, particularly when renewable sources fluctuate. In the JSO-GJO optimized scenario, it consistently contributes 14,393.88 W, effectively complementing other power sources and ensuring continuous operation.
- PV System Contribution: The PV system utilizes Maximum Power Point Tracking (MPPT) control and a boost converter to optimize energy extraction from solar irradiance. Its power output is directly influenced by irradiance levels, as illustrated in Table 6. For instance, when irradiance is at 1000 W/m2 (high sunlight conditions), the PV output contributes significantly to the total system power, delivering up to 14,235.68 W under optimal conditions. However, as irradiance reduces to 800 W/m2 and 600 W/m2, the PV output correspondingly drops to 8930.784 W and 5701.8 W, respectively. This decrease highlights the PV system’s dependency on irradiance and underscores the importance of integrating other sources to maintain power output during low-sunlight periods.
- Wind Energy Conversion System (WECS) Contribution: The WECS, comprising a Permanent Magnet Synchronous Generator (PMSG), uses Tip Speed Ratio (TSR) and Pitch Angle control to maintain power production across fluctuating wind speeds. It is evident that the WECS provides stable power output under different wind speeds, with a peak contribution at 10 m/s yielding up to 12,184.469 W. When wind speed decreases to 7 m/s and 9 m/s, the output slightly drops but remains substantial at 6578.609 W and 7581.91 W, respectively. This capability to sustain output in varying wind conditions demonstrates the WECS’s reliability as a key energy source for the EMS, especially during nighttime or cloudy days when solar input is limited.
- Battery Storage (BS) Contribution: Battery Storage acts as the energy reservoir, storing surplus energy produced by the PV and WECS for later use, ensuring continuity of supply during low generation periods. The battery provides consistent power support, contributing 14,212.8 W across all tested conditions. By maintaining the State of Charge (SOC) within optimal levels (as regulated by the PI controller), BS ensures that stored energy is efficiently managed and available when generation from PV and WECS decreases. For instance, during lower irradiance (600 W/m2) and moderate wind conditions (9 m/s), the BS supplements load requirements effectively, underscoring its role in stabilizing the EMS.
- Micro-Turbine (MT) Contribution: The Micro-Turbine (MT) serves as a reliable backup power source, particularly useful when both PV and WECS output are low due to unfavorable environmental conditions. Table 6 reflects the MT’s consistent output of 14,393.88 W across all scenarios, as it remains largely unaffected by external weather conditions. Its presence within the EMS framework ensures a steady, uninterrupted power supply to meet load demands. In instances of extreme weather fluctuations (e.g., low irradiance and low wind speed), the MT’s contribution proves crucial in maintaining power stability.
- Component Interactions and Balancing Power Output: As a result of PV, WECS, BS, and MT operating together, the power output system adjusts dynamically to current energy availability and customer demand requirements. During optimal wind and light conditions, the EMS directs power output first to PV and WECS systems before engaging BS and MT technologies. Under reduced sunlight and wind conditions, the battery system performs power discharge so the motor-generator system functions to fill any differences with the demand requirements. The system’s multiple layers improve operational reliability while maximizing renewable energy sources, thus cutting down operational expenses and backup requirements.
5. Conclusions
- Energy generation from the PSO algorithm produced 421,804.63 kWh throughout the year while power loss reached 0.11842 kW, leading to operational expenses of USD 50,617,479.94 per year. The results of the BFO and ABC algorithms led to slightly better outputs but only yielded an energy total of 421,812.64 kWh and 421,818.67 kWh while showing power loss at 0.11831 kW (BFO) and 0.11813 kW (ABC).
- The employment of GWO alongside WOA produced higher energy outcomes, reaching 421,822.00 kWh for GWO and 421,828.49 kWh for WOA. The power losses reached 0.11779 kW under WOA while its annual cost amounted to USD 50,617,479.28.
- Energy production at 421,847.82 kWh along with minimized power losses at 0.11611 kW and lowered annual operational costs to USD 50,617,477.51 were achieved by the hybrid JSO-GJO algorithm. The system delivered the maximum energy generation of 421,847.82 kWh along with the minimum power dissipation at 0.11611 kW and presented the best annual operational expenditure at USD 50,617,477.51. The superior ability of the JSO-GJO algorithm to boost power generation and minimize costs positions this algorithm as an effective and financially beneficial solution for standalone EMS applications.
Author Contributions
Funding
Institutional Review Board Statement
Informed Consent Statement
Data Availability Statement
Conflicts of Interest
List of Abbreviations
| Keyword | Description |
| SPVS | Solar Photovoltaic System |
| WT | Wind Turbine |
| WECS | Wind Energy Conversion System |
| EMS | Energy Management System |
| PV | Photovoltaic |
| BS | Battery Systems |
| BESS | Battery Energy Storage System |
| BMS | Battery Management System |
| SoC | State of Charge |
| MT | Microturbine |
| MPPT | Maximum Power Point Tracking |
| GBDT-JS | Gradient Boosted Decision Trees—Jellyfish Search |
| PSO | Particle Swarm Optimization |
| BFO | Bacterial Foraging Optimization |
| ABC | Artificial Bee Colony |
| GWO | Grey Wolf Optimization |
| WOA | Whale Optimization Algorithm |
| ANN | Artificial Neural Network |
| PMSG | Permanent Magnet Synchronous Generator |
| DC | Direct Current |
| HES | Hybrid Energy Systems |
| ESS | Energy Storage System |
| JSO | Jellyfish Search Optimization |
| GJO | Golden Jackal Optimization |
| JSO-GJO | Jellyfish Search Optimization—Golden Jackal hybrid Optimization |
| QNN | Quantum Neural Network |
| DSP | Digital Signal Processing |
| IoT | Internet of Things |
| TS | Takagi-Sugeno |
| OPAL RT | Online Parameterized Adaptive Linearization—Real Time |
| MIWO-P&O | Modified Invasive Weed Optimization—Perturb and Observe |
| TS | Takagi-Sugeno |
| EL | Electrolyzer |
| SC | Supercapacitor |
| SMC | Sliding Mode Control |
| GA | Genetic Algorithm |
| LFSSA | Levy flight-salp swarm algorithm |
| MRAC | Model reference adaptive controller |
| MIES | Microgrid Islanded Energy Systems |
| VSC | Variable Speed Control |
| ERM | Energy Reservoir Model |
| CRM | Charge Reservoir Model |
| PSO-ML-FSSO | Particle-Swarm-Optimization-Trained Machine Learning and Flying Squirrel Search hybrid Optimization |
| PI Control | Proportional Integral Control |
| TSR | Tip speed Ratio |
| LSTM | Long short-term memory |
| MOSFET | metal-oxide-semiconductor field-effect transistor |
| TCO | total cost of ownership |
| R Load | Resistive Load |
List of Symbols
| Symbol | Description |
| PPV | Output power of the solar PV system |
| VPV | Voltage of the solar cell or PV system |
| IPV | Current generated by the solar cell |
| VOC | Open-circuit voltage of the solar cell |
| n | Diode ideality factor (dimensionless) |
| Vt | Thermal voltage |
| Iph | Photogenerated current in the solar cell |
| Id | Diode current in the solar cell |
| Rs | Series resistance of the PV cell |
| CP | Power coefficient of the wind turbine |
| λ | Tip Speed Ratio (TSR) |
| β | Blade pitch angle |
| PWind | Kinetic power available in the wind |
| ρ | Air density |
| A | Swept area of the wind turbine blades |
| Vω | Wind speed |
| ωr | Angular velocity of the wind turbine generator |
| PTurbine | Power extracted by the wind turbine |
| R | Radius of the wind turbine blade |
| C1, C2, …, C6 | Constants used in the calculation of CP |
| λi | Intermediate term for calculating the Tip Speed Ratio |
| Pout | Output power of the battery |
| VBatt | Battery voltage |
| IBatt | Battery current |
| SoC | State of charge of the battery |
| RLoad | Load resistance connected to the battery |
| RBatt | Internal resistance of the battery |
| EBatt | Open-circuit voltage of the battery |
| Estored | Energy stored in the battery |
| SoCmax | Maximum state of charge of the battery (percentage) |
| SoCmin | Minimum state of charge of the battery (percentage) |
| ηcharge | Charging efficiency of the battery |
| ηdischarge | Discharging efficiency of the battery |
| Pcharge | Charging power of the battery (kW) |
| Pdischarge | Discharging power of the battery (kW) |
| CBatt | Total capacity of the battery (kWh) |
| Δt | Time step (hours) |
| ΔEstored | Change in stored energy over a time step |
| ∆SoC | Change in state of charge over a time step |
| SoCnew | New state of charge after a time step |
| SoCold | Old state of charge |
| ηMTG | Efficiency of the microturbine |
| mair | Mass flow rate of air through the turbine (kg/s) |
| ΔH | Enthalpy change during combustion (J/kg) |
| ρair | Density of air (kg/m³) |
| Ainlet | Inlet area of the microturbine (m2) |
| Vair | Inlet velocity of air (m/s) |
| Patm | Atmospheric pressure (Pa) |
| Rair | Specific gas constant for air, 287 J/(kg·K) |
| Tair | Temperature of the air (K) |
| hcombustion | Enthalpy of combustion of fuel (J/kg) |
| ηcombustion | Combustion efficiency |
| Qfuel | Heating value of the fuel (J/kg) |
| PMTG | Power output of the microturbine generator (W) |
| Xhybrid | Hybrid value of control variables (e.g., JSO and GJO contributions) |
| α | Weighting factor for JSO and GJO contributions |
| VL | Voltage across the inductor |
| Vinp | Input voltage |
| Vout | Output voltage |
| IL | Inductor current |
| L | Inductance of the inductor |
| TON | On time period of the switch |
| TOFF | Off time period of the switch |
| VC | Voltage across the capacitor |
| D | Duty cycle of the switching converter |
| IC | Capacitor current |
| VBS | Battery system voltage |
| IBS | Current flowing in or out of the battery system |
| PBS | Power output of the battery system |
| u(t) | Control signal for the PI controller |
| Kp | Proportional gain in the PI controller |
| Ki | Integral gain in the PI controller |
| TSRref | Reference tip speed ratio |
| TSRactual | Actual tip speed ratio |
| xi | Input variables (e.g., wind speed, generator speed) |
| wij | Weight connecting neuron i in the input layer to neuron j in the hidden layer |
| bj | Bias term for neuron j in the hidden layer |
| σx | Activation function applied to each neuron in the hidden layer |
| vjk | Weight connecting neuron j in the hidden layer to neuron k in the output layer |
| ck | Bias term for neuron k in the output layer |
| f(x) | Predicted optimal pitch angle |
| zj | Output of neuron j in the hidden layer |
| Pinp | Input power of the converter |
| Pout | Output power of the converter |
| XJSO | Current solution in the JSO algorithm |
| XGJO | Current solution in the GJO algorithm |
| R.M. | Random motion of the fish in the JSO algorithm |
| Sbetter | Attraction towards better solutions in the JSO algorithm |
| R.E. | Random exploration in the GJO algorithm |
| E | Exploitation of promising regions in the GJO algorithm |
| f(x) | Objective function to maximize efficiency and minimize cost |
| E(x) | Efficiency function |
| C(x) | Cost function |
| Θ | Set of parameters |
| Θ* | Optimized set of parameters that minimize the objective function |
| Snew | New solution at iteration |
| Sold | Previous solution at iteration |
| γ | Iteration factor controlling convergence rate |
| PM | Performance matrices |
| η | Efficiency |
| R | Reliability |
| Ptcharge | Charging power at time t |
| Ptdischarge | Discharging power at time t |
| SoCt | State of charge of the battery at time t |
| Xhybrid (PV) | Hybrid solution for solar PV-based parameters |
| Xhybrid (WT) | Hybrid solution for wind turbine-based parameters |
| Xhybrid (PV + BS) | Hybrid solution for combined solar PV and battery storage |
| Xhybrid (PV + WT) | Hybrid solution for combined solar PV and wind turbine parameters |
| Xhybrid (PV + WT + BS) | Hybrid solution for combined solar PV, wind turbine, and battery storage |
| Cint | Initial cost |
| CCpt | Component cost (purchase price) |
| CInst | Installation cost (installation expenses) |
| N | Total number of system components |
| COp | Operational cost |
| CMaint | Maintenance cost |
| CMon | Monitoring cost |
| CSoft | Software maintenance cost |
| CNet | Net initial cost |
| CFI | Financial incentives (e.g., government incentives, tax credits, and rebates) |
| TCO | Total cost of ownership |
| TCOPV | Total cost of ownership for solar PV components |
| TCOWT | Total cost of ownership for wind turbine components |
| TCOBS | Total cost of ownership for battery storage components |
| TCOMT | Total cost of ownership for microturbine components |
| TCOEMS | Total cost of ownership for the energy management system (EMS) |
References
- Thang, T.; Ahmed, A.; Kim, C.; Park, J. Flexible System Architecture of Stand-Alone PV Power Generation with Energy Storage Device. IEEE Trans. Energy Convers. 2015, 30, 1386–1396. [Google Scholar] [CrossRef]
- Pradhan, C.; Senapati, M.; Malla, S.; Nayak, P.; Gjengedal, T. Coordinated Power Management and Control of Standalone PV-Hybrid System with Modified IWO-Based MPPT. IEEE Syst. J. 2021, 15, 3585–3596. [Google Scholar] [CrossRef]
- Al-Turjman, F.; Qadir, Z.; Abujubbeh, M.; Batunlu, C. Feasibility analysis of solar photovoltaic-wind hybrid energy system for household applications. Comput. Electr. Eng. 2020, 86, 106743. [Google Scholar] [CrossRef]
- Ali, Z.; Abbas, S.Z.; Mahmood, A.; Ali, S.W.; Javed, S.B.; Su, C.-L. A Study of a Generalized Photovoltaic System with MPPT Using Perturb and Observer Algorithms under Varying Conditions. Energies 2023, 16, 3638. [Google Scholar] [CrossRef]
- Kumar, D.; Chauhan, Y.; Pandey, A.; Srivastava, A.; Kumar, V.; Alsaif, F.; Elavarasan, R.; Islam, M.; Kannadasan, R.; Alsharif, M. A Novel Hybrid MPPT Approach for Solar PV Systems Using Particle-Swarm-Optimization-Trained Machine Learning and Flying Squirrel Search Optimization. Sustainability 2023, 15, 5575. [Google Scholar] [CrossRef]
- Rayaguru, N.K.; Lindsay, N.M.; Crespo, R.G.; Raja, S.P. Hybrid bat–grasshopper and bat–modified multiverse optimization for solar photovoltaics maximum power generation. Comput. Electr. Eng. 2023, 106, 108596. [Google Scholar] [CrossRef]
- Rashmi, G.; Linda, M.M. A novel MPPT design for a wind energy conversion system using grey wolf optimization. Automatika 2023, 64, 798–806. [Google Scholar] [CrossRef]
- Khurshid, A.; Mughal, M.A.; Othman, A.; Al-Hadhrami, T.; Kumar, H.; Khurshid, I.; Arshad, A.; Ahmad, J. Optimal Pitch Angle Controller for DFIG-Based Wind Turbine System Using Computational Optimization Techniques. Electronics 2022, 11, 1290. [Google Scholar] [CrossRef]
- Ganjefar, S.; Ghassemi, A.A.; Ahmadi, M.M. Improving efficiency of two-type maximum power point tracking methods of tip-speed ratio and optimum torque in wind turbine system using a quantum neural network. Energy 2014, 67, 634–643. [Google Scholar] [CrossRef]
- Rosewater, D.; Ferreira, S.; Schoenwald, D.; Hawkins, J.; Santoso, S. Battery Energy Storage State-of-Charge Forecasting: Models, Optimization, and Accuracy. IEEE Trans. Smart Grid 2018, 9, 6059–6067. [Google Scholar] [CrossRef]
- Mahjoub, S.; Chrifi-Alaoui, L.; Drid, S.; Derbel, N. Control and Implementation of an Energy Management Strategy for a PV–Wind–Battery Microgrid Based on an Intelligent Prediction Algorithm of Energy Production. Energies 2023, 16, 1883. [Google Scholar] [CrossRef]
- Wu, H. Coordinated Control of an Islanded Microintegrated Energy System with an Electrolyzer and Micro-Gas Turbine. Int. J. Photoenergy 2022, 26, 1–10. [Google Scholar] [CrossRef]
- Gilev, B.; Andreev, M.; Hinov, N.; Angelov, G. Modeling and Simulation of a Low-Cost Fast Charging Station Based on a Micro Gas Turbine and a Supercapacitor. Energies 2022, 15, 8020. [Google Scholar] [CrossRef]
- Boutasseta, N.; Bouakkaz, M.S.; Fergani, N.; Attoui, I.; Bouraiou, A.; Neçaibia, A. Solar Energy Conversion Systems Optimization using Novel Jellyfish based Maximum Power Tracking Strategy. Procedia Comput. Sci. 2021, 192, 78–85. [Google Scholar] [CrossRef]
- Kumar, R.P.; Karthikeyan, G. A multi-objective optimization solution for distributed generation energy management in microgrids with hybrid energy sources and battery storage system. Energies 2023, 16, 109702. [Google Scholar] [CrossRef]
- Modu, B.; Abdullah, M.P.; Bukar, A.L.; Hamza, M.F.; Adewolu, M.S. Operational strategy and capacity optimization of standalone solar-wind-biomass-fuel cell energy system using hybrid LF-SSA algorithms. Int. J. Hydrogen Energy 2024, 50, 92–106. [Google Scholar] [CrossRef]
- Govindasamy, S.; Balapattabi, S.R.; Kaliappan, B.; Badrinarayanan, V. Energy management in microgrids using IoT considering uncertainties of renewable energy sources and electric demands: GBDT-JS approach. Energies 2023, 16, 1947. [Google Scholar] [CrossRef]
- Chou, J.-S.; Molla, A. Recent advances in use of bio-inspired jellyfish search algorithm for solving optimization problems. Nat. Commun. 2022, 13, 5628. [Google Scholar] [CrossRef]
- Yadav, D.; Singh, N.; Bhadoria, V.S.; Giri, N.C.; Cherukuri, M. A Novel Metaheuristic Jellyfish Optimization Algorithm for Parameter Extraction of Solar Module. Int. Trans. Electr. Energy Syst. 2023, 2023, 5589859. [Google Scholar] [CrossRef]
- Trong, H.C.; Nguyen, T.T.; Nguyen, T.T. Jellyfish Search Algorithm for Economic Load Dispatch under the Considerations of Prohibited Operation Zones, Load Demand Variations, and Renewable Energy Sources. Int. J. Artif. Intell. 2020, 13, 74–81. [Google Scholar] [CrossRef]
- Chopra, N.; Ansari, M.M. Golden jackal optimization: A novel nature-inspired optimizer for engineering applications. Expert Syst. Appl. 2022, 182, 116924. [Google Scholar] [CrossRef]
- Ismaeel, A.A.K. Performance of Golden Jackal Optimization Algorithm for Estimating Parameters of PV Solar Cells Models. Int. J. Intell. Syst. Appl. Eng. 2023, 12, 365–383. [Google Scholar]
- Nayyef, H.M.; Ibrahim, A.A.; Zainuri, M.A.A.M.; Zulkifley, M.A.; Shareef, H. A Novel Hybrid Algorithm Based on Jellyfish Search and Particle Swarm Optimization. Mathematics 2023, 11, 3210. [Google Scholar] [CrossRef]
- Ramachandran, R.; Kannan, S.; Ganesan, S.K.; Annamalai, B. Optimal economic-emission load dispatch in microgrid incorporating renewable energy sources by golden jackal optimization (GJO) and Mexican Axolotl optimization (MAO). Energy Environ. 2023. [Google Scholar] [CrossRef]
- Khan, S.A.; Tao, Z.; Agyekum, E.B.; Fahad, S.; Tahir, M.; Salman, M. Sustainable rural electrification: Energy-economic feasibility analysis of autonomous hydrogen-based hybrid energy system. Int. J. Hydrogen Energy 2024, 182, 116924. [Google Scholar] [CrossRef]
- Erario, M.L.; De Giorgi, M.G.; Przysowa, R. Model-based dynamic performance simulation of a microturbine. IOP Conf. Ser. Mater. Sci. Eng. 2022, 1226, 012032. [Google Scholar] [CrossRef]
- Khan, A.; Javaid, N. Optimal sizing of a stand-alone photovoltaic, wind turbine and fuel cell systems. Comput. Electr. Eng. 2020, 85, 106682. [Google Scholar] [CrossRef]
- Ibrahim, A.L.-W.; Xu, J. Intelligent adaptive PSO and linear active disturbance rejection control: A novel reinitialization strategy for partially shaded photovoltaic-powered battery charging. Comput. Electr. Eng. 2025, 123 Pt A, 110037. [Google Scholar] [CrossRef]
- Hernández-Ocaña, B.; Hernández-Torruco, J.; Chávez-Bosquez, O.; Calva-Yáñez, M.B.; Portilla-Flores, E.A. Bacterial Foraging-Based Algorithm for Optimizing the Power Generation of an Isolated Microgrid. Appl. Sci. 2019, 9, 1261. [Google Scholar] [CrossRef]
- Passino, K.M. Biomimicry of Bacterial Foraging for Distributed Optimization and Control. IEEE Control Syst. Mag. 2002, 22, 52–67. [Google Scholar] [CrossRef]
- Karaboga, D.; Basturk, B. On the Performance of Artificial Bee Colony (ABC) Algorithm. Appl. Soft Comput. 2008, 8, 687–697. [Google Scholar] [CrossRef]
- Zhang, Y.; Zeng, P.; Zang, C. Optimization algorithm for home energy management system based on artificial bee colony in smart grid. In Proceedings of the 2015 IEEE International Conference on Cyber Technology in Automation, Control, and Intelligent Systems (CYBER), Shenyang, China, 8–12 June 2015; pp. 734–740. [Google Scholar] [CrossRef]
- Dagal, I.; Ibrahim, A.L.-W.; Harrison, A. Leveraging a novel grey wolf algorithm for optimization of photovoltaic-battery energy storage system under partial shading conditions. Comput. Electr. Eng. 2025, 122, 109991. [Google Scholar] [CrossRef]
- Mohanty, S.; Subudhi, B.; Ray, P.K. A New MPPT Design Using Grey Wolf Optimization Technique for Photovoltaic System Under Partial Shading Conditions. IEEE Trans. Sustain. Energy 2016, 7, 181–188. [Google Scholar] [CrossRef]
- Medani, K.B.O.; Sayah, S.; Bekrar, A. Whale Optimization Algorithm Based Optimal Reactive Power Dispatch: A Case Study of the Algerian Power System. Electr. Power Syst. Res. 2018, 163 Pt B, 696–705. [Google Scholar] [CrossRef]
- Rafi, A.M.; Ali, M.; Hossain, M.I.; Al-Sulaiman, F.A.; Shafiullah, M. Whale Optimization Algorithm for Community Microgrid Energy Scheduling. In Proceedings of the 2022 Saudi Arabia Smart Grid (SASG), Riyadh, Saudi Arabia, 12–14 December 2022; pp. 1–7. [Google Scholar] [CrossRef]


















| Ref. No | System Configuration | Objective Function | Research Gap | Technique | Disadvantage | Contribution | ||||||||
|---|---|---|---|---|---|---|---|---|---|---|---|---|---|---|
| PV | WT | BS | MT | FC | EL | SC | DG | BM | ||||||
| [1] | ✓ | - | ✓ | - | - | - | - | - | - | Maximize SPVS flexibility, efficiency, and compatibility, ensuring fast, accurate control of converters and inverter voltage. | Addressing efficient control strategies for flexible solar PV systems with lead-acid batteries under variable conditions. | SMC | High dependency on battery performance; may degrade under frequent cycling. | Developed advanced control strategies for flexible SPVS. |
| [2] | ✓ | - | ✓ | - | - | - | - | - | - | Maximize PV efficiency, MPPT effectiveness, and smooth power management in standalone microgrids. | Improve MPPT efficiency and speed for standalone PV systems, especially in partial shading conditions | MIWO-P&O, Takagi-Sugeno (TS)-fuzzy logic, OPAL RT | Complex implementation; requires high computational resources. | Proposed an improved MPPT approach for enhanced PV efficiency. |
| [4] | ✓ | ✓ | ✓ | - | - | - | - | - | - | Enhance PV system efficiency, stability via adaptive MPPT, advanced controls, and energy management with storage integration. | Enhance P&O MPPT algorithm in PV systems by exploring advanced control techniques and variable step sizes. | pulse width of the space vector; perturb and observe (P&O); modulation | Limited scalability for large-scale systems. | Integrated adaptive MPPT with advanced control for higher efficiency. |
| [5] | ✓ | - | - | - | - | - | - | - | - | Optimize solar PV system efficiency and reduce settling time with a hybrid MPPT algorithm. | Develop hybrid MPPT algorithm for solar PV systems to improve efficiency and reduce settling time. | PSO_ML-FSSO, | Sensitive to initial conditions; may require fine-tuning. | Developed a hybrid MPPT algorithm to enhance efficiency and reduce response time. |
| [7] | - | ✓ | - | - | - | - | - | - | - | Maximize wind energy system efficiency with GWO-MPPT, optimizing MOSFET duty cycle for enhanced power extraction. | GWO-MPPT controller enhances integrated wind energy system efficiency, addressing previous inefficiencies. | GWO | Performance drops under rapidly changing wind conditions. | Implemented GWO-MPPT for enhanced wind energy extraction. |
| [8] | - | ✓ | - | - | - | - | - | - | - | Optimize pitch angle controller with PSO and GA for enhanced system response and efficiency. | Methodology lacks adaptability for real-time adaptive control due to manual selections and analysis requirements. | PSO optimized PI, GA optimized PI | High computational cost; may not be suitable for real-time applications. | Enhanced pitch angle control with PSO and GA for real-time adaptability. |
| [9] | - | ✓ | - | - | - | - | - | - | - | Optimize wind turbine power extraction with Quantum Neural Networks for MPPT in battery-charging windmills. | Current wind MPPT strategies insufficiently adapt to non-linearities, hindering efficiency and power extraction. | QNN | Requires extensive training data; complex implementation. | Implemented QNN for optimized wind energy extraction in battery-charging systems. |
| [10] | - | - | ✓ | - | - | - | - | - | - | Develop precise SoC forecasting models, evaluate performance, and enhance utility via model adaptation. | Addressing battery model uncertainty for enhanced State of Charge forecasting accuracy is crucial. | ERM, CRM | Limited generalization across different battery chemistries. | Enhanced SoC forecasting accuracy through model adaptation. |
| [11] | ✓ | ✓ | ✓ | - | - | - | - | - | - | Enhancing accuracy in SoC forecasting models, addressing battery model uncertainty. | lack of surplus power management investigation; suggests future integration for comprehensive hybrid power system analysis. | LSTM Neural Network | High computational demand; may not be suitable for edge devices. | Improved battery SoC prediction accuracy with LSTM models. |
| [12] | ✓ | - | - | ✓ | - | ✓ | ✓ | - | - | Coordinate islanded MIES for stable power distribution among electrolyzer, MTG, and supercapacitor, prioritizing renewable energy use. | Scarcity in research on coordinated control for islanded MIES, especially enhancing AC bus fault management. | (MRAC), current control loops using a PI control | Complex coordination; may introduce stability issues. | Developed coordinated control strategies for islanded MIES. |
| [14] | ✓ | - | - | - | - | - | - | - | - | Optimize PV system efficiency under partial shading using DSP-implemented Jellyfish algorithm for optimal energy generation. | Enhance PV system performance under partial shading with novel algorithms like Jellyfish Optimization in disturbed conditions. | DSP-implemented Jellyfish algorithm | Requires specialized hardware (DSP); not easily deployable. | Applied Jellyfish algorithm to improve PV performance under partial shading. |
| [15] | ✓ | ✓ | ✓ | ✓ | ✓ | - | - | ✓ | - | Minimize system cost, optimize energy management for distributed generation, achieving lower costs and higher efficiency. | Validate multi-objective optimization in real microgrid, integrating with existing systems. | GJO | High complexity; may not be cost-effective for small-scale systems. | Proposed a cost-effective, energy-efficient optimization using GJO. |
| [16] | ✓ | ✓ | - | - | - | ✓ | - | - | ✓ | Optimize hybrid renewable system for reliability, cost-effectiveness with LFSSA, minimizing annualized system cost | Evaluate hybrid LFSSA performance and cost-effectiveness versus existing methods in microgrid design. | LFSSA | Convergence speed may vary with problem complexity. | Improved hybrid system reliability and cost-effectiveness with LFSSA. |
| [17] | ✓ | ✓ | ✓ | - | - | - | - | - | - | Enhance microgrid management using IoT, addressing renewable uncertainties, comparing GBDT-JS with existing methods. | Enhance predictability in multi-energy microgrids with machine learning for operational dynamics. | GBDT-JS | Dependent on data quality; IoT integration may introduce cybersecurity risks. | Developed IoT-integrated machine learning for enhanced microgrid management. |
| Equations in ON Mode | Equations in OFF Mode | |
|---|---|---|
| Voltage across the inductor | ||
| Inductor current: | ||
| Voltage across the capacitor: | ||
| Capacitor current: |
| In Charging Mode | In Discharging Mode | |
|---|---|---|
| Voltage relation: | ||
| Current relation: | ||
| Power relation: |
| S.NO | Input | Output | |||
|---|---|---|---|---|---|
| Primary Source | Backup Source | ||||
| PV | WECS | BESS | MT | ||
| 1. | 1 | 0 | 0 | 0 | 1 |
| 2. | 0 | 1 | 0 | 0 | 1 |
| 3. | 1 | 1 | 0 | 0 | 1 |
| 4. | 1 | 1 | 1 | 0 | 1 |
| 5. | 0 | 0 | 0 | 1 | 1 |
| S.NO | Algorithm | Load Demand (W) | PV (W) | WT (W) | BS (W) | MT (W) | Load (W) | Efficiency (%) |
|---|---|---|---|---|---|---|---|---|
| 1. | PSO [27,28] | 15,000 | 14,557.84 | 14,691.92 | 14,212.8 | 14,393.88 | 14,345.69 | 99.181 |
| 2. | BFO [29,30] | 15,000 | 14,558.63 | 14,692.571 | 14,212.8 | 14,393.88 | 14,346.16 | 99.182 |
| 3. | ABC [31,32] | 15,000 | 14,559.581 | 14,692.943 | 14,212.8 | 14,393.88 | 14,346.67 | 99.183 |
| 4. | GWO [33,34] | 15,000 | 14,559.83 | 14,693.24 | 14,212.8 | 14,393.88 | 14,346.84 | 99.184 |
| 5. | WOA [35,36] | 15,000 | 14,560.43 | 14,693.78 | 14,212.8 | 14,393.88 | 14,347.43 | 99.186 |
| 6. | JSO-GJO (Present) | 15,000 | 14,561.76 | 14,695.544 | 14,212.8 | 14,393.88 | 14,349.89 | 99.20 |
| S.NO | Algorithm | Parameters | Load Demand (W) | PV (W) | WECS (W) | BESS (W) | MTG (W) | Load (W) |
|---|---|---|---|---|---|---|---|---|
| 1. | PSO [27,28] | Solar: Irradiance—1000 Temperature—30 Wind: Wind Speed −10 m/s | 15,000 | 14,231.27 | 12,181.206 | 14,212.80 | 14,393.88 | 14,391.131 |
| Solar: Irradiance—800 Temperature—20 Wind: Wind Speed −7 m/s | 15,000 | 8906.23 | 6577.113 | 14,212.80 | 14,393.88 | 8242.772 | ||
| Solar: Irradiance—600 Temperature—15 Wind: Wind Speed −9 m/s | 15,000 | 5672.348 | 7579.482 | 14,212.80 | 14,393.88 | 5965.228 | ||
| 2. | BFO [29,30] | Solar: Irradiance—1000 Temperature—30 Wind: Wind Speed −10 m/s | 15,000 | 14,232.646 | 12,181.895 | 14,212.80 | 14,393.88 | 14,391.742 |
| Solar: Irradiance—800 Temperature—20 Wind: Wind Speed −7 m/s | 15,000 | 8912.45 | 6577.373 | 14,212.80 | 14,393.88 | 8243.006 | ||
| Solar: Irradiance—600 Temperature—15 Wind: Wind Speed −9 m/s | 15,000 | 5678.106 | 7579.720 | 14,212.80 | 14,393.88 | 5965.570 | ||
| 3. | ABC [31,32] | Solar: Irradiance—1000 Temperature—30 Wind: Wind Speed −10 m/s | 15,000 | 14,233.249 | 12,182.366 | 14,212.80 | 14393.88 | 14,392.375 |
| Solar: Irradiance—800 Temperature—20 Wind: Wind Speed −7 m/s | 15,000 | 8916.845 | 6577.602 | 14,212.80 | 14,393.88 | 8243.438 | ||
| Solar: Irradiance—600 Temperature—15 Wind: Wind Speed −9 m/s | 15,000 | 5685.25 | 7579.991 | 14,212.80 | 14,393.88 | 5965.881 | ||
| 4. | GWO [33,34] | Solar: Irradiance—1000 Temperature—30 Wind: Wind Speed −10 m/s | 15,000 | 14,233.47 | 12,182.586 | 14,212.80 | 14,393.88 | 14,392.537 |
| Solar: Irradiance—800 Temperature—20 Wind: Wind Speed −7 m/s | 15,000 | 8923.998 | 6577.82 | 14,212.80 | 14,393.88 | 8243.847 | ||
| Solar: Irradiance—600 Temperature—15 Wind: Wind Speed −9 m/s | 15,000 | 5688.004 | 7580.202 | 14,212.80 | 14,393.88 | 5966.018 | ||
| 5. | WOA [35,36] | Solar: Irradiance—1000 Temperature—30 Wind: Wind Speed −10 m/s | 15,000 | 14,233.98 | 12,182.71 | 14,212.80 | 14,393.88 | 14,392.739 |
| Solar: Irradiance—800 Temperature—20 Wind: Wind Speed −7 m/s | 15,000 | 8927.65 | 6578.133 | 14,212.80 | 14,393.88 | 8244.120 | ||
| Solar: Irradiance—600 Temperature—15 Wind: Wind Speed −9 m/s | 15,000 | 5696.809 | 7580.63 | 14,212.80 | 14,393.88 | 5966.333 | ||
| 6. | JSO-GJO [Proposed] | Solar: Irradiance—1000 Temperature—30 Wind: Wind Speed −10 m/s | 15,000 | 14,235.68 | 12,184.469 | 14,212.80 | 14,393.88 | 14,393.987 |
| Solar: Irradiance—800 Temperature—20 Wind: Wind Speed −7 m/s | 15,000 | 8930.784 | 6578.609 | 14,212.80 | 14,393.88 | 8244.703 | ||
| Solar: Irradiance—600 Temperature—15 Wind: Wind Speed −9 m/s | 15,000 | 5701.80 | 7581.91 | 14,212.80 | 14,393.88 | 5967.53 |
Disclaimer/Publisher’s Note: The statements, opinions and data contained in all publications are solely those of the individual author(s) and contributor(s) and not of MDPI and/or the editor(s). MDPI and/or the editor(s) disclaim responsibility for any injury to people or property resulting from any ideas, methods, instructions or products referred to in the content. |
© 2025 by the authors. Licensee MDPI, Basel, Switzerland. This article is an open access article distributed under the terms and conditions of the Creative Commons Attribution (CC BY) license (https://creativecommons.org/licenses/by/4.0/).
Share and Cite
Kumar, D.; Chauhan, Y.K.; Pandey, A.S.; Srivastava, A.K.; Vijayaraghavan, R.R.; Elavarasan, R.M.; Shafiullah, G.M. Optimal Sustainable Energy Management for Isolated Microgrid: A Hybrid Jellyfish Search-Golden Jackal Optimization Approach. Sustainability 2025, 17, 4801. https://doi.org/10.3390/su17114801
Kumar D, Chauhan YK, Pandey AS, Srivastava AK, Vijayaraghavan RR, Elavarasan RM, Shafiullah GM. Optimal Sustainable Energy Management for Isolated Microgrid: A Hybrid Jellyfish Search-Golden Jackal Optimization Approach. Sustainability. 2025; 17(11):4801. https://doi.org/10.3390/su17114801
Chicago/Turabian StyleKumar, Dilip, Yogesh Kumar Chauhan, Ajay Shekhar Pandey, Ankit Kumar Srivastava, Raghavendra Rajan Vijayaraghavan, Rajvikram Madurai Elavarasan, and G. M. Shafiullah. 2025. "Optimal Sustainable Energy Management for Isolated Microgrid: A Hybrid Jellyfish Search-Golden Jackal Optimization Approach" Sustainability 17, no. 11: 4801. https://doi.org/10.3390/su17114801
APA StyleKumar, D., Chauhan, Y. K., Pandey, A. S., Srivastava, A. K., Vijayaraghavan, R. R., Elavarasan, R. M., & Shafiullah, G. M. (2025). Optimal Sustainable Energy Management for Isolated Microgrid: A Hybrid Jellyfish Search-Golden Jackal Optimization Approach. Sustainability, 17(11), 4801. https://doi.org/10.3390/su17114801

