Next Article in Journal
Measuring the Cost of the European Union’s Carbon Border Adjustment Mechanism on Moroccan Exports
Next Article in Special Issue
A Short-Term Wind Speed Forecasting Framework Coupling a Maximum Information Coefficient, Complete Ensemble Empirical Mode Decomposition with Adaptive Noise, Shared Weight Gated Memory Network with Improved Northern Goshawk Optimization for Numerical Weather Prediction Correction
Previous Article in Journal
Comparison of Carbon Storage in Forested and Non-Forested Soils in Tropical Wetlands of Caimanera, Colombia, and Llano, Mexico
Previous Article in Special Issue
Research on Renewable Energy Trading Strategies Based on Evolutionary Game Theory
 
 
Font Type:
Arial Georgia Verdana
Font Size:
Aa Aa Aa
Line Spacing:
Column Width:
Background:
Article

Mechanism Analysis of the Effect of the Equivalent Proportional Coefficient of Inertia Control for a Doubly Fed Wind Generator on Frequency Stability in Extreme Environments

1
Key Laboratory of Cleaner Intelligent Control on Coal & Electricity, Ministry of Education, Taiyuan University of Technology (School of Electrical and Power Engineering, Taiyuan University of Technology), Taiyuan 030024, China
2
Shanxi Energy Internet Research Institute, Taiyuan 030024, China
*
Author to whom correspondence should be addressed.
Sustainability 2024, 16(12), 4965; https://doi.org/10.3390/su16124965
Submission received: 8 April 2024 / Revised: 26 May 2024 / Accepted: 3 June 2024 / Published: 11 June 2024

Abstract

With the large-scale access of a doubly fed wind generator (DFWG) with inertia adjustment capability to the polar microgrid, the frequency stability characteristics of the polar microgrid become more complicated. To enhance DWFG frequency stability and ensure the safe and reliable operation of polar microgrids, a DFWG connected to a two-region interconnected polar microgrid is used as the research background for this paper. Firstly, the equivalent model of two regional inertia centers is derived, and the effect of DFWG virtual inertia on the rotor motion equation of the regional inertia center is analyzed when a DFWG is directly connected to the polar microgrid. Then, from the point of view of the transient energy of the system, the influence of the equivalent proportional coefficient of virtual inertia control of the DFWG in two regions on the transient energy during the acceleration and deceleration of the system is studied when the swing direction of the system power angle is different, and the influence mechanism of the swing direction on the frequency stability is further investigated. Finally, the maximum frequency offset is proposed to evaluate the frequency stability of the system, and the two-region system simulation model is built into the PSASP 7.4.1 simulation software to verify the correctness of the proposed theory.

1. Introduction

Extreme environments such as strong wind, extreme cold, and strong ultraviolet radiation have caused great disturbance to the stable operation of polar wind turbines, leading to a serious lacking in the power system’s inertial response capability and the prominence of transient frequency problems [1]. Once the power supply is stopped, it will delay the process of Antarctic scientific research work, threaten the operation of equipment, and even endanger the lives of scientific researchers [2]. Therefore, in various extreme environments, polar power systems need to provide safe and reliable power. As the virtual inertia control technology of doubly fed wind generators (DFWGs) continues to improve, it can provide sufficient dynamic inertia support for the system to maintain system frequency stability and ensure the safe and reliable operation of the system [3]. Therefore, it is of great significance to study how DFWGs affect the system’s frequency stability through their virtual inertia.
At present, when domestic and foreign scholars have studied the effect of DFWGs’ inertia control ratio coefficients on its systems frequency stability, the main consideration is the additional virtual inertia control for the DFWG in the sending and receiving end regions separately. However, there is a lack of consideration for simultaneously applying inertia control to the DFWG in both the sending and receiving end regions; less attention is paid to the influence mechanism of the proportion coefficient of the virtual inertia control link of the DFWG in the two-area-interconnected system on the frequency stability of the system. Analyzing a single-machine infinite bus system through a time domain simulation, a DFWG can increase the frequency stability of its power system in the event of minor disturbances, but can decrease it in the event of major disturbances [4]. When a more intricate two-area-interconnected system is disrupted, the sending/receiving system’s inertia will have a more intricate effect on the system’s transient energy. To examine the transient stability of the DFWG system, virtual inertia was added to the transmitting and receiving ends in [5]. The system’s transient stability is decreased if the power curves of the synchronous machine and DFWG are actively crossed after the system is disrupted. Should passive crossing take place, the temporary stability of the system is improved. The influence of the inertia control proportional coefficient was studied on the system frequency stabilization in [6]. Considering the supplementary frequency proportional differentiation control under small disturbances, the equivalent inertia time constant of the DFWG was calculated. On this basis, the frequency response model of the power system, considering wind power integration in frequency regulation control, is constructed. Based on the traditional control theory, through small-signal modeling and eigenvalue research, the realization method of DFWG torque and power lag was proposed in [7]; the authors demonstrated how these two technologies affect frequency stability. They concluded that the increase in the inertia time constant of the receiving-end system and the increase in the inertia time constant of the sending-end system has roughly the opposite effect on the transient stability level of the power grid. To improve the synchronization stability of a DFIG-based wind turbine, the D-partition method is introduced to determine the stable region of the system in [8]. The coupling between the reliability and frequency deviation is further addressed by developing a novel frequency-sensitive reliability model of the electric generator in [9].
Scholars have proposed the “regional inertia center equivalence theory” to analyze the internal mechanism of frequency stability in interconnected systems and group synchronous generators that are strong electrical connected and share similar transient frequency characteristics into the same region. It is important in systems’ stability analysis of transient states to study the internal mechanism of frequency stability in regional interconnected systems by deducing the motion equation of the rotor in each region’s inertia center [10]. Academician Yusheng Xue proposed to analyze the internal mechanism of frequency stability after large and small disturbances from the perspective of transient energy. The expression of the transient energy function of the power system after large-scale wind power access was derived in [11,12,13]. The authors analyzed the transient energy change of the system during the transient process after the system is disturbed, and then studied the impact of wind power access on the transient stability of the system frequency.
Most of the existing literature derives the time domain expression of the system frequency response based on the integrated inertial control theory of the wind turbine, then analyzes the internal mechanism of the system frequency stability; such studies pay less attention to the system frequency variation law and internal mechanism in the first oscillation cycle. The opinion that the response of a DFWG is an inertia response was proposed in [14]. Compared with a synchronous generator, it is analyzed by using the concepts of virtual inertia and damping coefficient, but the variation law of frequency in the first oscillation period of the system is not studied. The DFIG power angle dynamic characteristics are characterized, and a second-order transient model is established. The impact of system variables on transient stability are quantitatively investigated in [15].
The operation mechanism of the power angle oscillation and the frequency dynamic behavior of the microgrid are complicated after perturbation is complicated. In the process of microgrid oscillation, the power angle oscillation changes the electromagnetic power distribution of generator sets in the microgrid, accelerates the torque change, and affects the frequency change. Characterization of microgrid frequency dynamics and power angle oscillation can provide a theoretical basis for microgrid control strategy analysis, reduce the risk of grid operation, and improve the frequency stability of microgrid systems [16,17].
Therefore, this paper takes DFWG in polar extreme environments as the research object. Firstly, the equivalent model of a two-area inertia center is established, and the influence of DFWG virtual inertia on the rotor motion equation of a two-area inertia center synchronous machine is analyzed. Then, from the perspective of the transient energy function, the analysis examines the impact of different system power angle swing directions and different equivalent inertia control ratio coefficients on the transient energy during the processes of acceleration and deceleration during a three-phase short-circuit fault and load surge occur in the interconnected double-area system with DFWG, and then the influence mechanism of system frequency stability is studied. Finally, the largest frequency deviation of the system is proposed to evaluate the frequency stability of the system.

2. Equivalent Inertia Time Constant of DFWG

2.1. Equivalent Inertia Time Constant of DFWG

The change of kinetic energy in the process of DFWG inertial response can be expressed by the change of DFWG rotor speed and the inherent moment of inertia [18].
Δ E k = 1 2 n p 2 S N J W ω r 0 + Δ ω r 2 ω r 0 2
where np is the pole number of DFWG stator winding; SN is the rated capacity; JW expresses the system’s inherent moment of inertia; ωr0 states the initial rotor angular velocity; Δωr is the increment of rotor angular velocity.
Figure 1 depicts the classical virtual inertia control model of DFWG. The speed of DFWG is coupled with the angular velocity of the system after adding virtual inertia control. The change of kinetic energy of DFWG in the process of inertia response can be expressed by the change of synchronous angular velocity of the system and the equivalent rotational inertia of a DFWG:
Δ E k = 1 2 n p 2 S N J vir ω g 0 + Δ ω g 2 ω g 0 2
where Jvir is the equivalent rotational inertia of a DFWG; ωg0 is the initial synchronous angular velocity; and Δωg is the increment of the synchronous angular velocity of the system.
From (1) and (2), we can see that the equivalent moment of inertia of a DFWG relative to the system synchronous speed change can be described as:
J vir = 2 ω r 0 + Δ ω r Δ ω r 2 ω g 0 + Δ ω g Δ ω g J W Δ ω r ω r 0 Δ ω g ω g 0 J W
The equivalent inertia time constant of a DFWG can be denoted as follows:
H vir = J vir ω g 0 2 2 n p 2 S N = Δ ω r Δ ω g ω g 0 ω r 0 ω N 2 ω N 2 2 n p 2 S N J W = Δ ω r Δ ω g ω g 0 ω r 0 ω N 2 H W
where ωN is the rated angular velocity of the wind turbine; the inherent inertia time constant of DFWG HW can be expressed as H W = J W ω N 2 / ( 2 n p 2 S N ) .

2.2. Frequency Domain Expression of DFWG Equivalent Inertia Time Constant

In the process of DFWG virtual inertia response, given that the feedback of the current inner loop significantly exceeds that of the electro-mechanical transient process of the generator, the internal loop of current is identical to the first-order inertial link [19]. The variation of stator flux linkage is disregarded [20], and it is approximately considered to remain unchanged. The change of DFWG electromagnetic power reference value ΔPref is determined by ΔPopt provided by maximum power tracking control and ΔPvir provided by inertia control:
Δ P ref = Δ P opt Δ P vir
Assuming that the DFWG speed changes from ωr0 to ωr1, the speed change is small, and ΔPopt and ΔPvir can be expressed as:
Δ P opt = P opt ω r 1 P opt ω r 0 3 k opt ω r 0 2 Δ ω r Δ P vir = K Δ f g = K Δ ω g
where kopt is the proportional coefficient of the tracking curve of the largest power; K is the inertia control proportional coefficient.
The change of DFWG electromagnetic power reference value ΔPref and the change of DFWG electromagnetic power value ΔPe can be shown as:
Δ P ref = Δ P opt Δ P vir = 3 k opt ω r 0 2 Δ ω r K Δ ω g
Δ P e = Δ P ref 1 τ s + 1 = 3 k opt ω r 0 2 Δ ω r K Δ ω g 1 τ s + 1
where τ is the time constant of the converter, taking 0.02 s; s is the Laplace operator introduced by performing the frequency domain analysis.
When the DFWG speed changes, the DFWG rotor motion equation is shown as follows:
2 H W d Δ ω r d t = Δ P e
Thus, Δ ω r / Δ ω g can be expressed as:
Δ ω r Δ ω g = K 2 H W s τ s + 1 + 3 k opt ω r 0 2
Substituting Equation (10) into Equation (4), the frequency domain expression of DFWG equivalent inertia time constant can be obtained as follows:
H vir = Δ ω r Δ ω g ω g 0 ω r 0 ω N 2 H W = ω g 0 ω r 0 H W ω N 2 2 H W τ s 2 + 2 H W s + 3 k opt ω r 0 2 K = H vir 0 K
H vir 0 = ω g 0 ω r 0 H W ω N 2 2 H W τ s 2 + 2 H W s + 3 k opt ω r 0 2
  H vir = H vir 0 K
where Hvir0 represents the changing trend of DFWG equivalent inertia time constant Hvir in the process of inertia response; K represents the value of DFWG equivalent inertia time constant Hvir.
It can be seen from Equation (13) that, if the DFWG in the wind farm has the same basic parameters, then the equivalent inertia time constant Hvir0 in the inertia response process of a DFWG has the same change trend in the time domain. It first reaches the maximum value quickly, then begins to decline, and finally tends to be stable.

3. Equivalent Model of Two Regional Centers of Inertia

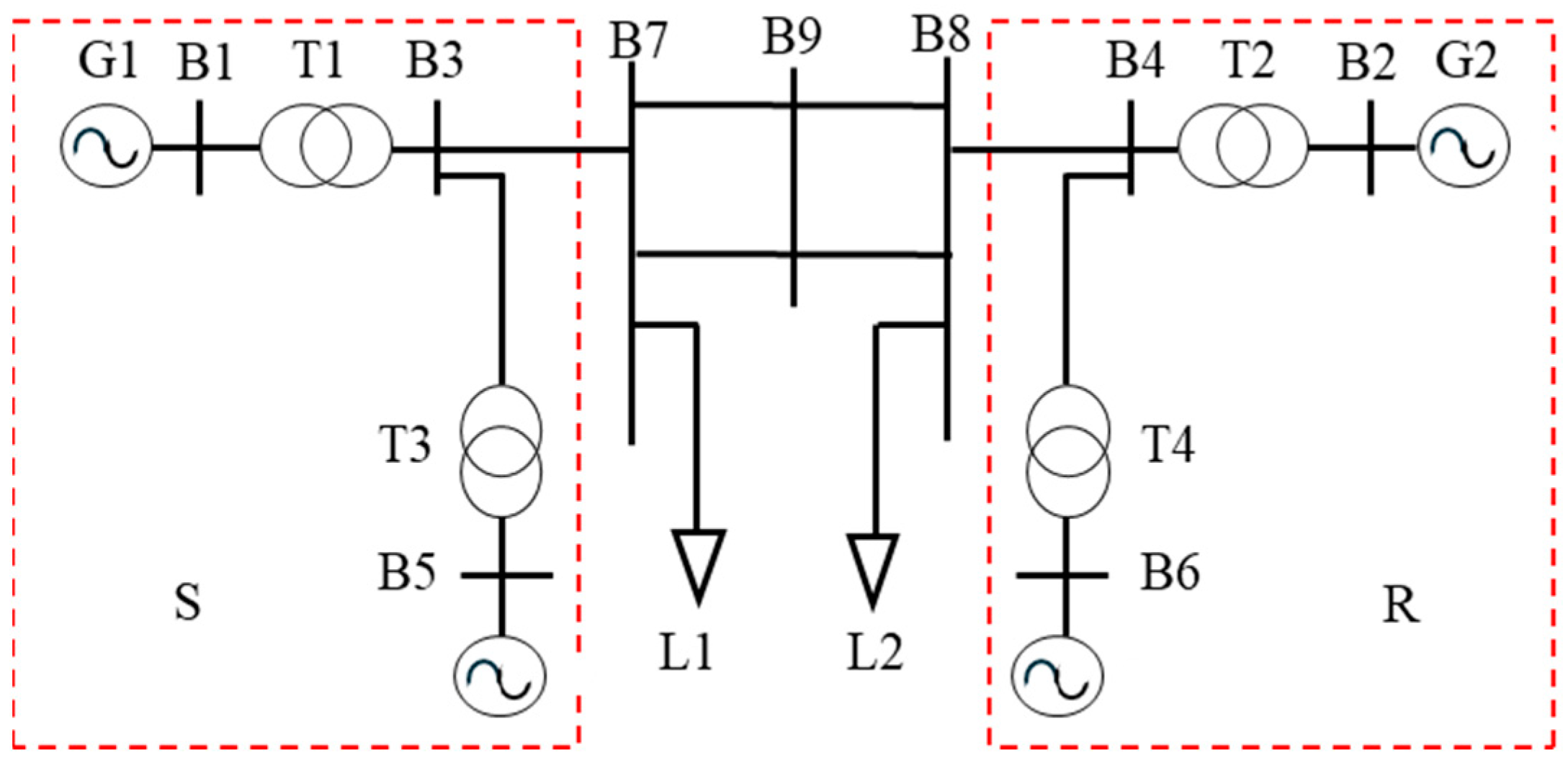
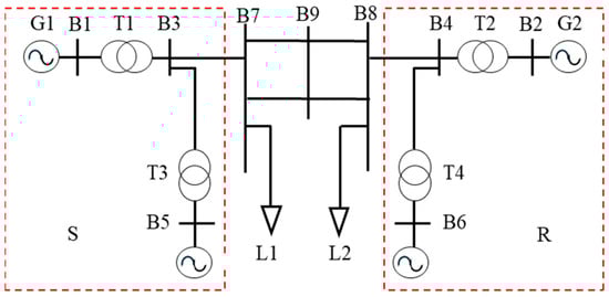
Assuming that the destabilization mode of the system after suffering a large or small disturbance is a two-machine mode, the synchronous machines on both sides of the system are classified into the sender group and the receiver group, according to the direction of power transmission in the contact line; here, G1 is the sender group (S group) and G2 is the receiver group (R group) [21]. The DFWG is directly connected to the grid-connecting buses of the sender group and the receiver group; the model of the two-machine system is shown in Figure 2.
The “Regional Inertial Center Equivalent Theory” indicates that the inertia time constant of the regional inertial center can be expressed as H = i = 1 n H i , where Hi is the inertia time constant of synchronous machines within the region [22]. Different from the traditional synchronous generator rotational inertia, the virtual inertia of a DFWG is achieved by changing the active power output of the wind turbine. Therefore, when a DFWG is directly connected to the sending/receiving end of a power system, it does not alter the total inertia of the connected region. However, the electromagnetic and mechanical power of synchronous generators in the same region are correspondingly decreased. According to the definition of the inertia time constant of the regional inertial center and the physical nature of how a DFWG achieves inertia response, it can be understood that the inertia time constant, the mechanical power, and the electromagnetic power of the regional inertial center, after the DFWG connection, can be shown as:
H = H P m = P m P mw P e = P e P ew
where H and H′ present the equivalent inertia time constants of the regional inertial center before and after the DFWG connection; Pm and Pm′ represent the equivalent mechanical power of the regional inertial center before and after the DFWG connection; Pe′, Pe represent the equivalent electromagnetic power of the regional inertial center before and after DFWG connection; Pmw and Pew represent the mechanical power and electromagnetic power of the DFWG, respectively.
From the equation of motion of the DFWG rotor [23], it can be understood that the mechanical power and electromagnetic power of the DFWG can be expressed as:
P mw P ew = 2 H vir d ω d t
where Hvir represents the equivalent inertia time constant of the DFWG; ω represents the rotational speed of synchronous generators within the DFWG region.
Assuming that the synchronous machine frequency of group S leads to that of group R, the expression of the rotor motion equation for synchronous machines on both sides of the system is modified as per [24].
d 2 δ S d t 2 = 1 2 H S P Sm P Smw P Se P Sew = 1 2 H S P Sm P Se P S mw P Sew = 1 2 H S P Sm P Se 2 H virS d ω S d t d 2 δ R d t 2 = 1 2 H R P Rm P Rmw P Re P Rew = 1 2 H R P Rm P Re P Rmw P Rew = 1 2 H R P Rm P Re 2 H virR d ω R d t
d 2 δ SR d t 2 = P S m 2 H S P Rm 2 H R P Se 2 H S P Re 2 H R H virS H S d ω S d t H virR H R d ω R d t = P m P e Δ P W
where δ S and δ R represent the equivalent rotor angles for groups S and R, respectively; δ SR = δ S δ R is the system rotor angle; PSm, PSe, PRm, and PRe are the equivalent mechanical and electromagnetic powers of synchronous machines in groups S and R before the DFWG is linked; PSmw, PSew, PRmw, and PRew are the mechanical and electromagnetic powers of DFWGs within groups S and R; HS and HR are the inertia time constants of synchronous machines; HvirS and HvirR are the equivalent inertia time constants of DFWGs; ωS and ωR are the rotational speeds of synchronous machines; Pm and Pe are the equivalent mechanical and electromagnetic powers of the system; ΔPW is the variation in equivalent power resulting from the connection of the DFWG.

4. Analysis of Transient Energy Function for the System after Disturbance

4.1. Positive Swinging of Rotor Angle

After the system experiences a disturbance, there will be oscillations in the angular difference between the two ends [25]. Depending on the direction of the system’s power angle when disturbed, the transient energy of the system is analyzed in two different cases. At that moment d δ SR / d t > 0 , the system’s rotor angle has two types of swings: positive swing and positive swing followed by the negative swing, as shown in Figure 3; at another instance, d δ SR / d t < 0 , the system’s rotor angle has two types of swings: negative swing and negative swing. These are followed by the positive swing, as depicted in Figure 4.
When the rotor angle swings positively, the transient energy of the system VT can be expressed as:
V T = δ 0 δ u P m P e Δ P W d δ SR = δ 0 δ u P m P e d δ SR + V W = δ 0 δ τ P m P e 1 Δ P W d δ SR + δ τ δ u P m P e 2 Δ P W d δ SR
where Pe1 and Pe2 represent the equivalent electromagnetic power during the system’s acceleration and deceleration periods; VW is the transient energy provided by DFWG; this can be expressed as:
V W = δ 0 δ u Δ P W d δ SR = δ 0 δ τ Δ P W d δ SR δ τ δ u Δ P W d δ SR = V Winc + V Wdec
where VWinc and VWdec represent the transient energy provided by DFWG during the system’s acceleration and deceleration processes, respectively.

4.2. Rotor Angle Reverse Swing

The transient energy of the system can be expressed as:
V T = δ 0 δ u P m P e Δ P W d δ SR = δ 0 δ u P m P e d δ SR + V W = δ 0 δ τ P m P e 1 Δ P W d δ SR + δ τ δ u P m P e 2 Δ P W d δ SR
where Pm and Pe represent the equivalent mechanical power and electromagnetic power of the system when the system frequency undergoes a reverse swing; ΔPw is the equivalent power change caused by the connection of DFWG; Vw is the transient energy provided by the DFWG during the system’s rotor angle reverse swing; Pe1 and Pe2 are the equivalent electromagnetic power during the system’s acceleration and deceleration periods, respectively.
The transient energy provided by the DFWG in Equation (20) can be expressed as:
V W = δ 0 δ u Δ P W d δ RS = δ 0 δ τ Δ P W d δ RS δ τ δ u Δ P W d δ RS = V Winc + V Wdec
where VWinc and VWdec are the transient energy provided by the DFWG during the acceleration and deceleration processes of the system’s rotor angle reverse swing.
Based on the energy perspective of unified analysis theory for rotor angle stability [24], when the system undergoes a large or small disturbance (referred to as “disturbance” below), the system’s transient energy VT can be expressed as:
V T = A inc A dec
where Ain and Adec represent the areas under the curves during the system’s rotor angle initial swing for acceleration and deceleration, respectively.
During the acceleration or deceleration phases of the system, if the virtual inertia of DFWG causes a reduction in the acceleration area or an increase in the deceleration area, the transient energy VW, VW, VT, and VT will decrease. This will be beneficial for the initial swing stability of the system’s rotor angle. By analyzing the impact of the DFWG’s virtual inertia on the system’s transient energy, we will further clarify its influence on the frequency stability of the system.

5. Mechanism of the Impact of DFWG Equivalent Inertia Control Coefficient on System Frequency Stability

5.1. Analysis of Frequency Stability Mechanism during System Acceleration Phase

When the system undergoes frequency oscillations, the amplification factor of the synchronous machine rotor speed between the S-group and R-group is equal to the inverse of the inertia time constant, as per Δ ω S / Δ ω R = H R / H S [26]. Therefore, during the system acceleration process, the transient energy VWinc provided by the DFWG can be expressed as:
V Winc = δ 0 δ τ H virS d ω S H S H virR d ω R H R d δ SR d t = δ 0 δ τ H virS 1 H S / H R d ω S H S H R H S / H R H virR H R / H S 1 d ω R H R H R H S / H S d δ SR d t = δ 0 δ τ H virS H S H R H S / H R H virR H R H R H S / H S d ω SR d δ SR d t = ω 0 ω τ H virS H S H R H S / H R H virR H R H R H S / H S ω SR d ω SR = 1 2 H virS H eqS H virR H eqR ω τ 2 ω 0 2
where H e q R = H R × H R H S / H S , H e q S = H S × H R H S / H R , H S = i = 1 n H i S i / i = 1 n S i , H R = j = 1 m H j S j / j = 1 m S j , Si, Hi, Sj, Hj represent the rated power and inertia time constant of the i-th synchronous generator in the S-group and the j-th synchronous generator in the R-group, respectively. m and n represent the number of synchronous generators in the S-group and R-group, respectively. Due to the non-identical capacities, numbers, and inertia time constants of synchronous generators in the two regions in practical systems, this paper disregards the case where HS and HR have identical values.
According to (13), it can be observed that the transient energy VWinc provided by the DFWG during the acceleration process can be further simplified as [27]:
V Winc = 1 2 H virS H eqS H virR H eqR ω τ 2 ω 0 2 = 1 2 H vir 0 K S H eqS K R H eqR ω τ 2 ω 0 2
where K S / H eqS K R / H eqR is the DFWG equivalent inertia control coefficient.
During positive/negative rotor angle swings, in the system acceleration process where ωSR accelerates from ω0 to ωτ; according to Equation (24), if K S / H eqS K R / H eqR > 0 V Winc < 0 , the transient energy VT decreases, enhancing the system frequency stability. Adjusting KS and KR to increase K S / H eqS K R / H eqR further reduces the transient energy VT, thereby further enhancing the system frequency stability. Conversely, the system frequency stability weakens.

5.2. Analysis of Frequency Stability Mechanism during System Deceleration Phase

The transient energy VWdec provided by the DFWG during the system deceleration process can be expressed as:
V Wdec = δ τ δ u H virS d ω S H S H virR d ω R H R d δ SR = 1 2 H virS H eqS H virR H eqR ω 0 2 ω τ 2 = 1 2 H vir 0 K S H eqS K R H eqR ω 0 2 ω τ 2
During positive/negative rotor angle swings in the system deceleration process, where ωSR decelerates from ωτ to ω0, according to Equation (25), if K S / H eqS K R / H eqR > 0 V Wdec > 0 , the transient energy VT increases, leading to a decrease in system frequency stability. Adjusting KS and KR to increase K S / H eqS K R / H eqR further increases VT, thereby further reducing the system frequency stability. Conversely, the system frequency stability strengthens.
The criteria for determining system frequency stability during positive and negative rotor angle swings in the system acceleration and deceleration phases are provided in Table 1 and Table 2.

6. Case Study Analysis

The classic virtual inertia control method is employed to construct the DFWG model in PSASP 7.4.1 [28]. By introducing polar microgrid frequency deviation signals, adjustments are made to the DFWG’s active power and rotor speed to support active dynamic power for the polar microgrid. Within the PSASP 7.4.1 software, a two-region interconnected system is constructed, where the wind farm is represented equivalently by a single DFWG connected to buses B3 and B4. The inertia time constants of synchronous generators on both sides of the system, H S = 4 s   H R = 5 s   H eqS = H S × ( H R H S ) / H R = 0 . 8   H eqR = H R × ( H R H S ) / H S = 1 . 25 , along with variables related to wind turbines and synchronous generators, are detailed in Table 3 and Table 4.
To assess system frequency stability under different scenarios, the absolute value of the maximum frequency deviation | Δ f SR _ max | is adopted as an indicator for evaluating system frequency stability. When the absolute value of the maximum frequency deviation | Δ f SR _ max | decreases, the system frequency stability strengthens; conversely, when it increases, the system frequency stability weakens.
In the case study, five different scenarios are set based on the system experiencing significant disturbances (three-phase short circuit) and minor disturbances (load surge), with variations in the proportional coefficients of the DFWG equivalent inertia control loop. The specific parameters for each scenario are detailed in Table 5.

6.1. Three-Phase Short Circuit Fault—Simulation Analysis of System Frequency Stability

In different scenarios, the output electromagnetic power of the DFWG and synchronous machines is presented in Table 6.

6.1.1. Three-Phase Short Circuit Fault K S / H eqS K R / H eqR 0 Simulation Analysis

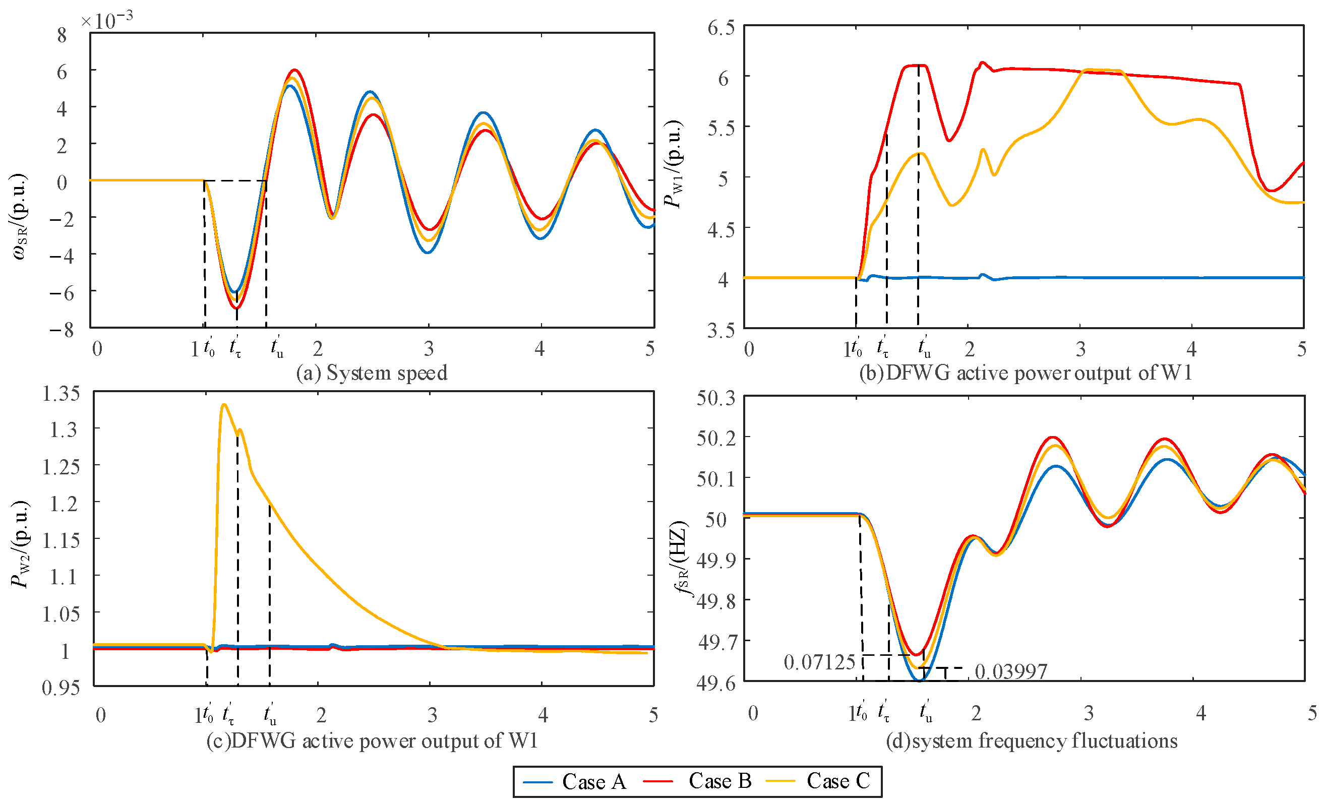
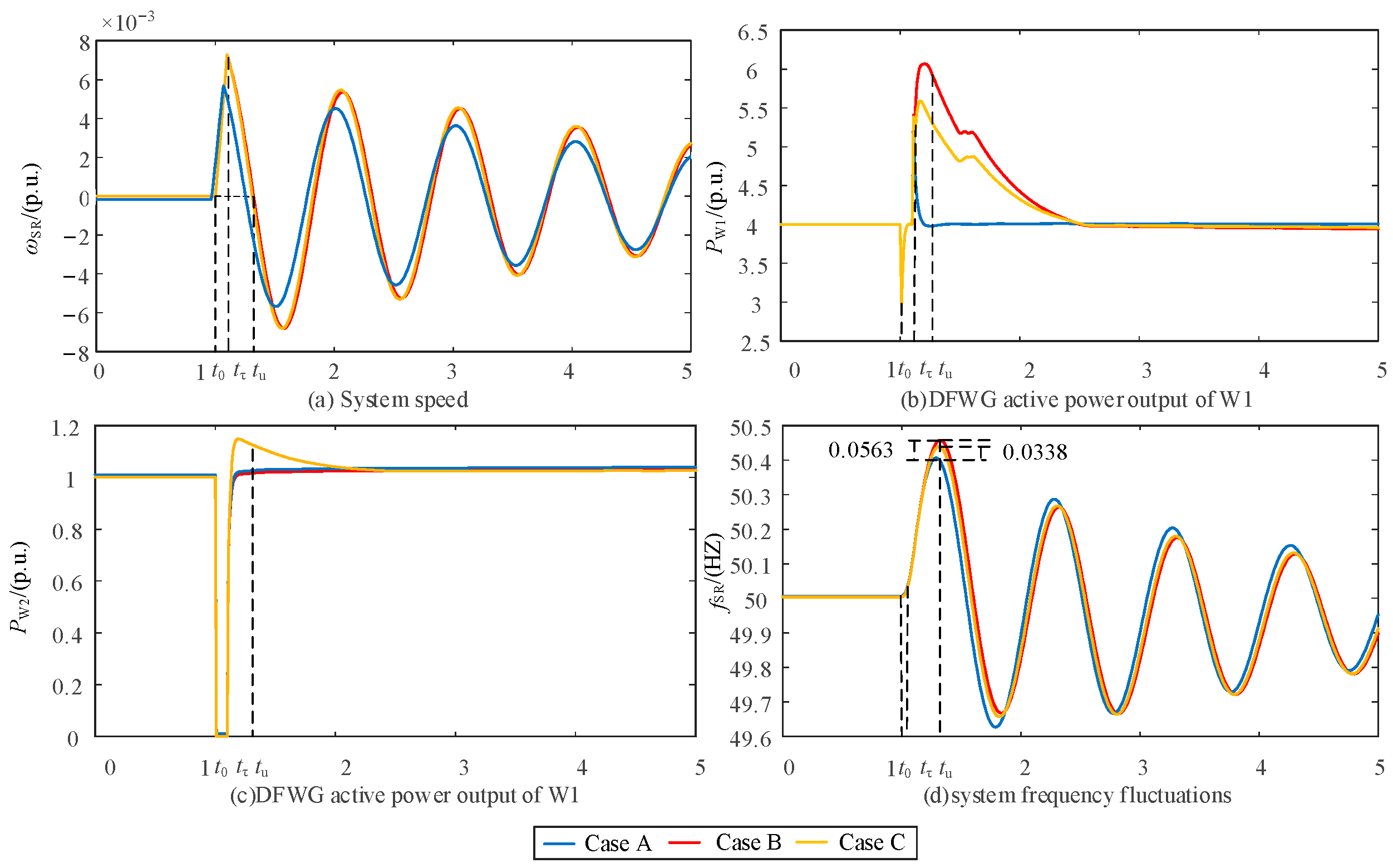
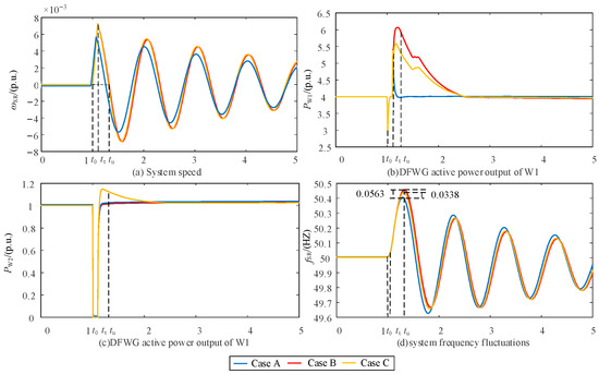
With active loads of L1 and L2 are 1100 MW and 200 MW, respectively. A three-phase ground fault is introduced at bus B8, lasting for 0.1 s. Figure 5a–d illustrates the system speed, DFWG active power output of W1, W2, and system frequency fluctuations before and after the fault. In Figure 5, t0 denotes the fault start time, t τ denotes the fault end time, and t u denotes the time when the frequency peaks. The results of the system frequency stability assessment are presented in Table 7.
As shown in Figure 5a–d, in t 0 , t τ , the system experiences a three-phase short circuit, which causes ωSR to accelerate from ω0 to ωτ and the terminal voltages at W1 and W2 incline to 0.38 p.u. and 0.23 p.u., respectively. When the terminal voltage is less than 0.4 p.u., the DFWG rotor-side converter’s low-voltage ride-through control response activates, locking the integral loop of active power under normal operating conditions. Consequently, virtual inertia cannot offer dynamic active power supply to the polar microgrid by changing the DFWG’s active power reference value [29].
In t τ , t u , the fault is cleared, and ωSR decelerates from ωτ to ω0, Due to the system frequency fluctuations after fault clearance, the DFWG demonstrates good low-voltage ride-through capability, leading to a rapid recovery of terminal voltages. The virtual inertia of the DFWG responds to the system frequency changes [30], and the output electromagnetic power of the DFWG W1 and W2 increases, as shown in Figure 5b,c.
Comparing Case A with Case B and Case C, the proportional coefficient of the DFWG equivalent inertia control K SB / H eqSB K RB / H eqRB > K SC / H eqSC K RC / H eqRC > K SA / H eqSA K RA / H eqRA = 0 . In the system deceleration phase, the transient energy provided by the DFWG V WdecB > V WdecC > V WdecA = 0 , system transient energy V TB > V TC > V TA , and the absolute value of the maximum frequency deviation, Δ f SRB _ max > Δ f SRC _ max > Δ f SRA _ max , result in a reduction in system frequency stability. Compared to Case C, Case B has a larger proportional coefficient in the DFWG equivalent inertia control, leading to an increase in the transient energy provided by the DFWG and system transient energy during the system deceleration phase, resulting in a decrease in system frequency stability, as shown in Figure 5d.
According to Table 7, when the system experiences a three-phase short circuit fault, the stability of frequencies in case A, B, and C has all decreased, and the absolute values of the maximum frequency deviations Δ f SR _ max in Case B and Case C increase by 0.0563 Hz and 0.0338 Hz, respectively, compared to Case A. Therefore, Case A has the strongest frequency stability, followed by Case C, and Case B is the weakest. The relationship among Cases A, B, C is K SB / H eqSB K RB / H eqRB > K SC / H eqSC K RC / H eqRC   > K SA / H eqSA   K RA / H eqRA = 0; thus, we can indicates that, when the system experiences a three-phase short circuit fault, the DFWG equivalent inertia control coefficient is more than 0, leading to a decrease in system frequency stability. Moreover, an increase in the absolute value of the DFWG equivalent inertia control coefficient is unfavorable for system frequency stability.
Moreover, an increase in the DFWG equivalent inertia control coefficient is unfavorable for system frequency stability.

6.1.2. Three-Phase Short Circuit Fault K S / H eqS K R / H eqR 0 Simulation Analysis

Loads L1 and L2 have active powers of 200 MW and 1100 MW, respectively. A three-phase-to-ground short circuit fault occurs at bus B8, remaining for 0.05 s. Figure 6 displays the system frequency, system speed, tie-line power, wind turbine active output, and system frequency fluctuation before and after the fault. The assessment results of system frequency stability are shown in Table 7.
As shown in Figure 6a–d, in t 0 , t τ , a three-phase short circuit fault occurs in the system. The ωSR accelerates from ωτ to ωτ, and the terminal voltages drop to 0.3 p.u. and 0.24 p.u., respectively. The integral component of active power under regular operating conditions is locked, preventing the wind turbine from providing dynamic active power support to the polar microgrid. In t τ , t u , the fault ends, and ωSR decelerates from ωτ to ω0. The virtual inertia response of the DFWG W1 and W2 leads to an increase in electromagnetic power output, as shown in Figure 6b,c.
Compared to Case A, in Cases D and E, the DFWG equivalent inertia control coefficient K SD / H eqSD K RD / H eqRD K SE / H eqSE K RE / H eqRE < K SA / H eqSA K RA / H eqRA = 0 . This occurs during the system deceleration phase. This results in the DFWG providing transient energy to enhance the system transient energy, V TD < V TE < V TA , reduce the absolute value of the maximum frequency deviation, Δ f SRD _ max < Δ f SRE _ max < Δ f SRA _ max , and improve system frequency stability. When comparing Case D to Case E, the absolute value of the DFWG equivalent inertia control coefficient increases, leading to a decrease in the transient energy provided by the DFWG and the system transient energy during the deceleration phase, resulting in enhanced frequency stability, as shown in Figure 6d.
According to Table 7, the absolute values of the maximum frequency deviations Δ f SR _ max in Cases D and E are reduced by 0.0305 Hz and 0.0166 Hz compared to Case A. This indicates that when the system experiences a three-phase short circuit fault, a DFWG equivalent inertia control coefficient less than zero enhances system frequency stability. Moreover, an increase in the absolute value of the DFWG equivalent inertia control coefficient is advantageous for system frequency stability.

6.2. Load Surge: System Frequency Stability Simulation Analysis

6.2.1. Load Surge K S / H eqS K R / H eqR 0 Simulation Analysis

The active loads L1 and L2 is 800 MW and 300 MW, respectively. A load increase of 500 MW for L2 is set between 1.0 and 2.0 s, leading to a drop in the system frequency. Figure 7 illustrates the system frequency, system speed, tie-line power, wind turbine active output, and system frequency fluctuation before and after the disturbance. The results of the system frequency stability assessment are presented in Table 8.
As shown in Figure 7a–d, when the system load experiences a sudden increase, the virtual inertia response of the DFWG W1 and W2 leads to an increase in output electromagnetic power. Due to the inertia response H vir 0 A = H vir 0 B = H vir 0 C , Hvir0 quickly reaches its maximum value and then starts to decline. Therefore, the transient energy provided by the DFWG during the system acceleration phase is greater than during the deceleration phase, V WincA > V WdecA , V WincB > V WdecB , V WincC > V WdecC , the transient energy provided by the DFWG in the acceleration phase predominantly determines the final transient energy.
In comparison to Case A, in Cases B and C, the proportional coefficient of the DFWG equivalent inertia control is K SB / H eqSB K RB / H eqRB > K SC / H eqSC K RC / H eqRC > K SA / H eqSA K RA / H eqRA = 0 . In t 0 , t τ , the system speed ωSR accelerates from ω0 reverse to ω′τ, and the DFWG provides transient energy.
In t τ , t u , the ωSR decelerates from ω′τ reverse to ω0, and the DFWG provides transient energy V WdecB > V WdecC > V WdecA = 0 .
Therefore, the final transient energy is V WB < V WC < V WA = 0 , provided by the DFWG; the system transient energy is V TB < V TC < V TA ; the absolute value of the maximum deviation of the system frequency is Δ f SRB _ max < Δ f SRC _ max < Δ f SRA _ max . These are critical factors in enhancing the system frequency stability. In comparison to Case C, in Case B, the absolute value of the DFWG equivalent inertia control coefficient increases. This results in a decrease in the transient energy provided by the DFWG and the system transient energy, thereby enhancing the system frequency stability, as shown in Figure 7d.
As indicated in Table 8, the absolute values of the maximum frequency deviation Δ f SR _ max in Cases B and C are reduced by 0.07125 Hz and 0.0399 Hz, respectively, compared to Case A. This signifies an improvement in system frequency stability. Moreover, an increase in the DFWG equivalent inertia control coefficient is advantageous for enhancing system frequency stability.

6.2.2. Load Surge K S / H eqS K R / H eqR 0 Simulation Analysis

The active loads L1 and L2 is 300 MW and 800 MW, respectively. A sudden increase of 800 MW in load L1 is applied from 1.0 to 2.0 s, leading to a drop in system frequency. Figure 8 illustrates the situation of system frequency, system speed, tie-line power, wind turbine active output, and system frequency fluctuations before and after the disturbance. The results of the system frequency stability assessment are presented in Table 8.
As depicted in Figure 8a–d, with the sudden increase in system load, the virtual inertia response of the DFWG W1 and W2 leads to an increase in electromagnetic power output. Following the inertia response of DFWG, H vir 0 A = H vir 0 D = H vir 0 E , the transient energy provided by the DFWG during the system acceleration phase surpasses that during the deceleration phase, V WincA > V WdecA , V WincD > V WdecD , V WincE > V WdecE . Consequently, the transient energy ultimately provided by the DFWG is primarily determined by the transient energy supplied during the system acceleration phase.
Compared with Case A, in Case D and Case E, the DFWG equivalent inertia control coefficient is K SD / H eqSD K RD / H eqRD < K SE / H eqSE K RE / H eqRE < K SA / H eqSA K RA / H eqRA = 0 . In t 0 , t τ , the system speed ωSR accelerates from ω0 reverse to ω′τ, during this, the DFWG supplies transient energy is V WincD > V WincE > V WincA = 0 .
In t τ , t u , the ωSR decelerates from ω′τ reverse to ω0, during this, the DFWG supplies transient energy, V WdecD < V WdecE < V WdecA = 0 .
Therefore, the transient energy, V WD > V WE > V WA = 0 , provided by the DFWG, the system’s transient energy, V TD > V TE > V TA , the absolute value of the system frequency, Δ f SRD _ max > Δ f SRE _ max > Δ f SRA _ max , and the stability of the system frequency are all reduced. Compared to Case E, in Case D, the absolute value of the DFWG equivalent inertia control coefficient increases. The transient energy supplied by the DFWG and the system’s transient energy further increases, leading to a further reduction in system frequency stability, as illustrated in Figure 8d.
As indicated in Table 8, the absolute value of the maximum deviation Δ f SR _ max of the system frequency under Case D and Case E increases by 0.0272 Hz and 0.0108 Hz, respectively, compared to Case A. This signifies a reduction in system frequency stability, and an increase in the absolute value of the DFWG equivalent inertia control coefficient is unfavorable for system frequency stability.

7. Conclusions

In this paper, the influence of the DFWG equivalent inertia control coefficient on the transient energy is investigated by attaching virtual inertia control of DFWGs in both sending and receiving regions at the same time when three-phase short-circuit faults and sudden load increases occur. Furthermore, the intrinsic mechanisms of system frequency stability are explored, and the assessment approach of system frequency stability is conducted using the maximum deviation of frequency. The results of this paper provide insights into optimizing the DFWG setup to ensure reliable power supply at polar research stations, thus contributing to the field of sustainable energy systems under extreme conditions. The main conclusions are summarized next.
The equivalent model of two regional centers of inertia is constructed, and a detailed analysis is conducted on the influence of the virtual inertia of the DFWG when it is directly connected to the polar microgrid on the rotor motion equation of the two regional inertia centers.
From the perspective of system transient energy, the effects of the proportional coefficient of the equivalent proportional coefficient of virtual inertia control of DFWG in the two regions on the transient energy are examined when three-phase short circuit faults and load surges occur. This clarified the regulatory mechanism of DFWG equivalent inertia control on system frequency stability, providing an important theoretical basis for the analysis of system frequency stability.
Three-phase short-circuit faults can lead to the frequency of the polar microgrid increasing; the DFWG inertia response will alter the transient energy during system deceleration. When the DFWG equivalent inertia control coefficient for the interconnected system is more than 0, the system frequency stability is diminished. Additionally, the decline in the absolute value of the proportional coefficient in the DFWG equivalent inertia control loop is beneficial for system frequency stability, and vice versa.
A sudden increase in system load can cause the frequency of the polar microgrid to drop, and the DFWG inertia response influences the transient energy during both acceleration and deceleration. When the DFWG equivalent inertia control coefficient for the interconnected system is more than 0, the system frequency stability is enhanced. Moreover, the increase in the absolute value of the proportional coefficient in the DFWG equivalent inertia control loop is advantageous for system frequency stability, and vice versa.
Future work could explore the integration of other renewable sources and advanced control mechanisms to further bolster microgrid resilience and sustainability.

Author Contributions

H.Z.: conceptualization, methodology, validation, writing—original draft preparation, writing—review and editing, and supervision; X.Z.: methodology, validation, formal analysis, writing—original draft preparation, and writing—review and editing; J.Z.: methodology and project administration; X.B.: visualization and project administration; Z.L.: conceptualization and supervision. All authors have read and agreed to the published version of the manuscript.

Funding

This work was supported by the Shanxi Energy Internet Research Institute Major Research Pillar Program (SXEI2023ZD001).

Institutional Review Board Statement

Not applicable.

Informed Consent Statement

This note does not contain any studies with human or animal subjects.

Data Availability Statement

The data presented in this study are available on request from the corresponding author.

Conflicts of Interest

The authors declare no conflicts of interest.

References

  1. Kim, D.J.; Moon, Y.H.; Nam, H.K. A new simplified doubly fed induction generator model for transient stability studies. IEEE Trans. Energy Convers. 2015, 30, 1030–1042. [Google Scholar] [CrossRef]
  2. Okedu, K.E.; Muyeen, S.M.; Takahashi, R.; Tamura, J. Wind farms fault ride through using DFIG with a new protection scheme. IEEE Trans. Sustain. Energy 2012, 3, 242–254. [Google Scholar] [CrossRef]
  3. Ma, J.; Qiu, Y.; Li, Y.; Zhang, W.; Song, Z.; Thorp, J.S. Research on the impact of DFIG virtual inertia control on power system small-signal stability considering the phase-locked loop. IEEE Trans. Power Syst. 2016, 32, 2094–2105. [Google Scholar] [CrossRef]
  4. Elkington, K.; Knazkins, V.; Ghandhari, M. On the stability of power systems containing doubly fed induction generator-based generation. Electr. Power Syst. Res. 2008, 78, 1477–1484. [Google Scholar] [CrossRef]
  5. Zhang, X.; Wang, S.; Wang, Y. Power Angle transient stability analysis and inertia control strategy of power generation system with controllable inertia. Electr. Power Constr. 2018, 39, 106–112. [Google Scholar] [CrossRef]
  6. Qing, M.; Tang, F.; Liu, F.; Liu, D.; Du, N.; Hu, B. An analytical method for estimating the maximum penetration of DFIG considering frequency stability. Sustainability 2020, 12, 9850. [Google Scholar] [CrossRef]
  7. Arani, M.F.; Mohamed, Y. Analysis and impacts of implementing droop control in DFIG-based wind turbines on microgrid/weak-grid stability. IEEE Trans. Power Syst. 2014, 30, 385–396. [Google Scholar] [CrossRef]
  8. Sun, C.; Yang, Y.; Zhu, D.; Zou, X. Systematic controller design for DFIG-based wind turbines to enhance synchronous stability during weak grid fault. In Proceedings of the 2023 IEEE/IAS Industrial and Commercial Power System Asia (I&CPS Asia), Chongqing, China, 7–9 July 2023; pp. 1587–1592. [Google Scholar] [CrossRef]
  9. Zhao, Y. Integrated assessment of the reliability and frequency deviation risks in power systems considering the frequency regulation of DFIG-based wind turbines. IEEE Trans. Sustain. Energy 2023, 14, 2308–2326. [Google Scholar] [CrossRef]
  10. Mitra, A.; Chatterjee, D. A sensitivity based approach to assess the impacts of integration of variable speed wind farms on the transient stability of power systems. Renew. Energy 2013, 60, 662–671. [Google Scholar] [CrossRef]
  11. Meegahapola, L.; Flynn, D.; Littler, T. Transient stability analysis of a power system with high wind penetration. In Proceedings of the 2008 43rd International Universities Power Engineering Conference, Padua, Italy, 1–4 September 2008; pp. 1–5. [Google Scholar] [CrossRef]
  12. Li, Z.; Wu, L.; Xu, Y.; Zheng, X. Stochastic-weighted robust optimization based bilayer operation of a multi-energy building microgrid considering practical thermal loads and battery degradation. IEEE Trans. Sustain. Energy 2022, 13, 668–682. [Google Scholar] [CrossRef]
  13. Li, Z.; Su, S.; Jin, X.; Xia, M.; Chen, Q.; Yamashita, K. Stochastic and distributed optimal energy management of active distribution network with integrated office buildings. CSEE J. Power Energy Syst. 2022, 10, 504–517. [Google Scholar] [CrossRef]
  14. Ming, Z.; Zhe, D.; Hong, L.; Geng, L.; Yang, B. Influence mechanism of active power control on transient angle instability of wind turbine system after fault. Power Syst. Technol. 2019, 43, 1280–1293. [Google Scholar] [CrossRef]
  15. Yan, X.; Cai, G.; Li, R.; Jia, J.; Zhang, S.; Wang, Y. Transient stability analysis of grid forming—Doubly fed induction generator with power angle deviation and damping effect. CSEE J. Power Energy Syst. 2024, 9, 1–18. [Google Scholar] [CrossRef]
  16. Roca, D.A.L.; Mercado, P.; Suvire, G. System frequency response model considering the influence of power system stabilizers. IEEE Lat. Am. Trans. 2022, 20, 912–920. [Google Scholar] [CrossRef]
  17. Li, Z.; Xu, Y.; Wang, P.; Xiao, G. Restoration of multi energy distribution systems with joint district network recon figuration by a distributed stochastic programming approach. IEEE Trans. Smart Grid 2023, 15, 2667–2680. [Google Scholar] [CrossRef]
  18. Wu, L.; Infield, D.G. Towards an assessment of power system frequency support from wind plant—Modeling aggregate inertial response. IEEE Trans. Power Syst. 2013, 28, 2283–2291. [Google Scholar] [CrossRef]
  19. Xie, Z.; Feng, Y.; Ma, M.; Zhang, X. An improved virtual inertia control strategy of DFIG-based wind turbines for grid frequency support. IEEE J. Emerg. Sel. Top. Power Electron. 2021, 9, 5465–5477. [Google Scholar] [CrossRef]
  20. Tarnowski, G.C.; Kjar, P.C.; Sorensen, P.E.; Ostergaard, J. Variable speed wind turbines capability for temporary over-production. In Proceedings of the 2009 IEEE Power & Energy Society General Meeting, Calgary, AB, Canada, 26–30 July 2009; pp. 1–7. [Google Scholar] [CrossRef]
  21. Abido, M.A. Parameter optimization of multimachine power system stabilizers using genetic local search. Int. J. Electr. Power Energy Syst. 2001, 23, 785–794. [Google Scholar] [CrossRef]
  22. Dong, Y.; Guo, J.; Pan, X.; Sun, X. Evaluation of inertia distribution in power systems based on regional inertial centers. In Proceedings of the 2023 IEEE 7th Conference on Energy Internet and Energy System Integration (EI2), Hangzhou, China, 15–18 December 2023; pp. 2657–2662. [Google Scholar] [CrossRef]
  23. Zhao, M.; Yuan, X.; Hu, J. Modeling of DFIG wind turbine based on internal voltage motion equation in power systems phase-amplitude dynamics analysis. IEEE Trans. Power Syst. 2018, 33, 1484–1495. [Google Scholar] [CrossRef]
  24. Zhang, X.; Zhu, Z.; Fu, Y. Multi-objective virtual inertia control of renewable power generator for transient stability improvement in interconnected power system. Int. J. Electr. Power Energy Syst. 2020, 117, 105641. [Google Scholar] [CrossRef]
  25. Rogers, G. The nature of power system oscillations. In Power System Oscillations; Springer: Boston, MA, USA, 2000; pp. 7–30. [Google Scholar]
  26. Shao, H.; Cai, X.; Zhou, D.; Li, Z.; Zheng, D.; Cao, Y.; Rao, F. Equivalent modeling and comprehensive evaluation of inertia emulation control strategy for DFIG wind turbine generator. IEEE Access 2019, 7, 64798–64811. [Google Scholar] [CrossRef]
  27. Yang, L.; Li, H.; Zhang, H.; Wu, Q.; Cao, X. Stochastic-distributionally robust frequency-constrained optimal planning for an isolated microgrid. IEEE Trans. Sustain. Energy 2024. early access. [Google Scholar] [CrossRef]
  28. Skiparev, V.; Machlev, R.; Chowdhury, N.R.; Levro, Y.; Petlenkov, E.; Belokov, J. Virtual inertia control methods in islanded microgrids. Energies 2021, 14, 1562. [Google Scholar] [CrossRef]
  29. Tsili, M.; Papathanassiou, S. A review of grid code technical requirements for wind farms. IET Renew. Power Gener. 2009, 3, 308–332. [Google Scholar] [CrossRef]
  30. Zhang, L.; Zhang, C.; Luo, Y. Transient coordinated control strategy of grid friendly doublefed induction generator. Autom. Electr. Power Syst. 2019, 43, 44–50, 112. [Google Scholar] [CrossRef]
Figure 1. Classic virtual inertia control model of DFWG.
Figure 1. Classic virtual inertia control model of DFWG.
Sustainability 16 04965 g001
Figure 2. Simplified model of two-area-interconnected system.
Figure 2. Simplified model of two-area-interconnected system.
Sustainability 16 04965 g002
Figure 3. Swing forward of system power angle.
Figure 3. Swing forward of system power angle.
Sustainability 16 04965 g003
Figure 4. Swing backward of system power angle.
Figure 4. Swing backward of system power angle.
Sustainability 16 04965 g004
Figure 5. Waveforms of three-phase short circuit I.
Figure 5. Waveforms of three-phase short circuit I.
Sustainability 16 04965 g005
Figure 6. Waveforms of three-phase short circuit II.
Figure 6. Waveforms of three-phase short circuit II.
Sustainability 16 04965 g006
Figure 7. Waveforms during load sudden change.
Figure 7. Waveforms during load sudden change.
Sustainability 16 04965 g007
Figure 8. Waveforms during load sudden change II.
Figure 8. Waveforms during load sudden change II.
Sustainability 16 04965 g008
Table 1. The stability criterion of the first swing of power angle.
Table 1. The stability criterion of the first swing of power angle.
SceneTransportation SegmentωSRδSR K S / H eqS K R / H eqR VWincVWdecVTSystem Frequency Stability
System power angle forward swingSystem acceleration phase+ enhance
+ weaken
System deceleration phase+ +weaken
enhance
Table 2. The stability criterion of the first swing of power angle.
Table 2. The stability criterion of the first swing of power angle.
SceneTransportation SegmentωSRδSR K S / H eqS K R / H eqR VWincVWdecVTSystem Frequency Stability
System power angle oscillationSystem acceleration phase+ enhance
+ weaken
System deceleration phase+ +weaken
enhance
Table 3. Parameters of DFWG.
Table 3. Parameters of DFWG.
ParameterValueParameterValue
Rated Power/MW1.5Wind Turbine Inertia/p.u.8.66
Rated Voltage/kV0.69Converter Time Constant/s0.02
Rated Speed/rpm1500Deadband Deviation/Hz0.05
Wind Farm Equivalent Impedance/p.u.0.8Frequency Control Power Limit/p.u.50% PN
Table 4. Parameters of synchronous generators.
Table 4. Parameters of synchronous generators.
ParameterValueParameterValue
Rated Power/MW1200Xq/pu0.53
Rated Voltage/kV10.5X″q/pu0.205
Xd/pu2.16Td0/s8.62
Xd/pu0.265T″d0/s0.05
X″d/pu0.205Tq0/s2.2
Xq/pu2.16T″q0/s0.05
Table 5. Equivalent scale factors for DFWG virtual inertia control.
Table 5. Equivalent scale factors for DFWG virtual inertia control.
CaseKSKRHeqSHeqR K S / H eqS K R / H eqR
A000.81.250
B30037.5
C201017
D030−24
E1020−3.5
Table 6. Active power output of generators when three-phase short circuit occurs.
Table 6. Active power output of generators when three-phase short circuit occurs.
Operating ConditionsCasePW1/MWPW2/MWPG1/MWPG2/MW
K S / H eqS K R / H eqR 0 A400100727100
B
C
K S / H eqS K R / H eqR 0 A100400735100
D
E
Table 7. Indicators for evaluating the stability of the system during a three-phase short circuit and acceleration/deceleration times.
Table 7. Indicators for evaluating the stability of the system during a three-phase short circuit and acceleration/deceleration times.
Operating ConditionsCase K S / H eqS K R / H eqR | Δ f SR _ max | / H Z t0/stτ/stu/s
K S / H eqS K R / H eqR 0 A00.41231.01.11.29
B37.50.46861.01.11.32
C170.44611.01.11.31
K S / H eqS K R / H eqR 0 A00.34581.01.051.24
D−240.31531.01.051.21
E−3.50.32921.01.051.23
Table 8. Indicators for evaluating the stability of the system during load sudden changes and acceleration/deceleration times.
Table 8. Indicators for evaluating the stability of the system during load sudden changes and acceleration/deceleration times.
Operating ConditionsCase K S / H eqS K R / H eqR | Δ f SR _ max | / H Z t0′/stτ′/stu′/s
K S / H eqS K R / H eqR 0 A00.411701.01.351.56
B37.50.340451.01.331.53
C170.371731.01.341.55
K S / H eqS K R / H eqR 0 A00.352921.01.411.59
D−240.380311.01.421.6
E−3.50.363741.01.421.6
Disclaimer/Publisher’s Note: The statements, opinions and data contained in all publications are solely those of the individual author(s) and contributor(s) and not of MDPI and/or the editor(s). MDPI and/or the editor(s) disclaim responsibility for any injury to people or property resulting from any ideas, methods, instructions or products referred to in the content.

Share and Cite

MDPI and ACS Style

Zhang, H.; Zhai, X.; Zhang, J.; Bai, X.; Li, Z. Mechanism Analysis of the Effect of the Equivalent Proportional Coefficient of Inertia Control for a Doubly Fed Wind Generator on Frequency Stability in Extreme Environments. Sustainability 2024, 16, 4965. https://doi.org/10.3390/su16124965

AMA Style

Zhang H, Zhai X, Zhang J, Bai X, Li Z. Mechanism Analysis of the Effect of the Equivalent Proportional Coefficient of Inertia Control for a Doubly Fed Wind Generator on Frequency Stability in Extreme Environments. Sustainability. 2024; 16(12):4965. https://doi.org/10.3390/su16124965

Chicago/Turabian Style

Zhang, Haopeng, Xiangyu Zhai, Jiahui Zhang, Xiang Bai, and Zening Li. 2024. "Mechanism Analysis of the Effect of the Equivalent Proportional Coefficient of Inertia Control for a Doubly Fed Wind Generator on Frequency Stability in Extreme Environments" Sustainability 16, no. 12: 4965. https://doi.org/10.3390/su16124965

APA Style

Zhang, H., Zhai, X., Zhang, J., Bai, X., & Li, Z. (2024). Mechanism Analysis of the Effect of the Equivalent Proportional Coefficient of Inertia Control for a Doubly Fed Wind Generator on Frequency Stability in Extreme Environments. Sustainability, 16(12), 4965. https://doi.org/10.3390/su16124965

Note that from the first issue of 2016, this journal uses article numbers instead of page numbers. See further details here.

Article Metrics

Back to TopTop