Developing Machine Learning-Based Intelligent Control System for Performance Optimization of Solar PV-Powered Refrigerators
Abstract
1. Introduction
- Developing an ANN-based regression model using a training dataset that includes several factors, i.e., the ambient temperature, refrigerator temperature, solar irradiance, the difference value between ambient and the target cooling temperatures, and the difference value between the refrigerator and the target cooling temperatures.
- Evaluating and validating the performance of the developed ANN-based model.
- Deploying the developed ANN-based model on an Arduino board to control the frequency output of a variable speed drive for performance optimization of the SPDR compressor.
- Designing and evaluating a stand-alone solar PV system to operate the display refrigerator.
- Validating the performance of the SPDR using the designed PV system, the modified control system, and the variable speed drive by comparing it with its performance using the traditional control system in terms of the rated power, energy consumption, cooling time, and coefficient of performance.
2. Materials and Methods
2.1. Experimental Setup
2.1.1. Refrigerator Description
- Cooling cabinet: The dimensions of the refrigerator cooling cabinet were 1.50 m length × 0.70 m width from bottom × 0.19 m width from top × 1.37 m height, 4 shelves, the main body was made from tempered vacuum double glass 0.02 m thick (front, back, and side walls were made from tempered vacuum insulated glass 0.02 m thick), overall heat transfer coefficient is 0.7 W/m2 K. The top and bottom of the cabinet were insulated with 3 cm foam.
- Compressor: The model of the refrigerator compressor was QB91C24GAX0, Panasonic Industrial Kuala Lumpur, Malaysia, with motor type RSIR (Resistance Start Induction Run), one-phase AC 230 V/60 Hz, volumetric capacity 9.07 cm3, oil charge cooling 250 cm3, 710 g refrigerant R134a. This compressor was controlled by the control panel shown in Figure 1B.
- Evaporator: The evaporator tubes were made from copper with a 0.01 m diameter, 0.001 m thickness, and 18.40 m tube length. The maximum suction pressure in the evaporator was 34.5 Pa.
- Evaporator fans: The evaporator was cooled using 3 AC fans 220 V. The dimensions of the fan were 0.04 × 0.12 × 0.12 m with 0.115 m diameter, and the rated power was 20 W.
- Condenser: The condenser was made from a steel tube of 0.01 m diameter, 0.001 m thickness, and 18 m length with steel wire on the tube.
- Condenser fans: The condenser was cooled using 2 AC fans, 220 V. The diameter of each one was 0.25 m, and the rated power was 30 W.
- Lighting unit: The refrigerator was lit using two light-emitting diode strips (LED-Strips) 220 V with 1 m length and rated power 20 W for each.
- Capillary tube: The capillary tube was made from copper with a 3.49 m length, 2.5 mm outer diameter, and 1.0 mm inner diameter.
- Drier cum filter: The diameter of the drier cum filter was 0.04 m and 0.10 m in length.
- Defrost unit: The accumulated frost on the evaporator coils decreases the conduction of the evaporator’s cooling capacity, affecting the cooling efficiency and increasing electrical energy consumption. Therefore, an electric heating coil (220 V, 100 W) was utilized for the defrosting. This heater was clamped directly to the evaporator coil and controlled by a temperature sensor-based defrosting controller.
2.1.2. PV System
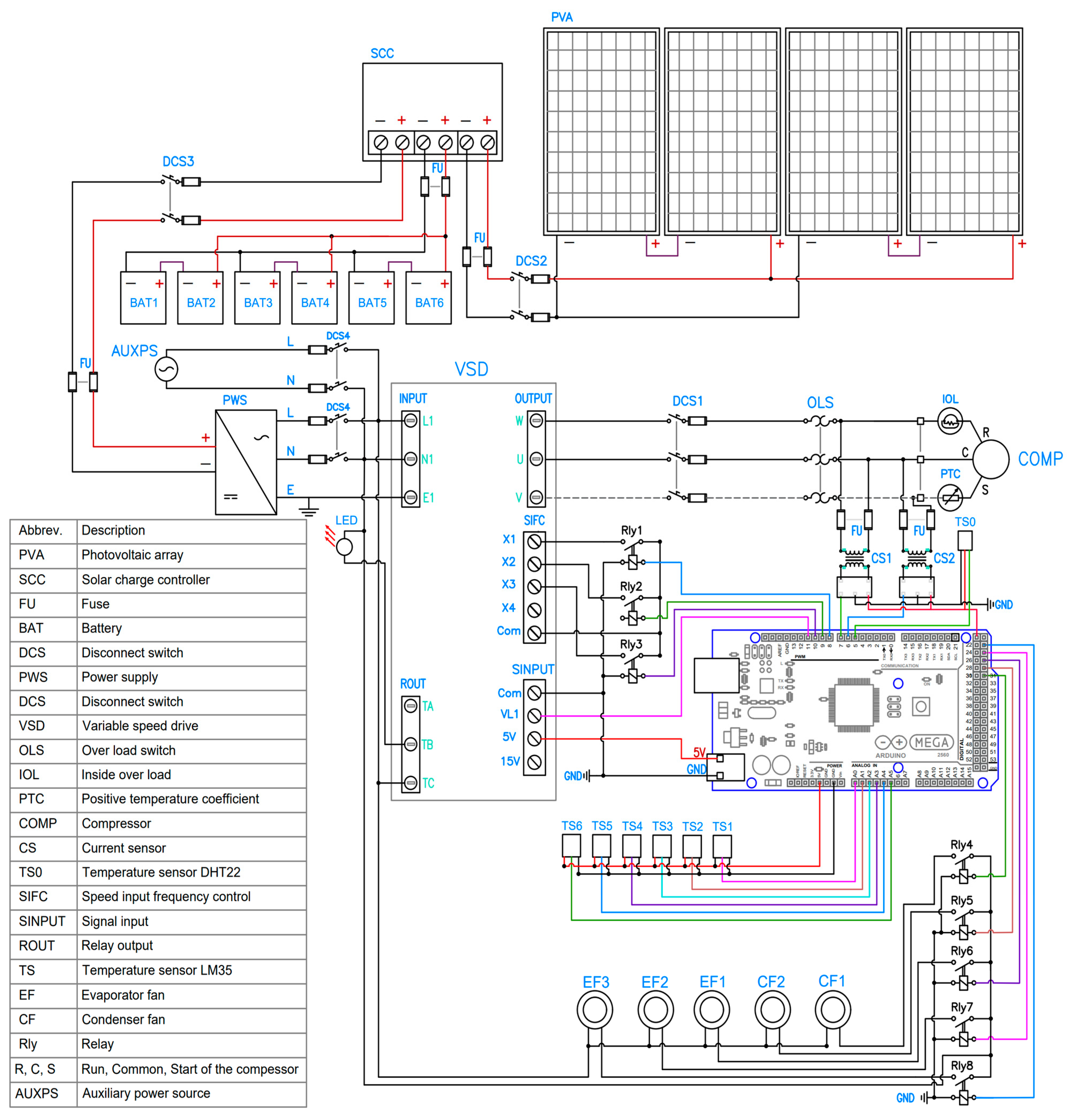
- PV modules: Four PV modules (AS-6P-330 W) were used based on the rated power of the used display refrigerator (Figure 1C). Every 2 PV modules were connected in series, forming 1 string of 91.8 V and 8.85 A. The outputs of the 2 strings were connected in parallel, forming output of 91.8V and 17.7 A. The PV array was inclined 30° toward the south to maximize the insolation on the PV modules. The specifications of PV modules are given in Table 2. To operate the display refrigerator during the night or at not enough insolation, 6 batteries of 12 V and 200 Ah were connected in series and parallel, forming 1 string of 24 V, and used for energy storage, as shown in Figure 2.
- Charge controller specifications: The following charge controller (PC16-4015 A) was used to charge and protect the batteries. The nominal voltage of the battery output was 12/24 VDC, the open-circuit voltage of PV was 145 VDC at 24 V, the maximum input PV power was 1200 W at 24 V, and the low-voltage protection point was 10.0 VDC/20.0 VDC. As a result, the peak conversion efficiency was 98%.
- Batteries: Due to the discontinuity of solar radiation, the battery bank should be designed with enough capacity to operate the load during the night and at cloudy times. Therefore, this study used six deep-cycle batteries (Lead-Acid Batteries, model: FM250-12, Hefei Greensun Solar Energy Tech Co., Ltd., Hefei, China) with a capacity of 200 Ah and a voltage difference of 12 V, where every 2 batteries were connected in series. The outlets of the 3 groups were connected in parallel so that the final outlet string was 24 V, which is connected to the input of the inverter. The charge and discharge efficiency of the batteries was about 0.8. The required energy storage capacity (Esc) can be estimated by knowing the energy consumption per day and the number of autonomy days (days without charging the battery with a PV system, i.e., without sunshine). Based on the calculations of the electrical loads and the capacity produced by the solar panels, the solar battery system was used to store the electrical energy produced by the solar panels during the sunshine and to operate the display refrigerator during the absence of the sun. During the daytime, the energy produced by the solar panels is used to operate the electrical loads, and the excess solar energy is stored in batteries until needed.
- Solar inverter: MKS-3000, Sunpal Power Co., Ltd., Hefei, China, was used to convert the DC into an AC required to operate the refrigerator. The rated power of this inverter was 3000 VA/2400 W. The DC Input was 24 VDC, 100 AT, the AC output was 230 VAC, 60 Hz, 13 A, and the maximum solar voltage was 145 VDC.
2.1.3. Control System
2.2. Artificial Neural Network Model
2.3. Layout of the Developed Control System
- Multi-speed frequency: The multi-speed frequency-based control method was used to control the SPDR compressor at different frequency speeds, i.e., 40, 45, 50, 55, and 60 Hz, according to the digital signal on speed input frequency control (SIFC) pins of the VSD. Table 3 shows the digital input signals conditions for the multi-speed frequency control method. In the code of this method, the Arduino sends digital low/high signals (low = 0 V and high = 5 V) to the speed input frequency control (SIFC) pins of VSD, as shown in Figure 2. This method was used to create the training dataset to train the ANN model and validate its performance and then deployed in the Arduino to be used in the SPDR control.
- Variable speed frequency: The variable speed frequency-based control method was used to control the SPDR compressor with variable frequency speeds from 40 to 60 Hz. The code in this method depends on the implemented ANN model and deploying it in Arduino. In this code, the Arduino sends a variable analog signal from 0 to 5 V to the signal input (SINPUT) pin of VSD, as shown in Figure 2. The Arduino output analog signal depends on the target cooling temperature (Ttar), the internal temperature of the refrigerator (Tref), ambient temperature surrounding the refrigerator (Tamb), solar irradiance at solar panels (SIr), the difference between the internal refrigerator temperature and the target temperature ∆t, and the difference between the ambient temperature and the target temperature ∆T.
2.4. The Assumptions and Experimental Operation
- Starting to steady processes.
- Pressure drop due to friction in the pipe was considered negligent.
- Comparison between fixed speed compressor (3600 rpm at 230 V/60 Hz) and variable speed using a variable frequency drive (VFD) from 40 to 60 Hz with a V/Hz ratio of 3.83 according to the synchronous speed equation:where N is the compressor motor speed (RPM), f is the input voltage frequency, and P is the number of motor poles (P = 2 in the current study).
- The product was water in well-closed bottles with a total weight of 100 kg. It starts to be cooled from the ambient temperature surrounding the refrigerator for all experiments according to the tested temperature.
2.5. Measurements
2.5.1. Metrological Data
2.5.2. PV Sizing
2.5.3. PV Panel Efficiency
2.5.4. Power and Electrical Energy
2.5.5. Cooling Load
- Walls and roof: The sensible heat gain through the walls, floor, and roof of the refrigerator was separately calculated as a steady state using the following formula:where Q1 is the heat gain (kWh/d), A is the outside area of the section (m2), U is the coefficient of heat transfer (W/m2 K), Tamb is the outside air temperature (K), and Tref is the temperature inside the refrigeration (K).
- Product cooling load: The following formula was used to calculate the cooling load of the product from the initial temperature to the refrigerator’s target temperature:where Q2 is the product cooling load (kWh/d), CP is the specific heat capacity of the product (KJ/kg K), m is the mass of the products (kg), Tint is the initial input temperature of the products (K), Tref is the temperature inside the refrigeration (K).
- Cooling load from product inhaler: The cooling load from the inhaler product was considered negligent because the product was water in well-closed bottles.
- Internal heat load: The cooling load from illumination (heat generated by lighting) was calculated using the following formula:where Q3 is the heat load generated by the lighting (kWh/day), Nl is the number of lamps in the refrigerator, T is the daily working time, and P is the power rating of the lamps.
- Produced heat by fans: The produced heat by fans was calculated using the following formula:where Q4 is the heat load generated by the fans (kWh/day), Nf is the number of fans in the refrigerator, T is the daily working time, and P is the nominal power of the fan motors.
- Produced heat by defrost: The produced heat by defrost was calculated using the following formula:where Q5 is the heat load generated by the defrost (kWh/day), Dc is the number of times the defrost cycle occurs per day, T is the defrost working time, P is the power rating of the heater (KW), and η is the percentage of heat transferred to the environment (η = 0.35).
2.5.6. Coefficient of Performance
2.6. Instrument Uncertainty
2.7. Statistical Analysis, Software Platforms, ANNs Evaluation
3. Results and Discussion
3.1. Meteorological Data
3.2. PV System Performance
3.3. Training Dataset
3.4. Evaluation of the ANNs Model
3.5. Evaluation of Refrigerator Performance
3.5.1. Frequency
- Target product temperature (1 °C): At an average ambient temperature of 23 °C, the average daily frequency (ADF) was 31.92 ± 21.43 Hz and 49.96 ± 22.41 Hz for the MR and TR, respectively. At an average ambient temperature of 29 °C, the ADF was 37.31 ± 22.45 Hz and 50.58 ± 21.83 Hz for the MR and TR, respectively. While at an average ambient temperature of 35 °C, the ADF was 38.53 ± 22.69 Hz and 53.71 ± 18.39 Hz for the MR and TR, respectively. The ADF for the TR was higher than the MR, with 18.08 Hz, 13.27 Hz, and 15.18 Hz at ambient temperatures of 23, 29, and 35 °C, respectively.
- Target product temperature (3 °C): At an average ambient temperature of 23 °C, the average daily frequency (ADF) was 28.17 ± 21.5 Hz and 38.38 ± 28.82 Hz for the MR and TR, respectively. At an average ambient temperature of 29 °C, the ADF was 33.35 ± 20.4 Hz and 47.71 ± 24.22 Hz for the MR and TR, respectively. While at an average ambient temperature of 35 °C, the ADF was 35.69 ± 20.9 Hz and 52.92 ± 19.37 for the MR and TR, respectively. The ADF for the TR was higher than the MR, with 10.21 Hz, 14.36 Hz, and 17.23 Hz at ambient temperatures of 23, 29, and 35 °C, respectively.
- Target product temperature (5 °C): At an average ambient temperature of 23 °C, the average daily frequency (ADF) was 22.34 ± 21.95 Hz and 32.88 ± 29.87 Hz for the MR and TR, respectively. At an average ambient temperature of 29 °C, the ADF was 27.05 ± 22.35 Hz and 40 ± 28.29 Hz for the MR and TR, respectively. While at an average ambient temperature of 35 °C, the ADF was 31.25 ± 21.03 Hz and 47.83 ± 24.13 Hz for the MR and TR, respectively. The ADF for the TR was higher than the MR, with 10.54 Hz, 12.95 Hz, and 16.58 Hz at ambient temperatures of 23, 29, and 35 °C, respectively.
3.5.2. Power Consumption
- Target product temperature (1 °C): The ADP consumption of the refrigerators at an average ambient temperature of 23 °C was 382.63 ± 204.5 W and 536.62 ± 285.86 W for the MR and TR, respectively. At an average ambient temperature of 29 °C, the ADP consumption by the refrigeration system was 427.35 ± 224.88 W and 607.53 ± 228.37 W for the MR and TR, respectively. While at the average ambient temperature of 35 °C, the ADP consumption was about 447.61 ± 217.12 W and 641.02 ± 194.25 W for the MR and TR, respectively. The results indicated that the power consumption by the TR was higher than the MR at all times by 153.99 W, 180.18 W, and 193.41 W at an average ambient temperature of 23 °C, 29 °C, and 35 °C, respectively. This revealed that increasing the ambient temperature increased the running time of the refrigerator, which resulted in higher power consumption.
- Target product temperature (3 °C): At an average ambient temperature of 23 °C, the ADP consumption of the refrigerators was about 346.79 ± 206.07 W and 492.52 ± 307.55 W for the MR and TR, respectively. At an average ambient temperature of 29 °C, the ADP consumption by the refrigeration system was 397.03 ± 194.71 W and 593.06 ± 262.77 W for the MR and TR, respectively. While at the average ambient temperature of 35 °C, the ADP consumption was about 419.67 ± 200.34 W and 630.01 ± 205.13 W for the MR and TR, respectively. The results showed that the power consumption by the TR was higher than the MR, with 145.73 W, 196.03 W, and 210.34 W at an average ambient temperature of 23 °C, 29 °C, and 35 °C, respectively.
- Target product temperature (5 °C): The ADP consumption of the refrigerators at an average ambient temperature of 23 °C was 291.24 ± 211.41 W and 433.98 ± 319.4W for the MR and TR, respectively. At an average ambient temperature of 29 °C, the ADP consumption by the refrigeration system was 336.76 ± 214.57 W and 505.95 ± 299.31 W for the MR and TR, respectively. While at the average ambient temperature of 35 °C, the ADP consumption was about 377.1 ± 201.82 W and 584.62 ± 256.62 W for the MR and TR, respectively. The results indicated that the power consumption by the TR was higher than the MR at all times by 142.74 W, 169.19 W, and 207.52 W at an average ambient temperature of 23 °C, 29 °C, and 35 °C, respectively.
3.5.3. Energy Consumption
- Target product temperature (1 °C): At an average ambient temperature of 23 °C, the average energy consumption of the refrigeration system was about 9.18 ± 1.23 kWh/d and 12.88 ± 2.21 kWh/d for the MR and TR, respectively. At an average ambient temperature of 29 °C, the average energy consumption by the refrigeration system was about 10.26 ± 1.02 kWh/d and 14.58 ± 1.24 kWh/d for the MR and TR, respectively. While at the average ambient temperature of 35 °C, the average energy consumption was about 10.74 ± 1.08 kWh/d and 15.38 ± 1.45 kWh/d for the MR and TR, respectively. The results showed that the average energy consumption of the TR was higher than the MR by 3.7 kWh/d, 4.32 kWh/d, and 4.64 kWh/d at an average ambient temperature of 23 °C, 29 °C, and 35 °C, respectively.
- Target product temperature (3 °C): The average energy consumption of the refrigerators at an average ambient temperature of 23 °C was 8.32 ± 1.01 kWh/d and 11.82 ± 1.23 kWh/d for the MR and TR, respectively. At an average ambient temperature of 29 °C, the average daily energy consumption of the refrigeration system was about 9.53 ± 1.22 kWh/d and 14.23 ± 1.11 kWh/d W for the MR and TR, respectively. While at the average ambient temperature of 35 °C, the ADP consumption was about 10.07 ± 1.22 kWh/d and 15.12 ± 1.21 kWh/d for the MR and TR, respectively. The results indicated that the average energy consumption of the TR was higher than the MR at all times by 3.5 kWh/d, 4.7 kWh/d, and 5.05 kWh/d at an average ambient temperature of 23 °C, 29 °C, and 35 °C, respectively. This revealed that increasing the ambient temperature increased the running time of the refrigerator, which resulted in higher energy consumption per day.
- Target product temperature (5 °C): The average daily energy consumption of the refrigerators at an average ambient temperature of 23 °C was 6.99 ± 1.04 kWh/d and 10.42 ± 1.09 kWh/d for the MR and TR, respectively. At an average ambient temperature of 29 °C, the average daily energy consumption by the refrigeration system was about 8.08 ± 1.08 kWh/d and 12.14 ± 1.12 kWh/d, respectively. While at the average ambient temperature of 35 °C, the average daily energy consumption was about 9.05 ± 1.21 kWh/d and 14.03 ± 1.21 kWh/d for the MR and TR, respectively. The results indicated that the average energy consumption by the TR was higher than the MR at all times by 3.43 kWh/d, 4.06 kWh/d, and 4.98 kWh/d at an average ambient temperature of 23 °C, 29 °C, and 35 °C, respectively. This revealed that increasing the ambient temperature increased the running time of the refrigerator, which resulted in higher power consumption.
3.5.4. Power Consumption of Fans
- Target product temperature (1 °C): At an average ambient temperature of 23 °C, the ADFP consumption (of the refrigeration system) was about 78.48 ± 7.94 W and 110.82 ± 9.34 W for the MR and TR, respectively. At an average ambient temperature of 29 °C, the ADFP consumption was about 78.68 ± 7.85 W and 111.08 ± 9.1 W for the MR and TR, respectively. While at the average ambient temperature of 35 °C, the ADFP consumption was about 78.68 ± 7.85 W and 112.38 ± 7.66 W for the MR and TR, respectively.
- Target product temperature (3 °C): At an average ambient temperature of 23 °C, the ADFP consumption (of the refrigeration system) was about 78.48 ± 7.94 W and 105.99 ± 12.01 W for the MR and TR, respectively. At an average ambient temperature of 29 °C, the ADFP consumption was about 78.68 ± 7.85 W and 109.88 ± 10.09 W for the MR and TR, respectively. While at the average ambient temperature of 35 °C, the ADFP consumption was about 78.68 ± 7.85 W and 112.05 ± 8.07 W for the MR and TR, respectively.
- Target product temperature (5 °C): The ADFP consumption of the refrigerators at an average ambient temperature of 23 °C was 78.48 ± 7.94 W and 103.57 ± 13.02 W for the MR and TR, respectively. At an average ambient temperature of 29 °C, the ADFP consumption by the refrigeration system was about 78.68 ± 7.85 W and 106.67 ± 11.79 W for the MR and TR, respectively. While at the average ambient temperature of 35 °C, the ADFP consumption was about 78.68 ± 7.85 W and 109.93 ± 10.06 W for the MR and TR, respectively.
3.5.5. COP of Refrigeration System
3.5.6. Time Required to Reach the Product Target Temperature
4. Conclusions
- The average daily power of the solar PV system was about 1.098 kW which is enough to overcome the running time of the display refrigerator. The average daily conversion efficiency of the PV modules was about 11.47%.
- The ANN-based regression model was developed based on a training dataset with the designed parameters. Finally, the developed ANN-based model was deployed on an Arduino board to control the frequency for the performance optimization of the SPDR.
- Increasing the ambient temperature caused an increase in the running time of the refrigerator, and hence an increase in the average daily performance.
- At a target product temperature of 5 °C, the MR saved power of about 32.9%, 33.4%, and 35.5% compared to the TR at the average ambient temperature of 23 °C, 29 °C, and 35 °C, respectively.
- The average daily fan power consumption of the MR was significantly lower than the TR under the same tested conditions.
- At a target product temperature of 5 °C, the COP of the MR was higher than the TR by about 26.37%, 26.59%, and 24.22% at an average daily ambient temperature of 23 °C, 29 °C, and 35 °C, respectively.
- The solar PV system helps operate refrigerators away from the electricity grid in rural areas.
- The developed control system performed well and operated the display refrigerator more smoothly than the traditional one.
- The developed control system is expected to provide the basis for designing and optimizing the PV-powered refrigeration system.
Author Contributions
Funding
Institutional Review Board Statement
Informed Consent Statement
Data Availability Statement
Acknowledgments
Conflicts of Interest
References
- Noro, M.; Lazzarin, R.M. Solar Cooling between Thermal and Photovoltaic: An Energy and Economic Comparative Study in the Mediterranean Conditions. Energy 2014, 73, 453–464. [Google Scholar] [CrossRef]
- Gao, Y.; Ji, J.; Guo, Z.; Su, P. Comparison of the Solar PV Cooling System and Other Cooling Systems. Int. J. Low-Carbon Technol. 2018, 13, 353–363. [Google Scholar] [CrossRef]
- Ayadi, O.; Al-Dahidi, S. Comparison of Solar Thermal and Solar Electric Space Heating and Cooling Systems for Buildings in Different Climatic Regions. Sol. Energy 2019, 188, 545–560. [Google Scholar] [CrossRef]
- Li, N.; Uckun, C.; Constantinescu, E.M.; Birge, J.R.; Hedman, K.W.; Botterud, A. Flexible Operation of Batteries in Power System Scheduling with Renewable Energy. IEEE Trans. Sustain. Energy 2016, 7, 685–696. [Google Scholar] [CrossRef]
- Rowe, M.; Yunusov, T.; Haben, S.; Holderbaum, W.; Potter, B. The Real-Time Optimisation of DNO Owned Storage Devices on the LV Network for Peak Reduction. Energies 2014, 7, 3537–3560. [Google Scholar] [CrossRef]
- Sabry, A.H.; Ker, P.J. DC Environment for a Refrigerator with Variable Speed Compressor; Power Consumption Profile and Performance Comparison. IEEE Access 2020, 8, 147973–147982. [Google Scholar] [CrossRef]
- Dhondge, A.J.; Kalbande, S.R. Performance Evaluation of Solar Photovoltaic Powered Vapor Compression Refrigeration System. Int. J. Agric. Sci. 2018, 10, 6651–6653. [Google Scholar]
- Kasali, A.A.; Olaleye, J.O.; Lukmon, B.-F.; Salami, F.; Opeyemi. The Design and Development of a Solar-Powered Picnic Refrigerator. J. Sci. Eng. Res. 2020, 2020, 44–52. [Google Scholar]
- Eltawil, M.A.; Samuel, D.V.K. Vapour Compression Cooling System Powered By Solar PV Array for Potato Storage. Agric. Eng. Int. CIGR J. 2007, 9, 1–23. [Google Scholar]
- Makinde, K.; Man Alhaji Sulaiman, A.E. Design and Fabrication of Solar Powered Mobile Cold Room. International Journal of Trend in Scientific Research and Development. IJTSRD Int. J. Trend Sci. Res. Dev. 2019, 3, 342–350. [Google Scholar]
- Selvaraj, D.A.; Victor, K. Design and Performance of Solar PV Integrated Domestic Vapor Absorption Refrigeration System. Int. J. Photoenergy 2021, 2021, 6655113. [Google Scholar] [CrossRef]
- Mohammed, M.; Riad, K.; Alqahtani, N. Design of a Smart IoT-Based Control System for Remotely Managing Cold Storage Facilities. Sensors 2022, 22, 4680. [Google Scholar] [CrossRef] [PubMed]
- Ekren, O.; Yilanci, A.; Cetin, E.; Ozturk, H.K. Experimental Performance Evaluation of a PV-Powered Refrigeration System. Elektronika ir Elektrotechnika 2011, 8, 7–10. [Google Scholar] [CrossRef]
- Arora, C.P. Refrigeration and Air Conditioning, 2nd ed.; Tata McGraw-Hill Publishing Company Limited: New Delhi, India, 2000. [Google Scholar]
- Espíndola, R.S.; Knabben, F.T.; Melo, C.; Hermes, C.J.L. Thermal Performance of Skin-Type, Hot-Wall Condensers, Part II: Design Guidelines for Household Applications. Int. J. Refrig. 2020, 110, 262–267. [Google Scholar] [CrossRef]
- Agarwal, S. Thermodynamic Performance Analysis of Dedicated Mechanically Subcooled Vapour Compression Refrigeration System. J. Therm. Eng. 2019, 5, 222–233. [Google Scholar] [CrossRef]
- Long, R.; Li, B.; Liu, Z.; Liu, W. Performance Analysis of a Solar-Powered Electrochemical Refrigerator. Chem. Eng. J. 2016, 284, 325–332. [Google Scholar] [CrossRef]
- Dupont, J.L.; Domanski, P.; Lebrun, P.; Ziegler, F. The Role of Refrigeration in the Global Economy. In Proceedings of the 38th Note on Refrigeration Technologies, IIF-IIR, Paris, France, 1 June 2019; Volume 29, p. 12. [Google Scholar] [CrossRef]
- Dincer, I. (Ed.) Refrigeration Systems and Applications; John Wiley & Sons: Hoboken, NJ, USA, 2017; ISBN 9781119230755. [Google Scholar]
- Shweta, A.S. Intelligent Refrigerator Using Artificial Intelligence. In Proceedings of the 2017 11th International Conference on Intelligent Systems and Control (ISCO), Coimbatore, India, 5–6 January 2017; pp. 464–468. [Google Scholar]
- Pérez-Gomariz, M.; López-Gómez, A.; Cerdán-Cartagena, F. Artificial Neural Networks as Artificial Intelligence Technique for Energy Saving in Refrigeration Systems—A Review. Clean Technol. 2023, 5, 116–136. [Google Scholar] [CrossRef]
- Mohammed, M.; Munir, M.; Aljabr, A. Prediction of Date Fruit Quality Attributes during Cold Storage Based on Their Electrical Properties Using Artificial Neural Networks Models. Foods 2022, 11, 1666. [Google Scholar] [CrossRef]
- Mohammed, M.; Hamdoun, H.; Sagheer, A. Toward Sustainable Farming: Implementing Artificial Intelligence to Predict Optimum Water and Energy Requirements for Sensor-Based Micro Irrigation Systems Powered by Solar PV. Agronomy 2023, 13, 1081. [Google Scholar] [CrossRef]
- Belman-Flores, J.M.; Rodríguez-Valderrama, D.A.; Ledesma, S.; García-Pabón, J.J.; Hernández, D.; Pardo-Cely, D.M. A Review on Applications of Fuzzy Logic Control for Refrigeration Systems. Appl. Sci. 2022, 12, 1302. [Google Scholar] [CrossRef]
- Al-Aifan, B.; Parameshwaran, R.; Mehta, K.; Karunakaran, R. Performance Evaluation of a Combined Variable Refrigerant Volume and Cool Thermal Energy Storage System for Air Conditioning Applications. Int. J. Refrig. 2017, 76, 271–295. [Google Scholar] [CrossRef]
- Ko, J.-S.; Huh, J.-H.; Kim, J.-C. Improvement of Energy Efficiency and Control Performance of Cooling System Fan Applied to Industry 4.0 Data Center. Electronics 2019, 8, 582. [Google Scholar] [CrossRef]
- Lee, D.; Tsai, F.-P. Air Conditioning Energy Saving from Cloud-Based Artificial Intelligence: Case Study of a Split-Type Air Conditioner. Energies 2020, 13, 2001. [Google Scholar] [CrossRef]
- Raghunatha Reddy, D.V.; Bhramara, P.; Govindarajulu, K. A Comparative Study of Multiple Regression and Artificial Neural Network Models for a Domestic Refrigeration System with a Hydrocarbon Refrigerant Mixtures. Mater. Today Proc. 2020, 22, 1545–1553. [Google Scholar] [CrossRef]
- Mohammed, M.; Munir, M.; Ghazzawy, H.S. Design and Evaluation of a Smart Ex Vitro Acclimatization System for Tissue Culture Plantlets. Agronomy 2022, 13, 78. [Google Scholar] [CrossRef]
- Mohammed, M.; Riad, K.; Alqahtani, N. Efficient Iot-Based Control for a Smart Subsurface Irrigation System to Enhance Irrigation Management of Date Palm. Sensors 2021, 21, 3942. [Google Scholar] [CrossRef]
- ASU Arizona State University. Solar PV Stand-Alone Systems, Good Practice Guide: Small System Sizing; AZ, USA. Available online: https://cfo.asu.edu/solar (accessed on 19 February 2023).
- Koutroulis, E.; Kolokotsa, D. Design Optimization of Desalination Systems Power-Supplied by PV and W/G Energy Sources. Desalination 2010, 258, 171–181. [Google Scholar] [CrossRef]
- Wu, C. Maximum Obtainable Specific Cooling Load of a Refrigerator. Energy Convers. Manag. 1995, 36, 7–10. [Google Scholar] [CrossRef]
- Chen, L.; Wu, C.; Sun, F. Heat Transfer Effect on the Specific Cooling Load of Refrigerators. Appl. Therm. Eng. 1996, 16, 989–997. [Google Scholar] [CrossRef]
- Göktun, S. Coefficient of Performance for an Irreversible Combined Refrigeration Cycle. Energy 1996, 21, 721–724. [Google Scholar] [CrossRef]
- Kirkup, L.; Frenkel, R.B. An Introduction to Uncertainty in Measurement Using the Gum (Guide to the Expression of Uncertainty in Measurement); Cambridge University Press: Cambridge, UK, 2006; pp. 1–233. ISBN 9780511755538. [Google Scholar] [CrossRef]
- Lira, I. Evaluating the Measurement Uncertainty: Fundamentals and Practical Guidance. Metrologia 2003, 40, 207. [Google Scholar] [CrossRef]
- Imara, Z.M.; Eltawil, M.A. Performance of Small Scale Spv-Powered-Drip Irrigation System for Remote Regions. Misr J. Agric. Eng. 2006, 23, 1133–1154. [Google Scholar]
- Fernoaga, V.; Sandu, V.; Balan, T. Artificial Intelligence for the Prediction of Exhaust Back Pressure Effect on the Performance of Diesel Engines. Appl. Sci. 2020, 10, 7370. [Google Scholar] [CrossRef]
- Wright, L.G.; Onodera, T.; Stein, M.M.; Wang, T.; Schachter, D.T.; Hu, Z.; McMahon, P.L. Deep Physical Neural Networks Trained with Backpropagation. Nature 2022, 601, 549–555. [Google Scholar] [CrossRef]
- Gao, Y.; Ji, J.; Han, K.; Zhang, F. Comparative Analysis on Performance of PV Direct-Driven Refrigeration System under Two Control Methods. Int. J. Refrig. 2021, 127, 21–33. [Google Scholar] [CrossRef]
- Hamad, A.J.; Khalifa, A.H.N.; Khalaf, D.Z. The Effect of Compressor Speed Variation and Vapor Injection on the Performance of Modified Refrigeration System. Int. Rev. Mech. Eng. 2018, 12, 285–292. [Google Scholar] [CrossRef]
- Chu, C.M.; Jong, T.L.; Huang, Y.W. Thermal Comfort Control on Multi-Room Fan Coil Unit System Using LEE-Based Fuzzy Logic. Energy Convers. Manag. 2005, 46, 1579–1593. [Google Scholar] [CrossRef]
- Moria, H.; Ahmed, M.; Alghanmi, A.; Mohamad, T.I.; Yaakob, Y. Experimental Study of Solar Based Refrigerator Using Thermoelectric Effect. Energy Procedia 2019, 158, 198–203. [Google Scholar] [CrossRef]
- Rajoria, C.S.; Singh, D.; Gupta, P.K. Performance Evaluation of Solar Photovoltaic Panel Driven Refrigeration System. IOP Conf. Ser. Mater. Sci. Eng. 2018, 330, 012133. [Google Scholar] [CrossRef]
- Hamad, A.J.; Khalifa, A.H.N.; Khalaf, D.Z. Performance Investigation of Vapor Compression Cycle with a Variable Speed Compressor and Refrigerant Injection. J. Mech. Eng. 2019, 16, 63–76. [Google Scholar] [CrossRef]

















| Component/Item | Power, W | Number of Units | Duration, h | Total Power, W | Total Energy, kWh/d |
|---|---|---|---|---|---|
| Compressor | 330 | 1 | 14.5 | 330 | 4.785 |
| Evap. Fan | 20 | 3 | 22 | 60 | 1.320 |
| Cond. Fan | 30 | 2 | 14.5 | 60 | 0.870 |
| Light | 20 | 2 | 5 | 40 | 0.200 |
| Total | 490 | 7.175 |
| Items | Specification |
|---|---|
| Maximum Power (Pm) | 330 W |
| Open-Circuit Voltage (Voc) | 45.9 V |
| Short-Circuit Current (Isc) | 9.26 A |
| Maximum Power Voltage (Vmp) | 37.3 V |
| Maximum Power Current (Imp) | 8.85 A |
| Power Tolerance | 0~+3% |
| Standard Test Condition | E = 1000 W/m2, Tc = 25 °C, AM = 1.5 |
| Maximum System Voltage | 1000 V |
| Maximum Series Fuse Rating | 15 A |
| Weight | 22.5 kg |
| Dimensions | 1956 × 992 × 40 mm |
| Speed Input Frequency Control (SIFC) Input Pins | ||||
|---|---|---|---|---|
| Input 1 | Input 2 | Input 3 | Output Frequency | |
| Speed 1 | 1 | 1 | 1 | 60 Hz |
| Speed 2 | 1 | 1 | 0 | 55 Hz |
| Speed 3 | 1 | 0 | 1 | 50 Hz |
| Speed 4 | 1 | 0 | 0 | 45 Hz |
| Speed 5 | 0 | 1 | 1 | 40 Hz |
| Instrument | Accuracy | Range | Uncertainty |
|---|---|---|---|
| Pyranometer model LP02-LI19 | 17.33 × 10−6 V/(W/m2) | 0–2000 W/m2 | ±0.21 × 10−6 V/(W/m²) |
| K-type thermocouples | ±1 °C | −100 to 1350 °C | 0.577 °C |
| Digital anemometer | ±0.1 m/s | 0.4–30 m/s | 0.058 m/s |
| Multi-channel temperature meter (AT4508) and K-type thermocouple | 0.2% + 1 °C | −200 °C to 1300 °C | 0.0011 °C |
| UT 231 digital power clamp meter | ±1.2% | AC Voltage (True RMS): 15–300 V | 0.0069 V |
| ±0.5% | Frequency: 20–500 Hz | 0.2886 Hz | |
| ±2% | AC Current (True RMS): 40–1000 A | 0.0115 A | |
| ±0.022 | Power Factor (W/VA): 0.3~1 (capacitive or inductive) | 0.0127 | |
| WATTMETER-150 digital DC power meter | ±1.2% | DC Current, 0–150 A | 0.01 A |
| ±1.2% | DC Voltage, 4.8–60 V | 0.01 V | |
| ±1.5% | 0–6554 W | 0.1 W | |
| ±1.5% | 0–6554 Wh | 0.1 Wh | |
| PV module power | 0~+3% | 45.9 V, 9.26 A | 0.0173 |
| Network Information | Neural Network Type | Prediction | |
| Training Data Ratio | 75% | ||
| Training Engine | Levenberg–Marquardt | ||
| Input Layer | Independent Variables | 1 | T_Targ |
| 2 | T_Amb | ||
| 3 | T_Ref | ||
| 4 | ∆t | ||
| 5 | ∆T | ||
| 6 | S_Irr | ||
| Number of Input Nodes | 6, excluding the bias node | ||
| Rescaling Method for Covariates | Standardized | ||
| Hidden Layer (s) | Number of Hidden Layers | 1 | |
| Number of Nodes in Hidden Layer | 8, excluding the bias node | ||
| Activation Function | Tansig | ||
| Output Layer | Dependent Variables | 1 | Frequency |
| 2 | Power | ||
| Number of Output Nodes | 2 | ||
| Rescaling Method for Scale Dependents | Standardized | ||
| Activation Function | Purelin | ||
| Cost Function | Mean Squared Error | ||
| Parameters | R2 | RMSE | Fit Line Equation |
|---|---|---|---|
| Frequency (Hz) | 0.936 | 0.984 | y = 4.41 + 0.91x |
| Power (W) | 1.832 | 5.978 | y = 8.47 + 0.98x |
Disclaimer/Publisher’s Note: The statements, opinions and data contained in all publications are solely those of the individual author(s) and contributor(s) and not of MDPI and/or the editor(s). MDPI and/or the editor(s) disclaim responsibility for any injury to people or property resulting from any ideas, methods, instructions or products referred to in the content. |
© 2023 by the authors. Licensee MDPI, Basel, Switzerland. This article is an open access article distributed under the terms and conditions of the Creative Commons Attribution (CC BY) license (https://creativecommons.org/licenses/by/4.0/).
Share and Cite
Eltawil, M.A.; Mohammed, M.; Alqahtani, N.M. Developing Machine Learning-Based Intelligent Control System for Performance Optimization of Solar PV-Powered Refrigerators. Sustainability 2023, 15, 6911. https://doi.org/10.3390/su15086911
Eltawil MA, Mohammed M, Alqahtani NM. Developing Machine Learning-Based Intelligent Control System for Performance Optimization of Solar PV-Powered Refrigerators. Sustainability. 2023; 15(8):6911. https://doi.org/10.3390/su15086911
Chicago/Turabian StyleEltawil, Mohamed A., Maged Mohammed, and Nayef M. Alqahtani. 2023. "Developing Machine Learning-Based Intelligent Control System for Performance Optimization of Solar PV-Powered Refrigerators" Sustainability 15, no. 8: 6911. https://doi.org/10.3390/su15086911
APA StyleEltawil, M. A., Mohammed, M., & Alqahtani, N. M. (2023). Developing Machine Learning-Based Intelligent Control System for Performance Optimization of Solar PV-Powered Refrigerators. Sustainability, 15(8), 6911. https://doi.org/10.3390/su15086911

