Design of an Optimal Adoptive Fault Ride through Scheme for Overcurrent Protection of Grid-Forming Inverter-Based Resources under Symmetrical Faults
Abstract
1. Introduction
- An electronic-based adoptive FRT scheme is designed for the optimization of fault parameters and the restriction of high spikes during fault transition at both the AC and DC sides of the inverters.
- The benchmarked three-bus test system, energized with grid-forming IBRs, is used for the implementation of the proposed FRT scheme under a bolted symmetrical fault.
- The simulation analysis of a conventionally used electronic-based FRT strategy, such as Crowbar, is carried out in the same test environment for comparative analysis to justify the effectiveness of the designed scheme.
- The total harmonic distortion (THD) under abnormal conditions is also calculated to analyze the performance of the designed scheme in the frequency domain.
- Additionally, the error for the fundamental parameters is calculated numerically to verify the performance of the designed FRT scheme in comparison to the conventional strategy with the help of mathematical formulations, such as integral square error (ISE), integral of time-weighted absolute error (ITAE), and integral absolute error (IAE).
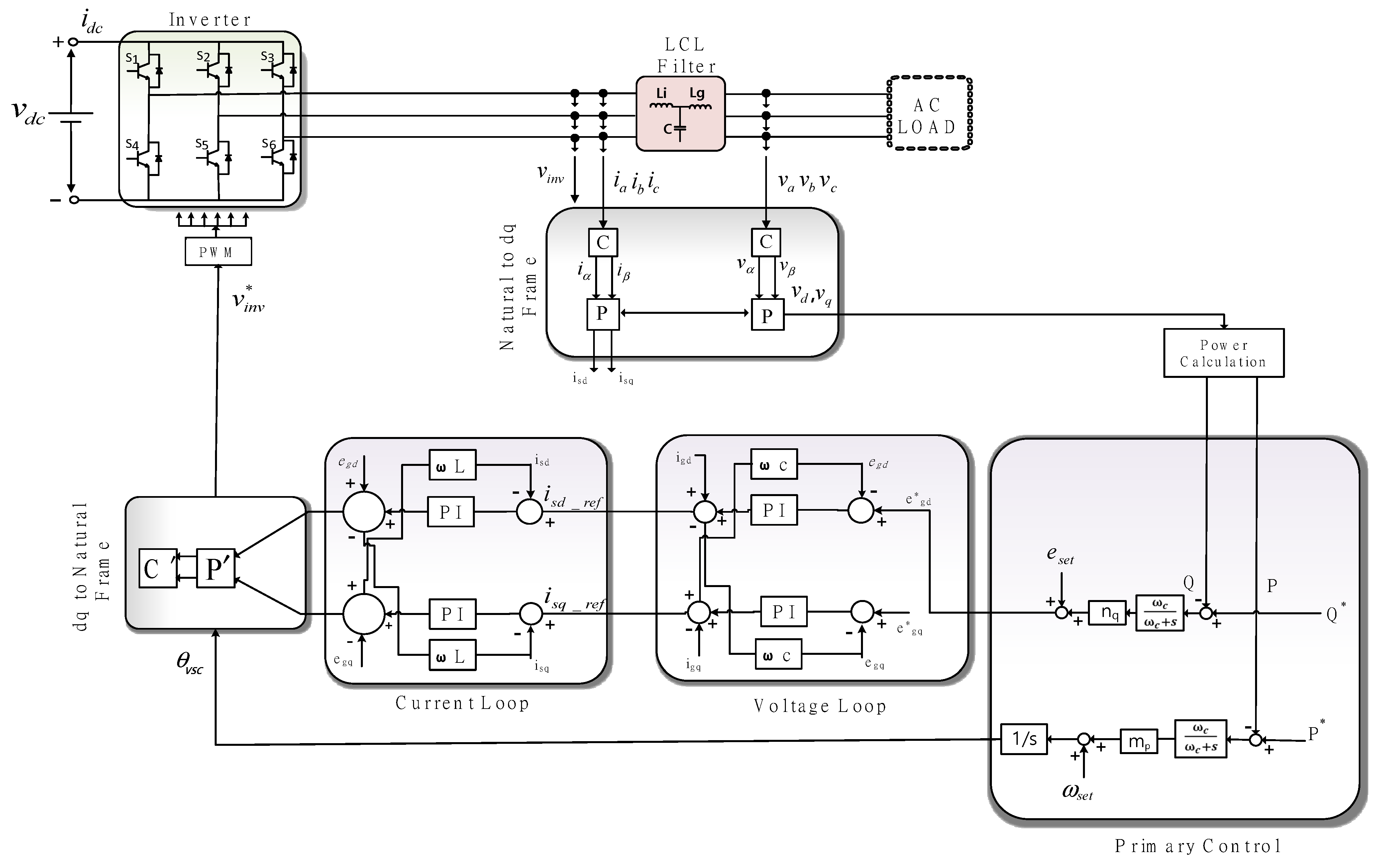
2. Proposed Grid Forming Model
Grid Forming Control
3. Design of Fault Ride through Scheme
3.1. Adoptive FRT Scheme
3.1.1. Fault Current Ride through (Block A)
3.1.2. Spikes Reactor (Block B)
4. Results and Discussion
4.1. Time Domain Response
4.1.1. DC Side Parameter Response
4.1.2. AC Side Parameter Response
4.2. Total Harmonic Distortions (THD) Analysis
4.3. Investigation of Proposed Scheme in Grid-Following (GFL) Mode
5. Conclusions
Author Contributions
Funding
Institutional Review Board Statement
Informed Consent Statement
Acknowledgments
Conflicts of Interest
Appendix A
| Parameters | VALUES |
|---|---|
| DC link voltage (Vdc) | 640 kV |
| Rated power of the three sources | 250 MW, 500 MW, 1000 MW |
| Nominal power factor | 0.957 |
| Rated phase to phase voltage (AC) | 320 KV |
| Operating frequency | 50 Hz |
| Load power | 1125 MW |
| Switching frequency (inverter) | 4 kHz |
| L-C-L filter (p.u) | 0.005 H, 0.15 F, 0.066 H |
| P-F droop () | 0.02 |
| Q-V droop () | p.u |
| Cut-off frequency | 31.4 rad/s |
| Parameters | Values | |
|---|---|---|
| PI (voltage loop) | 0.52 | |
| 1.16 | ||
| PI (current loop) | 0.738 | |
| 1.19 | ||
| Adoptive FRT | ||
| 0.001 | ||
References
- Blaabjerg, F.; Yang, Y.; Yang, D.; Wang, X. Distributed Power-Generation Systems and Protection. Proc. IEEE 2017, 105, 1311–1331. [Google Scholar] [CrossRef]
- Haque, M.; Wolfs, P. A review of high PV penetrations in LV distribution networks: Present status, impacts and mitigation measures. Renew. Sustain. Energy Rev. 2016, 62, 1195–1208. [Google Scholar] [CrossRef]
- Brown, T. Transmission network loading in Europe with high shares of renewables. IET Renew. Power Gener. 2015, 9, 57–65. [Google Scholar] [CrossRef]
- Erlich, I.; Korai, A.; Neumann, T.; Zadeh, M.K.; Vogt, S.; Buchhagen, C.; Rauscher, C.; Menze, A.; Jung, J. New Control of Wind Turbines Ensuring Stable and Secure Operation Following Islanding of Wind Farms. IEEE Trans. Energy Convers. 2017, 32, 1263–1271. [Google Scholar] [CrossRef]
- Denis, G.; Prevost, T.; Debry, M.; Xavier, F.; Guillaud, X.; Menze, A. The Migrate project: The challenges of operating a transmission grid with only inverter-based generation. A grid-forming control improvement with transient current-limiting control. IET Renew. Power Gener. 2018, 12, 523–529. [Google Scholar] [CrossRef]
- Haddadi, A.; Farantatos, E.; Kocar, I.; Karaagac, U. Impact of Inverter Based Resources on System Protection. Energies 2021, 14, 1050. [Google Scholar] [CrossRef]
- Huang, L.; Wu, C.; Zhou, D.; Blaabjerg, F. A Power-Angle-Based Adoptive Overcurrent Protection Scheme for Grid-Forming Inverter under Large Grid Disturbances. IEEE Trans. Ind. Electron. 2022, 70, 5927–5936. [Google Scholar] [CrossRef]
- Xin, H.; Huang, L.; Zhang, L.; Wang, Z.; Hu, J. Synchronous Instability Mechanism of P-f Droop-Controlled Voltage Source Converter Caused by Current Saturation. IEEE Trans. Power Syst. 2016, 31, 5206–5207. [Google Scholar] [CrossRef]
- D’Arco, S.; Suul, J.A. Virtual Synchronous Machines—Classification of Implementations and Analysis of Equivalence to Droop Controllers for Microgrids. In Proceedings of the 2013 IEEE Powertech Grenoble Conference, Grenoble, France, 16–20 June 2013; pp. 1–7. [Google Scholar]
- Bevrani, H.; Ise, T.; Miura, Y. Virtual synchronous generators: A survey and new perspectives. Int. J. Electr. Power Energy Syst. 2014, 54, 244–254. [Google Scholar] [CrossRef]
- Gross, D.; Colombino, M.; Brouillon, J.-S.; Dorfler, F. The Effect of Transmission-Line Dynamics on Grid-Forming Dispatchable Virtual Oscillator Control. IEEE Trans. Control Netw. Syst. 2019, 6, 1148–1160. [Google Scholar] [CrossRef]
- Zhang, W.; Cantarellas, A.M.; Rocabert, J.; Luna, A.; Rodriguez, P. Synchronous Power Controller with Flexible Droop Characteristics for Renewable Power Generation Systems. IEEE Trans. Sustain. Energy 2016, 7, 1572–1582. [Google Scholar] [CrossRef]
- Du, W.; Chen, Z.; Schneider, K.P.; Lasseter, R.H.; Nandanoori, S.P.; Tuffner, F.K.; Kundu, S. A Comparative Study of Two Widely Used Grid-Forming Droop Controls on Microgrid Small-Signal Stability. IEEE J. Emerg. Sel. Top. Power Electron. 2019, 8, 963–975. [Google Scholar] [CrossRef]
- Wang, S.; Liu, Z.; Liu, J.; Boroyevich, D.; Burgos, R. Small-Signal Modeling and Stability Prediction of Parallel Droop-Controlled Inverters Based on Terminal Characteristics of Individual Inverters. IEEE Trans. Power Electron. 2019, 35, 1045–1063. [Google Scholar] [CrossRef]
- Huang, L.; Wu, C.; Zhou, D.; Blaabjerg, F. Impact of Virtual Admittance on Small-Signal Stability of Grid-Forming Inverters. In Proceedings of the 2021 6th IEEE Workshop on the Electronic Grid (eGRID), New Orleans, LA, USA, 8–10 November 2021; Volume 6, pp. 1–8. [Google Scholar] [CrossRef]
- Islam, S.U.; Zeb, K.; Din, W.U.; Khan, I.; Ishfaq, M.; Hussain, A.; Busarello, T.D.C.; Kim, H.J. Design of Robust Fuzzy Logic Controller Based on the Levenberg Marquardt Algorithm and Fault Ride Trough Strategies for a Grid-Connected PV System. Electronics 2019, 8, 429. [Google Scholar] [CrossRef]
- Islam, S.U.; Zeb, K.; Kim, S. Design of Robust Fuzzy Logic Controller Based on Gradient Descent Algorithm with Parallel-Resonance Type Fault Current Limiter for Grid-Tied PV System. Sustainability 2022, 14, 12251. [Google Scholar] [CrossRef]
- Zeb, K.; Islam, S.U. Faults and Fault Ride through strategies for grid-connected photovoltaic system: A comprehensive review. Renew. Sustain. Energy Rev. 2022, 158, 112125. [Google Scholar] [CrossRef]
- Han, B.; Li, Y. Simulation Test of a DC Fault Current Limiter for Fault Ride-Through Problem of Low-Voltage DC Distribution. Energies 2020, 13, 1753. [Google Scholar] [CrossRef]
- Fahad, M.; Alsultan, M.; Ahmad, S.; Sarwar, A.; Tariq, M.; Khan, I.A. Reliability Analysis and Fault-Tolerant Operation in a Multilevel Inverter for Industrial Application. Electronics 2022, 11, 98. [Google Scholar] [CrossRef]
- Asif, M.; Tariq, M.; Sarwar, A.; Hussan, M.R.; Ahmad, S.; Mihet-Popa, L.; Shah Noor Mohamed, A. A Robust Multilevel Inverter Topology for Operation under Fault Conditions. Electronics 2021, 10, 3099. [Google Scholar] [CrossRef]
- Sarwar, M.I.; Sarwar, A.; Farooqui, S.A.; Tariq, M.; Fahad, M.; Beig, A.R.; Alamri, B. A Hybrid Nearest Level Combined with PWM Control Strategy: Analysis and Implementation on Cascaded H-Bridge Multilevel Inverter and its Fault Tolerant Topology. IEEE Access 2021, 9, 44266–44282. [Google Scholar] [CrossRef]
- Oureilidis, K.O.; Demoulias, C.S. A fault clearing method in converter-dominated microgrids with conventional protection means. IEEE Trans. Power Electron. 2016, 31, 4628–4640. [Google Scholar] [CrossRef]
- Liu, T.; Wang, X.; Liu, F.; Xin, K.; Liu, Y. A Current Limiting Method for Single-Loop Voltage-Magnitude Controlled Grid-Forming Converters during Symmetrical Faults. IEEE Trans. Power Electron. 2022, 37, 4751–4763. [Google Scholar] [CrossRef]
- Paquette, A.D.; Divan, D.M. Virtual impedance current limiting for inverters in microgrids with synchronous generators. IEEE Trans. Ind. Appl. 2015, 51, 1630–1638. [Google Scholar] [CrossRef]
- Gkountaras, A.; Dieckerhoff, S.; Sezi, T. Evaluation of current limiting methods for grid forming inverters in medium voltage microgrids. In Proceedings of the 2015 IEEE Energy Conversion Congress and Exposition (ECCE), Montreal, QC, Canada, 20–24 September 2015; pp. 1223–1230. [Google Scholar] [CrossRef]
- Welck, F.; Duckwitz, D.; Gloeckler, C. Influence of virtual impedance on short circuit performance of virtual synchronous machines in the 9-bus system. In Proceedings of the Conference on Sustainable Energy Supply and Energy Storage Systems, Hamburg, Germany, 21–22 September 2017; pp. 1–7. [Google Scholar]
- Taul, M.; Wang, X.; Davari, P.; Blaabjerg, F. Current limiting control with enhanced dynamics of grid-forming converters during fault conditions. IEEE J. Emerg. Sel. Top. Power Electron. 2020, 8, 1062–1073. [Google Scholar] [CrossRef]
- Qoria, T.; Jouini, T.; Cross, D.; Markovic, U.; Denis, G.; Prevost, T. Data Underlying the Research of a 3 Bus Model for Full Inverter System. Migrate WP3. 4TU.Centre for Research Data, 2018. Available online: https://data.4tu.nl/articles/_/12717806/1 (accessed on 1 August 2022).
- Khan, M.Y.A.; Liu, H.; Habib, S.; Khan, D.; Yuan, X. Design and Performance Evaluation of a Step-Up DC–DC Converter with Dual Loop Controllers for Two Stages Grid Connected PV Inverter. Sustainability 2022, 14, 811. [Google Scholar] [CrossRef]
- Qoria, T.; Gruson, F.; Colas, F.; Guillaud, X.; Debry, M.; Prevost, T. Tuning of cascaded controllers for robust grid-forming voltage source converter. In Proceedings of the 2018 Power Systems Computation Conference (PSCC), Dublin, Ireland, 11–15 June 2018; pp. 1–7. [Google Scholar]
- D’Arco, S.; Suul, J.A. Equivalence of Virtual Synchronous Machines and Frequency-Droops for Converter-Based MicroGrids. IEEE Trans. Smart Grid 2013, 5, 394–395. [Google Scholar] [CrossRef]
- Liu, J.; Miura, Y.; Ise, T. Comparison of dynamic characteristics between virtual synchronous generator and droop control in inverter-based distributed generators. IEEE Trans. Power Electron. 2016, 31, 3600–3611. [Google Scholar] [CrossRef]
- Mohamed, Y.A.R.I.; El-Saadany, E.F. Adoptive Decentralized Droop Controller to Preserve Power Sharing Stability of Paralleled Inverters in Distributed Generation Microgrids. IEEE Trans. Power Electron. 2008, 23, 2806–2816. [Google Scholar] [CrossRef]
- Hatziargyriou, N.; Milanovic, J.; Rahmann, C.; Ajjarapu, V.; Canizares, C.; Erlich, I.; Hill, D.; Hiskens, I.; Kamwa, I.; Pal, B.; et al. Definition and Classification of Power System Stability—Revisited & Extended. IEEE Trans. Power Syst. 2020, 36, 3271–3281. [Google Scholar] [CrossRef]
- Rashid, G.; Ali, M.H. Fault ride through capability improvement of DFIG based wind farm by fuzzy logic controlled parallel resonance fault current limiter. Electr. Power Syst. Res. 2017, 146, 1–8. [Google Scholar] [CrossRef]
- Fan, B.; Liu, T.; Zhao, F.; Wu, H.; Wang, X. A Review of Current-Limiting Control of Grid-Forming Inverters under Symmetrical Disturbances. IEEE Open J. Power Electron. 2022, 3, 955–969. [Google Scholar] [CrossRef]
- Naderi, S.; Jafari, M. Impact of bridge type fault current limiter on power system Transient Stability. In Proceedings of the 7th International Conference on Electrical and Electronics Engineering, Bursa, Turkey, 1–4 December 2011; pp. 1–4. [Google Scholar]
- Hagh, M.T.; Abapour, M. DC reactor type transformer inrush current limiter. IET Electr. Power Appl. 2007, 1, 808–814. [Google Scholar] [CrossRef]
- Luo, X.; Wang, J. Review of Voltage and Frequency Grid Code Specifications for Electrical Energy Storage Applications. Energies 2018, 11, 1070. [Google Scholar] [CrossRef]
- The MathWorks. Detailed Model of a 100-kW Grid-Connected PV Array. Available online: https://ww2.mathworks.cn/help/sps/ug/detailed-model-of-a-100-kw-grid-connected-pv-array.html#d124e60511 (accessed on 4 December 2022).















| Evaluated Schemes | Vdc | Idc | ||||
|---|---|---|---|---|---|---|
| IAE | ISE | ITAE | IAE | ISE | ITAE | |
| Without FRT | 0.1432 | 0.0436 | 0.0213 | 1.926 | 1.0802 | 0.9415 |
| With FRT | 0.1058 | 0.0313 | 0.0071 | 0.160 | 0.0473 | 0.0271 |
| With adoptive FRT | 0.0836 | 0.0212 | 0.0052 | 0.091 | 0.0075 | 0.0122 |
| Evaluated Schemes | Vac | Iac | ||||
|---|---|---|---|---|---|---|
| IAE | ISE | ITAE | IAE | ISE | ITAE | |
| Without FRT | 1.1032 | 0.8416 | 0.6720 | 1.125 | 0.8022 | 0.7041 |
| With FRT | 0.1253 | 0.0260 | 0.0061 | 0.141 | 0.0353 | 0.0172 |
| With adoptive FRT | 0.0721 | 0.0182 | 0.0034 | 0.085 | 0.0259 | 0.0108 |
Disclaimer/Publisher’s Note: The statements, opinions and data contained in all publications are solely those of the individual author(s) and contributor(s) and not of MDPI and/or the editor(s). MDPI and/or the editor(s) disclaim responsibility for any injury to people or property resulting from any ideas, methods, instructions or products referred to in the content. |
© 2023 by the authors. Licensee MDPI, Basel, Switzerland. This article is an open access article distributed under the terms and conditions of the Creative Commons Attribution (CC BY) license (https://creativecommons.org/licenses/by/4.0/).
Share and Cite
Islam, S.U.; Kim, S. Design of an Optimal Adoptive Fault Ride through Scheme for Overcurrent Protection of Grid-Forming Inverter-Based Resources under Symmetrical Faults. Sustainability 2023, 15, 6705. https://doi.org/10.3390/su15086705
Islam SU, Kim S. Design of an Optimal Adoptive Fault Ride through Scheme for Overcurrent Protection of Grid-Forming Inverter-Based Resources under Symmetrical Faults. Sustainability. 2023; 15(8):6705. https://doi.org/10.3390/su15086705
Chicago/Turabian StyleIslam, Saif Ul, and Soobae Kim. 2023. "Design of an Optimal Adoptive Fault Ride through Scheme for Overcurrent Protection of Grid-Forming Inverter-Based Resources under Symmetrical Faults" Sustainability 15, no. 8: 6705. https://doi.org/10.3390/su15086705
APA StyleIslam, S. U., & Kim, S. (2023). Design of an Optimal Adoptive Fault Ride through Scheme for Overcurrent Protection of Grid-Forming Inverter-Based Resources under Symmetrical Faults. Sustainability, 15(8), 6705. https://doi.org/10.3390/su15086705
