Fuzzy-Based Fifteen-Level VSC for STATCOM Operations with Single DC-Link Voltage
Abstract
1. Introduction
2. STATCOM Formation and Working Principle
2.1. Working Principle
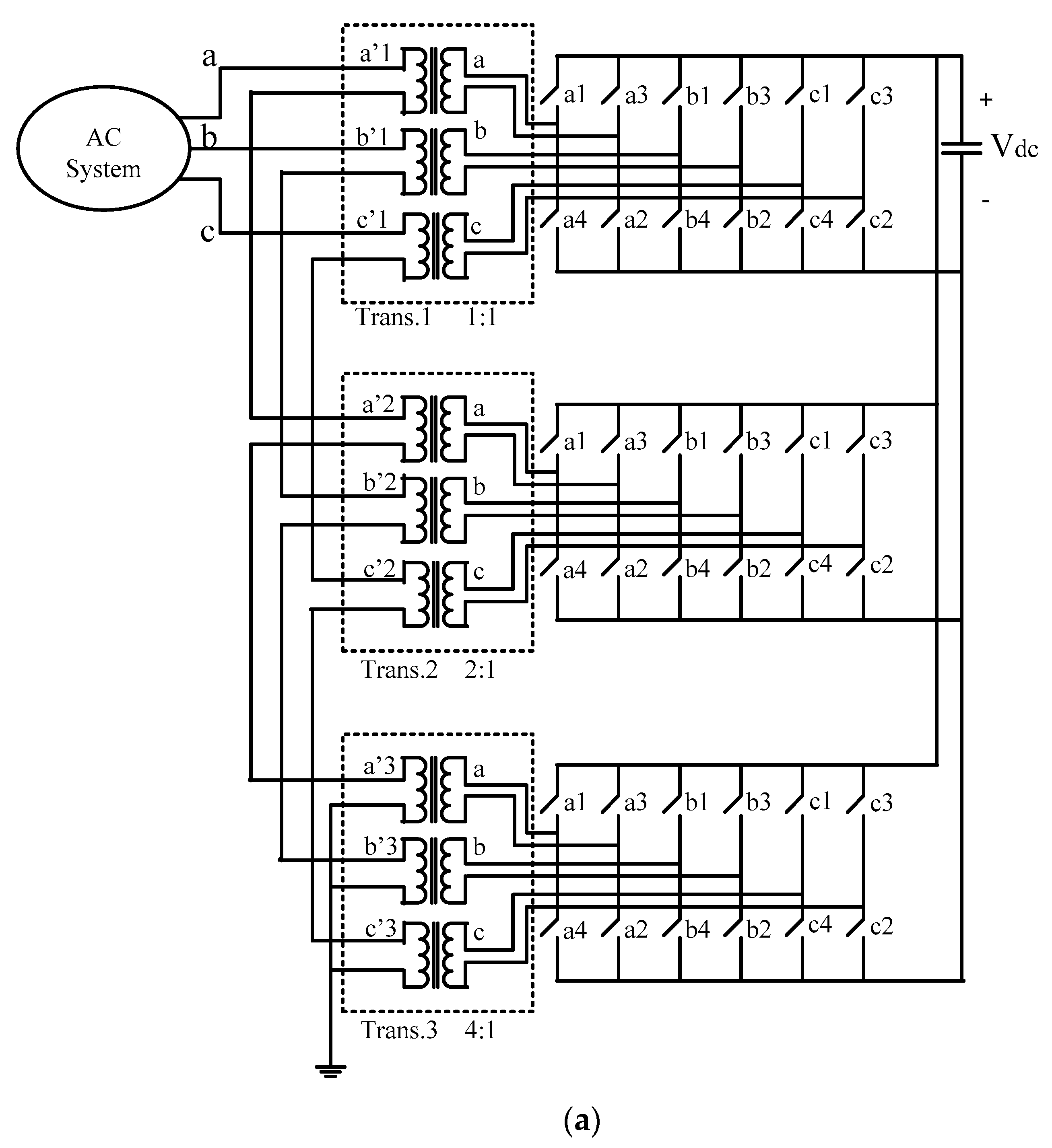
2.2. A Proposed Fifteen-Level VSC-Based STATCOM Formation
3. Fuzzy Control Methodology
3.1. Phase Locked Loop
3.2. Fuzzy Rule DC Voltage Controller
3.3. Fuzzy Rule AC Voltage Controller
3.4. Decoupled Current Controller
3.5. Assessment of Phase Angles
4. STATCOM Performance and Simulation Results
4.1. Performance When Changing Reactive Power under Continuous Load
4.2. Performance When Changing Reactive Power under Cumulative Load
4.3. Performance When Changing Reactive Power under a Disintegration Load
4.4. Performance of Reference Terminal Voltage Changes at Continuous Load Conditions
5. Analysis of Fifteen-Level VSC-Based STATCOM under Reference Reactive Power and Terminal Voltage Conditions
6. Conclusions
Author Contributions
Funding
Institutional Review Board Statement
Informed Consent Statement
Data Availability Statement
Acknowledgments
Conflicts of Interest
References
- Das, A.; Dawn, S.; Gope, S.; Ustun, T.S. A Strategy for System Risk Mitigation Using FACTS Devices in a Wind Incorporated Competitive Power System. Sustainability 2022, 14, 8069. [Google Scholar] [CrossRef]
- Ranjan, S.; Latif, A.; Das, D.C.; Sinha, N.; Hussain, S.S.; Ustun, T.S.; Iqbal, A. Simultaneous analysis of frequency and voltage control of the interconnected hybrid power system in presence of FACTS devices and demand response scheme. Energy Rep. 2021, 7, 7445–7459. [Google Scholar] [CrossRef]
- Ustun, T.S.; Hussain, S.M.S.S. IEC 61850 Modeling of UPFC and XMPP communication for power management in microgrids. IEEE Access 2020, 8, 141696–141704. [Google Scholar] [CrossRef]
- Ranjan, S.; Das, D.C.; Sinha, N.; Latif, A.; Hussain, S.M.S.; Ustun, T.S. Voltage stability assessment of isolated hybrid dish-stirling solar thermal-diesel microgrid with STATCOM using mine blast algorithm. Electr. Power Syst. Res. 2021, 196, 107239. [Google Scholar] [CrossRef]
- Abdulveleev, I.R.; Khramshin, T.R.; Kornilov, G.P. Novel Hybrid Cascade H-bridge Active Power Filter with Star Configuration for Nonlinear Powerful Industrial Loads. In Proceedings of the 2018 International Conference on Industrial Engineering, Applications and Manufacturing (ICIEAM), Moscow, Russia, 15–18 May 2018. [Google Scholar]
- Gadupudi, L.N.; Rao, G.S.; Devarapalli, R.; Márquez, F.P.G. Seven Level Voltage Source Converter Based Static Synchronous Compensator with a Constant DC-Link Voltage. Appl. Sci. 2021, 11, 7330. [Google Scholar] [CrossRef]
- Ahmad, Y.; Pinto, S.F. Cascade multilevel STATCOM as a solution to improve the voltage profile of a power grid. In Proceedings of the 2018 International Young Engineers Forum (YEF-ECE), Costa da Caparica, Portugal, 4–5 May 2018. [Google Scholar]
- Nguyen, T.H.; Al Hosani, K.; El Moursi, M.S.; Blaabjerg, F. An Overview of Modular Multilevel Converters in HVDC Transmission Systems with STATCOM Operation during Pole-to-Pole DC Short Circuits. IEEE Trans. Power Electron. 2019, 34, 4137–4160. [Google Scholar] [CrossRef]
- Liang, H.; Song, H.; Xiu, L.; Liu, A.; Zhang, B. Coordination control of positive and negative sequence voltages of cascaded H-bridge STATCOM operating under imbalanced grid Voltage. J. Eng. 2019, 2019, 2743–2747. [Google Scholar]
- Gadupudi, L.N.; Rao, G.S. 9-Level VSC based STATCOM for Reactive Power Management and Voltage Stability Improvement. J. Green Eng. 2020, 10, 10275–10288. [Google Scholar]
- Lanzarotto, D.; Morel, F.; Steckler, P.-B.; Vershinin, K. Rapid Evaluation Method for Modular Converter Topologies. Energies 2022, 15, 3492. [Google Scholar] [CrossRef]
- Jeong, I.W.; Sung, T.H. One-Cycle Control of Three-Phase Five-Level Diode-Clamped STATCOM. Energies 2021, 14, 1830. [Google Scholar] [CrossRef]
- Chaudhary, S.K.; Cupertino, A.F.; Teodorescu, R.; Svensson, J.R. Benchmarking of Modular Multilevel Converter Topologies for ES-STATCOM Realization. Energies 2020, 13, 3384. [Google Scholar] [CrossRef]
- Srinivas, K.V.; Singh, B. Three-Level 24-Pulse STATCOM with Pulse Width Control at Fundamental Frequency Switching. In Proceedings of the 2010 IEEE Industry Applications Society Annual Meeting, Houston, TX, USA, 3–7 October 2010. [Google Scholar]
- Jeon, Y.-T.; Townsend, C.D.; Tafti, H.D.; Rodriguez, E.; Farivar, G.G.; Park, J.-H.; Pou, J. An Enhanced Static Compensator with DC-Link Voltage Shaping Method. IEEE Trans. Power Electron. 2020, 35, 2488–2500. [Google Scholar] [CrossRef]
- Lee, H.W.; Park, J.-W. An Improved STATCOM based on Hybrid Modular Multilevel Converter. In Proceedings of the 2019 34th International Technical Conference on Circuits/Systems, Computers and Communications (ITC-CSCC), JeJu, Republic of Korea, 23–26 June 2019. [Google Scholar]
- Liu, W.; Liu, Y.; Mao, Y.; Sun, S.; Si, R.; Shao, H.; Jia, P. A new cascaded multi-level phase structure suitable for high-voltage high-power applications. In Proceedings of the 2018 2nd IEEE Conference on Energy Internet and Energy System Integration (EI2), Beijing, China, 20–22 October 2018. [Google Scholar]
- Gadupudi, L.N.; Rao, G.S. 7-Level Transformers Integrated Voltage Source Converter Based STATCOM for Voltage Profile. Int. J. Solid State Technol. 2020, 63, 3134–3141. [Google Scholar]
- Chakrabarty, R.; Adda, R. Reduced Switch Single DC Source Cascaded H-bridge Multilevel Inverter based DSTATCOM. In Proceedings of the IECON 2019—45th Annual Conference of the IEEE Industrial Electronics Society, Lisbon, Portugal, 14–17 October 2019. [Google Scholar]
- Yarlagadda, V.; Garikapati, A.K.; Gadupudi, L.; Kapoor, R.; Veeresham, K. Comparative Analysis of STATCOM and SVC on Power System Dynamic Response and Stability Margins with time and frequency responses using Modelling. In Proceedings of the 2022 International Conference on Smart Technologies and Systems for Next Generation Computing (ICSTSN), Villupuram, India, 25–26 March 2022; pp. 1–8. [Google Scholar] [CrossRef]
- Dash, A.R.; Panda, A.K. Experimental Validation of a Shunt Active Filter Based On Cascaded Multilevel Inverter with Single Excited DC Source. In Proceedings of the 2018 International Conference on Power, Instrumentation, Control and Computing (PICC), Thrissur, India, 18–20 January 2018. [Google Scholar]
- Yarlagadda, V.; Jyothi, M.N.; Lakshminarayana, G.; Priya, T.H. Power Flow and Stability Improvement in Distribution Systems Using Phase Angle Regulator. In Innovations in Electrical and Electronic Engineering. ICEEE 2022; Lecture Notes in Electrical Engineering; Mekhilef, S., Shaw, R.N., Siano, P., Eds.; Springer: Singapore, 2022; Volume 893. [Google Scholar] [CrossRef]
- Montoya, O.D.; Fuentes, J.E.; Moya, F.D.; Barrios, J.Á.; Chamorro, H.R. Reduction of Annual Operational Costs in Power Systems through the Optimal Siting and Sizing of STATCOMs. Appl. Sci. 2021, 11, 4634. [Google Scholar] [CrossRef]
- Diab, A.A.Z.; Ebraheem, T.; Aljendy, R.; Sultan, H.M.; Ali, Z.M. Optimal Design and Control of MMC STATCOM for Improving Power Quality Indicators. Appl. Sci. 2020, 10, 2490. [Google Scholar] [CrossRef]
- Gadupudi, L.N.; Rao, G.S. Recent Advances of STATCOM in Power Transmission Lines—A Review. Turk. J. Comput. Math. Educ. 2021, 12, 4621–4626. [Google Scholar]
- Malik, H.; Singh, S.; Kr, M.; Jarial, R. UV/VIS response based fuzzy logic for health assessment of transformer oil. Procedia Eng. 2012, 30, 905–912. [Google Scholar] [CrossRef]
- Yadav, A.K. A novel hybrid approach based on relief algorithm and fuzzy reinforcement learning approach for predicting wind speed. Sustain. Energy Technol. Assess. 2021, 43, 100920. [Google Scholar]









| e\ce | NB | NM | NS | ZE | PS | PM | PB |
|---|---|---|---|---|---|---|---|
| NB | NB | NB | NB | NB | NM | NS | ZE |
| NM | NB | NM | NM | NM | NS | ZE | PS |
| NS | NB | NM | NS | NS | ZE | PS | PM |
| ZE | NB | NM | NS | ZE | PS | PM | PB |
| PS | NM | NS | ZE | PS | PM | PM | PB |
| PM | NS | ZE | PS | PM | PM | PB | PB |
| PB | ZE | PS | PM | PB | PB | PB | PB |
| STATCOM Current Operations | Loads | %Total Harmonic Distortion (THD) Fuzzy Logic Controller |
|---|---|---|
| Under inductive | Continuous | 2.07 |
| Under capacitive | 3.51 | |
| Under inductive | Cumulative | 2.09 |
| Under capacitive | 3.54 | |
| Under inductive | Disintegration | 2.09 |
| Under capacitive | 3.52 |
| Currents | Operations | %Total Harmonic Distortion (THD) |
|---|---|---|
| System | Under inductive | 1.30 |
| Under capacitive | 2.13 | |
| Load | Under inductive | 0.53 |
| Under capacitive | 1.02 | |
| STATCOM | Under inductive | 2.01 |
| Under capacitive | 3.52 |
Disclaimer/Publisher’s Note: The statements, opinions and data contained in all publications are solely those of the individual author(s) and contributor(s) and not of MDPI and/or the editor(s). MDPI and/or the editor(s) disclaim responsibility for any injury to people or property resulting from any ideas, methods, instructions or products referred to in the content. |
© 2023 by the authors. Licensee MDPI, Basel, Switzerland. This article is an open access article distributed under the terms and conditions of the Creative Commons Attribution (CC BY) license (https://creativecommons.org/licenses/by/4.0/).
Share and Cite
Gadupudi, L.; Rao, G.S.; Narayana Divakar, R.V.L.; Malik, H.; Alsaif, F.; Alsulamy, S.; Ustun, T.S. Fuzzy-Based Fifteen-Level VSC for STATCOM Operations with Single DC-Link Voltage. Sustainability 2023, 15, 6188. https://doi.org/10.3390/su15076188
Gadupudi L, Rao GS, Narayana Divakar RVL, Malik H, Alsaif F, Alsulamy S, Ustun TS. Fuzzy-Based Fifteen-Level VSC for STATCOM Operations with Single DC-Link Voltage. Sustainability. 2023; 15(7):6188. https://doi.org/10.3390/su15076188
Chicago/Turabian StyleGadupudi, Lakshminarayana, Gudapati Sambasiva Rao, Rachakonda Venkata Lakshmi Narayana Divakar, Hasmat Malik, Faisal Alsaif, Sager Alsulamy, and Taha Selim Ustun. 2023. "Fuzzy-Based Fifteen-Level VSC for STATCOM Operations with Single DC-Link Voltage" Sustainability 15, no. 7: 6188. https://doi.org/10.3390/su15076188
APA StyleGadupudi, L., Rao, G. S., Narayana Divakar, R. V. L., Malik, H., Alsaif, F., Alsulamy, S., & Ustun, T. S. (2023). Fuzzy-Based Fifteen-Level VSC for STATCOM Operations with Single DC-Link Voltage. Sustainability, 15(7), 6188. https://doi.org/10.3390/su15076188

