Abstract
This work introduces a multiple-input, multiple-output (MIMO) isolated converter for low-power applications involving residential DC nanogrids and nanogrids. The topology has a multiport characteristic that allows for the integration of loads and sources with distinct ratings, e.g., photovoltaic (PV) modules, battery banks, DC loads, and the AC grid. The structure relies on a DC-DC multi-winding multidirectional flyback converter that operates as power interface and can minimize the number of power conversion stages while enabling flexible power flow control. Owing to its multidirectional characteristic, a port can be responsible for supplying or absorbing energy using duty cycle control or phase-shift control, respectively. Since the operating modes of the converter are decoupled, a predictive controller is capable of managing the power flow among the ports independently. Simulation results are presented and discussed to evaluate the control system robustness and its performance in power flow management.
1. Introduction
Smart grids involve a complex scenario in which renewable energy sources (RESs), energy storage devices (ESDs), and electric vehicles (EVs), among other components, may interact with each other. In contrast to traditional power systems, consumers may play an active role while behaving as prosumers [1]. In this context, the use of distributed energy resources (DERs) in residential, commercial, and industrial facilities is a prominent solution for mitigating the worldwide energy crisis [2].
Microgrids are independent systems that can operate in grid-connected or islanded mode. In addition, distinct energy sources, ESDs, and loads can be incorporated into such architectures to make them fully or partially self-sufficient. In this regard, multiple energy sources can both supply the existing loads and inject power into the traditional AC grid. However, owing to their intermittent nature, such resources are not capable of ensuring an uninterruptible power supply. For instance, photovoltaic (PV) modules are unable to operate properly under certain weather conditions or even at night, whereas wind power relies strictly on the installation of turbines at proper sites. This is why ESDs are of major importance as a backup resource [3]. Bidirectional power flow is also a key issue in microgrids, whereas the simultaneous operation of multiple sources aims at an optimal economic and energy dispatch [4].
As the demand for renewable energy sources increases, combining them with ESDs may no longer be just an option, but a mandatory requirement. A practical example is the State of California in the United States of America, which has taken the lead in the establishment of policies and mechanisms for the installation of distributed generation (DG) systems associated with ESDs [5]. Besides, the growing number of DC-powered consumers and facilities comprising telecommunication equipment, light-emitting diodes (LEDs) systems, battery chargers, and EVs, among many other low-voltage devices, do involve the combined operation of loads and sources with multiple ratings. In this scenario, the conception of simple and effective energy management architectures is of major interest [6].
Multiport converters (MPCs) are a potential and versatile solution for this purpose, as they help achieve an efficient power flow control in a single power stage. This is also a cost-effective approach for hybrid power systems that will certainly integrate modern smart homes and DC microgrids in the near future. In contrast to traditional single-input, single-output (SISO) converters connected at a common DC bus to exchange power, MPC topologies present promising advantages, such as higher conversion efficiency, fewer components, the possible adoption of centralized control strategies and higher power density, as well as galvanic isolation for safety issues [7].
Although less attention has been given to the development of multiple-input, multiple-output (MIMO) converters, multiple-input, single-output (MISO), and single-input, multiple-output (SIMO) converters have been well studied [8,9]. In the literature, MISO converters are described as a cost-effective solution that incorporates more than one source. Applications of MISO converters can be found in PV utility systems [10], hybrid PV/wind systems [11], renewable power generation systems with battery backup [12], and hybrid EVs [13]. In turn, SIMO converters are considered efficient power distributors for supplying multiple loads. Some applications in the literature include portable and electronic devices [14], telecom and computer systems [15], and fuel cell generation systems [16], among others [17,18,19].
In general, MPCs represented in terms of MISO, SIMO, and MIMO architectures can be classified into two categories—that is, non-isolated and isolated topologies, as shown in Figure 1.
Figure 1.
Classification of MPCs.
According to [20], isolated and non-isolated MPCs have been reported in the literature since the early 2000s. The main motivation for developing non-isolated topologies often relies on reducing the number of active switches and achieving a higher efficiency. However, isolated topologies remain equally popular because they offer greater flexibility in managing the power flow among multiple ports, while performing better in higher power systems and providing galvanic isolation associated with safety issues.
The multiple input/output ports result from the combination of various basic converter cells such as buck, boost, or buck-boost, as demonstrated in [21]. However, the latter scheme only allows obtaining unidirectional power flow. In turn, the authors in [22] propose bidirectional switching cells for battery charging and discharging. Other works reported a similar concept in which basic converter cells are associated in the form of cascade, series, or other combinations to implement a three-port non-isolated converter topology [23,24].
Reconfigurable ports present a simpler design and typically use one or two converters to connect multiple ports. In addition, relays or other slow switching devices are used to reconfigure the circuit. A compact MPC topology is proposed in [25], in which a three-phase inverter is reconfigured in the form of an AC-DC front-end stage to charge the battery from the grid. It can also perform DC-DC conversion between the PV system and the battery when a portion of the three-phase bridge is used. This topology is attractive because of its single-stage operation and relatively small number of components. However, the overall operational flexibility is limited because reconfiguring the converter to operate in different modes is difficult and requires a high number of relays/switches.
Magnetically/capacitive-coupled converters do not necessarily provide galvanic isolation between the ports, but they are often used for achieving a higher voltage gain. This is particularly useful for the integration of RESs and ESDs over a wide voltage range. Capacitive coupling was used in [26], in which multiple input ports were combined by means of the capacitive coupling of two boost stages. Capacitive coupling relies on charge pump circuits and increases the output voltage based on the voltage multiplier stages composed of diodes and capacitors.
In multiport configurations that use two-winding transformers, two ports are non-isolated from each other, whereas the third one remains isolated from its counterparts. In the topology described in [27], two ports are cascaded in the primary side of a full-bridge converter to create an MPC. In turn, the topology proposed in [27] allows obtaining the third port by connecting a boost structure to the secondary side of the center-tapped transformer of a half-bridge converter.
All ports are galvanically isolated in structures comprising coupled ports associated with multi-winding transformers. Either a half-bridge or a full-bridge arrangement can be used as in [28,29] or [30], respectively. As for topologies in which the coupled ports are associated with multiple transformers, each transformer couples at least two ports through a dual-active-bridge (DAB) type arrangement [31]. In topologies based on coupled ports associated with multi-winding coupled inductors, all ports are galvanically isolated and are usually generated from flyback arrangements in the form of MISO or SIMO converters as in [32,33], respectively.
Figure 2 shows a conceptual DC power distribution architecture for future residential applications, in which there are multiple energy sources like wind turbines, PV modules, ESDs, and loads. Two distinct approaches allow obtaining a multiport system for such an application. The first one consists of connecting two DC buses rated at distinct voltage levels while using a bidirectional DC-DC converter known as an interlink converter (IC). In this scenario, SISO converters are controlled independently and associated with each individual source and/or load. The IC is responsible for the power management, as seen in Figure 2a, while requiring a proper communication system for exchanging information between the buses and ports. Although such configuration is predominant in most microgrids nowadays, it will inevitably require a large number of converters and higher implementation cost. Additionally, the communication-based control system is prone to a data-processing delay and errors that may affect the overall performance [34]. A MIMO converter can be used instead, resulting in the far less complex architecture shown in Figure 2b. The resulting structure relies on a single converter, while reducing the number of power processing stages.
Figure 2.
DC microgrid architectures: (a) decentralized approach based on an IC, (b) centralized approach based on an IMPC.
In this context, the main contribution of the present study consists of an MPC topology called a multi-winding flyback converter with multidirectional power flow capability, which is expected to operate as an interlink multiport converter (IMPC) in the MIMO system represented in Figure 2b. A prominent advantage of this arrangement is the possible elimination of intermediate DC-DC converters, while the sources and loads can operate with distinct voltage levels. Moreover, one can achieve voltage regulation and power management simultaneously, allowing for a compact design and the use of modern and relatively straightforward control solutions. The aforementioned aspects have a direct impact on the power stage performance and eliminate the need for complex communication architectures.
The remainder of this work is organized as follows. Section 2 describes some important concepts involving a discrete model predictive controller for MIMO systems. It also outlines the augmented state-space model with a built-in integrator and constant disturbance, as well as a brief description of the cost function. Section 3 describes the operating stages of the four-port multi-winding multidirectional flyback converter and the operating principle according to the proposed control strategy. Section 4 describes the mathematical modeling of the n-port IMPC. Since the operating modes of the converter are decoupled, the state-space average and small signal model are derived for each of the operating modes. Section 5 describes the results of the multiport converter through simulations to verify the effectiveness of the proposed control and its performance in managing the power flow between the ports during dynamic conditions. Section 6 discusses the concluding remarks and possible future work.
2. Model Predictive Control (MPrC)
MPrC is an optimization problem that consists of minimizing a cost function for a predefined horizon in time , subject to the model and constraints of the systems [35]. The result is a sequence of optimal actuations as in (1), but the controller will adopt only the first element of the sequence.
where is the process input at the k-th sampling instant.
Figure 3 represents the operating principle of MPrC. The future values of the system states are predicted until a predefined time horizon using the model and the available information from measurements until time . The sequence of actuations is optimized over a control horizon by minimizing a cost function over the prediction horizon and the first element of this sequence is applied. This whole process is repeated for each sampling instant, using the new measured data and obtaining a new sequence of optimal actuations after each iteration. This is called a receding horizon strategy.
Figure 3.
Schematic overview of MPrC, where the actuation input µ is iteratively optimized over a receding horizon.
There is a more philosophical approach to understand how MPrC works. The author in [36] starts with the hypothesis of crossing a road. It is not enough to consider that there are no cars between the pedestrian and the other side; one should also check if there are cars some distance away that will soon cross the road. In other words, it is necessary to predict whether one may be hit by a car at any time during the crossing. If this is the case, one should wait at the curb. Also, every time one crosses the street, one should take a look around, i.e., update the predictions so that one can change the trajectory across the street if necessary.
The basic model for computing the predictions is the discrete state model, which uses the notation to denote a value at the k-th sampling instant according to (2) [35,36,37,38].
where: x(k) is the state vector at an instant k, ; are the process inputs at an instant k, ; p is the dimension of the process inputs (u1, u2, …, up); q is the dimension of the process outputs (y1, y2, …, yq); A is the discrete state matrix, ; B is the discrete input matrix, ; C is the discrete output matrix; and n is the number of state variables.
MPrC does not assume that the state variables can be measured. There is rather an estimate of the state , where the notation denotes that this estimate relies on measurements up to instant . In other words, there are measurements of the outputs up to and knowledge of the inputs only up to u(k − 1), since the next input has not yet been determined. denotes a future value (at time k + 1) of the input , which is assumed at time k. and denote the predictions made at time of variables and y for a time . Therefore, using the predicted notation gives (3).
One can write (3) recursively to find the predictions, resulting in (4) for .
More generally, one can repeat this process to obtain step ahead predictions. Thus, one can obtain a vector of future predictions up to over a control horizon as in (5)–(7).
One must always satisfy the condition . If , it is sufficient to suppress the last columns of matrix , since for all . Moreover, it is easy to demonstrate that the terms of matrix correspond to the impulse response of the discrete-time model [37]. Therefore, to obtain the step response and null steady-state error, it is necessary to expand the state space.
2.1. Augmented State-Space Model with a Built-in Integrator
There are several ways to include the integrator in a state-space model of the MPrC plant and obtain the step response. In either case, the state vector must be augmented [38]. One solution is to use an augmented state vector with the last control action applied to the plant. Therefore, the state vector is defined as in (8).
One can define the augmented state-space model with a built-in integrator according to (9).
where:
Repeating the previously described recursion for the augmented state of instead of state , one can obtain (11) and (12).
Figure 4 shows the controller generating the signal , which is applied to a discrete-time integrator and then to the plant. Although matrix corresponds to the step response, it cannot guarantee a null steady-state error in the presence of constant perturbations.
Figure 4.
Block diagram of the state-space with a built-in integrator.
2.2. Augmented State-Space Model with Constant Input Disturbance
Let us assume that the plant dynamics are described by a model with constant perturbations d in the inputs that cannot be measured directly, as in Figure 5.
Figure 5.
Input perturbation.
It should be noted that estimating constant perturbations in the inputs rather than considering equivalent perturbations in the outputs is particularly useful when dealing with a first-order system, or even a higher-order one, since changes in the inputs are integrated and lead to divergences in the outputs.
The disturbance is modeled as . Thus, the augmented state-space model with constant input disturbance is defined in (13) and (14).
The overall process model should be augmented to include the disturbance dynamics according to (15).
where:
It is essential to use an observer based on , , and under the usual assumption of observability to form an estimate of the augmented state , since the disturbance remains unknown at a time instant . For this reason, the controller should include the estimated disturbance vector while redefining (8) for this purpose, resulting in (17).
It is worth mentioning that , , and must replace , , and in (10), respectively. This augmented state-space (built-in integrator in combination with the constant disturbance) can obtain the step response and null steady-state error compared with the aforementioned model corresponding to (7).
2.3. Cost Function
The cost function to be minimized at each sampling period penalizes deviations from the predicted output of a reference trajectory , as well as variations of the control vector . The quadratic cost function is adopted in this work considering the generic form shown in (18) and (19).
From (18), one can demonstrate that the cost function depends on the increment control vector . For this reason, substituting (19) in (18) yields (20).
The optimal control law can be obtained by minimizing . Therefore, by considering the gradient of with respect to , one can write (21).
The minimum of occurs when . Therefore, the resulting optimal solution corresponds to (22) and (23).
The control variation to be applied at a given instant k corresponds to the first p rows of vector , resulting in (24) and (25).
This said, the control applied to the system corresponds to (26).
The prediction , the control horizons , the weights and , and the reference trajectory affect the closed-loop behavior of the system associated with the predictive controller. Some of these parameters, particularly the weights, may be constrained by the economic objectives of the control system, but these are often tuning parameters that are adjusted to provide a satisfactory dynamic performance [38,39].
Furthermore, no specific requirements were applied to the design of the predictive controllers. The design criteria were based on observing the closed-loop behavior and, if necessary, adjusting its parameters (N, M, Q, and R). However, the prediction horizon is based on the settling time of the open-loop system to set the minimum value. As for the control horizon, it is determined by the necessary control actions associated with the open-loop system, but without control effort. Moreover, one can use heuristic methods as proposed by [40].
3. Analysis of the Proposed IMPC
The proposed converter shown in Figure 6 relies on diodes connected in series with the active switches to achieve a desired current source behavior. The diode also prevents the current from flowing through windings that receive energy, while windings supplying energy charge the magnetizing inductance. The voltage gain depends on the number of turns of each winding. The topology also has a modular characteristic that allows for the incorporation of more ports, each one composed of one winding associated with a set of four active switches and four diodes.
Figure 6.
Multi-winding multidirectional flyback converter operating as an IMPC.
The following rule should be observed for the proper operation of the proposed converter: top or bottom switches of different legs cannot be turned off simultaneously because there is no current path. Therefore, in practice, an overlapping time must be considered in the control signals for the top or bottom switches of distinct legs.
According to Figure 6, the pairs of odd-numbered switches in pink and even-numbered switches in green allows supplying and absorbing power, respectively. Additionally, the pair of even-numbered switches associated with the port that receives the highest amount energy will remain off during the whole process. In contrast, the duty ratios of other ports that receive energy are shifted with respect to the port that supplies the highest amount of energy. Owing to its multidirectional operation, a port can be responsible for supplying or absorbing energy while controlling the duty cycle or the phase-shift angle, respectively.
At this point, it is worth mentioning that the number of possible operating modes of the converter depends on the number of ports or windings. Therefore, the four-winding converter shown in Figure 6 can assume six possible configurations; that is, one port may supply energy to one, two, or three ports simultaneously, two ports may supply energy to one or to its remaining counterparts, or three ports may supply energy to a single one. This topology has a modular characteristic because it allows the incorporation of n windings and ports. However, the efficiency limits must be considered because the higher the number of switches and windings, the higher the losses and overall dimensions of the converter.
3.1. Operation Modes
There are two operation modes for the six possible configurations of the converter: charging and discharging of the magnetizing inductance , which are described as follows.
3.1.1. Charging of the Coupled Inductor
If two or more ports supply energy simultaneously, it is necessary to control the duty cycle of their respective odd-numbered switches, which depends on the amount of energy each port supplies. In this way, based on the assumption that ports one and two supply energy to ports three and four, there are three possible switching patterns based on the currents flowing through the ports: Iref1 > Iref2, Iref1 = Iref2, or Iref1 < Iref2 according to Figure 7.
Figure 7.
Possible switching patterns for the odd-numbered switches of ports 1 and 2 when supplying power: (a) , (b) , (c) .
The most complex case during the charging process is assessed in detail, in which ports one, two, and three simultaneously supply power to port four, whereas . Thus, the odd-numbered switches S1, S3, S5, S7, S9, and S11 will be turned on, each pair with a respective duty ratio that depends on the amount of energy each port supplies. In addition, the drive signals are in phase with each other, i.e., the core is magnetized by all three ports simultaneously. The pulse width modulation (PWM) signals for the switches are shown in Figure 8.
Figure 8.
Possible switching patterns for the odd-numbered switches of ports 1, 2, and 3.
Table 1 shows the driving sequence of the switches during period —that is, when storing energy. In addition, this process can be further divided into three stages. All ports are referred to one of the windings so that the applied voltage is equal to V as in (27).
where N1…N4 and V1…V4 are the numbers of turns and voltages associated with the windings.
Table 1.
Driving sequence for the odd-numbered switches of ports 1, 2, and 3.
The currents flowing through ports one, two, and three during stages (I) to (III) are shown in Figure 9. During the magnetizing inductance charging, the sum of the currents in the ports is always equal to . Therefore, the sum of , , and result in the waveform that represents the behavior of a conventional flyback converter as in (28). In addition, it is observed that all currents start with the same amplitude in mode I.
where i1(t), i2(t), and i3(t) are the instantaneous currents through ports one, two, and three, respectively, and vLm(t) is the instantaneous voltage across Lm.
Figure 9.
Currents and PWM signals of (a) port 3, (b) port 2, and (c) port 3.
Considering that the switches represented in green and purple in Figure 10 and the remainder of this work denote energy absorbed from and supplied to the magnetizing inductance, respectively one can describe the operating stages as follows.
Figure 10.
Operating stages of the IMPC for the driving scheme proposed in Figure 8.
- I.
- In the first stage, the odd-numbered switches of ports one, two, and three (S1, S3, S5, S7, S9, and S11) are on. Thus, there are three sources (V) in parallel with the magnetizing inductance. As a result, the currents are equally shared to keep the current slope equal to V/Lm, resulting in i1(t) = i2(t) = i3(t) = V/3Lm, as in Figure 10a.
- II.
- In this stage, the odd-numbered switches of port three (S9 and S11) are off, while the odd-numbered switches of ports one and two remain on. Thus, there are two sources (V) in parallel with the magnetizing inductance. As a result, the currents are equally shared, resulting in i1(t) = i2(t) = V/2Lm, as in Figure 10b.
- III.
- In this stage, the odd-numbered switches of port two (S5 and S7) are off, while the odd-numbered switches of port one remain on. Thus, the current through port one becomes equal to the total current flowing through the magnetizing inductance, resulting in i1(t) = V/Lm, as in Figure 10c.
Figure 10d represents the discharging of the magnetizing inductance. It is noteworthy that no power is supplied to the output during the charging process, even when one pair of the even-numbered switches is on because the diodes are reverse biased to ensure energy storage. This behavior is similar to that of a conventional flyback converter.
3.1.2. Discharging of the Coupled Inductor
Similarly to the previous section, the discharge can also occur in one or more ports with different current ratings. In such a case, the magnetic energy is stored and then transferred to port four. Thus, the pair of even-numbered switches of port four (S14 and S16) must be on during the entire period T according to Figure 10. Besides, no energy flows through port four because the diodes are reverse biased in Figure 10.
The operating stage is described as follows.
- IV.
- At the end of step III, the odd-numbered switches of port one (S1 and S3) are off and the voltage across the coupled inductor changes its polarity, causing the series diodes to be forward biased. Then, since the even-numbered switches of port four (S14 and S16) were previously turned on, the discharging occurs through port four as in Figure 10d and Figure 11.
Figure 11. Currents and PWM signals: (a) comparison between d1 and d4, (b) i4(t).
Based on the assumption that ports three and four absorb energy from ports one and two, there are three possible conditions for the currents in the ports—that is, Iref4 > Iref3, Iref4 = Iref3, or Iref4 < Iref3—which will phase shift the driving signal, or lead one or even both pairs of even-numbered switches to remain on during the whole period as shown in Figure 12.
Figure 12.
Possible switching patterns for the even-number switches of ports 3 and 4 when absorbing energy: (a) Iref4 > Iref3, (b) Iref4 = Iref3, (c) Iref4 < Iref3.
Let us consider the most complex case during the discharge mode, in which port four supplies power to ports one, two, and three, while the ports absorb different amounts of energy—that is, . In this case, port one receives the highest amount of energy, which is why the even-numbered switches always remain off. As for ports two and three, there is a PWM signal associated with a given phase shift. In turn, the duty ratio of the port that provides the highest amount of energy corresponding to d4 is shifted by an angle . The PWM signals of the switches are shown in Figure 13.
Figure 13.
Possible switching patterns for the even-numbered switches of ports 1, 2, and 3 compared with the driving sequence for the odd-numbered switches of port 4.
One can write the phase-shift angles in pu as according to (29).
Figure 13 evidences that the higher the amount of energy received, the greater the phase-shift angle. Thus, if three ports receive the same amount of energy, the pair of even-numbered switches will always remain on.
Figure 14a shows the port currents resulting from the application of the PWM signals represented in Figure 14b. The intervals corresponding to xnT are determined as a function of the pulse width p of the ports receiving energy, the phase shift angle θ, and the duty cycle of the port that supplies the most energy dmost. However, for an optimal control, the pulse width will always be equal to the duty cycle of the port that supplies the most energy (p = dmost). In this way, variable p (is eliminated from the phase-shift control, whereas one can calculate the interval from (30), which is valid for ports that are phase-shift controlled. In the given example, port one receives the most energy, resulting in x1T = (1−d4)T.
Figure 14.
(a) Port currents and (b) PWM signals.
The operation can be divided into three intervals for the coupled inductor discharge according to Table 2. The port currents and PWM signals are presented in Figure 14a,b, respectively. In turn, Figure 15a represents the discharging, whereas Figure 15b–d correspond to the discharging of the magnetizing inductance.
Table 2.
Driving sequence for the even-numbered switches of ports 1, 2, and 3.
Figure 15.
Operating stages of the IMPC for the driving scheme proposed in Figure 13.
- I.
- II.
- III.
3.2. Proposed Control Strategy
If Irefn is greater than zero, the port supplies energy, while it absorbs power otherwise. In this work, the operating modes of the converter are decoupled. For this reason, a predictive controller was implemented for each operating mode. When the port supplies power, the switches are controlled in terms of the duty cycle. However, phase-shift control is used when the port absorbs energy. Besides, the pair of even-numbered switches associated with the ports absorbing the most power always remain on.
Figure 16 shows that the minimum allowable number of on switches corresponds to a single set of even- and odd-numbered switches, while the maximum amount is three sets of even-numbered switches and one set of odd-numbered switches. Of course, the opposite is true. In turn, the duty cycle of the shifted pulses assumes the same value of that associated with the port that supplies the most energy.
Figure 16.
Block diagram of the discrete control for the IMPC.
According to Figure 16, the selective control determines which controller is assigned to each port, as well as which reference signals and outputs are associated with the appropriate controller. Signals from the supply mode controller go to the modulator, which drives the odd-numbered switches. Signals u2 coming from the absorption mode controller C2 provide the phase-shift angle to the pulses of the even-numbered switches. However, when a given port is controlled, either supplying or receiving energy, the opposite switches (even- or odd-numbered) are not turned on. It is worth mentioning that the respective pairs of even-numbered switches of the ports receiving the most energy are always on.
3.3. Power Flow Analysis
Owing to the wide variety of sources, ESDs, and loads that can be connected to the IMPC, the elements must be defined in such a way that the reference currents are dynamically set and fed back into the controller. The utility grid is connected to port one (311 V) using an inverter for supplying or absorbing power from the AC grid. In addition, the PV system is connected to port two (48 V), the high-power DC loads are connected to port three (24 V), and the energy storage system is connected to port four (12 V) as in Figure 17. The use of ESDs stems from the need to provide systems with high autonomy in terms of backup resources. The power flow in the proposed system characterizes different scenarios. Figure 17 also shows the possible power flow direction through each block, with the arrows indicating unidirectionality and bidirectionality.
Figure 17.
Microgrid architecture based on the proposed IMPC.
3.3.1. Power Balance
When carrying out the power balance analysis, one has to consider that regardless of the generation sources and load, the generated power is always equal to the consumed power plus the losses, thus ensuring the static stability of the system. Therefore, considering that the energy processing is lossless, one can obtain (31).
where PPV is the power generated by the PV system connected to port two, Putility is the power absorbed or injected into the utility grid connected to port one, Pbat is the power absorbed or injected by the ESDs connected to port four, and Pload is the power consumption of the loads connected to port three.
Equation (31) represents the condition for the grid-connected system. In this case, the PV system operates in maximum power point tracking (MPPT) mode and injects the maximum power. If the PV system and ESDs cannot meet the demand when the power consumed by the loads increases, the utility grid will inject power for this purpose. Otherwise, the utility grid will not inject power—that is, Putility = 0. If the power absorbed by the loads and the ESDs is less than that supplied by the PV system, the utility grid absorbs the resulting amount. Otherwise, the utility grid will not absorb power—that is, Putility = 0.
3.3.2. Grid-Connected Mode
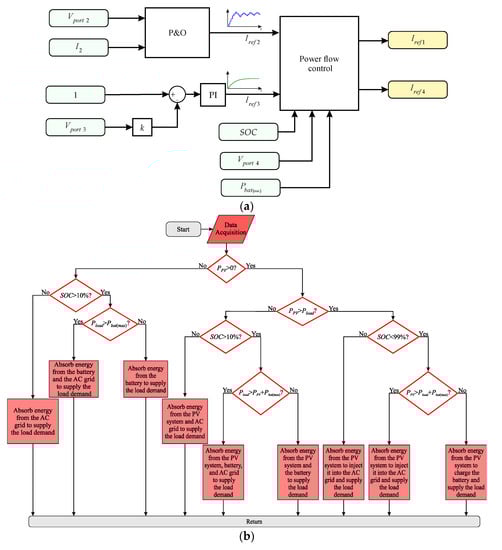
All possible combinations of generation and demand for the grid-connected system are shown in Figure 18, as well as a summary of the measures that must be applied for the IMPC to meet the power balance. In addition, if one wishes to disconnect the IMPC from the utility grid, it is necessary to carry out a new analysis. The flowchart includes the control variables that enable decision-making, which are related to the power generated by the PV system (PPV), the power consumed by the loads (Pload), and the parameters of the ESDs such as the maximum available power and state of charge (SOC).
Figure 18.
(a) Block diagram of the power flow control, (b) power flow in the proposed architecture.
The current reference values are set dynamically. Therefore, the perturb and observe (P&O) algorithm sets the current reference in pu for port two, while a voltage control loop determines the current reference in pu for port three (DC load) as in Figure 18a. Based on the parameters obtained from ports two and three, as well as the conditions of the ESDs, the power flow control defines the setpoints of ports one and four, which are fed back into the predictive controller.
4. Modeling of the Proposed n-Port Converter
The input, output, and state vector arrangement are in a descending order for the power supply mode. In this way, is1 represents the port that supplies the most energy. In the power absorption mode, the vectors are in an ascending order, i.e., ir1 represents the port that receives the most energy, also assuming a negative current when receiving energy. For instance, one assumes that ports one and two supply power to ports three and four, resulting in a matrix composed of is1, is2, ir2, and ir2. Parameter is1 represents the current of the port that supplies the most energy (current from port one or two), while ir1 corresponds to the current of the port that receives the most energy (current from port three or four).
The proposed -port converter can be represented in the state space divided into charging and discharging modes, which are decoupled. Moreover, all ports are referred to one of the windings so that the applied voltage is equal to V as in (32).
4.1. Power Supply Mode
In the most complex case, ports supply power simultaneously. The odd-numbered switches are turned on, each pair with its respective duty ratio, which depends on the amount of supplied energy. There are steps to store magnetic energy in the magnetizing inductance, as shown in Figure 19 and Figure 20.
Figure 19.
Currents through the ports in a descending order in the n-port converter.

Figure 20.
Operating stages of the proposed n-port converter.
4.1.1. First Stage [0, t1]
Because of the symmetrical ports, iS1 = iS2 = … = iS(n−1). Thus, the first stage shown in Figure 20a can be represented by (33).
where Vd is the forward voltage drop across a diode and Ld is the leakage inductance.
One can write (33) in the form of a matrix representation, resulting in (34).
4.1.2. (n − 2)th Stage [tn−3, tn−2]
Because of the symmetrical ports, iS1 = iS2. Thus, the (n − 2)th operating stage shown in Figure 20b can be represented by (35).
One can write (35) in a matrix form, resulting in (36).
4.1.3. (n − 1)th Stage [tn−2, tn−1]
One can write (37) in a matrix form, resulting in (38).
4.1.4. Converting the Averaged Model to a Small-Signal Model
Special techniques such as state-space averaging (SSA) are often used to model DC-DC converters. It consists of modeling each operating stage in the state space and linearizing it around an operating point. It is assumed that the variables to be controlled are constant during each switching period, since changes in the variables of interest are of low magnitude. Thus, a small-signal model is obtained around the rated operating point.
One can sum the state-space models of each stage corresponding to (34), (36), and (38) over a period to obtain the average model that best represents the system in (39), where , , , , and .
The input, output, duty cycle, and state vectors are the sum of the average values (variables in capital letters) and small perturbations (variables associated with the operator “”) as in (40). Therefore, the state-space average model can be linearized around an operating point accordingly [41].
The small-signal perturbations in the input vector are neglected, resulting in only constant values of the vector. Thus, substituting (40) in (39) and manipulating the equation algebraically gives (41). Also, let us assume that the product of two perturbations is zero, as well as and .
4.2. Power Absorption Mode
More generally, one can repeat the previously described process for the most complex case in which ports receive power simultaneously to obtain (42). In this mode, the even-numbered switches are on. Each pair has a respective phase-shift angle, which depends on the amount of energy each port receives. It should also be noted that switches associated with the port receiving the most energy are always on.
5. Results and Discussion
Figure 21 shows a four-port IMPC rated at 800 W, which was simulated in PSIM software. The port voltages are 311 V, 48 V, 24 V, and 12 V. The switching frequency is fs = 20 kHz and the magnetizing inductance is Lm = 3.5 mH. The switches are metal-oxide semiconductor field-effect transistors (MOSFETs) model FCP600N65S3R0 by ON Semiconductor, whereas the diodes are model RFN5TF6S by ROHM Semiconductor for port one. As for ports two, three, and four, MOSFETs model are IRFI3205PbF by Infineon Technologies, whereas the diodes are model DPG60I300HA by Littelfuse.
Figure 21.
Four-port IMPC.
As previously mentioned, the power supply mode is controlled by changing the duty cycle of the odd-numbered switches. Thus, when a given port supplies power, its respective even-numbered switches must remain off. The power absorption mode is controlled by shifting the pulses of even-numbered switches. Therefore, when receiving power, the respective odd-numbered switches must remain off.
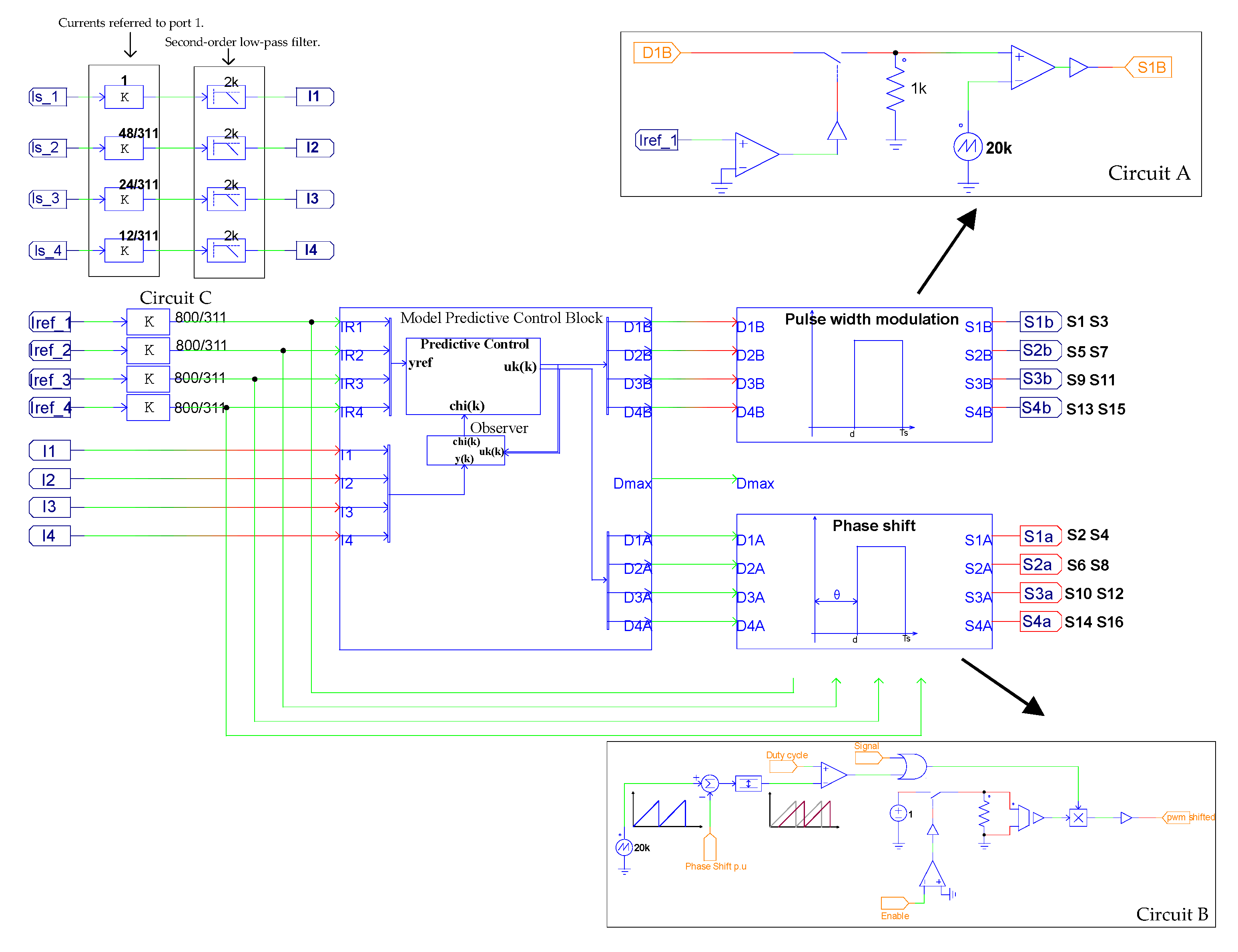
There is a circuit identical to the one shown in the upper right corner (circuit A) of Figure 22 for each pair of odd-numbered switches. Likewise, for each pair of even-numbered switches, there is a circuit analogous to the one shown in the lower right corner (circuit B) of Figure 22. Furthermore, the pulse width of the even-numbered switches is identical to that associated with the port that provides the most energy (). At the same time, the pair of even-numbered switches of the port that receives the most energy is always on. For this reason, the logic circuit must detect the highest reference current and whether another port has the same value. In addition, the currents are referred to port one (circuit C in Figure 22), filtered with a second-order low-pass filter, and fed back into the control system.
Figure 22.
Control circuit of the IMPC.
5.1. Closed-Loop Analysis of the IMPC
This section presents some results obtained from steps in the reference currents.
5.1.1. Two or Three Ports Supplying Energy Concurrently
Figure 23 shows the behavior of the currents in the IMPC for current references in pu defined at as follows: Iref1 = 0.7, Iref2 = 0.3, Iref3 = −0.65, and Iref4 = −0.35. Then, at , a step occurs, in which the current references are set to Iref1 = 0.5, Iref2 = 0.35, Iref3 = 0.15, and Iref4 = −1. It should also be noted that the controller responds accurately, resulting in changes in the behavior of port three.
Figure 23.
Port currents in pu.
Figure 24 represents the duty cycle behavior for the odd-numbered switches of ports one, two, and three. It is observed that during the first interval (), the odd-numbered switches of port three are not on, because port three receives current instead of supplying it. During the second interval (), all odd-numbered switches of port three remain on.
Figure 24.
Duty cycle of the odd-numbered switches of ports 1, 2 and 3.
Figure 25 shows the duty ratios of the even-numbered switches of ports three and four. Thus, it is observed that the pair of even-numbered switches of port three, named S10 and S12, must always remain on during the first interval, since port three receives the most energy. At the same time, the drive signals of the even-numbered switches of port four, named S14 and S16, are shifted by approximately with respect to port one. During the second interval, the even-numbered switches of port three are off, while the even-numbered switches of port four are always on since this port now receives all the supplied energy. Figure 26 shows part of the switching pattern associated with the switches before and after the reference step at .
Figure 25.
PWM signals of the even-numbered switches of ports 3 and 4 and phase-shifted PWM signal of port 4.
Figure 26.
PWM signals of the odd-numbered switches of ports 1, 2, and 3: (a) first interval (b) second interval.
5.1.2. One Port Supplying Energy to Another below the Minimum Capacity
Figure 27 shows the behavior of the currents in the IMPC for current references in pu defined at as follows: Iref1 = 0.2, Iref2 = 0, Iref3 = 0, and Iref4 = −0.2. Then, at , a step occurs so that the current references are set to Iref1 = 0.3 and Iref4 = −0.3. Another step occurs at , in which the current references are set to Iref1 = −0.15 and Iref4 = 0.15, resulting in the inversion of power flow direction in each port.
Figure 27.
Currents through ports 1 and 4 in pu for three reference steps.
When the IMPC operates at a low-power condition (Ptotal < 200 W) it results in the operation in discontinuous conduction mode (DCM). In turn, it operates in continuous conduction mode (CCM) when Ptotal ≥ 200 W. The power flow in the first interval () is less than the critical power level of 200 W, resulting in the DCM operation. During the second interval (), the transition between DCM and CCM occurs. It is reasonable to state that the controller can respond appropriately regardless of the behavior of the current through the magnetizing inductance. Finally, during the third interval (), the transition between CCM and DCM occurs simultaneously with the transition between the power supply and absorption modes. Overall, the control strategy meets the design requirements properly, provides robustness to the system, and performs the smooth transition between the operating modes of the IMPC, as shown in Figure 28.
Figure 28.
Current through the magnetizing inductance Lm.
5.1.3. Control System Performance
It should be noted that the operating modes of the converter can be decoupled because the power supply mode occurs during the charging of the coupled inductor and does not overlap with the power absorption mode that occurs during discharging. Therefore, if there are two or more ports associated with the power supply mode, they will influence each other. In other words, the operating modes are decoupled, but not the ports. Therefore, the ports in the power absorption mode will not influence the ports in the power supply mode, and vice versa. Therefore, the MPrC and proportional-integral (PI) controllers are compared with each other to illustrate the interaction between the ports, the performance of the proposed converter, and the efficiency analysis. The PI controller was designed to provide the compensated system with a phase margin of 65° and a bandwidth between 100 · fg and fs/10, where fg = 60 Hz is the AC grid frequency.
The steps applied in Section 5.1.1. for the reference currents are used here to compare the MPrC and Pi controllers and the result is shown in Figure 29 and Figure 30. In the first interval (), the MPrC controller meets the setpoints of all ports, unlike the PI controller, which meets only the setpoint of port one. Thus, a steady-state error occurs for ports two, three, and four, leading to a decrease in efficiency as shown in Figure 31b. The PI controller does not take into account the interaction between the ports as the MPrC controller does.
Figure 29.
Port currents in pu when using the MPrC and PI controllers: (a) port 1, (b) port 2, (c) port 3, and (d) port 4.
Figure 30.
Port currents in pu and comparison between MPrC and PI controllers.
Figure 31.
Theoretical efficiency of the MPC based on MPrC and PI controllers: (a) one port supplies energy to another, (b) two ports supply energy to another two simultaneously, (c) three ports supply energy to a single one.
In the second interval (), the operating mode of port three changes from power absorption to power supply. At the same time, the power demanded by the load connected to port four increases, the power supplied by port two increases slightly, while the power supplied by port one decreases. Figure 29 shows that the MPrC controller provides a smooth transition between the operating modes of the converter, while the PI controller does not. Similarly to the first interval, the MPrC controller meets the setpoints of all ports unlike the PI controller. However, in this case, the steady-state error is higher because there are more ports interacting with each other, thus resulting in a greater drop in efficiency as seen in Figure 31c.
Overall, it is reasonable to state that the MPrC controller provides a highly efficient operation, low steady-state error, small current ripples, and centralized control. It also avoids the use of communication bus requirements, while providing high robustness and a fast response. In addition, it can be designed to operate in both DCM and CCM. On the other hand, the PI controller can be designed to operate in a single mode (DCM or CCM). Otherwise, it may not provide the system with a proper stability margin.
This is due to the following advantages: the system model relies on anticipatory control actions, the integration of a disturbance model for disturbance rejection, as well as the use of a cost function to optimize control action. In summary, it is a multivariable controller that monitors the outputs simultaneously by taking into account all the interactions among the system variables. In contrast, the PI controller only reacts when there is a difference between the current point and the setpoint.
During load changes, transient oscillations occur due to the magnetizing inductance of the coupled inductor and the controller actuation. However, they do not affect the load or the battery significantly, as they typically occur during the operation switch-mode power supplies (SMPSs) based on linear controllers. Overall, large overshoots are likely to occur during extreme load variations.
The converter efficiency was estimated considering the semiconductors mentioned in Section 5 and the well-known expressions presented in [41], whereas the magnetics were designed according to the guidelines provided in [42]. Figure 31 compares the performances of the MPrC and PI controllers. The efficiency is assessed for the following conditions: one port supplying energy to another (similarly to the conventional flyback converter), whereas the efficiency for both controllers is 88.4% (Figure 31a); two ports supply energy to another two simultaneously, whereas the efficiency is 86.3% and 80%, respectively (Figure 31b); three ports supply energy to a single port, whereas the efficiency is 85.5% and 70.4%, respectively (Figure 31c). It is worth noting that the efficiency obtained with the MPrC controller is essentially constant in all cases, while the one associated with the PI controller decreases more and more as the number of ports in a given operating mode increases. Moreover, as expected, the efficiency for the conventional case hardly changes, regardless of the controller type as demonstrated in Figure 31a.
The performance of distinct DC-DC topologies analysed in [43] is compared with that of the proposed MPC in terms of qualitative aspects according to Table 3. It is evident that the circuit configuration and controller design for the MPC are more complex. However, the switching losses, ripple content, and stresses on the switches are lower, resulting in a higher efficiency as demonstrated in Figure 31. Moreover, stability is ensured at all operating points and the introduced approach is best suited for integrating hybrid systems.
Table 3.
Performance analysis of distinct DC-DC converters.
Generally speaking, MPrC-based controllers outperform their proportional-integral-derivative (PID) counterparts when (1) the system model is reasonably accurate [44], (2) there is a large time delay [45], and (3) there are complex interactions in MIMO systems [46]. In the present work, the models adopted for the MPrC design are reasonably accurate, there is no time delay, and the control mode is MIMO. Given the above, the proposed control approach will present an improved performance compared with a well-tuned PI controller. This is due to the prediction horizon and future knowledge of the converter behavior. In addition, it considers the interaction among the ports since it is a MIMO system.
5.2. IMPC Connected to the Utility Grid
In contrast to the previous section, the current reference values are set dynamically. Therefore, the P&O algorithm sets the current reference in pu for port two, while a voltage control loop determines the current reference in pu for port three (DC load). Based on the parameters obtained from ports two and three, as well as the conditions of the ESDs, the power flow controller defines the setpoints for ports one and four, which are fed back into the predictive controller.
The PV system has a generation capacity of 480 W. Figure 32a shows the representative block of the PV system used in the simulation and the respective parameters. Moreover, the battery model shown in Figure 32b is described in detail in [47]. Figure 33b also shows the simulated circuit, which manages the power flow between the ports for the configuration proposed in Section 3.2 and follows the control actions represented in the flowchart of Figure 18b.
Figure 32.
(a) Representative block of the PV system used in the simulation and its respective parameters, (b) IMPC associated with the proposed architecture.
Figure 33.
Solar irradiance pattern applied to the PV system.
To analyze the power flow control proposed in Figure 18b, the irradiance pattern shown in Figure 33 was applied. The power output is 253 W and 480 W when the solar irradiance is and for a temperature of 25 °C, respectively. In addition, the DC loads consume 1 pu (800 W) during the interval corresponding to . At , the power absorbed by the load drops to 0.25 pu (200 W).
In the first interval (), the PV system is not capable of meeting the load demand. Then, the battery injects power, but the system will not yet supply all the power demanded by the load, since the maximum available power of the battery bank is only 320 W. Therefore, the utility grid supplies the required amount as shown in Figure 34 and Figure 35.
Figure 34.
Port currents in pu when changes occur in the solar irradiance and load power: (a) fully-charged battery, (b) partially-charged battery.
Figure 35.
Port currents in pu when changes occur in the irradiance and load considering a partially-charged battery.
In the second interval (), the power delivered by the PV generation increases owing to the irradiance. At the same time, the load demand drops to 0.25 pu. In this case, there are two possibilities. In the first one, the exceeding amount is stored in the battery as shown in Figure 34b, since the ESD has the top priority. However, if the battery is fully charged, the energy surplus is injected into the utility grid as shown in Figure 34a.
It is noteworthy that the priorities of the sources for power supply and/or absorption are shown in Figure 18b. If the PV system cannot meet the demand, the battery bank starts operating to supply the required energy amount. If necessary, the utility grid will supplement the demand. In a scenario where the PV system produces more energy than the demand, priority is given to the battery bank to store it, considering a partially-charged battery. If necessary, the utility grid will later absorb the exceeding amount. In other words, priority is given to injecting energy into and extracting energy from the battery bank, while the utility grid only takes place when the battery bank is unavailable (fully discharged) or unable to supply the whole load demand.
In the second interval () of Figure 35, the load demand decreases to 0.14 pu instead of 0.25 pu. Thus, the exceeding energy is injected into the battery, but there is still a surplus. Therefore, the utility will absorb it to maintain the balance between the generated and demanded power.
Overall, it is reasonable to state that the introduced control strategy ensures a smooth transition between the operating modes of the IMPC. Moreover, the power flow control of the proposed architecture occurs in accordance with the flowchart shown in Figure 18b.
6. Conclusions
This work has introduced a multiport DC-DC topology arranged as a multi-winding multidirectional flyback converter, as well as a simple and straightforward approach for controlling the power flow efficiently. Moreover, the structure can be scaled to an arbitrary number of ports (inputs/outputs), whereas the ports can assume different voltage ratings and be regulated individually. However, the efficiency limits must be considered because the higher the number of switches and windings, that is, ports, the higher the losses and overall dimensions of the converter.
Since the operating modes of the converter are decoupled, a predictive controller can manage the power flow among the ports independently. Thus, it is reasonable to state that the introduced control strategy ensures a smooth transition between the operating modes of the IMPC. Furthermore, no specific requirements were applied in the design of introduced approach. The design criteria were based on observing the closed-loop behavior and, if necessary, adjusting its parameters (N, M, Q, and R).
It is noteworthy that the proposed topology is a suitable choice for power levels below 1 kW, which often is the case for DC nanogrids. Since the arrangement is derived from the conventional flyback converter, it suffers from efficiency limits and increased dimensions of magnetics.
Future work includes the experimental implementation of a microgrid and an assessment of the proposed converter associated with the predictive controller, which involve a costly infrastructure that is not readily available to authors.
Author Contributions
Conceptualization and methodology, A.S.d.M.; formal analysis and investigation, R.C.d.O.; writing—original draft preparation, R.C.d.O.; writing—review and editing, A.S.d.M., F.L.T., and R.C.d.O.; supervision, A.S.d.M. and F.L.T. All authors have read and agreed to the published version of the manuscript.
Funding
This research was funded by the Coordination for the Improvement of Higher Education Personnel (CAPES), the Brazilian National Council for Scientific and Technological Development (CNPq), the Minas Gerais Research Funding Foundation (FAPEMIG), and the National Institute of Science and Technology in Electric Energy (INERGE).
Institutional Review Board Statement
Not applicable.
Informed Consent Statement
Not applicable.
Data Availability Statement
Data available upon request from the authors.
Acknowledgments
This research was funded by the Brazilian National Council for Scientific and Technological Development (CNPq). The authors would also like to acknowledge the Coordination for the Improvement of Higher Education Personnel (CAPES), the Minas Gerais Research Funding Foundation (FAPEMIG), and the National Institute of Science and Technology in Electric Energy (INERGE) for supporting this work.
Conflicts of Interest
The authors declare no conflict of interest.
References
- Blaabjerg, F.; Teodorescu, R.; Liserre, M.; Timbus, A.V. Overview of control and grid synchronization for distributed power generation systems. IEEE Trans. Ind. Electron. 2006, 53, 1398–1409. [Google Scholar] [CrossRef]
- Hirsch, A.; Parag, Y.; Guerrero, J. Microgrids: A review of technologies, key drivers, and outstanding issues. Renew. Sustain. Energy Rev. 2018, 90, 402–411. [Google Scholar] [CrossRef]
- Żołądek, M.; Kafetzis, A.; Figaj, R.; Panopoulos, K. Energy-economic assessment of islanded microgrid with wind turbine, photovoltaic field, wood gasifier, battery, and hydrogen energy storage. Sustainability 2022, 14, 12470. [Google Scholar] [CrossRef]
- Ramesh, P.; Gouda, P.K.; Lakshmikhandan, K.; Ramanathan, G.; Bharatiraja, C. A three port bidirectional DC-DC converter for PV–Battery–DC microgrid application using fuzzy logic control. Mater. Today Proc. 2022, 68, 1898–1905. [Google Scholar] [CrossRef]
- Peterman, C.D. 13-10-040: Decision Adopting Energy Storage Procurement Framework and Design Program; California Public Utilities Commiss.(CPUC): San Francisco, CA, USA, 2013.
- Nilsson, D.; Sannino, A. Efficiency analysis of low-and medium-voltage DC distribution systems. In Proceedings of the IEEE Power Engineering Society General Meeting, Denver, CO, USA, 6–10 June 2004; pp. 2315–2321. [Google Scholar]
- Purgat, P.; Bandyopadhyay, S.; Qin, Z.; Bauer, P. Power flow decoupling controller for triple active bridge based on Fourier decomposition of transformer currents. In Proceedings of the 2020 IEEE Applied Power Electronics Conference and Exposition (APEC), New Orleans, LA, USA, 15–19 March 2020; pp. 1201–1208. [Google Scholar]
- Dhananjaya, M.; Pattnaik, S. Review on multi-port DC–DC converters. IETE Tech. Rev. 2022, 39, 586–599. [Google Scholar] [CrossRef]
- Mohammadi Tanha, K.; Abbasi, V.; Mohammadi, K. Multi-application multi-port DC-DC converter consisting six ports with four main operation modes. IET Power Electron. 2022, 15, 1016–1033. [Google Scholar] [CrossRef]
- Mahmud, T.; Rakeen, S.M.A.; Araf, A.U.; Ahmed, N.; Azad, A.A.M. Design and accuracy assessment of a multi-input single ended primary inductor converter (SEPIC) for highly efficient output from hybrid sources of renewable energy. In Proceedings of the 2022 IEEE International Systems Conference (SysCon), Montreal, QC, Canada, 25–28 April 2022; pp. 1–8. [Google Scholar]
- Malla, P.; Lakshmi, D. Novel control scheme for PV-wind-battery based water pumping system driven by PMDC motor. In Proceedings of the 2022 1st IEEE International Conference on Industrial Electronics: Developments & Applications (ICIDeA), Ningbo, China, 15–16 October 2022; pp. 227–232. [Google Scholar]
- Wu, H.; Xu, P.; Hu, H.; Zhou, Z.; Xing, Y. Multiport converters based on integration of full-bridge and bidirectional DC–DC topologies for renewable generation systems. IEEE Trans. Ind. Electron. 2013, 61, 856–869. [Google Scholar] [CrossRef]
- Mosayebi, M.; Gheisarnejad, M.; Farsizadeh, H.; Andresen, B.; Khooban, M.H. Smart extreme fast portable charger for electric vehicles-based artificial intelligence. IEEE Trans. Circuits Syst. II Express Briefs 2022, 70, 586–590. [Google Scholar] [CrossRef]
- Yang, M.-G.; Pham, N.-S.; Choi, S.-W.; Chung, K.-Y.; Baek, K.-H.; Shim, Y. SIMO DC-DC converter with low-complexity hybrid comparator-charge control. Energies 2022, 15, 783. [Google Scholar] [CrossRef]
- Zhou, Z.; Tang, N.; Nguyen, B.; Hong, W.; Pande, P.P.; Krishnamurthy, R.K.; Heo, D.J.I.T.o.C. An inductor-first single-inductor multiple-output hybrid DC–DC converter with integrated flying capacitor for soc applications. IEEE Trans. Circuits Syst. I Regul. Pap. 2022, 69, 4823–4836. [Google Scholar] [CrossRef]
- Wai, R.-J.; Jheng, K.-H. High-efficiency single-input multiple-output DC–DC converter. IEEE Trans. Power Electron. 2012, 28, 886–898. [Google Scholar] [CrossRef]
- Fares, A.M.; Klumpner, C.; Sumner, M. A novel multiport DC-DC converter for enhancing the design and performance of battery–supercapacitor hybrid energy storage systems for unmanned aerial vehicles. Appl. Sci. 2022, 12, 2767. [Google Scholar] [CrossRef]
- Savrun, M.M.; İnci, M.; Büyük, M. Design and analysis of a high energy efficient multi-port dc-dc converter interface for fuel cell/battery electric vehicle-to-home (V2H) system. J. Energy Storage 2022, 45, 103755. [Google Scholar] [CrossRef]
- Madhana, R.; Mani, G. Power enhancement methods of renewable energy resources using multiport DC-DC converter: A technical review. Sustain. Comput. Inform. Syst. 2022, 35, 100689. [Google Scholar] [CrossRef]
- Bhattacharjee, A.K.; Kutkut, N.; Batarseh, I. Review of multiport converters for solar and energy storage integration. IEEE Trans. Power Electron. 2018, 34, 1431–1445. [Google Scholar] [CrossRef]
- Wu, H.; Xing, Y.; Xia, Y.; Sun, K. A family of non-isolated three-port converters for stand-alone renewable power system. In Proceedings of the IECON 2011-37th Annual Conference of the IEEE Industrial Electronics Society, Melbourne, Australia, 7–10 November; pp. 1030–1035.
- Zhang, M.; Xing, Y.; Wu, H.; Lu, Y.; Sun, K. Performance evaluation of a non-isolated bidirectional three-port power converter for energy storage applications. In Proceedings of the 2016 IEEE 8th International Power Electronics and Motion Control Conference (IPEMC-ECCE Asia), Hefei, China, 22–26 May 2016; pp. 2703–2708. [Google Scholar]
- Tomas-Manez, K.; Anthon, A.; Zhang, Z.; Ouyang, Z.; Franke, T. High efficiency non-isolated three port DC-DC converter for PV-battery systems. In Proceedings of the 2016 IEEE 8th International Power Electronics and Motion Control Conference (IPEMC-ECCE Asia), Hefei, China, 22–26 May 2016; pp. 1806–1812. [Google Scholar]
- Wen, G.; Chen, Y.; Kang, Y. A family of cost-efficient integrated single-switch three-port converters. In Proceedings of the 2013 Twenty-Eighth Annual IEEE Applied Power Electronics Conference and Exposition (APEC), Long Beach, CA, USA, 17–21 March; pp. 1062–1067.
- Kim, H.; Parkhideh, B.; Bongers, T.D.; Gao, H. Reconfigurable solar converter: A single-stage power conversion PV-battery system. IEEE Trans. Power Electron. 2012, 28, 3788–3797. [Google Scholar] [CrossRef]
- Prabhala, V.A.K.; Fajri, P.; Gouribhatla, V.S.P.; Baddipadiga, B.P.; Ferdowsi, M. A DC–DC converter with high voltage gain and two input boost stages. IEEE Trans. Power Electron. 2015, 31, 4206–4215. [Google Scholar] [CrossRef]
- Zhu, H.; Zhang, D.; Athab, H.S.; Wu, B.; Gu, Y. PV isolated three-port converter and energy-balancing control method for PV-battery power supply applications. IEEE Trans. Ind. Electron. 2014, 62, 3595–3606. [Google Scholar] [CrossRef]
- Song, Z.; Liu, M. Modular multiport wireless energy router with multidirectional power flow control. In Proceedings of the 2022 Wireless Power Week (WPW), Bordeaux, France, 5–8 July 2022; pp. 629–633. [Google Scholar]
- Wang, L.; Wang, Z.; Li, H. Asymmetrical duty cycle control and decoupled power flow design of a three-port bidirectional DC-DC converter for fuel cell vehicle application. IEEE Trans. Power Electron. 2012, 27, 891–904. [Google Scholar] [CrossRef]
- Dey, S.; Mallik, A.; Akturk, A. Multi-variable multi-constraint optimization of triple active bridge DC-DC converter with conduction loss minimization. In Proceedings of the 2022 IEEE Applied Power Electronics Conference and Exposition (APEC), Orlando, FL, USA, 19–23 March 2022; pp. 355–360. [Google Scholar]
- De Doncker, R.W.; Divan, D.M.; Kheraluwala, M.H. A three-phase soft-switched high-power-density DC/DC converter for high-power applications. IEEE Trans. Ind. Appl. 1991, 27, 63–73. [Google Scholar] [CrossRef]
- Litrán, S.P.; Durán, E.; Semião, J.; Díaz-Martín, C. Multiple-output DC–DC Converters: Applications and solutions. Electronics 2022, 11, 1258. [Google Scholar] [CrossRef]
- Kim, U.-J.; Park, S.-J. New cell balancing technique using SIMO two-switch flyback converter with multi cells. Energies 2022, 15, 4806. [Google Scholar] [CrossRef]
- Jiang, W.; Fahimi, B. Multiport power electronic interface—Concept, modeling, and design. IEEE Trans. Power Electron. 2010, 26, 1890–1900. [Google Scholar] [CrossRef]
- Rodriguez, J.; Cortes, P. Predictive Control of Power Converters and Electrical Drives; John Wiley & Sons: Hoboken, NJ, USA, 2012. [Google Scholar]
- Rossiter, J.A. Model-Based Predictive Control: A Practical Approach; CRC Press: Boca Raton, FL, USA, 2017. [Google Scholar]
- Camacho, E.F.; Alba, C.B. Model Predictive Control; Springer: Berlin/Heidelberg, Germany, 2013. [Google Scholar]
- Maciejowski, J.M. Predictive Control: With Constraints; Pearson Education: London, UK, 2002. [Google Scholar]
- Ramasamy, V.; Sidharthan, R.K.; Kannan, R.; Muralidharan, G. Optimal tuning of model predictive controller weights using genetic algorithm with interactive decision tree for industrial cement kiln process. Processes 2019, 7, 938. [Google Scholar] [CrossRef]
- Giraldo, S.A.C.; Melo, P.A.; Secchi, A.R. Tuning of model predictive controllers based on hybrid optimization. IFAC-Pap. 2019, 10, 351. [Google Scholar] [CrossRef]
- Kazimierczuk, M.K. Pulse-Width Modulated DC–DC Power Converters; John Wiley & Sons, Ltd.: Hoboken, NJ, USA, 2008. [Google Scholar]
- McLyman, C.W.T. Transformer and Inductor Design Handbook; CRC Press: Boca Raton, FL, USA, 2004. [Google Scholar]
- Indragandhi, V.; Benitto, A. Performance analysis, modeling and control of multi-port DC-DC boost converter for an integrated power generation system. Indian J. Sci. Technol. 2016, 9, 1–12. [Google Scholar] [CrossRef]
- Hedengren, J.D.; Eaton, A.N. Overview of estimation methods for industrial dynamic systems. Optim. Eng. 2017, 18, 155–178. [Google Scholar] [CrossRef]
- Cooper, D. Practical Process Control Using Control Station; Control Station, Inc, Storrs: Manchester, CT, USA, 2004. [Google Scholar]
- Bordons, C.; Garcia-Torres, F.; Ridao, M.A. Model Predictive Control of Microgrids; Springer: Berlin/Heidelberg, Germany, 2020; Volume 358. [Google Scholar]
- Chen, M.; Rincon-Mora, G.A. Accurate electrical battery model capable of predicting runtime and IV performance. IEEE Trans. Energy Convers. 2006, 21, 504–511. [Google Scholar] [CrossRef]
Disclaimer/Publisher’s Note: The statements, opinions and data contained in all publications are solely those of the individual author(s) and contributor(s) and not of MDPI and/or the editor(s). MDPI and/or the editor(s) disclaim responsibility for any injury to people or property resulting from any ideas, methods, instructions or products referred to in the content. |
© 2023 by the authors. Licensee MDPI, Basel, Switzerland. This article is an open access article distributed under the terms and conditions of the Creative Commons Attribution (CC BY) license (https://creativecommons.org/licenses/by/4.0/).