Real-Time Intelligent Prediction Method of Cable’s Fundamental Frequency for Intelligent Maintenance of Cable-Stayed Bridges
Abstract
1. Introduction
2. Correlation of Temperature-Fundamental Frequency for Cable-Stayed Bridges
2.1. Case Study Bridge and Its Monitoring Details
2.2. Temperature Data Compression
2.3. Extraction for the Temperature-Induced Variation of CFF
2.4. Temperature-CFF Correlation
3. Intelligent Real-Time Prediction Method for CFF
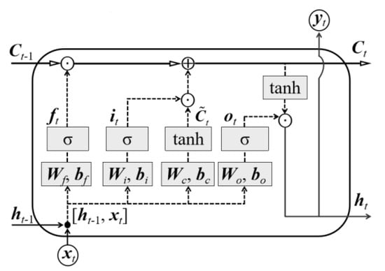
3.1. LSTM-Based Real-Time Prediction Model
3.2. Performance Validation of the LSTM Model
3.3. High-Precision CFF Model Based on Temperature Field Data and LSTM
4. Conclusions
- (1)
- The nonlinear correlation between the temperature-induced variation of CFF and the temperature field of the cable-stayed bridge was verified. The analysis shows that the conventional linear regression method cannot ensure the accuracy of the mapping model between the main girder temperature and CFF to meet the engineering requirements.
- (2)
- The LSTM network can achieve better nonlinear fitting performance than the BP network, although it is still difficult to build a high-precision regression model between CFF and a single temperature variable. After further importing the full-bridge temperature field data, the output accuracy of the LSTM network can be greatly enhanced with no more than 3% ARE. The proposed method and presented results can guide real-time monitoring, routine inspection, intelligent maintenance, and sustainable operation for bridge cables.
Author Contributions
Funding
Institutional Review Board Statement
Informed Consent Statement
Data Availability Statement
Conflicts of Interest
References
- Ren, W.-X.; Chen, G.; Hu, W.-H. Empirical Formulas to Estimate Cable Tension by Cable Fundamental Frequency. Struct. Eng. Mech. 2005, 20, 363–380. [Google Scholar] [CrossRef]
- Wang, L.; Zhang, X.; Huang, S.; Li, L. Measured Frequency for the Estimation of Cable Force by Vibration Method. J. Eng. Mech. 2015, 141, 06014020. [Google Scholar] [CrossRef]
- Yang, Y.; Wang, X.; Wu, Z. Evaluation of the Static and Dynamic Behaviors of Long-Span Suspension Bridges with FRP Cables. J. Bridge Eng. 2016, 21, 06016008. [Google Scholar] [CrossRef]
- Li, J.-X.; Yi, T.-H.; Qu, C.-X.; Li, H.-N.; Liu, H. Adaptive Identification of Time-Varying Cable Tension Based on Improved Variational Mode Decomposition. J. Bridge Eng. 2022, 27, 04022064. [Google Scholar] [CrossRef]
- Dan, D.; Xu, B.; Xia, Y.; Yan, X.; Jia, P. Intelligent Parameter Identification for Bridge Cables Based on Characteristic Frequency Equation of Transverse Dynamic Stiffness. J. Low Freq. Noise Vib. Act. Control 2020, 39, 678–689. [Google Scholar] [CrossRef]
- Zhao, H.; Ding, Y.; Li, A.; Chen, B.; Zhang, X. State-Monitoring for Abnormal Vibration of Bridge Cables Focusing on Non-Stationary Responses: From Knowledge in Phenomena to Digital Indicators. Measurement 2022, 205, 112148. [Google Scholar] [CrossRef]
- Zhao, Y.; Zhao, Y.; Sun, C.; Wang, Z. Temperature Effects on Tension Forces and Frequencies of Suspended Cables. In Proceedings of the 9th European Conference on Structural Dynamics, Porto, Portugal, 30 June–2 July 2014. [Google Scholar]
- Treyssède, F. Free Linear Vibrations of Cables under Thermal Stress. J. Sound Vib. 2009, 327, 1–8. [Google Scholar] [CrossRef]
- Montassar, S.; Mekki, O.B.; Vairo, G. On the Effects of Uniform Temperature Variations on Stay Cables. J. Civ. Struct. Health Monit. 2015, 5, 735–742. [Google Scholar] [CrossRef]
- Zhao, Y.; Peng, J.; Zhao, Y.; Chen, L. Effects of Temperature Variations on Nonlinear Planar Free and Forced Oscillations at Primary Resonances of Suspended Cables. Nonlinear Dyn. 2017, 89, 2815–2827. [Google Scholar] [CrossRef]
- Ma, L.; Xu, H.; Munkhbaatar, T.; Li, S. An Accurate Frequency-Based Method for Identifying Cable Tension While Considering Environmental Temperature Variation. J. Sound Vib. 2021, 490, 115693. [Google Scholar] [CrossRef]
- Kuihua, M.; Shengjiang, S.; Guoqing, J.; Yamin, S. Static and Dynamic Mechanical Properties of Long-Span Cable-Stayed Bridges Using CFRP Cables. Adv. Civ. Eng. 2017, 2017, 6198296. [Google Scholar] [CrossRef]
- Zhao, H.-W.; Ding, Y.-L.; Li, A.-Q.; Chen, B.; Wang, K.-P. Digital Modeling Approach of Distributional Mapping from Structural Temperature Field to Temperature-Induced Strain Field for Bridges. J. Civ. Struct. Health Monit. 2023, 13, 251–267. [Google Scholar] [CrossRef]
- Sun, H.; Chen, W.; Guo, X.; Cai, S. Intelligent Recurrence and Prediction of Long-Term Mechanical Properties of in-Service Cable-Stayed Bridges with Ambient Temperature and Concrete Time-Dependent Effects. J. Civ. Struct. Health Monit. 2022, 12, 659–673. [Google Scholar] [CrossRef]
- Zhou, Y.; Sun, L. Insights into Temperature Effects on Structural Deformation of a Cable-Stayed Bridge Based on Structural Health Monitoring. Struct. Health Monit. 2019, 18, 778–791. [Google Scholar] [CrossRef]
- Yang, D.-H.; Yi, T.-H.; Li, H.-N.; Zhang, Y.-F. Correlation-Based Estimation Method for Cable-Stayed Bridge Girder Deflection Variability under Thermal Action. J. Perform. Constr. Facil. 2018, 32, 04018070. [Google Scholar] [CrossRef]
- Yue, Z.; Ding, Y.; Zhao, H.; Wang, Z. Mechanics-Guided Optimization of an LSTM Network for Real-Time Modeling of Temperature-Induced Deflection of a Cable-Stayed Bridge. Eng. Struct. 2022, 252, 113619. [Google Scholar] [CrossRef]
- Guo, J.; Xie, X.; Bie, R.; Sun, L. Structural Health Monitoring by Using a Sparse Coding-Based Deep Learning Algorithm with Wireless Sensor Networks. Pers. Ubiquitous Comput. 2014, 18, 1977–1987. [Google Scholar] [CrossRef]
- Bao, Y.; Tang, Z.; Li, H.; Zhang, Y. Computer Vision and Deep Learning–Based Data Anomaly Detection Method for Structural Health Monitoring. Struct. Health Monit. 2019, 18, 401–421. [Google Scholar] [CrossRef]
- Yue, Z.; Ding, Y.; Zhao, H. Deep Learning-Based Minute-Scale Digital Prediction Model of Temperature-Induced Deflection of a Cable-Stayed Bridge: Case Study. J. Bridge Eng. 2021, 26, 05021004. [Google Scholar] [CrossRef]
- Shu, J.; Ding, W.; Zhang, J.; Lin, F.; Duan, Y. Continual-learning-based Framework for Structural Damage Recognition. Struct. Control Health Monit. 2022, 29, e3093. [Google Scholar] [CrossRef]
- Liu, P.; Zheng, Z.; Yu, Z. Cooperative Work of Longitudinal Slab Ballast-Less Track Prestressed Concrete Simply Supported Box Girder under Concrete Creep and a Temperature Gradient. Structures 2020, 27, 559–569. [Google Scholar] [CrossRef]
- Yi, L.; Ding, Y.; Hou, J.; Yue, Z.; Zhao, H. Structural Health Monitoring Data Cleaning Based on Bayesian Robust Tensor Learning. Struct. Health Monit. 2022, 147592172211172. [Google Scholar] [CrossRef]
- Li, Y.; Ding, Y.; Zhao, H.; Sun, Z. Data-Driven Structural Condition Assessment for High-Speed Railway Bridges Using Multi-Band FIR Filtering and Clustering. Structures 2022, 41, 1546–1558. [Google Scholar] [CrossRef]
- Beskhyroun, S.; Oshima, T.; Mikami, S. Wavelet-Based Technique for Structural Damage Detection. Struct. Control Health Monit. 2009, 17, 473–494. [Google Scholar] [CrossRef]
- Zhao, H.; Ding, Y.; Li, A.; Ren, Z.; Yang, K. Live-Load Strain Evaluation of the Prestressed Concrete Box-Girder Bridge Using Deep Learning and Clustering. Struct. Health Monit. 2020, 19, 1051–1063. [Google Scholar] [CrossRef]
- Dahl, G.E.; Yu, D.; Deng, L.; Acero, A. Context-Dependent Pre-Trained Deep Neural Networks for Large-Vocabulary Speech Recognition. IEEE Trans. Audio Speech Lang. Process. 2012, 20, 30–42. [Google Scholar] [CrossRef]
- Hinton, G.; Deng, L.; Yu, D.; Dahl, G.; Mohamed, A.; Jaitly, N.; Senior, A.; Vanhoucke, V.; Nguyen, P.; Sainath, T.; et al. Deep Neural Networks for Acoustic Modeling in Speech Recognition: The Shared Views of Four Research Groups. IEEE Signal Process. Mag. 2012, 29, 82–97. [Google Scholar] [CrossRef]
- Hochreiter, S.; Schmidhuber, J. Long Short-Term Memory. Neural Comput. 1997, 9, 1735–1780. [Google Scholar] [CrossRef] [PubMed]
- Graves, A.; Liwicki, M.; Fernandez, S.; Bertolami, R.; Bunke, H.; Schmidhuber, J. A Novel Connectionist System for Unconstrained Handwriting Recognition. IEEE Trans. Pattern Anal. Mach. Intell. 2009, 31, 855–868. [Google Scholar] [CrossRef] [PubMed]
- Zhao, H.; Ding, Y.; Li, A.; Sheng, W.; Geng, F. Digital Modeling on the Nonlinear Mapping between Multi-source Monitoring Data of In-service Bridges. Struct. Control Health Monit. 2020, 27, e2618. [Google Scholar] [CrossRef]
- Barakat, A.; Bianchi, P. Convergence and Dynamical Behavior of the ADAM Algorithm for Nonconvex Stochastic Optimization. SIAM J. Optim. 2021, 31, 244–274. [Google Scholar] [CrossRef]
- Lei, X.; Siringoringo, D.M.; Sun, Z.; Fujino, Y. Displacement Response Estimation of a Cable-Stayed Bridge Subjected to Various Loading Conditions with One-Dimensional Residual Convolutional Autoencoder Method. Struct. Health Monit. 2022, 147592172211166. [Google Scholar] [CrossRef]

















| Number of Hidden Layers | Normalization Accuracy |
|---|---|
| 1 layer | 0.65 |
| 2 layers | 1 |
| 3 layers | 1.01 |
| 4 layers | 1.015 |
| … | … |
| Time Point | Input Data | Output Data |
|---|---|---|
| 30 | , , …, , | and |
| 31 | , , …, , | and |
| … | … |
| Output CFF | Input Temperature | Method | ARE | MSE | |
|---|---|---|---|---|---|
| Linear Regression | 11.0% | 0.4343 | 3.7513 × 10−7 | ||
| Linear Regression | 9.7% | 0.6273 | 5.2841 × 10−7 | ||
| BP Network | 7.1% | 0.6555 | 2.4029 × 10−7 | ||
| BP Network | 6.8% | 0.7573 | 3.4918 × 10−7 | ||
| LSTM Network | 5.9% | 0.5610 | 2.9384 × 10−7 | ||
| LSTM Network | 5.4% | 0.7320 | 3.7972 × 10−7 | ||
| LSTM Network | 2.9% | 0.9002 | 7.3461 × 10−8 | ||
| LSTM Network | 2.7% | 0.9396 | 9.4930 × 10−8 |
Disclaimer/Publisher’s Note: The statements, opinions and data contained in all publications are solely those of the individual author(s) and contributor(s) and not of MDPI and/or the editor(s). MDPI and/or the editor(s) disclaim responsibility for any injury to people or property resulting from any ideas, methods, instructions or products referred to in the content. |
© 2023 by the authors. Licensee MDPI, Basel, Switzerland. This article is an open access article distributed under the terms and conditions of the Creative Commons Attribution (CC BY) license (https://creativecommons.org/licenses/by/4.0/).
Share and Cite
Li, Y.-Q.; Zhao, H.-W.; Yue, Z.-X.; Li, Y.-W.; Zhang, Y.; Zhao, D.-C. Real-Time Intelligent Prediction Method of Cable’s Fundamental Frequency for Intelligent Maintenance of Cable-Stayed Bridges. Sustainability 2023, 15, 4086. https://doi.org/10.3390/su15054086
Li Y-Q, Zhao H-W, Yue Z-X, Li Y-W, Zhang Y, Zhao D-C. Real-Time Intelligent Prediction Method of Cable’s Fundamental Frequency for Intelligent Maintenance of Cable-Stayed Bridges. Sustainability. 2023; 15(5):4086. https://doi.org/10.3390/su15054086
Chicago/Turabian StyleLi, Yong-Qiang, Han-Wei Zhao, Zi-Xiang Yue, Yi-Wei Li, Yan Zhang, and Da-Cheng Zhao. 2023. "Real-Time Intelligent Prediction Method of Cable’s Fundamental Frequency for Intelligent Maintenance of Cable-Stayed Bridges" Sustainability 15, no. 5: 4086. https://doi.org/10.3390/su15054086
APA StyleLi, Y.-Q., Zhao, H.-W., Yue, Z.-X., Li, Y.-W., Zhang, Y., & Zhao, D.-C. (2023). Real-Time Intelligent Prediction Method of Cable’s Fundamental Frequency for Intelligent Maintenance of Cable-Stayed Bridges. Sustainability, 15(5), 4086. https://doi.org/10.3390/su15054086

