Development of Hybrid Energy Storage System Testbed with Instantaneous Discharge Controller for Shunt Active Filter Application
Abstract
1. Introduction
1.1. Background and Motivation
1.2. Hybrid Energy Storage Systems for Efficient Energy Management in Power Systems
1.3. Current Harmonics Elimination and Power Factor Correction in the Grid Using Active Filters
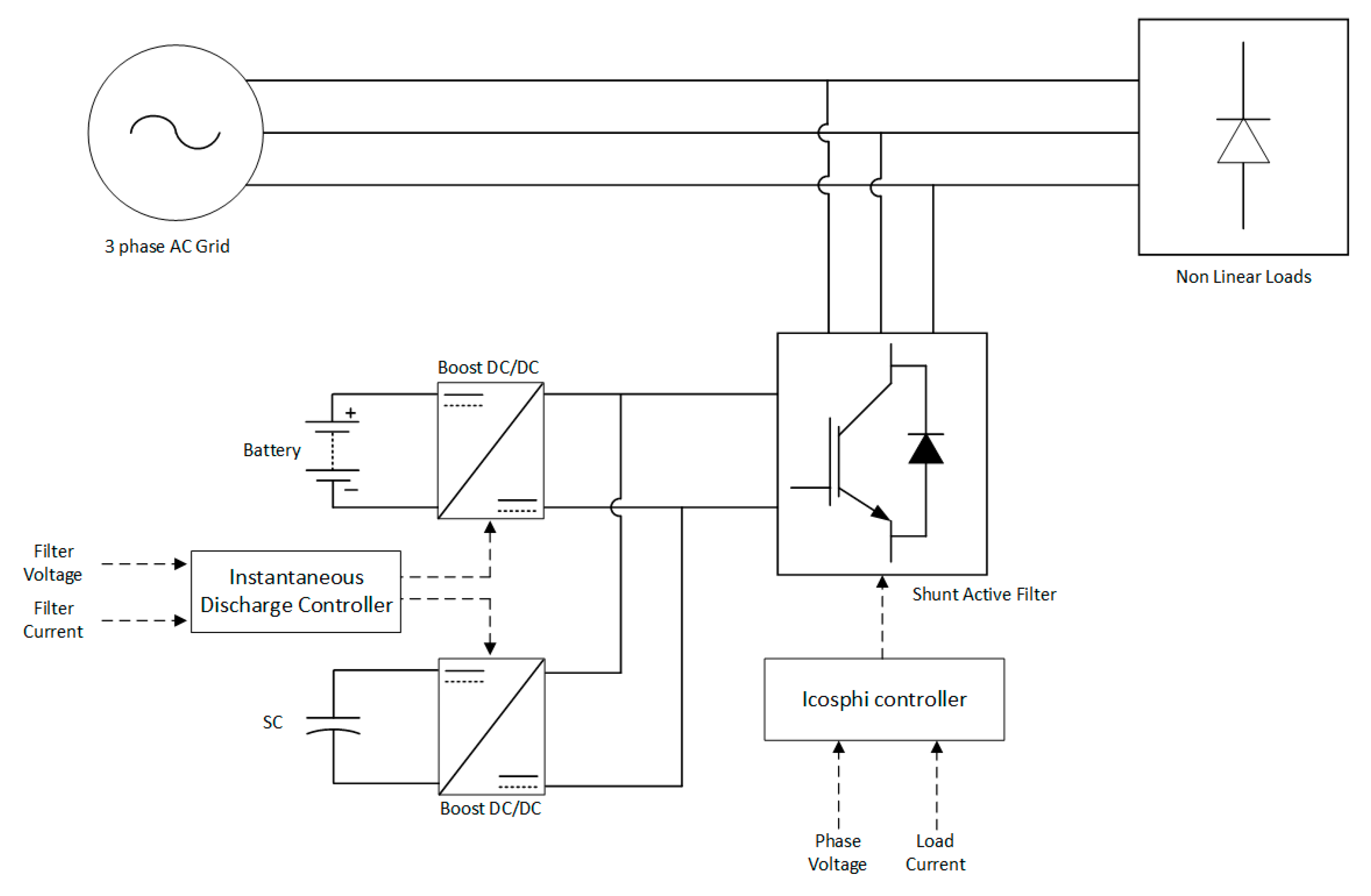
2. Proposed Hybrid Energy Storage System–Active Filter Topology
2.1. Controller for Active Filter in HESS–AF Topology
2.2. Generation of Reference Currents for Battery and SC Using Instantaneous Discharge Controller
2.3. Simulation of Proposed HESS–AF Supported Grid
Selection of Filter Inductor
3. Implementation of a Hybrid Energy Storage System Coupled with Shunt Active Filter on a Testbed
4. Conclusions
Author Contributions
Funding
Institutional Review Board Statement
Informed Consent Statement
Data Availability Statement
Conflicts of Interest
References
- Naderi, E.; Bibek, K.C.; Ansari, M.; Asrari, A. Experimental validation of a hybrid storage framework to cope with fluctuating power of hybrid renewable energy-based systems. IEEE Trans. Energy Convers. 2021, 36, 1991–2001. [Google Scholar] [CrossRef]
- Marzebalia, M.H.; Mazidib, M.; Mohiti, M. An adaptive droop-based control strategy for fuel cell-battery HESS to support primary frequency in stand-alone microgrids. J. Energy Storage 2020, 27, 101040. [Google Scholar]
- Gauthami, R.; Nair, V.V.; Sathish, A.; Soureesh, K.V.; Ilango, K.; Sreelekshmi, R.S.; Ilangovan, S.A.; Sujatha, S. Design and Implementation of Efficient Energy Management System in Electric Vehicle. In Innovations in Electrical and Electronics Engineering: Proceedings of the 4th ICIEEE 2019; Springer: Singapore, 2020; pp. 543–559. [Google Scholar]
- Douglas, T. Dynamic modelling and simulation of a solar-PV hybrid battery and hydrogen energy storage system. J. Energy Storage 2016, 7, 104–114. [Google Scholar] [CrossRef]
- Jinga, W.; Laia, C.H.; Derrick, K.X.; Wallace, S.H.; Wonga, M.L.; Wong, D. Battery lifetime enhancement via smart hybrid energy storage plug-in module in stand-alone photovoltaic power system. J. Energy Storage 2019, 21, 586–598. [Google Scholar] [CrossRef]
- Krasimirovm, A.M. An Overview of Supercapacitors as New Power Sources in Hybrid Energy Storage Systems for Electric Vehicles. In Proceedings of the 2020 XI National Conference with International Participation (ELECTRONICA), Sofia, Bulgaria, 14–16 May 2020. [Google Scholar] [CrossRef]
- Bocklisch, T. Hybrid energy storage approach for renewable energy applications. J. Energy Storage 2016, 8, 311–319. [Google Scholar] [CrossRef]
- Zimmermann, T.; Keil, P.; Hofmann, M.; Horsche, M.F.; Pichlmaier, S.; Jossen, A. Review of system topologies for hybrid electrical energy storage systems. J. Energy Storage 2016, 8, 78–90. [Google Scholar] [CrossRef]
- Tabart, Q.; Vechiu, I.; Etxeberria, A.; Bacha, S. Hybrid Energy Storage System Microgrids Integration for Power Quality Improvement Using Four Leg Three Level NPC Inverter and Second Order Sliding Mode Control. IEEE Trans. Ind. Electron. 2017, 65, 424–435. [Google Scholar] [CrossRef]
- Torkashvand, M.; Khodadadi, A.; Sanjareh, M.B.; Nazary, M.H. A Life Cycle-Cost Analysis of Li-ion and Lead-Acid BESSs and Their Actively Hybridized ESSs with Supercapacitors for Islanded Microgrid Applications. IEEE Access 2020, 8, 153215–153225. [Google Scholar] [CrossRef]
- Moghaddam, I.N.; Chowdhury, B. Optimal Sizing of Hybrid Energy Storage Systems to Mitigate Wind Power Fluctuations. In Proceedings of the 2016 IEEE Power and Energy Society General Meeting (PESGM), Boston, MA, USA, 17–21 July 2016. [Google Scholar]
- Sreelekshmi, R.S.; Anusree, R.; Raveendran, V.; Nair, M. Solar Fed Hybrid Energy Storage System in an Electric Vehicle. In Proceedings of the 2018 9th International conference on computing, communication and networking technologies (ICCCNT), Bengaluru, India, 10–12 July 2018. [Google Scholar] [CrossRef]
- Singh, B.; Al-Haddad, K.; Chandra, A. A Review of Active Filters for Power Quality Improvement. IEEE Trans. Ind. Electron. 1999, 46, 960–971. [Google Scholar] [CrossRef]
- Raviteja, K.; Kar, P.K.; Karanki, S.B. Renewable Energy Resources Integration to Grid With Improved Power Quality Capabilities And Optimal Power Flows. In Proceedings of the 2018 IEEE International Conference on Power Electronics, Drives and Energy Systems (PEDES), Chennai, India, 18–21 December 2018. [Google Scholar] [CrossRef]
- Han, J.; Solanki, S.K.; Schoene, J.S.J. Study of Unified Control of STATCOM to Resolve the Power Quality Issues of a Grid Connected Three Phase PV System. In Proceedings of the 2012 IEEE PES innovative smart grid technologies (ISGT), Washington, DC, USA, 16–20 January 2012. [Google Scholar] [CrossRef]
- Bhuvaneswari, G.; Nair, M.G. Design, Simulation, and Analog Circuit Implementation of a Three-Phase Shunt Active Filter using the IcosΦ Algorithm. IEEE Trans. Power Deliv. 2008, 23, 553–556. [Google Scholar] [CrossRef]
- Ilango, K.; Manitha, P.V.; Nair, M.G. An Enhanced Controller for Shunt Active Filter Interfacing Renewable Energy Source and Grid. In Proceedings of the 2012 IEEE Third International Conference on Sustainable Energy Technologies (ICSET), Kithmandu, Nepal, 24–27 September 2012. [Google Scholar] [CrossRef]
- Akagi, H.; Kanazawa, Y.; Fujita, K.; Nabae, A. Generalized theory of Instantaneous reactive power and its applications. Electr. Eng. Jpn. 1983, 103, 483–490. [Google Scholar] [CrossRef]
- Mansor, M.A.; Hasan, K.; Othman, M.M.; Noor, S.Z.B.M.; Musirin, I. Construction and Performance Investigation of Three-Phase Solar PV And Battery Energy Storage System Integrated UPQC. IEEE Access 2020, 8, 103511–103538. [Google Scholar] [CrossRef]
- Zhengbo, M.; Linchuan, L.; Tuo, D. Application of a Combined System to Enhance Power Quality in an Island Microgrid. In Proceedings of the 2011 IEEE Power Engineering and Automation Conference, Wuhan, China, 8–9 September 2011. [Google Scholar]
- Kelson, F.; Alves, P.; de Araujo, L.R.; Machado, I.R.; Pinto, V.P.; Pereira, L.S. Integration of a Shunt Active Filter and Energy Storage to Energy Quality Improvement in Distributed Power Systems. In Proceedings of the 2018 13th IEEE International Conference on Industry Applications (INDUSCON), Sao Paulo, Brazil, 12–14 November 2018; pp. 551–556. [Google Scholar]
- Chandrasekhran C, C.; Chandran, L.R.; Rajendran, A. Power Flow Control in Low Voltage AC Microgrid Using the Photovoltaic System and Battery Energy Storage. In Proceedings of the 2016 IEEE 1st International Conference on Power Electronics, Intelligent Control and Energy Systems (ICPEICES), Delhi, India, 4–6 July 2016. [Google Scholar] [CrossRef]
- Ajith, A.; Manitha, P.V.; Ilango, K. Implementation of Three-Phase Shunt Active Filter Using Instantaneous Real Power Calculation and Triangular Carrier Current Control. In Innovations in Electrical and Electronics Engineering: Proceedings of the 4th ICIEEE 2019; Springer: Singapore, 2020; pp. 13–26. [Google Scholar]


















| Boost Parameters | Rating |
|---|---|
| Capacitor | 0.3 mF |
| Inductor | 0.55 mH |
| Parameters | Rating |
|---|---|
| Output voltage Vo | 650 V |
| Input voltage Vd | 325 V |
| Input current Id | 16 A |
| Output current Io | 8 A |
| Switching frequency fs | 10 kHz |
| ΔV | 1 V |
| Parameters | Rating |
|---|---|
| Output voltage Vo | 650 V |
| Input voltage Vd | 365 V |
| Input current Id | 17 A |
| Output current Io | 9 A |
| Switching frequency fs | 10 kHz |
| ΔV | 1 V |
| Module | Rating |
|---|---|
| Battery | 325 V, 15 Ah |
| SC | 360 V, 500 F |
| System Parameters | Ratings |
|---|---|
| RMS voltage | 230 V AC |
| Link voltage | 650 V DC |
| DC link capacitance | 5 mF |
| Filter | L = 1.5 mH, f = 10 kHz |
Disclaimer/Publisher’s Note: The statements, opinions and data contained in all publications are solely those of the individual author(s) and contributor(s) and not of MDPI and/or the editor(s). MDPI and/or the editor(s) disclaim responsibility for any injury to people or property resulting from any ideas, methods, instructions or products referred to in the content. |
© 2023 by the authors. Licensee MDPI, Basel, Switzerland. This article is an open access article distributed under the terms and conditions of the Creative Commons Attribution (CC BY) license (https://creativecommons.org/licenses/by/4.0/).
Share and Cite
S, S.R.; Nair, M.G.; K., V.; Solanki, S.K.; Thakur, T. Development of Hybrid Energy Storage System Testbed with Instantaneous Discharge Controller for Shunt Active Filter Application. Sustainability 2023, 15, 11247. https://doi.org/10.3390/su151411247
S SR, Nair MG, K. V, Solanki SK, Thakur T. Development of Hybrid Energy Storage System Testbed with Instantaneous Discharge Controller for Shunt Active Filter Application. Sustainability. 2023; 15(14):11247. https://doi.org/10.3390/su151411247
Chicago/Turabian StyleS, Sreelekshmi R., Manjula G. Nair, Vyshak K., Sarika Khushalani Solanki, and Tripta Thakur. 2023. "Development of Hybrid Energy Storage System Testbed with Instantaneous Discharge Controller for Shunt Active Filter Application" Sustainability 15, no. 14: 11247. https://doi.org/10.3390/su151411247
APA StyleS, S. R., Nair, M. G., K., V., Solanki, S. K., & Thakur, T. (2023). Development of Hybrid Energy Storage System Testbed with Instantaneous Discharge Controller for Shunt Active Filter Application. Sustainability, 15(14), 11247. https://doi.org/10.3390/su151411247
