A Grid-Tied Inverter with Renewable Energy Source Integration in an Off-Grid System with a Functional Experimental Prototype
Abstract
1. Introduction
- Thermal storage and dump load—both options ensure excess power control at any time. Thermal storage, either controlled based on cold or heat [13] during peak times [14,15], can eliminate the excess power issues. On the other hand, it might also affect the comfort of consumers [16]; furthermore, this is not a straightforward installation in all cases. A similar scenario for the use of excess power is the dump load [34]; in this case, the versatility is high because of the simplicity of the system [35]. Nevertheless, the excess power can be controlled in the designed steps, which leads to a negative effect on the accumulated energy [33] (SOC level);
- Pump storage, V2G/G2V, and fuel cell—pump storage is not a versatile solution in the first place [18], and the control of the variable pump storage power is available; however, such versatile availability is compatible only for large-scale solutions [17] and is complicated for residential solutions [19,20]. Fuel cells have a low cycle efficiency [31] and complicated versatility [28,30], possibly because of the lack of solution supply for such a system. The G2V solution is a versatile and simple option for controlling excess power implementation while only scheduling with fixed power [29]; however, in this case, the off-grid systems battery SOC level is affected. Controlling the EV’s charging power in a grid-connected system [32,33] is a simple solution, but implementing the same in an off-grid system is not a versatile option. These options, especially V2G/G2V, for controlling the excess power expand the quantity of accumulated energy but do not solve the excess power issue in an off-grid system; nevertheless, the versatility of such an implementation would not be achieved in all cases;
- Scheduling—this is a versatile solution to control the excess energy in an off-grid system or to simply control the demand [21,27] in a timeline by using the predicted [22] excess energy, but consumer comfort [25,26] is affected and a system must be smart with a one-of-a-kind control algorithm [23,24]. Therefore, this is not a versatile solution and the accumulated energy might be affected anyway;
- Inverter control—is a solution that would not affect the accumulated energy [40,41]; it would always control the excess power [37], but every inverter brand excess power control device would be different, as the control algorithm would be different [37,39]. This means that this option is not a versatile solution.
- Variable average power load (VAPL)—experimental prototype is suggested by the authors of this article, as described in Section 4. The experimental prototype utilizes the excess power while not affecting the systems battery SOC level and, on the other hand, is a versatile solution to implement in any off-grid system, or any grid-tied inverter.
2. Issues Involved in Connecting a RES to an Off-Grid System via a Grid-Tied Inverter
- In the first few seconds, the grid-tied inverter starts up and does not produce any power. Off-grid type and battery inverters supply the appliances until the grid-tied inverter starts. After the start of the grid-tied inverter, the off-grid inverter still produces as much power as possible, and the battery inverters charge the batteries with all the excess power until reaching the start of the battery float-charge mode;
- The grid-tied inverter produces as much power as possible. Off-grid inverters limit their power to balance the demand and supply. Battery inverters reduce the charging current due to the float-charge mode. The operation is balanced until the power of the load decreases;
- The power demand drops slightly. The off-grid type inverter stops producing power. The grid-tied inverter still produces as much as possible. Battery inverters charge the batteries with all the excess power, which is more than that of the battery float-charge mode. Because of the excess power, the frequency starts to rise in a system above 50.75 Hz. The off-grid inverter has a programmed upper limit of frequency where its power is reduced to 0 if the frequency reaches 50.75 Hz or above. Because of this excess power, the frequency rises until it reaches 52 Hz, which is the maximum allowed frequency set limit for the grid-tied inverter;
- The grid-tied inverter switches off due to grid-over frequency error. The battery inverters start to generate power simultaneously to supply the appliances. The off-grid inverter does not yet start producing because the frequency is still higher than 50.75 Hz;
- The frequency drops below 50.75 Hz, and the off-grid inverter starts to produce power. Accordingly, battery inverters produce less in order to balance the demand and supply power. The grid-tied inverter switches off until grid failure is no longer detected, and a restart procedure is initialized. Therefore, the grid-tied inverter starts again, and switching repeats as long as excess power is still detected in the system.
3. Experimental Off-Grid System Structure
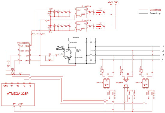
4. VAPL Experimental Prototype with a PWM Algorithm Implemented
- AnalogWrite(0) equals a 0% duty cycle signal;
- AnalogWrite(127) equals a 50% duty cycle signal;
- AnalogWrite(255) equals a 100% duty cycle signal.
5. Experimental Prototype Test Results
- At approximately the 100-s time stamp, the noncontrollable grid-tied inverter (red line) begins to produce power;
- A few seconds later, the off-grid type inverter (green line) reduces its power because the frequency (yellow line) reaches its operating set limit of 50.75 Hz;
- At approximately 140 s, the VAPL experimental prototype (cyan line) kicks into action;
- The entire time lapse is relatively short, and the battery inverters are in a float-charge mode; therefore, the battery SOC remains the same at 80%, representing the battery float-charge mode;
- Some frequency and power variation is monitored due to the control loop of the VAPL prototype device and the system reaction to the control loop step.
6. Discussion
7. Conclusions
Author Contributions
Funding
Institutional Review Board Statement
Informed Consent Statement
Data Availability Statement
Conflicts of Interest
References
- Our World in Data. Renewable Energy. 2020. Available online: https://ourworldindata.org/renewable-energy (accessed on 24 December 2020).
- Nord Pool Group Electricity Market Data. Available online: https://www.nordpoolgroup.com/Market-data1/Dayahead/Area-Prices/ALL1/Monthly/?view=table (accessed on 21 December 2021).
- Lithuanian DSO Statistics on Grid-Connected Prosumer Numbers in Lithuania. Available online: https://www.eso.lt/download/430131/gaminan%C4%8Di%C5%B3%20vartotoj%C5%B3%20prijungimo%20statistika%202021-10-22.pdf (accessed on 3 November 2020).
- EN 50549-1-2019. Requirements for Generating Plants to be Connected in Parallel with Distribution Networks—Part 1: Connection to a LV Distribution Network—Generating Plants up to and Including Type B. Available online: https://view.elaba.lt/standartai/view?search_from=primo&id=1312510 (accessed on 30 September 2022).
- NASA, Global Climate Change, Vital Signs of the Planet. Available online: https://climate.nasa.gov/vital-signs (accessed on 22 January 2022).
- Konneh, K.V.; Masrur, H.; Othman, M.L.; Wahab, N.I.A.; Hizam, H.; Islam, S.Z.; Crossley, P.; Senjyu, T. Optimal Design and Performance Analysis of a Hybrid Off-Grid Renewable Power System Considering Different Component Scheduling, PV Modules, and Solar Tracking Systems. IEEE Access 2021, 9, 64393–64413. [Google Scholar] [CrossRef]
- Hebner, R.E.; Davey, K.; Herbst, J.; Hall, D.; Hahne, J.; Surls, D.D.; Ouroua, A. Dynamic Load and Storage Integration. Proc. IEEE 2015, 103, 2344–2354. [Google Scholar] [CrossRef]
- Oladigbolu, J.O.; Ramli, M.A.M.; Al-Turki, Y.A. Feasibility Study and Comparative Analysis of Hybrid Renewable Power System for off-Grid Rural Electrification in a Typical Remote Village Located in Nigeria. IEEE Access 2020, 8, 171643–171663. [Google Scholar] [CrossRef]
- Ishraque, F.; Shezan, S.A.; Rashid, M.M.; Bhadra, A.B.; Hossain, A.; Chakrabortty, R.K.; Ryan, M.J.; Fahim, S.R.; Sarker, S.K.; Das, S.K. Techno-Economic and Power System Optimization of a Renewable Rich Islanded Microgrid Considering Different Dispatch Strategies. IEEE Access 2021, 9, 77325–77340. [Google Scholar] [CrossRef]
- Muh, E.; Tabet, F. Comparative analysis of hybrid renewable energy systems for off-grid applications in Southern Cameroons. Renew. Energy 2018, 135, 41–54. [Google Scholar] [CrossRef]
- Memodo Wholesaler, Inverter e-Shop. Available online: https://www.memodo-shop.com/inverters/ (accessed on 23 January 2022).
- Solarity, S.R.O. Inverter e-Shop. Available online: https://solarity.cz/products/inverters/ (accessed on 23 January 2022).
- Lu, N.; Vanouni, M. Passive energy storage using distributed electric loads with thermal storage. J. Mod. Power Syst. Clean Energy 2013, 1, 264–274. [Google Scholar] [CrossRef]
- Tasdighi, M.; Ghasemi, H.; Rahimi-Kian, A. Residential Microgrid Scheduling Based on Smart Meters Data and Temperature Dependent Thermal Load Modeling. IEEE Trans. Smart Grid 2013, 5, 349–357. [Google Scholar] [CrossRef]
- Tahir, M.F.; Haoyong, C.; Mehmood, K.; Ali, N.; Bhutto, J.A. Integrated Energy System Modeling of China for 2020 by Incorporating Demand Response, Heat Pump and Thermal Storage. IEEE Access 2019, 7, 40095–40108. [Google Scholar] [CrossRef]
- Anvari-Moghaddam, A.; Monsef, H.; Rahimi-Kian, A. Optimal Smart Home Energy Management Considering Energy Saving and a Comfortable Lifestyle. IEEE Trans. Smart Grid 2014, 6, 324–332. [Google Scholar] [CrossRef]
- Nirmal, M.C.M.; Sruthi, M.; Jayaprakash, P. Control of a Pumped Hydro Storage Power Plant Supported Solar PV Generation System for Grid-Side Energy Management. In Proceedings of the 2021 IEEE 4th International Conference on Computing, Power and Communication Technologies (GUCON), Kuala Lumpur, Malaysia, 24–26 September 2021; pp. 1–6. [Google Scholar] [CrossRef]
- Abdalla, S.M.; Saad, S.M.; El Naily, N.; Bukra, O.A. Seawater Pumped Hydro Energy Storage in Libya Part I: Location, Design and Calculations. In Proceedings of the 2021 IEEE 1st International Maghreb Meeting of the Conference on Sciences and Techniques of Automatic Control and Computer Engineering MI-STA, Tripoli, Libya, 25–27 May 2021; pp. 181–186. [Google Scholar] [CrossRef]
- Black, M.; Strbac, G. Value of Bulk Energy Storage for Managing Wind Power Fluctuations. IEEE Trans. Energy Convers. 2007, 22, 197–205. [Google Scholar] [CrossRef]
- Tahir, M.F.; Haoyong, C.; Khan, A.; Javed, M.S.; Laraik, N.A.; Mehmood, K. Optimizing Size of Variable Renewable Energy Sources by Incorporating Energy Storage and Demand Response. IEEE Access 2019, 7, 103115–103126. [Google Scholar] [CrossRef]
- Nayanatara, C.; Divya, S.; Mahalakshmi, E. Micro-Grid Management Strategy with the Integration of Renewable Energy Using IoT. In Proceedings of the 2018 International Conference on Computation of Power, Energy, Information and Communication (ICCPEIC), Chennai, India, 28–29 March 2018; pp. 160–165. [Google Scholar] [CrossRef]
- Bao, Z.; Qiu, W.; Wu, L.; Zhai, F.; Xu, W.; Li, B.; Li, Z. Optimal Multi-Timescale Demand Side Scheduling Considering Dynamic Scenarios of Electricity Demand. IEEE Trans. Smart Grid 2018, 10, 2428–2439. [Google Scholar] [CrossRef]
- Karapetyan, A.; Khonji, M.; Chau, S.C.-K.; Elbassioni, K.; Zeineldin, H.H.; El-Fouly, T.H.; Al-Durra, A. A Competitive Scheduling Algorithm for Online Demand Response in Islanded Microgrids. IEEE Trans. Power Syst. 2020, 36, 3430–3440. [Google Scholar] [CrossRef]
- Koutsopoulos, I.; Tassiulas, L. Optimal Control Policies for Power Demand Scheduling in the Smart Grid. IEEE J. Sel. Areas Commun. 2012, 30, 1049–1060. [Google Scholar] [CrossRef]
- Qayyum, F.A.; Naeem, M.; Khwaja, A.S.; Anpalagan, A.; Guan, L.; Venkatesh, B. Appliance Scheduling Optimization in Smart Home Networks. IEEE Access 2015, 3, 2176–2190. [Google Scholar] [CrossRef]
- Li, D.; Jayaweera, S.K. Distributed Smart-Home Decision-Making in a Hierarchical Interactive Smart Grid Architecture. IEEE Trans. Parallel Distrib. Syst. 2014, 26, 75–84. [Google Scholar] [CrossRef]
- Latif, A.; Paul, M.; Das, D.C.; Hussain, S.M.S.; Ustun, T.S. Price Based Demand Response for Optimal Frequency Stabilization in ORC Solar Thermal Based Isolated Hybrid Microgrid under Salp Swarm Technique. Electronics 2020, 9, 2209. [Google Scholar] [CrossRef]
- Sanjari, M.J.; Karami, H.; Gooi, H.B. Analytical Rule-Based Approach to Online Optimal Control of Smart Residential Energy System. IEEE Trans. Ind. Inform. 2017, 13, 1586–1597. [Google Scholar] [CrossRef]
- Huang, Q.; Jia, Q.-S.; Guan, X. Robust Scheduling of EV Charging Load With Uncertain Wind Power Integration. IEEE Trans. Smart Grid 2016, 9, 1043–1054. [Google Scholar] [CrossRef]
- Patterson, M.; Macia, N.F.; Kannan, A.M. Hybrid Microgrid Model Based on Solar Photovoltaic Battery Fuel Cell System for Intermittent Load Applications. IEEE Trans. Energy Convers. 2014, 30, 359–366. [Google Scholar] [CrossRef]
- Agbossou, K.; Kolhe, M.; Hamelin, J.; Bose, T. Performance of a Stand-Alone Renewable Energy System Based on Energy Storage as Hydrogen. IEEE Trans. Energy Convers. 2004, 19, 633–640. [Google Scholar] [CrossRef]
- Tushar, M.H.K.; Assi, C.; Maier, M.; Uddin, M.F. Smart Microgrids: Optimal Joint Scheduling for Electric Vehicles and Home Appliances. IEEE Trans. Smart Grid 2014, 5, 239–250. [Google Scholar] [CrossRef]
- Singh, M.; Kumar, P.; Kar, I.; Kumar, N. A real-time smart charging station for EVs designed for V2G scenario and its coordination with renewable energy sources. In Proceedings of the 2016 IEEE Power and Energy Society General Meeting (PESGM), Boston, MA, USA, 17–21 July 2016; pp. 1–5. [Google Scholar] [CrossRef]
- Arun, S.L.; Selvan, M.P. Intelligent Residential Energy Management System for Dynamic Demand Response in Smart Buildings. IEEE Syst. J. 2017, 12, 1329–1340. [Google Scholar] [CrossRef]
- Arriaga, M.; Cañizares, C.A.; Kazerani, M. Renewable Energy Alternatives for Remote Communities in Northern Ontario, Canada. IEEE Trans. Sustain. Energy 2013, 4, 661–670. [Google Scholar] [CrossRef]
- Nehrir, M.; Lameres, B.; Venkataramanan, G.; Gerez, V.; Alvarado, L. An approach to evaluate the general performance of stand-alone wind/photovoltaic generating systems. IEEE Trans. Energy Convers. 2000, 15, 433–439. [Google Scholar] [CrossRef]
- Ustun, T.S.; Hussain, S.M.S. Standardized Communication Model for Home Energy Management System. IEEE Access 2020, 8, 180067–180075. [Google Scholar] [CrossRef]
- Hirose, T.; Matsuo, H. Standalone Hybrid Wind-Solar Power Generation System Applying Dump Power Control Without Dump Load. IEEE Trans. Ind. Electron. 2011, 59, 988–997. [Google Scholar] [CrossRef]
- Abbey, C.; Li, W.; Joos, G. An Online Control Algorithm for Application of a Hybrid ESS to a Wind–Diesel System. IEEE Trans. Ind. Electron. 2010, 57, 3896–3904. [Google Scholar] [CrossRef]
- Manjarres, P.; Malik, O. Frequency regulation by fuzzy and binary control in a hybrid islanded microgrid. J. Mod. Power Syst. Clean Energy 2014, 3, 429–439. [Google Scholar] [CrossRef]
- Mahmood, H.; Michaelson, D.; Jiang, J. A Power Management Strategy for PV/Battery Hybrid Systems in Islanded Microgrids. IEEE J. Emerg. Sel. Top. Power Electron. 2014, 2, 870–882. [Google Scholar] [CrossRef]
- Chen, M.; Rincon-Mora, G.A. Accurate Electrical Battery Model Capable of Predicting Runtime and I–V Performance. IEEE Trans. Energy Convers. 2006, 21, 504–511. [Google Scholar] [CrossRef]










| Ensures Excess Power Control at Any Time | Versatile to Implement | Battery SOC Not Affected | References | |
|---|---|---|---|---|
| Heat/thermal storage | YES | Partially | Partially | [13,14,15,16] |
| Pump-storage | Partially | NO | NO | [17,18,19,20] |
| Scheduling | YES | Partially | NO | [5,21,22,23,24,25,26,27] |
| V2G/G2V; Fuel cell | NO | Partially | YES | [28,29,30,31,32,33] |
| Dump load | YES | YES | NO | [34,35,36] |
| Inverter/system control via communication | YES | NO | YES | [37,38,39,40,41] |
| VAPL experimental prototype | YES | YES | YES | - |
| Equipment | Quantity, pcs | Power and Description |
|---|---|---|
| SMA Sunny Island 6.0 H | 3 | Battery inverters 6 kW of power each, which might work as a bidirectional or an off-grid type battery inverter. Sunny Island devices maintain the generating and consuming power balance in the micro grid. |
| Batteries | 24 | 2V VRLA with capacity of 190 Ah, for a total capacity of 9.12 kWh. |
| Sunny Tripower 6000TL-30 | 1 | Three-phase 6 kW AC output power inverter, which has one string with 12 pcs connected solar panels. In total, 2.88 kWp of solar panels are connected to the inverter. The inverter is capable of working in an off-grid system to control its generating power. |
| GCI-5K-2G-H | 1 | Wind and sun hybrid grid-tied inverter with a maximum output AC power of 5 kW, and the inverter is a single phase. It has a 1 kW HAWT and another 12 connected solar panels (in total, 2.88 kWp). |
| Solar panels | 24 | ViaSolis Prime 240–250, where each panel is 240 Wp. |
| AEOLOS H-1000 | 1 | A horizontal axis wind turbine with a nominal output power of 1 kW. |
| Distribution system operator (DSO) | 1 | Takes the function of a reserve generator. |
Publisher’s Note: MDPI stays neutral with regard to jurisdictional claims in published maps and institutional affiliations. |
© 2022 by the authors. Licensee MDPI, Basel, Switzerland. This article is an open access article distributed under the terms and conditions of the Creative Commons Attribution (CC BY) license (https://creativecommons.org/licenses/by/4.0/).
Share and Cite
Zelba, M.; Deveikis, T.; Barakauskas, J.; Baronas, A.; Gudžius, S.; Jonaitis, A.; Giannakis, A. A Grid-Tied Inverter with Renewable Energy Source Integration in an Off-Grid System with a Functional Experimental Prototype. Sustainability 2022, 14, 13110. https://doi.org/10.3390/su142013110
Zelba M, Deveikis T, Barakauskas J, Baronas A, Gudžius S, Jonaitis A, Giannakis A. A Grid-Tied Inverter with Renewable Energy Source Integration in an Off-Grid System with a Functional Experimental Prototype. Sustainability. 2022; 14(20):13110. https://doi.org/10.3390/su142013110
Chicago/Turabian StyleZelba, Mantas, Tomas Deveikis, Justinas Barakauskas, Artūras Baronas, Saulius Gudžius, Audrius Jonaitis, and Andreas Giannakis. 2022. "A Grid-Tied Inverter with Renewable Energy Source Integration in an Off-Grid System with a Functional Experimental Prototype" Sustainability 14, no. 20: 13110. https://doi.org/10.3390/su142013110
APA StyleZelba, M., Deveikis, T., Barakauskas, J., Baronas, A., Gudžius, S., Jonaitis, A., & Giannakis, A. (2022). A Grid-Tied Inverter with Renewable Energy Source Integration in an Off-Grid System with a Functional Experimental Prototype. Sustainability, 14(20), 13110. https://doi.org/10.3390/su142013110

