Investigation of the Influence of Gas Turbine Power Stations on the Quality of Electric Energy in the Associated Petroleum Gas Utilization
Abstract
:1. Introduction
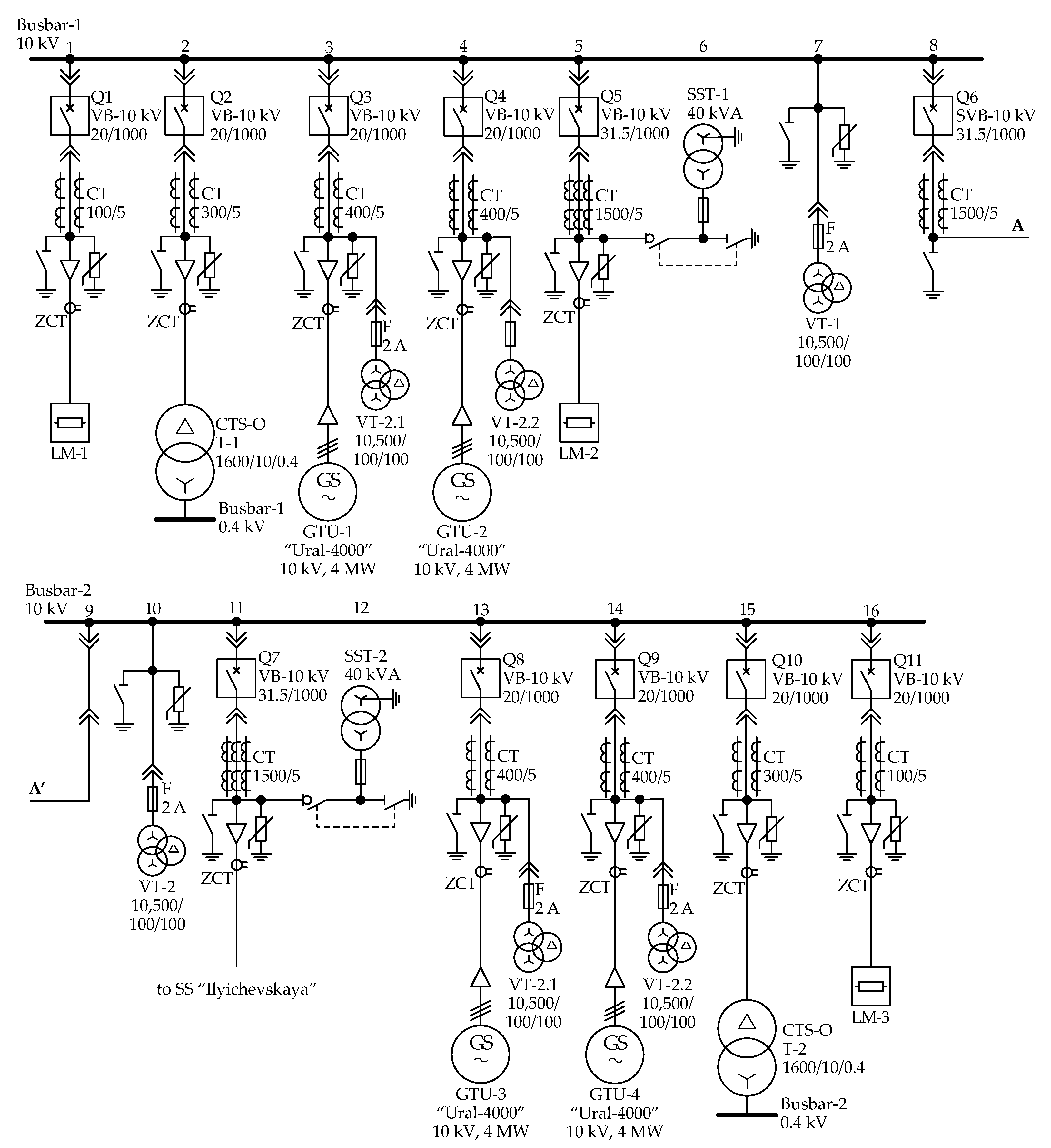
2. Mathematical Description of the Power Supply System
- Main power system: , , ;
- Synchronous generator (SG): , , ;
- Power transformer (T): , , ;
- Cable (CL) and overhead (OL) power lines (PL): , , ;
- Static load (SL): , , ;
- Induction motor: ,, , .
3. Model of Oil and Gas Field Power Supply System
4. Experiment Planning
- Busbar-1 of the GTPS;
- Busbar-2 of the GTPS.
5. Measurement Tools and Methods
- Frequency deviation;
- Slow voltage changes (over-deviation and under-deviation);
- Coefficient of voltage unbalance by the zero and reverse sequence;
- Voltage total harmonic distortion (THD);
- Coefficient of the 2nd to 40th harmonic components of the voltage;
- Coefficient and duration of voltage swell;
- Depth and duration of the voltage dip.
6. Experimental Results
- Launching of BCM-1, BCM-3 (busbar-1 of the CTS-O 2×1.6 MWA), and BCM-4 (busbar-2 of the CTS-O 2×1.6 MWA) from the soft start device (SSD) for orders 11th, 13th;
- Switching voltage dips for the 23rd, 25th, 27th, 29th, 31st harmonic component coefficient.
7. Analysis of the Influence of GTPS Operating Modes on the Power Quality
7.1. Operating Mode No.1
- (a)
- From 16 July 00:35 pm to 17 July 8:20 am (the GTU-3 (cell 13) is disconnected). In the considered time interval, the PQI did not exceed the normally permissible limits (Figure 3). According to the Operational Log, from 17:40 to 18:30 on 16 July, there was an exit from the operating mode due to a spontaneous power reset by the LM-3 (2 MW). During this emergency disturbance, the PQI did not go beyond the permissible values, except for the frequency deviation (which is within the permissible time limits), which indicates the high stability of this mode.
- (b)
- From 04:35 pm on 27 July to 02:30 pm on 29 July (the GTU-2 (cell 4) is disconnected). In the considered time interval, the PQI did not exceed the normally permissible limits (Figure 4). Small voltage fluctuations with a duration of less than 5 min, observed during the operation mode, can be caused by the BCM-4 control system operation from 11:50 am to 06:30 pm.
7.2. Operating Mode No. 2
7.3. Operating Modes No. 3 and 4
7.4. Operating Modes No. 5 and 6
7.5. Operating Mode No. 7
7.6. Operating Mode No. 8
7.7. Operating Mode No. 9
7.8. Operating Mode No. 10
8. Discussion
- Soft-start devices BKM-1,2, 3, 4, 5 for 5th, 7th, 11th, and 13th harmonics, only during the start of the drive motor;
- Operation of the pulse-phase control system with non-sinusoidality of the supply voltage for 6th harmonic;
- Operation in the main power system of 6-pulse bridge converters for 11th, 13th, 17th, 19th, and 21st harmonics;
- Switching of vacuum breakers and resonant phenomena for short-term harmonic components of odd order 23 and higher.
- When the load is dropped from 1.5 MW, even when working in parallel with the main power system, there is an emergency stop of the power units of the GTPS “Ilyichevskaya”.
- When BCM connected to the busbar, working in the local mode of generation, there was a slight (1%) fluctuation in the steady-state value of the voltage with a period of about 5 min.
- More frequent fluctuations in the level of voltage in view of the measured current loads of the LM-3 indicate frequent assist switching devices of the LM’s switchgear 0.4 kV that can be associated with the misalignment of the control systems of the GTUs and LMs.
- The connection of LMs when entering the mode causes the frequency to decrease almost to the minimum permissible value in the presence of two GTPs or less in operation.
- Parallel operation of the GTPS “Ilyichevskaya” with the main power system is characterized by a higher THD compared to the local operation; however, during local operation, a wider range of fluctuations in the frequency of the voltage is observed.
- To analyze key modes of gas turbine power stations and to design a map of the operating switches of the GTPS’ elements;
- To accompany the most problematic modes with instrumental measurements;
- To consider the possibility of installing filter-compensating devices to reduce the overall level of distortion or other equipment for the compensation of higher harmonic components;
- To consider the possibility of installing dynamic voltage distortion compensators to eliminate problems associated with voltage failures and landings, overvoltages of the PSS.
9. Conclusions
Author Contributions
Funding
Institutional Review Board Statement
Informed Consent Statement
Conflicts of Interest
References
- Transforming Our World: The 2030 Agenda for Sustainable Development, Resolution A/RES/70/1 of United Nations General Assembly Seventieth Session on 25 September 2015, New York. Available online: https://www.un.org/ga/search/view_doc.asp?symbol=A/RES/70/1 (accessed on 19 December 2021).
- Yi, J.; Alvares, L.; Horowitz, R.; Candudas de Wit, C. Adaptive emergency braking control using a dynamic tire/road friction model. In Proceedings of the 39th IEEE Conference on Decision and Control, Sydney, Australia, 12–15 December 2000. [Google Scholar] [CrossRef]
- Ilyushin, P.; Kulikov, A.; Suslov, K.; Filippov, S. Consideration of Distinguishing Design Features of Gas-Turbine and Gas-Reciprocating Units in Design of Emergency Control Systems. Machines 2021, 9, 47. [Google Scholar] [CrossRef]
- Kavalerov, B.V.; Petrochenkov, A.B.; Tarasov, V.A. A method for development of software packages for mathematical simulation of electric power systems. Russ. Electr. Eng. 2015, 86, 331–338. [Google Scholar] [CrossRef]
- Uribe-Pérez, N.; Angulo, I.; Hernández-Callejo, L.; Arzuaga, T.; De la Vega, D.; Arrinda, A. Study of Unwanted Emissions in the CENELEC-A Band Generated by Distributed Energy Resources and Their Influence over Narrow Band Power Line Communications. Energies 2016, 9, 1007. [Google Scholar] [CrossRef] [Green Version]
- Aksan, F.; Jasiński, M.; Sikorski, T.; Kaczorowska, D.; Rezmer, J.; Suresh, V.; Leonowicz, Z.; Kostyła, P.; Szymańda, J.; Janik, P. Clustering Methods for Power Quality Measurements in Virtual Power Plant. Energies 2021, 14, 5902. [Google Scholar] [CrossRef]
- Beita, J.; Talibi, M.; Sadasivuni, S.; Balachandran, R. Thermoacoustic Instability Considerations for High Hydrogen Combustion in Lean Premixed Gas Turbine Combustors: A Review. Hydrogen 2021, 2, 33–57. [Google Scholar] [CrossRef]
- Almutairi, A.; Pilidis, P.; Al-Mutawa, N. Energetic and Exergetic Analysis of Combined Cycle Power Plant: Part-1. Energies 2015, 8, 14118–14135. [Google Scholar] [CrossRef]
- Ciontea, C.I.; Iov, F. A Study of Load Imbalance Influence on Power Quality Assessment for Distribution Networks. Electricity 2021, 2, 77–90. [Google Scholar] [CrossRef]
- Maslo, K. Challenges to power system operation and development. In Proceedings of the 6th International Scientific Symposium on Electrical Power Engineering, St. Lesna, Slovakia, 21–23 September 2011; ISBN 978-80-553-0724-4. [Google Scholar]
- Lyakhomskii, A.; Perfilieva, E.; Petrochenkov, A.; Bochkarev, S. Conceptual design and engineering strategies to increase energy efficiency at enterprises: Research, technologies and personnel. In Proceedings of the 2015 IV Forum Strategic Partnership of Universities and Enterprises of Hi-Tech Branches (Science. Education. Innovations), St. Petersburg, Russia, 11–13 November 2015; IEEE: Piscataway, NJ, USA, 2015; pp. 44–47. [Google Scholar] [CrossRef]
- Petrochenkov, A.B. Management of effective maintenance of the electrotechnical complexes of mineral resource industry’s enterprises based on energy-information model. In Proceedings of the 2015 XVIII International Conference on Soft Computing and Measurements (SCM); St.Petersburg, Russia, 19–21 May 2015; IEEE: Piscataway, NJ, USA, 2015; pp. 122–124. [Google Scholar] [CrossRef]
- Sadamoto, T.; Chakrabortty, A.; Ishizaki, T.; Jun-ichi Imura, J. Dynamic Modeling, Stability, and Control of Power Systems with Distributed Energy Resources. IEEE Control Syst. Mag. arXiv 2018, arXiv:1804.04933. [Google Scholar]
- Afrasiabi, M.; Rokrok, E. An improved centralized control structure for compensation of voltage distortions in inverter-based microgrids. Energies 2018, 11, 1862. [Google Scholar] [CrossRef] [Green Version]
- Petrochenkov, A.; Romodin, A.; Leyzgold, D.; Semenov, A. Modeling Power-Supply Systems with Gas-Turbine Units as Energy Sources. Russ. Electr. Eng. 2020, 91, 673–680. [Google Scholar] [CrossRef]
- Martynowicz, P. Nonlinear Optimal-Based Vibration Control of a Wind Turbine Tower Using Hybrid vs. Magnetorheological Tuned Vibration Absorber. Energies 2021, 14, 5145. [Google Scholar] [CrossRef]
- Dettori, S.; Maddaloni, A.; Galli, F.; Colla, V.; Bucciarelli, F.; Checcacci, D.; Signorini, A. Steam Turbine Rotor Stress Control through Nonlinear Model Predictive Control. Energies 2021, 14, 3998. [Google Scholar] [CrossRef]
- Lopez-Negrete, R.; D’Amato, F.J.; Biegler, L.T.; Kumar, A. Fast nonlinear model predictive control: Formulation and industrial process applications. Comput. Chem. Eng. 2013, 51, 55. [Google Scholar] [CrossRef]
- Carnero, A.P.; Serrano, L.R.; Nebradt, J.G.; Leyva, L.M. Integration of thermal stress and lifetime supervision system of steam turbine rotors. Combust. Fuels Emiss. Parts A B 2008, 3, 1035. [Google Scholar]
- Sun, Y.-J.; Wang, Y.-L.; Li, M.; Wei, J. Performance assessment for life extending control of steam turbine based on polynomial method. Appl. Therm. Eng. 2016, 108, 1383. [Google Scholar] [CrossRef]
- Tarasov, V.A.; Petrochenkov, A.B.; Kavalerov, B.V. Simulation of Complex Electric Power Systems. Russ. Electr. Eng. 2018, 89, 664–669. [Google Scholar] [CrossRef]
- Tsai, A.; Pezzini, P.; Tucker, D.; Bryden, K.M. Multiple-Model adaptive control of a hybrid solid oxide fuel cell gas turbine power plant simulator. J. Electrochem. Energy Convers. Storage 2019, 16, 375. [Google Scholar] [CrossRef] [Green Version]
- Chen, T.Q.; Rubanova, Y.; Bettencourt, J.; Duvenaud, D.K. Neural ordinary differential equations. In Proceedings of the 2018 Conference on Neural Information Processing Systems, Montreal, QC, Canada, 3–8 December 2018. [Google Scholar]
- Recorders of Power Quality Parma RK3.02. Available online: https://parma.spb.ru/support/equipment/parma-rk3-02 (accessed on 15 October 2021). (In Russian).
- IEC 61000-4-30:2008. Electromagnetic Compatibility (EMC)—Part 4-30: Testing and Measurement Techniques—Power Quality Measurement Methods. International Electrotechnical Commission Standard. Geneva, Switzerland. Available online: https://webstore.iec.ch/publication/4213 (accessed on 15 October 2021).
- IEC 61000-4-7:2002. Electromagnetic Compatibility (EMC)—Part 4-7: Testing and Measurement Techniques—General Guide on Harmonics and Interharmonics Measurements and Instrumentation, for Power Supply Systems and Equipment Connected Thereto. International Electrotechnical Commission Standard. Geneva, Switzerland. Available online: https://webstore.iec.ch/publication/4226 (accessed on 15 October 2021).
- Fluke 434-II and 435-II Power Quality and Energy Analyzers. Available online: https://www.fluke.com/en-us/product/electrical-testing/power-quality/434-435 (accessed on 15 October 2021).
- Russian Standard GOST R 32144-2013 Electric Energy. In Electromagnetic Compatibility of Technical Equipment; Power Quality Limits in the Public Power Supply Systems; Standartinform: Moscow, Russia, 2014. (In Russian)
- EN 50160:2010 Voltage characteristics of electricity supplied by public distribution network. In European Regional Standard; European Committee for Electrotechnical Standardization: Brussels, Belgium.
- Arranz-Gimon, A.; Zorita-Lamadrid, A.; Morinigo-Sotelo, D.; Duque-Perez, O. A Review of Total Harmonic Distortion Factors for the Measurement of Harmonic and Interharmonic Pollution in Modern Power Systems. Energies 2021, 14, 6467. [Google Scholar] [CrossRef]
- da Silva, J.C.L.; Ramos, T.; Júnior, M.F.M. Modeling and Harmonic Impact Mitigation of Grid-Connected SCIG Driven by an Electromagnetic Frequency Regulator. Energies 2021, 14, 4524. [Google Scholar] [CrossRef]
- Liu, Q.; Deng, Y.; He, X. Boost-type inverter-less shunt active power filter for VAR and harmonic compensation. IET Power Electron. 2013, 6, 535. [Google Scholar] [CrossRef]
- Jinn-Chang, W.; Hurng-Liahng, J.; Kuen-Der, W.; Hsin-Hsing, H. Three-phase four-wire hybrid power filter using a smaller power converter. Electric Power Syst. Res. 2012, 87, 13. [Google Scholar] [CrossRef]
- Das, S.R.; Ray, P.K.; Sahoo, A.K.; Ramasubbareddy, S.; Babu, T.S.; Kumar, N.M.; Elavarasan, R.M.; Mihet-Popa, L. A Comprehensive Survey on Different Control Strategies and Applications of Active Power Filters for Power Quality Improvement. Energies 2021, 14, 4589. [Google Scholar] [CrossRef]
- Zhezhelenko, I.V.; Sajenko, Y.L.; Szarka, T.; Sentimai, L. Impact of thyristor converters. In Inverters on Industrial Network, Proceedings of the 6th Conference on Power Electronics and Motion Control, Budapest PEMC ’90 Secretariat, Budapest, Hungary, 1–3 October 1990. [Google Scholar]
- Lee, T.; Hu, S. Discrete Frequency-Tuning Active Filter to Suppress Harmonic Resonances of Closed-Loop Distribution Power Systems. IEEE Trans. Power Electron. 2011, 26, 137–148. [Google Scholar] [CrossRef]
- Sun, X.; Jafari, S.; Miran Fashandi, S.A.; Nikolaidis, T. Compressor Degradation Management Strategies for Gas Turbine Aero-Engine Controller Design. Energies 2021, 14, 5711. [Google Scholar] [CrossRef]
- Lin, X.; Chen, C.; Yu, A.; Yin, L.; Su, W. Performance Comparison of Advanced Transcritical Power Cycles with High-Temperature Working Fluids for the Engine Waste Heat Recovery. Energies 2021, 14, 5886. [Google Scholar] [CrossRef]
- Bejaoui, I.; Bruneo, D.; Xibilia, M.G. Remaining Useful Life Prediction of Broken Rotor Bar Based on Data-Driven and Degradation Model. Appl. Sci. 2021, 11, 7175. [Google Scholar] [CrossRef]











| From 27 July to 28 July | |||
| Parameter | L1 | L2 | L3 |
| Quantity -//- sum | 5 | 7 | 5 |
| 17 | |||
| Maximum depth, % | 89.38 | 89.86 | 89.24 |
| Maximum duration, ms | 20 | 10 | 20 |
| From 28 July to 29 July | |||
| Parameter | L1 | L2 | L3 |
| Quantity -//- sum | 1 | 2 | 1 |
| 4 | |||
| Maximum depth, % | 72.83 | 84.69 | 85.31 |
| Maximum duration, ms | 660 | 1250 | 350 |
| From 30 July to 31 July | |||
| Parameter | L1 | L2 | L3 |
| Quantity -//- sum | 1 | 0 | 0 |
| 1 | |||
| Maximum depth, % | 87.59 | 0.00 | 0.00 |
| Maximum duration, ms | 10 | 0 | 0 |
| From 2 August to 3 August | |||
| Parameter | L1 | L2 | L3 |
| Quantity -//- sum | 2 | 1 | 2 |
| 5 | |||
| Maximum depth, % | 83.59 | 88.41 | 89.66 |
| Maximum duration, ms | 20 | 10 | 10 |
| From 2 August to 3 August | |||
|---|---|---|---|
| Parameter | L1 | L2 | L3 |
| Quantity -//- sum | 0 | 2 | 0 |
| 2 | |||
| Maximum depth, % | 0.00 | 1.35 | 0.00 |
| Maximum duration, ms | 0 | 90 | 0 |
| Phase | 95% of Time Range | 100% of Time Range | ||||||
|---|---|---|---|---|---|---|---|---|
| The Normally Permissible Limits, THDnorm | The Measurement Results | Conclusion | The Maximum Permissible Limits, THDmax | The Measurement Results | Conclusion | |||
| THD% | Duration | THD% | Duration | |||||
| L1 | 5.00 | 1.85 | 0.53 | valid | 8.00 | 12.57 | 0.38 | invalid |
| L2 | 5.00 | 1.79 | 0.54 | valid | 8.00 | 12.43 | 0.38 | invalid |
| L3 | 5.00 | 1.81 | 0.53 | valid | 8.00 | 12.54 | 0.38 | invalid |
| Mode | Cell 1 | Cell 3 | Cell 4 | Cell 5 | Cell 8 | Cell 11 | Cell 13 | Cell 14 | Cell 16 |
|---|---|---|---|---|---|---|---|---|---|
| LM-1 | GTU-1 | GTU-2 | LM-2 | SVB | to SS “Ilyichevskaya” | GTU-3 | GTU-4 | LM-3 | |
| no. 1 | ON | ON | ON | ON | ON | ON | ON | ON | ON |
| no. 2 | ON | ON | ON | ON | off | ON | ON | ON | ON |
| no. 3 | off | off | ON | ON | off | ON | ON | ON | ON |
| no. 4 | ON | ON | off | off | off | ON | ON | ON | ON |
| no. 5 | ON | ON | ON | ON | off | ON | off | ON | off |
| no. 6 | ON | ON | ON | ON | off | ON | ON | off | off |
| no. 7 | off | off | off | off | off | ON | ON | ON | off |
| no. 8 | off | off | off | off | off | ON | ON | ON | ON |
| no. 9 | ON | ON | ON | ON | off | ON | off | off | off |
| no. 10 | ON | ON | ON | ON | off | off | ON | ON | ON |
| Date | Time | Cell 1 | Cell 3 | Cell 4 | Cell 5 | Cell 8 | Cell 11 | Cell 13 | Cell 14 | Cell 16 |
|---|---|---|---|---|---|---|---|---|---|---|
| LM-1 | GTU-1 | GTU-2 | LM-2 | SVB | to SS “Ilyichevskaya” | GTU-3 | GTU-4 | LM-3 | ||
| 17 June | 15:00 | ON | ON | off | off | ON | ON | ON | ON | ON |
| 19 June | 14:45 | off | ON | off | ON | ON | ON | ON | ON | ON |
| 20 June | 8:15 | off | ON | off | off | ON | ON | ON | ON | ON |
| 20 June | 8:40 | off | ON | off | ON | ON | ON | ON | ON | ON |
| 20 June | 13:10 | off | ON | off | off | ON | ON | ON | ON | ON |
| 20 June | 17:00 | off | ON | off | ON | ON | ON | ON | ON | ON |
| 20 June | 17:25 | off | off | off | off | ON | ON | off | off | off |
| 20 June | 21:00 | ON | ON | off | ON | ON | ON | ON | ON | off |
| 21 June | 9:20 | off | off | off | off | ON | ON | off | off | off |
| 21 June | 12:50 | off | ON | off | ON | ON | ON | ON | ON | ON |
| 22 June | 12:45 | ON | ON | off | ON | ON | ON | ON | ON | off |
| 24 June | 20:25 | off | off | off | off | ON | off | off | off | off |
| 25 June | 0:10 | off | ON | off | off | ON | off | ON | ON | off |
| 25 June | 1:50 | ON | ON | off | ON | ON | ON | ON | ON | off |
| 25 June | 10:10 | ON | ON | off | off | ON | ON | ON | off | off |
| 25 June | 10:30 | ON | ON | off | off | ON | off | ON | off | off |
| 5 July | 1:00 | off | off | off | off | off | off | off | off | off |
| 13 July | 22:00 | ON | ON | off | ON | ON | ON | off | ON | off |
| 14 July | 23:00 | ON | ON | ON | ON | ON | ON | off | ON | off |
| 16 July | 12:35 | ON | ON | ON | ON | ON | ON | off | ON | ON |
| 16 July | 17:40 | off | ON | ON | ON | ON | ON | off | ON | off |
| 16 July | 18:30 | ON | ON | ON | ON | ON | ON | off | ON | ON |
| 17 July | 8:20 | off | ON | off | off | ON | ON | off | off | off |
| 17 July | 9:40 | ON | ON | ON | ON | ON | ON | off | ON | ON |
| 18 July | 12:00 | off | ON | ON | off | ON | ON | off | ON | ON |
| 18 July | 15:00 | ON | ON | ON | ON | ON | ON | off | ON | ON |
| 18 July | 18:40 | ON | ON | off | ON | ON | ON | ON | ON | ON |
| 22 July | 11:05 | off | off | off | off | ON | ON | off | off | off |
| 22 July | 16:05 | ON | ON | off | ON | ON | ON | ON | ON | ON |
| 23 July | 19:40 | ON | ON | off | ON | ON | off | ON | ON | ON |
| 26 July | 8:40 | ON | ON | off | ON | ON | off | off | ON | ON |
| 26 July | 18:35 | ON | ON | off | ON | ON | off | ON | ON | ON |
| 27 July | 16:35 | ON | ON | off | ON | ON | ON | ON | ON | ON |
| 29 July | 14:30 | off | off | off | off | ON | ON | off | ON | off |
| 29 July | 16:00 | ON | ON | off | off | ON | ON | ON | ON | ON |
| 1 August | 10:50 | ON | ON | off | off | ON | ON | ON | off | ON |
| 3 August | 22:20 | ON | ON | off | off | ON | ON | ON | ON | ON |
| 7 August | 16:55 | ON | ON | ON | off | ON | ON | off | ON | ON |
| Object | Parameter | Project Value | Measured Value | Calculated Value | Deviation of the Calculated Value from the Measured Value δ, % |
|---|---|---|---|---|---|
| GTPS “Ilyichevskaya” busbar-1 | Voltage, kV | 6 | 6.28 | 6.108 | 2.7 |
| GTPS “Ilyichevskaya” busbar-2 | 6 | 6.19 | 6.112 | 1.3 | |
| LM-2 | Current, A | 385 | 338.3 | 347.8 | 2.8 |
| LM-3 | 385 | 299.8 | 303.6 | 1.3 |
Publisher’s Note: MDPI stays neutral with regard to jurisdictional claims in published maps and institutional affiliations. |
© 2021 by the authors. Licensee MDPI, Basel, Switzerland. This article is an open access article distributed under the terms and conditions of the Creative Commons Attribution (CC BY) license (https://creativecommons.org/licenses/by/4.0/).
Share and Cite
Petrochenkov, A.; Romodin, A.; Leyzgold, D.; Kokorev, A.; Kokorev, A.; Lyakhomskii, A.; Perfil’eva, E.; Gagarin, Y.; Shapranov, R.; Brusnitcin, P.; et al. Investigation of the Influence of Gas Turbine Power Stations on the Quality of Electric Energy in the Associated Petroleum Gas Utilization. Sustainability 2022, 14, 299. https://doi.org/10.3390/su14010299
Petrochenkov A, Romodin A, Leyzgold D, Kokorev A, Kokorev A, Lyakhomskii A, Perfil’eva E, Gagarin Y, Shapranov R, Brusnitcin P, et al. Investigation of the Influence of Gas Turbine Power Stations on the Quality of Electric Energy in the Associated Petroleum Gas Utilization. Sustainability. 2022; 14(1):299. https://doi.org/10.3390/su14010299
Chicago/Turabian StylePetrochenkov, Anton, Aleksandr Romodin, Dmitriy Leyzgold, Andrei Kokorev, Aleksandr Kokorev, Aleksandr Lyakhomskii, Evgenia Perfil’eva, Yuri Gagarin, Ruslan Shapranov, Pavel Brusnitcin, and et al. 2022. "Investigation of the Influence of Gas Turbine Power Stations on the Quality of Electric Energy in the Associated Petroleum Gas Utilization" Sustainability 14, no. 1: 299. https://doi.org/10.3390/su14010299
APA StylePetrochenkov, A., Romodin, A., Leyzgold, D., Kokorev, A., Kokorev, A., Lyakhomskii, A., Perfil’eva, E., Gagarin, Y., Shapranov, R., Brusnitcin, P., & Ilyushin, P. (2022). Investigation of the Influence of Gas Turbine Power Stations on the Quality of Electric Energy in the Associated Petroleum Gas Utilization. Sustainability, 14(1), 299. https://doi.org/10.3390/su14010299

