Lean Management Framework for Healthcare Facilities Integrating BIM, BEPS and Big Data Analytics
Abstract
1. Introduction
- Can the Lean approach help for the integrated use of BIM, BEPS and Big Data Analytics for effective Healthcare Facilities Management?
- What are the synergies between Healthcare FM and the Lean thinking concept?
- Can the integrated use of BIM, BEPS and Big Data Analytics enable the Lean concept in healthcare FM?
2. Literature Review
2.1. Building Information Modeling
2.2. Building Energy Performance Simulations
2.3. Big Data Analytics (BDA)
3. Lean Management Practices in Facility Management
4. Materials and Methods
- Relevance cycle: In the relevance cycle, the application domain is identified. Business needs, possible artifacts, and acceptability requirements for artifact are determined [107];
- Rigor cycle: The research foundations are defined. The research foundation also helps to identify whether the research includes new knowledge or not [107];
- Design cycle: The possible artifacts are built-in design cycle. Furthermore, the evaluation of artifacts is performed by considering acceptability requirements. If the requirements are not met, iterations are performed. The knowledge derived from assessments is used to improve existing foundations [107]. The evaluation of the created artifact provides feedback to improve the quality and design of the developed solution [109]. Different evaluation methods can be used to evaluate artifacts in DSR methodology. They are logical argument, expert evaluation, technical experiment, subject-based experiment, action research, prototype, case study and illustrative scenario [107].
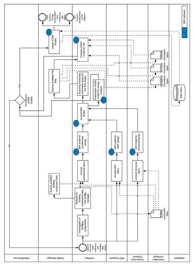
4.1. Relevance Cycle
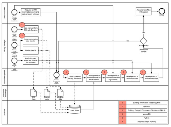
4.2. Rigor Cycle
- Usage of building data from the BIM model at the FM stage
- Improve information quality
- Usage of data analysis results in FM decision-making processes
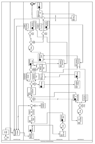
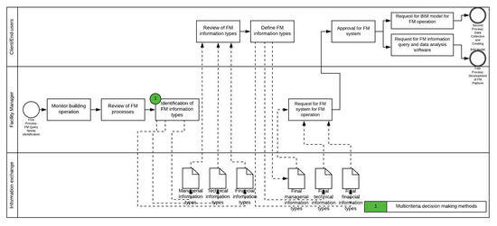
4.3. Design Cycle
5. Discussion
- Opinions about applicability and feasibility of the proposed framework: According to the interviewees, the feasibility of the proposed framework was found feasible. Data collection process and accuracy of the framework were evaluated as the most important part of the proposed framework by the first and third interviewees. Additionally, it was recommended that the applicability of the proposed framework should be customer-focused and take into consideration of continuous improvement. According to the second interviewee, the proposed model is near to industrial applications. The second interviewee stated that the BIM model could be used as a support system in FM, and asset management can be performed with the consideration of all FM information types and BIM that are given in the proposed framework. Furthermore, the proposed framework was found very comprehensive in terms of FM by all interviewees.
- Lean view about the proposed framework: According to expert view, the answers to open-ended questions were given in Table 6.
6. Conclusions
Author Contributions
Funding
Conflicts of Interest
References
- Atkin, B.; Bildsten, L. Editorial: A future for facility management. Constr. Innov. 2017, 17, 116–124. [Google Scholar] [CrossRef]
- Edirisinghe, R.; London, K.A.; Kalutara, P.; Aranda-Mena, G. Building information modelling for facility management: Are we there yet? Eng. Constr. Archit. Manag. 2017, 24, 1119–1154. [Google Scholar] [CrossRef]
- Koch, C.; Neges, M.; König, M.; Abramovici, M. Natural markers for augmented reality-based indoor navigation and facility maintenance. Autom. Constr. 2014, 48, 18–30. [Google Scholar] [CrossRef]
- Terreno, S.; Asadi, S.; Anumba, C. An exploration of synergies between lean concepts and BIM in FM: A review and directions for future research. Buildings 2019, 9, 147. [Google Scholar] [CrossRef]
- Baldi, S.; Zhang, F.; Le Quang, T.; Endel, P.; Holub, O. Passive versus active learning in operation and adaptive maintenance of Heating, Ventilation, and Air Conditioning. Appl. Energy 2019, 252, 113478. [Google Scholar] [CrossRef]
- Lee, K.P.; Wu, B.H.; Peng, S.L. Deep-learning-based fault detection and diagnosis of air-handling units. Build. Environ. 2019, 157, 24–33. [Google Scholar] [CrossRef]
- Yousefli, Z.; Nasiri, F.; Moselhi, O. Healthcare facilities maintenance management: A literature review. J. Facil. Manag. 2017, 15, 352–375. [Google Scholar] [CrossRef]
- Sharma, V.; Abel, J.; Al-Hussein, M.; Lennerts, K.; Pfründer, U. Simulation application for resource allocation in facility management processes in hospitals. Facilities 2007, 25, 493–506. [Google Scholar] [CrossRef]
- Shou, W.; Wang, J.; Wu, P.; Wang, X. Lean management framework for improving maintenance operation: Development and application in the oil and gas industry. Prod. Plan. Control. 2020, 1–18. [Google Scholar] [CrossRef]
- Costa, A.; Keane, M.M.; Torrens, J.I.; Corry, E. Building operation and energy performance: Monitoring, analysis and optimisation toolkit. Appl. Energy 2013, 101, 310–316. [Google Scholar] [CrossRef]
- Berry, S.; Davidson, K.; Saman, W. Defining zero carbon and zero energy homes from a performance-based regulatory perspective. Energy Effic. 2014, 7, 303–322. [Google Scholar] [CrossRef]
- Gao, S.; Pheng, L.S.; Tay, W. Lean facilities management: Preliminary findings from Singapore’s international schools. Facilities 2020, 38, 539–558. [Google Scholar] [CrossRef]
- Goyal, M.; Gao, Z. Integration of Building Information Modeling and Prefabrication for Lean Construction. In Proceedings of the International Conference on Construction and Real Estate Management 2018 (ICCREM 2018), Charleston, SC, USA, 9–10 August 2018; pp. 82–88. [Google Scholar]
- Ahmed, S.; Hossain, M.M.; Haq, I. Implementation of lean construction in the construction industry in Bangladesh: Awareness, benefits and challenges. Int. J. Build. Pathol. Adapt. 2020. [Google Scholar] [CrossRef]
- Avelar, W.; Meiriño, M.; Tortorella, G.L. The practical relationship between continuous flow and lean construction in SMEs. TQM J. 2019, 32, 362–380. [Google Scholar] [CrossRef]
- Becerik-Gerber, B.; Jazizadeh, F.; Li, N.; Calis, G. Application Areas and Data Requirements for BIM-Enabled Facilities Management. J. Constr. Eng. Manag. 2012, 138, 431–442. [Google Scholar] [CrossRef]
- Brooks, T.J.; Lucas, J.D. A Study to Support BIM Turnover to Facility Managers for Use after Construction; American Society of Civil Engineers (ASCE): Reston, VA, USA, 2014; pp. 243–250. [Google Scholar]
- Terreno, S.; Anumba, C.J.; Gannon, E.; Dubler, C. The Benefits of BIM Integration with Facilities Management: A Preliminary Case Study; American Society of Civil Engineers (ASCE): Reston, VA, USA, 2015. [Google Scholar]
- Davtalab, O. Computing in Civil Engineering 2017. Comput. Civ. Eng. 2017, 3, 326–334. [Google Scholar]
- Oti, A.H.; Kurul, E.; Cheung, F.; Tah, J.H.M. A framework for the utilization of Building Management System data in building information models for building design and operation. Autom. Constr. 2016, 72, 195–210. [Google Scholar] [CrossRef]
- Reza, H.M.; Rogier, R.; Eleni, P.; John, E.D.; Erika, P. Integrating BIM into facility management: Typology matrix of information handover requirements. Int. J. Build. Pathol. Adapt. 2018, 36, 2–14. [Google Scholar] [CrossRef]
- Ahmed, V.; Tezel, A.; Aziz, Z.; Sibley, M. The future of Big Data in facilities management: Opportunities and challenges. Facilities 2020, 35, 725–745. [Google Scholar] [CrossRef]
- Aibinu, A.A.; Koch, F.; Ng, S.T. Guest editorial. Data analytics and big data in construction project and asset management. Built Environ. Proj. Asset Manag. 2019, 9, 474–475. [Google Scholar] [CrossRef]
- Roper, K.O. Facility management maturity and research. J. Facil. Manag. 2017, 15, 235–243. [Google Scholar] [CrossRef]
- Asensio, J.A.; Criado, J.; Padilla, N.; Iribarne, L. Emulating home automation installations through component-based web technology. Future Gener. Comput. Syst. 2019, 93, 777–791. [Google Scholar] [CrossRef]
- Bhatt, J.; Verma, H.K. Design and development of wired building automation systems. Energy Build. 2015, 103, 396–413. [Google Scholar] [CrossRef]
- Bonci, A.; Carbonari, A.; Cucchiarelli, A.; Messi, L.; Pirani, M.; Vaccarini, M. A cyber-physical system approach for building efficiency monitoring. Autom. Constr. 2019, 102, 68–85. [Google Scholar] [CrossRef]
- Doukas, H.; Nychtis, C.; Psarras, J. Assessing energy-saving measures in buildings through an intelligent decision support model. Build. Environ. 2009, 44, 290–298. [Google Scholar] [CrossRef]
- Macarulla, M.; Casals, M.; Forcada, N.; Gangolells, M. Implementation of predictive control in a commercial building energy management system using neural networks. Energy Build. 2017, 151, 511–519. [Google Scholar] [CrossRef]
- Wang, H.; Xu, P.; Lu, X.; Yuan, D. Methodology of comprehensive building energy performance diagnosis for large commercial buildings at multiple levels. Appl. Energy 2016, 169, 14–27. [Google Scholar] [CrossRef]
- Gunay, H.B.; Shen, W.; Newsham, G. Data analytics to improve building performance: A critical review. Autom. Constr. 2019, 97, 96–109. [Google Scholar] [CrossRef]
- Gerrish, T.; Ruikar, K.; Cook, M.; Johnson, M.; Phillip, M. Using BIM capabilities to improve existing building energy modelling practices. Eng. Constr. Archit. Manag. 2017, 24, 190–208. [Google Scholar] [CrossRef]
- Corry, E.; Pauwels, P.; Hu, S.; Keane, M.; O’Donnell, J. A performance assessment ontology for the environmental and energy management of buildings. Autom. Constr. 2015, 57, 249–259. [Google Scholar] [CrossRef]
- Arayici, Y.; Fernando, T.; Munoz, V.; Bassanino, M. Interoperability specification development for integrated BIM use in performance based design. Autom. Constr. 2018, 85, 167–181. [Google Scholar] [CrossRef]
- Nicał, A.K.; Wodyński, W. Enhancing Facility Management through BIM 6D. Procedia Eng. 2016, 164, 299–306. [Google Scholar] [CrossRef]
- Wong, J.K.W.; Ge, J.; He, S.X. Digitisation in facilities management: A literature review and future research directions. Autom. Constr. 2018, 92, 312–326. [Google Scholar] [CrossRef]
- Ilter, D.; Ergen, E. BIM for building refurbishment and maintenance: Current status and research directions. Struct. Surv. 2015, 33, 228–256. [Google Scholar] [CrossRef]
- Liu, R.; Asce, A.M.; Issa, R.R.A.; Asce, F. Survey: Common Knowledge in BIM for Facility Maintenance. J. Perform. Constr. Facil. 2016, 30. [Google Scholar] [CrossRef]
- Oskouie, P.; Gerber, D.J.; Alves, T.; Becerik-Gerber, B. Extending the interaction of building information modeling and lean construction. In Proceedings of the 20th Annual Conference of the International Group for Lean Construction, San Diego, CA, USA, 18–20 July 2012; Volume 1. [Google Scholar]
- Ashworth, S.; Tucker, M.; Druhmann, C.K. Critical success factors for facility management employer’s information requirements (EIR) for BIM. Facilities 2019, 37, 103–118. [Google Scholar] [CrossRef]
- Barbosa, M.J.; Pauwels, P.; Ferreira, V.; Mateus, L. Towards increased BIM usage for existing building interventions. Struct. Surv. 2016, 34, 168–190. [Google Scholar] [CrossRef]
- Araszkiewicz, K. Digital Technologies in Facility Management—The State of Practice and Research Challenges. Procedia Eng. 2017, 196, 1034–1042. [Google Scholar] [CrossRef]
- Sadeghi, M.; Elliott, J.W.; Porro, N.; Strong, K. Developing building information models (BIM) for building handover, operation and maintenance. J. Facil. Manag. 2019, 17, 301–316. [Google Scholar] [CrossRef]
- Shi, Y.; Du, J.; Lavy, S.; Zhao, D. A Multiuser Shared Virtual Environment for Facility Management. Procedia Eng. 2016, 145, 120–127. [Google Scholar] [CrossRef]
- Lucas, J.; Bulbul, T.; Thabet, W. An object-oriented model to support healthcare facility information management. Autom. Constr. 2013, 31, 281–291. [Google Scholar] [CrossRef]
- Kim, E.; Park, S. Three-dimensional visualized space and asset management system for large-scale airports: The case of Incheon International Airport. Int. J. Archit. Comput. 2016, 14, 233–246. [Google Scholar] [CrossRef]
- Solihin, W.; Eastman, C.; Lee, Y.C.; Yang, D.H. A simplified relational database schema for transformation of BIM data into a query-efficient and spatially enabled database. Autom. Constr. 2017, 84, 367–383. [Google Scholar] [CrossRef]
- Kang, T.W.; Hong, C.H. A study on software architecture for effective BIM/GIS-based facility management data integration. Autom. Constr. 2015, 54, 25–38. [Google Scholar] [CrossRef]
- Lee, W.L.; Tsai, M.H.; Yang, C.H.; Juang, J.R.; Su, J.Y. V3DM+: BIM interactive collaboration system for facility management. Vis. Eng. 2016, 4, 5. [Google Scholar] [CrossRef][Green Version]
- Baek, F.; Ha, I.; Kim, H. Augmented reality system for facility management using image-based indoor localization. Autom. Constr. 2019, 99, 18–26. [Google Scholar] [CrossRef]
- Chen, W.; Chen, K.; Cheng, J.C.P.; Wang, Q.; Gan, V.J.L. BIM-based framework for automatic scheduling of facility maintenance work orders. Autom. Constr. 2018, 91, 15–30. [Google Scholar] [CrossRef]
- GhaffarianHoseini, A.; Zhang, T.; Naismith, N.; GhaffarianHoseini, A.; Doan, D.T.; Rehman, A.U.; Nwadigo, O.; Tookey, J. ND BIM-integrated knowledge-based building management: Inspecting post-construction energy efficiency. Autom. Constr. 2019, 97, 13–28. [Google Scholar] [CrossRef]
- Bortoluzzi, B.; Efremov, I.; Medina, C.; Sobieraj, D.; McArthur, J.J. Automating the creation of building information models for existing buildings. Autom. Constr. 2019, 105, 102838. [Google Scholar] [CrossRef]
- Hu, Z.Z.; Tian, P.L.; Li, S.W.; Zhang, J.P. BIM-based integrated delivery technologies for intelligent MEP management in the operation and maintenance phase. Adv. Eng. Softw. 2018, 115, 1–16. [Google Scholar] [CrossRef]
- Tu, K.; Vernatha, D. Application of Building Information Modeling in Energy Management of Individual Departments Occupying University Facilities. Int. J. Archit. Environ. Eng. 2016, 10, 225–231. [Google Scholar]
- Kim, K.; Kim, H.; Kim, W.; Kim, C.; Kim, J.; Yu, J. Integration of ifc objects and facility management work information using Semantic Web. Autom. Constr. 2018, 87, 173–187. [Google Scholar] [CrossRef]
- Lee, P.C.; Wang, Y.; Lo, T.P.; Long, D. An integrated system framework of building information modelling and geographical information system for utility tunnel maintenance management. Tunn. Undergr. Sp. Technol. 2018, 79, 263–273. [Google Scholar] [CrossRef]
- Chou, C.C.; Chiang, C.T.; Wu, P.Y.; Chu, C.P.; Lin, C.Y. Spatiotemporal analysis and visualization of power consumption data integrated with building information models for energy savings. Resour. Conserv. Recycl. 2017, 123, 219–229. [Google Scholar] [CrossRef]
- Golabchi, A.; Akula, M.; Kamat, V. Automated building information modeling for fault detection and diagnostics in commercial HVAC systems. Facilities 2016, 34, 233–246. [Google Scholar] [CrossRef]
- Gökçe, H.U.; Gökçe, K.U. Integrated System Platform for Energy Efficient Building Operations. J. Comput. Civ. Eng. 2014, 28, 05014005. [Google Scholar] [CrossRef]
- Shaikh, P.H.; Nor, N.B.M.; Nallagownden, P.; Elamvazuthi, I.; Ibrahim, T. A review on optimized control systems for building energy and comfort management of smart sustainable buildings. Renew. Sustain. Energy Rev. 2014, 34, 409–429. [Google Scholar] [CrossRef]
- Hong, T.; Taylor-Lange, S.C.; D’Oca, S.; Yan, D.; Corgnati, S.P. Advances in research and applications of energy-related occupant behavior in buildings. Energy Build. 2016, 116, 694–702. [Google Scholar] [CrossRef]
- Seeam, A.; Laurenson, D.; Usmani, A. Evaluating the potential of simulation assisted energy management systems: A case for electrical heating optimisation. Energy Build. 2018, 174, 579–586. [Google Scholar] [CrossRef]
- Pezeshki, Z.; Soleimani, A.; Darabi, A. Application of BEM and using BIM database for BEM: A review. J. Build. Eng. 2019, 23, 1–17. [Google Scholar] [CrossRef]
- Fathalian, A.; Kargarsharifabad, H. Actual validation of energy simulation and investigation of energy management strategies (Case Study: An office building in Semnan, Iran). Case Stud. Therm. Eng. 2018, 12, 510–516. [Google Scholar] [CrossRef]
- Dong, B.; O’Neill, Z.; Li, Z. A BIM-enabled information infrastructure for building energy Fault Detection and Diagnostics. Autom. Constr. 2014, 44, 197–211. [Google Scholar] [CrossRef]
- Kwak, Y.; Huh, J.H.; Jang, C. Development of a model predictive control framework through real-time building energy management system data. Appl. Energy 2015, 155, 1–13. [Google Scholar] [CrossRef]
- Hong, T.; Kim, J.; Jeong, J.; Lee, M.; Ji, C. Automatic calibration model of a building energy simulation using optimization algorithm. Energy Procedia 2017, 105, 3698–3704. [Google Scholar] [CrossRef]
- De Boeck, L.; Verbeke, S.; Audenaert, A.; De Mesmaeker, L. Improving the energy performance of residential buildings: A literature review. Renew. Sustain. Energy Rev. 2015, 52, 960–975. [Google Scholar] [CrossRef]
- Burman, E.; Mumovic, D.; Kimpian, J. Towards measurement and verification of energy performance under the framework of the European directive for energy performance of buildings. Energy 2014, 77, 153–163. [Google Scholar] [CrossRef]
- Stundon, D.; Spillane, J.; Lim, J.P.B.; Tansey, P.; Tracey, M. Building Information Modelling Energy Performance Assessment on Domestic Dwellings: A Comparative Study. In Proceedings of the 31st Annual Association of Researchers in Construction Management (ARCOM) Conference, Lincoln, UK, 7–9 September 2015; Raiden, A.B., Aboagye-Nimo, E., Eds.; pp. 671–679. [Google Scholar]
- Zhai, Z.; Chen, Q.; Haves, P.; Klems, J.H. On approaches to couple energy simulation and computational fluid dynamics programs. Build. Environ. 2002, 37, 857–864. [Google Scholar] [CrossRef]
- Montazeri, H.; Blocken, B. Extension of generalized forced convective heat transfer coefficient expressions for isolated buildings taking into account oblique wind directions. Build. Environ. 2018, 140, 194–208. [Google Scholar] [CrossRef]
- Zhang, X.; Chen, M. Application of Big Data Technology in Unstructured Data Management for Railway Freight E-Commerce. In Proceedings of the 2014 International Conference of Logistics Engineering and Management, Shenyang, China, 24–26 May 2014; pp. 1155–1161. [Google Scholar]
- Kambatla, K.; Kollias, G.; Kumar, V.; Grama, A. Trends in big data analytics. J. Parallel Distrib. Comput. 2014, 74, 2561–2573. [Google Scholar] [CrossRef]
- Assunção, M.D.; Calheiros, R.N.; Bianchi, S.; Netto, M.A.S.; Buyya, R. Big Data computing and clouds: Trends and future directions. J. Parallel Distrib. Comput. 2015, 79–80, 3–15. [Google Scholar] [CrossRef]
- Zhou, K.; Fu, C.; Yang, S. Big data driven smart energy management: From big data to big insights. Renew. Sustain. Energy Rev. 2016, 56, 215–225. [Google Scholar] [CrossRef]
- Grolinger, K.; L’Heureux, A.; Capretz, M.A.M.; Seewald, L. Energy forecasting for event venues: Big data and prediction accuracy. Energy Build. 2016, 112, 222–233. [Google Scholar] [CrossRef]
- Liu, X.; Nielsen, P.S. A hybrid ICT-solution for smart meter data analytics. Energy 2016, 115, 1710–1722. [Google Scholar] [CrossRef]
- Chou, J.S.; Ngo, N.T.; Chong, W.K.; Gibson, G.E. Big Data Analytics and Cloud Computing for Sustainable Building Energy Efficiency; Elsevier Ltd.: Amsterdam, The Netherlands, 2016; ISBN 9780081005491. [Google Scholar]
- Mocanu, E.; Nguyen, P.H.; Gibescu, M.; Kling, W.L. Deep learning for estimating building energy consumption. Sustain. Energy Grids Netw. 2016, 6, 91–99. [Google Scholar] [CrossRef]
- Al-Ali, A.R.; Zualkernan, I.A.; Rashid, M.; Gupta, R.; Alikarar, M. A Smart Home Energy Management System Using IoT and Big Data Analytics Approach. IEEE Trans. Consum. Electron. 2017, 63, 426–434. [Google Scholar] [CrossRef]
- Rao, P.; Muller, M.R.; Gunn, G. Conducting a metering assessment to identify submetering needs at a manufacturing facility. CIRP J. Manuf. Sci. Technol. 2017, 18, 107–114. [Google Scholar] [CrossRef]
- Chou, J.S.; Ngo, N.T. Smart grid data analytics framework for increasing energy savings in residential buildings. Autom. Constr. 2016, 72, 247–257. [Google Scholar] [CrossRef]
- Lachhab, F.; Malek, Y.N.; Bakhouya, M.; Ouladsine, R.; Essaaidi, M. A Context-Driven Approach using IoT and Big Data Technologies for Controlling HVAC Systems. In Proceedings of the 2018 5th International Conference on Control, Decision and Information, CoDIT 2018, Thessaloniki, Greece, 10–13 April 2018; pp. 694–699. [Google Scholar]
- Linder, L.; Vionnet, D.; Bacher, J.P.; Hennebert, J. Big Building Data-a Big Data Platform for Smart Buildings. Energy Procedia 2017, 122, 589–594. [Google Scholar] [CrossRef]
- Fan, C.; Xiao, F.; Madsen, H.; Wang, D. Temporal knowledge discovery in big BAS data for building energy management. Energy Build. 2015, 109, 75–89. [Google Scholar] [CrossRef]
- Singh, S.; Yassine, A. Big data mining of energy time series for behavioral analytics and energy consumption forecasting. Energies 2018, 11, 452. [Google Scholar] [CrossRef]
- Chen, H.M.; Chang, K.C.; Lin, T.H. A cloud-based system framework for performing online viewing, storage, and analysis on big data of massive BIMs. Autom. Constr. 2016, 71, 34–48. [Google Scholar] [CrossRef]
- Stavropoulos, G.; Krinidis, S.; Ioannidis, D.; Moustakas, K.; Tzovaras, D. A building performance evaluation & visualization system. In IEEE Big Data 2014, Proceedings of the 2014 IEEE International Conference on Big Data, Washington, DC, USA, 27–30 October 2014; Institute of Electrical and Electronics Engineers Inc.: Piscataway, NJ, USA, 2015; pp. 1077–1085. [Google Scholar]
- Yuan, Y.; Jin, Z. Life Cycle Assessment of Building Energy in Big-Data Era: Theory and Framework. In Proceedings of the 2015 International Conference on Network and Information Systems for Computers (ICNISC 2015), Wuhan, China, 23–25 January 2015; pp. 601–605. [Google Scholar]
- Kang, T.W.; Choi, H.S. BIM-based Data Mining Method considering Data Integration and Function Extension. KSCE J. Civ. Eng. 2018, 22, 1523–1534. [Google Scholar] [CrossRef]
- Arslan, M.; Riaz, Z.; Munawar, S. Building Information Modeling (BIM) Enabled Facilities management using hadoop architecture. In Technology Management for the Interconnected World, Proceedings of the Portland International Conference on Management of Engineering and Technology (PICMET 2017), Portland, OR, USA, 25–29 August 2019; Institute of Electrical and Electronics Engineers Inc.: Piscataway, NJ, USA, 2017; pp. 1–6. [Google Scholar]
- Mawed, M.; Aal-Hajj, A. Using big data to improve the performance management: A case study from the UAE FM industry. Facilities 2017, 35, 746–765. [Google Scholar] [CrossRef]
- Karim, R.; Westerberg, J.; Galar, D.; Kumar, U. Maintenance Analytics—The New Know in Maintenance. IFAC PapersOnLine 2016, 49, 214–219. [Google Scholar] [CrossRef]
- Mathew, P.A.; Dunn, L.N.; Sohn, M.D.; Mercado, A.; Custudio, C.; Walter, T. Big-data for building energy performance: Lessons from assembling a very large national database of building energy use. Appl. Energy 2015, 140, 85–93. [Google Scholar] [CrossRef]
- Zhou, K.; Yang, S. Understanding household energy consumption behavior: The contribution of energy big data analytics. Renew. Sustain. Energy Rev. 2016, 56, 810–819. [Google Scholar] [CrossRef]
- Aldairi, J.; Khan, M.K.; Munive-Hernandez, J.E. Knowledge-based Lean Six Sigma maintenance system for sustainable buildings. Int. J. Lean Six Sigma 2017, 8, 109–130. [Google Scholar] [CrossRef]
- Mostafa, S.; Lee, S.H.; Dumrak, J.; Chileshe, N.; Soltan, H. Lean thinking for a maintenance process. Prod. Manuf. Res. 2015, 3, 236–272. [Google Scholar] [CrossRef]
- McArthur, J.J.; Bortoluzzi, B. Lean-Agile FM-BIM: A demonstrated approach. Facilities 2018, 36, 676–695. [Google Scholar] [CrossRef]
- Shou, W.; Wang, X.; Wang, J.; Hou, L.; Truijens, M. Integration of BIM and Lean Concepts to Improve Maintenance Efficiency: A Case Study. Comput. Civ. Build. Eng. 2014, 955–1865. [Google Scholar] [CrossRef]
- Guillen, D.; Gomez, D.; Hernandez, I.; Charris, D.; Gonzalez, J.; Leon, D.; Sanjuan, M. Integrated methodology for industrial facilities management and design based on FCA and lean manufacturing principles. Facilities 2020, 38, 523–538. [Google Scholar] [CrossRef]
- Carstensen, A.K.; Bernhard, J. Design science research–a powerful tool for improving methods in engineering education research. Eur. J. Eng. Educ. 2019, 44, 85–102. [Google Scholar] [CrossRef]
- Velichety, S. Common Citation Analysis and Technology Overlap Factor: An Empirical Investigation of Litigated Patents Using Network Analysis. In Proceedings of the International Conference on Design Science Research in Information Systems, Las Vegas, NV, USA, 14–15 May 2012. [Google Scholar]
- Hevner, A.R.; Gregor, S. Positioning and Preenting Design Science: Types of Knowledge in Design Science Research. MIS Q. 2016, 37, 337–355. [Google Scholar]
- Hevner, A.R.; March, S.T.; Park, J.; Ram, S. Design Science in Information Systems Research. MIS Q. 2004, 28, 75–105. [Google Scholar] [CrossRef]
- Willems, J.; Willaert, P.; Van Den Bergh, J.; Deschoolmeester, P.D. The Process-Oriented Organisation: A Holistic View Developing a Framework for Business Process Orientation Maturity. In Proceedings of the 5th International Conference on Business Process Management, Brisbane, Australia, 24–28 September 2007. [Google Scholar]
- Braun, R.; Burwitz, M.; Schlieter, H.; Benedict, M. Clinical processes from various angles-amplifying BPMN for integrated hospital management. In Proceedings of the 2015 IEEE International Conference on Bioinformatics and Biomedicine (BIBM 2015), Washington, DC, USA, 9–12 November 2015; pp. 837–845. [Google Scholar]
- Smart, B. Information Delivery Manual (IDM)—Buildingsmart Technical. Available online: https://technical.buildingsmart.org/standards/information-delivery-manual/ (accessed on 20 July 2020).
- Khalfallah, M.; Figay, N.; Ghodous, P.; Ferreira, C.; Silva, D. LNBIP 144—Cross-Organizational Business Processes Modeling Using Design-by-Contract Approach. In Proceedings of the International IFIP Working Conference on Enterprise Interoperability, Enschede, The Netherlands, 27–28 March 2012. [Google Scholar]
- Lazarte, I.M.; Ia, L.; Thom, H.; Iochpe, C.; Chiotti, O.; Villarreal, P.D. A distributed repository for managing business process models in cross-organizational collaborations. Comput. Ind. 2013, 64, 252–267. [Google Scholar] [CrossRef]
- Sacks, R.; Eastman, C.; Lee, G.; Teicholz, P. BIM Handbook: A Guide to Building Information Modeling for Owners, Designers, Engineers, Contractors, and Facility Managers; John Wiley & Sons: Hoboken, NJ, USA, 2018. [Google Scholar]
- Abdirad, H.; Dossick, C.S. Normative and descriptive models for COBie implementation: Discrepancies and limitations. Eng. Constr. Archit. Manag. 2019. [Google Scholar] [CrossRef]
- Pinheiro, S.; Wimmer, R.; O’Donnell, J.; Muhic, S.; Bazjanac, V.; Maile, T.; Frisch, J.; van Treeck, C. MVD based information exchange between BIM and building energy performance simulation. Autom. Constr. 2018, 90, 91–103. [Google Scholar] [CrossRef]
- Cemesova, A.; Hopfe, C.J.; Rezgui, Y. An approach to facilitating data exchange between bim environments and a low energy design tool. In Proceedings of the 13th Conference of International Building Performance Simulation Association, Chambery, France, 26–28 August 2013; pp. 25–30. [Google Scholar]
- Amasyali, K.; El-Gohary, N.M. A review of data-driven building energy consumption prediction studies. Renew. Sustain. Energy Rev. 2018, 81, 1192–1205. [Google Scholar] [CrossRef]
- Tian, W.; Han, X.; Zuo, W.; Sohn, M.D. Building energy simulation coupled with CFD for indoor environment: A critical review and recent applications. Energy Build. 2018, 165, 184–199. [Google Scholar] [CrossRef]
- Liu, T.; Tan, Z.; Xu, C.; Chen, H.; Li, Z. Energy & Buildings Study on deep reinforcement learning techniques for building energy consumption forecasting. Energy Build. 2020, 208, 109675. [Google Scholar]
- White, T. V4 Hadoop: The definitive Guide. 2015. Available online: https://doi.org/citeulike-article-id:4882841 (accessed on 20 June 2020).











| The Aim of the Studies | References |
|---|---|
| Development of VR-based BIM model for FM | [45] |
| Development of a BIM-based facility information management framework by using Unified Modeling Language (UML) | [46] |
| Development of 3D based space management visual information system for large scale airports | [47] |
| Development of schema and transformation rules to query BIM models in SQL database | [48] |
| Development of FM software architecture by the integration of BIM, GIS, and FM data | [49] |
| Development of API to convert 3D models into a queryable format | [50] |
| Development of the Building Handover Information Model (BHIM) framework by integrating BIM and Dynamo | [44] |
| The integration of Augmented Reality (AR) with BIM to improve navigation in the facility | [51] |
| The integration of AR and FM to retrieve location information | [3] |
| Development of a framework to schedule automatically work orders and to find optimal maintenance paths | [52] |
| Development of a theoretical framework by combining SCADA system, fault detection system, BIM and building performance analysis simulations for energy management | [53] |
| Development of a system that integrates BIM and BAS information automatically with the help of Dynamo/Python. | [54] |
| Integration of BIM and data mining methods to discover more energy-efficient building operations | [55] |
| Integration of BIM, building energy performance simulations (BEPS), data warehouse and sensors for energy management | [56] |
| Development of a semantic web-based FM system for maintenance management | [57] |
| Integration of BIM and GIS to overcome tunnel facility management issues such as “numerous staff and equipment, difficult to organize and manage paper document, and real-time monitoring.” | [58] |
| Development of FM technology (iAERTS) by the integration of BIM and Unity platform to analyze power consumption depending on space, monitoring energy consumption, and giving tips in terms of reducing energy consumption | [59] |
| Development of a BIM plug-in tool to detect potentially damaged components in a Heating, Cooling, Ventilating, and Air Conditioning (HVAC) system | [60] |
| Development of a tool for the optimization of the energy performance of buildings through wireless sensors, actuators and BIM | [61] |
| The Usage Area of BEPS | The Aim of the Studies | References |
|---|---|---|
| Energy Efficiency Strategies | Development of energy efficiency strategies such as window opening according to the difference between outside and inside temperature, lighting (depending on occupancy, ambient light, timing schedule), HVAC schedules, thermal insulation and shadings, maximizing economy while satisfying power demand, optimizing components sizing, maximizing self-consumption, balancing between natural ventilation and air conditioning, human-in-the-loop optimization, comfort-driven optimization and occupancy-based optimization. | [5,26,66] |
| Fault Detection | Finding the problem and perform diagnostics according to the comparison of actual and predicted (from BEPS) energy consumption | [61,67,68] |
| Optimization of Building System Operation | Integration of BEPS and FM tools for optimization of building systems | [64,69] |
| Prediction of Building Energy Consumption | Usage of BEPS in energy management by integrating BEPS, actual energy consumption and genetic algorithm | [70] |
| Area of the Study | The Aim of the Studies | References |
|---|---|---|
| Energy | Development of energy management system by integrating BDA, GIS data, weather data, smart meter, IoT devices to identify energy usage, potential savings, implement different scenarios, energy cost estimation and increase energy awareness | [79,80] |
| Usage of BDA in which smart meter data is processed to perform consumption analysis, the discovery of energy consumption patterns, customer segmentation and anomaly detection (by comparing historical data and neighborhood) | [81] | |
| Development of Big Data integrated cloud technology to optimize building energy consumption | [82] | |
| Investigation of the real-time flexibility of the electrical devices in the buildings | [83] | |
| Analysis of smart meter and sensor data to monitor building energy consumption, consumption pattern discovery, segmentation, forecasting, online anomaly detection, feedback service (such as alarms for emergency conditions), benchmarking energy consumption with neighborhoods, remote control and optimal schedules for electricity usage of home appliances and bill tracking | [81,84,85,86] | |
| Controlling of HVAC systems by using IoT data to enable energy efficiency in the buildings | [87] | |
| Integration of BMS/BAS and BDA to enable energy savings and to detect an abnormal condition | [88,89] | |
| Development of an intelligent data mining model to reveal energy consumption patterns | [90] | |
| BDA Integrated BIM | Development of cloud technology to query BIM and dynamic data which comes from sensors with the integration of BDA | [91] |
| Development of a framework for the integration of BIM and BDA to monitor energy consumption | [92,93] | |
| Integration of BIM and BDA to monitor energy consumption in BIM | [94] | |
| Integration of BIM and BDA to take a measure for the safety of occupants | [95] | |
| Integration of BIM and BDA to identify facility performance | [96] | |
| Maintenance Management | Usage of BDA in predictive maintenance analysis for railway facilities | [97] |
| Stages | Sub-Process | Definitions | [105] | [12] | [4] | [100] | [101] | [9] | [40] |
|---|---|---|---|---|---|---|---|---|---|
| Preparation | P1. Base management decisions on a long-term philosophy, even at the expense of short-term goals | Harmony between short-term goals and the long-term philosophy | x | x | x | ||||
| P2. Create a continuous process flow to bring problems to the surface | Creation of continuous process to understand why change is necessary
| x | x | x | x | x | x | x | |
| P3. Establishing objectives | Selection of objectives after identifying issues in the process | x | x | x | |||||
| P4. Use “pull” systems to avoid overproduction |
| x | x | x | x | x | |||
| P5. Improve the organizational structure | Improvement of organizational structure to eliminate
| x | |||||||
| P6. Develop exceptional people and teams who follow your company’s philosophy (including team training) | Hiring workers and co-workers who follow the lean principle | x | x | ||||||
| P7. Build a culture of stopping to fix problems, to get quality right the first time | Creating a culture based on benchmarking and comparing with hard data | x | |||||||
| P8. Grow leaders who thoroughly understand the work, live the philosophy and teach it to others | The focus in FM is not just on the leaders, but on all employees within the FM team | x | |||||||
| P9. Find a change agent | Finding a change agent | x | |||||||
| P10. Integration of stakeholders (suppliers and customers) to processes and respect stakeholders by challenging them and helping them improve | Considering the expectations and objectives of stakeholders to achieve success | x | x | x | |||||
| P11. Select an appropriate production control approach | Selecting an appropriate production control approach | x | |||||||
| Design | D1. Use visual management | The usage of visual management tools to visualize data and its analysis | x | x | |||||
| D2. Go and see for yourself to thoroughly understand the situation | Inspection of issues on site | x | x | x | |||||
| D2. Mapping the flow lines | Identification of cause-effect or input-output relationships of processes or equipment’ working etc. | x | x | x | |||||
| D3. Use only reliable, thoroughly tested technology that serves your people and process | Using hard data comes from FM systems | x | x | ||||||
| D3. Analyze the business looking for improvement opportunities | Identification of improvement opportunities | x | x | x | |||||
| D4. Plan the implementation of improvements | Creation alternative scenarios for the elimination of wastes
| x | x | x | x | x | |||
| D5. Make decisions slowly by consensus, thoroughly considering all options; implement decisions rapidly | Considering the idea of all participants to increase the applicability of the selected plan and increase their understanding out their tasks and responsibilities | x | x | x | x | ||||
| D6. Identify performance indicators | Creating success criteria that show the success of elimination of wastes or increase in productivity etc. | x | |||||||
| D7. Create a feedback mechanism | Creating a feedback mechanism to improve FM decisions | x | |||||||
| Implementation | I1. Start with a pilot project | Starting with a pilot project | x | ||||||
| I2. Evaluate the sustainability of the changes | Evaluating the sustainability of the changes | x | |||||||
| I3. Changes in materials, systems and philosophies | Observing changes in materials, systems and philosophies | x | |||||||
| I4. Raise awareness of the benefits of receiving changes | Raising awareness of the benefits of receiving changes | x | |||||||
| I5. Pursue perfection (Become a learning organization through relentless reflection and continuous improvement) | The purpose of continuous improvement is to add value to the organization | x | x | x | x | x | x |
| Interviewee | Profession | Experience | Expertise Area |
|---|---|---|---|
| I1 | Civil Engineer | 7 years | Lean Management and BIM |
| I2 | Civil Engineer | 4 years | BIM, Digital Twin, Facility Management |
| I3 | Electrical and Electronic Engineer | 13 years | Public-Private Partnership Healthcare Facility Management (5 Healthcare facilities, approximately total 7000 beds) |
| I4 | Civil Engineer | 8 years | Public-Private Partnership Healthcare Facility Management (5 Healthcare facilities, approximately total 7000 beds) |
| Question | Interviewee | Opinion |
|---|---|---|
| Standardization | I1 | One of the most significant contributions of the proposed framework was found helping standardization in FM processes since the proposed framework helps to identify and manage the required information. Additionally, the analysis of is information facilitates the planning and decision-making process for appropriate activities. |
| I2 | The interviewee stated that the proposed framework presents a controlling mechanism for FM. Therefore, the interviewee believed that the framework contributes to standardization in FM activities and processes. | |
| I3, I4 | The proposed model will contribute to standardization in FM processes. However, the interviewees stated that changes in the FM realize within years. Moreover, FM and building operation data will play an important role in this change. Therefore, the planning of the change needs to be considered in the model. Within this context, it is believed that the extensible structure of the NoSQL database will be helpful. | |
| Harmony between short-term goals and the long-term philosophy | I1 | In lean management, acquirements from short term decisions were defined as necessary by the interviewee since it helps to consolidate commitment to lean management in FM. With the help of the database, the results of the activities or plans will be saved. In other words, the appearance of the decisions and outcomes in FM will be more transparent to improve both actions and processes for the next applications. Furthermore, the interviewee stated that continuous improvement (pursue perfection) with the Plan-Do-Act-Check cycle would help to find out the impact of short-time decisions on long term decisions. Therefore, the harmonization of the short time decisions and long time decisions can be observed and provided with the proposed FM framework. |
| I2 | The interviewee stated that the model has a positive impact. | |
| I3, I4 | Interviewees approached the harmonization of the short-term decisions with long term decisions like consideration of the lifecycle of the project since they have FM issues due to the non-consideration of FM requirements in the design stages. Therefore, they suggested that the usage of the proposed framework needs to start at the beginning of the project to determine data collection points properly. | |
| Process bottlenecks | I1 | The interviewee expressed that the Plan-Do-Act-Check cycle will reveal process bottlenecks, and it will be helpful to remove them in FM since the learning from experience shows bottlenecks in the processes. |
| I2 | The second interviewee stated that the proposed FM framework would be beneficial to remove process bottlenecks since all information can be observed from a common data management system (the proposed FM system). | |
| I3, I4 | According to the third interview, the proposed framework is also helpful to eliminate process bottlenecks. However, the interviewees stated that bottlenecks which are originated from external factors such as purchasing or service procurements from suppliers, could be integrated on FM software. Therefore, the interaction between facility managers and other stakeholders can be conducted on FM software. This part is out of the scope of this study. However, after the development of the framework is performed, it will be applied. | |
| Continuous improvement | I1 | One of the main contributions of the framework was found as continuous learning due to the integration of past data into new FM processes and activities. |
| I2 | The interviewee stated that constant improvement could be provided with the proposed framework since the monitoring can be performed. Therefore, the interviewee believed that facility managers could make a better decision by the usage of monitoring results. | |
| I3, I4 | According to the third interview, the usage of predictions and results in FM will be possible with the increase in data and their analysis in Process 5. The interviewees stated that the usage of analysis and data would also help to discover more effective and efficient FM activities. | |
| The implementation of activity or process which is more than optimum | I1 | To implement optimum activity and process in healthcare facilities, the facility managers need data. When all wastes are removed in the processes and activities, the optimum implementation for activities and processes is achieved. According to the interviewee, the proposed system helps to eliminate unnecessary activities and waste with the help of cycles since the optimization of activities and processes can be more explicit in every cycle. |
| I2 | The interviewee stated that the usage of the BIM model, the collection of FM information types, and their analysis would help to save necessary data in the FM platform. The interviewee believed that the availability of data would pave the way for seeing wastes. | |
| I3, I4 | According to the third interview, the interviewees stated that the collection of the necessary data from the beginning of the design stage is very important. The interviewees believed that after this information is collected, the optimum activity and processes in FM can be implemented. The authors believed that the first process would be helpful to determine the necessary information types which are collected during the design and construction stages. | |
| Idle time for equipment | I1 | The interviewee stated that the equipment needs to be ready to give a service to patients in the healthcare facilities. Furthermore, when the patient is not available, the equipment should not be working at this time. If the idle time for equipment and patients (when necessary service from equipment waits) are available, they have identified wastes in view of lean principles. |
| I2 | The second interviewee stated that within the proposed model, identified information types (equipment/system operation schedule in technical information types and spatial occupancy information and schedule in management information types) could be used to eliminate idle time for equipment (wastes) in the process. Therefore, optimization of equipment idle time can be performed. | |
| I3, I4 | Interviewees stated that the most and least needed equipment could be followed, and co-aging in equipment can be realized with the usage of the existing of these information types. The interviewees believed that this would also be helpful in reducing energy consumption and maintenance costs. | |
| Excessive inventory for necessary materials, equipment, and tools | I1 | According to the interviewee, just-in-time, which is used lean philosophy, proposed not to store any equipment and materials in the lean management. Therefore, spare parts or other storages for materials are seen wastes in lean philosophy. The interviewee stated that procurement time needs to be shortened instead of storage. Within this context, the interviewee noted that fault detection and preventive maintenance, which are considered in Process 4, would be helpful to both impede waiting time for procurement and excessive storage. The interviewee added that procurement time needs to be entered in a maintenance plan (in Process-1), and the procurement time should be used to impede excessive storage because FM has a limited budget, and it can be saved to use them in a different area. |
| I2 | The interviewee stated that the match between the availability of spare parts and work orders, which are collected in the first process, can be performed with the usage of the proposed framework. Thus, the critical spare parts for healthcare facilities can be stored in the facilities to impede stop in the operations. Furthermore, the interviewee stated that the proposed framework allows us to perform preventive maintenance. The interviewee believed that this helps to impede excessive storage of spare parts and materials. | |
| I3, I4 | According to the third interview, identification of the most needed equipment and materials can be revealed in Process 5. The interviewees believed that the materials and equipment which have long procurement time could be determined and stored with the help of a developed framework. | |
| Waste of time and labor force due to information requirements for activities and processes | I1 | The interviewee stated that the proposed model definitely helps to solve issues related to finding necessary information or information issues in FM. Furthermore, the interviewee expressed that the model helps to improve planning for the next activities or processes by using previous existing information with BDA. Additionally, the interviewee stated that even if lots of data is stored in the database and we do not know how the existing data will be used, it is another waste for FM. The first interviewee believed that a given framework would be a guide to transforming data into information for necessary FM activities. |
| I2 | The interviewee confirmed that the proposed framework could provide all information specific to building within the tolerable time since BIM usage allows to store all information, which is found in the proposed framework. | |
| I3, I4 | The third and fourth interviewees stated that the developed framework would have a positive impact on both the material planning process and staff planning. Therefore, the interviewees believed that the proposed framework would be helpful to prevent loss of labor and time due to the finding of the necessary information. | |
| Rework activities due to pre-defined achievements goals andDouble handling | I1 | The interviewee believed that plan-do-act-control and saving their results in the database would help to eliminate rework activities. Furthermore, the interviewee stated that standardization efforts help to reduce rework activities, double handling activities, and unnecessary or unorganized staff mobility since if the standardized activity or process gives different results, it means it is not standardized. The interviewee gave a maintenance plan (in managerial information types) example in which every activity is defined. Therefore, double handling can be removed in the maintenance issues. |
| I2 | The interviewee stated that the proposed framework would help to perform more planned FM. Furthermore, the interviewee noted that the result of BIM usage is already to eliminate rework and double handling activities. | |
| I3, I4 | The third and fourth interviewees stated that data storage and their analysis would impede the repetition of work and give direction to more efficient activities and processes. Therefore, they believed that rework and double handling would be improved with the usage of the proposed framework. | |
| Idle time for personnel | I1 | The interviewee stated that Kanban tables in which there is feature work, performed work, and in-progress work, is typically used to follow staffs’ work hours in lean management philosophy. However, the competent personnel (in Process-1) and the development of the team, which is responsible for maintenance and repairs and optimization of maintenance overtime (in Process-4), can partially improve idle time for staff. Furthermore, the interviewees confirmed that work orders, which are found in the database, help to identify assignment history according to staff name. This will be helpful both to find out idle times for staff and to retrieve the expertise area of staff specific to maintenance. |
| I2 | The interviewee warned that the healthcare facilities generally have maintenance contracts to perform maintenance activities in the facilities, and the idle time may not be managed by facility managers in the healthcare facilities. Therefore, identification of idle time for healthcare facilities cannot be controlled by the facility managers. Furthermore, maintenance contracts could lead to data loss. | |
| I3, I4 | Third and fourth interviewees, who perform maintenance management in healthcare facilities, stated that the cost of staff and spare parts and consumables are the costliest items in FM. The interviewees believed that the usage of analysis in FM software would significantly reduce staff requirements in the planned maintenance. Furthermore, the interviewees added that it has an impact on the optimization of idle times for staff by increasing their productivity. | |
| Improvement of organizational structure to eliminate wastes in management and non-value added activity and processes in management | I1 | The interviewee stated that the identification of wastes and non-value-added activity is not an easy task. Therefore, the interviewee suggested that site investigation needs to be inserted into the proposed framework since site investigation helps to identify the actual situation in the facility. Therefore, it was added within the Plan-Do-Act-Check cycle, and the framework was revised. |
| I2 | The interviewee stated that the proposed framework presents monitoring opportunities for FM, and it is already a decision support system. Therefore, the interviewee confirmed that the framework would be helpful in eliminating wastes in the management process. | |
| I3, I4 | The third and fourth interviewees stated that business management, reporting, monitoring activities on site, etc., which are some of the management activities, will be reduced with the application of FM software. Therefore, the interviewees believed that the framework would enable time savings, plain and more easily manageable processes. | |
| Inspection of issues on site (Go and See) | I1 | The interviewee stated that the site investigation is vital for a go and see principles which are found in lean principles. |
| I2 | The second interviewee proposed integration of AR or VR technologies into the proposed FM framework since Augmented Reality (AR) or Virtual Reality (VR) can help to understand and discuss the issues, which are observed from work orders, and develop solutions on the site. Therefore, the proposed FM framework was revised, and AR or VR was integrated into the model. | |
| I3, I4 | In the third interview, the interviewees stated that site visits are the most time-consuming activity in the FM. Therefore, the interviewees emphasized that the optimum team size, routes, and site visit scope need to be identified. The interviewees stated that the proposed model has a partially positive impact on the implementation of “go and see principle” in FM since the planning of site visit routes with BIM and identification of site visit scope with FM framework can be possible. | |
| Identification of improvement opportunities | I1 | The interviewee stated that the inclusion of site investigations could help to improve the understandability of the opportunity of the business process. |
| I2 | The interviewee stated that the proposed FM framework could detect such as excessive energy consumption in the healthcare facilities. According to the experience of the interviewee, over-design can be realized in the design stage. Depending on the over-design, excessive energy consumption can be observed. The interviewee stated that the proposed FM framework is helpful in identifying opportunities such as energy consumption etc. | |
| I3, I4 | The third interview showed that the regular evaluation of FM decisions with patients or end-users in the facility would increase the identification of new opportunities for facilities. Therefore, the authors believed that the existence of measurement and prediction of user satisfaction (in Process 4) would be helpful to improve FM. | |
| The usage of visual management tools to visualize data and its analysis | I1 | The interviewee stated that the visualization needs to comply with A3 Problem Solving. All results from the system need to be showed on A3 page size and only required data showed to facility managers or staff. Otherwise, for example, the information on more than A3 page size will lead to loss of information. |
| I2 | The second interviewee stated that the proposed framework is convenient for data analysis and its visualization with the help of FM software. | |
| I3, I4 | Third and fourth interviewees stated that the visualization of analysis helps to increase the contribution of non-technical personnel in the FM process. Therefore, the interviewees believed that the developed framework with the data analysis and their representation on the FM software would be helpful. | |
| Identification of cause-effect or input-output relationships of processes or equipment’ working etc. | I1 | The interviewee gave an energy consumption example, which is found in the framework. According to the opinion of the first interviewee, the framework is helpful in detecting input-output and cause-effect relationships since the users can observe different results according to the number of people in the room. The contribution of the proposed framework in terms of identification of cause-effect and input-output relationship among processes, equipment, and systems were also found positive by the second interviewee. |
| I2 | The interviewee stated that cause and effect could be observed with the integration of AR or VR technologies into the proposed framework. Therefore, the usage of these technologies will show the impact of one system on the other system. | |
| I3, I4 | The interviewees did not make any comments. | |
| Reductions in variability, and cycle times | I1 | The interviewee attributed reductions in variation and cycle time to standardization. The interviewee stated that the proposed framework would also help the optimization of variety and cycle time due to Process 1 and Process 4. |
| I2 | The interviewee stated that down-time of system or equipment could be eliminated with preventive or predictive maintenance, which helps to reduce the required time for cycle times of maintenance. | |
| I3, I4 | The third and fourth interviewees stated that the execution of analysis in Process 5 helps to reduce both variation and cycle time since data analysis will lead to an increase in productivity. | |
| Creating success criteria that show the success of elimination of wastes or increase in productivity etc. | I1 | Besides, identification and measurement of Key Performance Indicators (KPIs) for FM (as a lean principle) was reported significant by the first interviewee since the facility manager needs to observe their success in FM. Thus, learning from past failures can be measured. |
| I2 | The second interviewee stated that every process, which is given in the proposed FM framework, can be thought of as a KPI, and the proposed framework helps to measure them. | |
| I3, I4 | The third and fourth interviewees stated that the framework would be helpful to the identification and measurement of KPI for FM. According to the interviewees’ example, work orders can be analyzed in terms of both workforce and time with the usage of the proposed framework. The interviewees believed that these KPIs would be helpful in comparing actual performed values with Service Legal Agreement (SLA) values. Therefore, the interviewees stated that the framework would provide feedback for the implementation of SLA. | |
| Using hard data comes from FM systems | I1, I2, I3, I4 | Moreover, using hard data coming from FM software was found another essential feature of the proposed framework by the interviewees since the proposed framework has a database. Furthermore, the interviewees stated that if data is not recorded, the opportunity for more lean activities cannot be delivered. |
| Raising awareness of the benefits of receiving changes | I1, I2, I3, I4 | The proposed framework was found as deficient in terms of an increase in FM awareness due to the non-availability of lean training. However, the second interviewee stated that the framework helps to increase awareness of facility managers. |
© 2020 by the authors. Licensee MDPI, Basel, Switzerland. This article is an open access article distributed under the terms and conditions of the Creative Commons Attribution (CC BY) license (http://creativecommons.org/licenses/by/4.0/).
Share and Cite
Demirdöğen, G.; Işık, Z.; Arayici, Y. Lean Management Framework for Healthcare Facilities Integrating BIM, BEPS and Big Data Analytics. Sustainability 2020, 12, 7061. https://doi.org/10.3390/su12177061
Demirdöğen G, Işık Z, Arayici Y. Lean Management Framework for Healthcare Facilities Integrating BIM, BEPS and Big Data Analytics. Sustainability. 2020; 12(17):7061. https://doi.org/10.3390/su12177061
Chicago/Turabian StyleDemirdöğen, Gökhan, Zeynep Işık, and Yusuf Arayici. 2020. "Lean Management Framework for Healthcare Facilities Integrating BIM, BEPS and Big Data Analytics" Sustainability 12, no. 17: 7061. https://doi.org/10.3390/su12177061
APA StyleDemirdöğen, G., Işık, Z., & Arayici, Y. (2020). Lean Management Framework for Healthcare Facilities Integrating BIM, BEPS and Big Data Analytics. Sustainability, 12(17), 7061. https://doi.org/10.3390/su12177061

