A Novel LQI Control Technique for Interleaved-Boost Converters
Abstract
1. Introduction
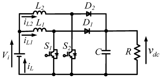
2. Interleaved Boost Converter
2.1. Circuit Configuration
2.2. Switching Modes
3. Control Methods
3.1. Derivation of State Averaging Equations
3.2. Derivation of Small-Signal Model
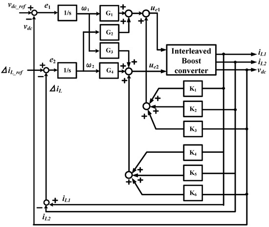
3.3. Derivation of Small-Signal-Model for Servo System
3.4. PI Controller
4. Verification
4.1. Steady-State Characteristics
4.2. Tracking Performance and Load Response
5. Conclusions
- The small-signal model for the servo system of the interleaved-boost converter was derived. The LQI control was proposed using the small-signal model.
- In the proposed method, an output voltage and a current signal error between two-phase input currents are selected as output variables to control the output voltage and balance between two-phase input currents. The proposed method has a simple system and can control both output variables without additional controllers.
- Steady-state characteristics in terms of the output voltage and the input current were demonstrated by experiments and simulations using an experimental apparatus with a rated power of 700 W.
- The validity of tracking performance and load response of the proposed method was demonstrated by comparing it with that of the conventional PI control. The tracking performance of the LQI control for the 40 V step response has a ten times faster response than that of the PI control. Also, the experimental results demonstrated that the proposed method can keep the output voltage constant for a load step of 300 W while that of the PI control varies by 10 V during 70 ms and has an excellent disturbance rejection.
- Therefore, the proposed LQI control improves the tracking performance and the load response and miniaturizes the motor-drive systems in HEVs and FCEVs.
Author Contributions
Funding
Data Availability Statement
Conflicts of Interest
References
- Mizutani, M.; Tachibana, T.; Morimoto, M.; Akatsu, K.; Hoshi, N. Electric Drive Technologies Contributing to Low-Fuel-Consumption Vehicles. IEEJ Trans. Ind. Appl. 2015, 135, 884–891. (In Japanese) [Google Scholar] [CrossRef]
- Yamamoto, K.; Shinohara, K. Characteristics of Permanent-Magnet Synchronous Motor Driven by PWM Inverter with Voltage Booster. IEEE Trans. Ind. Appl. 2004, 40, 1145–1152. [Google Scholar] [CrossRef]
- Singh, K.A.; Prajapati, A.; Chaudhary, K. High-Gain Compact Interleaved Boost Converter with Reduced Voltage Stress for PV Application. IEEE J. Emerg. Sel. Top. Power Electron. 2022, 10, 4763–4770. [Google Scholar] [CrossRef]
- Villarruel-Parra, A.; Forsyth, A.J. Modeling Phase Interactions in the Dual-Interleaved Buck Converter Using Sampler Decomposition. IEEE Trans. Ind. Electron. 2019, 66, 3316–3322. [Google Scholar] [CrossRef]
- Rana, N.; Banerjee, S.; Giri, S.K.; Trivedi, A.; Williamson, S.S. Modeling, Analysis and Implementation of an Improved Interleaved Buck-Boost Converter. IEEE Trans. Circuits Syst. II: Express Briefs 2021, 68, 2588–2592. [Google Scholar] [CrossRef]
- Azer, P.; Emadi, A. Generalized State Space Average Model for Multi-Phase Interleaved Buck, Boost and Buck-Boost DC-DC Converters: Transient, Steady-State and Switching Dynamics. IEEE Access 2020, 8, 77735–77745. [Google Scholar] [CrossRef]
- Henn, G.A.L.; Silva, R.N.A.L.; Praça, P.P.; Barreto, L.H.S.C.; Oliveira, D.S., Jr. Interleaved-Boost Converter with High Gain. IEEE Trans. Power Electron. 2010, 25, 2753–2761. [Google Scholar] [CrossRef]
- Dai, Z.; Liu, J.; Li, K.; Mai, Z.; Xue, G. Research on a Modeling and Control Strategy for Interleaved Boost Converters with Coupled Inductors. Energies 2023, 16, 3810. [Google Scholar] [CrossRef]
- Liu, Z.; Du, J.; Yu, B. Design Method of Double-Boost DC/DC Converter with High Voltage Gain for Electric Vehicles. World Electr. Veh. J. 2020, 11, 64. [Google Scholar] [CrossRef]
- Hegazy, O.; Mierlo, J.V.; Lataire, P. Analysis, Modeling, and Implementation of a Multidevice Interleaved DC/DC Converter for Fuel Cell Hybrid Electric Vehicles. IEEE Trans. Power Electron. 2012, 27, 4445–4458. [Google Scholar] [CrossRef]
- Olalla, C.; Leyva, R.; Aroudi, A.E.; Queinnec, I. Robust LQR Control for PWM Converters: An LMI Approach. IEEE Trans. Ind. Electron. 2009, 56, 2548–2558. [Google Scholar] [CrossRef]
- Agrawal, N.; Samanta, S.; Ghosh, S. Modified LQR Technique for Fuel-Cell-Integrated Boost Converter. IEEE Trans. Ind. Electron. 2021, 68, 5887–5896. [Google Scholar] [CrossRef]
- Huangfu, Y.; Zhuo, S.; Chen, F.; Pang, S.; Zhao, D.; Gao, F. Robust Voltage Control of Floating Interleaved Boost Converter for Fuel Cell Systems. IEEE Trans. Ind. Appl. 2018, 54, 665–674. [Google Scholar] [CrossRef]
- Marchesoni, M.; Vacca, C. New DC-DC Converter for Energy Storage System Interfacing in Fuel Cell Hybrid Electric Vehicles. IEEE Trans. Power Electron. 2007, 22, 301–308. [Google Scholar] [CrossRef]
- Yamamoto, K.; Imakiire, A.; Iimori, K. PWM Inverter with Voltage Boosters with Regenerating Capability Augmented by Electric Double-Layer Capacitor. IEEJ Trans. Ind. Appl. 2011, 131, 671–678. (In Japanese) [Google Scholar] [CrossRef]
- Neacsu, D.O.; Sirbu, A. Design of a LQR-Based Boost Converter Controller for Energy Savings. IEEE Trans. Ind. Electron. 2020, 67, 5379–5388. [Google Scholar] [CrossRef]
- Takei, D.; Fujimoto, H.; Hori, Y. Load Current Feedforward Control of Boost Converter for Downsizing the Output Filter Capacitor. IEEJ Trans. Ind. Appl. 2015, 135, 457–466. (In Japanese) [Google Scholar] [CrossRef]
- Rivera, G.H.V.; Amaya, I.; Duarte, J.M.C.; Bayliss, J.C.O.; Cervantes, J.G.A. Hybrid Controller Based on LQR Applied to Interleaved Boost Converter and Microgrids under Power Quality Events. Energies 2021, 14, 6909. [Google Scholar] [CrossRef]
- Sakasegawa, E.; Chishiki, R.; Sedutsu, R.; Soeda, T.; Haga, H.; Kennel, R.M. Comparison of Interleaved Boost Converter and Two-Phase Boost Converter Characteristics for Three Level Inverters. World Electr. Veh. J. 2023, 14, 7. [Google Scholar] [CrossRef]
- Gao, L. Alternative Way to Develop Small-Signal Models of Power Converters. IEEE Trans. Power Electron. Mag. 2024, 11, 62–69. [Google Scholar]













| Input voltage Vi | 100 V |
| Carrier frequency fc1 and fc2 | 20 kHz |
| IGBT | FGH40T120SMD |
| rated voltage | 1200 V |
| rated current | 40 A |
| Diode | FEP16DT |
| rated voltage | 600 V |
| rated current | 16 A |
| Load (Resistance) R | 100 Ω |
| DC reactor | - |
| inductance L1 and L2 | 1.8 mH |
| rated current | 9 A |
| core | silicon steel plate |
| resistance r1 and r2 | 68.6 mΩ |
| Capacitance C | 750 µF |
| Converter | - |
| Power rating | 700 W |
| Output voltage Vdc | 250 V |
| Duty cycle | 0.6 |
| Input current | 7 A |
| Output current | 2.8 A |
| Feedback Gain | |||
|---|---|---|---|
| K1 | 2.2138 | K6 | 1.9795 |
| K2 | 1.1652 | G1 | −497.60 |
| K3 | 2.0918 | G2 | −97.733 |
| K4 | 1.1604 | G3 | −478.74 |
| K5 | 2.1158 | G4 | 106.94 |
| Parameter | Value |
|---|---|
| Kpv | 0.15 |
| Tiv | 0.02 |
| Kpi | 4.0 |
| Tii | 0.002 |
Disclaimer/Publisher’s Note: The statements, opinions and data contained in all publications are solely those of the individual author(s) and contributor(s) and not of MDPI and/or the editor(s). MDPI and/or the editor(s) disclaim responsibility for any injury to people or property resulting from any ideas, methods, instructions or products referred to in the content. |
© 2024 by the authors. Licensee MDPI, Basel, Switzerland. This article is an open access article distributed under the terms and conditions of the Creative Commons Attribution (CC BY) license (https://creativecommons.org/licenses/by/4.0/).
Share and Cite
Sakasegawa, E.; Watanabe, S.; Shiraishi, T.; Haga, H.; Kennel, R.M. A Novel LQI Control Technique for Interleaved-Boost Converters. World Electr. Veh. J. 2024, 15, 343. https://doi.org/10.3390/wevj15080343
Sakasegawa E, Watanabe S, Shiraishi T, Haga H, Kennel RM. A Novel LQI Control Technique for Interleaved-Boost Converters. World Electric Vehicle Journal. 2024; 15(8):343. https://doi.org/10.3390/wevj15080343
Chicago/Turabian StyleSakasegawa, Eiichi, So Watanabe, Takayuki Shiraishi, Hitoshi Haga, and Ralph M. Kennel. 2024. "A Novel LQI Control Technique for Interleaved-Boost Converters" World Electric Vehicle Journal 15, no. 8: 343. https://doi.org/10.3390/wevj15080343
APA StyleSakasegawa, E., Watanabe, S., Shiraishi, T., Haga, H., & Kennel, R. M. (2024). A Novel LQI Control Technique for Interleaved-Boost Converters. World Electric Vehicle Journal, 15(8), 343. https://doi.org/10.3390/wevj15080343

