Carbon Footprint Enhancement of an Agricultural Telehandler through the Application of a Fuel Cell Powertrain
Abstract
1. Introduction
2. Case Study
2.1. Traditional Vehicle
2.2. Fuel Cell Hybrid Electric Vehicle
3. Numerical Modelling
3.1. Traditional Vehicle Numerical Modelling
- Vehicle dynamics;
- Transmission;
- Hydro-mechanical system;
- Lifting arm and extension boom;
- Engine power output and fuel consumption.
- a, b, and h represent the relative position of the center of gravity of the vehicle with respect to the front and rear axles.
- m is the tractor mass; g is the acceleration of gravity.
- is the road slope angle.
- is the vehicle longitudinal speed.
- is the aerodynamic drag force as , with being the air density, being the drag coefficient and A being the frontal cross-sectional area of the vehicle.
- and are the contact forces between the wheels and the ground on the longitudinal direction (front and rear axel); these forces are determined by the tire–soil interaction.
- and are the contact forces between the wheels and the ground on the longitudinal direction (front and rear axel).

- X is the normalized engine speed: .
- Y is the normalized brake torque: .
- Z is the normalized BSFC: .
- are the polynomial coefficients.
3.2. Fuel Cell Vehicle Numerical Modelling
- The fuel cell system.
- The battery pack.
- The power converters.
- The electric motor.
- T is the stack temperature.
- F is the Faraday constant, equal to 96,485.33 C/mol.
- is the ideal gas constant.
- , and represent, respectively, the hydrogen, oxygen and water partial pressures.
- is the charge transfer coefficient.
- is the current density.
- is the exchange current density.
- is the ohmic resistance.
- is the maximum current density.
4. Numerical Simulations
4.1. Powertrain Control Strategy
4.2. Simulated Work Scenarios
- Acceleration from 0 to 40 km/h with no load.
- Acceleration from 0 to 40 km/h, handling a trailer with a total weight of 4200 kg.
- Maximum speed at 20% of slope.
- Maximum approachable slope, handling a load of 4200 kg.
- Maximum approachable slope at 15 km/h.
- Approaching: the vehicle approaches to the load that must be moved.
- Loading: the vehicle picks up the load using the telescopic arm; in this phase, the telescopic arm lift angle starts to increase, lifting the load and reaching a maximum angle of approximately 50 degrees, and then decreases to 25 degrees, which is the angle at which the vehicle handles the load during the transfer phase.
- Release: the vehicle moves back from the point where the load was located; the telescopic arm maintains a constant lift angle of 25 degrees.
- Transfer with load: the vehicle handles the load up to 15 km/h and reaches the point where the load must be placed; the lifting angle remains constant at 25 degrees during the whole phase.
- Unloading: the vehicle deposits the load by means of the telescopic arm and the extension boom; in this phase, the lift angle increases to 50 degrees, then the extension of the telescopic boom starts to increase, reaching 1000 mmm, and then the load is placed; after that, the extension boom returns to 0 mm and the lift angle decreases to 0 degrees.
- Transfer without load: the vehicle moves back without the load.
5. Results and Discussion
5.1. Simulations Results
5.1.1. Performance Tests
5.1.2. Real Work Scenario
5.2. Fuel Cell System Degradation Analysis
5.3. Environmental Analysis
5.4. Discussion
6. Conclusions
- The fuel cell powertrain was able to show almost the same performances of the traditional one without excessive stress on its components; indeed, a degradation analysis was conducted to address the fuel cell durability issue.
- The most stressful tests for the fuel cell powertrain were the acceleration tests, since the max change rate in the fuel cell output was equal to 15% of the rated stack power per second, and the max discharge C-rate of the battery pack was equal to 6.3.
- During the real work scenario test, the fuel cell powertrain showed a reduction in terms of the equivalent emissions of 69% with respect to the traditional powertrain; this result was obtained considering the use of grey hydrogen for the fuel cell system and can be improved using hydrogen from a cleaner production mix.
Author Contributions
Funding
Institutional Review Board Statement
Informed Consent Statement
Data Availability Statement
Conflicts of Interest
References
- Anenberg, S.C.; Achakulwisut, P.; Brauer, M.; Moran, D.; Apte, J.S.; Henze, D.K. Particulate matter-attributable mortality and relationships with carbon dioxide in 250 urban areas worldwide. Sci. Rep. 2019, 9, 11552. [Google Scholar] [CrossRef]
- McDuffle, E.E.; Martin, R.V.; Spadaro, J.V.; Burnett, R.; Smith, S.J.; O’Rourke, P.; Hammer, M.S.; van Donkelaar, A.; Bindle, L.; Shah, V.; et al. Source sector and fuel contributions to ambient PM2.5 and attributable mortality across multiple spatial scales. Nat. Commun. 2021, 12, 3594. [Google Scholar] [CrossRef]
- Zhu, L.; Ge, X.; Chen, Y.; Zeng, X.; Pan, W.; Zhang, X.; Ben, S.; Yua, Q.; Xin, J.; Shao, W.; et al. Short-term effects of ambient air pollution and childhood lower respiratory diseases. Sci. Rep. 2017, 7, 4414. [Google Scholar] [CrossRef] [PubMed]
- Eom, J.; Hyun, M.; Lee, J.; Lee, H. Increase in household energy consumption due to ambient air pollution. Nat. Energy 2020, 5, 976–984. [Google Scholar] [CrossRef]
- Dai, C.; Qin, X.S.; Zhang, X.L.; Liu, B.J. Study of climate change impact on hydro-climatic extremes in the Hanjiang River basin, China, using CORDEX-EAS data. Weather Clim. Extremes 2022, 38, 100509. [Google Scholar] [CrossRef]
- Taghizadeh-Hesary, F.; Taghizadeh-Hesary, F. The Impacts of Air Pollution on Health and Economy in Southeast Asia. Energies 2020, 13, 1812. [Google Scholar] [CrossRef]
- McCarthy, P.; Rasul, M.G.; Moazzem, S. Analysis and comparison of performance and emissions of an internal combustion engine fuelled with petroleum diesel and different bio-diesels. Fuel 2011, 90, 2147–2157. [Google Scholar] [CrossRef]
- Buberger, J.; Kersten, A.; Kuder, M.; Eckerle, R.; Weyh, T.; Thiringer, T. Total CO2-equivalent life-cycle emissions from commercially available passenger cars. Renew. Sustain. Energy Rev. 2022, 159, 112158. [Google Scholar] [CrossRef]
- Onat, N.C.; Kucukvar, M.; Tatari, O. Towards Life Cycle Sustainability Assessment of Alternative Passenger Vehicles. Sustainability 2014, 6, 9305–9342. [Google Scholar] [CrossRef]
- European Parliament. Available online: https://www.europarl.europa.eu/news/en/headlines/economy/20221019STO44572/eu-ban-on-sale-of-new-petrol-and-diesel-cars-from-2035-explained (accessed on 3 January 2024).
- Rietmann, N.; Hugler, B.; Lieven, T. Forecasting the trajectory of electric vehicle sales and the consequences for worldwide CO2 emissions. J. Clean. Prod. 2020, 261, 121038. [Google Scholar] [CrossRef]
- Martelli, S.; Mocera, F.; Somà, A. Carbon Footprint of an Orchard Tractor through a Life-Cycle Assessment Approach. Agriculture 2023, 13, 1210. [Google Scholar] [CrossRef]
- Martelli, S.; Mocera, F.; Somà, A. New Challenges Towards Electrification Sustainability: Environmental Impact Assessment Comparison between ICE and Hybrid-Electric Orchard Tractor. In Proceedings of the 2023 JSAE/SAE Powertrains, Energy and Lubricants International Meeting, Kyoto, Japan, 29 August–1 September 2023. [Google Scholar] [CrossRef]
- Cunanan, C.; Tran, M.-K.; Lee, Y.; Kwok, S.; Leung, V.; Fowler, M. A Review of Heavy-Duty Vehicle Powertrain Technologies: Diesel Engine Vehicles, Battery Electric Vehicles, and Hydrogen Fuel Cell Electric Vehicles. Clean Technol. 2021, 3, 474–489. [Google Scholar] [CrossRef]
- Mocera, F.; Martini, V. Numerical Performance Investigation of a Hybrid eCVT Specialized Agricultural Tractor. Appl. Sci. 2022, 12, 2438. [Google Scholar] [CrossRef]
- Mocera, F.; Martini, V.; Somà, A. Comparative Analysis of Hybrid Electric Architectures for Specialized Agricultural Tractors. Energies 2022, 15, 1944. [Google Scholar] [CrossRef]
- Mocera, F.; Martelli, S.; Costamagna, M. Dynamic behaviour of a battery pack for agricultural applications. Conf. Ser. Mater. Sci. Eng. 2022, 1214, 012032. [Google Scholar] [CrossRef]
- Mocera, F.; Somà, A. Analysis of a Parallel Hybrid Electric Tractor for Agricultural Applications. Energies 2020, 13, 3055. [Google Scholar] [CrossRef]
- Dalboni, M.; Santarelli, P.; Patroncini, P.; Soldati, A.; Concari, C.; Lusignani, D. Electrification of a Compact Agricultural Tractor: A Successful Case Study. In Proceedings of the 2019 IEEE Transportation Electrification Conference and Expo (ITEC), Novi, MI, USA, 19–21 June 2019; IEEE: Piscataway, NJ, USA, 2019; pp. 1–6. [Google Scholar] [CrossRef]
- Available online: https://www.farm-equipment.com/articles/19849-antonio-carraro-srx-hybrid-tractor (accessed on 15 February 2024).
- Available online: https://www.landini.it/as/landini-rex4-full-hybrid-technical-innovation-at-eima-2022/ (accessed on 15 February 2024).
- Martini, V.; Mocera, F.; Somà, A. Numerical Investigation of a Fuel Cell-Powered Agricultural Tractor. Energies 2022, 15, 8818. [Google Scholar] [CrossRef]
- Di Ilio, G.; Di Giorgio, P.; Tribioli, L.; Bella, G.; Jannelli, E. Preliminary design of a fuel cell/battery hybrid powertrain for a heavy-duty yard truck for port logistics. Energy Convers. Manag. 2021, 243, 114423. [Google Scholar] [CrossRef]
- Liukkonen, M.; Lajunen, A.; Suomela, J. Feasibility study of fuel cell-hybrid powertrains in non-road mobile machineries. Autom. Constr. 2013, 35, 296–305. [Google Scholar] [CrossRef]
- Mocera, F.; Somà, A.; Martelli, S.; Martini, V. Trends and Future Perspective of Electrification in Agricultural Tractor-Implement Applications. Energies 2023, 16, 6601. [Google Scholar] [CrossRef]
- Martini, V.; Mocera, F.; Somà, A. Design and Experimental Validation of a Scaled Test Bench for the Emulation of a Hybrid Fuel Cell Powertrain for Agricultural Tractors. Appl. Sci. 2023, 13, 8582. [Google Scholar] [CrossRef]
- Ahluwalia, R.K.; Wang, X.; Star, A.G.; Papadias, D.D. Performance and cost of fuel cells for off-road heavy-duty vehicles. Int. J. Hydrogen Energy 2022, 47, 10990–11006. [Google Scholar] [CrossRef]
- De Lorenzo, G.; Ruffo, R.M.; Fragiacomo, P. Preliminary Design of the Fuel Cells Based Energy Systems for a Cruise Ship. World Electr. Veh. J. 2023, 14, 263. [Google Scholar] [CrossRef]
- Waseem, M.; Amir, M.; Lakshmi, G.S.; Harivardhagini, S.; Ahmad, M. Fuel cell-based hybrid electric vehicles: An integrated review of current status, key challenges, recommended policies, and future prospects. Green Energy Intell. Transp. 2023, 2, 100121. [Google Scholar] [CrossRef]
- Louvros, P.; Trivyza, N.L.; Komianos, A.; Boulougouris, E. Fuel cell, ammomnia powered container ship: A case study. Transp. Res. Procedia 2023, 72, 2245–2252. [Google Scholar] [CrossRef]
- Laimon, M.; Yusaf, T. Towards energy freedom: Exploring sustainable solutions for energy independence and self-sufficiency using integrated renewable energy-driven hydrogen system. Renew. Energ. 2024, 222, 119948. [Google Scholar] [CrossRef]
- Tellez-Cruz, M.M.; Escorihuela, J.; Solorza-Feria, O.; Compañ, V. Proton Exchange Membrane Fuel Cells (PEMFCs): Advances and Challenges. Polymers 2021, 13, 3064. [Google Scholar] [CrossRef]
- Lohse-Busch, H.; Stutenberg, K.; Duoba, M.; Liu, X.; Elgowainy, A.; Wang, M.; Wallner, T.; Richard, B.; Christenson, M. Automotive fuel cell stack and system efficiency and fuel consumption based on vehicle testing on a chassis dynamometer at min 18 °C to positive 35 °C temperatures. Int. J. Hydrogen Energy 2020, 45, 861–872. [Google Scholar] [CrossRef]
- Ji, M.; Wang, J. Review and comparison of various hydrogen production methods based on costs and life cycle impact assessment indicators. Int. J. Hydrogen Energy 2021, 46, 38612–38635. [Google Scholar] [CrossRef]
- Das, A.; Peu, S.D. A Comprehensive Review on Recent Advancements in Thermochemical Processes for Clean Hydrogen Production to Decarbonize the Energy Sector. Sustainability 2022, 14, 11206. [Google Scholar] [CrossRef]
- Xu, X.; Zhou, Q.; Yu, D. The future of hydrogen energy: Bio-hydrogen production technology. Int. J. Hydrogen Energy 2022, 47, 33677–33698. [Google Scholar] [CrossRef]
- IEA. Global Hydrogen Review. 2022. Paris. Available online: https://www.iea.org/reports/global-hydrogen-review-2022 (accessed on 4 January 2024).
- Olabi, A.G.; Abdelkareem, M.A.; Wilberforce, T.; Alami, A.H.; Alkhalidi, A.; Hassan, M.M.; Sayed, E.T. Strength, weakness, opportunities, and threats (SWOT) analysis of fuel cells in electric vehicles. Int. J. Hydrogen Energy 2023, 48, 23185–23211. [Google Scholar] [CrossRef]
- Cano, Z.P.; Banham, D.; Ye, S.; Hintennach, A.; Lu, J.; Fowler, M.; Chen, Z. Batteries and fuel cells for emerging electric vehicle markets. Nat. Energy 2018, 3, 279–289. [Google Scholar] [CrossRef]
- Das, H.S.; Tan, C.W.; Yatim, A.H.M. Fuel cell hybrid electric vehicles: A review on power conditioning units and topologies. Renew. Sustain. Energy Rev. 2017, 76, 268–291. [Google Scholar] [CrossRef]
- Pei, P.; Chang, Q.; Tang, T. A quick evaluating method for automotive fuel cell lifetime. Int. J. Hydrogen Energy 2008, 33, 3829–3836. [Google Scholar] [CrossRef]
- Zhao, X.; Wang, L.; Zhou, Y.; Pan, B.; Wang, R.; Wang, L.; Yan, X. Energy management strategies for fuel cell hybrid electric vehicles: Classification, comparison, and outlook. Energy Convers. Manag. 2022, 270, 116179. [Google Scholar] [CrossRef]
- Available online: https://www.merlo.com/gbr/en/p/telehandlers/medium-capacity-telehandlers/turbofarmer-42-7/ (accessed on 4 January 2024).
- Somà, A.; Bruzzese, F.; Mocera, F.; Viglietti, E. Hybridization Factor and Performance of Hybrid Electric Telehandler Vehicle. IEEE Trans. Ind. Appl. 2016, 52, 5130–5138. [Google Scholar] [CrossRef]
- Mathworks. Getting Started with Simscape; MathWorks: Natick, MA, USA, 2018. [Google Scholar]
- Činkelj, J.; Kamnik, R.; Čepon, P.; Mihelj, M.; Munih, M. Closed-loop control of hydrualic telescopic handler. Autum. Constr. 2010, 19, 954–963. [Google Scholar] [CrossRef]
- Golverk, A.A. The Method for Development of a Diesel Engine Universal Performance Map. SAE Int. J. Fuels Lubr. 1994, 103, 1041–1048. [Google Scholar]
- Wang, Y.; Sun, Z.; Chen, Z. Energy management strategy for battery/supercapacitor/fuel cell hybrid source vehicles based on finite state machine. Appl. Energy 2019, 254, 113707. [Google Scholar] [CrossRef]
- Zhang, B.; Wang, X.; Gong, D.; Xu, S. Experimental analysis of the performance of the air supply system in a 120 kW polymer electrolyte membrane fuel cell system. Int. J. Hydrogen Energy 2022, 47, 21417–21434. [Google Scholar] [CrossRef]
- Vergori, E.; Mocera, F.; Somà, A. Battery Modelling and Simulation Using a Programmable Testing Equipment. Computers 2018, 7, 20. [Google Scholar] [CrossRef]
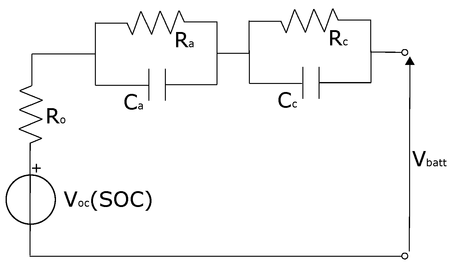
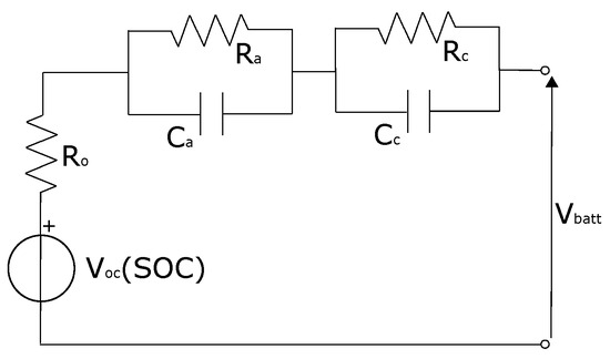
- Lai, X.; Zheng, Y.; Sun, T. A comparative study of different equivalent circuit models for estimating state-of-charge of lithium-ion batteries. Electrochim. Acta 2018, 259, 566–577. [Google Scholar] [CrossRef]
- Yu, P.; Li, M.; Wang, Y.; Chen, Z. Fuel Cell Hybrid Electric Vehicles: A Review of Topologies and Energy Management Strategies. World Electr. Veh. J. 2022, 13, 172. [Google Scholar] [CrossRef]
- Iqbal, M.; Laurent, J.; Benmouna, A.; Becherif, M.; Ramadan, H.S.; Claude, F. Ageing-aware load following control for composite-cost optimal energy management of fuel cell hybrid electric vehicle. Energy 2022, 254, 124233. [Google Scholar] [CrossRef]
- Xu, L.; Mueller, C.D.; Li, J.; Ouyang, M.; Hu, Z. Multi-objective component sizing based on optimal energy management strategy of fuel cell electric vehicles. Appl. Energy 2015, 157, 664–674. [Google Scholar] [CrossRef]
- Chen, H.; Zhao, X.; Zhang, T.; Pei, P. The reactant starvation of the proton exchange membrane fuel cells for vehicular applications: A review. Energy Convers. Manag. 2019, 182, 282–298. [Google Scholar] [CrossRef]
- Mocera, F.; Vergori, E.; Somà, A. Battery Performance Analysis for Working Vehicle Applications. IEEE Trans. Ind. Appl. 2020, 56, 644–653. [Google Scholar] [CrossRef]
- Yang, H.; Sun, Y.; Xia, C.; Zhang, H. Research on Energy Management Strategy of Fuel Cell Electric Tractor Based on Multi-Algorithm Fusion and Optimization. Energies 2022, 15, 6389. [Google Scholar] [CrossRef]
- Jia, C.; Zhou, J.; He, H.; Li, J.; Wei, Z.; Li, K.; Shi, M. A novel energy management strategy for hybrid electric bus with fuel cell health and battery thermal- and health-constrained awareness. Energy 2023, 271, 127105. [Google Scholar] [CrossRef]
- Garland, N.; Benjamin, T.; Kopasz, J. DOE Fuel Cell Program: Durability Technical Targets and Testing Protocols. ECS Trans. 2007, 11, 923. [Google Scholar] [CrossRef]
- Available online: https://www.energy.gov/eere/fuelcells/doe-technical-targets-fuel-cell-systems-and-stacks-transportation-applications (accessed on 12 February 2024).
- Nordelöf, A.; Messagie, M.; Tillman, A.M.; Ljunggren Söderman, M.; van Mierlo, J. Environmental impacts of hybrid, plug-in hybrid, and battery electric vehicles—what can we learn from life cycle assessment? Int. J. Life Cycle Asses. 2014, 19, 1866–1890. [Google Scholar] [CrossRef]
- Sinha, P.; Brophy, B. Life cycle assessment of renewable hydrogen for fuel cell passenger vehicles in California. Sustain. Energy Technol. Assess. 2021, 45, 101188. [Google Scholar] [CrossRef]
- Teimouri, A.; Kabeh, K.Z.; Changizian, S.; Ahmadi, P.; Mortazavi, M. Comparative lifecycle assessment of hydrogen fuel cell, electric, CNG, and gasoline-powered vehicles under real driving conditions assessment. Int. J. Hydrogen Energy 2022, 47, 37990–38002. [Google Scholar] [CrossRef]
- Teng, Z.; Tan, C.; Liu, P.; Han, M. Analysis on carbon emission reduction intensity of fuel cell vehicles from a life-cycle perspective. Front. Energy 2023. [Google Scholar] [CrossRef]
- Hua, T.Q.; Roh, H.-S.; Ahluwalia, R.K. Performance assessment of 700-bar compressed hydrogen storage for light duty fuel cell vehicles. Int. J. Hydrogen Energy 2017, 42, 25121–25129. [Google Scholar] [CrossRef]
- Li, Y.; Teliz, E.; Zinola, F.; Díaz, V. Design of a AB5-metal hydride cylindrical tank for hydrogen storage. Int. J. Hydrogen Energy 2021, 46, 33889–33898. [Google Scholar] [CrossRef]
- Nguyen, H.Q.; Shabani, B. Review of metal hydride hydrogen storage thermal management for use in the fuel cell systems. Int. J. Hydrogen Energy 2021, 46, 31699–31726. [Google Scholar] [CrossRef]
- Guo, L.; Su, J.; Wang, Z.; Shi, J.; Guan, X.; Cao, W.; Ou, Z. Hydrogen safety: An obstacle that must be overcome on the road towards future hydrogen economy. Int. J. Hydrogen Energy 2024, 51, 105–1078. [Google Scholar] [CrossRef]
- Isaac, N.; Saha, A.K. A Review of the Optimization Strategies and Methods Used to Locate Hydrogen Fuel Refueling Stations. Energies 2023, 16, 2171. [Google Scholar] [CrossRef]
- Moon, S.; Lee, Y.-J.; Lee, D.-J. A cost-effectiveness analysis of fuel cell electric vehicles considering infrastructure costs and greenhouse gas emissions: An empirical case study in Korea. Sustain. Energy Technol. Assess. 2022, 54, 102777. [Google Scholar] [CrossRef]
- Usai, L.; Hung, C.R.; Vasquez, F.; Windsheimer, M.; Burheim, O.S.; Strømman, A.H. Life cycle assessment of fuel cell systems for light duty vehicles, current state-of-the-art and future impacts. J. Clean. Prod. 2021, 280, 125086. [Google Scholar] [CrossRef]
- James, B.D. Fuel Cell Cost and Performance Analysis. Available online: https://www.hydrogen.energy.gov/docs/hydrogenprogramlibraries/pdfs/review22/fc353_james_2022_o-pdf.pdf?Status=Master (accessed on 13 February 2024).
- Houchins, C.; James, B.D. Hydrogen Storage Cost Analysis. Available online: https://www.hydrogen.energy.gov/docs/hydrogenprogramlibraries/pdfs/review22/st235_houchins_2022_p-pdf.pdf?Status=Master (accessed on 13 February 2024).
- Rawat, A.; Garg, C.P.; Sinha, P. Analysis of the key hydrogen fuel vehicles adoption barriers to reduce carbon emissions under net zero target in emerging market. Energy Policy 2024, 184, 113847. [Google Scholar] [CrossRef]
- Trencher, G.; Wesseling, J. Roadblocks to fuel-cell electric vehicle diffusion: Evidence from Germany, Japan and California. Transp. Res. D Transp. Environ. 2022, 112, 103458. [Google Scholar] [CrossRef]
- Al-Amin, A.Q.; Ambrose, A.F.; Masud, M.M.; Azam, M.N. People purchase intention towards hydrogen fuel cell vehicles: An experiential enquiry in Malaysia. Int. J. Hydrogen Energy 2016, 41, 2117–2127. [Google Scholar] [CrossRef]
- Vallejos-Romero, A.; Cordoves-Sánchez, M.; Cisternas, C.; Sáez-Ardura, F.; Rodríguez, I.; Aledo, A.; Boso, Á.; Prades, J.; Álvarez, B. Green Hydrogen and Social Sciences: Issues, Problems, and Future Challenges. Sustainability 2023, 15, 303. [Google Scholar] [CrossRef]
- Quarton, C.J.; Samsatli, S. How to incentivise hydrogen energy technologies for net zero: Whole-system value chain optimisation of policy scenarios. Sustain. Prod. Consum. 2021, 27, 1215–1238. [Google Scholar] [CrossRef]
- Available online: https://eur-lex.europa.eu/legal-content/EN/TXT/?uri=CELEX:32021R1119 (accessed on 14 February 2024).
- Available online: https://eur-lex.europa.eu/legal-content/EN/TXT/?uri=CELEX:32016R1628 (accessed on 14 February 2024).










| Parameter | Value |
|---|---|
| Unladen Mass | 7800 kg |
| Max Load capacity | 4200 kg |
| Max lift height | 7 m |
| Max vehicle speed | 40 km/h |
| Transmission | Hydrostatic transmission |
| Diesel Engine | 4-cyl 3.6 L 105 kW |
| Element | Parameter | Value |
|---|---|---|
| Fuel cell system | Stack max power | 53 kW |
| Number of cells | 300 | |
| Max operating point | 312.5 A @ 170 V | |
| Stack efficiency | 47.5% @ 50 kW | |
| Battery Pack | Rated Capacity | 50 Ah |
| Rated Voltage | 320 V | |
| Electric Motor | Rated Power | 105 kW |
| Rated Torque | 502 Nm | |
| Maximum Efficiency | 95% |
| Parameter | Value |
|---|---|
| Pump max displacement | 150 |
| Motor displacement | 150 |
| Pump nominal pressure gain | 250 bar |
| Motor nominal pressure drop | 250 bar |
| Pump and motor nominal shaft speed | 2000 rpm |
| Pump nominal volumetric efficiency | 92% |
| Motor nominal volumetric efficiency | 92% |
| Valve pressure setting | 300 bar |
| Performed Test | Traditional Vehicle | Fuel Cell Hybrid Vehicle |
|---|---|---|
| Time for 0–40 km/h no load | 12 s | 12.5 s |
| Time for 0–40 km/h with 4200 kg | 20 s | 21 s |
| Max speed with 20% slope | 9 km/h | 8 km/h |
| Max slope with 4200 kg | 15% @ 5 km/h | 15% @ 5 km/h |
| Max slope at 15 km/h | 12% | 10% |
| FC System | Battery Pack | |||
|---|---|---|---|---|
| Max Change Rate (kW/s) | Max Flow (g/s) | Max Charge C-Rate | Max Discharge C-Rate | |
| 0–40 km/h no load | 8.7 | 0.69 | 0.6 | 6.3 |
| 0–40 km/h 4200 kg | 5.1 | 0.66 | 0.35 | 6.1 |
| Top speed 20% slope | 4.2 | 0.47 | 0.35 | 5.6 |
| Max slope with 4200 kg | 3.4 | 0.52 | 0.35 | 5.2 |
| Max slope at 15 km/h | 4.0 | 0.55 | 0.35 | 4.9 |
| Parameter | Value |
|---|---|
| Max FC change rate (kW/s) | 4.04 |
| Max consumption (g/s) | 0.23 |
| Max charging C-rate | 1.7 C |
| Max discharging C-rate | 2.7 C |
| Total consumption (g) | 60.4 |
| Factor | Condition | Value | Unit |
|---|---|---|---|
| Load cycling | 5.93 | %/cycle | |
| Start and Stop | 1.96 | %/cycle | |
| Idling ( ≤ 10%) | 1.26 | %/h | |
| High power ( ≥ 90%) | 1.47 | %/h | |
| - | 1.72 | - |
| Test Scenario | FC System Expected Life |
|---|---|
| 0–40 km/h acceleration test no load | 1257 h |
| Real work scenario | 9410 h |
| Emission Source | WtW Emission Factor | Unit |
|---|---|---|
| Diesel | 3.18 | kg -eq./L |
| Actual Hydrogen production mix | 9.13 | kg -eq./kg |
| Blue Hydrogen | 3.70 | kg -eq./kg |
| Hydrogen from Electrolysis (based on nuclear) | 0.71 | kg -eq./kg |
| Hydrogen from Electrolysis (based on grid) | 29.21 | kg -eq./kg |
| Hydrogen from Electrolysis (based on renewables) | 1.87 | kg -eq./kg |
| Fuel Consumptions | ||
|---|---|---|
| Diesel consumption | 0.55 L | |
| Hydrogen consumption | 60.4 g | |
| Fuel | Emissions (kg -eq.) | Difference (%) |
| Diesel | 1.75 | - |
| Hydrogen (actual production mix) | 0.55 | −68.6 |
| Blue Hydrogen | 0.22 | −87.4 |
| Hydrogen from Electrolysis (based on nuclear) | 0.043 | −97.5 |
| Hydrogen from Electrolysis (based on grid) | 1.76 | +0.1 |
| Hydrogen from Electrolysis (based on renewables) | 0.13 | −92.6 |
Disclaimer/Publisher’s Note: The statements, opinions and data contained in all publications are solely those of the individual author(s) and contributor(s) and not of MDPI and/or the editor(s). MDPI and/or the editor(s) disclaim responsibility for any injury to people or property resulting from any ideas, methods, instructions or products referred to in the content. |
© 2024 by the authors. Licensee MDPI, Basel, Switzerland. This article is an open access article distributed under the terms and conditions of the Creative Commons Attribution (CC BY) license (https://creativecommons.org/licenses/by/4.0/).
Share and Cite
Martini, V.; Mocera, F.; Somà, A. Carbon Footprint Enhancement of an Agricultural Telehandler through the Application of a Fuel Cell Powertrain. World Electr. Veh. J. 2024, 15, 91. https://doi.org/10.3390/wevj15030091
Martini V, Mocera F, Somà A. Carbon Footprint Enhancement of an Agricultural Telehandler through the Application of a Fuel Cell Powertrain. World Electric Vehicle Journal. 2024; 15(3):91. https://doi.org/10.3390/wevj15030091
Chicago/Turabian StyleMartini, Valerio, Francesco Mocera, and Aurelio Somà. 2024. "Carbon Footprint Enhancement of an Agricultural Telehandler through the Application of a Fuel Cell Powertrain" World Electric Vehicle Journal 15, no. 3: 91. https://doi.org/10.3390/wevj15030091
APA StyleMartini, V., Mocera, F., & Somà, A. (2024). Carbon Footprint Enhancement of an Agricultural Telehandler through the Application of a Fuel Cell Powertrain. World Electric Vehicle Journal, 15(3), 91. https://doi.org/10.3390/wevj15030091

