Tailhook Recognition for Carrier-Based Aircraft Based on YOLO with Bi-Level Routing Attention
Abstract
1. Introduction
2. Related Work
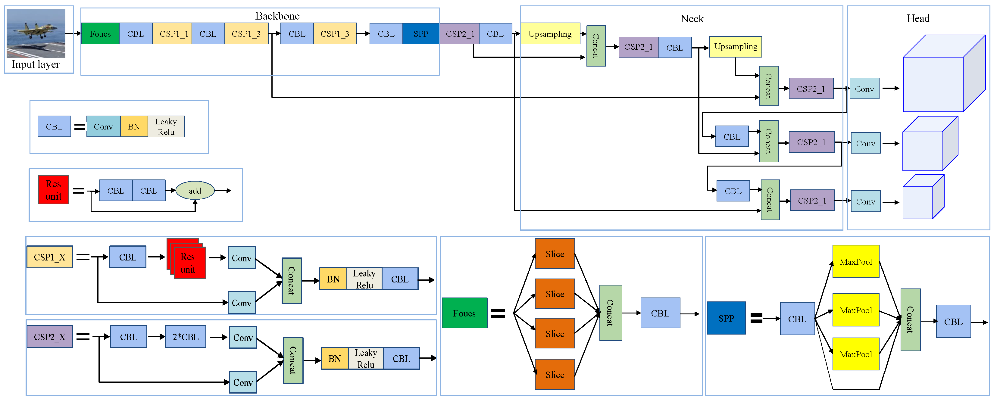
2.1. YOLOv5
2.2. Attention Mechanism
3. Methodology
3.1. Bi-Level Routing Attention Mechanism
3.2. D_C3 Layer
3.3. Loss Function Optimization
4. Experiments
4.1. Experimental Settings
4.1.1. Experimental Environment and Parameter Settings
4.1.2. Evaluation Metrics
4.2. Datasets
4.2.1. CATHR-DET
4.2.2. VOC Dataset
4.3. Result and Analysis
4.4. Ablation Study
5. Conclusions
Author Contributions
Funding
Data Availability Statement
Conflicts of Interest
References
- Fan, J.; Tian, S.; Huang, K.; Zhu, X. Multi-scale Object Detection Algorithm for Aircraft Carrier Decks Based on Faster R-CNN. Syst. Eng. Electron. 2022, 44, 40–46. (In Chinese) [Google Scholar]
- Zhu, X.; Tian, S.; Huang, K.; Fan, J.; Wang, Z.; Chen, H. Target detection of carrier-based aircraft based on deep convolutional neural network. Comput. Appl. 2020, 40, 1529–1533. (In Chinese) [Google Scholar]
- Terven, J.; Córdova-Esparza, D.M.; Romero-González, J.A. A Comprehensive Review of YOLO Architectures in Computer Vision: From YOLOv1 to YOLOv8 and YOLO-NAS. Mach. Learn. Knowl. Extr. 2023, 5, 1680–1716. [Google Scholar] [CrossRef]
- Nazir, A.; Wani, M.A. You Only Look Once-Object Detection Models: A Review. In Proceedings of the 2023 10th International Conference on Computing for Sustainable Global Development (INDIACom), New Delhi, India, 15–17 March 2023; pp. 1088–1095. [Google Scholar]
- Hussain, M. YOLOv1 to v8: Unveiling Each Variant–A Comprehensive Review of YOLO. IEEE Access 2024, 12, 42816–42833. [Google Scholar] [CrossRef]
- Wang, C.Y.; Liao, H.Y.M. YOLOv1 to YOLOv10: The fastest and most accurate real-time object detection systems. arXiv 2024, arXiv:2408.09332. [Google Scholar]
- Vijayakumar, A.; Vairavasundaram, S. YOLO-based Object Detection Models: A Review and its Applications. Multimed. Tools Appl. 2024, 83, 83535–83574. [Google Scholar] [CrossRef]
- Jocher, G. YOLOv5 by Ultralytics. 2020. Available online: https://zenodo.org/records/7347926 (accessed on 24 October 2024).
- Redmon, J.; Divvala, S.; Girshick, R.; Farhadi, A. You Only Look Once: Unified, Real-Time Object Detection. arXiv 2016, arXiv:1506.02640. [Google Scholar]
- Redmon, J.; Farhadi, A. YOLO9000: Better, Faster, Stronger. In Proceedings of the 2017 IEEE Conference on Computer Vision and Pattern Recognition (CVPR), Honolulu, HI, USA, 22–25 July 2017; pp. 6517–6525. [Google Scholar] [CrossRef]
- Redmon, J.; Farhadi, A. YOLOv3: An Incremental Improvement. arXiv 2018, arXiv:1804.02767. [Google Scholar]
- Bochkovskiy, A.; Wang, C.Y.; Liao, H.Y.M. YOLOv4: Optimal Speed and Accuracy of Object Detection. arXiv 2020, arXiv:2004.10934. [Google Scholar]
- Vaswani, A.; Shazeer, N.; Parmar, N.; Uszkoreit, J.; Jones, L.; Gomez, A.N.; Kaiser, L.; Polosukhin, I. Attention Is All You Need. arXiv 2023, arXiv:1706.03762. [Google Scholar]
- Brauwers, G.; Frasincar, F. A General Survey on Attention Mechanisms in Deep Learning. IEEE Trans. Knowl. Data Eng. 2023, 35, 3279–3298. [Google Scholar] [CrossRef]
- Xuanhao, Q.; Min, Z. A Review of Attention Mechanisms in Computer Vision. In Proceedings of the 2023 8th International Conference on Image, Vision and Computing (ICIVC), Dalian, China, 27–29 July 2023; pp. 577–583. [Google Scholar] [CrossRef]
- Itti, L.; Koch, C.; Niebur, E. A model of saliency-based visual attention for rapid scene analysis. IEEE Trans. Pattern Anal. Mach. Intell. 1998, 20, 1254–1259. [Google Scholar] [CrossRef]
- Woo, S.; Park, J.; Lee, J.Y.; Kweon, I.S. CBAM: Convolutional Block Attention Module. arXiv 2018, arXiv:1807.06521. [Google Scholar]
- Tan, H.; Liu, X.; Yin, B.; Li, X. MHSA-Net: Multihead Self-Attention Network for Occluded Person Re-Identification. IEEE Trans. Neural Networks Learn. Syst. 2023, 34, 8210–8224. [Google Scholar] [CrossRef] [PubMed]
- Zhu, L.; Wang, X.; Ke, Z.; Zhang, W.; Lau, R. BiFormer: Vision Transformer with Bi-Level Routing Attention. In Proceedings of the 2023 IEEE/CVF Conference on Computer Vision and Pattern Recognition (CVPR), Vancouver, BC, Canada, 17–24 June 2023; pp. 10323–10333. [Google Scholar] [CrossRef]
- Huang, X.; Huang, W. BRA-YOLO: Object Detection Algorithm with Bi-Level Routing Attention for YOLOv5. In Proceedings of the Intelligence Computation and Applications, Ningbo, China, 30–31 May 2023; Li, K., Liu, Y., Eds.; Springer: Singapore, 2024; pp. 302–311. [Google Scholar]
- Dai, J.; Qi, H.; Xiong, Y.; Li, Y.; Zhang, G.; Hu, H.; Wei, Y. Deformable convolutional networks. In Proceedings of the IEEE International Conference on Computer Vision, Venice, Italy, 22–29 October 2017; pp. 764–773. [Google Scholar]
- Liu, W.; Anguelov, D.; Erhan, D.; Szegedy, C.; Reed, S.; Fu, C.Y.; Berg, A.C. SSD: Single Shot MultiBox Detector. In Lecture Notes in Computer Science; Springer International Publishing: Berlin/Heidelberg, Germany, 2016; pp. 21–37. [Google Scholar] [CrossRef]
- Ren, S.; He, K.; Girshick, R.; Sun, J. Faster R-CNN: Towards Real-Time Object Detection with Region Proposal Networks. IEEE Trans. Pattern Anal. Mach. Intell. 2017, 39, 1137–1149. [Google Scholar] [CrossRef] [PubMed]
- Lin, T.Y.; Goyal, P.; Girshick, R.; He, K.; Dollár, P. Focal Loss for Dense Object Detection. arXiv 2018, arXiv:1708.02002. [Google Scholar]
- Zhou, X.; Wang, D.; Krähenbühl, P. Objects as Points. arXiv 2019, arXiv:1904.07850. [Google Scholar]
- Tian, Z.; Shen, C.; Chen, H.; He, T. FCOS: A simple and strong anchor-free object detector. arXiv 2020, arXiv:2006.09214. [Google Scholar] [CrossRef] [PubMed]
- Wang, K.; Liu, Y.; Yang, J.; Lu, A.; Li, Z.; Xu, M. Recognition of Carrier-based Aircraft Arresting Landing Control Status Based on Adaptive Feature Enhancement and Fusion. J. Shanghai Jiao Tong Univ. 2023, 1–18. (In Chinese) [Google Scholar] [CrossRef]
- Everingham, M.; Gool, L.V.; Williams, C.K.I.; Winn, J.M.; Zisserman, A. The Pascal Visual Object Classes (VOC) Challenge. Int. J. Comput. Vis. 2010, 88, 303–338. [Google Scholar] [CrossRef]
- Selvaraju, R.R.; Cogswell, M.; Das, A.; Vedantam, R.; Parikh, D.; Batra, D. Grad-CAM: Visual Explanations from Deep Networks via Gradient-Based Localization. In Proceedings of the 2017 IEEE International Conference on Computer Vision (ICCV), Venice, Italy, 22–29 October 2017; pp. 618–626. [Google Scholar] [CrossRef]













| Model | Speed | Params | |||
|---|---|---|---|---|---|
| 50–95 | 50 | V100 b1 (ms) | (M) | @640(B) | |
| YOLOv5n | 28.0 | 45.7 | 6.3 | 1.9 | 4.5 | 
| YOLOv5s | 37.4 | 56.8 | 6.4 | 7.2 | 16.5 | 
| YOLOv5m | 45.4 | 64.1 | 8.2 | 21.2 | 49.0 | 
| YOLOv5l | 49.0 | 67.3 | 10.1 | 46.5 | 109.1 | 
| YOLOv5x | 50.7 | 68.9 | 12.1 | 86.7 | 205.7 | 
| Software Environment and Hardware Configuration | Parameter | 
|---|---|
| Operating system | Windows 10 64-bit | 
| Integrated Development Environment (IDE) | PyCharm Professional 2023.1.3 | 
| Runtime framework | Pytorch 1.13.1 (torchvision 0.14.1) | 
| Development tool | CUDA 11.1 (cuDNN 8.0) | 
| Processor | Inter Core i7-12700F @2.10 GHz | 
| Memory | 32 G | 
| Graphics Processing Unit (GPU) | NVIDIA GeForce RTX3080 (10 G) | 
| Model Hyperparameter | Value | 
|---|---|
| Depth multiplier | 0.33 | 
| Width multiplier | 0.50 | 
| Batch size | 16 | 
| Image size | 640 × 640 | 
| Number of training epochs | 500 | 
| Number of worker processes | 4 | 
| Momentum | 0.937 | 
| Method | Precision (%) | Recall (%) | F1 | mAP50 (%) | FPS (f/s) | 
|---|---|---|---|---|---|
| YOLOv5s | 83.3 | 71.7 | 77.1 | 78.6 | 53.8 | 
| SSD | 77.8 | 33.2 | 46.5 | 56.6 | 55.2 | 
| Faster-RCNN | 80.9 | 46.4 | 58.9 | 77.5 | 29.6 | 
| RetinaNet | 67.7 | 79.5 | 73.1 | 65.2 | 33.2 | 
| CenterNet | 73.3 | 43.4 | 54.5 | 67.6 | 37.1 | 
| FCOS | 84.9 | 76.4 | 80.4 | 81.5 | 36.4 | 
| Ours | 87.3 | 86.0 | 86.6 | 85.6 | 57.1 | 
| Method | Precision (%) | Recall (%) | F1 | mAP50 (%) | 
|---|---|---|---|---|
| YOLOv5s | 72.4 | 66.2 | 69.1 | 71.7 | 
| SSD | 66.3 | 38.4 | 48.6 | 69.7 | 
| Faster-RCNN | 75.8 | 53.7 | 62.8 | 65.7 | 
| RetinaNet | 71.9 | 60.5 | 65.7 | 71.4 | 
| CenterNet | 65.8 | 33.9 | 44.7 | 66.4 | 
| FCOS | 77.6 | 70.3 | 73.7 | 76.3 | 
| Ours | 80.9 | 77.8 | 79.3 | 81.4 | 
| Method | D_C3 | BRA | Gloss | mAP50 | mAP50-95 | 
|---|---|---|---|---|---|
| YOLOv5s | × | × | × | 0.717 | 0.446 | 
| YOLOv5s+D_C3 | ✓ | × | × | 0.755 | 0.461 | 
| YOLOv5s+BRA | × | ✓ | × | 0.792 | 0.473 | 
| YOLOv5s+Gloss | × | × | ✓ | 0.773 | 0.459 | 
| Ours | ✓ | ✓ | ✓ | 0.814 | 0.495 | 
| Disclaimer/Publisher’s Note: The statements, opinions and data contained in all publications are solely those of the individual author(s) and contributor(s) and not of MDPI and/or the editor(s). MDPI and/or the editor(s) disclaim responsibility for any injury to people or property resulting from any ideas, methods, instructions or products referred to in the content. | 
© 2024 by the authors. Licensee MDPI, Basel, Switzerland. This article is an open access article distributed under the terms and conditions of the Creative Commons Attribution (CC BY) license (https://creativecommons.org/licenses/by/4.0/).
Share and Cite
Lu, A.; Liu, P.; Yang, J.; Li, Z.; Wang, K. Tailhook Recognition for Carrier-Based Aircraft Based on YOLO with Bi-Level Routing Attention. Algorithms 2024, 17, 488. https://doi.org/10.3390/a17110488
Lu A, Liu P, Yang J, Li Z, Wang K. Tailhook Recognition for Carrier-Based Aircraft Based on YOLO with Bi-Level Routing Attention. Algorithms. 2024; 17(11):488. https://doi.org/10.3390/a17110488
Chicago/Turabian StyleLu, Aiguo, Pandi Liu, Jie Yang, Zhe Li, and Ke Wang. 2024. "Tailhook Recognition for Carrier-Based Aircraft Based on YOLO with Bi-Level Routing Attention" Algorithms 17, no. 11: 488. https://doi.org/10.3390/a17110488
APA StyleLu, A., Liu, P., Yang, J., Li, Z., & Wang, K. (2024). Tailhook Recognition for Carrier-Based Aircraft Based on YOLO with Bi-Level Routing Attention. Algorithms, 17(11), 488. https://doi.org/10.3390/a17110488
 
        


 
       