Study on Synergistically Improving Corrosion Resistance of Microarc Oxidation Coating on Magnesium Alloy by Loading of Sodium Tungstate and Silane Treatment
Abstract
1. Introduction
2. Experiment and Method
2.1. Substrate Pretreatment
2.2. Preparation of MAO Coating
2.3. Loading of Sodium Tungstate
2.4. Preparation of Silane Film
2.5. Characterization
2.6. Electrochemical Analysis
3. Results
3.1. XRD Analysis
3.2. FT-IR Analysis
3.3. XPS Analysis
3.4. Surface Morphology and Elemental Composition and Distribution
3.5. Morphology and Element Composition of Cross Section
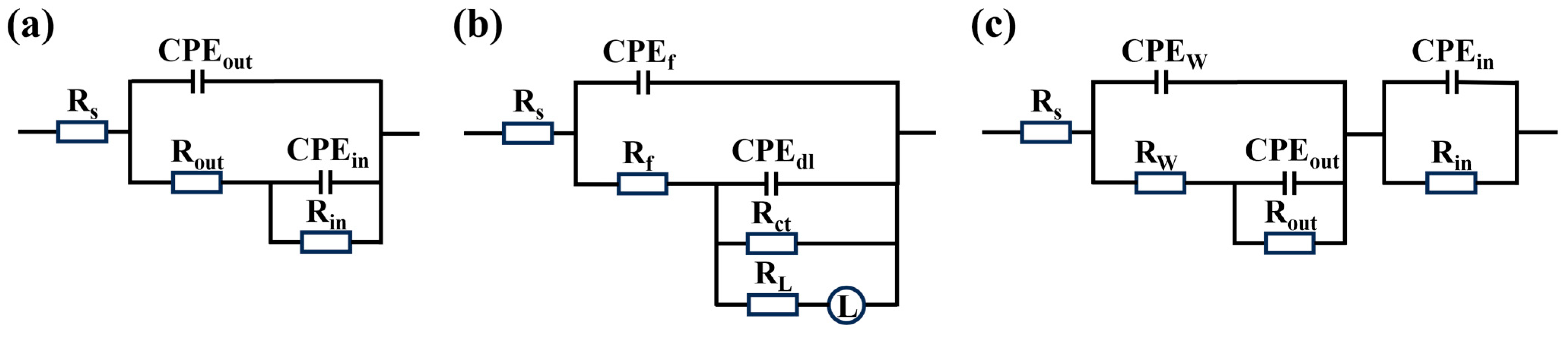
3.6. Corrosion Resistance
3.7. Corrosion Morphology
3.8. Scratch Test
4. Discussion
5. Conclusions
- Loading sodium tungstate and undergoing silane treatment displays a synergistic effect on an MAO coating formed on magnesium alloy. When only sodium tungstate is loaded onto the surface of the magnesium alloy MAO coating, a passivation film can be generated through the reaction between sodium tungstate and Mg2⁺ ions. This film can delay the penetration of corrosive media into the coating to corrode the substrate and further improve the corrosion resistance of the MAO coating. Nevertheless, when only the surface of the MAO coating is silanized, the size of the micropores within the coating increases due to the reaction of the silane hydrolysate with the substances in the coating. As a result, the corrosion resistance of the coating is decreased. When sodium tungstate is loaded onto the surface of the MAO coating and subsequently silanized, not only can a protective film be formed as a result of the reaction between sodium tungstate and Mg2⁺ ions but also the silanization treatment is capable of sealing the MAO coating. In this way, it significantly boosts the corrosion resistance of the magnesium alloy MAO coating.
- The concentration of sodium tungstate also has a significant effect on magnesium alloy MAO composite coating. With the increase in the impregnation concentration of sodium tungstate, the loaded content of sodium tungstate in the M-nW-SG composite coating increases and the sealing effect of the silanization treatment is better. When the impregnation concentration of sodium tungstate is 0.1 mol/L or above, the MAO coating with sodium tungstate can be completely sealed. Among the samples tested, when the M-0.125W-SG composite coating was soaked in 3.5 wt.% NaCl solution for 144 h, its impedance modulus remained at 8.06 × 106 Ω·cm2, which is about three orders of magnitude higher than that of the MAO coating, and it had the best corrosion resistance. This provides a reference for the improvement of corrosion resistance of MAO and its composite coatings.
Author Contributions
Funding
Institutional Review Board Statement
Informed Consent Statement
Data Availability Statement
Conflicts of Interest
References
- Kiani, F.; Lin, J.; Vahid, A.; Munir, K.; Wen, C.; Li, Y. Microstructures, mechanical properties, corrosion, and biocompatibility of extruded Mg-Zr-Sr-Ho alloys for biodegradable implant applications. J. Magnes. Alloys 2023, 11, 110–136. [Google Scholar] [CrossRef]
- Wang, T.; Zha, M.; Du, C.; Jia, H.; Wang, C.; Guan, K.; Gao, Y.; Wang, H. High strength and high ductility achieved in a heterogeneous lamella-structured magnesium alloy. Mater. Res. Lett. 2023, 11, 187–195. [Google Scholar] [CrossRef]
- Li, L.; Xie, Z.; Fernandez, C.; Wu, L.; Cheng, D.; Jiang, X.; Zhong, C. Development of a thiophene derivative modified LDH coating for Mg alloy corrosion protection. Electrochim. Acta 2020, 330, 135186. [Google Scholar] [CrossRef]
- Shu, Y.; Peng, F.; Xie, Z.; Yong, Q.; Wu, L.; Xie, J.; Li, M. Well-oriented magnesium hydroxide nanoplatelets coating with high corrosion resistance and osteogenesis on magnesium alloy. J. Magnes. Alloys 2024, 12, 3292–3307. [Google Scholar] [CrossRef]
- Yang, Y.; Xiong, X.; Chen, J.; Peng, X.; Chen, D.; Pan, F. Research advances in magnesium and magnesium alloys worldwide in 2020. J. Magnes. Alloys 2021, 9, 705–747. [Google Scholar] [CrossRef]
- Wu, L.; Zhao, J.; Xie, Y.; Yang, Z. Progress of electroplating and electroless plating on magnesium alloy. Trans. Nonferrous Met. Soc. China 2010, 20, s630–s637. [Google Scholar] [CrossRef]
- Ikhe, A.B.; Kale, A.B.; Jeong, J.; Reece, M.J.; Choi, S.H.; Pyo, M. Perfluorinated polysiloxane hybridized with graphene oxide for corrosion inhibition of AZ31 magnesium alloy. Corros. Sci. 2016, 109, 238–245. [Google Scholar] [CrossRef]
- Vorobyova, M.; Biffoli, F.; Giurlani, W.; Martinuzzi, S.M.; Linser, M.; Caneschi, A.; Innocenti, M. PVD for Decorative Applications: A Review. Materials 2023, 16, 4919. [Google Scholar] [CrossRef] [PubMed]
- Cai, Z.; Liu, B.; Zou, X.; Cheng, H. Chemical vapor deposition growth and applications of two-dimensional materials and their heterostructures. Chem. Rev. 2018, 118, 6091–6133. [Google Scholar] [CrossRef] [PubMed]
- Zang, J.; Yu, S.; Zhu, G.; Zhou, X. Fabrication of superhydrophobic surface on aluminum alloy 6061 by a facile and effective anodic oxidation method. Surf. Coat. Technol. 2019, 380, 125078. [Google Scholar] [CrossRef]
- Zhu, J.; Jia, H.; Liao, K.; Li, X. Improvement on corrosion resistance of micro-arc oxidized AZ91D magnesium alloy by a pore-sealing coating. J. Alloys Compd. 2021, 889, 161460. [Google Scholar] [CrossRef]
- Yang, W.; Wang, A.; Jiang, B. Corrosion resistance of composite coating on magnesium alloy using combined microarc oxidation and inorganic sealing. Trans. Nonferrous Met. Soc. China 2012, 22, s760–s763. [Google Scholar] [CrossRef]
- Lee, Y.K.; Lee, K.; Jung, T. Study on microarc oxidation of AZ31B magnesium alloy in alkaline metal silicate solution. Electrochem. Commun. 2008, 10, 1716–1719. [Google Scholar] [CrossRef]
- Li, C.; Fan, X.; Cui, L.; Zeng, R. Corrosion resistance and electrical conductivity of a nano ATO-doped MAO/methyltrimethoxysilane composite coating on magnesium alloy AZ31. Corros. Sci. 2020, 168, 108570. [Google Scholar] [CrossRef]
- Martin, J.; Haraux, P.; Ntomprougkidis, V.; Migot, S.; Bruyère, S.; Henrion, G. Characterization of metal oxide micro/nanoparticles elaborated by plasma electrolytic oxidation of aluminium and zirconium alloys. Surf. Coat. Technol. 2020, 397, 125987. [Google Scholar] [CrossRef]
- Narayanan, T.S.; Park, I.S.; Lee, M.H. Strategies to improve the corrosion resistance of microarc oxidation (MAO) coated magnesium alloys for degradable implants: Prospects and challenges. Prog. Mater. Sci. 2014, 60, 1–71. [Google Scholar] [CrossRef]
- Toorani, M.; Aliofkhazraei, M.; Naderi, R. Ceria-embedded MAO process as pretreatment for corrosion protection of epoxy films applied on AZ31-magnesium alloy. J. Alloys Compd. 2019, 785, 669–683. [Google Scholar] [CrossRef]
- Treviño, M.; Mercado-Solis, R.D.; Colás, R.; Pérez, A.; Talamantes, J.; Velasco, A. Erosive wear of plasma electrolytic oxidation layers on aluminium alloy 6061. Wear 2013, 301, 434–441. [Google Scholar] [CrossRef]
- Sopchenski, L.; Robert, J.; Touzin, M.; Tricoteaux, A.; Olivier, M.G. Improvement of wear and corrosion protection of PEO on AA2024 via sol-gel sealing. Surf. Coat. Technol. 2021, 417, 127195. [Google Scholar] [CrossRef]
- Dou, B.; Wang, Y.; Zhang, T.; Liu, B.; Shao, Y.; Meng, G.; Wang, F. Growth behaviors of layered double hydroxide on microarc oxidation film and anti-corrosion performances of the composite film. J. Electrochem. Soc. 2016, 163, C917. [Google Scholar] [CrossRef]
- Wang, L.; Li, S.; Fu, J. Self-healing anti-corrosion coatings based on micron-nano containers with different structural morphologies. Prog. Org. Coat. 2023, 175, 107381. [Google Scholar] [CrossRef]
- Yeganeh, M.; Nguyen, T.A.; Rajendran, S.; Kakooei, S.; Li, Y. Corrosion protection at the nanoscale: An introduction. In Corrosion Protection at the Nanoscale; Elsevier: Amsterdam, The Netherlands, 2020; pp. 3–7. [Google Scholar]
- Zheludkevich, M.L.; Tedim, J.; Ferreira, M.G.S. “Smart” coatings for active corrosion protection based on multi-functional micro and nanocontainers. Electrochim. Acta 2012, 82, 314–323. [Google Scholar] [CrossRef]
- Wei, J.; Ju, X.; Zou, X.; Xie, R.; Wang, W.; Liu, Y.; Chu, L. Multi-stimuli-responsive microcapsules for adjustable controlled-release. Adv. Funct. Mater. 2014, 24, 3312–3323. [Google Scholar] [CrossRef]
- Kordas, G.C.; Balaskas, A.C.; Kartsonakis, I.A.; Efthimiadou, E.K. A Raman study of 8-Hydroxyquinoline release from loaded TiO2 nanocontainer. Int. J. Struct. Integr. 2013, 4, 121–126. [Google Scholar] [CrossRef]
- Liu, C.; Zhao, H.; Hou, P.; Qian, B.; Wang, X.; Guo, C.; Wang, L. Efficient graphene/cyclodextrin-based nanocontainer: Synthesis and host-guest inclusion for self-healing anticorrosion application. ACS Appl. Mater. Interfaces 2018, 10, 36229–36239. [Google Scholar] [CrossRef] [PubMed]
- Snihirova, D.; Lamaka, S.V.; Taryba, M.; Salak, A.N.; Kallip, S.; Zheludkevich, M.L.; Ferreira, M.G.S.; Montemor, M.F. Hydroxyapatite microparticles as feedback-active reservoirs of corrosion inhibitors. ACS Appl. Mater. Interfaces 2010, 2, 3011–3022. [Google Scholar] [CrossRef]
- Akbarzadeh, S.; Coelho, L.B.; Dangreau, L.; Lanzutti, A.; Fedrizzi, L.; Olivier, M.G. Self-healing plasma electrolytic oxidation (PEO) coating developed by an assembly of corrosion inhibitive layer and sol-gel sealing on AA2024. Corros. Sci. 2023, 222, 111424. [Google Scholar] [CrossRef]
- Lamaka, S.V.; Knörnschild, G.; Snihirova, D.V.; Taryba, M.G.; Zheludkevich, M.L.; Ferreira, M.G.S. Complex anticorrosion coating for ZK30 magnesium alloy. Electrochim. Acta 2009, 55, 131–141. [Google Scholar] [CrossRef]
- Robertson, W.D. Molybdate and tungstate as corrosion inhibitors and the mechanism of inhibition. J. Electrochem. Soc. 1951, 98, 94. [Google Scholar] [CrossRef]
- Liu, Y.; Chen, Y. Anticorrosion performance of epoxy-resin coating incorporating talcum powder loaded with sodium tungstate. Int. J. Electrochem. Sci. 2018, 13, 530–541. [Google Scholar] [CrossRef]
- Gaber, G.A.; Aly, H.A.; Mohamed, L.Z. Effect of sodium tungstate on the corrosion behavior of Fe-base alloy in H2SO4 solution. Int. J. Electrochem. Sci. 2020, 15, 8229–8240. [Google Scholar] [CrossRef]
- Tu, W.; Cheng, Y.; Zhan, T.; Han, J.; Cheng, Y. Influence of sodium tungstate and sealing treatment on corrosion resistance of coatings formed on AZ31 magnesium alloy by plasma electrolytic oxidation. Int. J. Electrochem. Sci. 2017, 12, 10863–10881. [Google Scholar] [CrossRef]
- Liu, C.; Lu, X.; Li, Y.; Chen, Q.; Zhang, T.; Wang, F. Influence of post-treatment process on corrosion and wear properties of PEO coatings on AM50 Mg alloy. J. Alloys Compd. 2021, 870, 159462. [Google Scholar] [CrossRef]
- Cui, L.; Gao, S.; Li, P.; Zeng, R.; Zhang, F.; Li, S.; Han, E. Corrosion resistance of a self-healing micro-arc oxidation/polymethyltrimethoxysilane composite coating on magnesium alloy AZ31. Corros. Sci. 2017, 118, 84–95. [Google Scholar] [CrossRef]
- Telmenbayar, L.; Ramu, A.G.; Erdenebat, T.O.; Choi, D. Anticorrosive lanthanum embedded PEO/GPTMS coating on magnesium alloy by plasma electrolytic oxidation with silanization. Mater. Today Commun. 2022, 33, 104662. [Google Scholar] [CrossRef]
- Hernández-Barrios, C.A.; Cuao, C.A.; Jaimes, M.A.; Coy, A.E.; Viejo, F. Effect of the catalyst concentration, the immersion time and the aging time on the morphology, composition and corrosion performance of TEOS-GPTMS sol-gel coatings deposited on the AZ31 magnesium alloy. Surf. Coat. Technol. 2017, 325, 257–269. [Google Scholar] [CrossRef]
- Zanotto, F.; Grassi, V.; Frignani, A.; Zucchi, F. Protection of the AZ31 magnesium alloy with cerium modified silane coatings. Mater. Chem. Phys. 2011, 129, 1–8. [Google Scholar] [CrossRef]
- Pezzato, L.; Rigon, M.; Martucci, A.; Brunelli, K.; Dabalà, M. Plasma Electrolytic Oxidation (PEO) as pre-treatment for sol-gel coating on aluminum and magnesium alloys. Surf. Coat. Technol. 2019, 366, 114–123. [Google Scholar] [CrossRef]
- Xue, K.; Liang, L.; Cheng, S.; Liu, H.; Cui, L.; Zeng, R.; Li, S.; Wang, Z. Corrosion resistance, antibacterial activity and drug release of ciprofloxacin-loaded micro-arc oxidation/silane coating on magnesium alloy AZ31. Prog. Org. Coat. 2021, 158, 106357. [Google Scholar] [CrossRef]
- Ding, C.; Tai, Y.; Wang, D.; Tan, L.; Fu, J. Superhydrophobic composite coating with active corrosion resistance for AZ31B magnesium alloy protection. Chem. Eng. J. 2019, 357, 518–532. [Google Scholar] [CrossRef]
- Zhang, G.; Wu, L.; Tang, A.; Weng, B.; Atrens, A.; Ma, S.; Liu, L.; Pan, F. Sealing of anodized magnesium alloy AZ31 with MgAl layered double hydroxides layers. RSC Adv. 2018, 8, 2248–2259. [Google Scholar] [CrossRef] [PubMed]
- Kaseem, M.; Ko, Y.G. A novel hybrid composite composed of albumin, WO3, and LDHs film for smart corrosion protection of Mg alloy. Compos. Part B Eng. 2021, 204, 108490. [Google Scholar] [CrossRef]
- Wu, L.; Ding, X.; Zheng, Z.; Tang, A.; Zhang, G.; Atrens, A.; Pan, F. Doublely-doped Mg-Al-Ce-V2O74− LDH composite film on magnesium alloy AZ31 for anticorrosion. J. Mater. Sci. Technol. 2021, 64, 66–72. [Google Scholar] [CrossRef]
- Selvakumar, K.; Oh, T.H.; Wang, Y.; Prasanna, A.M.; Arunpandian, M.; Sadhasivam, T.; Sami, P.; Swaminathan, M. Rational design of single tungsten/cobalt atom oxide anchored on the TiO2-rGO: A highly efficient electrocatalyst for water splitting and photocatalyst for decomposition of pharmaceutical pollutant. Sep. Purif. Technol. 2022, 303, 122298. [Google Scholar] [CrossRef]
- Kong, Y.; Huang, Y.; Meng, C.; Zhang, Z. Sodium dodecylsulfate-layered double hydroxide and its use in the adsorption of 17β-estradiol in wastewater. RSC Adv. 2018, 8, 31440–31454. [Google Scholar] [CrossRef] [PubMed]
- Song, D.; Ma, A.; Jiang, J.; Lin, P.; Yang, D.; Fan, J. Corrosion behaviour of bulk ultra-fine grained AZ91D magnesium alloy fabricated by equal-channel angular pressing. Corros. Sci. 2011, 53, 362–373. [Google Scholar] [CrossRef]
- Akbarzadeh, S.; Ramezanzadeh, M.; Ramezanzadeh, B.; Bahlakeh, G. A green assisted route for the fabrication of a high-efficiency self-healing anti-corrosion coating through graphene oxide nanoplatform reduction by Tamarindus indiaca extract. J. Hazard. Mater. 2020, 390, 122147. [Google Scholar] [CrossRef] [PubMed]
- Akbarzadeh, S.; Santos, L.S.; Vitry, V.; Paint, Y.; Olivier, M.G. Improvement of the corrosion performance of AA2024 alloy by a duplex PEO/clay modified sol-gel nanocomposite coating. Surf. Coat. Technol. 2022, 434, 128168. [Google Scholar] [CrossRef]
- Del Olmo, R.; Tiringer, U.; Milošev, I.; Visser, P.; Arrabal, R.; Matykina, E.; Mol, J.M.C. Hybrid sol-gel coatings applied on anodized AA2024-T3 for active corrosion protection. Surf. Coat. Technol. 2021, 419, 127251. [Google Scholar] [CrossRef]
- Yang, Z.; Che, J.; Zhang, Z.; Yu, L.; Hu, M.; Sun, W.; Gao, W.; Fan, J.; Wang, L.; Liu, G. High-efficiency graphene/epoxy composite coatings with outstanding thermal conductive and anti-corrosion performance. Compos. Part A Appl. Sci. Manuf. 2024, 181, 108152. [Google Scholar] [CrossRef]
- Osipenko, M.A.; Karczewski, J.; Dominów, M.; Prześniak-Welenc, M.; Makarava, I.V.; Kurilo, I.; Kharytonau, D.S.; Ryl, J. Multisine impedimetric monitoring with an in-depth distribution of relaxation times analysis of WE43 and AZ31 magnesium alloys corrosion. Measurement 2023, 222, 113683. [Google Scholar] [CrossRef]
- Wang, G.; Guo, L.; Ruan, Y.; Zhao, G.; Zhang, X.; Liu, Y.; Kim, D.E. Improved wear and corrosion resistance of alumina alloy by MAO and PECVD. Surf. Coat. Technol. 2024, 479, 130556. [Google Scholar] [CrossRef]


















| Al | Zn | Mn | Si | Cu | Ni | Fe | Mg |
|---|---|---|---|---|---|---|---|
| 3.1% | 0.8% | 0.15% | 0.06% | 0.03% | 0.02% | 0.01% | Balance |
| Ab. Name | Na2WO4 g/L | GPTMS |
|---|---|---|
| MAO | − | − |
| M-0.125W | 0.125 | − |
| M-SG | − | + |
| M-0.025W-SG | 0.025 | + |
| M-0.05W-SG | 0.05 | + |
| M-0.1W-SG | 0.1 | + |
| M-0.125W-SG | 0.125 | + |
| Sample | Immersion Time (h) | RW (Ω·cm2) | CPEW | n | Rout (Ω·cm2) | CPEout | n | Rin (Ω·cm2) | CPEin | n | RL | L |
|---|---|---|---|---|---|---|---|---|---|---|---|---|
| Y0 (nΩ−1 cm−2 sn) | Y0 (nΩ−1 cm−2 sn) | Y0 (nΩ−1 cm−2 sn) | ||||||||||
| MAO | 10 h | 9.40 × 105 | 3.72 × 10−6 | 0.85 | 1.22 × 106 | 2.99 × 10−7 | 0.85 | |||||
| 24 h | 1.11 × 105 | 1.80 × 10−5 | 0.86 | 1.74 × 105 | 5.08 × 10−7 | 0.91 | ||||||
| 48 h | 1.25 × 105 | 6.45 × 10−7 | 0.93 | 7.17 × 104 | 3.14 × 10−5 | 0.71 | ||||||
| 72 | 6.96 × 103 | 2.79 × 10−7 | 0.81 | 3.00 × 104 | 4.47 × 10−8 | 1 | 3.35 × 104 | 2.97 × 104 | ||||
| 96 h | 4.12 × 103 | 4.22 × 10−7 | 0.87 | 8.92 × 103 | 6.93 × 10−8 | 1 | 1.64 × 104 | 5.01 × 103 | ||||
| 120 h | 155.50 | 5.05 × 10−7 | 0.96 | 2.33 × 103 | 2.96 × 10−7 | 0.95 | 5.01 × 103 | 3.41 × 104 | ||||
| 144 h | 1.74 × 103 | 4.92 × 10−7 | 0.91 | 4.31 × 103 | 1.59 × 10−7 | 1 | 5.36 × 103 | 4.14 × 103 | ||||
| M-0.125W | 10 h | 137.70 | 1.18 × 10−7 | 0.97 | 1.36 × 106 | 3.42 × 10−6 | 0.88 | 1.43 × 106 | 4.58 × 10−8 | 0.86 | ||
| 24 h | 1.37 × 106 | 4.94 × 10−7 | 0.90 | 1.29 × 106 | 3.81 × 10−6 | 0.76 | ||||||
| 48 h | 7.38 × 105 | 6.91 × 10−7 | 0.92 | 3.65 × 105 | 1.41 × 10−5 | 0.90 | ||||||
| 72 | 2.28 × 105 | 2.25 × 10−5 | 0.92 | 4.74 × 105 | 1.04 × 10−6 | 0.94 | ||||||
| 96 h | 3.46 × 105 | 1.52 × 10−6 | 0.95 | 1.64 × 105 | 3.22 × 10−5 | 0.90 | ||||||
| 120 h | 7.76 × 103 | 1.89 × 10−6 | 0.96 | 4.26 × 103 | 1.25 × 10−5 | 0.44 | 1.02 × 103 | 7.40 × 102 | ||||
| 144 h | 2.91 × 103 | 2.14 × 10−6 | 0.94 | 1.24 × 103 | 1.28 × 10−7 | 1 | 4.23 × 102 | 2.61 × 102 | ||||
| M-SG | 10 h | 8.40 × 105 | 4.57 × 10−7 | 0.88 | 5.60 × 105 | 5.52 × 10−6 | 0.88 | |||||
| 24 h | 6.45 × 103 | 1.87 × 10−8 | 0.90 | 1.67 × 105 | 2.36 × 10−7 | 0.67 | 3.73 × 105 | 6.72 × 106 | ||||
| 48 h | 4.76 × 103 | 8.35 × 10−8 | 0.82 | 2.01 × 104 | 6.05 × 10−8 | 0.96 | 4.07 × 104 | 1.41 × 104 | ||||
| 72 | 12.15 | 3.27 × 10−7 | 0.97 | 1.69 × 103 | 2.59 × 10−6 | 0.94 | 2.23 × 103 | 5.794 × 103 | ||||
| 96 h | 32.55 | 2.28 × 10−6 | 0.94 | 1.14 × 103 | 2.28 × 10−6 | 0.94 | 1.44 × 103 | 3.04 × 103 | ||||
| 120 h | 32.33 | 1.78 × 10−6 | 0.96 | 1.08 × 103 | 2.01 × 10−6 | 0.97 | 830.20 | 1.07 × 104 | ||||
| 144 h | 11.9 | 8.68 × 10−7 | 0.92 | 1.23 × 103 | 5.29 × 10−6 | 0.90 | 2.60 × 103 | 1.71 × 103 | ||||
| M-0.025W-SG | 10 h | 1.87 × 104 | 1.29 × 10−9 | 1 | 1.08 × 105 | 5.98 × 10−8 | 0.68 | 7.46 × 106 | 1.22 × 10−7 | 0.73 | ||
| 24 h | 1.26 × 106 | 1.75 × 10−7 | 0.88 | 3.52 × 106 | 3.67 × 10−7 | 0.51 | ||||||
| 48 h | 7.19 × 105 | 3.52 × 10−7 | 0.92 | 4.60 × 105 | 4.07 × 10−6 | 0.70 | ||||||
| 72 | 3.94 × 105 | 5.91 × 10−7 | 0.93 | 1.66 × 105 | 1.34 × 10−5 | 0.84 | ||||||
| 96 h | 1.97 × 105 | 9.05 × 10−7 | 0.94 | 8.67 × 104 | 2.53 × 10−5 | 0.86 | ||||||
| 120 h | 23.95 | 2.98 × 10−7 | 0.96 | 8.12 × 103 | 7.72 × 10−7 | 0.92 | 1.68 × 104 | 5.69 × 103 | ||||
| 144 h | 249.80 | 1.24 × 10−6 | 0.89 | 4.23 × 103 | 3.10 × 10−7 | 1 | 1.43 × 104 | 3.90 × 103 | ||||
| M-0.05W-SG | 10 h | 464.10 | 1.84 × 10−8 | 1 | 3.99 × 107 | 2.20 × 10−7 | 0.69 | 9.22 × 106 | 5.49 × 10−7 | 1 | ||
| 24 h | 4.50 × 104 | 5.00 × 10−7 | 0.81 | 6.21 × 103 | 7.36 × 10−8 | 0.88 | 2.46 × 107 | 1.09 × 10−7 | 0.75 | |||
| 48 h | 4.06 × 105 | 1.71 × 10−7 | 0.89 | 3.71 × 106 | 2.37 × 10−7 | 0.47 | ||||||
| 72 | 4.76 × 105 | 4.08 × 10−7 | 0.92 | 2.68 × 105 | 7.35 × 10−6 | 0.76 | ||||||
| 96 h | 2.22 × 105 | 7.45 × 10−7 | 0.94 | 9.60 × 104 | 2.33 × 10−5 | 0.85 | ||||||
| 120 h | 19.50 | 2.76 × 10−7 | 0.98 | 4.99 × 103 | 7.43 × 10−7 | 0.96 | ||||||
| 144 h | 324.30 | 9.98 × 10−7 | 0.93 | 2.86 × 103 | 3.14 × 10−7 | 1 | 9.24 × 103 | 4.97 × 103 | ||||
| M-0.1W-SG | 10 h | 1.54 × 103 | 1.03 × 10−8 | 0.99 | 5.67 × 105 | 7.79 × 10−7 | 0.59 | 8.77 × 107 | 1.67 × 10−7 | 0.89 | ||
| 24 h | 1.78 × 103 | 2.71 × 10−9 | 1 | 5.08 × 104 | 2.25 × 10−7 | 0.70 | 1.00 × 108 | 1.36 × 10−7 | 0.79 | |||
| 48 h | 1.07 × 103 | 5.86 × 10−8 | 0.85 | 1.15 × 105 | 4.35 × 10−7 | 0.75 | 3.05 × 107 | 1.88 × 10−7 | 0.83 | |||
| 72 | 468.10 | 2.03 × 10−7 | 0.79 | 5.27 × 103 | 5.47 × 10−8 | 0.92 | 1.5 × 107 | 6.22 × 10−9 | 1 | |||
| 96 h | 1.33 × 103 | 6.86 × 10−8 | 0.85 | 6.31 × 105 | 7.306 × 10−8 | 0.84 | 1.41 × 107 | 9.78 × 10−8 | 0.66 | |||
| 120 h | 346.10 | 1.27 × 10−6 | 0.66 | 2.83 × 105 | 1.54 × 10−7 | 0.88 | 8.84 × 106 | 1.35 × 10−7 | 0.58 | |||
| 144 h | 1.59 × 103 | 3.89 × 10−7 | 0.64 | 2.45 × 105 | 3.52 × 10−8 | 0.94 | ||||||
| M-0.125W-SG | 10 h | 1.94 × 104 | 2.83 × 10−9 | 0.96 | 2.23 × 106 | 5.91 × 10−7 | 0.53 | 3.57 × 108 | 1.92 × 10−7 | 0.94 | ||
| 24 h | 1.39 × 104 | 3.47 × 10−9 | 0.95 | 1.57 × 106 | 6.04 × 10−7 | 0.54 | 3.13 × 108 | 2.00 × 10−7 | 0.94 | |||
| 48 h | 4.42 × 103 | 1.84 × 10−9 | 1 | 1.89 × 106 | 6.49 × 10−7 | 0.53 | 1.55 × 108 | 2.23 × 10−7 | 0.94 | |||
| 72 h | 2.39 × 103 | 4.36 × 10−7 | 0.59 | 7.81 × 104 | 6.47 × 10−7 | 0.78 | 7.89 × 107 | 4.12 × 10−7 | 0.99 | |||
| 96 h | 421.50 | 5.24 × 10−9 | 1 | 982.3 | 3.54 × 10−7 | 1 | 3.76 × 107 | 2.58 × 10−7 | 0.73 | |||
| 120 h | 1.21 × 103 | 3.39 × 10−9 | 1 | 2.38 × 104 | 1.07 × 10−6 | 0.68 | 1.53 × 107 | 2.48 × 10−7 | 0.74 | |||
| 144 h | 192.10 | 8.04 × 10−7 | 0.7 | 4.72 × 106 | 2.74 × 10−7 | 1 | 4.53 × 106 | 4.28 × 10−7 | 0.85 |
Disclaimer/Publisher’s Note: The statements, opinions and data contained in all publications are solely those of the individual author(s) and contributor(s) and not of MDPI and/or the editor(s). MDPI and/or the editor(s) disclaim responsibility for any injury to people or property resulting from any ideas, methods, instructions or products referred to in the content. |
© 2025 by the authors. Licensee MDPI, Basel, Switzerland. This article is an open access article distributed under the terms and conditions of the Creative Commons Attribution (CC BY) license (https://creativecommons.org/licenses/by/4.0/).
Share and Cite
Wang, Z.; An, L.; Chang, C.; Meng, L.; Lei, D.; Peng, J.; Wang, Z. Study on Synergistically Improving Corrosion Resistance of Microarc Oxidation Coating on Magnesium Alloy by Loading of Sodium Tungstate and Silane Treatment. Materials 2025, 18, 361. https://doi.org/10.3390/ma18020361
Wang Z, An L, Chang C, Meng L, Lei D, Peng J, Wang Z. Study on Synergistically Improving Corrosion Resistance of Microarc Oxidation Coating on Magnesium Alloy by Loading of Sodium Tungstate and Silane Treatment. Materials. 2025; 18(2):361. https://doi.org/10.3390/ma18020361
Chicago/Turabian StyleWang, Ziyi, Lingyun An, Chenggong Chang, Leichao Meng, Donghao Lei, Jianhong Peng, and Zhanying Wang. 2025. "Study on Synergistically Improving Corrosion Resistance of Microarc Oxidation Coating on Magnesium Alloy by Loading of Sodium Tungstate and Silane Treatment" Materials 18, no. 2: 361. https://doi.org/10.3390/ma18020361
APA StyleWang, Z., An, L., Chang, C., Meng, L., Lei, D., Peng, J., & Wang, Z. (2025). Study on Synergistically Improving Corrosion Resistance of Microarc Oxidation Coating on Magnesium Alloy by Loading of Sodium Tungstate and Silane Treatment. Materials, 18(2), 361. https://doi.org/10.3390/ma18020361

