Effect of Hardness Distribution on Strength of Narrow-Gap Hot-Wire Laser-Welded Joint for High-Tensile Strength Steel
Abstract
1. Introduction
2. Materials and Methods
2.1. Materials and Experimental Method
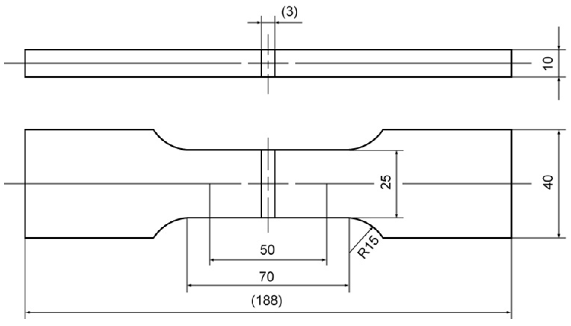
2.2. Finite Element Analysis Model
3. Results and Discussion
3.1. Effect of Welding Speed on Microstructure and Hardness Distribution
3.2. Joint Evaluation of Mechanical Properties and Finite Element Model Analysis
3.3. Finite Element Model Analysis Results
4. Conclusions
- Welding at various speeds of 0.3, 0.5, and 0.75 m/min, and hot-wire narrow-gap laser welding was performed in a single pass using 490 MPa-class wire as the filler wire and 10 mm thick 780 MPa-class high-tensile steel. The lack-of-fusion defect ratio was minimized at welding speeds of 0.3 and 0.5 m/min, and no other defects occurred. There was a difference in the hardness of the weld metal, and the weld speed of 0.3 m/min resulted in an undermatched joint due to a slower cooling speed compared with those welded at 0.5 and 0.75 m/min.
- The HAZ structures were observed. Grain sizes in the coarsening region near the weld metal were approximately 100 μm, 60 μm, and 40 μm at welding speeds of 0.3 m/min, 0.5 m/min, and 0.75 m/min, respectively. On the basis of these results, the respective heat inputs were estimated as 11.0 kJ/cm, 7.5 kJ/cm, and 4.5 kJ/cm. The estimated heat inputs are considered significantly low compared with those of other welding methods. This confirmed that a low-heat input hot-wire laser welding process had been carried out.
- Charpy impact and tensile tests were carried out on joints that had been welded under optimized conditions. Charpy impact tests were carried out on the weld metal and at the fusion boundary. It was confirmed that the absorbed energy was 47 J or more at all positions when the test temperature was −20 °C. The location of the tensile test failure in the base metal confirmed that it was possible to obtain sound strength, compared with that of the base metal, even if softening occurred in the HAZ.
- FEM analysis was carried out for various widths of the softened area to confirm the effect of the weld metal on the strength of an undermatched joint. When the width of the weld metal was limited to 2.5 mm, the joint efficiency was 99% or more and, even when a soft weld metal area was produced, it was possible to obtain a tensile strength almost the same as that of the base material.
- FEM analysis was carried out to confirm the effect of changes in the HAZ softening region width on the strength of the joint. It was confirmed that the joint efficiency reached 100% when the softened HAZ width was very narrow (1.0 mm in this study), and fracture occurred in the base metal.
- Use of the narrow-gap hot-wire laser welding method enabled production of sound joints with a high balance between strength and toughness by the suppression of HAZ softening using a low-heat input process and the application of soft wire.
Author Contributions
Funding
Institutional Review Board Statement
Informed Consent Statement
Data Availability Statement
Acknowledgments
Conflicts of Interest
References
- Marumoto, K.; Fujinaga, A.; Takahashi, T.; Yamamoto, H.; Yamamoto, M. Selection of Welding Conditions for Achieving Both a High Efficiency and Low Heat Input for Hot-Wire Gas Metal Arc Welding. JMMP 2024, 8, 82. [Google Scholar] [CrossRef]
- Khan, M.S.; Soleimani, M.; Midawi, A.R.H.; Aderibigbe, I.; Zhou, Y.N.; Biro, E. A Review on Heat Affected Zone Softening of Dual-Phase Steels During Laser Welding. J. Manuf. Process. 2023, 102, 663–684. [Google Scholar] [CrossRef]
- Chen, L.; Nie, P.; Qu, Z.; Ojo, O.A.; Xia, L.; Li, Z.; Huang, J. Influence of Heat Input on the Changes in the Microstructure and Fracture Behavior of Laser Welded 800MPa Grade High-Strength Low-Alloy Steel. J. Manuf. Process. 2020, 50, 132–141. [Google Scholar] [CrossRef]
- Gáspár, M. Effect of Welding Heat Input on Simulated HAZ Areas in S960QL High Strength Steel. Metals 2019, 9, 1226. [Google Scholar] [CrossRef]
- Ramakrishna, R.V.S.M.; Amrutha, P.H.S.L.R.; Rahman Rashid, R.A.; Palanisamy, S. Narrow Gap Laser Welding (NGLW) of Structural Steels-a Technological Review and Future Research Recommendations. Int. J. Adv. Manuf. Technol. 2020, 111, 2277–2300. [Google Scholar] [CrossRef]
- Yang, W.; Xin, J.; Fang, C.; Dai, W.; Wei, J.; Wu, J.; Song, Y. Microstructure and Mechanical Properties of Ultra-Narrow Gap Laser Weld Joint of 100 Mm-Thick SUS304 Steel Plates. J. Mater. Process. Technol. 2019, 265, 130–137. [Google Scholar] [CrossRef]
- Ning, J.; Zhang, L.-J.; Yang, J.; Yin, X.-Q.; Wang, X.-W.; Wu, J. Characteristics of Multi-Pass Narrow-Gap Laser Welding of D406A Ultra-High Strength Steel. J. Mater. Process. Technol. 2019, 270, 168–181. [Google Scholar] [CrossRef]
- Vara Prasad, V.; Madhu Babu, C.; Ajay, P. A Review On Rotating Arc Welding Process. Mater. Today Proc. 2018, 5, 3551–3555. [Google Scholar] [CrossRef]
- Zhao, Y.; Ma, S.; Huang, J.; Wu, Y. Narrow-Gap Laser Welding Using Filler Wire of Thick Steel Plates. Int. J. Adv. Manuf. Technol. 2017, 93, 2955–2962. [Google Scholar] [CrossRef]
- Li, R.; Wang, T.; Wang, C.; Yan, F.; Shao, X.; Hu, X.; Li, J. A Study of Narrow Gap Laser Welding for Thick Plates Using the Multi-Layer and Multi-Pass Method. Opt. Laser Technol. 2014, 64, 172–183. [Google Scholar] [CrossRef]
- Wang, J.; Zhu, J.; Fu, P.; Su, R.; Han, W.; Yang, F. A Swing Arc System for Narrow Gap GMA Welding. ISIJ Int. 2012, 52, 110–114. [Google Scholar] [CrossRef]
- Suwannatee, N.; Yamamoto, M.; Shinohara, S. Optimization of Hot-Wire Fraction for Enhanced Quality in GMAW. Weld. World 2023, 68, 1017–1032. [Google Scholar] [CrossRef]
- Budde, L.; Biester, K.; Lammers, M.; Hermsdorf, J.; Kaierle, S.; Overmeyer, L. Influence of Process Parameters on Single Weld Seam Geometry and Process Stability in Laser Hot-Wire Cladding of AISI 52100. Adv. Ind. Manuf. Eng. 2023, 7, 100122. [Google Scholar] [CrossRef]
- Li, J.; Sun, Q.; Kang, K.; Zhen, Z.; Liu, Y.; Feng, J. Process Stability and Parameters Optimization of Narrow-Gap Laser Vertical Welding with Hot Wire for Thick Stainless Steel in Nuclear Power Plant. Opt. Laser Technol. 2020, 123, 105921. [Google Scholar] [CrossRef]
- Todo, M.; Shinozaki, K.; Yamamoto, M.; Kadoi, K.; Yamamoto, M.; Phaonaim, R.; Okagaito, T. Hot-Wire Laser Welding Process Using Laser Diode for Large-Diameter Pipe with Narrow Gap Joint. Q. J. Jpn. Weld. Soc. 2015, 33, 107s–110s. [Google Scholar] [CrossRef]
- Phaoniam, R.; Shinozaki, K.; Yamamoto, M.; Kadoi, K.; Tsuchiya, S.; Nishijima, A. Development of a Highly Efficient Hot-Wire Laser Hybrid Process for Narrow-Gap Welding-Welding Phenomena and Their Adequate Conditions. Weld World 2013, 57, 607–613. [Google Scholar] [CrossRef]
- Jiang, J.; Peng, Z.Y.; Ye, M.; Wang, Y.B.; Wang, X.; Bao, W. Thermal Effect of Welding on Mechanical Behavior of High-Strength Steel. J. Mater. Civ. Eng. 2021, 33, 04021186. [Google Scholar] [CrossRef]
- Chen, C.; Chiew, S.-P.; Zhao, M.-S.; Lee, C.-K.; Fung, T.-C. Influence of Cooling Rate on Tensile Behaviour of S690Q High Strength Steel Butt Joint. J. Constr. Steel Res. 2020, 173, 106258. [Google Scholar] [CrossRef]
- Schroepfer, D.; Witte, J.; Kromm, A.; Kannengiesser, T. Stresses in Repair Welding of High-Strength Steels-Part 1: Restraint and Cold Cracking Risk. Weld. World 2024, 68, 685–697. [Google Scholar] [CrossRef]
- Xin, H.; Correia, J.A.F.O.; Veljkovic, M.; Berto, F.; Manuel, L. Residual Stress Effects on Fatigue Life Prediction Using Hardness Measurements for Butt-Welded Joints Made of High Strength Steels. Int. J. Fatigue 2021, 147, 106175. [Google Scholar] [CrossRef]
- John, M.; Kumar, P.A.; Bhat, K.U. Effect of Filler Wire Strength on High Strength Low Alloy Steels. Mater. Today Proc. 2022, 49, 1286–1293. [Google Scholar] [CrossRef]
- Kim, D.-Y.; Lee, T.H.; Kim, C.; Kang, M.; Park, J. Gas Metal Arc Welding with Undermatched Filler Wire for Hot-Press-Formed Steel of 2.0 GPa Strength: Influence of Filler Wire Strength and Bead Geometry. Mater. Today Commun. 2023, 34, 105244. [Google Scholar] [CrossRef]
- Hochhauser, F.; Ernst, W.; Rauch, R.; Vallant, R.; Enzinger, N. Influence of the Soft Zone on the Strength of Welded Modern HSLA Steels. Weld. World 2012, 56, 77–85. [Google Scholar] [CrossRef]
- Rodrigues, D.M.; Menezes, L.F.; Loureiro, A.; Fernandes, J.V. Numerical Study of the Plastic Behaviour in Tension of Welds in High Strength Steels. Int. J. Plast. 2004, 20, 1–18. [Google Scholar] [CrossRef]
- Ikawa, H.; Oshige, H.; Noi, S.; Date, H.; Uchikawa, K. Study on the Grain Growth in Weld-Heat Affected Zone (Report 7). J. Jpn. Weld. Soc. 1997, 46, 636–641. [Google Scholar] [CrossRef]
- JIS Z2241; Metallic materials-Tensile testing-Method of test at room temperature. Japanese Industrial Standards: Tokyo, Japan, 2022.
- Pavlina, E.J.; Van Tyne, C.J. Correlation of Yield Strength and Tensile Strength with Hardness for Steels. J. Mater. Eng. Perform. 2008, 17, 888–893. [Google Scholar] [CrossRef]
- Han, Q.; Gao, J.; Han, C.; Zhang, G.; Li, Y. Experimental Investigation on Improving the Deposition Rate of Gas Metal Arc-Based Additive Manufacturing by Auxiliary Wire Feeding Method. Weld. World 2020, 65, 35–45. [Google Scholar] [CrossRef]
- Shehryar Khan, M.; Shahabad, S.I.; Yavuz, M.; Duley, W.W.; Biro, E.; Zhou, Y. Numerical Modelling and Experimental Validation of the Effect of Laser Beam Defocusing on Process Optimization During Fiber Laser Welding of Automotive Press-Hardened Steels. J. Manuf. Process. 2021, 67, 535–544. [Google Scholar] [CrossRef]
- Hung, C.-H.; Chen, W.-T.; Sehhat, M.H.; Leu, M.C. The Effect of Laser Welding Modes on Mechanical Properties and Microstructure of 304L Stainless Steel Parts Fabricated by Laser-Foil-Printing Additive Manufacturing. Int. J. Adv. Manuf. Technol. 2020, 112, 867–877. [Google Scholar] [CrossRef]
- Fu, Y.; Guo, N.; Cheng, Q.; Zhang, D.; Feng, J. Underwater Laser Welding for 304 Stainless Steel with Filler Wire. J. Mater. Res. Technol. 2020, 9, 15648–15661. [Google Scholar] [CrossRef]
- Tümer, M.; Schneider-Bröskamp, C.; Enzinger, N. Fusion Welding of Ultra-High Strength Structural Steels-A Review. J. Manuf. Process. 2022, 82, 203–229. [Google Scholar] [CrossRef]
- Bao, L.; Wang, Y.; Han, T. Study on Microstructure-Toughness Relationship in Heat Affected Zone of EQ70 Steel by Laser-Arc Hybrid Welding. Mater. Charact. 2021, 171, 110788. [Google Scholar] [CrossRef]
- Afkhami, S.; Javaheri, V.; Amraei, M.; Skriko, T.; Piili, H.; Zhao, X.-L.; Björk, T. Thermomechanical Simulation of the Heat-Affected Zones in Welded Ultra-High Strength Steels: Microstructure and Mechanical Properties. Mater. Des. 2022, 213, 110336. [Google Scholar] [CrossRef]
- Li, X.; Ma, X.; Subramanian, S.V.; Shang, C.; Misra, R.D.K. Influence of Prior Austenite Grain Size on Martensite-Austenite Constituent and Toughness in the Heat Affected Zone of 700MPa High Strength Linepipe Steel. Mater. Sci. Eng. A 2014, 616, 141–147. [Google Scholar] [CrossRef]
- Chen, S.; Tsang, D.K.L.; Jiang, L.; Yu, K.; Li, C.; Li, Z.; Zhou, X.; Yang, J. Microstructure and Local Strains in GH3535 Alloy Heat Affected Zone and Their Influence on the Mechanical Properties. Mater. Sci. Eng. A 2017, 699, 48–54. [Google Scholar] [CrossRef]
- Tümer, M.; Vallant, R.; Warchomicka, F.G.; Enzinger, N. Undermatched Welding of Ultra-High-Strength Steel S1100 with Metal-Cored Wire: Influence of Welding Positions on Mechanical Properties. J. Mater. Eng. Perform. 2022, 31, 7068–7079. [Google Scholar] [CrossRef]
- Ye, Z.; Chen, G.; Wang, W.; Wang, S.; Yang, J.; Huang, J. High-Strength and High-Toughness Weld of S690QL HSLA Steel via a High-Speed High Frequency Electric Cooperated Arc Welding Without Additional Heating Measures. Mater. Sci. Eng. A 2023, 880, 145328. [Google Scholar] [CrossRef]
- Gao, S.; Yue, Y.; Zhang, D.; Li, N.; Huang, Y.; Yan, J.; Yang, L. Effect of heat input on the mechanical properties of welded Q960E ultra-high strength steel butt joints. Eng. Struct. 2024, 303, 117503. [Google Scholar] [CrossRef]
- Liu, X.; Chung, K.-F.; Ho, H.-C.; Xiao, M.; Hou, Z.-X.; Nethercot, D.A. Mechanical behavior of high strength S690-QT steel welded sections with various heat input energy. Eng. Struct. 2018, 175, 245–256. [Google Scholar] [CrossRef]
- Yang, X.; Di, X.; Liu, X.; Wang, D.; Li, C. Effects of heat input on microstructure and fracture toughness of simulated coarse-grained heat affected zone for HSLA steels. Mater. Charact. 2019, 155, 109818. [Google Scholar] [CrossRef]
- Wen, C.; Wang, Z.; Deng, X.; Wang, G.; Misra, R.D.K. Effect of Heat Input on the Microstructure and Mechanical Properties of Low Alloy Ultra-High Strength Structural Steel Welded Joint. Steel Res. Int. 2018, 89, 1700500. [Google Scholar] [CrossRef]
- Guo, W.; Li, L.; Crowther, D.; Dong, S.; Francis, J.A.; Thompson, A. Laser welding of high strength steels (S960 and S700) with medium thickness. J. Laser Appl. 2016, 28, 022425. [Google Scholar] [CrossRef]
- Zhang, H.; Jiang, M.; Chen, X.; Wei, L.; Wang, S.; Jiang, Y.; Jiang, N.; Wang, Z.; Lei, Z.; Chen, Y. Investigation of Weld Root Defects in High-Power Full-Penetration Laser Welding of High-Strength Steel. Materials 2022, 15, 1095. [Google Scholar] [CrossRef] [PubMed]
- Schneider, C.; Ernst, W.; Schnitzer, R.; Staufer, H.; Vallant, R.; Enzinger, N. Welding of S960MC with undermatching filler material. Weld. World 2018, 62, 801–809. [Google Scholar] [CrossRef]
- Lee, Y.; Park, S.; Seon, J.; Han, H.; Lee, K.; Kang, N. Overcoming underfill defect with undermatching filler and establishing new acceptance criteria for underfill depth in laser beam welding of ultra-high strength steels. Weld. World 2023, 68, 259–271. [Google Scholar] [CrossRef]
- Ran, M.-M.; Sun, F.-F.; Li, G.-Q.; Wang, Y.-B. Mechanical properties of mismatched high strength steel butt joints with three softened/hardened strength distribution patterns. Thin-Walled Struct. 2020, 146, 106456. [Google Scholar] [CrossRef]
- Ran, M.-M.; Sun, F.-F.; Li, G.-Q.; Kanvinde, A.; Wang, Y.-B.; Xiao, R.Y. Experimental study on the behavior of mismatched butt welded joints of high strength steel. J. Constr. Steel Res. 2019, 153, 196–208. [Google Scholar] [CrossRef]
- Cai, W.-Y.; Wang, Y.-B.; Li, G.-Q.; Stroetmann, R. Comparative study on strength of TMCP and QT high-strength steel butt-welded joints. J. Constr. Steel Res. 2022, 197, 107447. [Google Scholar] [CrossRef]
























| Material | Chemical Composition, Mass% | |||||||||
|---|---|---|---|---|---|---|---|---|---|---|
| C | Si | Mn | P | S | Cu | Cr | Nb | V | Ti | |
| Base metal 780 MPa-class steel | 0.14 | 0.25 | 1.32 | 0.011 | 0.004 | 0.01 | 0.25 | 0.002 | 0.002 | 0.01 |
| Filler wire JIS Z3316W49A3U16 | 0.06 | 0.73 | 1.74 | 0.021 | 0.007 | 0.24 | 0.03 | -- | -- | -- |
| Parameter | (a) | (b) | (c) |
|---|---|---|---|
| Laser power, kW | 6.0 | ||
| Laser spot, mm | 1.6 × 11.0 | ||
| Laser irradiation angle, deg | 5 | ||
| Defocus length, mm | 10 | ||
| Welding speed, m/min | 0.3 | 0.5 | 0.75 |
| Energization distance, mm | 80 | ||
| Wire feeding speed, m/min | 8.2 | 13.7 | 20.5 |
| Hot-wire current, A | 158 | 178 | 248 |
| Weaving frequency, Hz | 10 | ||
| Parameter | |
|---|---|
| Laser power, kW | 6.0 |
| Laser spot, mm | 1.6 × 11.0 |
| Laser irradiation angle, deg | 5 |
| Defocus length, mm | 0 |
| Welding speed, m/min | 0.5 |
| Energization distance, mm | 80 |
| Wire feeding speed, m/min | 12.7 |
| Hot-wire current, A | 180 |
| Weaving frequency, Hz | 15 |
| Region | Vickers Hardness, HV | Width of Each Region (Half Width), mm | ||
|---|---|---|---|---|
| Weld metal | 220 | 2.5 (1.25) | 5.0 (2.5) | 7.5 (3.75) |
| HAZ 1 | 380 | 0.5 | ||
| HAZ 2 | 340 | 0.5 | ||
| HAZ 3 | 230 | 0.5 | ||
| HAZ 4 | 260 | 0.5 | ||
| Base metal | 280 | -- | ||
| Region | Vickers Hardness, HV | Width of Each Region (Half Width), mm | ||
|---|---|---|---|---|
| Weld metal | 280 | 2.5 (1.25) | ||
| HAZ 1 | 380 | 0.5 | ||
| HAZ 2 | 340 | 0.5 | ||
| HAZ 3 | 230 | 0.5 | 0.75 | 1.0 |
| HAZ 4 | 260 | 0.5 | ||
| Base metal | 280 | -- | ||
Disclaimer/Publisher’s Note: The statements, opinions and data contained in all publications are solely those of the individual author(s) and contributor(s) and not of MDPI and/or the editor(s). MDPI and/or the editor(s) disclaim responsibility for any injury to people or property resulting from any ideas, methods, instructions or products referred to in the content. |
© 2025 by the authors. Licensee MDPI, Basel, Switzerland. This article is an open access article distributed under the terms and conditions of the Creative Commons Attribution (CC BY) license (https://creativecommons.org/licenses/by/4.0/).
Share and Cite
Greebmalai, J.; Matsumoto, K.; Marumoto, K.; Yamamoto, M. Effect of Hardness Distribution on Strength of Narrow-Gap Hot-Wire Laser-Welded Joint for High-Tensile Strength Steel. Materials 2025, 18, 297. https://doi.org/10.3390/ma18020297
Greebmalai J, Matsumoto K, Marumoto K, Yamamoto M. Effect of Hardness Distribution on Strength of Narrow-Gap Hot-Wire Laser-Welded Joint for High-Tensile Strength Steel. Materials. 2025; 18(2):297. https://doi.org/10.3390/ma18020297
Chicago/Turabian StyleGreebmalai, Jukkapun, Kazuyuki Matsumoto, Keita Marumoto, and Motomichi Yamamoto. 2025. "Effect of Hardness Distribution on Strength of Narrow-Gap Hot-Wire Laser-Welded Joint for High-Tensile Strength Steel" Materials 18, no. 2: 297. https://doi.org/10.3390/ma18020297
APA StyleGreebmalai, J., Matsumoto, K., Marumoto, K., & Yamamoto, M. (2025). Effect of Hardness Distribution on Strength of Narrow-Gap Hot-Wire Laser-Welded Joint for High-Tensile Strength Steel. Materials, 18(2), 297. https://doi.org/10.3390/ma18020297

