Microstructural Investigation of Process Parameters Dedicated to Laser Powder Bed Fusion of AlSi7Mg0.6 Alloy
Abstract
1. Introduction
2. Materials and Methods
3. Results
3.1. Porosity Measurement
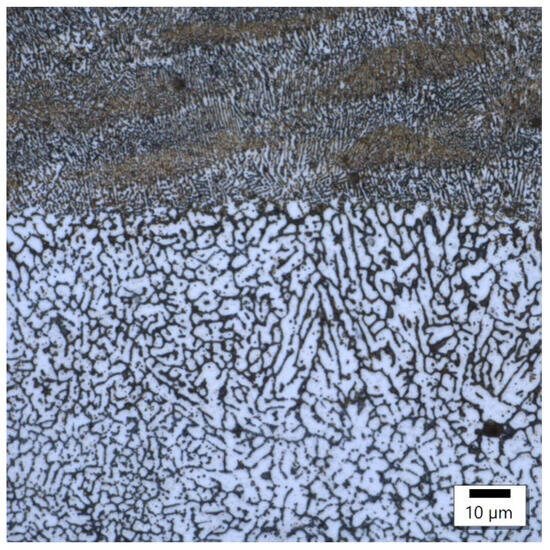
3.2. Metallography—Same Energy Density
3.3. Microhardness Measurement
3.4. Statistical Model
4. Conclusions
- Using high laser power (>300 W), there were no unmelted particles of material; on the other hand, thermal cracks were found.
- When using low laser power settings (<200 W) and high energy densities, paradoxically, a large number of large pores formed, and incorrectly melted powder particles also formed.
- Microhardness was not affected by the change in process parameters and reached a very narrow range of values.
- The quadratic surface regression model perfectly illustrates the technological windows and shows certain ranges of parameter values at which the porosity of the produced samples was low.
- Within the considered range of 22 groups of parameters, regarding the group of manufacturing parameters for which the samples showed the lowest porosity, the model indicated the same group, No. 14, which was characterized by the smallest number of defects in the case of actual measurements.
Author Contributions
Funding
Institutional Review Board Statement
Informed Consent Statement
Data Availability Statement
Acknowledgments
Conflicts of Interest
References
- Martucci, A.; Aversa, A.; Bondioli, F.; Fino, P.; Lombardi, M. Synergic Strategies to Improve the PBF-LB\M Processability of a Cracking-Sensitive Alloy. Mater. Des. 2022, 224, 111396. [Google Scholar] [CrossRef]
- Kotadia, H.R.; Gibbons, G.; Das, A.; Howes, P.D. A Review of Laser Powder Bed Fusion Additive Manufacturing of Aluminium Alloys: Microstructure and Properties. Addit. Manuf. 2021, 46, 102155. [Google Scholar] [CrossRef]
- Smolina, I.; Gruber, K.; Pawlak, A.; Ziółkowski, G.; Grochowska, E.; Schob, D.; Kobiela, K.; Roszak, R.; Ziegenhorn, M.; Kurzynowski, T. Influence of the AlSi7Mg0.6 Aluminium Alloy Powder Reuse on the Quality and Mechanical Properties of LPBF Samples. Materials 2022, 15, 5019. [Google Scholar] [CrossRef] [PubMed]
- Cacace, S.; Gökhan Demir, A.; Sala, G.; Mattia Grande, A. Influence of Production Batch Related Parameters on Static and Fatigue Resistance of LPBF Produced AlSi7Mg0.6. Int. J. Fatigue 2022, 165, 107227. [Google Scholar] [CrossRef]
- Grande, A.M.; Cacace, S.; Demir, A.G.; Sala, G. Fracture and Fatigue Behaviour of AlSi7Mg0. 6 Produced by Selective Laser Melting: Effects of Thermal-Treatments. In Proceedings of the 25th Conference of the Italian Association of Aeronautics and Astronautics (AIDAA 2019), Rome, Italy, 9–12 September 2019; pp. 1138–1144. [Google Scholar]
- Arvieu, C.; Galy, C.; Le Guen, E.; Lacoste, E. Relative Density of SLM-Produced Aluminum Alloy Parts: Interpretation of Results. J. Manuf. Mater. Process. 2020, 4, 83. [Google Scholar] [CrossRef]
- Galy, C.; Le Guen, E.; Lacoste, E.; Arvieu, C. Main Defects Observed in Aluminum Alloy Parts Produced by SLM: From Causes to Consequences. Addit. Manuf. 2018, 22, 165–175. [Google Scholar] [CrossRef]
- Fielden-Stewart, Z.; Coope, T.; Bacheva, D.; Kim, B.C. Effect of the Surface Morphology of SLM Printed Aluminium on the Interfacial Fracture Toughness of Metal-Composite Hybrid Joints. Int. J. Adhes. Adhes. 2021, 105, 102779. [Google Scholar] [CrossRef]
- Aboulkhair, N.T.; Simonelli, M.; Parry, L.; Ashcroft, I.; Tuck, C.; Hague, R. 3D Printing of Aluminium Alloys: Additive Manufacturing of Aluminium Alloys Using Selective Laser Melting. Prog. Mater. Sci. 2019, 106, 100578. [Google Scholar] [CrossRef]
- Cabrera-Correa, L.; González-Rovira, L.; de Dios López-Castro, J.; Botana, F.J. Pitting and Intergranular Corrosion of Scalmalloy® Aluminium Alloy Additively Manufactured by Selective Laser Melting (SLM). Corros. Sci. 2022, 201, 110273. [Google Scholar] [CrossRef]
- Kumar, M.S.; Javidrad, H.R.; Shanmugam, R.; Ramoni, M.; Adediran, A.A.; Pruncu, C.I. Impact of Print Orientation on Morphological and Mechanical Properties of L-PBF Based AlSi7Mg Parts for Aerospace Applications. Silicon 2022, 14, 7083–7097. [Google Scholar] [CrossRef]
- Fan, H.; Witvrouw, A.; Wolf-Monheim, F.; Souschek, R.; Yang, S. Hybrid Additive Manufacturing of Cost-Effective Automobile Parts by Die-Casting (AlSi7Mg0.3 (A356)) and Selective Laser Melting (AlSi7Mg0.5 (A357))-Effects of Substrate Surface Treatments on Bimetallic Interface Bonding Quality. Available online: https://osf.io/preprints/osf/exbsd (accessed on 16 June 2023).
- Yadav, P.; Rigo, O.; Arvieu, C.; Lacoste, E. Microstructural and Mechanical Aspects of AlSi7Mg0.6 Alloy Related to Scanning Strategies in L-PBF. Int. J. Adv. Manuf. Technol. 2022, 120, 6205–6223. [Google Scholar] [CrossRef]
- Mauduit, A.; Gransac, H.; Auguste, P.; Pillot, S.; Diószegi, A. Study of AlSi7Mg0.6 Alloy by Selective Laser Melting: Mechanical Properties, Microstructure, Heat Treatment. J. Cast. Mater. Eng. 2019, 3, 1–13. [Google Scholar] [CrossRef]
- Godec, D.; Gonzalez-Gutierrez, J.; Nordin, A.; Pei, E.; Ureña Alcázar, J. A Guide to Additive Manufacturing; Springer Nature: Berlin/Heidelberg, Germany, 2022; ISBN 978-3-031-05863-9. [Google Scholar]
- Wang, L.; Jiang, X.; Zhu, Y.; Ding, Z.; Zhu, X.; Sun, J.; Yan, B. Investigation of Performance and Residual Stress Generation of AlSi10Mg Processed by Selective Laser Melting. Adv. Mater. Sci. Eng. 2018, 2018, 7814039. [Google Scholar] [CrossRef]
- Del Guercio, G.; Simonelli, M. Increasing the Build Rate of High-Strength Aluminium Alloys Produced by Laser Powder Bed Fusion. Opt. Laser Technol. 2023, 161, 109133. [Google Scholar] [CrossRef]
- Bonneric, M.; Brugger, C.; Saintier, N. Effect of Hot Isostatic Pressing on the Critical Defect Size Distribution in AlSi7Mg0.6 Alloy Obtained by Selective Laser Melting. Int. J. Fatigue 2020, 140, 105797. [Google Scholar] [CrossRef]
- Mauduit, A.; Gransac, H.; Auguste, P.; Pillot, S.; Diószegi, A.; Aboulkhair, N.T.; Simonelli, M.; Parry, L.; Ashcroft, I.; Tuck, C.; et al. Effect of hot isostatic pressing on the critical defect size distribution in AlSi7Mg0.6 alloy obtained by selective laser melting. Int. J. Fatigue 2022, 15, 6753–6760. [Google Scholar] [CrossRef]
- Ma, Q.P.; Mesicek, J.; Fojtik, F.; Hajnys, J.; Krpec, P.; Pagac, M.; Petru, J. Residual Stress Build-Up in Aluminum Parts Fabricated with SLM Technology Using the Bridge Curvature Method. Materials 2022, 15, 6057. [Google Scholar] [CrossRef] [PubMed]
- Dietrich, S.; Zaeh, M.F. Arc-Based Powder Production of AlSi7Mg0.6. Procedia Manuf. 2019, 40, 27–31. [Google Scholar] [CrossRef]
- Ngo, T.D.; Kashani, A.; Imbalzano, G.; Nguyen, K.T.Q.; Hui, D. Additive Manufacturing (3D Printing): A Review of Materials, Methods, Applications and Challenges. Compos. Part B Eng. 2018, 143, 172–196. [Google Scholar] [CrossRef]
- WWang, D.; Deng, G.W.; Yang, Y.Q.; Chen, J.; Wu, W.H.; Wang, H.L.; Tan, C.L. Interface Microstructure and Mechanical Properties of Selective Laser Melted Multilayer Functionally Graded Materials. J. Cent. South Univ. 2021, 28, 1155–1169. [Google Scholar] [CrossRef]
- SLM Solutions AG Material Data Sheet Al-Alloy AlSi7Mg0,6/EN AC-42200. 2023, 7–9. Available online: https://www.slm-solutions.com/fileadmin/Content/Powder/MDS/MDS_Al-Alloy_AlSi7Mg0_6_0219_EN.pdf (accessed on 16 June 2023).
- Adegoke, O.; Andersson, J.; Brodin, H.; Pederson, R. Influence of Laser Powder Bed Fusion Process Parameters on Voids, Cracks, and Microhardness of Nickel-Based Superalloy Alloy 247LC. Materials 2020, 13, 3770. [Google Scholar] [CrossRef] [PubMed]
- Łuszczek, J.; Śnieżek, L.; Grzelak, K.; Kluczyński, J.; Torzewski, J.; Szachogłuchowicz, I.; Wachowski, M.; Karpiński, M. Processability of 21NiCrMo2 Steel Using the Laser Powder Bed Fusion: Selection of Process Parameters and Resulting Mechanical Properties. Materials 2022, 15, 8972. [Google Scholar] [CrossRef] [PubMed]
- Chugunov, S.; Adams, N.A.; Akhatov, I. Evolution of SLA-Based Al2O3 Microstructure During Additive Manufacturing Process. Materials 2020, 13, 3928. [Google Scholar] [CrossRef]
- Liu, X.; Zhang, M.; Li, S.; Si, L.; Peng, J.; Hu, Y. Mechanical Property Parametric Appraisal of Fused Deposition Modeling Parts Based on the Gray Taguchi Method. Int. J. Adv. Manuf. Technol. 2017, 89, 2387–2397. [Google Scholar] [CrossRef]
- Gaulard, F.; Schmied, J.; Fuchs, A.; Major, B.; Sandu, A.V.; Abdullah, M.M.A.B.; Nabiałek, M.; Tański, T.; Zieliński, A.; Fiuk, G.; et al. Sustainability in Production in the Aspect. Bull. Polish Acad. Sci. Technol. Sci. 2021, 69, 1–9. [Google Scholar] [CrossRef]
- Pinkerton, A.J. [INVITED] Lasers in Additive Manufacturing. Opt. Laser Technol. 2016, 78, 25–32. [Google Scholar] [CrossRef]
- Kair, A.B.; Sofos, K. Additive Manufacturing and Production of Metallic Parts in Automotive Industry: A Case Study on Technical, Economic and Environmental Sustainability Aspects. 2014. Available online: http://www.diva-portal.org/smash/record.jsf?pid=diva2%3A740682&dswid=-4901 (accessed on 26 June 2023).
- Andreau, O.; Pessard, E.; Koutiri, I.; Penot, J.D.; Dupuy, C.; Saintier, N.; Peyre, P. A Competition between the Contour and Hatching Zones on the High Cycle Fatigue Behaviour of a 316L Stainless Steel: Analyzed Using X-Ray Computed Tomography. Mater. Sci. Eng. A 2019, 757, 146–159. [Google Scholar] [CrossRef]
- Masuo, H.; Tanaka, Y.; Morokoshi, S.; Yagura, H.; Uchida, T.; Yamamoto, Y.; Murakami, Y. Effects of Defects, Surface Roughness and HIP on Fatigue Strength of Ti-6Al-4V Manufactured by Additive Manufacturing. Procedia Struct. Integr. 2017, 7, 19–26. [Google Scholar] [CrossRef]
- Vaudreuil, S.; Bencaid, S.E.; Vanaei, H.R.; El Magri, A. Effects of Power and Laser Speed on the Mechanical Properties of AlSi7Mg0.6 Manufactured by Laser Powder Bed Fusion. Materials 2022, 15, 8640. [Google Scholar] [CrossRef]
- Birol, Y. Effect of Solution Heat Treatment on the Age Hardening Capacity of Dendritic and Globular AlSi7Mg0.6 Alloys. Int. J. Mater. Res. 2010, 101, 439–444. [Google Scholar] [CrossRef]















| Al | Cu | Fe | Mg | Nb+Ta | Mn | Si | Ti | N | Zn | Other Each | Another Total |
|---|---|---|---|---|---|---|---|---|---|---|---|
| Bal. | 0.05 | 0.19 | 0.45–0.70 | / | 0.1 | 6.50–7.50 | 0.25 | / | 0.07 | 0.03 | 0.10 |
| Sample | Power P [W] | Layer Thickness [mm] | Exposure Velocity [mm/s] | Hatching Distance [mm] | Energy Density [J/mm3] |
|---|---|---|---|---|---|
| 1 | 350 | 0.03 | 1650 | 0.13 | 54.390 |
| 2 | 350 | 0.03 | 1650 | 0.14 | 50.505 |
| 3 | 350 | 0.03 | 1650 | 0.12 | 58.923 |
| 4 | 385 | 0.03 | 1650 | 0.13 | 59.829 |
| 5 | 315 | 0.03 | 1650 | 0.13 | 48.951 |
| 6 | 350 | 0.03 | 1815 | 0.13 | 49.446 |
| 7 | 350 | 0.03 | 1485 | 0.13 | 60.433 |
| 8 | 350 | 0.03 | 1650 | 0.15 | 47.138 |
| 9 | 350 | 0.03 | 1650 | 0.11 | 64.279 |
| 10 | 400 | 0.03 | 1650 | 0.13 | 62.160 |
| 11 | 280 | 0.03 | 1650 | 0.13 | 43.512 |
| 12 | 350 | 0.03 | 1980 | 0.13 | 45.325 |
| 13 | 350 | 0.03 | 1320 | 0.13 | 67.988 |
| 14 | 190 | 0.03 | 800 | 0.13 | 60.897 |
| 15 | 180 | 0.03 | 800 | 0.13 | 57.692 |
| 16 | 170 | 0.03 | 800 | 0.13 | 54.487 |
| 17 | 190 | 0.03 | 1000 | 0.12 | 52.778 |
| 18 | 180 | 0.03 | 1000 | 0.12 | 50.000 |
| 19 | 170 | 0.03 | 1000 | 0.12 | 47.222 |
| 20 | 190 | 0.03 | 1000 | 0.11 | 57.576 |
| 21 | 180 | 0.03 | 1000 | 0.11 | 54.545 |
| 22 | 170 | 0.03 | 1000 | 0.11 | 51.515 |
| 23 | 190 | 0.03 | 1200 | 0.11 | 47.980 |
| 24 | 180 | 0.03 | 1200 | 0.11 | 45.455 |
| 25 | 170 | 0.03 | 1200 | 0.11 | 42.929 |
| 26 | 190 | 0.03 | 1200 | 0.1 | 52.778 |
| 27 | 190 | 0.03 | 1200 | 0.09 | 58.642 |
| 28 | 190 | 0.03 | 1200 | 0.08 | 65.972 |
| 29 | 190 | 0.03 | 1200 | 0.07 | 75.397 |
| 30 | 190 | 0.03 | 1200 | 0.06 | 87.963 |
| 31 | 190 | 0.03 | 1200 | 0.05 | 105.556 |
| 32 | 190 | 0.03 | 1000 | 0.05 | 126.667 |
| 33 | 190 | 0.03 | 1000 | 0.06 | 105.556 |
| 34 | 190 | 0.03 | 1000 | 0.07 | 90.476 |
| 35 | 190 | 0.03 | 800 | 0.07 | 113.095 |
| 36 | 190 | 0.03 | 800 | 0.06 | 131.944 |
| 37 | 190 | 0.03 | 800 | 0.07 | 113.095 |
| Sample | Power [W] | Layer Thickness [mm] | Exposure Velocity [mm/s] | Hatching Distance [mm] | Energy Density [J/mm3] | Measured Porosity (%) |
|---|---|---|---|---|---|---|
| 25 | 170 | 0.03 | 1200 | 0.11 | 42.929 | 1.67 |
| 36 | 190 | 0.03 | 800 | 0.06 | 131.944 | 1.53 |
| Sample | Power [W] | Layer Thickness [mm] | Exposure Velocity [mm/s] | Hatching Distance [mm] | Energy Density [J/mm3] | Measured Porosity (%) |
|---|---|---|---|---|---|---|
| 2 | 350 | 0.03 | 1650 | 0.14 | 50.505 | 0.78 |
| 18 | 180 | 0.03 | 1000 | 0.12 | 50.000 | 1.05 |
| Sample | Measured Porosity (%) | (Pρ) [%]—Statistic Model Equation (3) | Measured Max Perimeter [mm] | Measured Average Perimeter [mm] |
|---|---|---|---|---|
| 1 | 0.75 | 0.72 | 0.33 | 0.05 |
| 2 | 0.78 | - | 0.35 | 0.05 |
| 3 | 0.70 | 0.77 | 0.35 | 0.05 |
| 4 | 0.75 | - | 0.36 | 0.06 |
| 5 | 0.90 | - | 0.48 | 0.06 |
| 6 | 1.01 | - | 0.42 | 0.05 |
| 7 | 0.92 | - | 0.37 | 0.06 |
| 8 | 0.71 | - | 0.31 | 0.05 |
| 9 | 0.87 | 0.83 | 0.44 | 0.06 |
| 10 | 1.04 | - | 0.43 | 0.06 |
| 11 | 0.79 | - | 0.45 | 0.06 |
| 12 | 1.16 | - | 0.38 | 0.05 |
| 13 | 1.45 | - | 0.53 | 0.06 |
| 14 | 0.38 | 0.43 | 0.63 | 0.04 |
| 15 | 0.48 | 0.47 | 0.39 | 0.05 |
| 16 | 0.61 | 0.57 | 1.41 | 0.06 |
| 17 | 0.46 | 0.53 | 0.84 | 0.05 |
| 18 | 1.05 | 0.70 | 0.97 | 0.06 |
| 19 | 0.64 | 0.93 | 0.59 | 0.06 |
| 20 | 0.77 | 0.66 | 0.64 | 0.06 |
| 21 | 0.86 | 0.85 | 1.47 | 0.06 |
| 22 | 1.09 | 1.09 | 1.00 | 0.06 |
| 23 | 0.74 | 0.90 | 0.56 | 0.06 |
| 24 | 1.21 | 1.22 | 3.71 | 0.06 |
| 25 | 1.67 | 1.59 | 0.77 | 0.06 |
| 26 | 1.34 | - | 0.93 | 0.06 |
| 27 | 1.06 | - | 0.82 | 0.06 |
| 28 | 0.98 | - | 0.56 | 0.06 |
| 29 | 1.71 | 1.54 | 1.29 | 0.08 |
| 30 | 1.62 | 1.71 | 1.62 | 0.09 |
| 31 | 1.32 | - | 1.04 | 0.07 |
| 32 | 1.42 | - | 1.70 | 0.09 |
| 33 | 1.25 | 1.38 | 1.17 | 0.08 |
| 34 | 1.27 | 1.23 | 0.85 | 0.08 |
| 35 | 0.80 | 1.16 | 0.57 | 0.07 |
| 36 | 1.53 | 1.29 | 2.02 | 0.10 |
| 37 | 1.28 | 1.16 | 1.35 | 0.08 |
| Laser Power [W] | Exposure Velocity [mm/s] | Hatching Distance [mm] | Layer Height [mm] | Predicted Porosity [%] |
|---|---|---|---|---|
| 282.86 | 1650 | 0.13 | 0.03 | ≈0% |
Disclaimer/Publisher’s Note: The statements, opinions and data contained in all publications are solely those of the individual author(s) and contributor(s) and not of MDPI and/or the editor(s). MDPI and/or the editor(s) disclaim responsibility for any injury to people or property resulting from any ideas, methods, instructions or products referred to in the content. |
© 2024 by the authors. Licensee MDPI, Basel, Switzerland. This article is an open access article distributed under the terms and conditions of the Creative Commons Attribution (CC BY) license (https://creativecommons.org/licenses/by/4.0/).
Share and Cite
Kluczyński, J.; Dražan, T.; Joska, Z.; Łuszczek, J.; Kosturek, R.; Jasik, K. Microstructural Investigation of Process Parameters Dedicated to Laser Powder Bed Fusion of AlSi7Mg0.6 Alloy. Materials 2024, 17, 2156. https://doi.org/10.3390/ma17092156
Kluczyński J, Dražan T, Joska Z, Łuszczek J, Kosturek R, Jasik K. Microstructural Investigation of Process Parameters Dedicated to Laser Powder Bed Fusion of AlSi7Mg0.6 Alloy. Materials. 2024; 17(9):2156. https://doi.org/10.3390/ma17092156
Chicago/Turabian StyleKluczyński, Janusz, Tomáš Dražan, Zdeněk Joska, Jakub Łuszczek, Robert Kosturek, and Katarzyna Jasik. 2024. "Microstructural Investigation of Process Parameters Dedicated to Laser Powder Bed Fusion of AlSi7Mg0.6 Alloy" Materials 17, no. 9: 2156. https://doi.org/10.3390/ma17092156
APA StyleKluczyński, J., Dražan, T., Joska, Z., Łuszczek, J., Kosturek, R., & Jasik, K. (2024). Microstructural Investigation of Process Parameters Dedicated to Laser Powder Bed Fusion of AlSi7Mg0.6 Alloy. Materials, 17(9), 2156. https://doi.org/10.3390/ma17092156

