Stress Concentration Factors for Non-Load-Carrying Welded Cruciform Joints Subjected to Tension, Bending, and Shear
Abstract
1. Introduction
- In EN ISO 5817:2014 [27], quality levels for imperfections are described. Numerous geometrical cases of imperfections are depicted in the form of tables. All geometrical cases do not depend on the material properties and are valid for all specified materials.
- Many recommended mechanical methods applied to improve the fatigue strength of weldments, such as grinding, re-melting, weld reinforcement, various types of hammer-peening, etc., consist of changing the weld toe geometry by increasing the radius to reduce the stress concentration, i.e., to diminish SCFs (see [27] Welding and allied processes. Quality levels for imperfections and the report of IIW Commission XIII, Recommendations on Post Weld Improvements of Steel and Aluminium Structure, Section 1: ‘Modification of weld toe geometry’).
- There are many papers relating the FAT approach to the particular types of welded joints. ‘Particular joints’ means ‘joints of different geometries’ and the ‘FAT approach’ means ‘fatigue life characteristics based on the variable stress range’. The conclusions are obvious. All remaining properties and factors are less important than the geometrical and loading ones.
2. Methodology
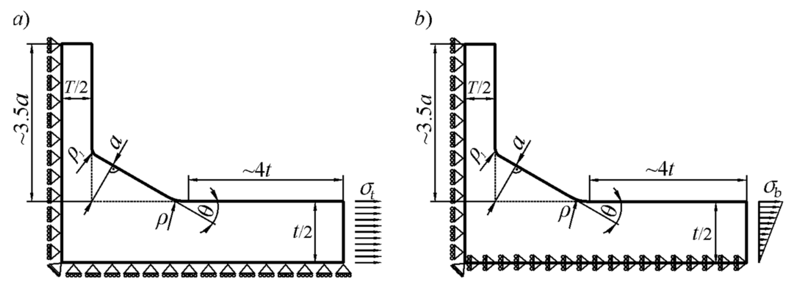
2.1. General Assumptions
- The material of the joint is linear elastic, homogeneous, and isotropic;
- The elastic properties of the main plate, attachment plates, and welds are the same;
- The welded joint is free from residual stresses, structural irregularities, and imperfections, including a lack of penetration defects;
- Both attached plates are co-linear and perpendicular to the main plate;
- All four welds satisfy the double symmetry of the connection;
- The weld faces are plane, and the contour of the weldment is smooth with a transition toe radius ρ > 0;
- External load—axial, bending, and shearing—is applied far enough from the welds in order to satisfy the principle of Saint-Venant;
- Small deformations occur in the whole body;
- Five geometrical parameters: ρ, a, θ, t, and T vary in the following ranges: 0 < ρ/a ≤ 1.3, 0 < a/t ≤ 1.3, 1 ≤ T/a ≤ 4, and 30° ≤ θ ≤ 60°;
- Particular stress concentration factors for different loading modes are defined as follows: Ktt = σ1max/σt, Ktb = σ1max/σb, and Kts = τmax/τs.
2.2. General Approach
3. Numerical FEM Modeling and Some SCF Results
3.1. Tensile and Bending Load
3.2. Shearing Load
3.3. Numerical SCF Results
4. SCF Approximation Formulas
4.1. Representation of P Functions
4.2. Validation of the P Functions
4.3. Determination of the Correction Functions κ
4.4. Validation of SCF Parametric Equations
5. Conclusions
- Comparative studies of the stress concentration in cruciform joints of different dimensions;
- Hot spot approaches;
- The weight function method used for cracks initiated at the weld toe;
- Dealing with the possible mechanical improvements in the weld toe region.
Author Contributions
Funding
Institutional Review Board Statement
Informed Consent Statement
Data Availability Statement
Conflicts of Interest
Nomenclature
| a | weld throat thickness |
| G | shear modulus |
| h, hp | leg lengths |
| k | thermal conductivity |
| Kt | stress concentration factor (SCF) |
| Ktt | stress concentration factor for tensile (axial) load |
| Ktb | stress concentration factor for bending load |
| Kts | stress concentration factor for shearing load |
| m, p | exponents dependent on the loading mode |
| n | stress field exponent for a sharp corner for axial and bending load |
| ns | stress field exponent for a sharp corner subjected to shearing load |
| P | regular function represented by polynomials |
| Pt, Pb, Ps | P functions corresponding to tensile, bending, and shearing load, respectively |
| Q | magnitude of the heat flux |
| qmax | magnitude of the maximum heat flux |
| qnom | magnitude of the nominal heat flux at the end of the body |
| t | thickness of the main plate |
| T | thickness of the attachment plates |
| Ttemp | temperature |
| W | displacement component corresponding to the anti-plane shear |
| X = ρ/(ρ + a) | normalized toe radius parameter |
| Y = a/(a + t) | normalized weld thickness parameter |
| Z = T/a | normalized attachment plate thickness parameter |
| Z0 | reference T/a value |
| |∇Ψ| | magnitude of the displacement (temperature) gradient |
| |∇Ψ|max | magnitude of the maximum displacement (temperature) gradient |
| |∇Ψ|nom | magnitude of the nominal displacement (temperature) gradient |
| θ | weld angle |
| κ | correction function for the attachment plate thickness T/a |
| κt | correction function κ for tensile (axial) load |
| κb | correction function κ for bending load |
| κs | correction function κ for shearing load |
| Ψ(x,y) | potential function representing temperature or anti-plane displacement |
| ∂Ψ/∂n | normal derivative at the bounding contour |
| ρ | weld toe radius |
| σ1 | first principal stress for tensile or bending load |
| σ1max | maximum value of the first principal stress |
| σt | nominal tensile (axial) stress |
| σb | nominal bending stress |
| τmax | maximum shear stress at the weld toe due to shearing load |
| τs | nominal shear stress |
Appendix A
Appendix B
| θ = 30° | X | |||||||||||||||
|---|---|---|---|---|---|---|---|---|---|---|---|---|---|---|---|---|
| Y | 0.010 | 0.018 | 0.025 | 0.032 | 0.050 | 0.079 | 0.100 | 0.150 | 0.200 | 0.250 | 0.300 | 0.350 | 0.400 | 0.450 | 0.500 | 0.562 |
| 0.010 | 5.323 | 4.598 | 4.215 | 3.967 | 3.522 | 3.115 | 2.927 | 2.611 | 2.398 | 2.237 | 2.106 | 1.996 | 1.899 | 1.813 | 1.735 | 1.645 |
| 0.018 | 5.324 | 4.600 | 4.216 | 3.969 | 3.523 | 3.116 | 2.927 | 2.612 | 2.399 | 2.237 | 2.107 | 1.996 | 1.900 | 1.814 | 1.735 | 1.645 |
| 0.025 | 5.324 | 4.602 | 4.217 | 3.971 | 3.525 | 3.117 | 2.928 | 2.613 | 2.400 | 2.238 | 2.108 | 1.997 | 1.900 | 1.814 | 1.736 | 1.646 |
| 0.032 | 5.326 | 4.604 | 4.220 | 3.972 | 3.526 | 3.119 | 2.930 | 2.614 | 2.401 | 2.239 | 2.108 | 1.998 | 1.901 | 1.815 | 1.737 | 1.647 |
| 0.050 | 5.326 | 4.603 | 4.221 | 3.974 | 3.530 | 3.122 | 2.933 | 2.618 | 2.404 | 2.243 | 2.112 | 2.001 | 1.904 | 1.818 | 1.739 | 1.649 |
| 0.079 | 5.342 | 4.618 | 4.235 | 3.986 | 3.541 | 3.132 | 2.943 | 2.626 | 2.411 | 2.249 | 2.118 | 2.007 | 1.910 | 1.823 | 1.744 | 1.653 |
| 0.100 | 5.347 | 4.625 | 4.240 | 3.991 | 3.545 | 3.136 | 2.946 | 2.629 | 2.414 | 2.252 | 2.120 | 2.009 | 1.912 | 1.824 | 1.745 | 1.654 |
| 0.150 | 5.318 | 4.597 | 4.214 | 3.967 | 3.523 | 3.117 | 2.929 | 2.612 | 2.399 | 2.237 | 2.106 | 1.994 | 1.897 | 1.810 | 1.730 | 1.638 |
| 0.200 | 5.199 | 4.492 | 4.118 | 3.877 | 3.444 | 3.046 | 2.862 | 2.552 | 2.344 | 2.185 | 2.056 | 1.946 | 1.850 | 1.764 | 1.686 | 1.593 |
| 0.250 | 5.009 | 4.326 | 3.967 | 3.734 | 3.316 | 2.933 | 2.755 | 2.458 | 2.256 | 2.102 | 1.978 | 1.872 | 1.779 | 1.695 | 1.618 | 1.529 |
| 0.300 | 4.786 | 4.133 | 3.786 | 3.565 | 3.166 | 2.800 | 2.630 | 2.346 | 2.153 | 2.006 | 1.887 | 1.786 | 1.697 | 1.617 | 1.543 | 1.458 |
| 0.350 | 4.543 | 3.930 | 3.601 | 3.390 | 3.010 | 2.662 | 2.500 | 2.230 | 2.047 | 1.907 | 1.794 | 1.698 | 1.614 | 1.538 | 1.468 | 1.388 |
| 0.400 | 4.327 | 3.732 | 3.420 | 3.219 | 2.859 | 2.528 | 2.375 | 2.118 | 1.944 | 1.812 | 1.705 | 1.614 | 1.534 | 1.463 | 1.398 | 1.324 |
| 0.450 | 4.108 | 3.548 | 3.250 | 3.060 | 2.716 | 2.402 | 2.256 | 2.013 | 1.848 | 1.723 | 1.621 | 1.536 | 1.461 | 1.395 | 1.334 | 1.267 |
| 0.500 | 3.912 | 3.372 | 3.089 | 2.908 | 2.582 | 2.283 | 2.145 | 1.914 | 1.757 | 1.639 | 1.543 | 1.463 | 1.393 | 1.332 | 1.278 | 1.218 |
| 0.562 | 3.670 | 3.166 | 2.902 | 2.730 | 2.423 | 2.144 | 2.014 | 1.797 | 1.652 | 1.542 | 1.454 | 1.380 | 1.318 | 1.264 | 1.217 | 1.168 |
| θ = 40° | X | |||||||||||||||
|---|---|---|---|---|---|---|---|---|---|---|---|---|---|---|---|---|
| Y | 0.010 | 0.018 | 0.025 | 0.032 | 0.050 | 0.079 | 0.100 | 0.150 | 0.200 | 0.250 | 0.300 | 0.350 | 0.400 | 0.450 | 0.500 | 0.562 |
| 0.010 | 6.365 | 5.322 | 4.791 | 4.452 | 3.853 | 3.322 | 3.081 | 2.690 | 2.434 | 2.246 | 2.098 | 1.976 | 1.873 | 1.783 | 1.702 | 1.614 |
| 0.018 | 6.366 | 5.324 | 4.792 | 4.453 | 3.854 | 3.323 | 3.082 | 2.691 | 2.435 | 2.247 | 2.098 | 1.977 | 1.873 | 1.783 | 1.703 | 1.614 |
| 0.025 | 6.368 | 5.326 | 4.793 | 4.454 | 3.855 | 3.324 | 3.083 | 2.691 | 2.436 | 2.247 | 2.099 | 1.977 | 1.874 | 1.783 | 1.703 | 1.615 |
| 0.032 | 6.369 | 5.325 | 4.795 | 4.455 | 3.856 | 3.324 | 3.084 | 2.692 | 2.436 | 2.248 | 2.100 | 1.978 | 1.874 | 1.784 | 1.704 | 1.615 |
| 0.050 | 6.363 | 5.327 | 4.795 | 4.456 | 3.858 | 3.327 | 3.087 | 2.695 | 2.439 | 2.251 | 2.102 | 1.980 | 1.877 | 1.786 | 1.706 | 1.617 |
| 0.079 | 6.384 | 5.346 | 4.809 | 4.470 | 3.870 | 3.338 | 3.096 | 2.704 | 2.447 | 2.258 | 2.109 | 1.986 | 1.882 | 1.791 | 1.711 | 1.621 |
| 0.100 | 6.398 | 5.359 | 4.821 | 4.480 | 3.879 | 3.345 | 3.103 | 2.709 | 2.452 | 2.262 | 2.113 | 1.990 | 1.885 | 1.794 | 1.713 | 1.623 |
| 0.150 | 6.415 | 5.369 | 4.830 | 4.489 | 3.887 | 3.351 | 3.109 | 2.713 | 2.454 | 2.263 | 2.113 | 1.989 | 1.883 | 1.791 | 1.708 | 1.616 |
| 0.200 | 6.353 | 5.318 | 4.784 | 4.446 | 3.849 | 3.319 | 3.078 | 2.685 | 2.427 | 2.237 | 2.086 | 1.962 | 1.856 | 1.762 | 1.679 | 1.584 |
| 0.250 | 6.203 | 5.193 | 4.672 | 4.342 | 3.759 | 3.239 | 3.004 | 2.619 | 2.366 | 2.179 | 2.031 | 1.908 | 1.803 | 1.710 | 1.626 | 1.532 |
| 0.300 | 5.983 | 5.009 | 4.506 | 4.188 | 3.624 | 3.123 | 2.895 | 2.524 | 2.279 | 2.097 | 1.953 | 1.833 | 1.731 | 1.640 | 1.559 | 1.466 |
| 0.350 | 5.718 | 4.787 | 4.305 | 4.001 | 3.463 | 2.984 | 2.766 | 2.410 | 2.175 | 2.001 | 1.863 | 1.748 | 1.649 | 1.563 | 1.485 | 1.397 |
| 0.400 | 5.433 | 4.546 | 4.090 | 3.801 | 3.289 | 2.834 | 2.627 | 2.289 | 2.065 | 1.900 | 1.769 | 1.660 | 1.566 | 1.484 | 1.411 | 1.330 |
| 0.450 | 5.140 | 4.302 | 3.870 | 3.596 | 3.112 | 2.681 | 2.485 | 2.166 | 1.955 | 1.798 | 1.675 | 1.572 | 1.485 | 1.409 | 1.342 | 1.270 |
| 0.500 | 4.853 | 4.060 | 3.653 | 3.394 | 2.938 | 2.531 | 2.346 | 2.045 | 1.846 | 1.700 | 1.584 | 1.489 | 1.409 | 1.340 | 1.280 | 1.217 |
| 0.562 | 4.506 | 3.769 | 3.390 | 3.150 | 2.726 | 2.350 | 2.178 | 1.900 | 1.717 | 1.583 | 1.478 | 1.393 | 1.323 | 1.264 | 1.215 | 1.166 |
| θ = 50° | X | |||||||||||||||
|---|---|---|---|---|---|---|---|---|---|---|---|---|---|---|---|---|
| Y | 0.010 | 0.018 | 0.025 | 0.032 | 0.050 | 0.079 | 0.100 | 0.150 | 0.200 | 0.250 | 0.300 | 0.350 | 0.400 | 0.450 | 0.500 | 0.562 |
| 0.010 | 7.054 | 5.749 | 5.097 | 4.688 | 3.982 | 3.373 | 3.103 | 2.676 | 2.405 | 2.211 | 2.061 | 1.941 | 1.840 | 1.754 | 1.678 | 1.596 |
| 0.018 | 7.055 | 5.750 | 5.097 | 4.689 | 3.983 | 3.373 | 3.104 | 2.676 | 2.405 | 2.211 | 2.061 | 1.941 | 1.840 | 1.754 | 1.679 | 1.596 |
| 0.025 | 7.056 | 5.751 | 5.099 | 4.690 | 3.984 | 3.374 | 3.104 | 2.677 | 2.406 | 2.211 | 2.062 | 1.941 | 1.841 | 1.754 | 1.679 | 1.597 |
| 0.032 | 7.059 | 5.753 | 5.100 | 4.691 | 3.985 | 3.375 | 3.105 | 2.678 | 2.406 | 2.212 | 2.062 | 1.942 | 1.841 | 1.755 | 1.680 | 1.597 |
| 0.050 | 7.042 | 5.749 | 5.098 | 4.691 | 3.986 | 3.377 | 3.108 | 2.680 | 2.409 | 2.214 | 2.065 | 1.944 | 1.843 | 1.757 | 1.681 | 1.599 |
| 0.079 | 7.065 | 5.766 | 5.113 | 4.704 | 3.997 | 3.387 | 3.116 | 2.687 | 2.415 | 2.220 | 2.070 | 1.949 | 1.848 | 1.761 | 1.686 | 1.603 |
| 0.100 | 7.084 | 5.780 | 5.126 | 4.716 | 4.007 | 3.395 | 3.124 | 2.693 | 2.421 | 2.225 | 2.074 | 1.953 | 1.851 | 1.764 | 1.688 | 1.605 |
| 0.150 | 7.121 | 5.811 | 5.151 | 4.740 | 4.027 | 3.411 | 3.138 | 2.705 | 2.429 | 2.232 | 2.079 | 1.956 | 1.853 | 1.764 | 1.686 | 1.600 |
| 0.200 | 7.105 | 5.800 | 5.142 | 4.730 | 4.018 | 3.402 | 3.128 | 2.694 | 2.417 | 2.218 | 2.064 | 1.939 | 1.834 | 1.743 | 1.663 | 1.574 |
| 0.250 | 7.012 | 5.724 | 5.074 | 4.668 | 3.963 | 3.353 | 3.082 | 2.651 | 2.376 | 2.177 | 2.023 | 1.897 | 1.792 | 1.700 | 1.618 | 1.526 |
| 0.300 | 6.837 | 5.579 | 4.943 | 4.548 | 3.860 | 3.264 | 2.999 | 2.577 | 2.306 | 2.110 | 1.958 | 1.834 | 1.729 | 1.638 | 1.556 | 1.465 |
| 0.350 | 6.588 | 5.376 | 4.763 | 4.381 | 3.718 | 3.143 | 2.887 | 2.478 | 2.215 | 2.025 | 1.877 | 1.756 | 1.654 | 1.565 | 1.486 | 1.398 |
| 0.400 | 6.296 | 5.136 | 4.551 | 4.186 | 3.551 | 3.000 | 2.755 | 2.363 | 2.111 | 1.929 | 1.787 | 1.671 | 1.573 | 1.488 | 1.413 | 1.331 |
| 0.450 | 5.975 | 4.873 | 4.318 | 3.971 | 3.368 | 2.845 | 2.612 | 2.240 | 2.001 | 1.827 | 1.693 | 1.583 | 1.491 | 1.412 | 1.344 | 1.270 |
| 0.500 | 5.640 | 4.599 | 4.075 | 3.747 | 3.178 | 2.685 | 2.465 | 2.114 | 1.888 | 1.725 | 1.599 | 1.497 | 1.413 | 1.342 | 1.281 | 1.217 |
| 0.562 | 5.214 | 4.251 | 3.766 | 3.464 | 2.938 | 2.483 | 2.280 | 1.956 | 1.749 | 1.601 | 1.487 | 1.397 | 1.323 | 1.263 | 1.214 | 1.165 |
| θ = 60° | X | |||||||||||||||
|---|---|---|---|---|---|---|---|---|---|---|---|---|---|---|---|---|
| Y | 0.010 | 0.018 | 0.025 | 0.032 | 0.050 | 0.079 | 0.100 | 0.150 | 0.200 | 0.250 | 0.300 | 0.350 | 0.400 | 0.450 | 0.500 | 0.562 |
| 0.010 | 7.381 | 5.922 | 5.194 | 4.746 | 3.984 | 3.343 | 3.065 | 2.633 | 2.364 | 2.175 | 2.031 | 1.916 | 1.821 | 1.741 | 1.671 | 1.595 |
| 0.018 | 7.403 | 5.923 | 5.196 | 4.747 | 3.984 | 3.343 | 3.066 | 2.633 | 2.365 | 2.175 | 2.032 | 1.917 | 1.822 | 1.741 | 1.671 | 1.595 |
| 0.025 | 7.405 | 5.925 | 5.196 | 4.748 | 3.985 | 3.344 | 3.066 | 2.634 | 2.365 | 2.176 | 2.032 | 1.917 | 1.822 | 1.741 | 1.671 | 1.596 |
| 0.032 | 7.407 | 5.924 | 5.198 | 4.749 | 3.986 | 3.344 | 3.067 | 2.634 | 2.366 | 2.176 | 2.033 | 1.918 | 1.822 | 1.742 | 1.672 | 1.596 |
| 0.050 | 7.392 | 5.920 | 5.195 | 4.748 | 3.987 | 3.347 | 3.068 | 2.636 | 2.368 | 2.179 | 2.034 | 1.920 | 1.824 | 1.744 | 1.674 | 1.598 |
| 0.079 | 7.409 | 5.936 | 5.208 | 4.761 | 3.998 | 3.355 | 3.077 | 2.643 | 2.374 | 2.184 | 2.039 | 1.924 | 1.829 | 1.748 | 1.678 | 1.602 |
| 0.100 | 7.427 | 5.950 | 5.220 | 4.772 | 4.007 | 3.363 | 3.083 | 2.648 | 2.378 | 2.188 | 2.043 | 1.928 | 1.832 | 1.751 | 1.680 | 1.604 |
| 0.150 | 7.479 | 5.988 | 5.254 | 4.801 | 4.031 | 3.382 | 3.100 | 2.661 | 2.389 | 2.196 | 2.050 | 1.932 | 1.835 | 1.752 | 1.679 | 1.599 |
| 0.200 | 7.496 | 6.001 | 5.265 | 4.810 | 4.037 | 3.384 | 3.101 | 2.658 | 2.383 | 2.188 | 2.039 | 1.919 | 1.819 | 1.733 | 1.657 | 1.573 |
| 0.250 | 7.449 | 5.964 | 5.229 | 4.777 | 4.006 | 3.355 | 3.071 | 2.629 | 2.352 | 2.155 | 2.005 | 1.883 | 1.781 | 1.693 | 1.614 | 1.526 |
| 0.300 | 7.319 | 5.857 | 5.135 | 4.690 | 3.930 | 3.287 | 3.007 | 2.569 | 2.294 | 2.098 | 1.948 | 1.826 | 1.723 | 1.634 | 1.554 | 1.465 |
| 0.350 | 7.107 | 5.688 | 4.986 | 4.552 | 3.812 | 3.185 | 2.912 | 2.483 | 2.213 | 2.021 | 1.873 | 1.752 | 1.651 | 1.563 | 1.485 | 1.398 |
| 0.400 | 6.841 | 5.469 | 4.793 | 4.375 | 3.662 | 3.057 | 2.793 | 2.378 | 2.117 | 1.931 | 1.788 | 1.670 | 1.572 | 1.488 | 1.414 | 1.331 |
| 0.450 | 6.524 | 5.215 | 4.570 | 4.171 | 3.489 | 2.911 | 2.658 | 2.261 | 2.011 | 1.833 | 1.695 | 1.585 | 1.493 | 1.413 | 1.344 | 1.270 |
| 0.500 | 6.178 | 4.937 | 4.326 | 3.948 | 3.302 | 2.753 | 2.514 | 2.137 | 1.900 | 1.732 | 1.602 | 1.499 | 1.414 | 1.342 | 1.281 | 1.217 |
| 0.562 | 5.719 | 4.571 | 4.004 | 3.655 | 3.056 | 2.548 | 2.326 | 1.978 | 1.760 | 1.606 | 1.489 | 1.397 | 1.324 | 1.263 | 1.214 | 1.165 |
| θ = 30° | X | |||||||||||||||
|---|---|---|---|---|---|---|---|---|---|---|---|---|---|---|---|---|
| Y | 0.010 | 0.018 | 0.025 | 0.032 | 0.050 | 0.079 | 0.100 | 0.150 | 0.200 | 0.250 | 0.300 | 0.350 | 0.400 | 0.450 | 0.500 | 0.562 |
| 0.010 | 5.322 | 4.600 | 4.218 | 3.971 | 3.527 | 3.121 | 2.931 | 2.616 | 2.402 | 2.241 | 2.110 | 1.999 | 1.903 | 1.816 | 1.737 | 1.648 |
| 0.018 | 5.326 | 4.603 | 4.221 | 3.974 | 3.530 | 3.123 | 2.933 | 2.617 | 2.405 | 2.242 | 2.111 | 2.000 | 1.903 | 1.817 | 1.738 | 1.647 |
| 0.025 | 5.324 | 4.603 | 4.221 | 3.973 | 3.529 | 3.122 | 2.933 | 2.617 | 2.404 | 2.242 | 2.110 | 2.000 | 1.903 | 1.816 | 1.737 | 1.646 |
| 0.032 | 5.320 | 4.600 | 4.217 | 3.970 | 3.526 | 3.120 | 2.931 | 2.615 | 2.401 | 2.240 | 2.109 | 1.998 | 1.901 | 1.814 | 1.735 | 1.644 |
| 0.050 | 5.295 | 4.576 | 4.196 | 3.951 | 3.509 | 3.105 | 2.916 | 2.602 | 2.389 | 2.228 | 2.098 | 1.987 | 1.890 | 1.804 | 1.725 | 1.634 |
| 0.079 | 5.193 | 4.488 | 4.116 | 3.875 | 3.441 | 3.044 | 2.860 | 2.551 | 2.343 | 2.185 | 2.056 | 1.948 | 1.853 | 1.767 | 1.689 | 1.600 |
| 0.100 | 5.087 | 4.399 | 4.033 | 3.797 | 3.372 | 2.983 | 2.802 | 2.500 | 2.296 | 2.140 | 2.015 | 1.908 | 1.815 | 1.731 | 1.654 | 1.566 |
| 0.150 | 4.772 | 4.125 | 3.781 | 3.560 | 3.162 | 2.797 | 2.628 | 2.345 | 2.153 | 2.008 | 1.890 | 1.790 | 1.703 | 1.625 | 1.553 | 1.471 |
| 0.200 | 4.448 | 3.842 | 3.523 | 3.317 | 2.946 | 2.606 | 2.449 | 2.185 | 2.008 | 1.873 | 1.763 | 1.672 | 1.591 | 1.519 | 1.454 | 1.380 |
| 0.250 | 4.159 | 3.592 | 3.294 | 3.101 | 2.754 | 2.437 | 2.290 | 2.045 | 1.879 | 1.754 | 1.653 | 1.569 | 1.495 | 1.430 | 1.372 | 1.306 |
| 0.300 | 3.908 | 3.375 | 3.093 | 2.912 | 2.590 | 2.292 | 2.151 | 1.925 | 1.770 | 1.654 | 1.558 | 1.481 | 1.414 | 1.356 | 1.304 | 1.247 |
| 0.350 | 3.685 | 3.189 | 2.922 | 2.751 | 2.444 | 2.164 | 2.034 | 1.818 | 1.674 | 1.566 | 1.480 | 1.409 | 1.348 | 1.296 | 1.250 | 1.201 |
| 0.400 | 3.504 | 3.023 | 2.771 | 2.609 | 2.318 | 2.053 | 1.930 | 1.727 | 1.592 | 1.492 | 1.413 | 1.348 | 1.294 | 1.247 | 1.208 | 1.165 |
| 0.450 | 3.333 | 2.880 | 2.638 | 2.485 | 2.208 | 1.956 | 1.840 | 1.649 | 1.522 | 1.429 | 1.357 | 1.298 | 1.250 | 1.209 | 1.174 | 1.138 |
| 0.500 | 3.170 | 2.733 | 2.505 | 2.359 | 2.097 | 1.859 | 1.749 | 1.570 | 1.452 | 1.367 | 1.301 | 1.249 | 1.206 | 1.171 | 1.141 | 1.111 |
| 0.562 | 2.974 | 2.567 | 2.354 | 2.216 | 1.970 | 1.749 | 1.647 | 1.482 | 1.376 | 1.300 | 1.243 | 1.198 | 1.162 | 1.133 | 1.110 | 1.085 |
| θ = 40° | X | |||||||||||||||
|---|---|---|---|---|---|---|---|---|---|---|---|---|---|---|---|---|
| Y | 0.010 | 0.018 | 0.025 | 0.032 | 0.050 | 0.079 | 0.100 | 0.150 | 0.200 | 0.250 | 0.300 | 0.350 | 0.400 | 0.450 | 0.500 | 0.562 |
| 0.010 | 6.370 | 5.331 | 4.799 | 4.460 | 3.862 | 3.330 | 3.089 | 2.697 | 2.440 | 2.252 | 2.103 | 1.981 | 1.876 | 1.786 | 1.706 | 1.616 |
| 0.018 | 6.380 | 5.341 | 4.807 | 4.468 | 3.868 | 3.336 | 3.094 | 2.701 | 2.444 | 2.255 | 2.106 | 1.983 | 1.879 | 1.787 | 1.706 | 1.617 |
| 0.025 | 6.387 | 5.347 | 4.812 | 4.472 | 3.872 | 3.339 | 3.097 | 2.704 | 2.446 | 2.256 | 2.107 | 1.984 | 1.879 | 1.788 | 1.707 | 1.617 |
| 0.032 | 6.391 | 5.350 | 4.815 | 4.475 | 3.874 | 3.341 | 3.099 | 2.705 | 2.447 | 2.257 | 2.107 | 1.983 | 1.879 | 1.787 | 1.706 | 1.616 |
| 0.050 | 6.388 | 5.347 | 4.812 | 4.472 | 3.872 | 3.339 | 3.096 | 2.702 | 2.444 | 2.253 | 2.103 | 1.979 | 1.874 | 1.782 | 1.700 | 1.609 |
| 0.079 | 6.323 | 5.294 | 4.763 | 4.427 | 3.832 | 3.304 | 3.063 | 2.673 | 2.416 | 2.227 | 2.078 | 1.954 | 1.849 | 1.757 | 1.675 | 1.583 |
| 0.100 | 6.239 | 5.224 | 4.700 | 4.367 | 3.781 | 3.259 | 3.022 | 2.636 | 2.382 | 2.195 | 2.047 | 1.925 | 1.821 | 1.729 | 1.648 | 1.557 |
| 0.150 | 5.930 | 4.963 | 4.465 | 4.149 | 3.592 | 3.095 | 2.870 | 2.503 | 2.262 | 2.083 | 1.942 | 1.825 | 1.726 | 1.638 | 1.560 | 1.473 |
| 0.200 | 5.543 | 4.640 | 4.174 | 3.879 | 3.358 | 2.894 | 2.684 | 2.341 | 2.115 | 1.949 | 1.818 | 1.709 | 1.617 | 1.536 | 1.465 | 1.385 |
| 0.250 | 5.156 | 4.317 | 3.884 | 3.609 | 3.125 | 2.694 | 2.499 | 2.181 | 1.972 | 1.819 | 1.698 | 1.599 | 1.516 | 1.443 | 1.380 | 1.310 |
| 0.300 | 4.799 | 4.016 | 3.614 | 3.364 | 2.913 | 2.512 | 2.331 | 2.033 | 1.844 | 1.701 | 1.591 | 1.504 | 1.429 | 1.365 | 1.310 | 1.248 |
| 0.350 | 4.487 | 3.754 | 3.378 | 3.139 | 2.719 | 2.347 | 2.179 | 1.906 | 1.729 | 1.601 | 1.502 | 1.422 | 1.356 | 1.300 | 1.252 | 1.201 |
| 0.400 | 4.211 | 3.522 | 3.169 | 2.946 | 2.552 | 2.204 | 2.048 | 1.795 | 1.633 | 1.516 | 1.426 | 1.355 | 1.297 | 1.248 | 1.208 | 1.165 |
| 0.450 | 3.966 | 3.317 | 2.984 | 2.774 | 2.405 | 2.080 | 1.934 | 1.700 | 1.550 | 1.444 | 1.364 | 1.301 | 1.251 | 1.209 | 1.174 | 1.138 |
| 0.500 | 3.724 | 3.115 | 2.803 | 2.606 | 2.261 | 1.958 | 1.822 | 1.606 | 1.471 | 1.376 | 1.305 | 1.250 | 1.206 | 1.170 | 1.141 | 1.111 |
| 0.562 | 3.451 | 2.886 | 2.598 | 2.416 | 2.099 | 1.821 | 1.698 | 1.505 | 1.385 | 1.303 | 1.243 | 1.198 | 1.162 | 1.133 | 1.109 | 1.085 |
| θ = 50° | X | |||||||||||||||
|---|---|---|---|---|---|---|---|---|---|---|---|---|---|---|---|---|
| Y | 0.010 | 0.018 | 0.025 | 0.032 | 0.050 | 0.079 | 0.100 | 0.150 | 0.200 | 0.250 | 0.300 | 0.350 | 0.400 | 0.450 | 0.500 | 0.562 |
| 0.010 | 7.062 | 5.762 | 5.109 | 4.701 | 3.994 | 3.383 | 3.113 | 2.684 | 2.412 | 2.217 | 2.066 | 1.945 | 1.844 | 1.757 | 1.681 | 1.598 |
| 0.018 | 7.080 | 5.777 | 5.122 | 4.713 | 4.004 | 3.391 | 3.120 | 2.690 | 2.416 | 2.220 | 2.069 | 1.948 | 1.846 | 1.758 | 1.682 | 1.599 |
| 0.025 | 7.094 | 5.789 | 5.132 | 4.722 | 4.012 | 3.397 | 3.126 | 2.694 | 2.420 | 2.223 | 2.071 | 1.949 | 1.847 | 1.759 | 1.683 | 1.599 |
| 0.032 | 7.105 | 5.798 | 5.141 | 4.729 | 4.017 | 3.402 | 3.129 | 2.697 | 2.422 | 2.224 | 2.072 | 1.949 | 1.847 | 1.759 | 1.682 | 1.598 |
| 0.050 | 7.121 | 5.813 | 5.154 | 4.742 | 4.027 | 3.409 | 3.135 | 2.700 | 2.424 | 2.225 | 2.072 | 1.948 | 1.845 | 1.756 | 1.678 | 1.593 |
| 0.079 | 7.099 | 5.792 | 5.134 | 4.723 | 4.011 | 3.394 | 3.120 | 2.685 | 2.408 | 2.208 | 2.055 | 1.930 | 1.826 | 1.736 | 1.657 | 1.571 |
| 0.100 | 7.044 | 5.746 | 5.094 | 4.686 | 3.978 | 3.365 | 3.093 | 2.660 | 2.384 | 2.186 | 2.032 | 1.907 | 1.803 | 1.713 | 1.634 | 1.547 |
| 0.150 | 6.780 | 5.531 | 4.902 | 4.509 | 3.826 | 3.235 | 2.972 | 2.553 | 2.286 | 2.093 | 1.944 | 1.823 | 1.720 | 1.632 | 1.555 | 1.469 |
| 0.200 | 6.390 | 5.215 | 4.621 | 4.250 | 3.607 | 3.049 | 2.801 | 2.405 | 2.153 | 1.970 | 1.829 | 1.716 | 1.619 | 1.537 | 1.464 | 1.385 |
| 0.250 | 5.958 | 4.862 | 4.309 | 3.963 | 3.363 | 2.844 | 2.613 | 2.245 | 2.010 | 1.842 | 1.712 | 1.607 | 1.520 | 1.445 | 1.380 | 1.310 |
| 0.300 | 5.528 | 4.517 | 4.002 | 3.682 | 3.127 | 2.644 | 2.427 | 2.092 | 1.876 | 1.719 | 1.604 | 1.510 | 1.430 | 1.364 | 1.308 | 1.250 |
| 0.350 | 5.141 | 4.190 | 3.714 | 3.417 | 2.902 | 2.458 | 2.261 | 1.950 | 1.753 | 1.614 | 1.509 | 1.425 | 1.357 | 1.300 | 1.252 | 1.201 |
| 0.400 | 4.782 | 3.901 | 3.458 | 3.183 | 2.705 | 2.294 | 2.113 | 1.827 | 1.649 | 1.524 | 1.430 | 1.356 | 1.297 | 1.248 | 1.207 | 1.164 |
| 0.450 | 4.473 | 3.645 | 3.232 | 2.975 | 2.532 | 2.150 | 1.984 | 1.723 | 1.561 | 1.449 | 1.366 | 1.301 | 1.250 | 1.208 | 1.174 | 1.138 |
| 0.500 | 4.160 | 3.394 | 3.011 | 2.773 | 2.362 | 2.011 | 1.858 | 1.621 | 1.476 | 1.377 | 1.305 | 1.249 | 1.206 | 1.170 | 1.141 | 1.111 |
| 0.562 | 3.814 | 3.112 | 2.762 | 2.546 | 2.174 | 1.858 | 1.721 | 1.512 | 1.387 | 1.303 | 1.243 | 1.197 | 1.161 | 1.133 | 1.109 | 1.085 |
| θ = 60° | X | |||||||||||||||
|---|---|---|---|---|---|---|---|---|---|---|---|---|---|---|---|---|
| Y | 0.010 | 0.018 | 0.025 | 0.032 | 0.050 | 0.079 | 0.100 | 0.150 | 0.200 | 0.250 | 0.300 | 0.350 | 0.400 | 0.450 | 0.500 | 0.562 |
| 0.010 | 7.417 | 5.938 | 5.211 | 4.762 | 3.999 | 3.355 | 3.076 | 2.642 | 2.372 | 2.181 | 2.036 | 1.921 | 1.825 | 1.744 | 1.673 | 1.597 |
| 0.018 | 7.442 | 5.959 | 5.229 | 4.778 | 4.011 | 3.365 | 3.084 | 2.648 | 2.376 | 2.185 | 2.040 | 1.923 | 1.827 | 1.745 | 1.675 | 1.598 |
| 0.025 | 7.464 | 5.976 | 5.242 | 4.791 | 4.021 | 3.372 | 3.091 | 2.652 | 2.380 | 2.188 | 2.042 | 1.925 | 1.828 | 1.746 | 1.675 | 1.598 |
| 0.032 | 7.481 | 5.989 | 5.254 | 4.801 | 4.029 | 3.378 | 3.096 | 2.656 | 2.382 | 2.190 | 2.043 | 1.926 | 1.829 | 1.746 | 1.675 | 1.597 |
| 0.050 | 7.521 | 6.021 | 5.281 | 4.825 | 4.047 | 3.392 | 3.107 | 2.663 | 2.387 | 2.192 | 2.044 | 1.925 | 1.827 | 1.744 | 1.671 | 1.592 |
| 0.079 | 7.532 | 6.029 | 5.287 | 4.829 | 4.048 | 3.389 | 3.103 | 2.656 | 2.377 | 2.180 | 2.030 | 1.910 | 1.810 | 1.725 | 1.651 | 1.570 |
| 0.100 | 7.504 | 6.006 | 5.265 | 4.809 | 4.030 | 3.372 | 3.085 | 2.638 | 2.360 | 2.162 | 2.011 | 1.891 | 1.790 | 1.704 | 1.629 | 1.546 |
| 0.150 | 7.307 | 5.844 | 5.122 | 4.675 | 3.915 | 3.271 | 2.990 | 2.551 | 2.277 | 2.082 | 1.933 | 1.814 | 1.714 | 1.628 | 1.552 | 1.469 |
| 0.200 | 6.953 | 5.560 | 4.872 | 4.447 | 3.721 | 3.106 | 2.838 | 2.418 | 2.156 | 1.970 | 1.827 | 1.712 | 1.617 | 1.535 | 1.464 | 1.385 |
| 0.250 | 6.517 | 5.212 | 4.566 | 4.168 | 3.487 | 2.910 | 2.659 | 2.265 | 2.019 | 1.846 | 1.713 | 1.607 | 1.519 | 1.445 | 1.380 | 1.310 |
| 0.300 | 6.058 | 4.847 | 4.247 | 3.877 | 3.244 | 2.705 | 2.472 | 2.112 | 1.886 | 1.727 | 1.606 | 1.508 | 1.432 | 1.367 | 1.308 | 1.250 |
| 0.350 | 5.611 | 4.487 | 3.932 | 3.591 | 3.006 | 2.514 | 2.300 | 1.967 | 1.761 | 1.618 | 1.510 | 1.425 | 1.357 | 1.300 | 1.251 | 1.201 |
| 0.400 | 5.201 | 4.160 | 3.647 | 3.331 | 2.793 | 2.339 | 2.143 | 1.840 | 1.654 | 1.526 | 1.429 | 1.356 | 1.297 | 1.248 | 1.207 | 1.164 |
| 0.450 | 4.838 | 3.867 | 3.392 | 3.099 | 2.602 | 2.185 | 2.006 | 1.730 | 1.563 | 1.449 | 1.365 | 1.301 | 1.250 | 1.208 | 1.174 | 1.138 |
| 0.500 | 4.475 | 3.581 | 3.143 | 2.874 | 2.418 | 2.037 | 1.874 | 1.626 | 1.477 | 1.377 | 1.304 | 1.249 | 1.205 | 1.170 | 1.141 | 1.111 |
| 0.562 | 4.067 | 3.259 | 2.864 | 2.621 | 2.212 | 1.874 | 1.730 | 1.514 | 1.387 | 1.303 | 1.242 | 1.197 | 1.161 | 1.133 | 1.109 | 1.085 |
| θ = 30° | X | |||||||||||||||
|---|---|---|---|---|---|---|---|---|---|---|---|---|---|---|---|---|
| Y | 0.010 | 0.018 | 0.025 | 0.032 | 0.050 | 0.079 | 0.100 | 0.150 | 0.200 | 0.250 | 0.300 | 0.350 | 0.400 | 0.450 | 0.500 | 0.562 |
| 0.010 | 2.705 | 2.493 | 2.372 | 2.292 | 2.142 | 1.996 | 1.925 | 1.802 | 1.715 | 1.647 | 1.589 | 1.539 | 1.494 | 1.453 | 1.414 | 1.367 |
| 0.018 | 2.704 | 2.491 | 2.371 | 2.291 | 2.140 | 1.995 | 1.924 | 1.801 | 1.714 | 1.646 | 1.588 | 1.538 | 1.493 | 1.452 | 1.413 | 1.367 |
| 0.025 | 2.702 | 2.489 | 2.369 | 2.290 | 2.139 | 1.993 | 1.923 | 1.800 | 1.713 | 1.645 | 1.587 | 1.537 | 1.492 | 1.451 | 1.412 | 1.366 |
| 0.032 | 2.698 | 2.486 | 2.367 | 2.287 | 2.137 | 1.991 | 1.921 | 1.798 | 1.711 | 1.643 | 1.586 | 1.536 | 1.491 | 1.449 | 1.410 | 1.364 |
| 0.050 | 2.683 | 2.514 | 2.360 | 2.277 | 2.129 | 1.984 | 1.914 | 1.791 | 1.705 | 1.637 | 1.580 | 1.530 | 1.485 | 1.444 | 1.405 | 1.359 |
| 0.079 | 2.657 | 2.451 | 2.334 | 2.257 | 2.108 | 1.964 | 1.895 | 1.774 | 1.689 | 1.621 | 1.565 | 1.515 | 1.471 | 1.430 | 1.391 | 1.346 |
| 0.100 | 2.640 | 2.432 | 2.315 | 2.236 | 2.089 | 1.947 | 1.878 | 1.758 | 1.673 | 1.607 | 1.551 | 1.502 | 1.458 | 1.417 | 1.379 | 1.334 |
| 0.150 | 2.568 | 2.365 | 2.251 | 2.175 | 2.032 | 1.894 | 1.827 | 1.710 | 1.628 | 1.563 | 1.508 | 1.461 | 1.418 | 1.379 | 1.342 | 1.298 |
| 0.200 | 2.487 | 2.291 | 2.180 | 2.106 | 1.968 | 1.834 | 1.769 | 1.656 | 1.576 | 1.513 | 1.461 | 1.415 | 1.374 | 1.336 | 1.301 | 1.259 |
| 0.250 | 2.407 | 2.216 | 2.110 | 2.038 | 1.904 | 1.775 | 1.712 | 1.603 | 1.525 | 1.465 | 1.414 | 1.370 | 1.331 | 1.295 | 1.261 | 1.222 |
| 0.300 | 2.331 | 2.146 | 2.043 | 1.973 | 1.844 | 1.718 | 1.658 | 1.552 | 1.478 | 1.419 | 1.370 | 1.328 | 1.291 | 1.257 | 1.225 | 1.188 |
| 0.350 | 2.259 | 2.081 | 1.981 | 1.913 | 1.788 | 1.666 | 1.607 | 1.505 | 1.433 | 1.377 | 1.330 | 1.290 | 1.254 | 1.222 | 1.193 | 1.159 |
| 0.400 | 2.193 | 2.020 | 1.922 | 1.857 | 1.735 | 1.617 | 1.560 | 1.462 | 1.392 | 1.338 | 1.293 | 1.255 | 1.221 | 1.191 | 1.164 | 1.134 |
| 0.450 | 2.130 | 1.962 | 1.867 | 1.804 | 1.686 | 1.572 | 1.516 | 1.421 | 1.354 | 1.302 | 1.259 | 1.223 | 1.192 | 1.164 | 1.139 | 1.112 |
| 0.500 | 2.071 | 1.907 | 1.815 | 1.754 | 1.639 | 1.528 | 1.474 | 1.382 | 1.317 | 1.268 | 1.227 | 1.194 | 1.165 | 1.139 | 1.117 | 1.094 |
| 0.562 | 1.998 | 1.840 | 1.751 | 1.692 | 1.581 | 1.475 | 1.423 | 1.335 | 1.274 | 1.228 | 1.190 | 1.160 | 1.134 | 1.112 | 1.094 | 1.074 |
| θ = 40° | X | |||||||||||||||
|---|---|---|---|---|---|---|---|---|---|---|---|---|---|---|---|---|
| Y | 0.010 | 0.018 | 0.025 | 0.032 | 0.050 | 0.079 | 0.100 | 0.150 | 0.200 | 0.250 | 0.300 | 0.350 | 0.400 | 0.450 | 0.500 | 0.562 |
| 0.010 | 3.221 | 2.908 | 2.723 | 2.619 | 2.391 | 2.186 | 2.088 | 1.921 | 1.805 | 1.715 | 1.641 | 1.577 | 1.521 | 1.471 | 1.425 | 1.372 |
| 0.018 | 3.219 | 2.899 | 2.722 | 2.606 | 2.390 | 2.185 | 2.087 | 1.920 | 1.804 | 1.714 | 1.640 | 1.577 | 1.521 | 1.470 | 1.424 | 1.371 |
| 0.025 | 3.217 | 2.897 | 2.720 | 2.604 | 2.388 | 2.184 | 2.086 | 1.919 | 1.803 | 1.713 | 1.639 | 1.576 | 1.520 | 1.469 | 1.423 | 1.370 |
| 0.032 | 3.210 | 2.895 | 2.718 | 2.601 | 2.386 | 2.182 | 2.084 | 1.917 | 1.801 | 1.712 | 1.638 | 1.574 | 1.519 | 1.468 | 1.422 | 1.369 |
| 0.050 | 3.212 | 2.886 | 2.711 | 2.594 | 2.379 | 2.175 | 2.078 | 1.911 | 1.796 | 1.706 | 1.633 | 1.570 | 1.514 | 1.464 | 1.417 | 1.364 |
| 0.079 | 3.162 | 2.859 | 2.688 | 2.573 | 2.361 | 2.157 | 2.063 | 1.896 | 1.781 | 1.692 | 1.619 | 1.557 | 1.501 | 1.451 | 1.406 | 1.353 |
| 0.100 | 3.154 | 2.841 | 2.667 | 2.553 | 2.341 | 2.141 | 2.045 | 1.881 | 1.767 | 1.679 | 1.607 | 1.544 | 1.490 | 1.440 | 1.395 | 1.342 |
| 0.150 | 3.075 | 2.769 | 2.600 | 2.489 | 2.282 | 2.086 | 1.993 | 1.833 | 1.722 | 1.637 | 1.566 | 1.506 | 1.452 | 1.404 | 1.360 | 1.309 |
| 0.200 | 2.977 | 2.681 | 2.518 | 2.410 | 2.210 | 2.020 | 1.930 | 1.776 | 1.668 | 1.585 | 1.517 | 1.459 | 1.407 | 1.361 | 1.319 | 1.270 |
| 0.250 | 2.874 | 2.588 | 2.430 | 2.325 | 2.133 | 1.950 | 1.863 | 1.714 | 1.611 | 1.531 | 1.466 | 1.410 | 1.361 | 1.317 | 1.277 | 1.231 |
| 0.300 | 2.771 | 2.495 | 2.342 | 2.242 | 2.056 | 1.880 | 1.796 | 1.653 | 1.554 | 1.477 | 1.415 | 1.362 | 1.316 | 1.275 | 1.237 | 1.196 |
| 0.350 | 2.671 | 2.405 | 2.258 | 2.161 | 1.982 | 1.812 | 1.732 | 1.594 | 1.499 | 1.426 | 1.367 | 1.317 | 1.274 | 1.236 | 1.202 | 1.164 |
| 0.400 | 2.576 | 2.319 | 2.177 | 2.084 | 1.912 | 1.748 | 1.671 | 1.539 | 1.448 | 1.379 | 1.323 | 1.276 | 1.236 | 1.201 | 1.170 | 1.137 |
| 0.450 | 2.485 | 2.237 | 2.101 | 2.011 | 1.845 | 1.687 | 1.613 | 1.486 | 1.400 | 1.334 | 1.282 | 1.239 | 1.202 | 1.170 | 1.143 | 1.114 |
| 0.500 | 2.397 | 2.159 | 2.027 | 1.940 | 1.780 | 1.629 | 1.557 | 1.436 | 1.354 | 1.293 | 1.244 | 1.204 | 1.171 | 1.143 | 1.120 | 1.094 |
| 0.562 | 2.292 | 2.064 | 1.938 | 1.855 | 1.702 | 1.558 | 1.491 | 1.377 | 1.301 | 1.244 | 1.201 | 1.166 | 1.138 | 1.114 | 1.095 | 1.074 |
| θ = 50° | X | |||||||||||||||
|---|---|---|---|---|---|---|---|---|---|---|---|---|---|---|---|---|
| Y | 0.010 | 0.018 | 0.025 | 0.032 | 0.050 | 0.079 | 0.100 | 0.150 | 0.200 | 0.250 | 0.300 | 0.350 | 0.400 | 0.450 | 0.500 | 0.562 |
| 0.010 | 3.716 | 3.275 | 3.038 | 2.882 | 2.600 | 2.337 | 2.213 | 2.005 | 1.863 | 1.755 | 1.669 | 1.596 | 1.533 | 1.478 | 1.428 | 1.373 |
| 0.018 | 3.713 | 3.273 | 3.036 | 2.881 | 2.598 | 2.335 | 2.212 | 2.004 | 1.862 | 1.755 | 1.668 | 1.595 | 1.532 | 1.477 | 1.427 | 1.372 |
| 0.025 | 3.709 | 3.271 | 3.035 | 2.880 | 2.597 | 2.334 | 2.211 | 2.003 | 1.861 | 1.754 | 1.667 | 1.594 | 1.532 | 1.476 | 1.427 | 1.371 |
| 0.032 | 3.707 | 3.268 | 3.032 | 2.878 | 2.595 | 2.333 | 2.209 | 2.001 | 1.860 | 1.753 | 1.666 | 1.593 | 1.531 | 1.475 | 1.426 | 1.370 |
| 0.050 | 3.701 | 3.262 | 3.023 | 2.870 | 2.587 | 2.326 | 2.203 | 1.996 | 1.854 | 1.748 | 1.661 | 1.589 | 1.526 | 1.471 | 1.421 | 1.366 |
| 0.079 | 3.667 | 3.265 | 3.001 | 2.849 | 2.569 | 2.309 | 2.186 | 1.981 | 1.841 | 1.734 | 1.649 | 1.577 | 1.515 | 1.460 | 1.410 | 1.355 |
| 0.100 | 3.647 | 3.215 | 2.981 | 2.829 | 2.552 | 2.293 | 2.172 | 1.967 | 1.828 | 1.723 | 1.637 | 1.566 | 1.504 | 1.449 | 1.400 | 1.345 |
| 0.150 | 3.561 | 3.139 | 2.911 | 2.762 | 2.491 | 2.239 | 2.120 | 1.920 | 1.785 | 1.682 | 1.598 | 1.528 | 1.468 | 1.414 | 1.366 | 1.312 |
| 0.200 | 3.450 | 3.041 | 2.820 | 2.676 | 2.413 | 2.169 | 2.054 | 1.861 | 1.729 | 1.630 | 1.549 | 1.482 | 1.423 | 1.372 | 1.326 | 1.274 |
| 0.250 | 3.325 | 2.931 | 2.719 | 2.580 | 2.326 | 2.091 | 1.980 | 1.794 | 1.668 | 1.572 | 1.496 | 1.431 | 1.376 | 1.327 | 1.283 | 1.235 |
| 0.300 | 3.197 | 2.818 | 2.613 | 2.480 | 2.237 | 2.010 | 1.904 | 1.726 | 1.605 | 1.514 | 1.441 | 1.380 | 1.328 | 1.283 | 1.242 | 1.198 |
| 0.350 | 3.070 | 2.706 | 2.509 | 2.381 | 2.148 | 1.931 | 1.829 | 1.659 | 1.544 | 1.458 | 1.389 | 1.332 | 1.284 | 1.242 | 1.205 | 1.166 |
| 0.400 | 2.946 | 2.597 | 2.408 | 2.286 | 2.062 | 1.854 | 1.757 | 1.594 | 1.485 | 1.404 | 1.340 | 1.287 | 1.243 | 1.205 | 1.173 | 1.138 |
| 0.450 | 2.827 | 2.492 | 2.311 | 2.193 | 1.979 | 1.780 | 1.687 | 1.533 | 1.430 | 1.354 | 1.295 | 1.246 | 1.207 | 1.173 | 1.145 | 1.115 |
| 0.500 | 2.711 | 2.390 | 2.216 | 2.104 | 1.898 | 1.709 | 1.621 | 1.474 | 1.378 | 1.307 | 1.253 | 1.210 | 1.174 | 1.145 | 1.120 | 1.095 |
| 0.562 | 2.570 | 2.266 | 2.102 | 1.995 | 1.802 | 1.623 | 1.541 | 1.405 | 1.317 | 1.254 | 1.206 | 1.169 | 1.139 | 1.115 | 1.095 | 1.074 |
| θ = 60° | X | |||||||||||||||
|---|---|---|---|---|---|---|---|---|---|---|---|---|---|---|---|---|
| Y | 0.010 | 0.018 | 0.025 | 0.032 | 0.050 | 0.079 | 0.100 | 0.150 | 0.200 | 0.250 | 0.300 | 0.350 | 0.400 | 0.450 | 0.500 | 0.562 |
| 0.010 | 4.186 | 3.621 | 3.320 | 3.126 | 2.777 | 2.458 | 2.310 | 2.066 | 1.903 | 1.782 | 1.687 | 1.608 | 1.541 | 1.484 | 1.433 | 1.378 |
| 0.018 | 4.184 | 3.618 | 3.319 | 3.125 | 2.776 | 2.457 | 2.310 | 2.065 | 1.903 | 1.782 | 1.686 | 1.607 | 1.541 | 1.483 | 1.432 | 1.377 |
| 0.025 | 4.183 | 3.617 | 3.318 | 3.124 | 2.775 | 2.456 | 2.308 | 2.064 | 1.902 | 1.781 | 1.685 | 1.607 | 1.540 | 1.482 | 1.432 | 1.376 |
| 0.032 | 4.176 | 3.614 | 3.314 | 3.122 | 2.773 | 2.454 | 2.307 | 2.063 | 1.900 | 1.780 | 1.684 | 1.605 | 1.539 | 1.481 | 1.430 | 1.375 |
| 0.050 | 4.160 | 3.606 | 3.306 | 3.113 | 2.767 | 2.447 | 2.305 | 2.057 | 1.895 | 1.775 | 1.680 | 1.601 | 1.535 | 1.477 | 1.426 | 1.371 |
| 0.079 | 4.139 | 3.576 | 3.281 | 3.092 | 2.756 | 2.430 | 2.285 | 2.043 | 1.882 | 1.762 | 1.668 | 1.589 | 1.523 | 1.466 | 1.415 | 1.360 |
| 0.100 | 4.114 | 3.558 | 3.263 | 3.073 | 2.729 | 2.415 | 2.270 | 2.030 | 1.870 | 1.751 | 1.656 | 1.579 | 1.513 | 1.455 | 1.405 | 1.349 |
| 0.150 | 4.020 | 3.478 | 3.189 | 3.003 | 2.667 | 2.360 | 2.218 | 1.983 | 1.827 | 1.710 | 1.618 | 1.542 | 1.477 | 1.421 | 1.371 | 1.316 |
| 0.200 | 3.896 | 3.370 | 3.091 | 2.910 | 2.585 | 2.287 | 2.150 | 1.922 | 1.771 | 1.658 | 1.569 | 1.495 | 1.433 | 1.378 | 1.330 | 1.277 |
| 0.250 | 3.754 | 3.247 | 2.977 | 2.803 | 2.490 | 2.204 | 2.071 | 1.853 | 1.707 | 1.599 | 1.514 | 1.443 | 1.384 | 1.332 | 1.287 | 1.237 |
| 0.300 | 3.601 | 3.115 | 2.856 | 2.690 | 2.389 | 2.115 | 1.988 | 1.779 | 1.640 | 1.538 | 1.457 | 1.391 | 1.335 | 1.287 | 1.245 | 1.200 |
| 0.350 | 3.447 | 2.982 | 2.735 | 2.575 | 2.288 | 2.026 | 1.905 | 1.706 | 1.574 | 1.478 | 1.402 | 1.340 | 1.289 | 1.245 | 1.207 | 1.167 |
| 0.400 | 3.295 | 2.851 | 2.615 | 2.462 | 2.188 | 1.938 | 1.823 | 1.634 | 1.510 | 1.420 | 1.350 | 1.293 | 1.247 | 1.207 | 1.174 | 1.138 |
| 0.450 | 3.147 | 2.723 | 2.498 | 2.352 | 2.091 | 1.853 | 1.744 | 1.566 | 1.450 | 1.366 | 1.302 | 1.251 | 1.209 | 1.174 | 1.145 | 1.115 |
| 0.500 | 3.003 | 2.599 | 2.384 | 2.245 | 1.996 | 1.771 | 1.668 | 1.501 | 1.393 | 1.316 | 1.258 | 1.212 | 1.176 | 1.146 | 1.121 | 1.095 |
| 0.562 | 2.828 | 2.447 | 2.245 | 2.115 | 1.882 | 1.672 | 1.577 | 1.424 | 1.327 | 1.259 | 1.209 | 1.170 | 1.140 | 1.115 | 1.095 | 1.074 |
Appendix C












References
- Balasubramanian, V.; Guha, B. Influence of weld size on fatigue life prediction for flux cored arc welded cruciform joints containing lack of penetration defects. Sci. Technol. Weld. Join. 2000, 5, 99–104. [Google Scholar] [CrossRef]
- Singh, P.J.; Achar, D.R.G.; Guha, B.; Nordberg, H. Influence of weld geometry and process on fatigue crack growth characteristics of AISI 304L cruciform joints containing lack of penetration defects. Sci. Technol. Weld. Join. 2002, 7, 306–312. [Google Scholar] [CrossRef]
- Chung, H.Y.; Liu, S.H.; Lin, R.S.; Ju, S.H. Assessment of stress intensity factors for load-carrying fillet welded cruciform joints using a digital camera. Int. J. Fatigue 2008, 30, 1861–1872. [Google Scholar] [CrossRef]
- Molski, K.L. Stress Concentration at Load-Carrying Fillet Welded Cruciform Joints Subjected to Tensile and Bending Loads. Acta Mech. Autom. 2019, 13, 245–250. [Google Scholar] [CrossRef]
- Gurney, T.R. Fatigue of Welded Structures, 2nd ed.; Cambridge University Press: Cambridge, UK, 1979. [Google Scholar]
- Fayard, J.L.; Bignonnet, A.; Dang Van, K. Fatigue design criteria for welded structures. Fatigue Fract. Eng. Mater. Struct. (FFEMS) 1996, 19, 723–729. [Google Scholar] [CrossRef]
- Dong, P. A structural stress definition and numerical implementation for fatigue analysis of welded joints. Int. J. Fatigue 2001, 23, 865–876. [Google Scholar] [CrossRef]
- Singh, P.J.; Guha, B.; Achar, D.R.G. Fatigue life prediction using two stage model for AISI 304L cruciform joints, with different fillet geometry, failing at toe. Fatigue Fract. Eng. Mater. Struct. (FFEMS) 2003, 8, 69–75. [Google Scholar] [CrossRef]
- Radaj, D.; Sonsino, C.M.; Fricke, W. Recent developments in local concepts of fatigue assessment of welded joints. Int. J. Fatigue 2009, 31, 2–11. [Google Scholar] [CrossRef]
- Lotsberg, I.; Sigurdsson, G. Hot Spot Stress S-N Curve for Fatigue Analysis of Plated Structures. J. Offshore Mech. Arct. Eng. 2006, 128, 330–336. [Google Scholar] [CrossRef]
- Park, W.; Miki, C. Fatigue assessment of large-size welded joints based on the effective notch stress approach. Int. J. Fatigue 2008, 30, 1556–1568. [Google Scholar] [CrossRef]
- Schijve, J. Fatigue predictions of welded joints and the effective notch stress concept. Int. J. Fatigue 2012, 45, 31–38. [Google Scholar] [CrossRef]
- Tchoffo Ngoula, D.; Beier, H.T.H.; Vormwald, M. Fatigue crack growth in cruciform welded joints: Influence of residual stresses and of the weld toe geometry. Int. J. Fatigue 2017, 101, 253–262. [Google Scholar] [CrossRef]
- Zerbst, U.; Madia, M.; Schork, B. Fracture mechanics based determination of the fatigue strength of weldments. Procedia Struct. Integr. 2016, 1, 10–17. [Google Scholar] [CrossRef]
- Monahan, C.C. Early Fatigue Cracks Growth at Welds; Computational Mechanics Publications: Southampton, NY, USA, 1995. [Google Scholar]
- Remes, H.; Varsta, P. Statistics of Weld Geometry for Laser-Hybrid Welded Joints and its Application within Notch Stress Approach. Weld. World 2010, 54, R189–R207. [Google Scholar] [CrossRef]
- Wang, Y.; Luo, Y.; Tsutsumi, S. Parametric Formula for Stress Concentration Factor of Fillet Weld Joints with Spline Bead Profile. Materials 2020, 13, 4639. [Google Scholar] [CrossRef]
- Randić, M.; Pavletić, D.; Turkalj, G. Multiparametric Investigation of Welding Techniques on Toe Radius of High Strength Steel at Low-Temperature Levels Using 3D-Scanning Techniques. Metals 2019, 9, 1355. [Google Scholar] [CrossRef]
- Weinert, J.; Gkatzogiannis, S.; Engelhardt, I.; Knoedel, P.; Ummenhofer, T. Investigation of corrosive influence on the fatigue behaviour of HFMI-treated and as-welded transverse non-load-carrying attachments made of mild steel S355. Int. J. Fatigue 2021, 151, 106225. [Google Scholar] [CrossRef]
- Tarasiuk, P.; Molski, K.L.; Szymaniuk, A. Fatigue designing of welded agricultural wheels. Eksploat. Niezawodn. 2013, 15, 123–128. [Google Scholar]
- EN 1993-1-9:2005; Eurocode 3: Design of Steel Structures—Part. 1–9: Fatigue. European Committee for Standardization (CES): Brussels, Belgium, 2005.
- Hobbacher, A.F. The new IIW recommendations for fatigue assessment of welded joints and components—A comprehensive code recently updated. Int. J. Fatigue 2009, 31, 50–58. [Google Scholar] [CrossRef]
- Fricke, W. IIW Recommendations for the Fatigue Assessment of Welded Structures by Notch Stress Analysis; Woodhead Publishing: Cambridge, UK, 2012; pp. 2–41. [Google Scholar]
- Fricke, W. IIW guideline for the assessment of weld root fatigue. Weld. World 2013, 57, 753–791. [Google Scholar] [CrossRef]
- EN ISO 9692-1:2013; Welding and Allied Processes—Types of Joint Preparation—Part. 1: Manual Metal Arc Welding, Gas-Shielded Metal Arc Welding, Gas Welding, TIG Welding and Beam Welding of Steels. International Organization for Standardization: Geneva, Switzerland, 2013.
- Haagensen, P.J.; Maddox, S.J. Recommendations on Methods for Improving the Fatigue Strength of Welded Joints; Woodhead Publishing: Cambridge, UK, 2013; ISBN 9781782420644. [Google Scholar]
- EN ISO 5817:2014; Welding—Fusion-welded joints in steel, nickel, titanium and their alloys (beam welding excluded)— Quality levels for imperfections. International Organization for Standardization: Geneva, Switzerland, 2014.
- Peterson, R.E. Stress Concentration Design Factors, 2nd ed.; Wiley: New York, NY, USA, 1974. [Google Scholar]
- Ushirokawa, O.; Nakayama, E. Stress concentration factor at welded joints. Ishikawajima Harima Eng. Rev. 1983, 23, 351–355. [Google Scholar]
- Tsuji, I. Estimation of stress concentration factor at weld toe of non-load carrying fillet welded joints. Trans. West. Jpn. Soc. Nav. Archit. 1990, 80, 241–251. [Google Scholar]
- Iida, K.; Uemura, T. Stress concentration factor formulas widely used in Japan. Fatigue Fract. Eng. Mater. Struct. 1996, 19, 779–786. [Google Scholar] [CrossRef]
- Molski, K.L.; Tarasiuk, P.; Glinka, G. Stress concentration at cruciform welded joints under axial and bending loading modes. Weld. World 2020, 64, 1867–1876. [Google Scholar] [CrossRef]
- Hasebe, N.; Sugimoto, T.; Nakamura, T. Stress concentration of longitudinal shear problems. J. Eng. Mech. 1987, 113, 1358–1367. [Google Scholar] [CrossRef]
- Molski, K.L.; Tarasiuk, P. Stress Concentration Factors for Butt-Welded Plates Subjected to Tensile, Bending and Shearing Loads. Materials 2020, 13, 1798. [Google Scholar] [CrossRef]
- Molski, K.L.; Tarasiuk, P. Stress Concentration Factors for Welded Plate T-Joints Subjected to Tensile, Bending and Shearing Loads. Materials 2021, 14, 546. [Google Scholar] [CrossRef]













| θ = 30° | X | ||||||
|---|---|---|---|---|---|---|---|
| Y | 0.050 | 0.100 | 0.200 | 0.300 | 0.400 | 0.500 | 0.562 |
| 0.050 | 3.530→3.563 * | 2.933→2.960 * | 2.404→2.424 * | 2.112→2.128 * | 1.904→1.920 * | 1.739→1.755 * | 1.649→1.667 * |
| 0.100 | 3.545→3.570 * | 2.946→2.966 * | 2.414→2.429 * | 2.120→2.132 * | 1.912→1.922 * | 1.745→1.756 * | 1.654→1.667 * |
| 0.200 | 3.444→3.453 * | 2.862→2.869 * | 2.343→2.348 * | 2.056→2.059 * | 1.850→1.854 * | 1.685→1.690 * | 1.593→1.600 * |
| 0.300 | 3.166→3.202 * | 2.630→2.660 * | 2.153→2.176 * | 1.887→1.907 * | 1.697→1.715 * | 1.543→1.561 * | 1.458→1.477 * |
| 0.400 | 2.859→2.882 * | 2.375→2.393 * | 1.944→1.958 * | 1.705→1.716 * | 1.534→1.544 * | 1.398→1.408 * | 1.324→1.335 * |
| 0.500 | 2.582→2.576 * | 2.145→2.139 * | 1.757→1.750 * | 1.543→1.536 * | 1.393→1.386 * | 1.278→1.272 * | 1.218→1.215 * |
| 0.562 | 2.423→2.437 * | 2.014→2.023 * | 1.652→1.656 * | 1.454→1.455 * | 1.318→1.317 * | 1.217→1.216 * | 1.168→1.168 * |
| θ = 60° | X | ||||||
|---|---|---|---|---|---|---|---|
| Y | 0.050 | 0.100 | 0.200 | 0.300 | 0.400 | 0.500 | 0.562 |
| 0.050 | 4.047→4.043 * | 3.107→3.105 * | 2.387→2.387 * | 2.044→2.045 * | 1.827→1.828 * | 1.671→1.671 * | 1.592→1.591 * |
| 0.100 | 4.030→4.012 * | 3.085→3.073 * | 2.360→2.351 * | 2.011→2.005 * | 1.790→1.785 * | 1.629→1.624 * | 1.546→1.542 * |
| 0.200 | 3.721→3.701 * | 2.838→2.824 * | 2.156→2.148 * | 1.827→1.823 * | 1.617→1.616 * | 1.464→1.465 * | 1.385→1.389 * |
| 0.300 | 3.244→3.245 * | 2.472→2.477 * | 1.886→1.887 * | 1.606→1.607 * | 1.432→1.432 * | 1.308→1.308 * | 1.250→1.247 * |
| 0.400 | 2.793→2.797 * | 2.143→2.147 * | 1.654→1.656 * | 1.429→1.431 * | 1.297→1.296 * | 1.207→1.205 * | 1.164→1.161 * |
| 0.500 | 2.418→2.423 * | 1.874→1.880 * | 1.477→1.483 * | 1.304→1.311 * | 1.205→1.212 * | 1.141→1.148 * | 1.111→1.118 * |
| 0.562 | 2.212→2.223 * | 1.730→1.739 * | 1.387→1.393 * | 1.242→1.245 * | 1.161→1.162 * | 1.109→1.108 * | 1.085→1.082 * |
| θ = 45° | X | ||||||
|---|---|---|---|---|---|---|---|
| Y | 0.050 | 0.100 | 0.200 | 0.300 | 0.400 | 0.500 | 0.562 |
| 0.0256 | 2.497→2.500 * | 2.152→2.155 * | 1.835→1.836 * | 1.655→1.656 * | 1.527→1.528 * | 1.425→1.428 * | 1.370→1.373 * |
| 0.0526 | 2.487→2.487 * | 2.143→2.144 * | 1.827→1.827 * | 1.648→1.647 * | 1.520→1.520 * | 1.419→1.420 * | 1.364→1.366 * |
| 0.1111 | 2.440→2.436 * | 2.102→2.099 * | 1.792→1.789 * | 1.616→1.613 * | 1.491→1.489 * | 1.391→1.391 * | 1.337→1.337 * |
| 0.1765 | 2.353→2.351 * | 2.028→2.026 * | 1.729→1.727 * | 1.559→1.558 * | 1.438→1.439 * | 1.343→1.345 * | 1.291→1.293 * |
| 0.2500 | 2.234→2.236 * | 1.925→1.927 * | 1.642→1.643 * | 1.483→1.484 * | 1.369→1.372 * | 1.281→1.285 * | 1.233→1.238 * |
| 0.3333 | 2.095→2.098 * | 1.807→1.808 * | 1.543→1.543 * | 1.396→1.397 * | 1.294→1.296 * | 1.216→1.219 * | 1.175→1.177 * |
| 0.3908 | 2.003→2.004 * | 1.728→1.728 * | 1.478→1.477 * | 1.341→1.340 * | 1.247→1.248 * | 1.177→1.178 * | 1.142→1.140 * |
| θ = 30° | Ktt | Ktb | Kts | ||||||||||
|---|---|---|---|---|---|---|---|---|---|---|---|---|---|
| ρ/a | t/a | T/a = 1 | T/a = 2 | T/a = 3 | T/a = 4 | T/a = 1 | T/a = 2 | T/a = 3 | T/a = 4 | T/a = 1 | T/a = 2 | T/a = 3 | T/a = 4 |
| 0.05 | 10 | 3.599 3.618 * | 3.769 3.807 * | 3.918 3.951 * | 4.047 4.074 * | 3.455 3.452 * | 3.553 3.545 * | 3.624 3.616 * | 3.676 3.677 * | 2.113 2.114 * | 2.158 2.163 * | 2.196 2.201 * | 2.229 2.233 * |
| 7 | 3.598 3.602 * | 3.753 3.761 * | 3.878 3.884 * | 3.977 3.987 * | 3.318 3.330 * | 3.375 3.379 * | 3.410 3.417 * | 3.430 3.448 * | 2.077 2.078 * | 2.111 2.113 * | 2.137 2.139 * | 2.158 2.162 * | |
| 4 | 3.495 3.497 * | 3.580 3.573 * | 3.633 3.631 * | 3.668 3.679 * | 2.986 3.013 * | 2.996 3.019 * | 3.000 3.023 * | 3.001 3.027 * | 1.983 1.985 * | 1.997 1.997 * | 2.006 2.007 * | 2.014 2.015 * | |
| 0.25 | 10 | 2.415 2.430 * | 2.526 2.553 * | 2.623 2.648 * | 2.707 2.727 * | 2.318 2.318 * | 2.382 2.377 * | 2.428 2.423 * | 2.461 2.461 * | 1.680 1.682 * | 1.715 1.721 * | 1.746 1.751 * | 1.771 1.776 * |
| 7 | 2.412 2.419 * | 2.513 2.522 * | 2.594 2.601 * | 2.659 2.668 * | 2.227 2.237 * | 2.263 2.267 * | 2.285 2.290 * | 2.299 2.310 * | 1.651 1.654 * | 1.678 1.681 * | 1.698 1.702 * | 1.715 1.719 * | |
| 4 | 2.343 2.348 * | 2.399 2.395 * | 2.434 2.431 * | 2.457 2.462 * | 2.008 2.026 * | 2.014 2.029 * | 2.016 2.032 * | 2.017 2.034 * | 1.576 1.579 * | 1.588 1.589 * | 1.595 1.597 * | 1.600 1.603 * | |
| 0.5 | 10 | 2.045 2.057 * | 2.137 2.158 * | 2.218 2.236 * | 2.289 2.301 * | 1.961 1.959 * | 2.012 2.006 * | 2.051 2.043 * | 2.078 2.073 * | 1.523 1.526 * | 1.555 1.560 * | 1.582 1.587 * | 1.606 1.609 * |
| 7 | 2.043 2.047 * | 2.126 2.131 * | 2.193 2.195 * | 2.248 2.249 * | 1.883 1.890 * | 1.912 1.914 * | 1.930 1.932 * | 1.941 1.948 * | 1.497 1.500 * | 1.521 1.524 * | 1.539 1.543 * | 1.554 1.558 * | |
| 4 | 1.983 1.984 * | 2.027 2.021 * | 2.055 2.050 * | 2.074 2.074 * | 1.689 1.715 * | 1.702 1.717 * | 1.704 1.719 * | 1.704 1.721 * | 1.430 1.433 * | 1.439 1.441 * | 1.446 1.448 * | 1.451 1.453 * | |
| 1 | 10 | 1.746 1.758 * | 1.819 1.842 * | 1.883 1.906 * | 1.940 1.960 * | 1.670 1.666 * | 1.710 1.704 * | 1.739 1.733 * | 1.760 1.758 * | 1.385 1.384 * | 1.412 1.415 * | 1.436 1.438 * | 1.456 1.458 * |
| 7 | 1.743 1.747 * | 1.807 1.816 * | 1.860 1.868 * | 1.903 1.913 * | 1.604 1.608 * | 1.625 1.627 * | 1.638 1.641 * | 1.647 1.653 * | 1.361 1.361 * | 1.381 1.382 * | 1.397 1.398 * | 1.410 1.412 * | |
| 4 | 1.685 1.690 * | 1.718 1.718 * | 1.739 1.741 * | 1.753 1.759 * | 1.454 1.465 * | 1.454 1.467 * | 1.454 1.468 * | 1.455 1.469 * | 1.301 1.301 * | 1.309 1.308 * | 1.314 1.314 * | 1.318 1.318 * | |
| θ = 45° | Ktt | Ktb | Kts | ||||||||||
|---|---|---|---|---|---|---|---|---|---|---|---|---|---|
| ρ/a | t/a | T/a = 1 | T/a = 2 | T/a = 3 | T/a = 4 | T/a = 1 | T/a = 2 | T/a = 3 | T/a = 4 | T/a = 1 | T/a = 2 | T/a = 3 | T/a = 4 |
| 0.05 | 10 | 4.036 4.034 * | 4.361 4.394 * | 4.645 4.671 * | 4.893 4.904 * | 3.996 3.982 * | 4.249 4.223 * | 4.438 4.408 * | 4.579 4.564 * | 2.485 2.482 * | 2.585 2.585 * | 2.666 2.663 * | 2.732 2.730 * |
| 7 | 4.051 4.042 * | 4.372 4.378 * | 4.640 4.635 * | 4.860 4.853 * | 3.897 3.881 * | 4.084 4.045 * | 4.206 4.171 * | 4.284 4.278 * | 2.449 2.445 * | 2.530 2.525 * | 2.592 2.586 * | 2.639 2.637 * | |
| 4 | 4.037 4.011 * | 4.295 4.253 * | 4.478 4.439 * | 4.609 4.596 * | 3.562 3.562 * | 3.630 3.608 * | 3.661 3.643 * | 3.677 3.673 * | 2.340 2.340 * | 2.385 2.379 * | 2.413 2.408 * | 2.433 2.434 * | |
| 0.25 | 10 | 2.439 2.445 * | 2.620 2.642 * | 2.778 2.794 * | 2.918 2.921 * | 2.403 2.400 * | 2.541 2.527 * | 2.646 2.625 * | 2.724 2.708 * | 1.807 1.804 * | 1.878 1.877 * | 1.935 1.932 * | 1.982 1.979 * |
| 7 | 2.446 2.447 * | 2.624 2.629 * | 2.773 2.769 * | 2.898 2.886 * | 2.341 2.336 * | 2.441 2.420 * | 2.507 2.485 * | 2.550 2.540 * | 1.780 1.777 * | 1.831 1.833 * | 1.882 1.876 * | 1.918 1.913 * | |
| 4 | 2.430 2.422 * | 2.568 2.547 * | 2.666 2.644 * | 2.737 2.725 * | 2.140 2.142 * | 2.174 2.164 * | 2.190 2.180 * | 2.197 2.194 * | 1.702 1.701 * | 1.733 1.728 * | 1.753 1.749 * | 1.767 1.766 * | |
| 0.5 | 10 | 2.009 2.015 * | 2.143 2.163 * | 2.263 2.276 * | 2.369 2.372 * | 1.969 1.966 * | 2.068 2.058 * | 2.143 2.128 * | 2.201 2.188 * | 1.584 1.581 * | 1.642 1.642 * | 1.691 1.688 * | 1.730 1.727 * |
| 7 | 2.015 2.015 * | 2.146 2.150 * | 2.257 2.253 * | 2.351 2.339 * | 1.913 1.911 * | 1.983 1.970 * | 2.029 2.015 * | 2.059 2.053 * | 1.560 1.558 * | 1.608 1.604 * | 1.644 1.639 * | 1.672 1.669 * | |
| 4 | 1.993 1.987 * | 2.091 2.076 * | 2.161 2.144 * | 2.211 2.201 * | 1.746 1.753 * | 1.767 1.765 * | 1.776 1.775 * | 1.780 1.784 * | 1.492 1.492 * | 1.517 1.514 * | 1.533 1.530 * | 1.544 1.544 * | |
| 1 | 10 | 1.698 1.703 * | 1.793 1.812 * | 1.878 1.895 * | 1.955 1.966 * | 1.651 1.648 * | 1.716 1.712 * | 1.766 1.761 * | 1.803 1.802 * | 1.403 1.402 * | 1.448 1.450 * | 1.486 1.486 * | 1.517 1.517 * |
| 7 | 1.701 1.699 * | 1.791 1.796 * | 1.868 1.870 * | 1.933 1.933 * | 1.600 1.599 * | 1.642 1.638 * | 1.670 1.667 * | 1.688 1.692 * | 1.382 1.382 * | 1.417 1.417 * | 1.445 1.445 * | 1.467 1.467 * | |
| 4 | 1.672 1.665 * | 1.732 1.723 * | 1.775 1.768 * | 1.806 1.806 * | 1.462 1.469 * | 1.471 1.475 * | 1.474 1.480 * | 1.476 1.484 * | 1.323 1.326 * | 1.340 1.341 * | 1.351 1.353 * | 1.359 1.363 * | |
| θ = 60° | Ktt | Ktb | Kts | ||||||||||
|---|---|---|---|---|---|---|---|---|---|---|---|---|---|
| ρ/a | t/a | T/a = 1 | T/a = 2 | T/a = 3 | T/a = 4 | T/a = 1 | T/a = 2 | T/a = 3 | T/a = 4 | T/a = 1 | T/a = 2 | T/a = 3 | T/a = 4 |
| 0.05 | 10 | 4.087 4.061 * | 4.514 4.535 * | 4.892 4.899 * | 5.228 5.206 * | 4.125 4.102 * | 4.507 4.474 * | 4.808 4.760 * | 5.041 5.000 * | 2.773 2.763 * | 2.935 2.921 * | 3.061 3.043 * | 3.163 3.145 * |
| 7 | 4.107 4.076 * | 4.540 4.531 * | 4.911 4.881 * | 5.233 5.175 * | 4.066 4.035 * | 4.382 4.314 * | 4.600 4.529 * | 4.752 4.709 * | 2.736 2.725 * | 2.874 2.853 * | 2.976 2.951 * | 3.051 3.035 * | |
| 4 | 4.127 4.081 * | 4.517 4.457 * | 4.816 4.746 * | 5.045 4.990 * | 3.795 3.772 * | 3.947 3.879 * | 4.026 3.961 * | 4.070 4.030 * | 2.618 2.612 * | 2.703 2.682 * | 2.756 2.736 * | 2.791 2.782 * | |
| 0.25 | 10 | 2.378 2.373 * | 2.585 2.608 * | 2.769 2.789 * | 2.935 2.941 * | 2.368 2.362 * | 2.546 2.537 * | 2.686 2.671 * | 2.797 2.784 * | 1.876 1.870 * | 1.978 1.972 * | 2.059 2.050 * | 2.124 2.116 * |
| 7 | 2.386 2.378 * | 2.593 2.601 * | 2.773 2.772 * | 2.928 2.916 * | 2.324 2.313 * | 2.465 2.440 * | 2.564 2.537 * | 2.632 2.619 * | 1.850 1.844 * | 1.937 1.926 * | 2.002 1.989 * | 2.050 2.042 * | |
| 4 | 2.383 2.368 * | 2.563 2.544 * | 2.699 2.678 * | 2.802 2.792 * | 2.156 2.148 * | 2.216 2.191 * | 2.246 2.224 * | 2.262 2.252 * | 1.771 1.768 * | 1.823 1.812 * | 1.855 1.846 * | 1.877 1.875 * | |
| 0.5 | 10 | 1.963 1.965 * | 2.109 2.129 * | 2.240 2.255 * | 2.359 2.361 * | 1.937 1.934 * | 2.055 2.048 * | 2.148 2.137 * | 2.221 2.211 * | 1.609 1.602 * | 1.687 1.681 * | 1.750 1.741 * | 1.801 1.793 * |
| 7 | 1.969 1.967 * | 2.114 2.120 * | 2.239 2.237 * | 2.347 2.336 * | 1.893 1.887 * | 1.981 1.967 * | 2.043 2.028 * | 2.085 2.080 * | 1.586 1.579 * | 1.652 1.642 * | 1.701 1.690 * | 1.738 1.730 * | |
| 4 | 1.958 1.948 * | 2.075 2.062 * | 2.162 2.149 * | 2.228 2.223 * | 1.744 1.745 * | 1.766 1.768 * | 1.791 1.785 * | 1.799 1.800 * | 1.518 1.515 * | 1.557 1.548 * | 1.579 1.572 * | 1.595 1.593 * | |
| 1 | 10 | 1.680 1.678 * | 1.778 1.786 * | 1.867 1.869 * | 1.947 1.939 * | 1.639 1.635 * | 1.709 1.703 * | 1.764 1.754 * | 1.807 1.798 * | 1.410 1.401 * | 1.464 1.455 * | 1.508 1.497 * | 1.545 1.533 * |
| 7 | 1.683 1.676 * | 1.777 1.773 * | 1.859 1.848 * | 1.928 1.911 * | 1.593 1.590 * | 1.640 1.632 * | 1.672 1.664 * | 1.694 1.692 * | 1.390 1.381 * | 1.433 1.422 * | 1.466 1.454 * | 1.492 1.481 * | |
| 4 | 1.657 1.645 * | 1.725 1.709 * | 1.774 1.758 * | 1.809 1.799 * | 1.464 1.465 * | 1.471 1.471 * | 1.476 1.476 * | 1.478 1.480 * | 1.330 1.327 * | 1.352 1.346 * | 1.366 1.360 * | 1.376 1.372 * | |
Disclaimer/Publisher’s Note: The statements, opinions and data contained in all publications are solely those of the individual author(s) and contributor(s) and not of MDPI and/or the editor(s). MDPI and/or the editor(s) disclaim responsibility for any injury to people or property resulting from any ideas, methods, instructions or products referred to in the content. |
© 2024 by the authors. Licensee MDPI, Basel, Switzerland. This article is an open access article distributed under the terms and conditions of the Creative Commons Attribution (CC BY) license (https://creativecommons.org/licenses/by/4.0/).
Share and Cite
Molski, K.L.; Tarasiuk, P. Stress Concentration Factors for Non-Load-Carrying Welded Cruciform Joints Subjected to Tension, Bending, and Shear. Materials 2024, 17, 609. https://doi.org/10.3390/ma17030609
Molski KL, Tarasiuk P. Stress Concentration Factors for Non-Load-Carrying Welded Cruciform Joints Subjected to Tension, Bending, and Shear. Materials. 2024; 17(3):609. https://doi.org/10.3390/ma17030609
Chicago/Turabian StyleMolski, Krzysztof L., and Piotr Tarasiuk. 2024. "Stress Concentration Factors for Non-Load-Carrying Welded Cruciform Joints Subjected to Tension, Bending, and Shear" Materials 17, no. 3: 609. https://doi.org/10.3390/ma17030609
APA StyleMolski, K. L., & Tarasiuk, P. (2024). Stress Concentration Factors for Non-Load-Carrying Welded Cruciform Joints Subjected to Tension, Bending, and Shear. Materials, 17(3), 609. https://doi.org/10.3390/ma17030609

