Steel Sheets Laser Lap Joint Welding—Process Analysis
Abstract
1. Introduction
2. Methodology
2.1. Materials
2.2. Numerical Simulation
2.3. Experimental Procedure
3. Results
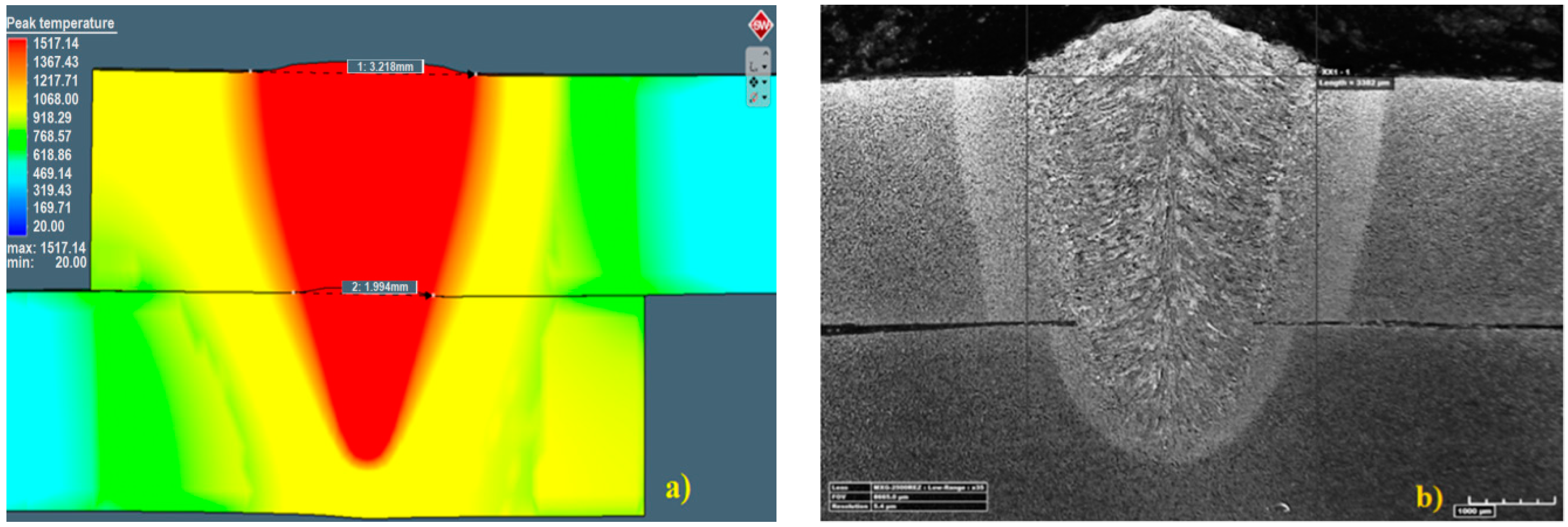
3.1. Simulation Analysis Results
3.2. Analysis of the Results for Properties
3.3. Metallographic Analysis
4. Discussion
5. Conclusions
Author Contributions
Funding
Conflicts of Interest
References
- Steen, W.M.; Mazumder, J. Laser Material Processing; Springer: Berlin/Heidelberg, Germany, 2010. [Google Scholar]
- Pilarczyk, J. Engineer’s Guide—Welding Engineering; WNT: Warszawa, Poland, 2003. [Google Scholar]
- Unt, A.; Poutiainen, I.; Grünenwald, S.; Sokolov, M.; Salminen, A. High Power Fiber Laser Welding of Single Sided T-Joint on Shipbuilding Steel with Different Processing Setups. Appl. Sci. 2017, 7, 1276. [Google Scholar] [CrossRef]
- Piekarska, W.; Kubiak, M. Modeling of thermal phenomena in single laser beam and laser-arc hybrid welding processes using projection method. Appl. Math. Model. 2013, 37, 2051–2062. [Google Scholar] [CrossRef]
- Quiroz, V.; Gumenyuk, A.; Rethmeier, M. Laser Beam Weldability of High-Manganese Austenitic and Duplex Stainless Steel Sheets. Weld. World. 2012, 56, 9–20. [Google Scholar] [CrossRef]
- Yuce, C.; Karpat, F.; Yavuz, N. Investigations on the microstructure and mechanical properties of laser welded dissimilar galvanized steel–aluminum joints. Int. J. Adv. Manuf. Technol. 2019, 104, 2693–2704. [Google Scholar] [CrossRef]
- Gu, J.; Yang, S.; Duan, C.; Xiong, Q.; Wang, Y. Microstructure and Mechanical Properties of Laser Welded Al-Mg-Si Alloys Joints. Mater. Trans. 2019, 60, 230–236. [Google Scholar] [CrossRef]
- Shiegel, A.N.; Evtikheev, N.N.; Gusev, D.S.; Ivanchenko, A.B. Modeling of butt and lap joint welding of aluminum alloys and construction steel sheets. Non-Ferrous Met. 2016, 1, 27–32. [Google Scholar]
- Shanmugam, N.S.; Buvanashekaran, G.; Sankaranarayanasamy, K. Experimental Investigation and Finite Element Simulation of laser lap welding of SS304 sheets. Int. J. Mech. 2013, 7, 120–127. [Google Scholar]
- Tasalloti, H.; Kah, P.; Martikainen, J. Laser Overlap Welding of Zn-Coated Steel on Aluminium Alloy for Patchwork Blank Applications in the Automotive Industry. Rev. Adv. Mater. Sci. 2015, 40, 295–302. [Google Scholar]
- Oussaid, K.; El Ouafi, A.; Chebak, A. Experimental Investigation of Laser Welding Process in Overlap Joint Configuration. Chem. Mater. Sci. 2019, 7, 16–31. [Google Scholar] [CrossRef]
- Masoumi, M.; Marashi, S.P.H.; Pouranvari, M. Metallurgical and Mechanical Characterization of Laser Spot Welded Low Carbon Steel Sheets. Mater. Technol. 2010, 81, 1144–1150. [Google Scholar] [CrossRef]
- Meco, S.; Ganguly, S.; Williams, S.; McPherson, N. Design of laser welding applied to T joints between steel and aluminium. J. Mater. Process. Technol. 2019, 268, 132–139. [Google Scholar] [CrossRef]
- Enz, J.; Khomenko, V.; Riekehr, S.; Ventzke, V.; Huber, N.; Kashaev, N. Single-sided laser beam welding of adissimilar AA2024–AA7050 T-joint. Mater. Des. 2015, 76, 110–116. [Google Scholar] [CrossRef]
- Kumar, S.K. Numerical Modeling and Simulation of a Butt Joint Welding of AISI316L Stainless Steels Using a Pulsed Laser Beam. Mater. Today Proc. 2015, 2, 2256–2266. [Google Scholar] [CrossRef]
- Meco, S.; Cozzolino, L.; Ganguly, S.; Williams, S.; McPherson, N. Laser welding of steel to aluminium: Thermal modelling and joint strength analysis. J. Mater. Process. Technol. 2017, 247, 121–133. [Google Scholar] [CrossRef]
- Lee, C.; Lee, J.B.; Park, D.H.; Na, S.J. Finite Element Modeling of Laser Spot Welded Lap Joint. Mater. Sci. Forum. 2008, 580–582, 291–294. [Google Scholar]
- Zhanga, Y.; Chena, Y.; Zhoua, J.; Sunb, D.; Lib, H. Experimental and numerical study on microstructure and mechanical properties for laser welding-brazing of TC4 Titanium alloy and 304 stainless steel with Cu-base filler metal. J. Mater. Res. Technol. 2020, 9, 465–477. [Google Scholar] [CrossRef]
- Ma, J.; Kong, F.; Kovacevic, R. Finite-element thermal analysis of laser welding of galvanized high-strength steel in a zero-gap lap joint configuration and its experimental verification. Mater. Des. 2012, 36, 348–358. [Google Scholar] [CrossRef]
- Tawfi, T.A. Parametric Optimization of Pulsed Nd:YAG Laser Lap Welding of Stainless Steel ASTM A240/316L with Carbon Steel ASTM A570/Gr30. Al-Nahrain J. Eng. Sci. 2017, 20, 27–35. [Google Scholar]
- Sabbaghzadeh, J.; Azizi, M.; Torkamany, M.J. Numerical and experimental investigation of seam welding with a pulsed laser. Opt. Laser Technol. 2008, 40, 289–296. [Google Scholar] [CrossRef]
- He, Q.; Wei, H.; Chen, J.S.; Wang, H.P.; Carlson, B.E. Analysis of hot cracking during lap joint laser welding processes using the melting state-based thermomechanical modeling approach. Int. J. Adv. Manuf. Technol. 2018, 94, 4373–4386. [Google Scholar] [CrossRef]
- Vicentin, L.C.; Ierardi, M.C.F.; Garcia, A.; Vilar, R. Laser welding of low carbon steel blanks. Lasers Eng. 2000, 10, 183–192. [Google Scholar]
- Keskitalo, M.; Hietala, M.; Mäntyjärvi, K. The normal and shear strength properties of laser lap weld. Procedia Manuf. 2019, 36, 224–231. [Google Scholar] [CrossRef]
- Sindhu, R.A.; Park, M.K.; Lee, S.J.; Lee, K.D. Effects of residual stresses on the static and fatigue strength of laser-welded lap joints with different welding speeds. Int. J. Automot. Technol. 2010, 11, 857–863. [Google Scholar] [CrossRef]
- Rizz, D.; Sibillano, T.; Calabrese, P.P.; Ancona, A.; Lugarà, P.M. Spectroscopic, energetic and metallographic investigations of the laser lap welding of AISI 304 using the response surface methodology. Opt. Lasers Eng. 2011, 49, 892–898. [Google Scholar] [CrossRef]
- Meco, S.; Pardal, G.; Ganguly, S.; Williams, S.; McPherson, N. Application of laser in seam welding of dissimilar steel to aluminium joints for thick structural components. Opt. Lasers Eng. 2015, 67, 22–30. [Google Scholar] [CrossRef]
- Evdokimov, A.; Springer, K.; Doynov, N.; Ossenbrink, R.; Michailov, V. Heat source model for laser beam welding of steel-aluminum lap joints. Int. J. Adv. Manuf. Technol. 2017, 93, 154–196. [Google Scholar] [CrossRef]
- Ki, H.; Mazumder, J.; Mohanty, P.S. Modeling of laser keyhole welding: Part, I. mathematical modeling, numerical methodology, role of recoil pressure, multiple reflections, and free surface evolution. Metall. Mat. Trans. A 2002, 33, 1–14. [Google Scholar] [CrossRef]
- Fey, A.; Ulrich, S.; Jahn, S.; Schaaf, P. Numerical analysis of temperature distribution during laser deep welding of duplex stainless steel using a two-beam method. Weld. World 2020, 64, 623–632. [Google Scholar] [CrossRef]
- Bag, S.; Kiran, D.V.; Syed, A.A.; De, A. Efficient Estimation of Volumetric Heat Source In Fusion Welding Process Simulation. Weld. World 2012, 56, 88–97. [Google Scholar] [CrossRef]
- Wang, R.; Lei, Y.; Shi, Y. Numerical simulation of transient temperature field during laser keyhole welding of 304 stainless steel sheet. Opt. Laser Technol. 2011, 43, 870–873. [Google Scholar] [CrossRef]
- Ribic, B.; Rai, R.; DebRoy, T. Numerical simulation of heat transfer and fluid flow in GTA/Laser hybrid welding. Sci. Technol. Weld. Join. 2008, 13, 683–693. [Google Scholar] [CrossRef]
- Danielewski, H. Laser welding of pipe stubs made from super 304 steel. Numerical simulation and weld properties. Tech. Trans. 2019, 1, 167–176. [Google Scholar] [CrossRef]
- Kik, T. Computational Techniques in Numerical Simulations of Arc and Laser Welding Processes. Materials 2020, 13, 608. [Google Scholar] [CrossRef] [PubMed]
- Kumar, U.; Gope, D.K.; Srivastava, J.P.; Chattopadhyaya, S.; Das, A.K.; Krolczyk, G. Experimental and Numerical Assessment of Temperature Field and Analysis of Microstructure and Mechanical Properties of Low Power Laser Annealed Welded Joints. Materials 2018, 11, 1514. [Google Scholar] [CrossRef] [PubMed]
- Chunming, W.; Bin, L.; Ping, J.; Xiang, X.; Gaoyang, M. Numerical and experimental investigation of vacuum-assisted laser welding for DP590 galvanized steel lap joint without prescribed gap. Int. J. Adv. Manuf. Technol. 2018, 94, 4177–4185. [Google Scholar]
- Kubiak, M.; Piekarska, W.; Stano, S.; Saternus, Z. Numerical modelling of thermal and structural phenomena in Yb:Yag laser butt-welded steel elements. Arch. Metall. Mater. 2015, 60, 821–828. [Google Scholar] [CrossRef]
- Yilbas, B.S.; Arif, A.F.M.; Abdul Aleem, B.J. Laser welding of low carbon steel and thermal stress analysis. Opt. Laser Technol. 2010, 42, 760–768. [Google Scholar] [CrossRef]
- Podany, P.; Reardon, C.; Koukolikova, M.; Prochazka, R.; Franc, A. Microstructure, Mechanical Properties and Welding of Low Carbon, Medium Manganese TWIP/TRIP Steel. Metals 2018, 8, 263. [Google Scholar] [CrossRef]
- Nagel, F.; Simon, F.; Kümmel, B.; Bergmann, J.P.; Hildebrand, J. Optimization Strategies for Laser Welding High Alloy Steel Sheets. Phys. Procedia 2014, 56, 1242–1251. [Google Scholar] [CrossRef]
- Andersson, O.; Budak, N.; Melander, A.; Palmquist, N. Experimental measurements and numerical simulations of distortions of overlap laser-welded thin sheet steel beam structures. Weld. World 2017, 61, 927–934. [Google Scholar] [CrossRef]
- Hatami, N.; Babaei, R.; Dadashzadeh, M.; Davami, P. Modeling of hot tearing formation during solidification. J. Mater. Process. Technol. 2008, 205, 506–513. [Google Scholar] [CrossRef]
- Hafez, K.M.; Ramadan, M.; Fathy, N.; Ismail, M. Microstructure and Mechanical Properties of Laser Welded Dual Phase and Mild Steel Joints for Automotive Applications. Appl. Mech. Mater. 2017, 865, 81–87. [Google Scholar] [CrossRef]
- Górka, J.; Stano, S. Microstructure and Properties of Hybrid Laser Arc Welded Joints (Laser Beam-MAG) in Thermo-Mechanical Control Processed S700MC Steel. Metals 2018, 8, 132. [Google Scholar] [CrossRef]
- Zdravecka, E.; Slota, J. Mechanical and Microstructural Investigations of the Laser Welding of Different Zinc-Coated Steels. Metals 2019, 9, 91. [Google Scholar] [CrossRef]
- PN-EN ISO 6507-1:2018. Metallic Materials—Vickers Hardness Test—Part 1: Test Method; International Organization for Standardization: Geneva, Switzerland, 2018. [Google Scholar]
- PN-EN ISO 9018:2003. Destructive Tests on Welds in Metallic Materials—Tensile Test on Cruciform and Lapped Joints; International Organization for Standardization: Geneva, Switzerland, 2003. [Google Scholar]
- PN-EN ISO 17639:2003. Destructive Tests on Welds in Metallic Materials—Macroscopic and Microscopic Examination of Welds; International Organization for Standardization: Geneva, Switzerland, 2003. [Google Scholar]
- Yan, F.; Fang, X.; Chen, L.; Wang, C.; Zhao, J.; Chai, F.; Wang, W. Microstructure evolution and phase transition at the interface of steel/Al dissimilar alloys during Nd: YAG laser welding. Opt. Laser Technol. 2018, 108, 193–201. [Google Scholar] [CrossRef]
- David, S.A.; Vitek, J.M. Correlation between solidification parameters and weld microstructures. Int. Mater. Rev. 1989, 34, 213–245. [Google Scholar] [CrossRef]
- Partes, K.; Schmidt, M.; Gorny, S. Prediction of Preheating Temperatures for S690QL High Strength Steel Using FEM-Simulation for HighPower Laser Welding. Lasers Manuf. Mater. Process. 2020. [Google Scholar] [CrossRef]
- Sun, J.; Liu, X.; Tong, Y.; Deng, D. A comparative study on welding temperature fields, residual stress distributions and deformations induced by laser beam welding and CO2 gas arc welding. Mater. Des. 2014, 63, 519–530. [Google Scholar] [CrossRef]
- Kang, M.; Jeon, I.-H.; Han, H.N.; Kim, C. Tensile–Shear Fracture Behavior Prediction of High-Strength Steel Laser Overlap Welds. Metals 2018, 8, 365. [Google Scholar] [CrossRef]
- Sinha, A.K.; Kim, D.Y.; Ceglare, D. Correlation analysis of the variation of weld seam and tensile strength in laser welding of galvanized steel. Opt. Lasers Eng. 2013, 51, 1143–1152. [Google Scholar] [CrossRef]
- Hietala, M.; Järvenpää, A.; Keskitalo, M.; Jaskari, M.; Mäntyjärvi, K. Tensile and fatigue properties of laser-welded ultra-high-strength stainless spring steel lap joints. Procedia Manuf. 2019, 36, 131–137. [Google Scholar] [CrossRef]
- Evin, E.; Tomas, M. The Influence of Laser Welding on the Mechanical Properties of Dual Phase and Trip Steels. Metals 2017, 7, 239. [Google Scholar] [CrossRef]
- Gorka, J. Properties of thermomechanically treated welds of high yield point steel. Weld. Technol. Rev. 2011, 83, 31–35. [Google Scholar]
- Lee, K.D.; Ho, K.I.; Park, K.Y. Analysis of the Local Stresses at Laser Welded Lap Joints. Weld. J. 2014, 93, 351–361. [Google Scholar]
- Deng, D. FEM prediction of welding residual stress and distortion in carbon steel considering phase transformation effects. Mater. Des. 2009, 30, 359–366. [Google Scholar] [CrossRef]
- Hsu, C.; Albright, C.E. Fatigue analysis of laser welded lap joints. Eng. Fract. Mech. 1991, 39, 575–580. [Google Scholar] [CrossRef]
- Salminen, A.; Baskutis, S.; Petronis, E. Influence of welding modes on weldability of structural steel lap joints in laser welding. J. Laser Appl. 2017, 29, 022419. [Google Scholar] [CrossRef]
- Goyal, R.; El-zein, M. Influence of laser weld shape on mechanical and fatigue behaviour of single lap laser welded joints. J. Adv. Join. Process. 2020, 1, 100018. [Google Scholar] [CrossRef]
- Furusako, S.; Miyazaki, Y.; Akiniwa, Y. Tensile shear strength of laser lap joints. Weld. Int. 2015, 29, 838–846. [Google Scholar] [CrossRef]
- Farabi, N.; Chen, D.L.; Li, J.; Zhou, Y.; Dong, S.J. Microstructure and mechanical properties of laser welded DP600 steel joints. Mater. Sci. Eng. C 2010, 527, 1215–1222. [Google Scholar] [CrossRef]
- Zhang, C.; Li, G.; Gao, M.; Zeng, X.Y. Microstructure and Mechanical Properties of Narrow Gap Laser-Arc Hybrid Welded 40 mm Thick Mild Steel. Materials 2017, 10, 106. [Google Scholar] [CrossRef] [PubMed]





















| Element | Mn | Si | Cu | Cr and Ni | Nb | Mo | B |
|---|---|---|---|---|---|---|---|
| Percentage | 1.65 | 0.5 | 0.4 | 0.3 | 0.06 | 0.08 | 0.0008 |
| Property | Thermal Conductivity (W/cm·°C) | Specific Heat (J/kg·°C) | Latent Heat (J/g) | Solidus-Liquidus Range (°C) | Austenite Therm. Exp. Coeff. (1/°C) | Ferrite Therm. Exp. Coeff. (1/°C) |
|---|---|---|---|---|---|---|
| Value | 0.45 | 480 | 256 | 1466.8–1517.1 | 2.54 × 10−5 | 1.71 × 10−5 |
© 2020 by the authors. Licensee MDPI, Basel, Switzerland. This article is an open access article distributed under the terms and conditions of the Creative Commons Attribution (CC BY) license (http://creativecommons.org/licenses/by/4.0/).
Share and Cite
Danielewski, H.; Skrzypczyk, A. Steel Sheets Laser Lap Joint Welding—Process Analysis. Materials 2020, 13, 2258. https://doi.org/10.3390/ma13102258
Danielewski H, Skrzypczyk A. Steel Sheets Laser Lap Joint Welding—Process Analysis. Materials. 2020; 13(10):2258. https://doi.org/10.3390/ma13102258
Chicago/Turabian StyleDanielewski, Hubert, and Andrzej Skrzypczyk. 2020. "Steel Sheets Laser Lap Joint Welding—Process Analysis" Materials 13, no. 10: 2258. https://doi.org/10.3390/ma13102258
APA StyleDanielewski, H., & Skrzypczyk, A. (2020). Steel Sheets Laser Lap Joint Welding—Process Analysis. Materials, 13(10), 2258. https://doi.org/10.3390/ma13102258

