Control Strategies with Dynamic Threshold Adjustment for Supercapacitor Energy Storage System Considering the Train and Substation Characteristics in Urban Rail Transit
Abstract
:1. Introduction
2. Analysis of Urban Rail Transit Characteristics
2.1. Braking Characteristics of the Trains
2.2. Characteristics of the Equivalent 24-Pulse Rectifier
3. Wayside Supercapacitor Energy Storage System and Control Strategy
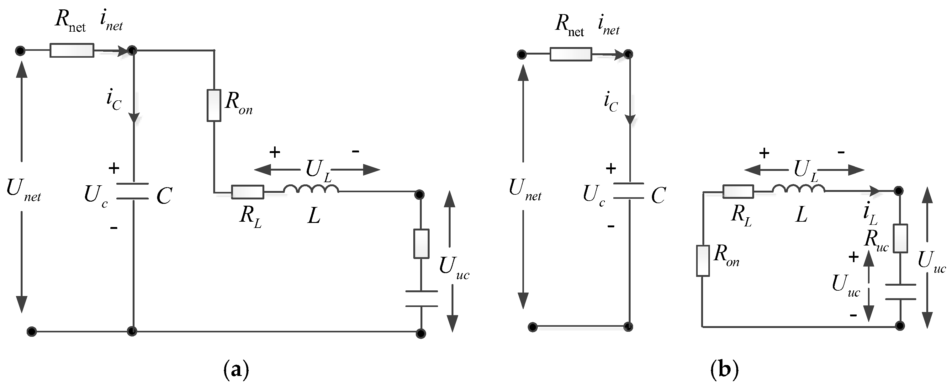
3.1. System Components
3.2. System Control Strategy
3.2.1. Current-Voltage Dual-Loop Control
3.2.2. Selection of the System Working Mode
4. Threshold Selection of Wayside Supercapacitor Energy Storage System
4.1. Analysis of the Discharge Threshold’s Impact and Setting Methods
4.2. Analysis of the Charge Threshold and Its Impacts
- (a)
- If the train braking points are in the vicinity of the traction substation, which means being close to the supercapacitor storage system as well, then the line impedance is negligible. The charging threshold is between 830 V and 900 V, due to the fact that charging threshold is smaller than the threshold of 900 V, which is the brake chopper’s start symbol. Based on this, the braking resistor does not operate, the electric braking energy is completely absorbed by the supercapacitor system, and the conversion factor of the electric braking power is constantly 1. When the charging threshold is set between 900 V and 970 V, β gradually decreases as the charge threshold increases, i.e., the power of the braking resistor is growing, while the regenerative energy absorbed by the ESS becomes lower and lower. When the charging threshold is set at 970 V, β is 0, indicating that all of the regenerative energy of the train is consumed by resistor braking and mechanical braking.
- (b)
- In the case that the braking position and energy storage device has a far distance, which is assumed as 2 km, the line impedance of steel and aluminum contact rail unit is 0.0069 Ω/km. Taking 2000 A as the feedback current of the train as an example, the charge threshold value is set between 830 V and 860 V, the conversion factor of electric braking power is constantly 1. When the charging threshold is set between 860 V and 930 V, β gradually decreases as the charging threshold increases. The worst situation is when set at 930 V, and β is 0, indicating that all of the braking energy is consumed by the braking resistor and mechanical braking.
4.3. Dynamic Threshold Adjustment Strategy
5. Simulation and Experimental Results
5.1. Simulation Platform and Parameters
5.2. Simulation Results and Analysis
5.3. Experimental Conditions
5.4. Experimental Results and Analysis
6. Conclusions
Acknowledgments
Author Contributions
Conflicts of Interest
References
- Qin, F.; Zhang, X.; Zhou, Q. Evaluating the impact of organizational patterns on the efficiency of urban rail transit systems in China. J. Transp. Geogr. 2014, 40, 89–99. [Google Scholar] [CrossRef]
- Ogasa, M. Energy saving and environmental measures in railway technologies: Example with hybrid electric railway vehicles. IEEJ Trans. Electr. Electron. Eng. 2008, 3, 15–20. [Google Scholar] [CrossRef]
- Ogasa, M. Onboard Storage in Japanese Electrified Lines. In Proceedings of the 14th International Power Electronics and Motion Control Conference, Ohrid, Macedonia, 6–8 September 2010. [CrossRef]
- González-Gil, A.; Palacin, R.; Batty, P. Sustainable urban rail systems: Strategies and technologies for optimal management of regenerative braking energy. Energy Convers. Manag. 2013, 75, 374–388. [Google Scholar] [CrossRef]
- Richardson, M.B. Flywheel Energy Storage System for Traction Applications. In Proceedings of the 2002 International Conference on Power Electronics, Machines and Drives, Bath, UK, 4–7 June 2002; pp. 275–279.
- Liu, H.; Jiang, J. Flywheel energy storage—An upswing technology for energy sustainability. Energy Build. 2007, 39, 599–604. [Google Scholar] [CrossRef]
- Thompson, R.C.; Kramer, J.; Hayes, R.J. Response of an urban bus flywheel battery to a rapid loss-of-vacuum event. J. Adv. Mater. 2005, 37, 42–50. [Google Scholar]
- Gabash, A.; Li, P. Active-reactive optimal power flow in distribution networks with embedded generation and battery storage. IEEE Trans. Power Syst. 2012, 27, 2026–2035. [Google Scholar] [CrossRef]
- Gabash, A.; Li, P. Flexible optimal operation of battery storage systems for energy supply networks. IEEE Trans. Power Syst. 2013, 28, 2788–2797. [Google Scholar] [CrossRef]
- Iannuzzi, D. Improvement of the Energy Recovery of Traction Electrical Drives Using Supercapacitors. In Proceedings of the 13th IEEE Power Electronics and Motion Control Conference, Poznan, Poland, 1–3 September 2008; pp. 1469–1474.
- Barrero, R.; Tackoen, X.; Van Mierlo, J. Improving Energy Efficiency in Public Transport: Stationary Supercapacitor Based Energy Storage Systems for a Metro Network. In Proceedings of the IEEE Vehicle Power and Propulsion Conference, Harbin, China, 3–5 September 2008; pp. 1–8.
- Ciccarelli, F.; Iannuzzi, D.; Tricoli, P. Control of metro-trains equipped with onboard supercapacitors for energy saving and reduction of power peak demand. Transp. Res. Part C Emerg. Technol. 2012, 24, 36–49. [Google Scholar] [CrossRef]
- Latkovskis, L.; Brazis, V.; Grigans, L. Simulation of on Board Supercapacitor Energy Storage System for Tatra T3A Type Tramcars. In Modelling Simulation and Optimization; InTech: Rijeka, Croatia, 2010. [Google Scholar]
- Teymourfar, R.; Asaei, B.; Iman-Eini, H. Stationary super-capacitor energy storage system to save regenerative braking energy in a metro line. Energy Convers. Manag. 2012, 56, 206–214. [Google Scholar] [CrossRef]
- Iannuzzi, D.; Tricoli, P. Metro Trains Equipped Onboard with Supercapacitors: A Control Technique for Energy Saving. In Proceedings of the 2010 International Symposium on Power Electronics, Electrical Drives, Automation and Motion (SPEEDAM), Pisa, Italy, 14–16 June 2010; pp. 750–756.
- Iannuzzi, D.; Lauria, D.; Tricoli, P. Optimal design of stationary supercapacitors storage devices for light electrical transportation systems. Optim. Eng. 2012, 13, 689–704. [Google Scholar] [CrossRef]
- Battistelli, L.; Fantauzzi, M.; Iannuzzi, D.; Lauria, D. Generalized Approach to Design Supercapacitor-Based Storage Devices Integrated into Urban Mass Transit Systems. In Proceedings of the IEEE 2011 International Conference on Clean Electrical Power (ICCEP), Ischia, Italy, 14–16 June 2011; pp. 530–534.
- Teymourfar, R.; Farivar, G.; Iman-Eini, H.; Asaei, B. Optimal Stationary Super-Capacitor Energy Storage System in a Metro Line. In Proceedings of the 2011 2nd International Conference on Electric Power and Energy Conversion Systems (EPECS), Sharjah, The United Arab Emirates, 15–17 November 2011; pp. 1–5.
- Grbović, P.J.; Delarue, P.; Le Moigne, P.; Bartholomeus, P. Modeling and control of the ultracapacitor-based regenerative controlled electric drives. IEEE Trans. Ind. Electron. 2011, 58, 3471–3484. [Google Scholar] [CrossRef]
- Grbovic, P.J.; Delarue, P.; Le Moigne, P. Modeling and Control of Ultra-Capacitor Based Energy Storage and Power Conversion System. In Proceedings of the 2014 IEEE 15th Workshop on Control and Modeling for Power Electronics (COMPEL), Santander, Spain, 22–25 June 2014; pp. 1–9.
- Ciccarelli, F.; Iannuzzi, D.; Lauria, D. Supercapacitors-Based Energy Storage for Urban Mass Transit Systems. In Proceedings of the 2011 14th European Conference on Power Electronics and Applications (EPE 2011), Birmingham, UK, 30 August–1 September 2011; pp. 1–10.
- Zhang, Y.; Wu, L.; Hu, X.; Liang, H. Model and Control for Supercapacitor-Based Energy Storage System for Metro Vehicles. In Proceedings of the International Conference on Electrical Machines and Systems (ICEMS 2008), Wuhan, China, 17–20 October 2008; pp. 2695–2697.
- Battistelli, L.; Ciccarelli, F.; Lauria, D.; Proto, D. Optimal Design of DC Electrified Railway Wayside Storage System. In Proceedings of the 2009 International Conference on Clean Electrical Power, Capri, Italy, 9–11 June 2009; pp. 739–745.
- Barrero, R.; Tackoen, X.; van Mierlo, J. Stationary or onboard energy storage systems for energy consumption reduction in a metro network. Proc. Inst. Mech. Eng. Part F J. Rail Rapid Transit 2010, 224, 207–225. [Google Scholar] [CrossRef]
- Vuchic, V.R. Urban Transit Systems and Technology; John Wiley & Sons: Hoboken, NJ, USA, 2007. [Google Scholar]
- Wang, X.; Zang, H. Simulation study of DC traction power supply system for urban rail transportation. Acta Simulata Syst. Sin. 2002, 12, 1692–1697. [Google Scholar]
- Han, L. A Study on the operation mode of medium voltage double-ring network and the relationship between interlock and inter-tripping in urban rail transit system. Urban Rapin Rail Transit 2004, 1, 018. [Google Scholar]
- Yang, S.; Goto, K.; Imamura, Y.; Shoyama, M. Dynamic Characteristics Model of Bi-Directional DC-DC Converter Using State-Space Averaging Method. In Proceedings of the 2012 IEEE 34th International Telecommunications Energy Conference (INTELEC), Scottsdale, AZ, USA, 30 September–4 October 2012; pp. 1–5.























| Substation | U1N | 10 kV |
| U1N:U2N | 10,000:590 | |
| Storage system | L | 0.83 mH |
| Ld | 1.5 mH | |
| Csc | 31.5 F | |
| Cd | 5000 uF | |
| Udc_cha | 900 V |
| Parameters | Value | |
|---|---|---|
| Bi-directional DC/DC converter | Input voltage (V) | 500–1000 |
| Input current (A) | 0–267 | |
| Output voltage (V) | 0–500 | |
| Output current (A) | 0–400 | |
| Ultra capacitor | Working voltage (V) | 0–500 |
| Working current(A) | 0–400 | |
| Maximum storage energy (kWh) | 0.944 | |
© 2016 by the authors; licensee MDPI, Basel, Switzerland. This article is an open access article distributed under the terms and conditions of the Creative Commons by Attribution (CC-BY) license (http://creativecommons.org/licenses/by/4.0/).
Share and Cite
Lin, F.; Li, X.; Zhao, Y.; Yang, Z. Control Strategies with Dynamic Threshold Adjustment for Supercapacitor Energy Storage System Considering the Train and Substation Characteristics in Urban Rail Transit. Energies 2016, 9, 257. https://doi.org/10.3390/en9040257
Lin F, Li X, Zhao Y, Yang Z. Control Strategies with Dynamic Threshold Adjustment for Supercapacitor Energy Storage System Considering the Train and Substation Characteristics in Urban Rail Transit. Energies. 2016; 9(4):257. https://doi.org/10.3390/en9040257
Chicago/Turabian StyleLin, Fei, Xuyang Li, Yajie Zhao, and Zhongping Yang. 2016. "Control Strategies with Dynamic Threshold Adjustment for Supercapacitor Energy Storage System Considering the Train and Substation Characteristics in Urban Rail Transit" Energies 9, no. 4: 257. https://doi.org/10.3390/en9040257
APA StyleLin, F., Li, X., Zhao, Y., & Yang, Z. (2016). Control Strategies with Dynamic Threshold Adjustment for Supercapacitor Energy Storage System Considering the Train and Substation Characteristics in Urban Rail Transit. Energies, 9(4), 257. https://doi.org/10.3390/en9040257
