A Multi-Source Multi-Timescale Cooperative Dispatch Optimization
Abstract
1. Introduction
2. 2MT-S Optimized Scheduling Framework
3. 2MT-S Model
3.1. Long-Term and Short-Term Optimization Model
3.1.1. Objective Function
- (1)
- Operating Costs of Thermal Power Units
- (2)
- Energy Storage Operating Costs
- (3)
- Curtailment Costs
- (4)
- Load Shedding Cost
3.1.2. Constraints
- (1)
- Node power balance constraint
- (2)
- Operational Constraints of Thermal Power Units [26]
- (3)
- New Energy Output Constraints
- (4)
- Operational Constraints of Electrochemical Energy Storage [27]
- (5)
- Seasonal Hydrogen Storage Operational Constraints
- (6)
- Operational Constraints of Pumped Storage Power Plants
- (7)
- DC Power Flow Constraints [29]
- (8)
- Load Shedding Constraints
3.2. Recent Dispatch Model
- (1)
- Thermal Power Unit Coupling Constraints
- (2)
- Energy Storage State Coupling Constraints
3.3. Model Solving
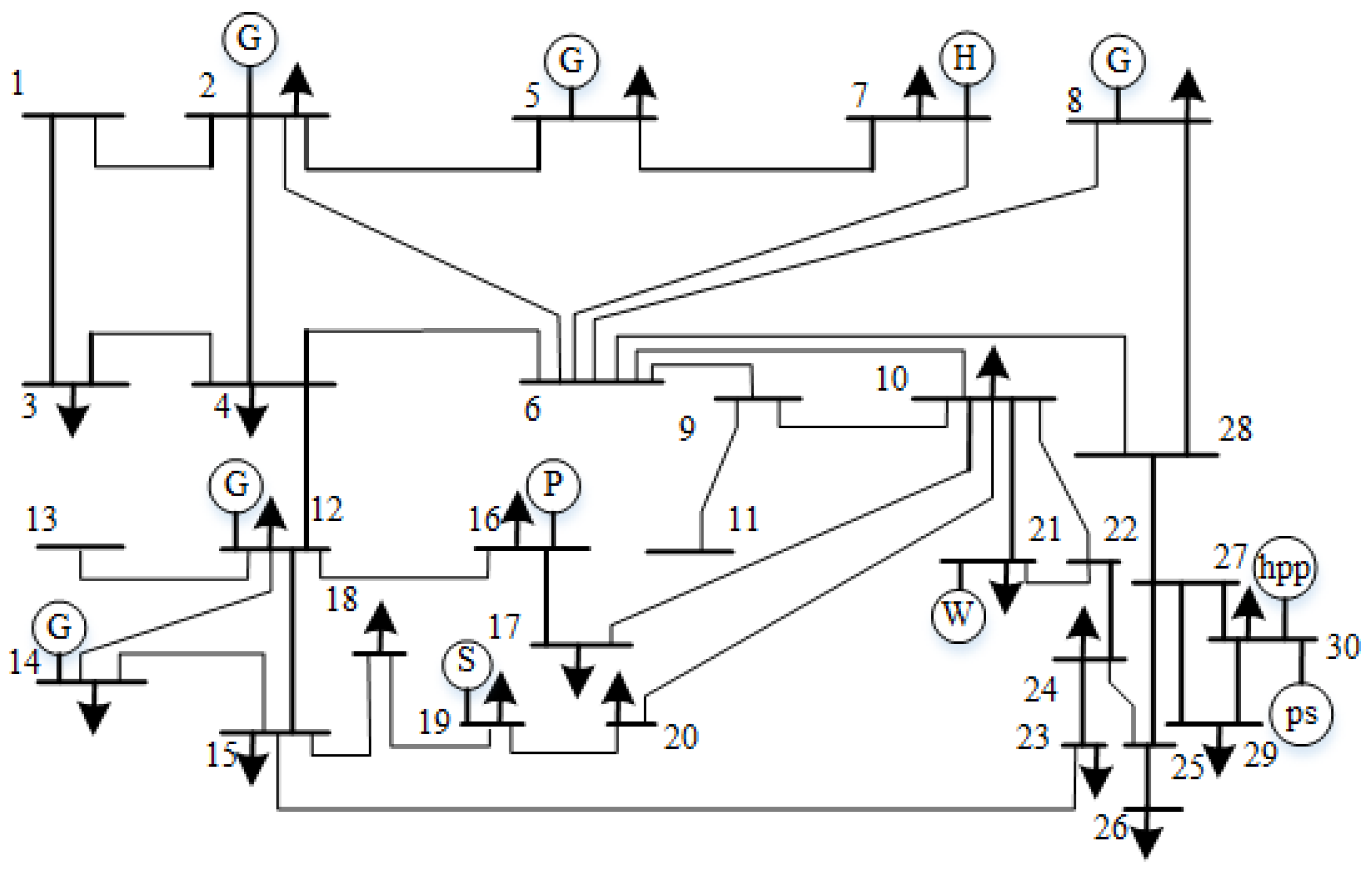
4. Case Study
4.1. System Parameters
4.2. Analysis of Optimized Scheduling Results
- Scenario 1: Long-term dispatch of integrated wind, solar, hydro, and thermal power generation, considering only electrochemical energy storage.
- Scenario 2: Long-term dispatch of integrated wind, solar, hydro, and thermal power generation, considering electrochemical energy storage and pumped storage hydroelectric plants.
- Scenario 3: Long-term dispatch of integrated wind, solar, hydro, and thermal power generation, considering electrochemical storage, pumped storage hydroelectric plants, and seasonal hydrogen storage.
- Scenario 4: Traditional day-ahead economic dispatch during intermittent renewable energy output [31].
- Scenario 5: 2MT-S coupled economic dispatch (long-term intermittent output from renewable energy).
- Scenario 6: 2MT-S coupled economic dispatch (short-term intermittent output from renewable energy).
- Scenario 7: Traditional day-ahead economic dispatch during normal output from high-penetration renewable energy systems.
- Scenario 8: 2MT-S coupled economic dispatch during normal output from high-penetration renewable energy systems.
- -
- The renewable energy curtailment rate decreased by 0.2 percentage points;
- -
- The system levelized cost of electricity decreased to 0.3393 ¥/kWh;
- -
- The output of electrochemical energy storage decreased from 367.41 MW to 196.84 MW;
- -
- Seasonal hydrogen storage provided an output of 259.38 MW, significantly alleviating the pressure on electrochemical storage and further enhancing economic efficiency.
4.3. Comparative Analysis
5. Conclusions
- (1)
- The established long-term/short-term-to-day-ahead coupled scheduling framework dynamically switches between long-term and short-term scheduling modes by predicting the duration of intermittent output from renewable energy sources (3 days/10 days). It utilizes the results from long-term and short-term scheduling to refine the boundary conditions for day-ahead scheduling. Compared to conventional day-ahead scheduling, this framework reduces curtailment rates and load shedding during long-duration, low-output scenarios, significantly enhancing cross-time resource complementarity and system resilience.
- (2)
- After introducing seasonal hydrogen storage and pumped-storage hydroelectric plants, these two flexibility resources exhibit complementary characteristics in long-term scheduling: pumped storage mitigates short-term power gaps through rapid response, while seasonal hydrogen storage smooths long-term output fluctuations via cross-week energy storage. Case studies demonstrate that their synergy further reduces renewable curtailment by 0.8 percentage points and decreases system load shedding by 47.93 MW, validating hydrogen’s unique advantage as a long-duration energy storage medium.
- (3)
- Under intermittent renewable generation conditions, the framework dynamically adjusts the initial states of thermal power units and energy storage based on short- and long-term dispatch results, achieving spatiotemporal consistency in dispatch strategies. Compared to traditional methods, the 2MT-S approach reduces system load shedding from 123.00 MW to 52.43 MW at an economic cost of 0.024 ¥/kWh, providing an effective technical pathway to address supply–demand imbalances in extreme scenarios like “Dunkelflaute.”
Author Contributions
Funding
Data Availability Statement
Conflicts of Interest
References
- Xie, X.R.; Liu, Y.X.; Xi, W.; Han, Y.D. On Constructing New-Type Power Systems in China. CSEE J. Power Energy Syst. 2025, 11, 2710–2728. [Google Scholar]
- Paniagua-Contreras, J.M.; Gutiérrez, G.; Tovar, J.H.; Hinojosa-Mateus, V. Stochastic Preventive Security-Constrained Economic Dispatch. IEEE Lat. Am. Trans. 2022, 20, 171–179. [Google Scholar] [CrossRef]
- Srivastava, A.; Das, D.K. A New Aggrandized Class Topper Optimization Algorithm to Solve Economic Load Dispatch Problem in a Power System. IEEE Trans. Cybern. 2022, 52, 4187–4197. [Google Scholar] [CrossRef] [PubMed]
- Wu, Q.H.; Bose, A.; Singh, C.; Chow, J.H.; Mu, G.; Sun, Y.; Liu, Z.; Li, Z.; Liu, Y. Control and Stability of Large-scale Power System with Highly Distributed Renewable Energy Generation: Viewpoints from Six Aspects. CSEE J. Power Energy Syst. 2023, 9, 8–14. [Google Scholar] [CrossRef]
- Wang, K.; Wang, Y.; Gao, J.; Liang, Y.; Ma, Z.; Liu, H.; Li, Z. Multi-objective optimization of energy storage station configuration in power grids considering the flexibility of thermal load control. Energies 2025, 18, 2527. [Google Scholar] [CrossRef]
- Hu, Y.Y.; Wei, X.; Yang, X.; He, J.L.; Yuan, S.B. Dispatching of Wind-Photovoltaic Hybrid Power Systems Based on Bilevel Programming and Sparse Optimization. IEEE Access 2024, 12, 164289–164302. [Google Scholar] [CrossRef]
- Cheng, R.T.; Zhang, Y.J.; Li, L.Y.; Ding, M.S.; Deng, W.Y.; Chen, H.Y.; Lin, J.C. Facing high proportion of renewable energy consumption of electricity market construction and research progress. China Eng. Sci. 2023, 25, 89–99. [Google Scholar]
- Zhang, R.; Yu, J.L. New urban power grid regulation system architecture and key technologies. Proc. CSEE 2024, 2024, 1–16. [Google Scholar]
- Dong, Y.; Shan, X.; Yan, Y.Q.; Leng, X.W.; Wang, Y. Architecture, Key Technologies and Applications of Load Dispatching in China Power Grid. J. Mod. Power Syst. Clean Energy 2022, 10, 316–327. [Google Scholar] [CrossRef]
- Chen, Y.; Lich, N.; Low, S.H. Examining the economic optimality of automatic generation control. IEEE Trans. Power Syst. 2021, 36, 4532–4543. [Google Scholar] [CrossRef]
- Luo, Z.J.; Ren, H.; Xin, G.Y.; Lu, J.; Wang, F. Dynamic and reliable optimal scheduling of high percentage renewable energy power system with multiple time scales based on model predictive control. Acta Energiae Solaris Sin. 2024, 45, 150–160. [Google Scholar]
- Zhang, Y.; Li, F.T.; Zhang, G.H.; Xiao, Z.J. Optimal scheduling method of wind power high penetration power system considering wind power climbing standby demand. Power Syst. Prot. Control 2024, 52, 95–106. [Google Scholar]
- He, J.H.; Hu, Z.C.; Liu, Y.; Bao, Z.Y.; Zhu, Y. Dispatch Strategy for the Power System with Large Offshore Wind Power Integration Under a Typhoon: A Two-Stage Sample Robust Optimization Approach. IEEE Trans. Ind. Appl. 2025, 61, 4636–4648. [Google Scholar] [CrossRef]
- Li, X.Y.; Wang, H.L. Integrated energy system model with multi-time scale optimal dispatch method based on a demand response mechanism. J. Clean. Prod. 2024, 445, 141321. [Google Scholar] [CrossRef]
- Sadeq, A.M. Energy Storage Systems: A Comprehensive Guide, 1st ed.; Lulu Press, Inc.: Morrisville, NC, USA, 2023. [Google Scholar]
- Blakers, A.; Stocks, M.; Lu, B.; Cheng, C.; Stocks, R. Pathway to 100% Renewable Electricity. IEEE J. Photovolt. 2019, 9, 1828–1833. [Google Scholar] [CrossRef]
- Hossain, M.B.; Islam, M.R.; Muttaqi, K.M.; Sutanto, D.; Agalgaonkar, A.P. Component Sizing and Energy Management for a Supercapacitor and Hydrogen Storage Based Hybrid Energy Storage System to Improve Power Dispatch Scheduling of a Wind Energy System. IEEE Trans. Ind. Appl. 2025, 61, 872–883. [Google Scholar] [CrossRef]
- Zheng, X.Y. Research on Optimal Scheduling Strategy of Hydrogen-Containing Energy Storage Multi-Energy Complementary for New Energy Consumption. Master’s Thesis, North China Electric Power University, Beijing, China, 2023. [Google Scholar]
- Li, C.; Ren, Z.Y.; Li, W.Y. Optimized scheduling method of power system considering virtual inertia support of fuel cell and electrolyzer. Electr. Power Autom. Equip. 2024, 44, 9–16. [Google Scholar]
- Kesavan, P.K.; Subramaniam, U.; Almakhles, D.J.; Selvam, S. Modelling and coordinated control of grid connected photovoltaic, wind turbine driven PMSG, and energy storage device for a hybrid DC/AC microgrid. Prot. Control Mod. Power Syst. 2024, 9, 154–167. [Google Scholar] [CrossRef]
- Li, J.L.; Fang, Z.J.; Wang, Q.; Zhang, M.Y.; Li, Y.X.; Zhang, W.J. Optimal Operation with Dynamic Partitioning Strategy for Centralized Shared Energy Storage Station with Integration of Large-scale Renewable Energy. J. Mod. Power Syst. Clean Energy 2024, 12, 359–370. [Google Scholar] [CrossRef]
- Song, Y.H.; Shahidehpour, M.; Rahman, S.; Brandon, N.; Strunz, K.; Lin, J.; Zhao, Y. Utilization of Energy Storage and Hydrogen in Power and Energy Systems: Viewpoints from Five Aspects. CSEE J. Power Energy Syst. 2023, 9, 1–7. [Google Scholar] [CrossRef]
- Hemmati, R.; Mehrjerdi, H.; Shafie-khah, M.; Siano, P.; Catalão, J.P.S. Managing Multitype Capacity Resources for Frequency Regulation in Unit Commitment Integrated with Large Wind Ramping. IEEE Trans. Sustain. Energy 2021, 12, 705–714. [Google Scholar] [CrossRef]
- Yang, L.J.; Zhou, N.C.; Zhou, G.P.; Chi, Y.; Chen, N.; Wang, L. Day-ahead Optimal Dispatch Model for Coupled System Considering Ladder-type Ramping Rate and Flexible Spinning Reserve of Thermal Power Units. J. Mod. Power Syst. Clean Energy 2022, 10, 1482–1493. [Google Scholar] [CrossRef]
- El-Sayed, W.; Awad, A.; Azzouz, M.; Shaaban, M.; El-Saadany, E. Mobile energy storage for inverter-dominated isolated microgrids resiliency enhancement through maximizing loadability and seamless reconfiguration. Prot. Control Mod. Power Syst. 2025, 10, 89–102. [Google Scholar] [CrossRef]
- Wang, S.L.; Zhang, H.X.; Lu, J.C.; Li, F.; Jiang, Y.X.; Li, T.; Li, W. Optimal Dispatch for Cross-regional Integration of Wind-PV-Hydropower Hybrid Systems Based on Cascade Hydropower Regulation. Smart Power 2025, 53, 28–35. [Google Scholar]
- Wang, J.; Yang, M.; Yan, Y.; Xie, Y.; Zhang, J.; Hou, H.; Xie, C. Multi-dimensional business operation models and development strategies for electric-hydrogen complementary and collaborative system. South. Energy Constr. 2025, 12, 130–142. [Google Scholar]
- An, Y.; Zhang, Y.; Lin, J.; Yi, Y.; Fan, W.; Cai, Z. Ultra-short-term power prediction of large offshore wind farms based on spatiotemporal adaptation of wind turbines. Processes 2024, 12, 696. [Google Scholar] [CrossRef]
- Qi, Z.; Xu, X.X.; Xiong, W.; Chen, Y.B. Optimal scheduling of wind/light/fire/storage day-ahead based on the improved multi-objective differential evolutionary algorithm with variable time slot design. Power Syst. Prot. Control 2024, 52, 62–71. [Google Scholar]
- Xia, S.; Ding, Z.; Du, T.; Zhang, D.; Shahidehpour, M.; Ding, T. Multitime Scale Coordinated Scheduling for the Combined System of Wind Power, Photovoltaic, Thermal Generator, Hydro Pumped Storage, and Batteries. IEEE Trans. Ind. Appl. 2020, 56, 2227–2237. [Google Scholar] [CrossRef]
- Li, T.; Li, Z.W.; Yang, J.Y.; Cui, D.; Wang, Z.H.; Ma, K.; Hu, W. Optimized scheduling of wind-water-fire-storage multi-energy system complementary coordination taking into account peaking initiative. Power Syst. Technol. 2020, 44, 3622–3630. [Google Scholar]
- Ye, L.Y.; Huang, H.; Wang, J.X.; Wang, Z.Q.; Li, S.S.; Wang, Z.X. Annual generation plan for multi-zone interconnected power system considering periodic verification and seasonal energy storage. Electr. Power Autom. Equip. 2024, 44, 223–230. [Google Scholar]
- Jiang, H.Y.; Du, E.S.; Ma, J.H. A novel power system planning method considering the risk of long-period supply-demand imbalance. Proc. CSEE 2024, 44, 5845–5858. [Google Scholar]







| Thermal Power Unit | 1 | 2 | 3 | 4 | 5 |
|---|---|---|---|---|---|
| Pmax (MW) | 200 | 200 | 250 | 250 | 250 |
| Pmin (MW) | 40 | 40 | 50 | 50 | 50 |
| a (¥/(MW)2) | 0.00048 | 0.00031 | 0.002 | 0.00211 | 0.00398 |
| b (¥/(MW)) | 16.19 | 16.26 | 16.6 | 16.5 | 19.7 |
| c (¥) | 1000 | 970 | 700 | 680 | 450 |
| rup, rdown (MW/h) | 130.2 | 130.2 | 60 | 60 | 90 |
| hg (s) | 6.75 | 6.4 | 5.3 | 5.3 | 5.6 |
| cpfr (¥/(MW)) | 21 | 21 | 18 | 18 | 17 |
| Comparison Scenario | Purpose of Comparison |
|---|---|
| 1, 2, 3 | Validating the Advantages of Pumped Storage Power Plants and Seasonal Hydrogen Storage |
| 4, 5, 6 | Comparing the Proposed Method with Traditional Methods Under Different Durations of Intermittent Output from New Energy Sources |
| 7, 8 | Feasibility Analysis of the Proposed Method under Normal Output Conditions of New Energy Sources |
| Scenario | 1 | 2 | 3 |
|---|---|---|---|
| Thermal Power Output/MW | 1.78 × 105 | 1.8 × 105 | 1.75 × 105 |
| Power Curtailment Rate/% | 16.6 | 16.0 | 15.8 |
| Levelized Cost of Electricity/(¥/kW·h) | 0.34 | 0.3394 | 0.3393 |
| Electrochemical Energy Storage/MW | 410.25 | 367.41 | 196.84 |
| Seasonal Hydrogen Storage/MW | - | - | 259.38 |
| Pumped-storage Power Station/MW | - | 3511.9 | 3509.80 |
| Line Transmission Power/kW | 3.3 × 105 | 3.36 × 105 | 3.37 × 105 |
| Load shedding/MW | 281.27 | 176.37 | 128.44 |
| Maximum node Load shedding/MW | 89.27 | 89.27 | 57.55 |
| Maximum Duration of Load Shedding Event/h | 3 | 3 | 2 |
| Scenario | 4 | 5 | 6 |
|---|---|---|---|
| Thermal Power Output/MW | 1.74 × 104 | 2.17 × 104 | 1.89 × 104 |
| Levelized Cost of Electricity/(¥/kW·h) | 0.452 | 0.476 | 0.455 |
| Line Transmission Power/kW | 4.43 × 104 | 4.96 × 104 | 4.67 × 104 |
| Load shedding/MW | 123.00 | 52.43 | 98.30 |
| Maximum node Load shedding/MW | 27.68 | 16.49 | 18.52 |
| Maximum Duration of Load Shedding Event/h | 2 | 1 | 1 |
| Scenario | 7 | 8 |
|---|---|---|
| Thermal Power Output/MW | 3.93 × 103 | 4.32 × 103 |
| Levelized Cost of Electricity/(¥/kW·h) | 0.230 | 0.231 |
| Line Transmission Power/kW | 5.65 × 104 | 5.83 × 104 |
Disclaimer/Publisher’s Note: The statements, opinions and data contained in all publications are solely those of the individual author(s) and contributor(s) and not of MDPI and/or the editor(s). MDPI and/or the editor(s) disclaim responsibility for any injury to people or property resulting from any ideas, methods, instructions or products referred to in the content. |
© 2026 by the authors. Licensee MDPI, Basel, Switzerland. This article is an open access article distributed under the terms and conditions of the Creative Commons Attribution (CC BY) license.
Share and Cite
Huo, J.; Liu, Y.; Zhang, Y. A Multi-Source Multi-Timescale Cooperative Dispatch Optimization. Energies 2026, 19, 721. https://doi.org/10.3390/en19030721
Huo J, Liu Y, Zhang Y. A Multi-Source Multi-Timescale Cooperative Dispatch Optimization. Energies. 2026; 19(3):721. https://doi.org/10.3390/en19030721
Chicago/Turabian StyleHuo, Jiaxing, Yufei Liu, and Yongjun Zhang. 2026. "A Multi-Source Multi-Timescale Cooperative Dispatch Optimization" Energies 19, no. 3: 721. https://doi.org/10.3390/en19030721
APA StyleHuo, J., Liu, Y., & Zhang, Y. (2026). A Multi-Source Multi-Timescale Cooperative Dispatch Optimization. Energies, 19(3), 721. https://doi.org/10.3390/en19030721
