Deadbeat Control for a Three-Phase Solar T-Type Inverter and Comparison with PI Control
Abstract
1. Introduction
- This paper applies a deadbeat-based predictive current control method to a three-phase T-type inverter operated under ESS-like operating conditions.
- The performance of the proposed control strategy is quantitatively analyzed in terms of transient response improvement and harmonic robustness through both simulation and experimental studies.
- Furthermore, by integrating a photovoltaic module into the system, the practical applicability of the proposed control strategy in a PV-based operating environment is experimentally validated.
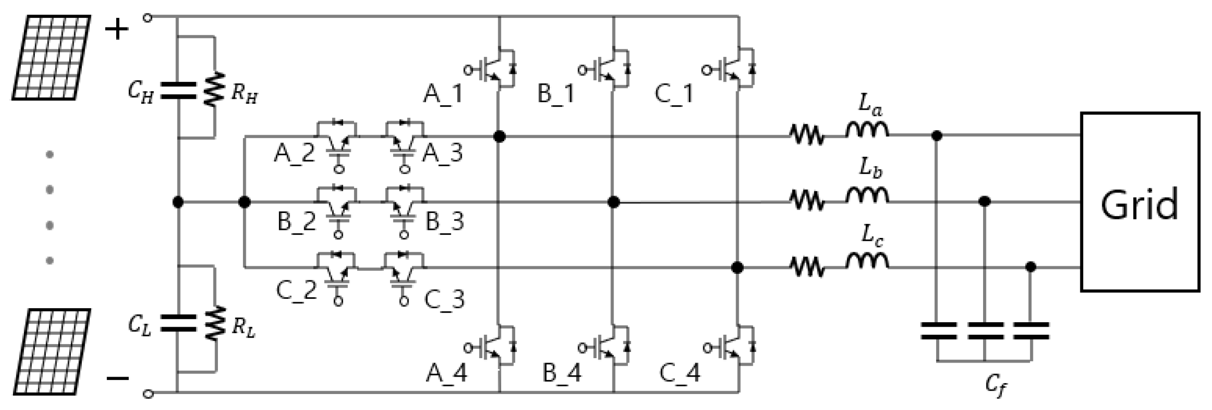
2. Modeling of a Photovoltaic T-Type Inverter
2.1. State Space and Averaged Modeling
2.2. Small Signal Modeling
3. Controller Design
3.1. PI Controller Design
Single Loop (ESS) and Double Loop (Solar) Design



3.2. Deadbeat Controller Design
3.3. Input Capacitor Voltage Balancing
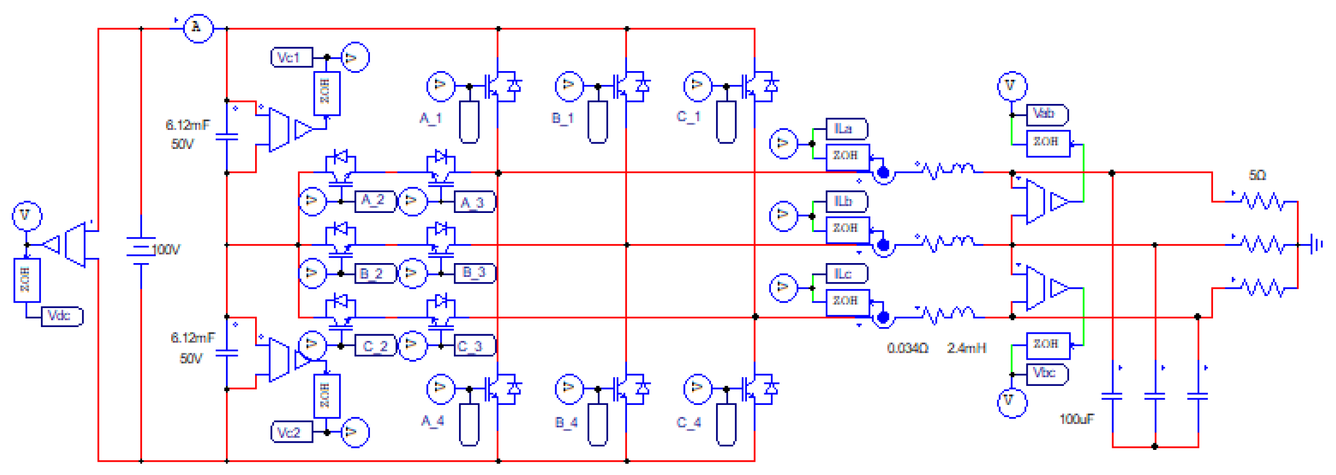
4. Simulation and Experimental Results
4.1. Simulation Comparison Results
4.2. Experimental Comparison Results
4.3. Final Experimental Results Applied to a Solar Array
5. Conclusions
Author Contributions
Funding
Data Availability Statement
Conflicts of Interest
References
- Lee, S.H.; Jang, K.Y.; Kim, S.M.; Kim, K.H.; Yu, G.J. A study of improved P&O MPPT algorithm go with a dynamic characteristic of photovoltaic system. Korean Soc. New Renew. Energy 2009, 107–110. [Google Scholar]
- Choi, U.-M.; Lee, J.-S. Comparative Evaluation of Lifetime of Three-Level Inverters in Grid-Connected Photovoltaic Systems. Energies 2020, 13, 1227. [Google Scholar] [CrossRef]
- Dragicevic, T.; Lu, X.; Vasquez, J.C.; Guerrero, J.M. DC microgrids—Part II: A review of power architectures, applications, and standardization issues. IEEE Trans. Power Electron. 2016, 31, 3528–3549. [Google Scholar] [CrossRef]
- Leon, J.I.; Vazquez, S.; Franquelo, L.G. Multilevel Converters: Control and Modulation Techniques for Their Operation and Industrial Applications. Proc. IEEE 2017, 105, 2066–2081. [Google Scholar] [CrossRef]
- Rodriguez, J.; Bernet, S.; Steimer, P.K.; Lizama, I.E. A Survey on Neutral-Point-Clamped Inverters. IEEE Trans. Ind. Electron. 2010, 57, 2219–2230. [Google Scholar] [CrossRef]
- Teichmann, R.; Bernet, S. A comparison of three-level converters versus two-level converters for low-voltage drives, traction, and utility applications. IEEE Trans. Ind. Appl. 2005, 41, 855–865. [Google Scholar] [CrossRef]
- Xing, X.; Chen, A.; Zhang, Z.; Chen, J.; Zhang, C. Model predictive control method to reduce common-mode voltage and balance the neutral-point voltage in three-level T-type inverter. In Proceedings of the 2016 IEEE Applied Power Electronics Conference and Exposition (APEC), Long Beach, CA, USA, 20–24 March 2016; pp. 3453–3458. [Google Scholar]
- Holtz, J. Pulsewidth modulation for electronic power conversion. Proc. IEEE 1994, 82, 1194–1214. [Google Scholar] [CrossRef]
- Akagi, H.; Nabae, A.; Atoh, S. Control Strategy of Active Power Filters Using Multiple Voltage-Source PWM Converters. IEEE Trans. Ind. Appl. 1986, IA-22, 460–465. [Google Scholar] [CrossRef]
- Kouro, S.; Malinowski, M.; Gopakumar, K.; Pou, J.; Franquelo, L.G.; Wu, B.; Rodriguez, J.; A Pérez, M.; I Leon, J. Recent Advances and Industrial Applications of Multilevel Converters. IEEE Trans. Ind. Electron. 2010, 57, 2553–2580. [Google Scholar] [CrossRef]
- Nabae, A.; Takahashi, I.; Akagi, H. A New Neutral-Point-Clamped PWM Inverter. IEEE Trans. Ind. Appl. 1981, IA-17, 518–523. [Google Scholar] [CrossRef]
- Kazmierkowski, M.; Malesani, L. Current control techniques for three-phase voltage-source PWM converters: A survey. IEEE Trans. Ind. Electron. 1998, 45, 691–703. [Google Scholar] [CrossRef]
- Deng, C.; Shu, Z.; Xia, Y.; Chen, N.; Wang, T.; Ma, H. Three-phase photovoltaic grid-connected inverter with LCL based on current deadbeat control and PI control. In Proceedings of the 2014 International Conference on Power System Technology, Chengdu, China, 20–22 October 2014; Volume 6, pp. 2864–2870. [Google Scholar]
- Cortés, P.; Kazmierkowski, M.P.; Kennel, R.M.; Quevedo, D.E.; Rodríguez, J. Predictive control in power electronics and drives. IEEE Trans. Ind. Electron. 2008, 55, 4312–4324. [Google Scholar] [CrossRef]
- Rodriguez, J.; Kazmierkowski, M.P.; Kennel, R.M.; Espinoza, J.R.; Cortés, P.; Silva, C.A. State of the art of finite control set model predictive control in power electronics. IEEE Trans. Ind. Electron. 2012, 9, 1003–1016. [Google Scholar] [CrossRef]
- Xu, J.; Soeiro, T.B.; Gao, F.; Tang, H.; Bauer, P. A simplified modulated model predictive control for a grid-tied three-level T-type inverter. In Proceedings of the 2020 IEEE 29th International Symposium on Industrial Electronics (ISIE), Delft, The Netherlands, 17–19 June 2020; pp. 618–623. [Google Scholar]
- Zorig, A.; Belkheiri, M.; Barkat, S. Control of three-level T-type inverter based grid connected PV system. In Proceedings of the 2016 13th International Multi-Conference on Systems, Signals & Devices (SSD), Leipzig, Germany, 21–24 March 2016; pp. 415–420. [Google Scholar]
- Abdel-Rahim, O.; Takeuchi, M.; Funato, H.; Junnosuke, H. T-type three-level neutral point clamped inverter with model predictive control for grid connected photovoltaic applications. In Proceedings of the 2016 19th International Conference on Electrical Machines and Systems (ICEMS), Chiba, Japan, 13–16 November 2016; pp. 1–5. [Google Scholar]
- Wang, Y.; Ruan, X.; Yao, K. A review of model predictive control for power electronics—Opportunities and challenges. IEEE J. Emerg. Sel. Top. Power Electron. 2023, 11, 1–20. [Google Scholar]
- Odeh, C.; Kondratenko, D.; Lewicki, A.; Jąderko, A. Adaptive selective harmonic elimination model predictive control for three-level T-type inverter. IEEE Access 2020, 8, 157983–157994. [Google Scholar]
- Xing, X.; Zhang, C.; Chen, A.; Geng, H.; Qin, C. Deadbeat control strategy for circulating current suppression in multiparalleled three-level inverters. IEEE Trans. Ind. Electron. 2018, 65, 6239–6249. [Google Scholar] [CrossRef]
- Rodriguez, J.; Cortes, P. Predictive Control of a Three-Phase Inverter. In Predictive Control of Power Converters and Electrical Drives; IEEE: New York, NY, USA, 2012; pp. 41–63. [Google Scholar]
- Lee, K.M.; Kim, I.S. A study on the controller design of the three-level boost converter for photovoltaic power conditioning system. Trans. Korean Inst. Power Electron. 2021, 26, 227–236. [Google Scholar]
- Kim, H.Y.; Ji, S.K.; Han, S.K.; Hong, S.S. Hong Small signal model and accurate two-loop controller design for bi-directional inverter using DQ transformation. Trans. Korean Inst. Power Electron. 2011, 2011, 194–195. [Google Scholar]
- Hong, C.-P.; Kim, H.-W.; Cho, K.-Y.; Lim, B.-K. Stationary reference frame voltage controller for single phase grid connected inverter for stand alone mode. Trans. Korean Inst. Power Electron. 2015, 20, 517–525. [Google Scholar] [CrossRef]
- Batool, Z.; Biricik, S.; Komurcugil, H.; Ngo, T.; Vu, T.V. Photovoltaic supplied T-type three-phase inverter with harmonic current compensation capability. In Proceedings of the 2019 2nd International Conference on Smart Grid and Renewable Energy (SGRE), Doha, Qatar, 19–21 November 2019; pp. 1–5. [Google Scholar]
- Ko, Y.H.; Lee, K.J.; Kim, R.Y.; Hyun, D.S. Predictive control of the neutral point voltage in the three-level NPC inverter. Trans. Korean Inst. Power Electron. 2011, 7, 356–357. [Google Scholar]
- Odeh, C.; Kondratenko, D.; Lewicki, A.; Jąderko, A. Modified SPWM technique with zero-sequence voltage injection for a five-phase, three-level NPC inverter. Energies 2021, 14, 1198. [Google Scholar] [CrossRef]
- Chen, F.; Qiao, W.; Wang, H.; Qu, L. A simple zero-sequence voltage injection method for carrier-based pulsewidth modulation of the three-level NPC inverter. J. Emerg. Sel. Top. Power Electron. 2021, 9, 4687–4699. [Google Scholar] [CrossRef]
- Wang, J.; Liu, X.; Xiao, Q.; Zhou, D.; Qiu, H.; Tang, Y. Modulated Model Predictive Control for Modular Multilevel Converters With Easy Implementation and Enhanced Steady-State Performance. IEEE Trans. Power Electron. 2020, 35, 9107–9118. [Google Scholar] [CrossRef]














| Symbol | Description | Value |
|---|---|---|
| Open Circuit Voltage | 440 [V] | |
| Short Circuit Current | 5.1 [A] | |
| Voltage at Maximum Power | 358 [V] | |
| Current at Maximum Power | 4.61 [A] | |
| Link Capacitance High & Low | 6.12 [mF] | |
| Link Resistance High & Low | 47 [kΩ] | |
| Inductance (a & b & c) | 2.4 [mH] | |
| Inductance ESR | 0.034 [Ω] | |
| Resistance of grid | 5 [Ω] | |
| Filter Capacitance | 100 [uF] | |
| Switch Frequency | 15.384 [kHz] |
| Symbol | Description |
|---|---|
| Phase-a PV-side voltage | |
| α | Slope of linearized PV I–V curve () |
| β | Intercept of linearized PV I–V curve () |
| Voltage across upper DC-link capacitor & lower DC-link capacitor | |
| Filter capacitor voltage | |
| Phase-a PV current | |
| Filter inductor current | |
| PV module current | |
| d–q axis currents | |
| d–q axis duty ratios |
| Single Loop | |
|---|---|
| Current Controller | |
| Double Loop | |
| Voltage Controller | |
| Current Controller | |
| PI | Deadbeat | |
|---|---|---|
| Settling Time | 3.6 ms | 1.89 ms |
| Harmonic Order | PI (%) | Deadbeat (%) |
| 2.547 | 1.002 | |
| 6.994 | 2.084 | |
| 1.577 | 0.632 | |
| 6.079 | 1.807 | |
| 2.165 | 0.738 | |
| 4.67 | 1.664 | |
| 4.247 | 1.446 | |
| 12.904 | 4.296 |
Disclaimer/Publisher’s Note: The statements, opinions and data contained in all publications are solely those of the individual author(s) and contributor(s) and not of MDPI and/or the editor(s). MDPI and/or the editor(s) disclaim responsibility for any injury to people or property resulting from any ideas, methods, instructions or products referred to in the content. |
© 2026 by the authors. Licensee MDPI, Basel, Switzerland. This article is an open access article distributed under the terms and conditions of the Creative Commons Attribution (CC BY) license.
Share and Cite
Jang, H.; Kim, I.S. Deadbeat Control for a Three-Phase Solar T-Type Inverter and Comparison with PI Control. Energies 2026, 19, 417. https://doi.org/10.3390/en19020417
Jang H, Kim IS. Deadbeat Control for a Three-Phase Solar T-Type Inverter and Comparison with PI Control. Energies. 2026; 19(2):417. https://doi.org/10.3390/en19020417
Chicago/Turabian StyleJang, HanJoon, and Il Song Kim. 2026. "Deadbeat Control for a Three-Phase Solar T-Type Inverter and Comparison with PI Control" Energies 19, no. 2: 417. https://doi.org/10.3390/en19020417
APA StyleJang, H., & Kim, I. S. (2026). Deadbeat Control for a Three-Phase Solar T-Type Inverter and Comparison with PI Control. Energies, 19(2), 417. https://doi.org/10.3390/en19020417
