Modeling an Industrial Distribution Network with Significant Photovoltaic Integration Using ATP-EMTP
Abstract
1. Introduction
- time and spectral waveforms of currents and zero-sequence voltages,
- the effectiveness and selectivity of earth fault protection,
- the overall resistance of the network to earth faults.
2. Materials and Methods
2.1. Description of the Analyzed Network
- 14 switchboards, including one main switchboard,
- cable lines ranging from several dozen to several thousand meters in length,
- an earth fault current of 70.1 A,
- 32 receivers in the form of three-phase induction motors with power ratings ranging from 20 to 705 kW.
2.2. Justification for Choosing the ATP-EMTP Environment
- the ability to model an extensive power grid consisting of a large number of nodes and branches;
- a wide selection of cable line models;
- the ability to use multiple voltage sources simultaneously, as well as sources containing higher harmonics;
- the ability to save results in a format that allows them to be analyzed in external calculation programs such as MATLAB or Microsoft Excel.
2.3. Selection of Cable Line Model and Earth Fault for Verification of Modelled Network Compliance with Actual Network
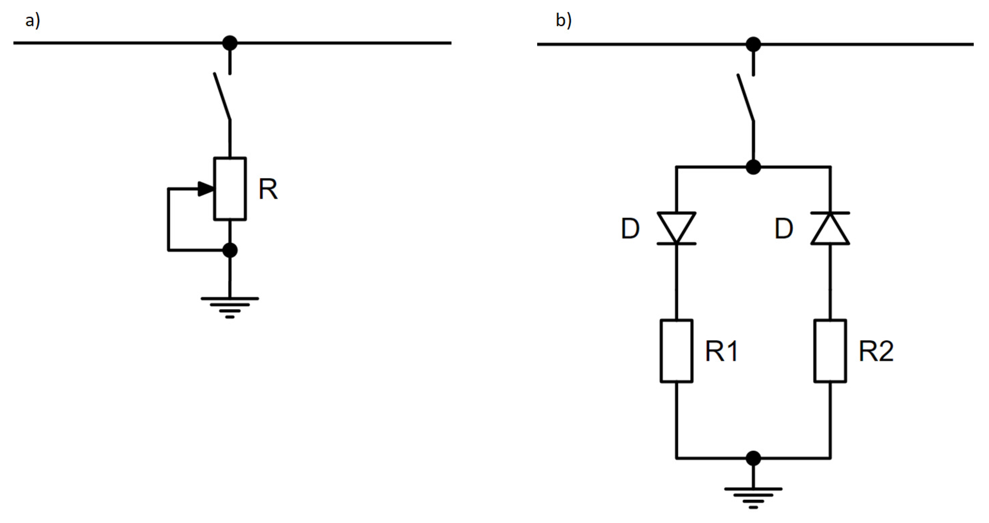
- a resistive short-circuit model with variable resistance, enabling analysis of dynamic processes accompanying low-resistance short circuits (Figure 4a), and
- a short-circuit model with two fixed resistances switched semi-periodically, used for high-resistance short circuits in which there is asymmetry between the positive and negative voltage half-cycles (Figure 4b).

2.4. Analysis of Selected Cases to Verify the Correctness of the Simulation Model
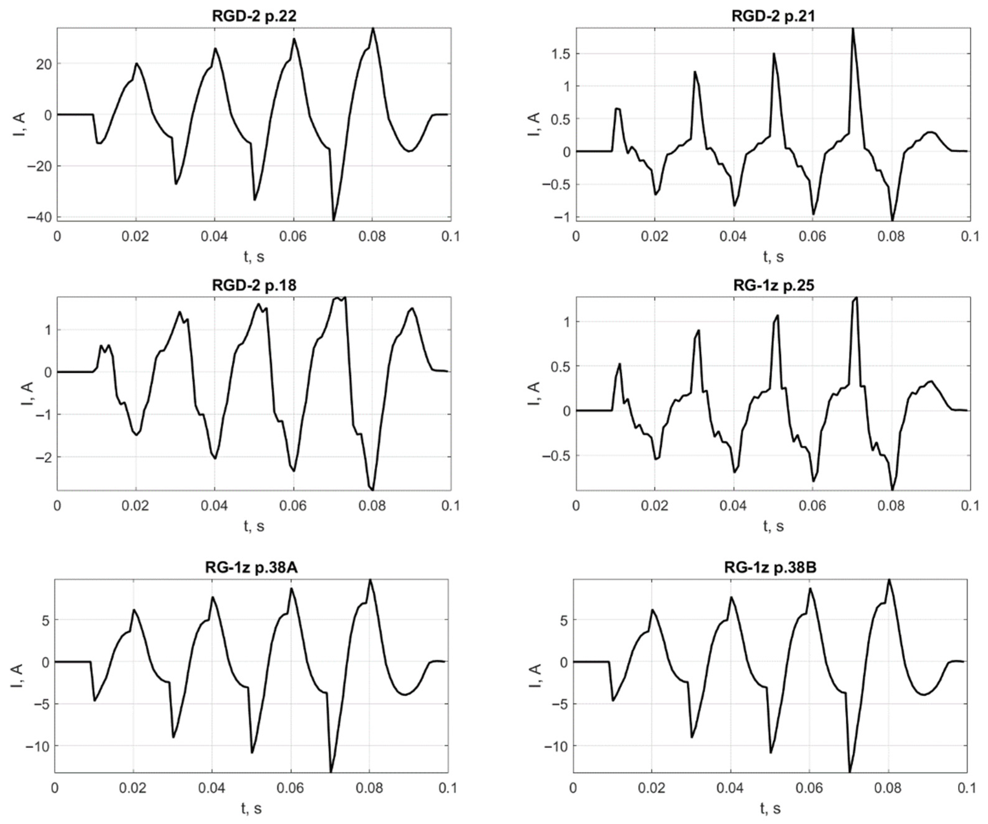
- Case no. 1: high-resistance short circuit with variable resistance in line RGD-2 p. 22 at 495 m,
- Case no. 2: metallic short circuit in line RGD-2 p. 22 at 495 m,
- Case no. 3: high-resistance short circuit with variable resistance in line H-900 p.16 at 200 m.
- the effective value of the zero component voltage U0 as an approximation of the fault resistance level,
- characteristics of 3I0 waveforms in individual fields, in particular half-cycle asymmetry and degree of variability over time in the 80 ms observation window.
2.4.1. High-Resistance Short Circuit in Line RGD-2 p. 22 at 495 m
2.4.2. Metal Short Circuit in Line RGD-2 p. 22 at 495 m
2.4.3. High-Resistance Short Circuit with Variable Resistance in Line H-900 p.16 at 200 m
2.5. Integration of a Photovoltaic Source into a Modelled Network
3. Results and Discussion
3.1. Analysis of Steady-State Results
- EH-d03 W No. 10 p2—210 kW motor, located 4690 m from the main switchboard,
- R-3z p6—180 kW motor, located 489 m from the main switchboard,
- H-900 p15—120 kW motor, located 4350 m from the main switchboard,
- R-11z p2—600 kW motor, located 1805 m from the main switchboard.
3.2. Analysis of Results in a Steady State
4. Conclusions
- The developed and verified model accurately reflects actual earth fault phenomena, as confirmed by three measurement events.
- The integration of PV sources affects the voltage level in the grid. Significant changes occur above a 20% share of PV power, and exceeding 50% may lead to a violation of permissible voltage deviations.
- Admittance protections (Y0>) maintain their selectivity and effectiveness even at high levels of PV generation, provided that they are properly synchronized with zero-voltage protection (U0>).
- In the presence of PV, no increase in the risk of false protection operations was observed; however, fluctuations in Y0 values were identified at distant points in the grid, resulting from cable-transformer resonances.
- The integration of PV sources into industrial networks with an isolated neutral point is possible without compromising the effectiveness of earth fault protection, provided that the PV share does not exceed 50% of the connection capacity and appropriate voltage regulation mechanisms are used.
Author Contributions
Funding
Data Availability Statement
Conflicts of Interest
References
- Nohacova, L.; Vykuka, R.; Zak, F.; Kropacek, V. Electrical Distribution Networks with Isolated Neutral Point—The Value of the Capacitive Earthfault Current and Impact on the Operation of These Networks. 2015, pp. 73–76. Available online: https://www.researchgate.net/publication/284747183_Electrical_distribution_networks_with_isolated_neutral_point_-_The_value_of_the_capacitive_earthfault_current_and_impact_on_the_operation_of_these_networks (accessed on 10 September 2025).
- Filipović-Grčić, B.; Stipetic, N.; Milardić, V.; Uglešić, I. The Insulation of Medium Voltage Networks with Isolated Neutral. 2018. Available online: https://www.researchgate.net/publication/323832142_The_insulation_of_medium_voltage_networks_with_isolated_neutral (accessed on 9 September 2025).
- Talaga, M.; Halinka, A. Selective Detection of Earthfaults in Medium Voltage Networks of Industrial Plants—Part I. Prz. Elektrotech. 2014, 90, 20–23. [Google Scholar]
- Talaga, M.; Halinka, A. Selective Detection of Earthfaults in Medium Voltage Networks of Industrial Plants—Part II. Prz. Elektrotech. 2014, 90, 24–27. [Google Scholar]
- Emanuel, A.E.; Cyganski, D.; Orr, J.A.; Shiller, S.; Gulacheński, A.M. High-Impedance Fault Arcing on Sandy Soil in 15 kV Distribution Feeders. IEEE Trans. Power Deliv. 1990, 5, 676–686. [Google Scholar] [CrossRef]
- Johns, A.T.; Aggarwal, R.K.; Song, Y.H. Improved Techniques for Modeling Fault Arcs on Faulted EHV Transmission Systems. IEE Proc. Gener. Transm. Distrib. 1994, 141, 148–154. [Google Scholar] [CrossRef]
- Djuric, M.B.; Terzija, V.V. New Approach to the Arcing Faults Detection for Fast Autoreclosure in Transmission Systems. IEEE Trans. Power Deliv. 1995, 10, 1793–1798. [Google Scholar] [CrossRef]
- Kuliński, K.; Heyduk, A. Ground Fault in Medium-Voltage Networks with Isolated Neutral: Spectral and Wavelet Analysis in ATP-EMTP. Energies 2024, 17, 1532. [Google Scholar] [CrossRef]
- Yamashika, H.; Syafii, S. Characteristics of symmetrical components for high impedance faults in distribution networks with photovoltaic inverters. Indones. J. Electr. Eng. Comput. Sci. 2024, 33, 727–735. [Google Scholar] [CrossRef]
- Feng, R.; Xiao, Y.; Liu, F.; Ye, W.; Yao, Y.; Wang, Q.; Zhao, Y.; Shu, X. A Novel Protection Scheme for Inverse-time Overcurrent Protection of High Proportion Distributed Photovoltaic Clusters Based on Improved Grey Wolf Optimizer. J. Eng. 2025, 2025, 1–19. [Google Scholar] [CrossRef]
- Mäki, K.; Repo, S.; Järventausta, P. Impacts of Distributed Generation on Earth Fault Protection in Isolated Neutral Distribution Systems. In Proceedings of the 19th International Conference and Exhibition on Electricity Distribution, Vienna, Austria, 21–24 May 2007. [Google Scholar]
- Azuara Grande, L.S.; Granizo, R.; Arnaltes, S. Wavelet Analysis to Detect Ground Faults in Electrical Power Systems with Full Penetration of Converter Interface Generation. Electronics 2023, 12, 1085. [Google Scholar] [CrossRef]
- Li, Y.; Qi, J.; Chen, S.; Xu, Y.; Xing, Z.; Wei, Y. Modeling and Simulation of Photovoltaic Power Generation System Based on ATP-EMTP. In Proceedings of the 4th International Conference on Green Energy and Power Systems, Hangzhou, China, 11–13 April 2025; pp. 699–703. [Google Scholar]
- Hoang, T.; Tran, Q.; Bésanger, Y. An Advanced Protection Scheme for Medium-Voltage Distribution Networks with Low-Voltage Microgrids with High PV Penetration. Int. J. Electr. Power Energy Syst. 2022, 139, 107988. [Google Scholar] [CrossRef]
- Thanasaksiri, T. Simulation of PV System Using EMTP-ATPDraw. In Proceedings of the 16th International Conference on Electrical Engineering/Electronics, Computer, Telecommunications and Information Technology (ECTI-CON), Pattaya, Thailand, 10–13 July 2019; pp. 282–285. [Google Scholar]
- Silva, L.; Guimarães, G.; Oliveira, T.; Rezende, J.; Santos, R.; Piccini, A. Modelling of a Multipurpose Photovoltaic Generator Block Using ATP-EMTP. IEEE Lat. Am. Trans. 2019, 17, 203–209. [Google Scholar]
- Han, Y. Nonlinear Stability Analysis of Digital Controlled Single-Phase Standalone Inverter. In Modeling and Control of Power Electronic Converters for Microgrid Applications; Springer: New York, NY, USA, 2021. [Google Scholar]
- Electromagnetic Transients Program (EMTP), Rule Book. Available online: www.eeug.org (accessed on 21 September 2025).
- Dommel, H.W. Electromagnetic Transients Program: Reference Manual (EMTP Theory Book); Bonneville Power Administration: Portland, OR, USA, 1986. [Google Scholar]
- Alasali, F.; Itradat, A.; Ghalyon, S.; Abudayyeh, M.; El-Naily, N.; Hayajneh, A.; AlMajali, A. Smart Grid Resilience for Grid-Connected PV and Protection Systems under Cyber Threats. Smart Cities 2023, 7, 51–77. [Google Scholar] [CrossRef]
- Yuan, S.; Wen, B.; Zhang, J.; Li, Z. State-Space Average Model of a Three-Level PV Inverter for Transient Short-Circuit Analysis. IET Gener. Transm. Distrib. 2024, 18, 1855–1870. [Google Scholar] [CrossRef]
- Li, Z.; Lu, J.; Zhu, Y.; Jiang, W. Ground-Fault Characteristics of Grid-Connected PV Stations with Neutral Grounding Resistance. Energies 2017, 10, 1910. [Google Scholar] [CrossRef]
- Saleh, S.; Kanukollu, S.; Al-Durra, A. Phaselet Transform-Based Ground Fault Protection for Grid-Connected PV Systems. IEEE Trans. Ind. Appl. 2023, 59, 5398–5410. [Google Scholar] [CrossRef]
- Kermani, B.; Shariatinasab, R.; Khorshidi, M.; He, J. Risk Analysis of Lightning-Related Transients in PV Systems. IEEE Trans. Power Deliv. 2025, 40, 618–629. [Google Scholar] [CrossRef]
- Dommel, H.W. Nonlinear and Time-Varying Elements in Digital Simulation of Electromagnetic Transients. IEEE Trans. Power Appar. Syst. 1971, PAS-90, 2561–2567. [Google Scholar] [CrossRef]
- Meyer, W.S.; Dommel, H.W. Numerical Modelling of Frequency-Dependent Transmission-Line Parameters in an Electromagnetic Transients Program. IEEE Trans. Power Appar. Syst. 1974, PAS-93, 1401–1409. [Google Scholar] [CrossRef]
- Marti, J.R. Accurate Modelling of Frequency-Dependent Transmission Lines in Electromagnetic Transient Simulations. IEEE Trans. Power Appar. Syst. 1982, PAS-101, 147–155. [Google Scholar] [CrossRef]
- Marti, L. Simulation of Transients in Underground Cables with Frequency-Dependent Modal Transformation Matrix. IEEE Trans. Power Deliv. 1988, 3, 1099–1110. [Google Scholar] [CrossRef]
- Noda, T.; Nagaoka, N.; Ametani, A. Further Improvements to a Phase-Domain ARMA Line Model. IEEE Trans. Power Deliv. 1997, 12, 1327–1332. [Google Scholar] [CrossRef]
- Noda, T.; Nagaoka, N.; Ametani, A. Phase-Domain Modeling of Frequency-Dependent Transmission Lines Using an ARMA Model. IEEE Trans. Power Deliv. 1996, 11, 401–411. [Google Scholar] [CrossRef]
- Tele-Fonika Kable. Katalog Kabli i Przewodów Oponowych. Cable and Wiring Catalog. Available online: https://www.tele-fonika.com/informacje-prasowe/katalogi (accessed on 25 September 2025).
- Haginomori, E.; Koshiduka, T.; Arai, J.; Ikeda, H. Power System Transient Analysis: Theory and Practice Using Simulation Programs (ATP/EMTP); Wiley: Hoboken, NJ, USA, 2016. [Google Scholar]
- Lee, K.M.; Park, C.W. Ground Fault Detection Using Hybrid Method in IT System LVDC Microgrid. Energies 2020, 13, 2606. [Google Scholar] [CrossRef]
- Zamanan, N.; Sykulski, J. The Evolution of High Impedance Fault Modeling. In Proceedings of the 16th International Conference on Harmonics and Quality of Power (ICHQP), Bucharest, Romania, 25–28 May 2014; pp. 77–81. [Google Scholar]
- Li, B.; Du, X.; Miao, J.; Wang, H.; Ma, Y.; Li, Z. Arc Grounding Fault Monitoring and Fire Prediction Method Based on EEMD and Reconstruction. Electronics 2022, 11, 2159. [Google Scholar] [CrossRef]
- Field Controller multiMUZ-2, Catalog Card. Available online: https://www.scribd.com/document/873336303/multiMUZ-2 (accessed on 1 October 2025).
- Field Controller multiMUZ-3, Catalog Card. Available online: https://www.elektrobudowa.com.pl/store/files/KsWXHz5GgXERv20CAo67ZnRro00VRmvYowJYDEVx.pdf (accessed on 1 October 2025).
- Hastings, W.K. Monte Carlo Sampling Methods Using Markov Chains and Their Applications. Biometrika 1970, 57, 97–109. [Google Scholar] [CrossRef]
- Jerrum, M.; Sinclair, A. The Markov Chain Monte Carlo Method: An Approach to Approximate Counting and Integration. In Approximation Algorithms for NP-Hard Problems; Hochbaum, D., Ed.; PWS; Course Technology Ptr: Boston, MA, USA, 1996. [Google Scholar]
- Dommel, H.W. Digital Computer Solution of Electromagnetic Transients in Single- and Multiphase Networks. IEEE Trans. Power Appar. Syst. 1969, PAS-88, 388–399. [Google Scholar] [CrossRef]
- Muñoz, D.; González, E.; Piñeros, J.; Zapata, L. Simplified Inverter-Based Generation Model for Protection and Short-Term Stability Studies. TecnoLógicas 2022, 55. [Google Scholar] [CrossRef]
- Pothisarn, C.; Patcharoen, T.; Srisuksai, P.; Ngaopitakkul, A.; Kunakorn, A.; Ananwattanaporn, S. Application of Neutral Grounding Resistor in High Voltage PV Substation. In Proceedings of the 2025 IEEE Industry Applications Society Annual Meeting (IAS), Taipei, Taiwan, 15–20 June 2025; pp. 1–6. [Google Scholar]
- Lorenc, J.; Hoppel, W. Technical Methods Supporting Operation of Earth-Fault Protections in Medium Voltage Networks. Prz. Elektrotech. 2009, 85, 241–248. [Google Scholar]
- Lorenc, J.; Hoppel, W. Contemporary Solutions of Earth-Fault Protection in Medium Voltage Networks with a Non-Solidly Earthed Neutral. Autom. Elektr. Zakłócenia 2013, 14, 18–43. [Google Scholar]













| Case Number | The Length of the Outflows, m | Calculated Earth Fault Current, A | Earth Fault Current Consistent with the Π Model, A | Earth Fault Current Compliant with the zCable Model, A |
|---|---|---|---|---|
| 1 | 1000 | 8.79 | 8.52 | 8.17 |
| 2 | 350 | 3.08 | 2.93 | - |
| 3 | 100 | 0.88 | 0.81 | - |
| Field | ΔI for Model no. 1, A | ΔI for Model no. 2, A | ΔI for Model no. 3, A | ΔI for Model no. 4, A |
|---|---|---|---|---|
| RGD-2 900 p.22 | 7.66 | 2.94 | 4.81 | 1.28 |
| RGD-2 900 p.21 | 0.66 | 0.37 | 0.19 | 0.17 |
| RGD-2 900 p.18 | 0.89 | 0.33 | 0.57 | 0.15 |
| RG-1z p.38A | 3.94 | 1.41 | 1.24 | 0.94 |
| RG-1z p.38B | 3.02 | 2.15 | 1.83 | 0.86 |
| RG-1z p.25 | 0.56 | 0.12 | 0.15 | 0.098 |
| Field | ΔI, A |
|---|---|
| RGD-2 900 p.22 | 27.20 |
| RGD-2 900 p.21 | 0.68 |
| RG-1z p.38A | 7.56 |
| RG-1z p.38B | 7.56 |
| RG-1z p.29 | 0.75 |
| Field | ΔI, A |
|---|---|
| H-900 p.16 | 0.42 |
| H-900 p.15 | 0.31 |
| H-900 p.13 | 0.29 |
| RGD-1 p.2 | 0.88 |
| RGD-1 p.8 | 0.26 |
| Field | Y0 Registered, mS | Y0 Simulated Without PV, mS | Y0 Simulated % SPN, mS | Y0 Simulated 10% SPN, mS | Y0 Simulated 100% SPN, mS | Y0set, mS |
|---|---|---|---|---|---|---|
| RG-1z p.29 | 0.19 | 0.21 | 0.20 (for +5%) 0.21 (for +10%) 0.23 (for +15%) | 0.23 (for +5%) 0.25 (for +10%) 0.27 (for +15%) | 0.81 (for +5%) 0.87 (for +10%) 0.82 (for +15%) | 1.04 |
| RG-1z p.38A | 2.73 | 2.86 | 2.83 (for +5%) 3.10 (for +10%) 3.33 (for +15%) | 2.91 (for +5%) 3.17 (for +10%) 3.40 (for +15%) | 4.57 (for +5%) 5.03 (for +10%) 5.38 (for +15%) | 10.9 |
| RGD-2 p.21 | 0.27 | 0.33 | 0.32 (for +5%) 0.35 (for +10%) 0.36 (for +15%) | 0.35 (for +5%) 0.37 (for +10%) 0.41 (for +15%) | 0.88 (for +5%) 0.96 (for +10%) 1.03 (for +15%) | 1.09 |
| RGD-2 p.22 | 9.09 | 9.59 | 9.47 (for +5%) 10.06 (for +10%) 10.87 (for +15%) | 9.81 (for +5%) 10.43 (for +10%) 11.22 (for +15%) | 12.83 (for +5%) 14.09 (for +10%) 14.98 (for +15%) | 1.02 |
Disclaimer/Publisher’s Note: The statements, opinions and data contained in all publications are solely those of the individual author(s) and contributor(s) and not of MDPI and/or the editor(s). MDPI and/or the editor(s) disclaim responsibility for any injury to people or property resulting from any ideas, methods, instructions or products referred to in the content. |
© 2025 by the authors. Licensee MDPI, Basel, Switzerland. This article is an open access article distributed under the terms and conditions of the Creative Commons Attribution (CC BY) license.
Share and Cite
Nowińska, K.; Kuliński, K. Modeling an Industrial Distribution Network with Significant Photovoltaic Integration Using ATP-EMTP. Energies 2026, 19, 196. https://doi.org/10.3390/en19010196
Nowińska K, Kuliński K. Modeling an Industrial Distribution Network with Significant Photovoltaic Integration Using ATP-EMTP. Energies. 2026; 19(1):196. https://doi.org/10.3390/en19010196
Chicago/Turabian StyleNowińska, Katarzyna, and Krzysztof Kuliński. 2026. "Modeling an Industrial Distribution Network with Significant Photovoltaic Integration Using ATP-EMTP" Energies 19, no. 1: 196. https://doi.org/10.3390/en19010196
APA StyleNowińska, K., & Kuliński, K. (2026). Modeling an Industrial Distribution Network with Significant Photovoltaic Integration Using ATP-EMTP. Energies, 19(1), 196. https://doi.org/10.3390/en19010196

