Next Article in Journal
Optimal Microgrid Protection Coordination for Directional Overcurrent Relays Through Mixed-Integer Linear Optimization
Previous Article in Journal
The Effects of Water Immersion-Induced Softening and Anisotropy of Mechanical Properties on Gas Depletion in Underground Coal Mines
Previous Article in Special Issue
Stability Analysis and Controller Optimization of MMC in Standalone Mode
 
 
Font Type:
Arial Georgia Verdana
Font Size:
Aa Aa Aa
Line Spacing:
Column Width:
Background:
Article

Optimization of PID Controllers Using Groupers and Moray Eels Optimization with Dual-Stream Multi-Dependency Graph Neural Networks for Enhanced Dynamic Performance

by
Vaishali H. Kamble
1,
Manisha Dale
2,
R. B. Dhumale
3 and
Aziz Nanthaamornphong
4,*
1
Department of Electronics and Communication Engineering, DES Pune University, Pune 411004, India
2
Department of Electronics and Telecommunication, MES Wadia College of Engineering, Pune 411004, India
3
Department of Electronics and Telecommunication Engineering, AISSMS Institute of Information Technology, Pune 411001, India
4
College of Computing, Prince of Songkla University, Phuket 83120, Thailand
*
Author to whom correspondence should be addressed.
Energies 2025, 18(8), 2034; https://doi.org/10.3390/en18082034
Submission received: 4 March 2025 / Revised: 10 April 2025 / Accepted: 14 April 2025 / Published: 16 April 2025
(This article belongs to the Special Issue Advanced Power Electronics Technology)

Abstract

Traditional proportional–integral–derivative (PID) controllers are often utilized in industrial control applications due to their simplicity and ease of implementation. This study presents a novel control strategy that integrates the Groupers and Moray Eels Optimization (GMEO) algorithm with a Dual-Stream Multi-Dependency Graph Neural Network (DMGNN) to optimize PID controller parameters. The approach addresses key challenges such as system nonlinearity, dynamic adaptation to fluctuating conditions, and maintaining robust performance. In the proposed framework, the GMEO technique is employed to optimize the PID gain values, while the DMGNN model forecasts system behavior and enables localized adjustments to the PID parameters based on feedback. This dynamic tuning mechanism enables the controller to adapt effectively to changes in input voltage and load variations, thereby enhancing system accuracy, responsiveness, and overall performance. The proposed strategy is assessed and contrasted with existing strategies on the MATLAB platform. The proposed system achieves a significantly reduced settling time of 100 ms, ensuring rapid response and stability under varying load conditions. Additionally, it minimizes overshoot to 1.5% and reduces the steady-state error to just 0.005 V, demonstrating superior accuracy and efficiency compared to existing methods. These improvements demonstrate the system’s ability to deliver optimal performance while effectively adapting to dynamic environments, showcasing its superiority over existing techniques.

1. Introduction

The simplicity, convenience of use, and typically satisfactory performance of proportional–integral–derivative (PID) controllers make them popular in industrial applications [1]. These controllers are often employed in power electronic systems, like DC–DC converters and inverters, for voltage, current, and power regulation [2]. DC–DC converters are especially important in modern energy systems due to their role in efficiently managing and converting power from renewable sources like solar panels and batteries [3]. They enable voltage regulation and energy transfer across different subsystems, improving overall energy efficiency and system reliability [4]. These converters are integral in electric vehicles, smart grids, and portable electronic devices, where consistent and adaptive power delivery is critical. Their capacity to provide controlled voltage levels makes them essential for integrating intermittent and variable energy sources into stable usable outputs [5]. The traditional PID tuning methods like Ziegler–Nichols and Cohen–Koon often yield suboptimal results in these nonlinear systems, as they are designed for linear or time-invariant conditions [6]. Consequently, conventional PID controllers, which are typically tuned for steady-state performance [7], may fail to provide an adequate transient response or stability in applications where load or input voltage fluctuates [8]. Moreover, in the presence of high-frequency switching noise, which is characteristic of buck-boost converters, improper PID tuning can lead to performance degradation such as overshooting or instability [9]. The control process can become more complicated when the system is subjected to fluctuating load conditions, making it crucial to adjust PID parameters to maintain optimal performance [10]. Recent advancements have focused on adaptive PID control strategies, which dynamically adjust the controller parameters to handle the system’s nonlinearities and improve its robustness [11]. One approach is using optimization techniques like particle swarm optimization or genetic algorithms, which fine-tune PID parameters to achieve better performance in nonlinear and time-varying environments [12]. An additional promising strategy involves incorporating artificial intelligence or machine learning models to dynamically adjust PID gains, enhancing the controller’s adaptability [13]. Despite these advancements, traditional PID control still faces limitations in achieving optimal performance under highly dynamic and nonlinear conditions [14].
In buck-boost converters, the PID controller must maintain a delicate balance between stability, transient response, and steady-state accuracy, which is often challenging due to the varying dynamics of the system [15]. A key challenge lies in selecting PID gains that remain effective across a variety of operational circumstances, including different load levels and input voltages [16]. In order to improve the performance of PID controllers in buck-boost converters, current research is still investigating hybrid and adaptive control techniques [17]. The importance of continuous adjustment and fine-tuning of PID parameters becomes evident as the converter’s dynamic response must be matched with external changes, requiring constant optimization [18]. High-frequency noise from the switching operation of the converter can further complicate the controller’s performance, leading to higher overshoot and instability unless properly addressed [19]. Therefore, more sophisticated approaches that integrate global optimization and adaptive feedback mechanisms are crucial for improving the overall stability and efficiency of PID-controlled buck-boost converters under dynamic conditions [20].
In the literature, various research works are available based on PID controller optimization, adaptive control strategies, and performance enhancement in buck-boost converters using various techniques and aspects. A few of these works are reviewed as follows.

1.1. Optimization Techniques

S Sangeetha et al. [21] suggested a hybrid technique for fractional-order proportional integral derivative (FOPID) controller performance analysis of buck converters. The Capuchin Search Algorithm (CapSA) and the Golden Jackal Optimization (GJO) were integrated into this hybrid technique. The Capuchin Search Algorithm was used to improve the Golden Jackal Optimization’s update behavior, resulting in the enhanced GJO (IGJO) approach. Because power converters were nonlinear, they were difficult to regulate, and there was a constant quest for efficient and effective controllers. Recently, it has been demonstrated that fractional-order controllers are more efficient in power electronic systems. The best design for a fractional-order PID controller for the buck converter was found using the IGJO approach.
P Warrier et al. [22] presented a complex-order PI controller for DC–DC buck and boost converter control that combines a complex-order integrator. Four parameters in the intricate PID controller require adjustment. The Metaheuristic Cohort Intelligence method was used to optimize the design of the complex-order PI controller. The outcomes were contrasted with those of a PID controller of fractional order. The results showed that the complex PI controller provided a better response than the FOPID controller and was more robust to parameter changes.
N F Nanyan et al. [23] presented an improved Sine Cosine Algorithm (ISCA) for the optimization of a DC–DC buck converter using a PID controller. Through two distinct improvements, the limitations of the traditional Sine Cosine Algorithm (SCA) were addressed, resulting in a synergistic usage of nonlinear equations in the instrumental mechanism to revise the average location. To address the problem of local optima, the initial revision included an instrumental function to update the average location. The second change applied a nonlinear equation to the algorithm’s reducing position-updating mechanism, coordinating the traditional SCA’s disproportional exploration and exploitation phases.
L.K. Fong et al. [24] proposed the Archimedes Optimization Algorithm (AOA) as a metaheuristic method for optimizing a PID controller in a closed-loop DC–DC buck converter. The primary duty of the converter was to control output voltage, ensuring stability in the face of input voltage variations and load variations. The performance of the converter heavily depends on the PID controller’s gain settings, which need to be optimized for robust operation. AOA helps identify the optimal integral, proportional, and derivative gains, improving the controller’s ability to minimize voltage errors, reduce overshoot, and enhance response time across varying load conditions. However, AOA may require significant computational resources for complex systems.

1.2. Controller Structure

S M Ghamari et al. [25] designed a Lyapunov-based model reference PID controller for a DC/DC buck converter using their approach. For more dependable functioning, the parameters must be returned, and the PID approach is unsuitable for real-world applications due to a variety of disruptions. To solve this, the PID approach used an adaptive mechanism based on the Lyapunov definition, which improved the stability of the system and resilience to a range of shocks. The system was also handled as a “black-box”, which removes the requirement for precise mathematical modeling and eases installation and computing load. As a contemporary adaptive algorithm, the Lyapunov notion may provide optimum solutions more quickly while maintaining dependable stability and accuracy.
P. Sharma et al. [26] suggested an optimized FOPID controller, designed to generate optimal switching signals for the converter based on input voltage. The controller’s performance was evaluated for both buck and boost modes of operation. It was verified that zero voltage switching (ZVS) and zero current switching (ZCS) are achieved under boost mode, enhancing efficiency and reducing switching losses. However, the implementation of the FOPID controller can be complex and requires high computational resources, especially in systems with varying load conditions.
D M Acevedo et al. [27] have presented an adaptive speed control strategy for DC motors using a DC/DC converter (in buck and boost modes) based on the inverse optimal control (IOC) method. Their method ensures stability and optimal performance of nonlinear systems through Lyapunov theory, minimizing a specified cost function. An integral action enhances performance, ensuring asymptotic stability without affecting convergence properties. The strategy was implemented on buck and boost converter/DC motor systems. However, the IOC approach can be computationally intensive and may not be ideal for systems with rapidly changing dynamics. Table 1 displays the summary of the research work.
The generic review of recent research highlights various optimization techniques designed to enhance the control systems’ performance, particularly in buck-boost converters, by optimizing PID controllers for better stability, efficiency, and dynamic adaptation under varying load conditions. The existing techniques include Improved Golden Jackal Optimization (IGJO) optimized PID, Improved Sine Cosine Algorithm (ISCA) optimized PID, Cohort Intelligence Algorithm (CTA) optimized PID, and Lyapunov-based adaptive PID (L-Based Adaptive PID). The IGJO-Optimized PID suffers from slow convergence, high overshoot, higher steady-state error, and sensitivity to initial conditions, making it less suitable for precision-critical applications. It also struggles to maintain stability in systems with significant variations in load or input, reducing its reliability in dynamic environments. The ISCA-Optimized PID faces challenges with response speed and precision, and its optimization process can be computationally expensive, limiting scalability for larger or more complex systems. Additionally, it may not handle nonlinearities effectively. The CTA-Optimized PID has limited adaptation to highly dynamic conditions, resulting in slower adjustments in unpredictable systems, and reduced robustness under external disturbances, leading to performance degradation. The L-Based Adaptive PID relies on Lyapunov functions, limiting its application to specific system types. It also exhibits slower adaptation in dynamic environments, higher computational complexity, and reduced effectiveness in nonlinear systems, making it less practical for fast-changing or highly nonlinear applications. Very few approach-based studies are offered in the literature to deal with this problem; these issues and disadvantages served as the impetus for this study work.
The proposed GMEO-DMGNN method was chosen due to its unique ability to address the complex optimization challenges in PID controllers for buck-boost converters. This combination overcomes existing drawbacks by offering better adaptability, faster convergence, and enhanced stability compared to conventional methods. Advantages include improved stability, reduced overshoot, minimized steady-state error, and faster settling times under varying loads. The novelty lies in integrating the GMEO with the DMGNN model for fine-tuning PID parameters, ensuring superior performance. The method works by leveraging GMEO for global search and DMGNN for localized fine-tuning of PID parameters, enhancing efficiency in dynamic systems. Compared to existing techniques, the GMEO-DMGNN method ensures better adaptability, responsiveness, and optimal performance in buck-boost converters under changing conditions, making it a more robust and efficient solution.
The following are the paper’s primary contributions:
  • This work uses GMEO and DMGNN to create an adaptive tuning mechanism for PID-controlled buck-boost converters, evaluated across dynamic loads, disturbances, and diverse signal profile;
  • The proposed system utilizes a standard PID controller designed specifically for buck-boost converters, with enhancements that focus on optimizing its parameters for improved performance. The proposed method effectively addresses the nonlinear behavior and feedback noise commonly present in buck-boost converters;
  • Through the integration of GMEO and DMGNN, the control system achieves a notable reduction in settling time of 100 ms, delivering an efficient response even under rapidly shifting operational conditions;
  • The proposed method effectively stabilizes the nonlinear voltage gain characteristics of the buck-boost converter, which vary with the duty cycle, ensuring consistent output regulation across a wide range of input conditions and operating modes.
The remainder of the document is structured as follows: Section 2 clarifies the configuration for Optimizing PID Controllers in buck-boost Converters. Section 3 discusses the Simulation Configurations and Setup. Section 4 discusses the proposed GMEO-DMGNN. The results and discussion are clarified in Section 5, and Section 6 contains the conclusions.

2. Configuration for Optimizing PID Controllers in Buck-Boost Converters

Figure 1 illustrates the block diagram for optimizing PID controllers in buck-boost converters. It shows that the reference voltage is compared with the output voltage through a feedback loop to regulate the system. Subtracting from V r e f creates the error signal, which is then sent to the PID controller. Based on the error signal, the PID controller modifies the control signal u ( t ) , which is then used to regulate the buck-boost converter’s output voltage V o u t . The PID controller’s performance is improved by optimizing the PID parameters through the integration of the proposed GMEO-DMGNN technique. The error signal and the control signal are dynamically adjusted through the GMEO-DMGNN method, which fine-tunes the PID parameters for optimal performance under varying load conditions. The system’s stability and efficiency are increased by the integration of GMEO-DMGNN, which makes sure that the output voltage is kept at the intended set point while adjusting to dynamic changes. The GMEO-DMGNN method works by continually fine-tuning the PID parameters, allowing the system to adapt to these changing conditions. As a result, the system is able to maintain a steady output voltage ( V o u t ) that is as close as possible to the reference voltage ( V r e f ), while also improving the entire stability, efficiency, and performance of the converter. Through this method, the proposed system not only ensures precise voltage regulation but also reduces overshoot, improves settling time, and enhances system robustness under various operating scenarios.

2.1. Modeling of the Buck-Boost Converter

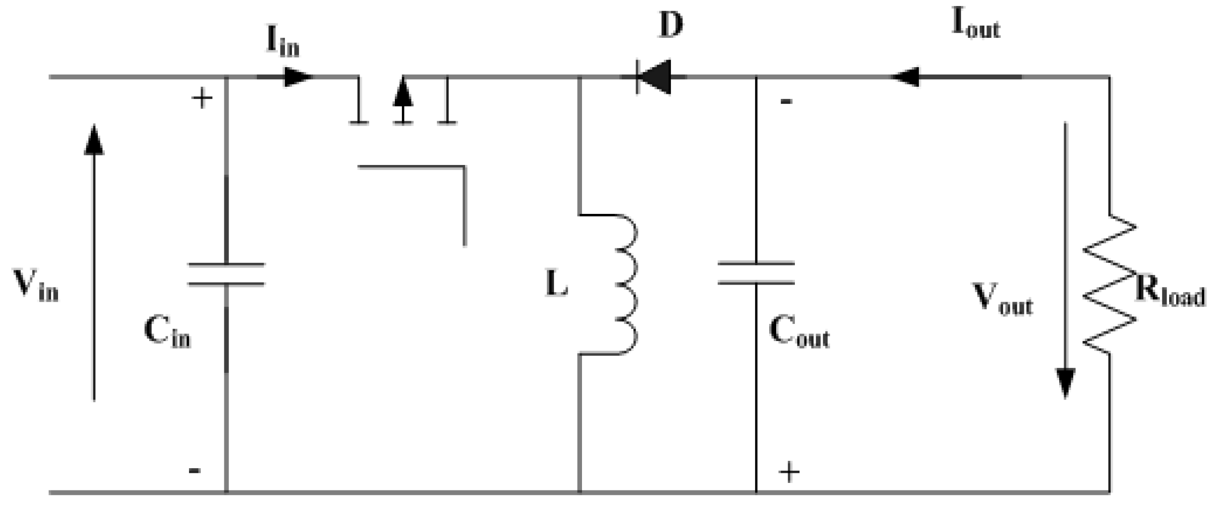
A buck-boost converter is a type of DC–DC converter that integrates the fundamental principles of both bucks and boost converters in one circuit as shown in Figure 2. The output voltage of this converter might be more or lower than the input voltage. The modeling used in this study is adapted from [28].
The energy balance method may be used to find the optimal value for the load resistor R L , assuming the converter runs in boost mode with optimal efficiency.
R L = V max 2 P max
The boost converter’s voltage gain equation while it operates in continuous conduction mode (CCM) may be used to determine the duty cycle, while the energy balance concept is used to calculate the load resistor.
D = V max V max + V P max
where V max , the input voltage, is given, and the duty cycle D is then calculated. The output voltage is defined in Equation (3)
V o u t = V i n D 1 D
where V o u t is the output voltage. Once the duty cycle has been established, the inductor is made to restrict the input current ripple Δ I L _ P max .
L = V P max × D Δ I L _ P max × f s
where the current ripple Δ I L _ P max and the switching frequency f s are established, the input inductor’s inductance is then calculated. The subsequent equation may be used to determine the input capacitor, C i n , as follows:
C i n = Δ I L _ P max Δ V i n _ P max × f s
Δ V i n _ P max is the minimum input voltage. The output capacitor is given in Equation (5)
C o u t = I max × D Δ V max × f s
Δ V max is the maximum output voltage. This guarantees a thorough and accurate depiction of the converter’s operation at different load levels. The transfer function from the control input (duty ratio D ) to the output is expressed as follows:
G s = V O S D S = K ( L s + R ) + ( C S + 1 )
where R represents the load resistance, L is inductance, and C represents the capacitance of the converter.

2.2. PID Controller Design

The standard PID controller is favored for its simplicity and reliability, making it suitable for a wide range of industrial applications. Compared to more complex controllers such as sigmoid-PID, FOPID, and Bandwidth-Enhanced Linear Bias Integral Controller (BELBIC), the standard PID controller offers easier implementation, reduced computational burden, and greater compatibility with existing systems. While advanced controllers may provide improved performance in specific scenarios, their complexity and tuning challenges often limit their practical use.
A feedback control loop is used by a PID controller to make clear linkages between the system variables, minimize the impact of disturbances, and guide the system toward the desired state [29]. The error at time t , represented by e t , is sent into the controller. The discrepancy between the measured and reference values is known as this error. The action applied to the system or plant is represented by the PID controller’s output, a t . The integral gain K i multiplied by the error’s integral, the proportional gain K p multiplied by the error magnitude, and the derivative gain K d multiplied by the error’s derivative are the three terms that make up the control signal or actuation. Some of these terms may be set to zero.
u ( t ) = K p e t + K i 0 t e t d t + K d d e t d t
The control signal u ( t ) , which is the total of the P, I, and D terms, is returned by the PID controller. In this case, K p denotes proportional gain, K d stands for derivative gain, and K i denotes integral gain.
The PID controller’s transfer function is described in Equation (9), as follows:
C ( s ) = K p + K i s + K d s
C ( s ) is the transfer function of the PID controller in the Laplace domain.
The frequency response of the PID controller is given in Equation (10)
C ( j ω ) = K p + K i j ω + K d ( j ω ) = K p j K i j ω + j K d ( j ω )
C ( j ω ) is the PID controller’s frequency response. ω is the input signal’s angular frequency in radians per second.
Shortly, the controller can be shown with its gain and phase values, as follows:
C ( j ω ) = C ( j ω ) e j < C ( j ω )
e j < C ( j ω ) iseuler’s formula representation of a phase shift.
The gain value of the PID controller’s frequency response is given in Equation (12)
C ( j ω ) = K p 2 + ( K i ω + K d ω ) 2
The phase value of the controller’s frequency response is given in Equation (13)
< C ( j ω ) = arctan K i ω + K d ω K p
where arctan is the inverse tangent function that calculates the phase shift. Thus, the frequency response of the PID controller is obtained. The initial values of the PID parameter are given in Table 2.

3. Simulation Configurations and Setup

The buck-boost converter is developed with suitable properties before incorporating optimization techniques into a PID controller. The converter can handle the desired input and output voltages, loads, and switching frequencies, and certain characteristics and factor values are given in Table 3. An essential part of a buck-boost converter, the inductor (L), is responsible for both storing and transferring energy.
The value of the inductor has significant effects on the converter’s performance and efficiency. The Equation (14) is used to obtain the inductance value.
L = V i n ( 1 D ) f s Δ L
Here, I L indicates the highest output current that can pass through the inductor, usually set between 20% and 40% of the total allowable ripple current. The assumption that (for 40% ripple) Δ I L = 0.4 I O u t L is given Equation (15).
L = 15 V ( 1 0.6 ) 100   K h z   0.4 × 2 A 150   μ H
The selected value of L is 150 µH. An output capacitor is required to lessen voltage ripple at the buck-boost converter’s output. This helps stabilize the output by reducing voltage swings and removing high-frequency switching noise. Using the Equation (16), the capacitance value is determined based on the permitted ripple voltage, inductor ripple current, and switching frequency.
C o u t = Δ I L 8 f s Δ o u t 1.25   μ f
The output voltage remains stable with the correct capacitance, ensuring reliable converter performance. In a low-side switching setup, a MOSFET (e.g., IRF540N, 100 V, 33 A) handles the maximum input voltage and current. A Schottky diode (1N5822) is selected for its fast recovery time and high current handling with minimal forward voltage drop. The LM5118 IC controls Pulse Width Modulation (PWM) switching and feedback. Resistors set the output and reference voltages and feed back to the control loop. After initial tuning, the GMEO algorithm combined with the DMGNN model adaptively refines the PID constants to enhance control efficiency and system performance.
G s = V O S D s = V i n ( 1 D ) ( L C S 2 ) + ( R C s ) + 1
The initial values for K p , K i , and K d are obtained using the Ziegler–Nichols method and further fine-tuned through simulation to finalize the PID controller design. To ensure optimal performance across varying operating conditions, machine learning techniques using the GMEO-DMGNN framework are employed to dynamically adjust these parameters. The proposed controller continuously updates the gains based on system data, such as fluctuations in input voltage or load changes, effectively minimizing output voltage errors.

4. Proposed GMEO-DMGNN Method for Enhancing PID Control in Buck-Boost Converters

This section outlines the integration of a Dual-Stream Multi-Dependency Graph Neural Network (DMGNN) with the Groupers and Moray Eels (GMEO) for optimizing PID controller parameters. GMEO is used to optimize PID gains ( K p , K i and K d ), while the Dual-Stream Multi-Dependency Graph Neural Network (DMGNN) predicts and locally adjusts these parameters to enhance performance. GMEO explores large solution spaces, maintains diversity to avoid local optima, and handles nonlinear systems to improve PID controller performance by enhancing stability, reducing overshoot, and optimizing response time. DMGNN further refines optimization by capturing complex dependencies and learning both global and local patterns, which accelerates convergence and improves performance in dynamic systems like buck-boost converters. The combination of GMEO’s global search with DMGNN’s local adjustments optimizes PID parameters more efficiently, improving system stability, response time, and adaptability while ensuring faster convergence in complex dynamic systems. Figure 3 depicts the flowchart of the GMEO-DMGNN approach.

4.1. Optimization Using Groupers and Moray Eels (GMEO)

In this section, the GMEO is described [30] and utilized to optimize the controller parameters of PID gains, such as, K d , K p , and K i . The GMEO algorithm offers a robust global search mechanism, efficiently optimizing PID parameters to enhance performance in nonlinear dynamic systems, ensuring improved stability, faster response, and better adaptability in buck-boost converters. In buck-boost converters, it increases overall system stability and performance by improving the PID controller’s capacity to adjust to changing system circumstances, lowering overshoot, settling time, and steady-state error. GMEO was chosen for its ability to effectively handle the complexities of nonlinear dynamic systems by offering a balanced global search approach, optimizing PID parameters for improved control and performance in buck-boost converters.
Step 1: Initialization
Set the input variables to first values. In this instance, the input variables are the PID parameters, which are specified as K d , K p , and K i .
Step 2: Random Generation
In matrix form, the input variables were generated at random.
q = k 1 , 1 k 1 , 2 k 1 , m k 2 , 1 k 2 , 2 k 2 , m k 3 , 1 k 3 , 2 k 3 , m
where q indicates the random generation, k indicates the system parameters, and m indicates the count of decision variables.
Step 3: Fitness Function
The fitness was evaluated, which was described by
F = min ( J )
J = 0 T t e t dt  
where J refers to an Integral of Time-Weighted Absolute Error (ITAE), t specifies the time variable, and e t specifies the error signal at time t .
Step 4: Primary Search (PS) Phase
GMEO agents explore the search space for optimal PID controller parameters ( K d , K p , and K i ), mimicking the zigzag swimming pattern of groupers hunting prey. This random exploration ensures thorough coverage of the solution space, aiming to find the optimal controller gains that minimize performance errors like transient response, steady-state error, and overshoot.
X ij initial = low j + rand ( upper j low j ) , i   = 1 , 2 , 3 N , j = 1 , 2 , 3 , D
Here, X ij initial specifies the first location of ith search agent of jth dimension, upper j   and   low j specify the search space’s upper and lower bounds, D specifies the overall count of dimensions, N specifies the number of search agents, and rand specifies a random vector that follows a uniform distribution, with values ranging from 0 to 1.
Step 5: Pair Association (PA) Phase
In this phase, the best-performing agents (groupers) collaborate with other high-quality agents (moray eels) to improve search efficiency. This cooperative interaction enhances the exploration of promising regions in the solution space. By leveraging the strengths of both agents, the search process becomes more targeted, accelerating convergence toward the optimal PID parameters. The agents dynamically adjust their positions based on the most promising solutions, ensuring a balance between global exploration and local refinement for improved accuracy in optimizing the PID controller.
Step 6: Encircling or Extended Search (ES) Phase
Agents refine their search by adaptively adjusting their positions toward promising regions. This phase enhances local exploration, allowing agents to dynamically focus on areas with higher potential for optimal PID parameters. The cooperative movement mimics the coordinated behavior of groupers and moray eels, ensuring a balance between exploitation and exploration. This adaptive search approach improves the likelihood of finding the global optimum and helps avoid premature convergence.
c mj = X g m j + L d i s ( X E m j X g m j )
Here, c mj denotes the coordinates of the mth prey in each dimension, X g m j specifies the location of a grouper, X E m j specifies the location of an eel, L specifies the separation between the prey and the grouper, and dis specifies the distance between the grouper and the eel.
Step 7: Attacking and Catching Phase
Agents converge on the best solution by intensifying the search around the optimal PID gains. This phase improves convergence accuracy by gradually reducing the search radius, ensuring precise identification of the optimal controller parameters. The shrinking mechanism enables a finer search around the most promising solution, refining the PID gains for better system performance. This stage also helps to reduce the steady-state error and enhances system stability by continuously updating the solution based on the best-performing agents.
R i + 1 = ( 1 μ ) R i
where i = 1 , 2 , 3 , AB 1 and μ specifies the shrinking ratio and R refers to the radius.
Step 8: Termination Criteria
The procedure ends if the answer is ideal; if not, it goes back to step 3 for fitness assessments and keeps processing the next steps until the best answer is discovered. Thus, GMEO effectively optimized the controller parameters of PID gains. The flowchart of GMEO is illustrated in Figure 4.

4.2. Dual-Stream Multi-Dependency Graph Neural Network (DMGNN)

In this section, the prediction using a Dual-Stream Multi-Dependency Graph Neural Network (DMGNN) is discussed [31]. DMGNN enhances optimization by efficiently predicting and adjusting PID parameters, capturing complex dependencies in dynamic systems. It was chosen for its ability to model both global and local patterns through its dual-stream architecture, making it well-suited for optimizing PID parameters in nonlinear and time-sensitive systems like buck-boost converters. This capability ensures faster convergence and significantly improves performance.
G C N ( X , A ) = δ ( D ¯ 1 2 A ¯ D ¯ 1 2 X W )
where the trainable weight matrix for feature transformation is specified by D ¯ i j = j A i j and W .
DMGNN captures the complex dependencies and relationships between the PID parameters and the system’s dynamic behavior. Its dual-stream architecture learns both global patterns (long-range dependencies) and local patterns (short-range dependencies) between the system states, improving PID parameter adjustment.
A W s = ( s i g m ( W 1 F + b 1 ) tanh ( W 2 F + b 2 ) ) W 3 + b 3
Here, the learnable transformation matrix and bias is specified by W and b , correspondingly, while s i g m indicates the s i g m o i d function. The DMGNN refines the parameters K p , K d , and K i by adjusting them locally, ensuring that the PID controller performs optimally under different load conditions and varying operational environments.
M A M = α + ( 1 α ) s i g m ( A W s ) × s i g m ( A W s ) T
F = s o f t max ( β A F M × A W s d k + ( 1 β ) A W s ) × [ F 1 , F 2 ]
where a pre-defined hyper-parameter and reduction to 0 as the training proceeds is specified by α , β is the pre-defined hyper parameter, the features from the two branches are specified by F 1 = F U B ( F ) and F 2 = G A B ( F ) , and the concatenation operation is specified by [ , ] . The adjusted PID parameters are used to control the buck-boost converter, ensuring that the system’s output voltage is maintained at the desired set point while adapting dynamically to load variations.
f s u r v ( y j , F j ) = i = 0 y j ( 1 f h a z a r d ( i , F j ) )
where F and y j variables related to the system’s performance and state, respectively, while f h a z a r d represents the computation process of hazard rates. DMGNN dynamically adjusts the ideal PID parameters K d , K p , and K i based on system conditions by learning both global and local patterns in the system’s behavior.

5. Result and Discussion

The proposed method’s performance is demonstrated in this section using the findings of the simulation. The GMEO-DMGNN approach for buck-boost converter PID controller optimization was proposed in this study. Using the MATLAB R2022b environment, the proposed method is assessed and contrasted with other current methods. The proposed method’s simulation is shown below. All simulations begin with an initial capacitor voltage of 12 V to simulate a realistic steady-state start-up scenario rather than zero-state initialization.
Figure 5 depicts the voltage response over time using the IGJO-Optimized PID controller. The voltage reaches a peak of approximately 13.6 V, overshooting the setpoint by around 1.4 V. It then takes about 1000 ms to settle within a 0.2 V band around the setpoint. The larger overshoot and prolonged oscillations highlight a key drawback, leading to a less stable and slower response. Figure 6 depicts the voltage response over time using the ISCA-Optimized PID controller. The voltage rapidly increases, reaching a peak of approximately 13.2 V within the first second, with an overshoot of 1.2 V. The system then settles in about 500 ms; although the settling time is relatively high, the overshoot of 1.2 V suggests that further optimization could improve system stability and reduce peak voltage. Figure 7 depicts the voltage response over time using the CTA-Optimized PID controller. The initial voltage rise shows a peak of 13.6 V, with a substantial overshoot of 1.6 V above the set point. After the peak, the voltage begins to oscillate but stabilizes within approximately 200 ms. However, the significant overshoot and the time taken to stabilize highlight a drawback of the CTA-Optimized PID system, as it results in slower settling and takes longer to reach steady-state performance.
Figure 8 illustrates the voltage response over time using the L-Based Adaptive PID. Initially, the voltage rises quickly, peaking at around 13.3 V, with an overshoot of 1.3 V above the set point. After the peak, the voltage starts to oscillate, but these oscillations dampen over a period of about 150 ms, allowing the system to settle around the set point, with the persistence of oscillations leading to a slower stabilization process that takes several seconds to fully settle.
Figure 9 depicts the performance comparison of different control strategies. It compares the performance of various PID control strategies, including IGJO-Optimized PID, ISCA-Optimized PID, CTA-Optimized PID, L-Based Adaptive PID, and the proposed GMEO-DMGNN method. Each strategy shows an initial overshoot followed by oscillations before stabilizing. The IGJO-Optimized PID controller reaches a peak of approximately 13.6 V, overshooting the set point by around 1.4 V, and takes about 1000 ms to settle within a 0.2 V band around the set point. ISCA-Optimized PID reaches a peak of 13.2 V, with a similar overshoot of 1.2 V, and settles in about 500 ms seconds. CTA-Optimized PID shows a peak of 13.6 V, with a substantial overshoot of 1.6 V, and takes approximately 200 ms to stabilize. L-Based Adaptive PID peaks at around 13.3 V with an overshoot of 1.3 V, settling in about 150 ms. The proposed GMEO-DMGNN method shows a peak of 12.9 V, with a more controlled overshoot of 1.1 V, and settles within approximately 100 ms, demonstrating faster convergence and less oscillation. Therefore, the GMEO-DMGNN method outperforms the other techniques, providing a more stable, faster, and more efficient response for controlling buck-boost converters.
Figure 10 depicts the dynamic response characteristics of various control algorithms under different input signals of step and ramp. In subplot (a), under the step input condition, the proposed GMEO-DMGNN method achieves a settling time of 100 ms, an overshoot of only 1.5%, and an extremely low steady-state error of 0.005 V. These values clearly outperform all other compared algorithms. This superior transient response demonstrates GMEO-DMGNN’s ability to stabilize the system significantly faster, with minimal overshoot and highly accurate voltage regulation. The improvement is due to the integration of the GMEO optimization algorithm with the DMGNN model, which allows the system to identify optimal PID gains and adaptively refine them based on system behavior. In subplot (b), under the ramp input condition, the GMEO-DMGNN controller maintains a smooth and accurate tracking response with error oscillations confined within ±20, showing stable behavior and precise adaptation to gradual input changes. The smoother slope and absence of sudden fluctuations highlight the method’s ability to track dynamic inputs effectively, confirming its superior adaptability over other algorithms.
Figure 11 depicts a comparative analysis of the anti-interference performance of various algorithms based on MSE under different iteration counts, indicating convergence behavior and different SNRs. In subplot Figure 11a, the proposed GMEO-DMGNN method demonstrates superior convergence behavior with a significantly lower MSE of 0.020 at 100 iterations compared to IGJO’s 0.060, highlighting its faster and more precise optimization capability. This indicates that GMEO-DMGNN consistently outperforms other methods in minimizing error across iterations. In subplot Figure 11b, the proposed GMEO-DMGNN method demonstrates superior anti-interference performance under varying noise conditions. Even at a low SNR of 0 dB, it maintains a low MSE of 0.050. This indicates its strong noise resilience. Compared to algorithms like ISCA, which records a high MSE of 0.185 at 0 dB, GMEO-DMGNN shows significantly better robustness and stability, effectively handling signal disturbances with minimal performance degradation.

5.1. Case Studies

Case 1: Trajectory Tracking Analysis
Figure 12 illustrates the trajectory tracking performance of the GMEO-DMGNN under a complex time-varying voltage. Despite rapid changes in the input, the controller accurately tracks the trajectory, with the voltage stabilizing at approximately 12.5 V by 8 s. The peak overshoot reaches close to 13.8 V around 1 s, yet the system quickly compensates and settles without prolonged oscillations. This performance confirms the controller’s capability to manage dynamic voltage references with minimal error and fast recovery, thereby validating the effectiveness of the proposed method in complex trajectory tracking scenarios beyond simple step inputs.
Case 2: Disturbance Analysis
Figure 13 depicts the disturbance rejection response when a sudden disturbance is introduced at the converter output. The graph shows the output response of the converter when a disturbance is injected at t = 6 s. Before the disturbance, the system maintains a steady amplitude of approximately 12.5 V. This indicates stable operation under normal conditions. After the disturbance, the GMEO-DMGNN-based PID controller quickly recovers the output with minimal overshoot and fast settling, demonstrating strong disturbance rejection capability.
Case 3: Uncertainty Analysis
Figure 14 presents the output voltage response of the converter under parameter uncertainty conditions, where some nominal model parameters were deliberately varied. At around t = 2 s and t = 6 s, noticeable disturbances occur due to the introduced parameter changes. The system shows voltage deviations confined within ±0.5 V from the nominal value of 12.5 V when model parameters deviate from their nominal values. Despite the uncertainty, the controller demonstrates a quick recovery, stabilizing the output back to steady state within approximately 1 s after each disturbance. These results confirm the proposed controller’s strong robustness and adaptability in the presence of parameter uncertainties, ensuring stable and reliable system performance.
Table 4 compares the performance of various PID optimization methods based on settling time, overshoot, and steady-state error. The IGJO-Optimized PID method has the longest settling time at 1000 ms, with a significant overshoot of 25% and a steady-state error of 0.15 V, indicating slower stabilization and moderate accuracy. With a settling time of 500 ms, a 15% decrease in overshoot, and a lower steady-state error of 0.05 V, the ISCA Optimised PID approach performs better in terms of stability and accuracy. The CTA-Optimized PID method performs even better, with a settling time of 200 ms, a further reduced overshoot of 5%, and a steady-state error of 0.02 V, showing faster convergence and enhanced precision. The L-Based Adaptive PID method offers the fastest settling time at 150 ms, with a minimal overshoot of 3% and an almost negligible steady-state error of 0.01 V, making it highly stable and precise. Finally, the GMEO-DMGNN (Proposed) method outperforms all others with the fastest settling time of 100 ms, the smallest overshoot of 1.5%, and the lowest steady-state error of 0.005 V, providing superior performance in terms of speed, accuracy, and stability. Therefore, the GMEO-DMGNN method stands out as the most efficient and reliable optimization technique for PID controllers.
Table 5 presents a comparison of statistical values between the proposed and existing methods. The proposed method achieves the highest mean value of 4.9876 × 10−7 and the highest standard deviation (SD) of 6.9452 × 10−12, surpassing the performance of the existing systems. This indicates that the proposed method offers superior variability and greater adaptability in comparison.
Table 6 compares ITAE and ISE. The proposed system achieves an ITAE of 2.09998998 × 10−13 and an ISE of 1.19052756 × 10−6. In comparison, existing methods show higher ITAE and ISE values, with the IGJO-Optimized PID achieving an ITAE of 2.39850000 × 10−13 and an ISE of 2.73120000 × 10−6, the ISCA-Optimized PID yielding an ITAE of 2.36580000 × 10−13 and an ISE of 2.62490000 × 10−6, the CTA-Optimized PID showing an ITAE of 2.96550000 × 10−13 and an ISE of 3.52110000 × 10−6, and the L-Based Adaptive PID resulting in an ITAE of 2.9 × 10−13 and an ISE of 2.43120000 × 10−6. These results highlight the enhanced accuracy and prediction capability of the GMEO-DMGNN method compared to other systems.
A comparison of efficiency between the proposed and existing methods is displayed in Table 7. The proposed method achieves the highest efficiency at 98.5%, showcasing its ability to deliver optimal solutions quickly and effectively. The IGJO-Optimized PID method follows with an efficiency of 82%, indicating slightly lower effectiveness. The ISCA-Optimized PID method achieves an efficiency of 89%, while the CTA-Optimized PID method has an efficiency of 89.6%. The L-Based Adaptive PID reaches an efficiency of 91%. Overall, the proposed method stands out for its superior efficiency, making it the most effective solution for optimal performance.
Table 8 compares the optimal PID controller parameters K p , K i , K d for different methods. The proposed GMEO-DMGNN method has the highest K p at 1.4, K i at 1001, and a relatively higher K d at 0.0001, making it more responsive and adaptive compared to existing methods. The way each algorithm tunes these parameters varies based on its internal mechanism. IGJO adjusts gains using Levy flight-based exploration, enabling wider search jumps and resulting in moderately high K p and K i but conservative K d . ISCA uses sinusoidal chaotic sequences for better diversity, which yields slightly lower K p and K d . CTA introduces a threshold-aware mutation to refine tuning, leading to balanced gains with a focus on higher K d damping. The L-based adaptive method modifies gains based on error trends prioritizing K i for steady-state accuracy. GMEO-DMGNN dynamically learns and adapts PID gains by combining evolutionary search with graph-based learning of system behavior over time, which enables the most effective and balanced tuning among all methods. This makes the GMEO-DMGNN approach more robust and better suited for controlling nonlinear dynamics in the buck-boost converter.

5.2. Discussion

The GMEO-DMGNN approach focuses on optimizing PID controller parameters in buck-boost converters, enhancing their performance under dynamic load conditions. By combining the global optimization capabilities of GMEO with the localized adjustment strengths of DMGNN, the approach effectively fine-tunes PID controller parameters for improved performance in buck-boost converters. The integration of both methods ensures more accurate optimization of PID parameters, enhancing system stability, responsiveness, and overall performance under dynamic conditions. This combined framework offers a more robust and efficient solution for optimizing PID parameters, resulting in improved adaptability, faster convergence, and better control performance in buck-boost converters. The proposed method consistently outperformed existing PID optimization techniques, achieving the fastest settling time of 100 ms, the lowest overshoot of 1.5%, minimal steady-state error of 0.005 V, and the highest efficiency at 98.5%. It also demonstrated superior statistical values with a mean of 4.9876 × 10−7 and a standard deviation of 6.9452 × 10−12, along with the lowest error integrals, including an ITAE of 2.09998998 × 10−13 and an ISE of 1.19052756 × 10−6. This result demonstrates that the proposed GMEO-DMGNN system provides superior performance, exhibiting enhanced speed, accuracy, stability, and efficiency compared to existing PID optimization techniques. This finding indicates the GMEO-DMGNN method’s comprehensive superiority in PID optimization, achieved through a combination of optimized performance metrics and enhanced hardware utilization, specifically the highest capacitance. Despite its strong performance, the GMEO-DMGNN method may face a few practical limitations. While simulation results are promising, the lack of real-time hardware validation limits immediate deployment insights. The method’s reliance on simulated conditions may also result in issues when exposed to unforeseen physical disturbances or sensor noise not captured in the modeling environment. However, these drawbacks can be addressed with further development and real-world testing.

6. Conclusions

The proposed GMEO-DMGNN approach has been introduced to address the limitations of traditional PID controllers in buck-boost converters. In this study, the GMEO-DMGNN combines the global search capabilities of GMEO with the local adjustment strengths of DMGNN to optimize PID controller parameters. Additionally, this method is highly adaptable to dynamic load conditions, maintaining consistent performance across varying operational environments. Unlike conventional methods that may struggle with nonlinearities or varying conditions, the GMEO-DMGNN approach provides enhanced robustness and adaptability. The proposed approach exhibits better performance, achieving a settling time of 100 ms, 1.5% overshoot, and a steady-state error of 0.005 V. This approach outperforms existing methods by offering better adaptability, stability, and efficiency in dynamic and nonlinear environments, making it a robust solution for optimizing PID controllers in buck-boost converters. It also achieves a high efficiency of 98.5% ensuring optimal performance while maintaining system stability under varying conditions. The proposed system reduces the ITAE to 2.09998998 × 10−13 and ISE to 1.19052756 × 10−6, highlighting the proposed system’s superior efficiency in reducing error and improving control performance. The proposed GMEO-DMGNN approach significantly enhances PID controller performance in buck-boost converters, improving stability, efficiency, and adaptability under dynamic and nonlinear conditions. Future work should prioritize strategies to enhance real-world implementation and reduce computational demands, ensuring that the optimization process remains efficient and practical for practical applications in power electronics.

Author Contributions

Conceptualization, R.B.D. and M.D.; methodology, R.B.D.; software, V.H.K.; validation, R.B.D., M.D. and A.N.; formal analysis, R.B.D.; investigation, R.B.D.; resources, R.B.D.; data curation, R.B.D.; writing—original draft preparation, R.B.D.; writing—review and editing, A.N.; visualization, R.B.D.; supervision, A.N.; project administration, V.H.K.; funding acquisition, M.D. All authors have read and agreed to the published version of the manuscript.

Funding

This research received no external funding.

Data Availability Statement

The original contributions presented in the study are included in the article, further inquiries can be directed to the corresponding author.

Conflicts of Interest

The authors declare no conflict of interest.

References

  1. Esfandiari, S.; Davari, M.; Gao, W.; Yang, Y.; Al-Haddad, K. A Novel Converter-Based PV Emulator Control Using Lambert W Method and Fractional-Order Fuzzy Proportional-Integral Controller Trained by Harris Hawks Optimization. IEEE J. Emerg. Sel. Top. Ind. Electron. 2024, 5, 1493–1507. [Google Scholar] [CrossRef]
  2. Mughees, A.; Mughees, N.; Mughees, A.; Mohsin, S.A.; Ejsmont, K. Enhancing stability and position control of a constrained magnetic levitation system through optimal fractional-order PID controller. Alex. Eng. J. 2024, 107, 730–746. [Google Scholar] [CrossRef]
  3. Abdolahi, M.; Adabi, J.; Mousavi, S.Y.M. An adaptive extended Kalman filter with passivity-based control for DC-DC converter in DC microgrids supplying constant power loads. IEEE Trans. Ind. Electron. 2023, 71, 4873–4882. [Google Scholar] [CrossRef]
  4. Kaplan, O.; Bodur, F.; Ozdemir, M.B. Arbitrary Fixed-Time Sliding Mode Control for Buck Converter with Matched and Mismatched Disturbances Based on Fixed-Time Observer. IEEE Access 2025, 13, 4582–4596. [Google Scholar] [CrossRef]
  5. Gangula, S.D.; Nizami, T.K.; Udumula, R.R.; Chakravarty, A. Self-learning Controller Design for DC–DC Power Converters with Enhanced Dynamic Performance. J. Control Autom. Electr. Syst. 2024, 35, 532–547. [Google Scholar] [CrossRef]
  6. Kart, S.; Demir, F.; Kocaarslan, İ.; Genc, N. Increasing PEM fuel cell performance via fuzzy-logic controlled cascaded DC-DC boost converter. Int. J. Hydrogen Energy 2024, 54, 84–95. [Google Scholar] [CrossRef]
  7. Dey, U.; Veerachary, M. Two-Part Controller Design for Switched-Capacitor Based Buck–Boost Converter. IEEE Trans. Ind. Electron. 2024; in press. [Google Scholar] [CrossRef]
  8. Gaied, H.; Flah, A.; Kraiem, H.; Prokop, L. A comparison between the Quality of Two level and three levels bidirectional Buck-boost converter using the neural network controller. IEEE Access 2024, 12, 94323–94336. [Google Scholar] [CrossRef]
  9. Lins, A.W.; Krishnakumar, R. Tuning of PID controller for a PV-fed BLDC motor using PSO and TLBO algorithm. Appl. Nanosci. 2023, 13, 2911–2934. [Google Scholar] [CrossRef]
  10. Liu, X. Design of CCM boost converter utilizing fractional-order PID and Lyapunov-based PID techniques for PF correction. Electr. Eng. 2024, 107, 3451–3462. [Google Scholar] [CrossRef]
  11. Acosta-Rodríguez, R.A.; Martinez-Sarmiento, F.H.; Múñoz-Hernandez, G.A.; Portilla-Flores, E.A.; Salcedo-Parra, O.J. Validation of Passivity-Based Control and array PID in High-Power Quadratic Buck Converter through Rapid Prototyping. IEEE Access 2024, 12, 58288–58316. [Google Scholar] [CrossRef]
  12. Sahin, A.K.; Cavdar, B.; Ayas, M.S. An adaptive fractional controller design for automatic voltage regulator system: Sigmoid-based fractional-order PID controller. Neural Comput. Appl. 2024, 36, 14409–14431. [Google Scholar] [CrossRef]
  13. Kanungo, A.; Kumar, P.; Gupta, V.; Saxena, N.K. A design an optimized fuzzy adaptive proportional-integral-derivative controller for anti-lock braking systems. Eng. Appl. Artif. Intell. 2024, 133, 108556. [Google Scholar] [CrossRef]
  14. Yakut, Y.B. A new control algorithm for increasing efficiency of PEM fuel cells–Based boost converter using PI controller with PSO method. Int. J. Hydrogen Energy 2024, 75, 1–11. [Google Scholar] [CrossRef]
  15. Ghamari, S.; Hajihosseini, M.; Habibi, D.; Aziz, A. Design of an Adaptive Robust PI Controller for DC/DC Boost Converter Using Reinforcement-Learning Technique and Snake Optimization Algorithm. IEEE Access 2024, 12, 141814–141829. [Google Scholar] [CrossRef]
  16. Rajamony, R.; Wang, S.; Ming, W. Modelling and optimal design of a multifunctional single-stage buck-boost differential inverter. IEEE Open J. Power Electron. 2024, 5, 1328–1339. [Google Scholar] [CrossRef]
  17. Ashok, B.; Michael, P.A. Integration of cascaded controllers for super-lift Luo converter with buck converter in solar photovoltaic and electric vehicle. Analog Integr. Circuits Signal Process. 2024, 118, 449–466. [Google Scholar] [CrossRef]
  18. Srivastava, A.; Manas, M.; Dubey, R.K. Optimal electrical vehicle-to-grid integration: Three-phase three-level AC/DC converter with model predictive controller based bidirectional power management scheme. Electr. Eng. 2024, 1–23. [Google Scholar] [CrossRef]
  19. Liu, J.; Wei, T.; Chen, N.; Wu, J.; Xiao, P. Fuzzy logic PID controller with both coefficient and error modifications for digitally-controlled DC–DC switching converters. J. Electr. Eng. Technol. 2023, 18, 2859–2870. [Google Scholar] [CrossRef]
  20. Liu, W.; Liu, Y.; Wang, A. Design of CCM boost converter using fractional-order PID and neural-network techniques for power factor correction. J. Eng. Appl. Sci. 2024, 71, 227. [Google Scholar] [CrossRef]
  21. Sangeetha, S.; Revathi, B.S.; Balamurugan, K.; Suresh, G. Performance analysis of buck converter with fractional PID controller using hybrid technique. Robot. Auton. Syst. 2023, 169, 104515. [Google Scholar] [CrossRef]
  22. Warrier, P.; Shah, P.; Sekhar, R. A Comparative performance evaluation of a complex-order PI controller for DC–DC converters. Results Control Optim. 2024, 15, 100414. [Google Scholar] [CrossRef]
  23. Nanyan, N.F.; Ahmad, M.A.; Hekimoğlu, B. Optimal pid controller for the dc-dc buck converter using the improved sine cosine algorithm. Results Control Optim. 2024, 14, 100352. [Google Scholar] [CrossRef]
  24. Fong, L.K.; Islam, M.S.; Ahmad, M.A. Optimized PID Controller of DC-DC Buck Converter based on Archimedes Optimization Algorithm. Int. J. Robot. Control Syst. 2023, 3, 658–672. [Google Scholar] [CrossRef]
  25. Ghamari, S.M.; Khavari, F.; Mollaee, H. Lyapunov-based adaptive PID controller design for buck converter. Soft Comput. 2023, 27, 5741–5750. [Google Scholar] [CrossRef]
  26. Sharma, P.; Palwalia, D.K.; Sharma, A.K.; Priyadarshi, N.; Padmanaban, S. Coati optimized FOPID controller for non-isolated DC–DC converters in EV charging application. IET Power Electron. 2024, 17, 2771–2784. [Google Scholar] [CrossRef]
  27. Acevedo, D.M.; Gil-González, W.; Montoya, O.D.; Restrepo, C.; González-Castaño, C. Adaptive Speed Control for a DC Motor Using DC/DC Converters: An Inverse Optimal Control Approach. IEEE Access 2024, 12, 154503–154513. [Google Scholar] [CrossRef]
  28. Chouay, Y.; Ouassaid, M. An Enhanced Buck-Boost Converter for Photovoltaic Diagnosis application: Accurate MPP Tracker and IV Tracer. Sci. Afr. 2025, 27, e02561. [Google Scholar] [CrossRef]
  29. Prag, K.; Woolway, M.; Celik, T. Data-driven model predictive control of DC-to-DC buck-boost converter. IEEE Access 2021, 9, 101902–101915. [Google Scholar] [CrossRef]
  30. Mansour, N.A.; Saraya, M.S.; Saleh, A.I. Groupers and moray eels (GME) optimization: A nature-inspired metaheuristic algorithm for solving complex engineering problems. Neural Comput. Appl. 2025, 37, 63–90. [Google Scholar] [CrossRef]
  31. Wang, Z.; Ma, J.; Gao, Q.; Bain, C.; Imoto, S.; Liò, P.; Cai, H.; Chen, H.; Song, J. Dual-stream multi-dependency graph neural network enables precise cancer survival analysis. Med. Image Anal. 2024, 97, 103252. [Google Scholar] [CrossRef]
Figure 1. Block diagram of optimizing PID controllers in buck-boost converters.
Figure 1. Block diagram of optimizing PID controllers in buck-boost converters.
Energies 18 02034 g001
Figure 2. Buck-boost converter.
Figure 2. Buck-boost converter.
Energies 18 02034 g002
Figure 3. Flowchart of GMEO-DMGNN.
Figure 3. Flowchart of GMEO-DMGNN.
Energies 18 02034 g003
Figure 4. Flowchart of GMEO.
Figure 4. Flowchart of GMEO.
Energies 18 02034 g004
Figure 5. Performance evaluation of the IGJO-Optimized PID controller.
Figure 5. Performance evaluation of the IGJO-Optimized PID controller.
Energies 18 02034 g005
Figure 6. Performance evaluation of the ISCA-Optimized PID controller.
Figure 6. Performance evaluation of the ISCA-Optimized PID controller.
Energies 18 02034 g006
Figure 7. Performance evaluation of CTA-Optimized PID controller.
Figure 7. Performance evaluation of CTA-Optimized PID controller.
Energies 18 02034 g007
Figure 8. Performance evaluation of L-Based Adaptive PID.
Figure 8. Performance evaluation of L-Based Adaptive PID.
Energies 18 02034 g008
Figure 9. Performance comparison of various control strategies.
Figure 9. Performance comparison of various control strategies.
Energies 18 02034 g009
Figure 10. Dynamic response characteristics of various control algorithms under different input signals: (a) step input and (b) ramp input.
Figure 10. Dynamic response characteristics of various control algorithms under different input signals: (a) step input and (b) ramp input.
Energies 18 02034 g010
Figure 11. Comparative analysis of the anti-interference performance of various algorithms based on MSE under (a) different iteration counts, indicating convergence behavior, and (b) different Signal-to-Noise Ratio (SNR).
Figure 11. Comparative analysis of the anti-interference performance of various algorithms based on MSE under (a) different iteration counts, indicating convergence behavior, and (b) different Signal-to-Noise Ratio (SNR).
Energies 18 02034 g011
Figure 12. Trajectory tracking performance of the GMEO-DMGNN under a complex time-varying voltage.
Figure 12. Trajectory tracking performance of the GMEO-DMGNN under a complex time-varying voltage.
Energies 18 02034 g012
Figure 13. Disturbance rejection response when a sudden disturbance is introduced at the converter output.
Figure 13. Disturbance rejection response when a sudden disturbance is introduced at the converter output.
Energies 18 02034 g013
Figure 14. Output voltage response of the proposed controller under parameter uncertainty.
Figure 14. Output voltage response of the proposed controller under parameter uncertainty.
Energies 18 02034 g014
Table 1. The summary of research work.
Table 1. The summary of research work.
AuthorsMethodologyAdvantagesLimitations
S Sangeetha et al. [21]Improved Golden Jackal Optimization (IGJO) for PID controlEfficient in power electronic systems, improved fractional-order controlNonlinear nature of power converters, complexity in controller tuning
P Warrier et al. [22]Cohort Intelligence Algorithm for PID controlMore robust to parameter variationsHigher parameter complexity, challenging for practical implementation
N F Nanyan et al. [23]Improved Sine Cosine Algorithm (ISCA) for PID controlBetter local optima handling, enhanced PID tuningLimited to specific types of systems, less efficient for highly nonlinear systems
L.K. Fong et al. [24]Genetic Algorithm-based PID controlEffective for optimizing PID parameters in complex systemsRequires significant computational effort and time
S M Ghamari et al. [25]Lyapunov-based model reference PID controlImproved stability, robustness under disturbancesMay not work efficiently for rapid dynamic changes
P. Sharma et al. [26]Firefly Algorithm for PID controlGlobal optimization, effective for nonlinear systems.Require fine-tuning of parameters
D M Acevedo et al. [27]Ant Colony Optimization for PID controlEffective in finding optimal PID gains, suitable for complex systemsHigh computational cost, sensitivity to initialization parameters
Table 2. The initial values of the PID parameter.
Table 2. The initial values of the PID parameter.
PID ParameterRange
K p 0.8 to 1.5
K i 1000 to 3000
K d 0.0001 to 0.001
Table 3. The system specifications.
Table 3. The system specifications.
ParametersValues
Input Voltage Range (Vin)5 V to 15 V
Output Voltage (Vout)12 V
Maximum Output Current (Iout)2 A
Switching Frequency (fs)100 Khz
Duty Cycle (D)0.2 to 0.8
Table 4. Performance comparison of PID tuning methods.
Table 4. Performance comparison of PID tuning methods.
MethodsSettling Time (ms)Overshoot (%)Steady-State Error (V)
IGJO-Optimized PID1000 ms25%0.15 V
ISCA-Optimized PID500 ms15%0.05 V
CTA-Optimized PID200 ms5%0.02 V
L-Based Adaptive PID150 ms3%0.01 V
GMEO-DMGNN (Proposed)100 ms1.5%0.005 V
Table 5. The statistical performance comparison of proposed with existing techniques.
Table 5. The statistical performance comparison of proposed with existing techniques.
MethodsMeanStandard Deviation
IGJO-Optimized PID4.9876 × 10−76.9452 × 10−12
ISCA-Optimized PID3.2344 × 10−75.4322 × 10−12
CTA-Optimized PID3.9087 × 10−74.3322 × 10−12
L-Based Adaptive PID3.2890 × 10−75.9880 × 10−12
GMEO-DMGNN (Proposed)4.0345 × 10−75.4333 × 10−12
Table 6. Comparison of Time-Weighted Absolute Error (ITAE) and Integral of Squared Error (ISE).
Table 6. Comparison of Time-Weighted Absolute Error (ITAE) and Integral of Squared Error (ISE).
MethodsITAEISE
IGJO-Optimized PID2.39850000 × 10−132.73120000 × 10−6
ISCA-Optimized PID2.36580000 × 10−132.62490000 × 10−6
CTA-Optimized PID2.96550000 × 10−133.52110000 × 10−6
L-Based Adaptive PID2.9 × 10−132.43120000 × 10−6
GMEO-DMGNN (Proposed)2.09998998 × 10−131.19052756 × 10−6
Table 7. Comparison of the efficiency of proposed and existing techniques.
Table 7. Comparison of the efficiency of proposed and existing techniques.
MethodsEfficiency (%)
IGJO-Optimized PID82%
ISCA-Optimized PID89%
CTA-Optimized PID89.6%
L-Based Adaptive PID91%
GMEO-DMGNN (Proposed)98.5%
Table 8. Optimal parameters of the PID controller.
Table 8. Optimal parameters of the PID controller.
Methods Optimal   K p Optimal   K i Optimal   K d
IGJO-Optimized PID0.8917660.0004
ISCA-Optimized PID0.9817330.0007
CTA-Optimized PID0.6712660.0003
L-Based Adaptive PID0.8812330.0009
GMEO-DMGNN (Proposed)1.410010.0001
Disclaimer/Publisher’s Note: The statements, opinions and data contained in all publications are solely those of the individual author(s) and contributor(s) and not of MDPI and/or the editor(s). MDPI and/or the editor(s) disclaim responsibility for any injury to people or property resulting from any ideas, methods, instructions or products referred to in the content.

Share and Cite

MDPI and ACS Style

Kamble, V.H.; Dale, M.; Dhumale, R.B.; Nanthaamornphong, A. Optimization of PID Controllers Using Groupers and Moray Eels Optimization with Dual-Stream Multi-Dependency Graph Neural Networks for Enhanced Dynamic Performance. Energies 2025, 18, 2034. https://doi.org/10.3390/en18082034

AMA Style

Kamble VH, Dale M, Dhumale RB, Nanthaamornphong A. Optimization of PID Controllers Using Groupers and Moray Eels Optimization with Dual-Stream Multi-Dependency Graph Neural Networks for Enhanced Dynamic Performance. Energies. 2025; 18(8):2034. https://doi.org/10.3390/en18082034

Chicago/Turabian Style

Kamble, Vaishali H., Manisha Dale, R. B. Dhumale, and Aziz Nanthaamornphong. 2025. "Optimization of PID Controllers Using Groupers and Moray Eels Optimization with Dual-Stream Multi-Dependency Graph Neural Networks for Enhanced Dynamic Performance" Energies 18, no. 8: 2034. https://doi.org/10.3390/en18082034

APA Style

Kamble, V. H., Dale, M., Dhumale, R. B., & Nanthaamornphong, A. (2025). Optimization of PID Controllers Using Groupers and Moray Eels Optimization with Dual-Stream Multi-Dependency Graph Neural Networks for Enhanced Dynamic Performance. Energies, 18(8), 2034. https://doi.org/10.3390/en18082034

Note that from the first issue of 2016, this journal uses article numbers instead of page numbers. See further details here.

Article Metrics

Back to TopTop