Stability Analysis and Controller Optimization of MMC in Standalone Mode
Abstract
1. Introduction
- (1)
- Based on the HSS method, the impact of load variation on the MMC internal (control to state variable transfer function) and external (AC terminal impedance) small-signal characteristics is studied in detail.
- (2)
- The worst-case design for the MMC controller is adopted to ensure the overall system’s stability. The control performance of the traditional PR controller is analyzed and proven to be limited.
- (3)
- An improved output voltage controller structure with additional series compensators is proposed according to the actual MMC internal and external small-signal dynamic nature, which improves both the stability margin and control performance.
2. Modeling of Modular Multilevel Converter
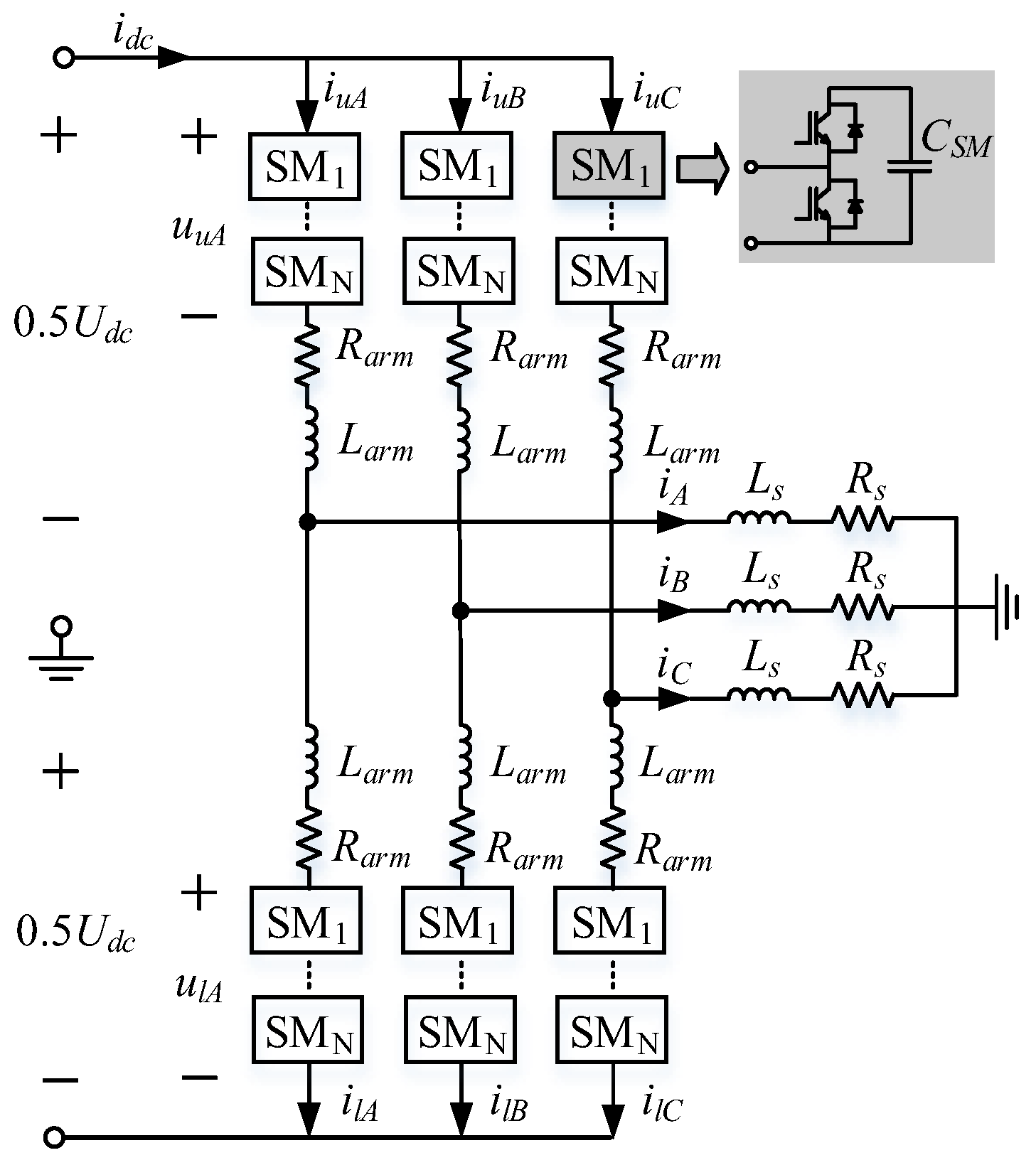
2.1. Circuit Configuration
2.2. HSS-Based MMC Steady-State Model
2.3. HSS-Based MMC Small-Signal Model
3. Impact of Load Variation
3.1. Traditional Controller Structure
3.2. Transfer Function of Internal Perturbation to AC Voltage
3.3. Transfer Function of Internal Perturbation to Circulating Current
4. MMC Stability Analysis Considering Load Variation
4.1. Impedance-Based Stability Analysis Method for the MMC System
4.2. Stability Analysis of the Closed-Loop MMC System Under Different Load Conditions
4.3. Verification of the Worst-Case Design
5. Controller Optimization
5.1. Controller Parameters Optimization
5.2. Proposed Controller Structure
- (1)
- The first part is the traditional PR controller, which provides a high gain at the fundamental frequency, allowing accurate tracking of the reference signal. is the key parameter to guarantee the tracking performance.
- (2)
- A band reject filter (BRF) is introduced, which is the second part. Based on the obtained internal DM small-signal perturbation to AC voltage transfer function, it is found that a large resonant peak appears, which affects the control performance and may threaten the system stability. The center frequency of the introduced BRF is set to suppress the resonant peak frequency at 28 Hz, and its bandwidth matches the width of the resonant peak, with a value set to 20 Hz.
- (3)
- The third part is an additional inertia element (IE), which is added in the control loop to improve the poor stability margin of the existing PR controller. Based on the bode diagram of and under the worst case, the gain and cutoff angular frequency of the IE are designed.
6. Conclusions
Author Contributions
Funding
Data Availability Statement
Conflicts of Interest
References
- Liu, W.; Li, K.J.; Liu, Z.; Wang, M. A Simple and Novel Precharging Control Strategy for Modular Multilevel Converter. IEEE Access 2019, 7, 170500–170512. [Google Scholar] [CrossRef]
- Lyu, J.; Zhang, X.; Cai, X.; Molinas, M. Harmonic State-Space Based Small-Signal Impedance Modeling of a Modular Multilevel Converter with Consideration of Internal Harmonic Dynamics. IEEE Trans. Power Electron. 2019, 34, 2134–2148. [Google Scholar] [CrossRef]
- Perez, M.A.; Ceballos, S.; Konstantinou, G.; Pou, J.; Aguilera, R.P. Modular Multilevel Converters: Recent Achievements and Challenges. IEEE Open J. Ind. Electron. Soc. 2021, 2, 224–239. [Google Scholar] [CrossRef]
- Lyu, J.; Yin, J.; Zhu, H.; Cai, X. Impedance Modeling and Stability Analysis of Energy Controlled Modular Multilevel Converter. IEEE Trans. Power Deliv. 2023, 38, 1868–1881. [Google Scholar] [CrossRef]
- Zou, C.; Rao, H.; Xu, S.; Li, Y.; Li, W.; Chen, J.; Zhao, X.; Yang, Y.; Lei, B. Analysis of Resonance Between a VSC-HVDC Converter and the AC Grid. IEEE Trans. Power Electron. 2018, 33, 10157–10168. [Google Scholar] [CrossRef]
- Guo, C.; Yang, J.; Zhao, C. Investigation of Small-Signal Dynamics of Modular Multilevel Converter Under Unbalanced Grid Conditions. IEEE Trans. Ind. Electron. 2019, 66, 2269–2279. [Google Scholar] [CrossRef]
- Zhu, S.; Liu, K.; Qin, L.; Ran, X.; Li, Y.; Huai, Q.; Liao, X.; Zhang, J. Reduced-Order Dynamic Model of Modular Multilevel Converter in Long Time Scale and Its Application in Power System Low-Frequency Oscillation Analysis. IEEE Trans. Power Deliv. 2019, 34, 2110–2122. [Google Scholar] [CrossRef]
- Sakinci, Ö.C.; Beerten, J. Generalized Dynamic Phasor Modeling of the MMC for Small-Signal Stability Analysis. IEEE Trans. Power Deliv. 2019, 34, 991–1000. [Google Scholar] [CrossRef]
- Wu, H.; Wang, X.; Kocewiak, Ł.H. Impedance-Based Stability Analysis of Voltage-Controlled MMCs Feeding Linear AC Systems. IEEE J. Emerg. Sel. Top. Power Electron. 2020, 8, 4060–4074. [Google Scholar] [CrossRef]
- Xu, Z.; Li, B.; Han, L.; Hu, J.; Wang, S.; Zhang, S.; Xu, D. A Complete HSS-Based Impedance Model of MMC Considering Grid Impedance Coupling. IEEE Trans. Power Electron. 2020, 35, 12929–12948. [Google Scholar] [CrossRef]
- Zhu, Y.; Pou, J.; Konstantinou, G. Impedance Shaping Effects of Circulating Current Controllers in Modular Multilevel Converters. In Proceedings of the 2022 International Power Electronics Conference (IPEC-Himeji 2022-ECCE Asia), Himeji, Japan, 15–19 May 2022; pp. 555–561. [Google Scholar]
- Zhang, Y.; Chen, X.; Sun, J. Sequence Impedance Modeling and Analysis of MMC in Single-Star Configuration. IEEE Trans. Power Electron. 2020, 35, 334–346. [Google Scholar] [CrossRef]
- Huang, T.; Yang, F.; Zhang, D.; Chen, X. High-Frequency Stability Analysis and Impedance Optimization for an MMC-HVDC Integrated System Considering Delay Effects. IEEE J. Emerg. Sel. Top. Circuits Syst. 2022, 12, 59–72. [Google Scholar] [CrossRef]
- Wang, D.; Zhang, K. Small-Signal Stability Analysis of MMC-HVDC System Based on Hybrid Passivity. IEEE Trans. Power Deliv. 2024, 39, 29–41. [Google Scholar] [CrossRef]
- Wang, J.; Wang, P. Decoupled Power Control for Direct-Modulation-Based Modular Multilevel Converter with Improved Stability. IEEE Trans. Ind. Electron. 2019, 66, 5264–5274. [Google Scholar] [CrossRef]
- Xiong, X.; Yang, Y.; Wu, C.; Zhao, C.; Blaabjerg, F. Improving the Stability of Standalone MMCs by Shaping the AC Side Impedance Using Insertion Index Compensation. IEEE J. Emerg. Sel. Top. Circuits Syst. 2022, 12, 81–89. [Google Scholar] [CrossRef]
- Gao, L.; Zhang, H.; Xu, J. An Improved Virtual Impedance Control Based Oscillation Suppression Method for MMC DC System. CPSS Trans. Power Electron. Appl. 2022, 7, 347–358. [Google Scholar] [CrossRef]
- Huang, P.; Vanfretti, L. Multi-Tuned Narrowband Damping for Suppressing MMC High-Frequency Oscillations. IEEE Trans. Power Deliv. 2023, 38, 3804–3819. [Google Scholar] [CrossRef]
- Guo, C.; Xu, L.; Yang, S.; Jiang, W. A Supplementary Damping Control for MMC-HVDC System to Mitigate the Low-Frequency Oscillation Under Low Inertia Condition. IEEE Trans. Power Deliv. 2023, 38, 287–298. [Google Scholar] [CrossRef]
- Liu, W.; Wang, R.; Kerekes, T.; Dragičević, T.; Teodorescu, R. Modulation-Compensated Power Synchronization Control for Modular Multilevel Converters with Enhanced Performance Under Varying SCR. IEEE J. Emerg. Sel. Top. Power Electron. 2023, 11, 4714–4725. [Google Scholar] [CrossRef]
- Zhu, Y.; Jiang, S.; Pou, J.; Konstantinou, G. Virtual Arm Impedance Emulation and Stability Improvement in Modular Multilevel Converters. IEEE Trans. Power Electron. 2024, 39, 3931–3942. [Google Scholar] [CrossRef]
- Liu, Y.; Huang, M.; Tse, C.K.; Iu, H.H.C.; Yan, Z.; Zha, X. Stability and Multiconstraint Operating Region of Grid-Connected Modular Multilevel Converter Under Grid Phase Disturbance. IEEE Trans. Power Electron. 2021, 36, 12551–12564. [Google Scholar] [CrossRef]
- Liu, Y.; Huang, M.; Zha, X.; Iu, H.H.C. Transient current estimation of MMC-HVDC systems under a grid-converter phase difference. CSEE J. Power Energy Syst. 2021, 7, 730–743. [Google Scholar]
- Lyu, J.; Cai, X.; Molinas, M. Frequency Domain Stability Analysis of MMC-Based HVdc for Wind Farm Integration. IEEE J. Emerg. Sel. Top. Power Electron. 2016, 4, 141–151. [Google Scholar] [CrossRef]
- Lyu, J.; Cai, X.; Molinas, M. Optimal Design of Controller Parameters for Improving the Stability of MMC-HVDC for Wind Farm Integration. IEEE J. Emerg. Sel. Top. Power Electron. 2018, 6, 40–53. [Google Scholar] [CrossRef]
- Isik, S.; Alharbi, M.; Bhattacharya, S. An Optimized Circulating Current Control Method Based on PR and PI Controller for MMC Applications. IEEE Trans. Ind. Appl. 2021, 57, 5074–5085. [Google Scholar] [CrossRef]
- Kundur, P. Power System Stability and Control; McGraw-Hill: New York, NY, USA, 1994. [Google Scholar]
- Meng, X.; Han, J.; Pfannschmidt, J.; Wang, L.; Li, W.; Zhang, F.; Belanger, J. Combining Detailed Equivalent Model with Switching-Function-Based Average Value Model for Fast and Accurate Simulation of MMCs. IEEE Trans. Energy Convers. 2020, 35, 484–496. [Google Scholar] [CrossRef]
- Sun, Y.; Teixeira, C.A.; Holmes, D.G.; McGrath, B.P.; Zhao, J. Low-Order Circulating Current Suppression of PWM-Based Modular Multilevel Converters Using DC-Link Voltage Compensation. IEEE Trans. Power Electron. 2018, 33, 210–225. [Google Scholar] [CrossRef]
- Xu, Z.; Li, B.; Wang, S.; Zhang, S.; Xu, D. Generalized Single-Phase Harmonic State Space Modeling of the Modular Multilevel Converter with Zero-Sequence Voltage Compensation. IEEE Trans. Ind. Electron. 2019, 66, 6416–6426. [Google Scholar] [CrossRef]
- Ji, K.; Chen, W.; Wu, X.; Pang, H.; Hu, J.; Liu, S.; Cheng, F.; Tang, G. High Frequency Stability Constraints Based MMC Controller Design Using NSGA-III Algorithm. CSEE J. Power Energy Syst. 2023, 9, 623–633. [Google Scholar]
- Sun, J. Impedance-Based Stability Criterion for Grid-Connected Inverters. IEEE Trans. Power Electron. 2011, 26, 3075–3078. [Google Scholar] [CrossRef]
- Middlebrook, R.D. Input filter considerations in design and application of switching regulators. In Proceedings of the PESC’76, IEEE Power Electronics Specialists, Conference, Cleveland, OH, USA, 8–10 June 1976; pp. 366–382. [Google Scholar]
- Hall, S.R.; Wereley, N.M. Generalized Nyquist Stability Criterion for Linear Time Periodic Systems. In Proceedings of the 1990 American Control Conference, San Diego, CA, USA, 23–25 May 1990; pp. 1518–1525. [Google Scholar]






















| Parameters | Symbols | Values |
|---|---|---|
| Rated output power | 100 MVA | |
| Grid frequency | 50 Hz | |
| DC bus voltage | ±160 kV | |
| AC L-L voltage (rms) | 166 kV | |
| Number of the SM per arm | 200 | |
| SM capacitance | 2.5 mF | |
| Equivalent SM capacitance | 12.5 μF | |
| Arm inductance | 0.18 mH | |
| Arm resistance | 4.06 Ω |
| Load Conditions | ||
|---|---|---|
| Case I | 275.56 Ω | 0 |
| Case II | 194.85 Ω | 0.6202 H |
| Case III | 123.23 Ω | 0.7845 H |
| Case IV | 87.14 Ω | 0.8321 H |
| Case V | 54.04 Ω | 0.8601 H |
| Case VI | 45.30 Ω | 0.8652 H |
| Case VII | 34.18 Ω | 0.8704 H |
| Case VIII | 0 | 0.8771 H |
| Controller Parameters | |||
|---|---|---|---|
| Values | 0.8 | 900 | π |
| Controller Parameters | ||||||||
|---|---|---|---|---|---|---|---|---|
| Values | 0.8 | 30 | π | 1 | 56 π | 40 π | 200 | 10 π |
Disclaimer/Publisher’s Note: The statements, opinions and data contained in all publications are solely those of the individual author(s) and contributor(s) and not of MDPI and/or the editor(s). MDPI and/or the editor(s) disclaim responsibility for any injury to people or property resulting from any ideas, methods, instructions or products referred to in the content. |
© 2024 by the authors. Licensee MDPI, Basel, Switzerland. This article is an open access article distributed under the terms and conditions of the Creative Commons Attribution (CC BY) license (https://creativecommons.org/licenses/by/4.0/).
Share and Cite
Liu, X.; Song, S.; Ma, W.; Wang, Y. Stability Analysis and Controller Optimization of MMC in Standalone Mode. Energies 2024, 17, 5474. https://doi.org/10.3390/en17215474
Liu X, Song S, Ma W, Wang Y. Stability Analysis and Controller Optimization of MMC in Standalone Mode. Energies. 2024; 17(21):5474. https://doi.org/10.3390/en17215474
Chicago/Turabian StyleLiu, Xingyu, Shuguang Song, Wenzhong Ma, and Yusheng Wang. 2024. "Stability Analysis and Controller Optimization of MMC in Standalone Mode" Energies 17, no. 21: 5474. https://doi.org/10.3390/en17215474
APA StyleLiu, X., Song, S., Ma, W., & Wang, Y. (2024). Stability Analysis and Controller Optimization of MMC in Standalone Mode. Energies, 17(21), 5474. https://doi.org/10.3390/en17215474

