On-Line Insulation Monitoring Method of Substation Power Cable Based on Distributed Current Principal Component Analysis
Abstract
1. Introduction
2. Leakage Current Measurement Method of Substation Power Cable Based on Distributed Current Extraction
2.1. Cable Insulation Aging Characteristics
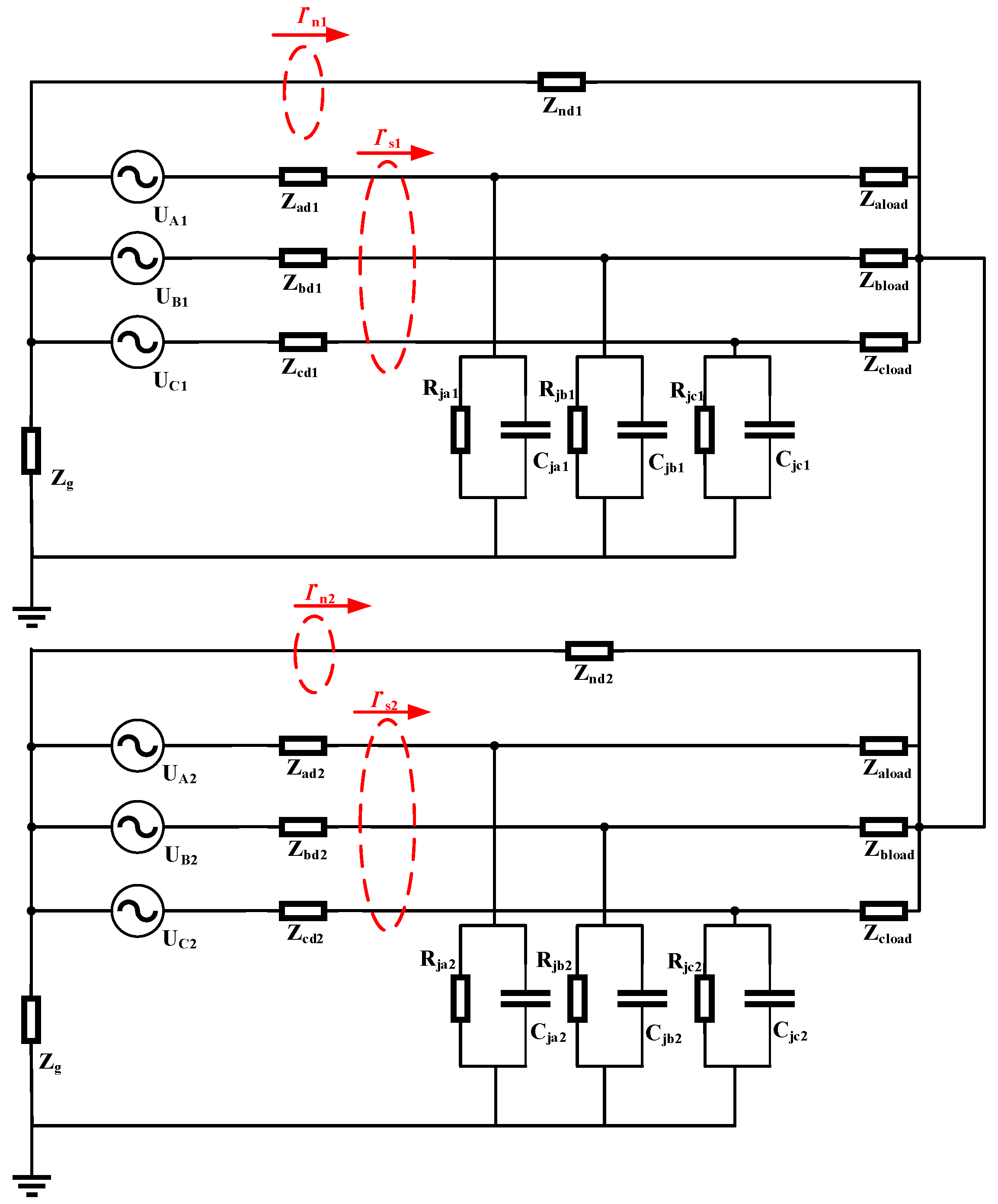
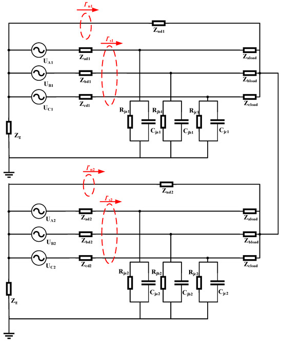
2.2. Leakage Current Distribution Model of Power Cable in Substation
2.3. Substation Power Cable Leakage Current Monitoring Method Based on Distributed Current Extraction
3. Power Cable Insulation Monitoring Method Based on Principal Component Analysis
4. Simulation Verification
4.1. The Simulation Parameter Setting
4.2. Simulation Test of Substation Power Cable Leakage Current Measurement Method Based on Distributed Current Extraction
4.3. Simulation Test of Power Cable Insulation Status Evaluation Method Based on Distributed Current Principal Component Analysis
5. Test Verification
5.1. Test Platform Construction
5.2. Test of Power Cable Leakage Cable Measurement Method Based on Distributed Current Extraction
5.3. Testing of Substation Power Cable Insulation Monitoring Method Based on Principal Component Analysis
6. Conclusions
- A power cable leakage current distribution model for the substation power supply system is established, and a quantitative relationship between leakage current and cable insulation state is derived through theoretical calculations. This analysis validates the theoretical feasibility of the proposed method. Based on this model, a new method for monitoring power cable leakage current in substations is presented.
- Considering the serious influence of measurement error on leakage current measurement, a method for evaluating the insulation state of power cables based on distributed current principal component analysis is proposed. By analyzing the T2 statistics of the principal component subspace of the distributed current and the Q statistics of the residual subspace, the cable insulation state is separated from the measurement error. The on-line accurate monitoring of the insulation state of the power cable is realized, and the detailed process of the method is introduced.
- A simulation model of the distributed current principal component analysis method was built, and laboratory tests were carried out. The error rate of identifying the cause of leakage current increase is 1%. The effective evaluation of the insulation condition of power cables in substations has been successfully achieved, which provides a novel approach for monitoring the insulation status of power cables in substations.
Author Contributions
Funding
Data Availability Statement
Conflicts of Interest
References
- Pelissou, S.; Lessard, G. Underground medium voltage cable Rejuvenation-Part I: Laboratory tests on cables. IEEE Trans. Power Deliv. 2011, 26, 2324–2332. [Google Scholar] [CrossRef]
- Cao, H.; Long, F.; Wang, B.; Peng, X.; Chen, X.; Tao, X. Deep Fault Net: Predicting fault severity of communication cable with Hybrid-Res CNN. IEEE Trans. Circuits Syst. Express Briefs 2023, 70, 826–830. [Google Scholar] [CrossRef]
- Akbal, B. Optimum Cable Bonding with Pareto Optimal and Hybrid Neural Methods to Prevent High-Voltage Cable Insulation Faults in Distributed Generation Systems. Processes 2024, 12, 2909. [Google Scholar] [CrossRef]
- Ortego, J.; Garnacho, F.; Álvarez, F.; Arcones, E.; Khamlichi, A. Locating Insulation Defects in HV Substations Using HFCT Sensors and AI Diagnostic Tools. Sensors 2024, 24, 5312. [Google Scholar] [CrossRef] [PubMed]
- Li, S.; Song, P.; Wei, Z.; Li, X.; Tang, Q.; Meng, Z.; Li, J.; Liu, S.; Wang, Y.; Li, J. Partial Discharge Detection and Defect Location Method in GIS Cable Terminal. Energies 2023, 16, 413. [Google Scholar] [CrossRef]
- Wang, Y.; Xu, H.; Wang, A.; Huang, K.; Wang, G.; Lu, X.; Zhang, D. Cable Insulation Defect Prediction Based on Harmonic Anomaly Feature Analysis. Electronics 2024, 13, 3807. [Google Scholar] [CrossRef]
- Wang, M.; Liu, Y.; Huang, Y.; Xin, Y.; Han, T.; Du, B. Defect Identification of XLPE Power Cable Using Harmonic Visualized Characteristics of Grounding Current. Electronics 2024, 13, 1159. [Google Scholar] [CrossRef]
- Dashti, R.; Daisy, M.; Mirshekali, H.; Shaker, H.R.; Aliabadi, M.H. A survey of fault prediction and location methods in electrical energy distribution networks. Measurement 2021, 184, 109947. [Google Scholar] [CrossRef]
- Renforth, L.; Giussani, R.; Mendiola, M.; Dodd, L. Online Partial Discharge Insulation Condition Monitoring of Complete High-Voltage Networks. IEEE Trans. Ind. Appl. 2019, 55, 1021–1029. [Google Scholar] [CrossRef]
- Zhu, G.; Zhou, K.; Lu, L.; Li, Y.; Xi, H.; Zeng, Q. Online monitoring of power cables tangent delta based on low-frequency signal injection method. IEEE Trans. Instrum. Meas. 2021, 70, 3514108. [Google Scholar] [CrossRef]
- Pang, B.; Zhu, B.; Wei, X.; Wang, S.; Li, R. On-line Monitoring Method for Long Distance Power Cable Insulation. IEEE Trans. Dielectr. Electr. Insul. 2016, 23, 70–76. [Google Scholar] [CrossRef]
- Yang, Y.; Hepburn, D.M.; Zhou, C.; Jiang, W.; Yang, B.; Zhou, W. On-line Monitoring and Trending of Dielectric Loss in a Cross-bonded HV Cable System. In Proceedings of the 2015 IEEE 11th International Conference on the Properties and Applications of Dielectric Materials (ICPADM), Sydney, NSW, Australia, 19–22 July 2015; pp. 301–304. [Google Scholar]
- Wang, Y.; Chen, P.; Feng, C.; Cao, J. An Online Monitoring Method for Low-Frequency Dielectric Loss Angle of Mining Cables. Sensors 2023, 23, 4273. [Google Scholar] [CrossRef] [PubMed]
- Li, L.; Yong, J. A new method for on-line cable tan δ monitoring. In Proceedings of the International Conference on Harmonics and Quality of Power (ICHQP), Ljubljana, Slovenia, 13–16 May 2018. [Google Scholar]
- Wu, Y.; Yang, Y.; Wang, Z.; Zhang, P. Online monitoring for underground power cable insulation based on common-mode signal injection. IEEE Trans. Ind. Electron. 2021, 69, 7360–7371. [Google Scholar] [CrossRef]
- Liu, Y.; Wang, H.; Zhang, H.; Du, B. Thermal Aging Evaluation of XLPE Power Cable by Using Multidimensional Characteristic Analysis of Leakage Current. Polymers 2022, 14, 3147. [Google Scholar] [CrossRef] [PubMed]
- Feng, C.; Yang, M.; Zeng, X.; Chen, P. Mine Cable Insulation Double-End Synchronous Monitoring with 5G Transmission Technology. In Proceedings of the 2020 IEEE 3rd Student Conference on Electrical Machines and Systems (SCEMS), Jinan, China, 4–6 December 2020; pp. 1025–1030. [Google Scholar]
- Hua, X.; Wang, L.; Yang, S. Multiscale Analysis of the Aging Process of Cable Insulation. IEEE Trans. Dielectr. Electr. Insul. 2023, 30, 238–246. [Google Scholar] [CrossRef]
- Zhao, W.; Xia, X.; Li, M.; Huang, H.; Chen, S.; Wang, R.; Liu, Y. Online monitoring method based on locus-analysis for high-voltage cable faults. Chin. J. Electr. Eng. 2019, 5, 42–48. [Google Scholar] [CrossRef]
- Wang, W.; Gao, X.; Fan, B.; Zeng, X.; Yao, G. Faulty Phase Detection Method Under Single-Line-to-Ground Fault Considering Distributed Parameters Asymmetry and Line Impedance in Distribution Networks. IEEE Trans. Power Deliv. 2022, 37, 1513–1522. [Google Scholar] [CrossRef]
- Wu, Y. A Novel Online Monitoring Scheme for Underground Power Cable Insulation Based on Common-Mode Leakage Current Measurement. IEEE Trans. Ind. Electron. 2022, 69, 13586–13596. [Google Scholar] [CrossRef]
- Wang, J.; Zhao, S.; Wang, E.; Zhao, J.; Liu, X.; Li, Z. Incipient Fault Detection in a Hydraulic System Using Canonical Variable Analysis Combined with Adaptive Kernel Density Estimation. Sensors 2023, 23, 8096. [Google Scholar] [CrossRef] [PubMed]
- Wang, W.; Zhang, Q.; Zheng, K. Fault Detection Algorithm Based on Dynamic Global–Local Preserving Projection. Appl. Sci. 2023, 13, 13203. [Google Scholar] [CrossRef]
- Peng, K.; Guo, Y. Fault detection and quantitative assessment method for process industry based on feature fusion. Measurement 2022, 197, 111267. [Google Scholar] [CrossRef]














| Parameter | Values |
|---|---|
| Conductor radius rc (mm) | 11.68 |
| Insulation radius rin (mm) | 18.43 |
| Sheath radius rs (mm) | 20.68 |
| Line length L (m) | 500 |
| Effective resistance Re (Ω/km) | 0.67 |
| Distributed capacitance Cd (μF/km) | 0.518 |
| Ground resistor RG (Ω) | 4 |
| Supply voltage U (V) | 380 (RMS) |
| Frequency f (Hz) | 50 |
| Insulation Status | Normal Measurement | Inaccuracy Measurement |
|---|---|---|
| Intact | 14.58 mA | 167.3 mA |
| Lightly aged | 160.8 mA | 364.1 mA |
| Medium aged | 365.7 mA | 693.7 mA |
| Seriously aged | 872.4 mA | 1096 mA |
| Damaged | 1134 mA | 1648 mA |
Disclaimer/Publisher’s Note: The statements, opinions and data contained in all publications are solely those of the individual author(s) and contributor(s) and not of MDPI and/or the editor(s). MDPI and/or the editor(s) disclaim responsibility for any injury to people or property resulting from any ideas, methods, instructions or products referred to in the content. |
© 2025 by the authors. Licensee MDPI, Basel, Switzerland. This article is an open access article distributed under the terms and conditions of the Creative Commons Attribution (CC BY) license (https://creativecommons.org/licenses/by/4.0/).
Share and Cite
Yang, H.; Wang, J.; Zhao, P.; Yu, C.; You, H.; Dou, J. On-Line Insulation Monitoring Method of Substation Power Cable Based on Distributed Current Principal Component Analysis. Energies 2025, 18, 688. https://doi.org/10.3390/en18030688
Yang H, Wang J, Zhao P, Yu C, You H, Dou J. On-Line Insulation Monitoring Method of Substation Power Cable Based on Distributed Current Principal Component Analysis. Energies. 2025; 18(3):688. https://doi.org/10.3390/en18030688
Chicago/Turabian StyleYang, Haobo, Jingang Wang, Pengcheng Zhao, Chuanxiang Yu, Hongkang You, and Jinyao Dou. 2025. "On-Line Insulation Monitoring Method of Substation Power Cable Based on Distributed Current Principal Component Analysis" Energies 18, no. 3: 688. https://doi.org/10.3390/en18030688
APA StyleYang, H., Wang, J., Zhao, P., Yu, C., You, H., & Dou, J. (2025). On-Line Insulation Monitoring Method of Substation Power Cable Based on Distributed Current Principal Component Analysis. Energies, 18(3), 688. https://doi.org/10.3390/en18030688

