A Review of the Visualization Analysis of the Pore-Scale Formation and Decomposition of CO2 Hydrates for Carbon Capture and Storage
Abstract
1. Introduction
1.1. Theoretical Aspect of CO2 Hydrates
1.2. Multi-Category Model for Hydrate Formation and Decomposition Processes
1.2.1. Fundamental Thermodynamic Models
1.2.2. Intrinsic Kinetics Model
1.2.3. Porous Medium Correction Model
2. Mechanism of Hydrate Formation and Dissociation
2.1. Experimental Characterization of Hydrate Formation and Dissociation Processes
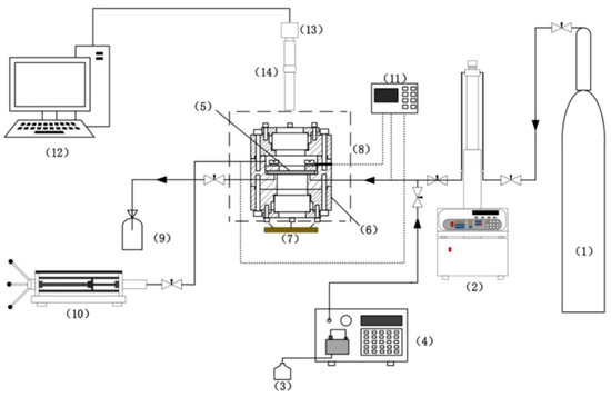
2.1.1. Microfluidic Experimental System
- (1)
- Temperature and pressure control system; This includes the temperature control of the circulating water bath chip and the plunger pump controlling the pressure and injection of the fluid (gas and water).
- (2)
- Visualization systems: Microfluidic visualization chips and holding devices provide a visible pore reaction space, capturing microscopic images of reaction processes and hydrate morphology via microscopes and a high-resolution camera.
- (3)
- Post-processing system: This includes a high-precision temperature and pressure acquisition system and a data imaging processing system.
2.1.2. Fluidic Microchannel Chip
2.2. Nucleation Mode and Growth Morphology
2.3. Decomposition Path and Dynamics
2.4. Factors Affecting Hydrate Behavior
3. Numerical Modeling for Hydrate Research
3.1. Numerical Approaches for Pore-Scale Simulation of CO2 Hydrate Behavior in Porous Media
3.2. Simulation Results of Formation and Decomposition Kinetics
3.3. Impact on System Characteristics
4. Conclusions and Engineering Implications for Carbon Capture and Storage (CCS)
4.1. Engineering Implications for CCS and Future Research Directions
4.2. Conclusions
Author Contributions
Funding
Data Availability Statement
Conflicts of Interest
Nomenclature
| Surface area of the particles (m2) | |
| CH4 | Methane |
| CO2 | Carbon dioxide |
| f | Fugacity of the gas (MPa) |
| Fugacity of the gas in three-phase equilibrium condition | |
| H | Hydrate |
| I | Ice |
| K* | Combined rate parameter (mol/m2 MPa s) |
| k | Permeability of porous media(D) |
| Liquid carbon dioxide | |
| Water | |
| Supercooled water | |
| R | Universal gas constant |
| S0 | Specific surface area |
| t | Time (s) |
| V | Vapor |
| Porosity |
References
- Chen, L.; Merey, S. Oceanic Methane Hydrates: Fundamentals, Technological Innovations, and Sustainability; Gulf Professional: Cambridge, MA, USA, 2021. [Google Scholar]
- Sloan, E.D. Fundamental Principles and Applications of Natural Gas Hydrates. Nature 2003, 426, 353–359. [Google Scholar] [CrossRef] [PubMed]
- Chen, L.; Sasaki, H.; Watanabe, T.; Okajima, J.; Komiya, A.; Maruyama, S. Production Strategy for Oceanic Methane Hydrate Extraction and Power Generation with Carbon Capture and Storage (CCS). Energy 2017, 126, 256–272. [Google Scholar] [CrossRef]
- Li, M.; Liu, J.; Xia, Y. Risk Prediction of Gas Hydrate Formation in the Wellbore and Subsea Gathering System of Deep-Water Turbidite Reservoirs: Case Analysis from the South China Sea. Res. Sci. 2025, 1, 52–72. [Google Scholar] [CrossRef]
- Wu, J.; Ansari, U. From CO2 Sequestration to Hydrogen Storage: Further Utilization of Depleted Gas Reservoirs. Res. Sci. 2025, 1, 19–35. [Google Scholar] [CrossRef]
- Ma, Z.W.; Zhang, P.; Bao, H.S.; Deng, S. Review of Fundamental Properties of CO2 Hydrates and CO2 Capture and Separation Using Hydration Method. Renew. Sustain. Energy Rev. 2016, 53, 1273–1302. [Google Scholar] [CrossRef]
- Dholabhai, P.D.; Kalogerakis, N.; Bishnoi, P.R. Equilibrium Conditions for Carbon Dioxide Hydrate Formation in Aqueous Electrolyte Solutions. J. Chem. Eng. Data 1993, 38, 650–654. [Google Scholar] [CrossRef]
- Yang, M.; Song, Y.; Liu, Y.; Lam, W.-H.; Li, Q. Equilibrium Conditions for CO2 Hydrate in Porous Medium. J. Chem. Thermodyn. 2011, 43, 334–338. [Google Scholar] [CrossRef]
- Semenov, A.; Mendgaziev, R.; Stoporev, A.; Istomin, V.; Tulegenov, T.; Yarakhmedov, M.; Novikov, A.; Vinokurov, V. Direct Measurement of the Four-Phase Equilibrium Coexistence Vapor–Aqueous Solution–Ice–Gas Hydrate in Water–Carbon Dioxide System. Int. J. Mol. Sci. 2023, 24, 9321. [Google Scholar] [CrossRef] [PubMed]
- Belandria, V.; Mohammadi, A.H.; Richon, D. Phase Equilibria of Clathrate Hydrates of Methane+Carbon Dioxide: New Experimental Data and Predictions. Fluid Phase Equilibria 2010, 296, 60–65. [Google Scholar] [CrossRef]
- Belandria, V.; Eslamimanesh, A.; Mohammadi, A.H.; Richon, D. Gas Hydrate Formation in Carbon Dioxide + Nitrogen + Water System: Compositional Analysis of Equilibrium Phases. Ind. Eng. Chem. Res. 2011, 50, 4722–4730. [Google Scholar] [CrossRef]
- Belandria, V.; Eslamimanesh, A.; Mohammadi, A.H.; Richon, D. Study of Gas Hydrate Formation in the Carbon Dioxide + Hydrogen + Water Systems: Compositional Analysis of the Gas Phase. Ind. Eng. Chem. Res. 2011, 50, 6455–6459. [Google Scholar] [CrossRef]
- Zhou, X.; Long, Z.; Tang, C.; Liang, D. Kinetic Measurements on CO2 Hydrate Formation in the Presence of Tetra-n-butyl Ammonium Bromide. Energy Fuels 2018, 32, 9683–9691. [Google Scholar] [CrossRef]
- Jiang, L.; Li, A.; Xu, J.; Liu, Y. Effects of SDS and SDBS on CO2 Hydrate Formation, Induction Time, Storage Capacity and Stability at 274.15 K and 5.0 MPa. ChemistrySelect 2016, 1, 6111–6114. [Google Scholar] [CrossRef]
- Lee, Y.; Kim, H.; Lee, W.; Kang, D.W.; Lee, J.W.; Ahn, Y.-H. Thermodynamic and Kinetic Properties of CO2 Hydrates and Their Applications in CO2 Capture and Separation. J. Environ. Chem. Eng. 2023, 11, 110933. [Google Scholar] [CrossRef]
- Sadeq, D.; Iglauer, S.; Lebedev, M.; Rahman, T.; Zhang, Y.; Barifcani, A. Experimental Pore-Scale Analysis of Carbon Dioxide Hydrate in Sandstone via X-Ray Micro-Computed Tomography. Int. J. Greenh. Gas Control 2018, 79, 73–82. [Google Scholar] [CrossRef]
- Almenningen, S.; Gauteplass, J.; Fotland, P.; Aastveit, G.L.; Barth, T.; Ersland, G. Visualization of Hydrate Formation during CO2 Storage in Water-Saturated Sandstone. Int. J. Greenh. Gas Control 2018, 79, 272–278. [Google Scholar] [CrossRef]
- Almenningen, S.; Iden, E.; Fernø, M.A.; Ersland, G. Salinity Effects on Pore-Scale Methane Gas Hydrate Dissociation. J. Geophys. Res. Solid Earth 2018, 123, 5599–5608. [Google Scholar] [CrossRef]
- Bhattacharjee, G.; Kumar, A.; Sakpal, T.; Kumar, R. Carbon Dioxide Sequestration: Influence of Porous Media on Hydrate Formation Kinetics. ACS Sustain. Chem. Eng. 2015, 3, 1205–1214. [Google Scholar] [CrossRef]
- Abe, Y.; Ma, X.; Yanai, T.; Yamane, K. Development of Formation and Growth Models of CO2 Hydrate Film. AIChE J. 2016, 62, 4078–4089. [Google Scholar] [CrossRef]
- Li, X.; Zhao, B.; Wang, C.; Kang, H.; Li, X.; Chen, G.; Sun, C. Investigation on the Gaseous/Liquid CO2 Hydrate Formation, Growth and Dissociation in Micro-Pores of Microfluidic Chip. Chem. Eng. Sci. 2026, 320, 122568. [Google Scholar] [CrossRef]
- Heidaryan, E.; Robustillo Fuentes, M.D.; Pessôa Filho, P.D.A. Equilibrium of Methane and Carbon Dioxide Hydrates Below the Freezing Point of Water: Literature Review and Modeling. J. Low Temp. Phys. 2019, 194, 27–45. [Google Scholar] [CrossRef]
- Li, Y.; Maria Gambelli, A.; Chen, J.; Yin, Z.; Rossi, F.; Tronconi, E.; Mei, S. Experimental Study on the Competition between Carbon Dioxide Hydrate and Ice below the Freezing Point. Chem. Eng. Sci. 2023, 268, 118426. [Google Scholar] [CrossRef]
- Nagashima, H.D.; Fukushima, N.; Ohmura, R. Phase Equilibrium Condition Measurements in Carbon Dioxide Clathrate Hydrate Forming System from 199.1 K to 247.1 K. Fluid Phase Equilibria 2016, 413, 53–56. [Google Scholar] [CrossRef]
- Melnikov, V.P.; Nesterov, A.N.; Reshetnikov, A.M.; Istomin, V.A.; Kwon, V.G. Stability and Growth of Gas Hydrates below the Ice–Hydrate–Gas Equilibrium Line on the P–T Phase Diagram. Chem. Eng. Sci. 2010, 65, 906–914. [Google Scholar] [CrossRef]
- Zhang, X.; Zhang, M.; Yang, H.; Li, J.; Li, Y.; Wu, Q. Experimental Study on the Formation Characteristics of CO2 Hydrate in Porous Media below the Freezing Point: Influence of Particle Size and Temperature on the Formation Process and Storage Capacity. Energy Sci. Eng. 2022, 10, 1164–1176. [Google Scholar] [CrossRef]
- Yang, J.; Wang, Y.; Wang, P.; Zhu, J.; Chen, Y.J. Unveiling Gas Hydrate Dynamics: A Microfluidic Investigation of Formation, Decomposition Pathways, and Kinetic Impacts. Gas Sci. Eng. 2025, 142, 205709. [Google Scholar] [CrossRef]
- Semenov, A.P.; Mendgaziev, R.I.; Tulegenov, T.B.; Stoporev, A.S. Analysis of the Techniques for Measuring the Equilibrium Conditions of Gas Hydrates Formation. Chem. Technol. Fuels Oils 2022, 58, 628–636. [Google Scholar] [CrossRef]
- Shindo, Y.; Lund, P.C.; Fujioka, Y.; Komiyama, H. Kinetics and Mechanism of the Formation of CO2 Hydrate. Int. J. Chem. Kinet. 1993, 25, 777–782. [Google Scholar] [CrossRef]
- Nguyen, N.N.; La, V.T.; Huynh, C.D.; Nguyen, A.V. Technical and Economic Perspectives of Hydrate-Based Carbon Dioxide Capture. Appl. Energy 2022, 307, 118237. [Google Scholar] [CrossRef]
- Velaga, S.C.; Anderson, B.J. Carbon Dioxide Hydrate Phase Equilibrium and Cage Occupancy Calculations Using Ab Initio Intermolecular Potentials. J. Phys. Chem. B 2014, 118, 577–589. [Google Scholar] [CrossRef]
- Voronov, V.P.; Gorodetskii, E.E.; Podnek, V.E.; Grigoriev, B.A. Properties of Equilibrium Carbon Dioxide Hydrate in Porous Medium. Chem. Phys. 2016, 476, 61–68. [Google Scholar] [CrossRef]
- Sloan, E.D. Gas Hydrates: Review of Physical/Chemical Properties. Energy Fuels 1998, 12, 191–196. [Google Scholar] [CrossRef]
- Hu, Q.; Xiao, X. Formation Methods and Applications of Carbon Dioxide Hydrate: An Overview. Carbon Capture Sci. Technol. 2023, 7, 100113. [Google Scholar] [CrossRef]
- Anderson, G.K. Enthalpy of Dissociation and Hydration Number of Carbon Dioxide Hydrate from the Clapeyron Equation. J. Chem. Thermodyn. 2003, 35, 1171–1183. [Google Scholar] [CrossRef]
- Yin, Z.; Khurana, M.; Tan, H.K.; Linga, P. A Review of Gas Hydrate Growth Kinetic Models. Chem. Eng. J. 2018, 342, 9–29. [Google Scholar] [CrossRef]
- Parrish, W.R.; Prausnitz, J.M. Dissociation Pressures of Gas Hydrates Formed by Gas Mixtures. Ind. Eng. Chem. Process Des. Dev. 1972, 11, 26–35. [Google Scholar] [CrossRef]
- Ballard, A.L.; Sloan, E.D., Jr. The next Generation of Hydrate Prediction: I. Hydrate Standard States and Incorporation of Spectroscopy. Fluid Phase Equilibria 2002, 194–197, 371–383. [Google Scholar] [CrossRef]
- Yoon, J.; Chun, M.; Lee, H. Generalized Model for Predicting Phase Behavior of Clathrate Hydrate. AIChE J. 2002, 48, 1317–1330. [Google Scholar] [CrossRef]
- Yang, S.O.; Yang, I.M.; Kim, Y.S.; Lee, C.S. Measurement and Prediction of Phase Equilibria for water+CO2 in Hydrate Forming Conditions. Fluid Phase Equilibria 2000, 175, 75–89. [Google Scholar] [CrossRef]
- Jäger, A.; Vinš, V.; Gernert, J.; Span, R.; Hrubý, J. Phase Equilibria with Hydrate Formation in H2O + CO2 Mixtures Modeled with Reference Equations of State. Fluid Phase Equilibria 2013, 338, 100–113. [Google Scholar] [CrossRef]
- Englezos, P.; Kalogerakis, N.; Dholabhai, P.D.; Bishnoi, P.R. Kinetics of Formation of Methane and Ethane Gas Hydrates. Chem. Eng. Sci. 1987, 42, 2647–2658. [Google Scholar] [CrossRef]
- Kim, H.C.; Bishnoi, P.R.; Heidemann, R.A.; Rizvi, S.S.H. Kinetics of Methane Hydrate Decomposition. Chem. Eng. Sci. 1987, 42, 1645–1653. [Google Scholar] [CrossRef]
- Mekala, P.; Busch, M.; Mech, D.; Patel, R.S.; Sangwai, J.S. Effect of Silica Sand Size on the Formation Kinetics of CO2 Hydrate in Porous Media in the Presence of Pure Water and Seawater Relevant for CO2 Sequestration. J. Pet. Sci. Eng. 2014, 122, 1–9. [Google Scholar] [CrossRef]
- Zhang, J.; Lee, J.W. Enhanced Kinetics of CO2 Hydrate Formation under Static Conditions. Ind. Eng. Chem. Res. 2009, 48, 5934–5942. [Google Scholar] [CrossRef]
- Yang, D.; Le, L.A.; Martinez, R.J.; Currier, R.P.; Spencer, D.F. Kinetics of CO2 Hydrate Formation in a Continuous Flow Reactor. Chem. Eng. J. 2011, 172, 144–157. [Google Scholar] [CrossRef]
- Clarke, M.A.; Bishnoi, P.R. Determination of the Intrinsic Rate Constant and Activation Energy of CO2 Gas Hydrate Decomposition Using In-Situ Particle Size Analysis. Chem. Eng. Sci. 2004, 59, 2983–2993. [Google Scholar] [CrossRef]
- Cao, X.; Yang, K.; Xia, W.; Tang, G.; Bian, J. Dissociation Experiment and Dissociation Rate Model of CO2 Hydrate. Nat. Gas Ind. B 2021, 8, 607–614. [Google Scholar] [CrossRef]
- Rehman, A.N.; Pendyala, R.; Lal, B. Effect of Brine on the Kinetics of Carbon Dioxide Hydrate Formation and Dissociation in Porous Media. Mater. Today Proc. 2021, 47, 1366–1370. [Google Scholar] [CrossRef]
- Seol, Y.; Kneafsey, T.J. Methane Hydrate Induced Permeability Modification for Multiphase Flow in Unsaturated Porous Media. J. Geophys. Res. 2011, 116, B08102. [Google Scholar] [CrossRef]
- Mahabadi, N.; Dai, S.; Seol, Y.; Sup Yun, T.; Jang, J. The Water Retention Curve and Relative Permeability for Gas Production from Hydrate-bearing Sediments: Pore-network Model Simulation. Geochem. Geophys. Geosyst. 2016, 17, 3099–3110. [Google Scholar] [CrossRef]
- Mahabadi, N.; Dai, S.; Seol, Y.; Jang, J. Impact of Hydrate Saturation on Water Permeability in Hydrate-Bearing Sediments. J. Pet. Sci. Eng. 2019, 174, 696–703. [Google Scholar] [CrossRef]
- Fischer, U.; Dury, O.; Flühler, H.; Van Genuchten, M.T. Modeling Nonwetting-Phase Relative Permeability Accounting for a Discontinuous Nonwetting Phase. Soil Sci. Soc. Am. J. 1997, 61, 1348–1354. [Google Scholar] [CrossRef][Green Version]
- Schäfer, G.; di Chiara Roupert, R.; Alizadeh, A.H.; Piri, M. On the Prediction of Three-Phase Relative Permeabilities Using Two-Phase Constitutive Relationships. Adv. Water Resour. 2020, 145, 103731. [Google Scholar] [CrossRef]
- Zheng, W.; Tannant, D.D. Improved Estimate of the Effective Diameter for Use in the Kozeny–Carman Equation for Permeability Prediction. Géotech. Lett. 2017, 7, 1–5. [Google Scholar] [CrossRef]
- Xu, J.; Bu, Z.; Li, H.; Li, S.; Sun, B. Pore-Scale Flow Simulation on the Permeability in Hydrate-Bearing Sediments. Fuel 2022, 312, 122681. [Google Scholar] [CrossRef]
- Zhang, J.; Liu, X.; Chen, D.; Yin, Z. An Investigation on the Permeability of Hydrate-Bearing Sediments Based on Pore-Scale CFD Simulation. Int. J. Heat Mass Transf. 2022, 192, 122901. [Google Scholar] [CrossRef]
- Kang, D.H.; Yun, T.S.; Kim, K.Y.; Jang, J. Effect of Hydrate Nucleation Mechanisms and Capillarity on Permeability Reduction in Granular Media. Geophys. Res. Lett. 2016, 43, 9018–9025. [Google Scholar] [CrossRef]
- Chen, Y.; Sun, B.; Chen, L.; Wang, X.; Zhao, X.; Gao, Y. Simulation and Observation of Hydrate Phase Transition in Porous Medium via Microfluidic Application. Ind. Eng. Chem. Res. 2019, 58, 5071–5079. [Google Scholar] [CrossRef]
- Li, X.; Wang, C.; Li, Q.; Fan, Q.; Chen, G.; Sun, C. Study on the Growth Kinetics and Morphology of Methane Hydrate Film in a Porous Glass Microfluidic Device. Energies 2021, 14, 6814. [Google Scholar] [CrossRef]
- Golombok, M.; Ineke, E.; Luzardo, J.-C.R.; He, Y.Y.; Zitha, P. Resolving CO2 and Methane Hydrate Formation Kinetics. Environ. Chem. Lett. 2009, 7, 325–330. [Google Scholar] [CrossRef]
- Yang, M.; Shan, X.; Sun, H.; Chen, B.; Yu, T.; Zhong, D. Review of Thermodynamic and Kinetic Properties of CO2 Hydrate Phase Transition Process. Chem. Eng. Sci. 2025, 308, 121383. [Google Scholar] [CrossRef]
- Lim, V.W.S.; Barwood, M.T.J.; Metaxas, P.J.; Johns, M.L.; Aman, Z.M.; May, E.F. Nucleation Rates of Carbon Dioxide Hydrate. Chem. Eng. J. 2022, 443, 136359. [Google Scholar] [CrossRef]
- Zerón, I.M.; Algaba, J.; Míguez, J.M.; Grabowska, J.; Blazquez, S.; Sanz, E.; Vega, C.; Blas, F.J. Homogeneous Nucleation Rate of Carbon Dioxide Hydrate Formation under Experimental Condition from Seeding Simulations. J. Chem. Phys. 2025, 162, 134708. [Google Scholar] [CrossRef]
- Kumar, A.; Bhattacharjee, G.; Kulkarni, B.D.; Kumar, R. Role of Surfactants in Promoting Gas Hydrate Formation. Ind. Eng. Chem. Res. 2015, 54, 12217–12232. [Google Scholar] [CrossRef]
- Majid, A.A.A.; Worley, J.; Koh, C.A. Thermodynamic and Kinetic Promoters for Gas Hydrate Technological Applications. Energy Fuels 2021, 35, 19288–19301. [Google Scholar] [CrossRef]
- Jeong, S.-M.; Chiang Hsieh, L.-H.; Huang, C.-Y.; Sean, W.-Y. Direct Numerical Simulation of CO2 Hydrate Dissociation in Pore-Scale Flow by Applying CFD Method. Int. J. Heat Mass Transf. 2017, 107, 300–306. [Google Scholar] [CrossRef]
- Sarupria, S.; Debenedetti, P.G. Molecular Dynamics Study of Carbon Dioxide Hydrate Dissociation. J. Phys. Chem. A 2011, 115, 6102–6111. [Google Scholar] [CrossRef]
- Sholihah, M.; Sean, W.-Y. Numerical Simulation on the Dissociation, Formation, and Recovery of Gas Hydrates on Microscale Approach. Molecules 2021, 26, 5021. [Google Scholar] [CrossRef]
- Song, Y.; Zhao, C.; Chen, M.; Chi, Y.; Zhang, Y.; Zhao, J. Pore-Scale Visualization Study on CO2 Displacement of Brine in Micromodels with Circular and Square Cross Sections. Int. J. Greenh. Gas Control 2020, 95, 102958. [Google Scholar] [CrossRef]
- Li, X.; Wang, C.; Li, Q.; Pang, W.; Chen, G.; Sun, C. Experimental Observation of Formation and Dissociation of Methane Hydrate in a Micromodel. Chem. Eng. Sci. 2022, 248, 117227. [Google Scholar] [CrossRef]
- Dehghani, P.; Sinquin, A.; Gland, N.; Lécolier, E.; Ruffine, L.; Tang, A.M. CO2 Hydrate Nucleation Study: Novel High-Pressure Microfluidic Devices. Lab Chip 2025, 25, 2903–2917. [Google Scholar] [CrossRef] [PubMed]
- Wadsworth, L.A.; Balke, J.G.; Hartman, R.L.; Koh, C.A. Carbon Dioxide Hydrate Crystallization Thickening & Morphology in a Micro-Confined Environment for Carbon Capture & Sequestration Processes. Appl. Energy 2024, 371, 123664. [Google Scholar] [CrossRef]
- Martinez de Baños, M.L.; Carrier, O.; Bouriat, P.; Broseta, D. Droplet-Based Millifluidics as a New Tool to Investigate Hydrate Crystallization: Insights into the Memory Effect. Chem. Eng. Sci. 2015, 123, 564–572. [Google Scholar] [CrossRef]
- Marre, S.; Adamo, A.; Basak, S.; Aymonier, C.; Jensen, K.F. Design and Packaging of Microreactors for High Pressure and High Temperature Applications. Ind. Eng. Chem. Res. 2010, 49, 11310–11320. [Google Scholar] [CrossRef]
- Sun, Q.; Du, M.; Li, X.; Guo, X.; Yang, L. Morphology Investigation on Cyclopentane Hydrate Formation/Dissociation in a Sub-Millimeter-Sized Capillary. Crystals 2019, 9, 307. [Google Scholar] [CrossRef]
- Lv, J.; Zhao, J.; Jiang, L.; Liu, Y.; Mu, H. A Review of Micro Computed Tomography Studies on the Gas Hydrate Pore Habits and Seepage Properties in Hydrate Bearing Sediments. J. Nat. Gas Sci. Eng. 2020, 83, 103555. [Google Scholar] [CrossRef]
- Xu, R.; Kou, X.; Wu, T.-W.; Li, X.-S.; Wang, Y. Pore-Scale Experimental Investigation of the Fluid Flow Effects on Methane Hydrate Formation. Energy 2023, 271, 126967. [Google Scholar] [CrossRef]
- Li, Y.; Xie, Y.; Zhang, K.; Wu, P.; Song, Y. CO2 Hydrate Microscopic Phase Transition Behavior Based on Microfluidic Chips. Energy 2025, 338, 138944. [Google Scholar] [CrossRef]
- Hu, R.; Wan, J.; Kim, Y.; Tokunaga, T.K. Wettability Effects on Supercritical CO2–Brine Immiscible Displacement during Drainage: Pore-Scale Observation and 3D Simulation. Int. J. Greenh. Gas Control 2017, 60, 129–139. [Google Scholar] [CrossRef]
- Hou, J.; Ji, Y.; Zhou, K.; Liu, Y.; Wei, B. Effect of Hydrate on Permeability in Porous Media: Pore-Scale Micro-Simulation. Int. J. Heat Mass Transf. 2018, 126, 416–424. [Google Scholar] [CrossRef]
- Ouyang, Q.; Komisar, D.; Ilchenko, O.; von Solms, N.; Pandey, J.S. Raman Assisted Microfluidic Insights into CO2 Hydrate Dynamics and Subsurface Sequestration in Confined Space. Chem. Eng. J. 2025, 513, 162897. [Google Scholar] [CrossRef]
- Zhang, J.; Yin, Z.; Li, Q.; Li, S.; Jiao, H.; Liu, X. An investigation on CH4 hydrate transition and gas bubble evolution on microfluidic chip. Chin. J. Theor. Appl. Mech. 2024, 56, 1615–1623. [Google Scholar]
- Nguyen, N.N.; Galib, M.; Nguyen, A.V. Critical Review on Gas Hydrate Formation at Solid Surfaces and in Confined Spaces—Why and How Does Interfacial Regime Matter? Energy Fuels 2020, 34, 6751–6760. [Google Scholar] [CrossRef]
- Bai, D.; Chen, G.; Zhang, X.; Wang, W. Microsecond Molecular Dynamics Simulations of the Kinetic Pathways of Gas Hydrate Formation from Solid Surfaces. Langmuir 2011, 27, 5961–5967. [Google Scholar] [CrossRef]
- Li, X.; Liu, M.; Li, Q.; Pang, W.; Chen, G.; Sun, C. TBAB Hydrate Formation and Growth in a Microdevice under Static and Dynamic Conditions. Pet. Sci. 2024, 21, 1396–1404. [Google Scholar] [CrossRef]
- Hauge, L.P.; Gauteplass, J.; Høyland, M.D.; Ersland, G.; Kovscek, A.; Fernø, M.A. Pore-Level Hydrate Formation Mechanisms Using Realistic Rock Structures in High-Pressure Silicon Micromodels. Int. J. Greenh. Gas Control 2016, 53, 178–186. [Google Scholar] [CrossRef]
- Liang, H.; Song, Y.; Liu, Y.; Yang, M.; Huang, X. Study of the Permeability Characteristics of Porous Media with Methane Hydrate by Pore Network Model. J. Nat. Gas Chem. 2010, 19, 255–260. [Google Scholar] [CrossRef]
- Wells, J.D.; Chen, W.; Hartman, R.L.; Koh, C.A. Carbon Dioxide Hydrate in a Microfluidic Device: Phase Boundary and Crystallization Kinetics Measurements with Micro-Raman Spectroscopy. J. Chem. Phys. 2021, 154, 114710. [Google Scholar] [CrossRef] [PubMed]
- Chen, W.; Hartman, R.L. Methane Hydrate Intrinsic Dissociation Kinetics Measured in a Microfluidic System by Means of in Situ Raman Spectroscopy. Energy Fuels 2018, 32, 11761–11771. [Google Scholar] [CrossRef]
- Ji, Y.; Hou, J.; Zhao, E.; Liu, C.; Guo, T.; Liu, Y.; Wei, B.; Bai, Y. Pore-Scale Study on Methane Hydrate Formation and Dissociation in a Heterogeneous Micromodel. J. Nat. Gas Sci. Eng. 2021, 95, 104230. [Google Scholar] [CrossRef]
- Yu, W.; Habiburrahman, M.; Sultan, A.S. Microfluidic Study of Hydrate Propagation during CO2 Injection into Cold Aquifers. Carbon Capture Sci. Technol. 2025, 15, 100401. [Google Scholar] [CrossRef]
- Wang, Y.; Yang, J.; Wang, P.; Zhu, J.; Chen, Y.J. Impact of Multiphasic Pore-Scale Interactions on Gas Hydrate Formation and Dissociation Characteristics and Kinetics: A Microfluidic Study. Lab Chip 2025, 25, 3741–3765. [Google Scholar] [CrossRef] [PubMed]
- Dehghani, P.; Sinquin, A.; Gland, N.; Tang, A.M.; Estublier, A. Investigating Cyclopentane Hydrate Nucleation and Growth Using Microfluidics. Sci. Technol. Energy Transit. 2023, 78, 36. [Google Scholar] [CrossRef]
- Kim, S.; Park, M.; Mok, J.; Seo, Y. Salinity-Controlled Guest Selectivity in CH4 + CO2 Hydrates: Implications for Enhanced CO2 Sequestration in Marine Sediments. J. Environ. Chem. Eng. 2025, 13, 119500. [Google Scholar] [CrossRef]
- Husebø, J.; Ersland, G.; Graue, A.; Kvamme, B. Effects of Salinity on Hydrate Stability and Implications for Storage of CO2 in Natural Gas Hydrate Reservoirs. Energy Procedia 2009, 1, 3731–3738. [Google Scholar] [CrossRef]
- Holzammer, C.; Finckenstein, A.; Will, S.; Braeuer, A.S. How Sodium Chloride Salt Inhibits the Formation of CO2 Gas Hydrates. J. Phys. Chem. B 2016, 120, 2452–2459. [Google Scholar] [CrossRef] [PubMed]
- Yang, J.; Tsai, P.A. Microfluidic Mass Transfer of Supercritical CO2 in Brine. Chem. Eng. Sci. 2024, 300, 120543. [Google Scholar] [CrossRef]
- Gautam, R.; Kumar, S.; Kumar, A. Intensified Carbon Dioxide Hydrate Formation Kinetics in a Simulated Subsea Sediment: Application in Carbon Capture and Sequestration. Energy Fuels 2022, 36, 9194–9202. [Google Scholar] [CrossRef]
- Ho, T.-H.M.; Yang, J.; Tsai, P.A. Microfluidic Mass Transfer of CO2 at Elevated Pressures: Implications for Carbon Storage in Deep Saline Aquifers. Lab Chip 2021, 21, 3942–3951. [Google Scholar] [CrossRef]
- Palodkar, A.V.; Dongre, H.J.; Thakre, N.; Jana, A.K. Microsecond Molecular Dynamics of Methane–Carbon Dioxide Swapping in Pure and Saline Water Environment. Sci. Rep. 2022, 12, 2634. [Google Scholar] [CrossRef]
- Yu, Q.; Li, C.; Peng, B.; Tang, H.; Yang, T.; Yu, Y.; Zhang, K.; Chen, Z. Research Progress and Outlook of Molecular Dynamics Simulation on Carbon Dioxide Applied for Methane Exploitation from Hydrates. Molecules 2024, 29, 5579. [Google Scholar] [CrossRef] [PubMed]
- Hao, X.; Li, C.; Meng, Q.; Sun, J.; Huang, L.; Bu, Q.; Li, C. Molecular Dynamics Simulation of the Three-Phase Equilibrium Line of CO2 Hydrate with OPC Water Model. ACS Omega 2023, 8, 39847–39854. [Google Scholar] [CrossRef]
- Uddin, M.; Coombe, D. Kinetics of CH4 and CO2 Hydrate Dissociation and Gas Bubble Evolution via MD Simulation. J. Phys. Chem. A 2014, 118, 1971–1988. [Google Scholar] [CrossRef]
- Li, G.; Zhan, L.; Yun, T.; Dai, S. Pore-Scale Controls on the Gas and Water Transport in Hydrate-Bearing Sediments. Geophys. Res. Lett. 2020, 47, e2020GL086990. [Google Scholar] [CrossRef]
- Li, Z.; You, J.; Qin, G. Pore-Scale Modellings on the Impacts of Hydrate Distribution Morphology on Gas and Water Transport in Hydrate-Bearing Sediments. In Proceedings of the SPE Canadian Energy Technology Conference, Calgary, AB, Canada, 11 March 2022; p. D022S010R002. [Google Scholar]
- Sean, W.-Y. Direct Numerical Simulation of Hydrate Dissociation in Homogeneous Porous Media by Applying CFD Method: One Example of CO2 Hydrate. In Heat and Mass Transfer—Advances in Modelling and Experimental Study for Industrial Applications; IntechOpen: London, UK, 2018; ISBN 978-1-78923-773-3. [Google Scholar]
- Song, R.; Sun, S.; Liu, J.; Feng, X. Numerical Modeling on Hydrate Formation and Evaluating the Influencing Factors of Its Heterogeneity in Core-Scale Sandy Sediment. J. Nat. Gas Sci. Eng. 2021, 90, 103945. [Google Scholar] [CrossRef]
- Yu, P.-Y.; Sean, W.-Y.; Yeh, R.-Y.; Chiang Hsieh, L.-H.; Hsu, R.-Q.; Sato, T. Direct Numerical Simulation of Methane Hydrate Dissociation in Pore-Scale Flow by Using CFD Method. Int. J. Heat Mass Transf. 2017, 113, 176–183. [Google Scholar] [CrossRef]
- Jiang, F.; Hu, C. Application of Lattice Boltzmann Method for Simulation of Turbulent Diffusion from a CO2 Lake in Deep Ocean; Kyushu University: Fukuoka, Japan, 2012. [Google Scholar]
- Succi, S.; Moradi, N.; Greiner, A.; Melchionna, S. Lattice Boltzmann Modeling of Water-like Fluids. Front. Phys. 2014, 2, 22. [Google Scholar] [CrossRef]
- Wang, Q.; Han, D.; Wang, Z.; Ma, Q.; Wang, D. Lattice Boltzmann Modeling for Hydrate Formation in Brine. Chem. Eng. J. 2019, 366, 133–140. [Google Scholar] [CrossRef]
- Zhang, L.; Zhang, C.; Zhang, K.; Zhang, L.; Yao, J.; Sun, H.; Yang, Y. Pore-Scale Investigation of Methane Hydrate Dissociation Using the Lattice Boltzmann Method. Water Resour. Res. 2019, 55, 8422–8444. [Google Scholar] [CrossRef]
- Zhang, Y.; Wang, X.; Dong, B.; An, X.; Chen, C.; Zhou, X.; Li, W. Numerical Simulation of Methane Hydrate Dissociation Characteristics in Microporous Media Using Lattice Boltzmann Method: Effect of Fluid Flow. Chem. Eng. Sci. 2023, 267, 118384. [Google Scholar] [CrossRef]
- Hao, L.; Cheng, P. Pore-Scale Simulations on Relative Permeabilities of Porous Media by Lattice Boltzmann Method. Int. J. Heat Mass Transf. 2010, 53, 1908–1913. [Google Scholar] [CrossRef]
- Algaba, J.; Blazquez, S.; Feria, E.; Míguez, J.M.; Conde, M.M.; Blas, F.J. Three-Phase Equilibria of Hydrates from Computer Simulation. II. Finite-Size Effects in the Carbon Dioxide Hydrate. J. Chem. Phys. 2024, 160, 164722. [Google Scholar] [CrossRef]
- Yamaguchi, A.J.; Sato, T.; Nono, A.; Tobase, T. Numerical Simulation of Permeability Change in Porous Media by the Formation of CO2 Hydrate. In Proceedings of the OCEANS 2022, Chennai, India, 21–24 February 2022. [Google Scholar]
- Wang, Y.; Wu, X.; Zhang, Y.; Yin, C.; Dong, B.; Li, W. Impact of Pore Structure and Hydrate Distribution on CO2-CH4 Replacement in CH4 Hydrate: A Pore-Scale Numerical Analysis. Energies 2025, 18, 2519. [Google Scholar] [CrossRef]
- Liu, Q.; Li, J.; Liang, B.; Sun, W.; Liu, J.; Lei, Y. Microscopic Flow of CO2 in Complex Pore Structures: A Recent 10-Year Review. Sustainability 2023, 15, 12959. [Google Scholar] [CrossRef]
- Fuji, T.; Kamada, K.; Sato, T.; Oyama, H.; Yamaguchi, A.J.; Tobase, T. Numerical Simulation of Crystal Growth of CO2 Hydrate within Microscopic Sand Pores Using Phase Field Model for the Estimation of Effective Permeability. Int. J. Greenh. Gas Control 2020, 95, 102960. [Google Scholar] [CrossRef]
- Lu, S.; Yamaguchi, A.J.; Kobayasi, K.; Sato, T.; Tobase, T. Numerical Simulation of Microscopic Carbon Dioxide Hydrate Formation in Two-Phase Flow. In Proceedings of the OCEANS 2022, Chennai, India, 21–24 February 2022; pp. 1–6. [Google Scholar]











| Reference | Material | Size | Shape | Particle Diameter | Throat Width | Depth | Porosity |
|---|---|---|---|---|---|---|---|
| Hu et al. (2017) [80] | Silica | 2 0 mm × 10 mm | Round grains | 590 µm | 50 µm | 40 µm | 0.246 |
| Hou et al. (2018) [81] | Glass | 160 × 320, 169 × 338; 200 × 480 | Round grains; heterogeneous | 40 - | - | - | 0.61; 0.53, 0.59 |
| Song et al. (2020) [70] | Glass | 16.01 × 16.01 mm; 16.03 × 16.03 mm | Round grains; square grains | 250 μm | 70 μm | 50 µm | 0.38; 0.52 |
| Xu et al. (2022) [56] | - | 169 × 338 μm; 160 × 320 μm; μm | Round grains, uniformly arranged in a different array | 40 μm 40 μm 45 μm | μm | - | 0.61; 0.61; 0.5 |
| Ouyang et al. (2025) [82] | Borosilicate | - | Heterogeneous; homogeneous | - | 50–700 µm | 20 µm | - |
Disclaimer/Publisher’s Note: The statements, opinions and data contained in all publications are solely those of the individual author(s) and contributor(s) and not of MDPI and/or the editor(s). MDPI and/or the editor(s) disclaim responsibility for any injury to people or property resulting from any ideas, methods, instructions or products referred to in the content. |
© 2025 by the authors. Licensee MDPI, Basel, Switzerland. This article is an open access article distributed under the terms and conditions of the Creative Commons Attribution (CC BY) license (https://creativecommons.org/licenses/by/4.0/).
Share and Cite
Yan, X.; Liu, J.; Komiya, A.; Bennacer, R.; Chen, L. A Review of the Visualization Analysis of the Pore-Scale Formation and Decomposition of CO2 Hydrates for Carbon Capture and Storage. Energies 2025, 18, 6344. https://doi.org/10.3390/en18236344
Yan X, Liu J, Komiya A, Bennacer R, Chen L. A Review of the Visualization Analysis of the Pore-Scale Formation and Decomposition of CO2 Hydrates for Carbon Capture and Storage. Energies. 2025; 18(23):6344. https://doi.org/10.3390/en18236344
Chicago/Turabian StyleYan, Xuefen, Jiaxin Liu, Atsuki Komiya, Rachid Bennacer, and Lin Chen. 2025. "A Review of the Visualization Analysis of the Pore-Scale Formation and Decomposition of CO2 Hydrates for Carbon Capture and Storage" Energies 18, no. 23: 6344. https://doi.org/10.3390/en18236344
APA StyleYan, X., Liu, J., Komiya, A., Bennacer, R., & Chen, L. (2025). A Review of the Visualization Analysis of the Pore-Scale Formation and Decomposition of CO2 Hydrates for Carbon Capture and Storage. Energies, 18(23), 6344. https://doi.org/10.3390/en18236344

