Next Article in Journal
The Role of the European Investment Bank in Financing Renewable Energy Sources in Selected European Union Countries
Next Article in Special Issue
Multi-Frequency Small-Signal Modeling of TCM Inverters Considering the Joint Effects of Duty Cycle and Variable Switching Frequency
Previous Article in Journal
A Refined Technique for Predicting the Energy Efficiency of Small High-Speed Submersible Centrifugal Oil Pumps
Previous Article in Special Issue
Development of DC–DC Converters for Fuel-Cell Hybrid Power Systems in a Lift–Cruise Unmanned Aerial Vehicle
 
 
Font Type:
Arial Georgia Verdana
Font Size:
Aa Aa Aa
Line Spacing:
Column Width:
Background:
Article

Research on Coupled Inductor Interleaved High Step-Up DC-DC Converter

1
China Academy of Space Technology (CAST), Beijing 100094, China
2
Shenzhen Graduate School, Harbin Institute of Technology, Shenzhen 518055, China
*
Author to whom correspondence should be addressed.
Energies 2025, 18(23), 6174; https://doi.org/10.3390/en18236174
Submission received: 17 October 2025 / Revised: 4 November 2025 / Accepted: 20 November 2025 / Published: 25 November 2025

Abstract

This paper presents a high-voltage step-up DC-DC converter with an active flexible loop based on the Boost topology. By combining interleaved technology, magnetic integration technology, and voltage doubling capacitor technology, the voltage step-up of the converter is improved, and the duty range of the converter is extended by introducing an active flexible circuit composed of MOSFETs, diodes, and resistors. In addition, a coordinated control strategy of “open loop flexible compensation—closed loop linear compensation” is proposed, which effectively limits the starting inrush current of the converter and improves the dynamic performance. In this paper, the steady-state model of the converter in different duty ranges and the control idea of the coordinated control strategy are analyzed in detail, and a test prototype with a maximum output power of 100 W is built. In the hardware experiment, the steady state of the proposed converter working in different duty ranges and the dynamic start of the converter are tested, which proves the effectiveness of the proposed controller and control strategy.

1. Introduction

With the gradual decrease in fossil energy reserves in the world and the rise in global temperature and other environmental problems becoming increasingly prominent, the clean replacement of fossil energy has become a major issue actively explored by countries around the world [1]. Renewable energy power generation has a relatively mature control mode. However, the grid connection of the renewable energy power generation system has always been a key factor restricting the reduction in renewable energy power generation cost and improving power supply quality [2]. A typical grid-connection renewable energy power generation system is shown in Figure 1.
In summary, the utilization process of renewable energy requires a high-gain DC-DC booster device to convert the low-voltage output of the renewable device into the inverter side high-voltage output. Theoretically, conventional Boost converters can achieve high voltage gain by increasing the duty cycle. However, in practice, affected by parasitic parameters, it can only achieve 4–6 times voltage gain [3,4,5]. Therefore, the traditional Boost converter needs to be improved and perfected in order to achieve a high-voltage gain DC-DC converter. Common voltage multiplier units feature a two-port structure, where the output voltage at the secondary port is M times the input voltage at the primary port. The voltage gain M varies with changes in the topology and the duty cycle of the main circuit’s switching transistor [6]. Similarly to switch-capacitor boost structures, the presence of zero-state capacitors in the circuit causes significant inrush currents during converter startup [7]. This paper aims to propose a control method to address inrush currents.
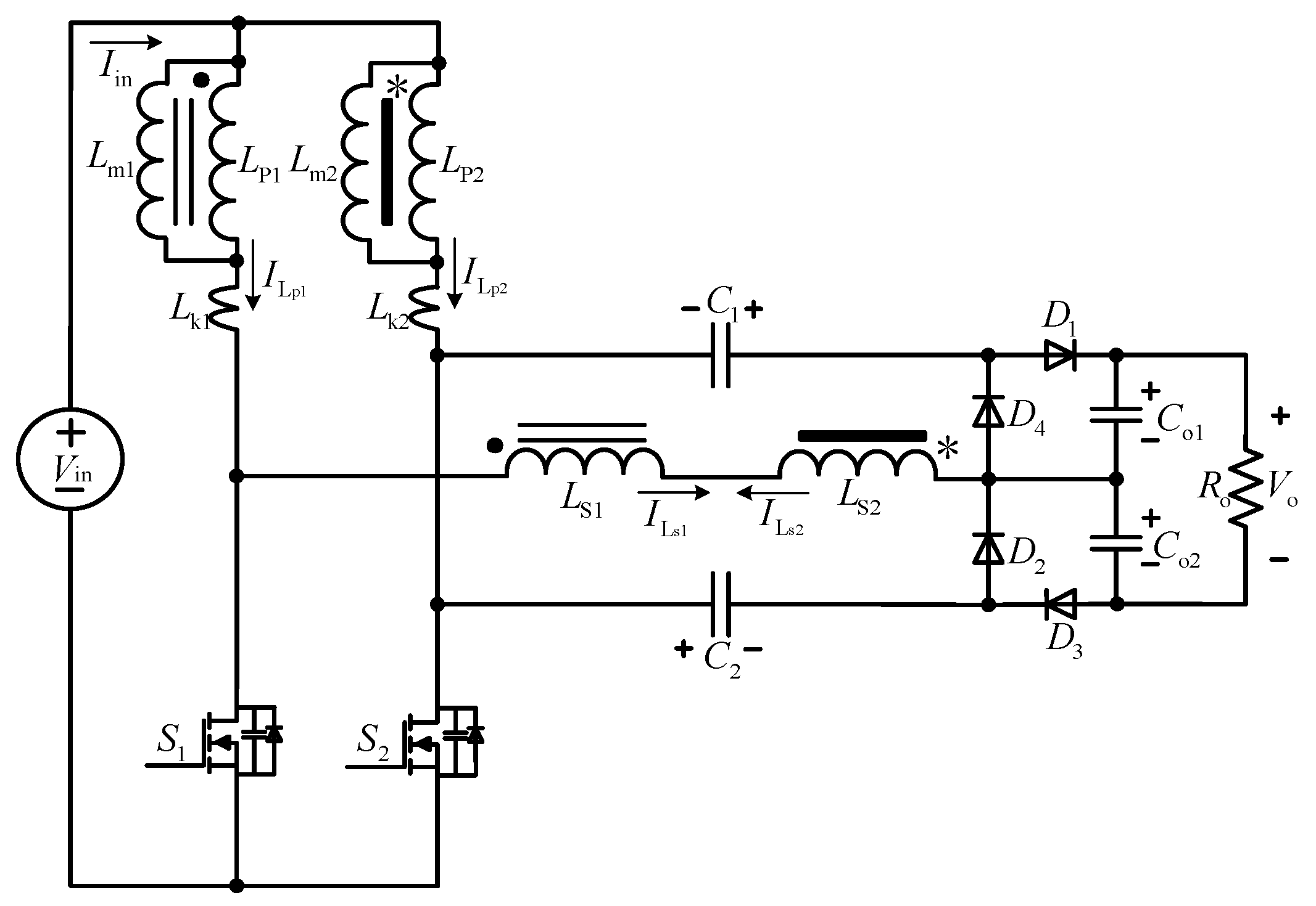
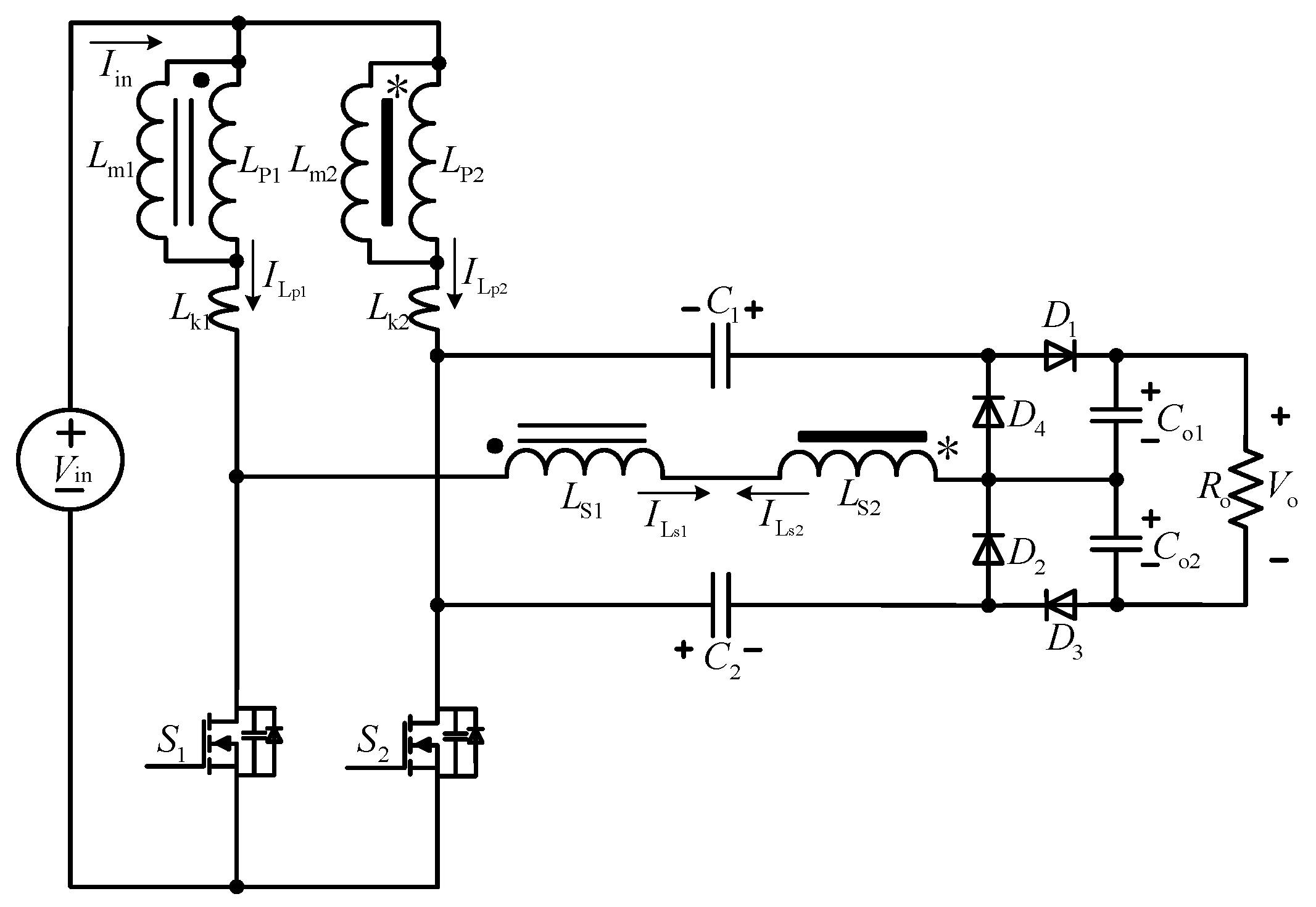
Non-common-ground coupled inductive interleaved Boost converter (NCG-CIIBC) is a high-gain DC-DC converter with non-common-ground input and output [8]. The topology configuration is shown in Figure 2. It is mainly composed of two MOSFETs, S1 and S2, two coupled inductors, L1 and L2, two double voltage capacitors, C1 and C2, four diodes, D1–D4, and two load capacitors, Co1 and Co2. Since the coupled inductor shares a similar structure to a transformer, for ease of analysis, the primary side of the coupled inductor is equivalent to the excitation windings L m 1 and L m 2 , the primary windings and L p 1 , L p 2 and the leakage inductance L k 1 and L k 2 . L S 1 and L S 2 are the secondary windings of the coupling inductor. For simplicity, the coupling inductor is collectively referred to as L1 and L2. In the figure, the small star (*) and large dot (•) symbols represent different types of coupled inductors. The small star symbolizes one coupling configuration, while the large dot represents another configuration. These distinctions help to clarify the various magnetic coupling methods used in the circuit.
NCG-CIIBC combines inductor interleaving technology and voltage doubling capacitor boost technology, and replaces the input inductor in the Boost topology with a coupling inductor, improving voltage gain and reducing input current ripple [9]. However, in order to ensure a continuous path for the input current, the NCG-CIIBC can only operate at a duty ratio D > 0.5, which limits the operating range of the NCG-CIIBC and restricts topology expansion [10]. In addition, during dynamic processes such as startup, direct startup with D > 0.5 will generate large surge input currents, greatly improving the requirements for the current passing ability of switching devices, and hindering the large-scale application of NCG-CIIBC [11].
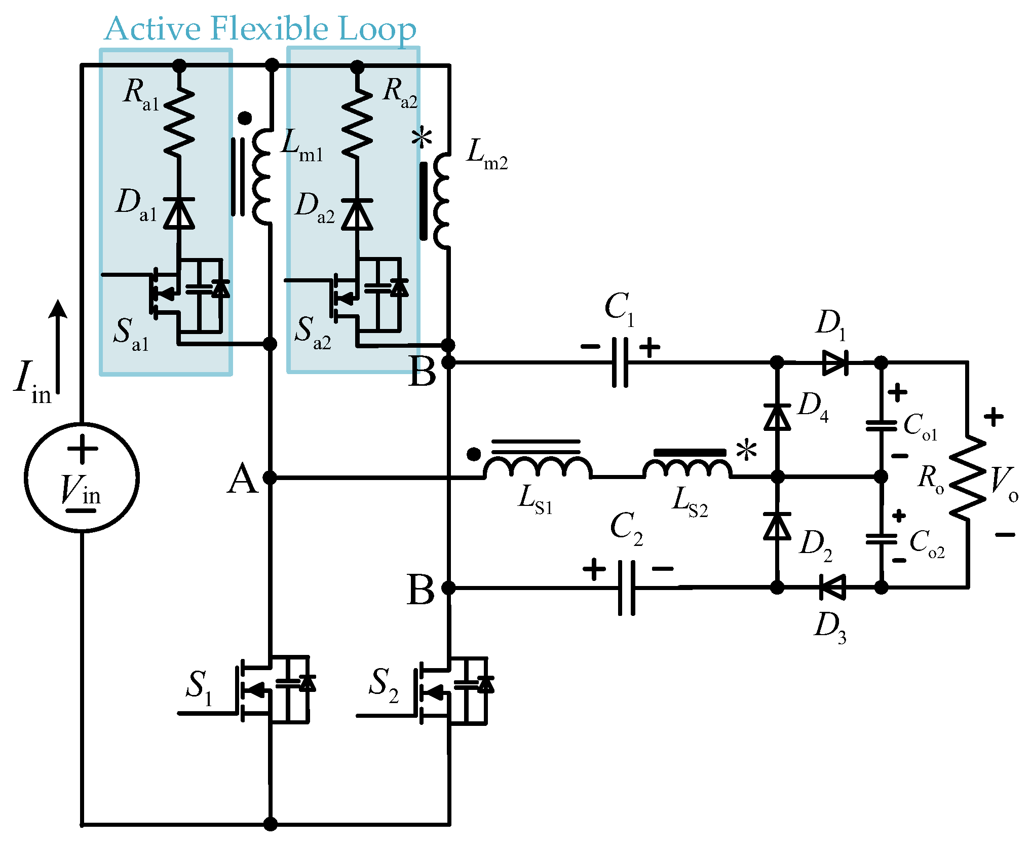
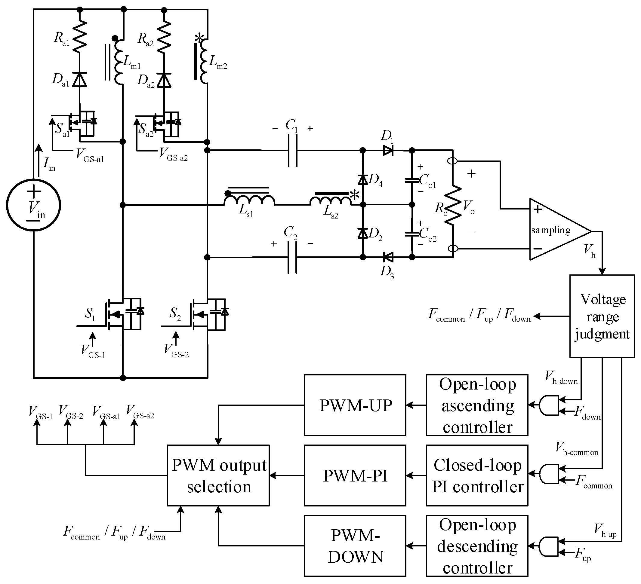
As shown in Figure 3, this paper designs an active flexible loop (AFL) through topology improvement. The introduction of the active flexible loop (AFL) in the NCG-CIIBC-AFL converter significantly enhances its operational range, enabling stable operation across the full duty cycle range. Traditionally, converters face limitations at lower duty cycles, especially when the duty cycle is below 0.5, where the current path is often interrupted due to the main switches being off. The AFL addresses this challenge by incorporating auxiliary MOSFETs that provide a continuous current path when the main MOSFETs are off. This allows the converter to maintain stable operation even at lower duty cycles, preventing performance degradation and ensuring high voltage gain throughout the entire duty cycle range. As a result, the converter exhibits improved system adaptability, providing efficient power conversion across a wide range of operating conditions, from low to high duty cycles. AFL ensures that the input terminal of the NCG-CIIBC also has a stable current path when the duty ratio D < 0.5, thereby obtaining the NCG-CIIBC-AFL converter 7.
The active flexible loop (AFL) in the box of Figure 3 consists of auxiliary MOSFETs Sa1 and Sa2, auxiliary diodes Da1 and Da2, and energy discharge resistors Ra1 and Ra2. The two AFL circuits are connected in parallel to the primary windings of the coupling inductors L1 and L2, respectively. The switching logic of the auxiliary MOSFETs Sa1 and Sa2 is based on an OR condition with the main MOSFETs S1 and S2. When both main MOSFETs are off, the auxiliary MOSFETs Sa1 and Sa2 turn on, allowing continuous current flow through the inductor. When either main MOSFET is on, the auxiliary MOSFETs turn off, causing energy storage in the inductor.
In addition, to suppress the input surge current during the startup process of NCG-CIIBC-AFL, this paper proposes a collaborative control strategy of “open loop flexible compensation—closed loop linear compensation”, which fully utilizes the controllability of open-loop control far from the equilibrium point of the system and the robustness of closed-loop control near the stable point of the system, improving the dynamic performance of the system. The ultimate step for improving precision and speed of response is the introduction of closed-loop control [12]. Finally, an NCG-CIIBC-AFL prototype with a maximum output power of 100 W is built to verify the effectiveness of the proposed NCG-CIIBC-AFL converter and its control strategy.

2. Principal Analysis of NCG-CIIBC-AFL

To simplify the analysis, the following assumptions are made: (1) Power devices are ideal components, that is, the switching on loss, off loss, and on loss of the switch are all zero, ignoring the parasitic resistance of the inductor and capacitor, and ignoring the on loss of the diode. (2) The parameters of coupling inductance L1 and L2 are consistent; the coupling degree of the coupling inductance is large enough; the inductance of the coupling inductor is large enough to ignore the effect of magnetic circuit saturation; the capacity of the capacitor is large enough.

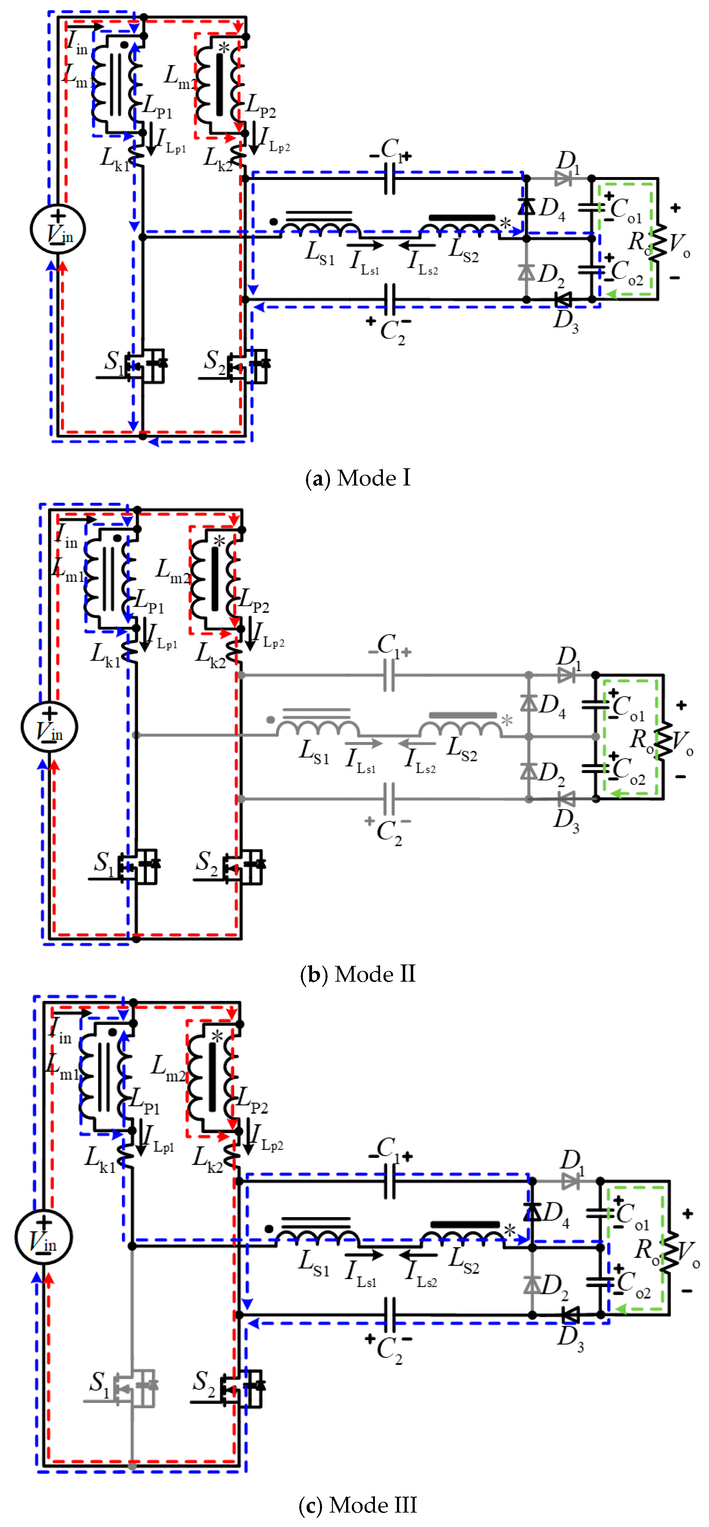
2.1. Modal Analysis Under Operating Conditions with Duty Ratio D > 0.5

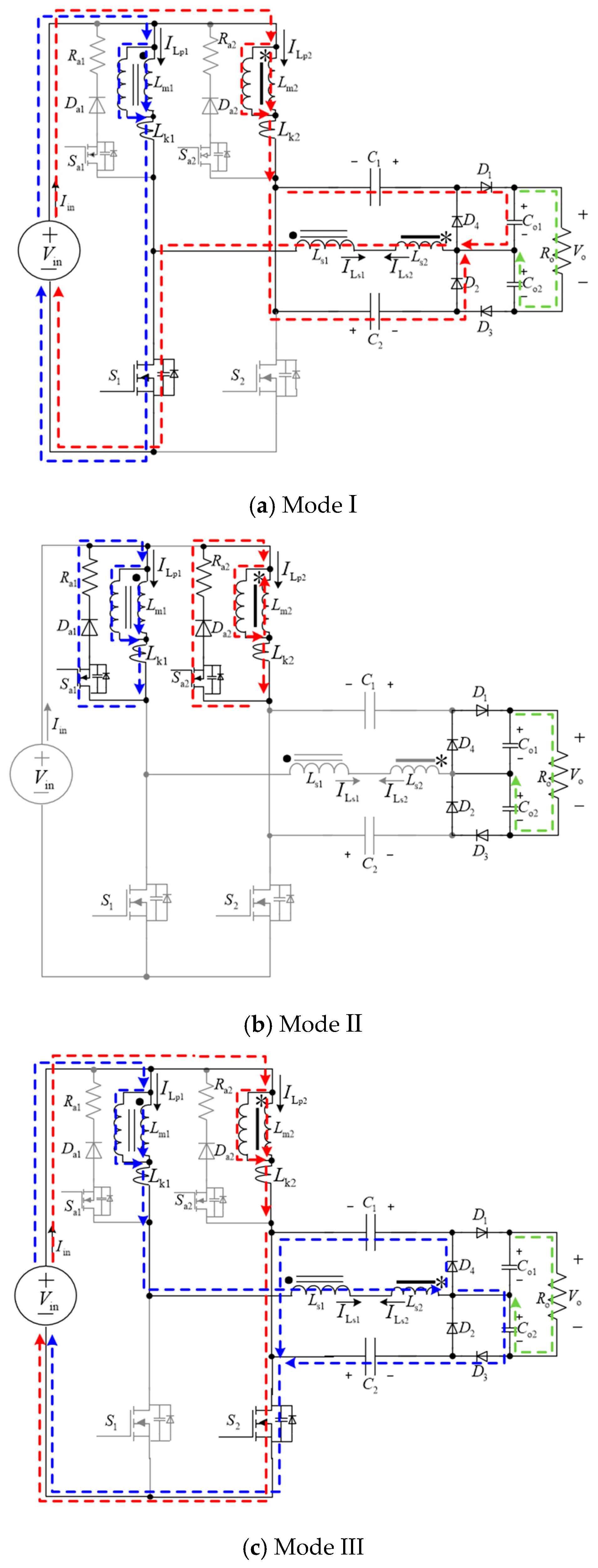
NCG-CIIBC-AFL has three stable modes in a switching cycle under the operating mode with a duty ratio D > 0.5. The key waveform is shown in Figure 4, and the operating state of each mode is shown in Figure 5.
In the working mode I, the following equation holds:
V L m 1 k 1 = V in
V in V L m 2 k 2 V C 2 N 2 V L m 2 + N 1 V L m 1 = 0
V C o 1 = V in V L m 2 k 2 N 2 V L m 2 + N 1 V L m 1 + V C 1
In working mode II, the following equation holds:
V L m 1 k 1 = V in
V L m 2 k 2 = V in
In working mode III, the following equation holds:
V L m 2 k 2 = V in
V in V L m 1 k 1 V C 1 N 1 V L m 1 + N 2 V L m 2 = 0
V C o 2 = V i n V L m 1 k 2 N 1 V L m 1 + N 2 V L m 2 + V C 2
From Equations (2) and (7), the following can be obtained:
V L m 1 III = k 1 1 + N 2 k 2 V in V C 1 1 + N 1 k 1 V L m 2 I = k 2 1 + N 1 k 1 V in V C 2 1 + N 2 k 2
From Equations (1), (4)–(6), the following can be obtained:
V L m 1 I , II = k 1 V in ,   V L m 2 II , III = k 2 V in
From the equivalent excitation inductance, the volt-second balance principle of the coupling inductance, the following conclusion can be made:
0 D T V L m 1 I , II d t + D T T V L m 1 III d t = 0
0 D T V L m 2 II , III d t + D T T V L m 2 I d t = 0
Bringing Equations (9) and (10) into Equations (11) and (12) yields
V C 2 IV = D 1 D ( 1 + N 2 k 2 ) V in + ( 1 + N 1 k 1 ) V in
V C 1 VIII = D 1 D ( 1 + N 1 k 1 ) V in + ( 1 + N 2 k 2 ) V in
By introducing Equations (13) and (14) into Equations (3) and (8), respectively, the following can be obtained:
V C 1 = V C 2 = 1 1 D ( 1 + N k ) V in = V o 4
On the output side, there are
V o = V C o 1 + V C o 2
By bringing Equation (15) into Equation (16), the following can be obtained:
V o = 4 1 D ( 1 + N k ) V in
where N is the ratio of turns of the primary and secondary sides of the coupling inductor, and k is the coupling coefficient of the primary and secondary sides.
According to Equation (17), the steady-state voltage gain of the NCG-CIIBC-AFL converter at a duty ratio D > 0.5 can be obtained:
M D > 0.5 = 4 ( 1 + N k ) 1 D
From the above formula, it can be seen that steady-state voltage gain M D > 0.5 is related to duty ratio D, turn ratio N, and coupling coefficient k.

2.2. Modal Analysis Under Operating Conditions with Duty Ratio D < 0.5

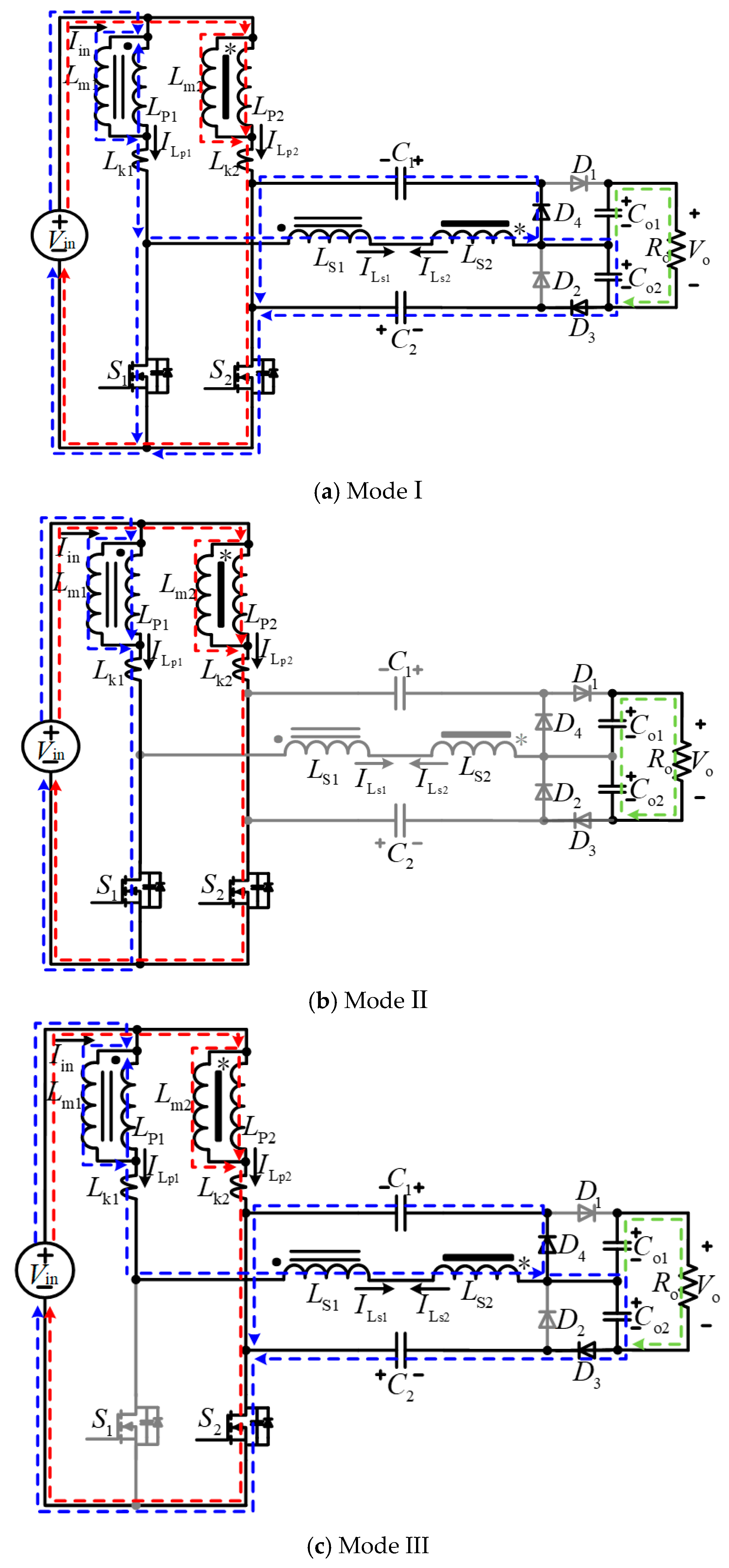
NCG-CIIBC-AFL also has three stable modes in a switching cycle under the duty ratio D < 0.5 operating mode. The key waveform is shown in Figure 6, and the operating state of each mode is shown in Figure 7.
In the working mode I, the following equation holds:
V Lm 1 k 1 = V in
V in V Lm 2 k 2 + V C 1 V Co 1 N 2 V Lm 2 + N 1 V Lm 1 = 0
V in V Lm 2 k 2 V C 2 N 2 V Lm 2 + N 1 V Lm 1 = 0
In working mode II, the following equation holds:
V Lm 1 = i Lm 1 R a 1
V Lm 2 = i Lm 2 R a 2
In working mode III, the following equation holds:
V Lm 2 k 2 = V in
V in V Lm 1 k 1 + V C 2 V Co 2 N 1 V Lm 1 + N 2 V Lm 2 = 0
V in V Lm 1 k 1 V C 1 N 1 V Lm 1 + N 2 V Lm 2 = 0
From Equations (19), (22) and (25), it can be obtained that the voltage of the coupling inductor L 1 in a switching cycle is
V Lm 1 I = k 1 V in V Lm 1 II = k 1 V in e τ a 1 t V Lm 1 III = ( 1 + N 2 k 2 ) V in V C 1 1 + N 1 k 1
From Equations (20), (23) and (24), it can be obtained that the voltage of the coupling inductor L 2 in a switching cycle is
V Lm 2 III = k 2 V in V Lm 2 II = k 2 V in e τ a 2 t V Lm 2 I = ( 1 + N 1 k 1 ) V in V C 2 1 + N 2 k 2
According to the volt-second balance principle of the equivalent excitation inductances L m 1 and L m 2 of the coupling inductance, the following conclusion can be made:
0 D T V Lm 1 I + 2 D T 0.5 T V Lm 1 II + ( 0.5 + D ) T T V Lm 1 III = 0
0 D T V Lm 2 I + 2 D T 0.5 T V Lm 2 II + ( 0.5 + D ) T T V Lm 2 III = 0
Substituting Equation (27) into Equation (29) and bringing Equation (28) into Equation (30) yields
V C = 2 1 + N k 1 + e τ a · T s 2 e τ a · D T s τ a T s / 2 1 D V in = V o 4
V o = 8 1 + N k 1 + e τ a T s 2 e τ a D T s τ a T s / 2 1 D V in
τ a = L m / R a is the AFL circuit discharge time constant.
According to Equation (32), the voltage gain M D < 0.5 of NCG-CIIBC-AFL under operating conditions D < 0.5 is
M D < 0.5 = 8 1 + N k 1 + e τ a T s 2 e τ a D T s τ a T s / 2 1 D
From Equation (33), it can be seen that the voltage gain M D < 0.5 of NCG-CIIBC-AFL at a duty ratio D < 0.5 is not only related to the duty ratio D, the coupling inductance turn ratio N, and the coupling coefficient k, but also related to parameters such as the discharge time constant τ a and the switching cycle T s of the AFL circuit.
By combining Equation (18) and Equation (33), the voltage gain M of NCG-CIIBC-AFL in the full duty cycle range can be obtained:
M = 8 1 + N k 1 + e τ a T s 2 e τ a D T s τ a T s / 2 1 D ,     D 0.5 4 ( 1 + N k ) 1 D ,     D > 0.5
Select the coupling inductance turn ratio N = 1 and the coupling coefficient k = 0.98, select the switching cycle T s as 1 × 10 5 s, and the value of the time constant τ a should be as close as possible to T s , select 2 × 10 5 s. According to Equation (34), the voltage gain curves of the NCG-CIIBC-AFL at duty cycles D < 0.5 and across the entire duty cycle range can be obtained, as shown in Figure 8 and Figure 9.
The addition of an AFL expands the operational form of the converter. In theory, NCG-CIIBC-AFL can achieve voltage gain from zero to any multiple. Therefore, NCG-CIIBC-AFL has a richer working mode and higher adaptability to duty ratio, which can achieve a duty ratio starting from zero, providing a topological basis for solving the problem of NCG-CIIBC-AFL starting surge current.

3. Cooperative Control Design of Open-Loop Flexible Compensation-Closed-Loop Linear Compensation

In order to fully utilize the controllability of open-loop control far from the equilibrium point of the system and the robustness of closed-loop control near the stable point of the system, a collaborative control strategy of “open loop flexible compensation—closed loop linear compensation” is designed, and its control block diagram is shown in Figure 10.
The control idea of the open-loop–closed-loop cooperative control strategy is to set the upper limit threshold value V o - up and the lower limit threshold value V o - down for the output voltage V o , and select different control methods by judging the relationship between the output voltage V o and the upper and lower threshold values.
In Figure 9, the voltage range determination module is used to determine and compare the output voltage range at the current time and apply corresponding control methods. The upper threshold voltage V ref - up and lower threshold voltage V ref - down used for comparison are selected based on 5% of the reference voltage V ref , namely
V ref - up = 1.05 V ref ,   V ref - down = 0.95 V ref
when the actual output voltage V o is divided by the voltage divider network and the collected voltage V h is between V ref - up and V ref - down , the voltage range determination module outputs a F common signal and activates the voltage closed-loop PI controller; when the collected voltage V h is greater than V ref - up , the voltage range determination module outputs an F up signal and activates the open loop descent controller to perform open loop descent control; when the collected voltage V h is less than V ref - down , the voltage range determination module outputs a F down signal and activates the open loop rise controller to perform open loop rise control.
Closed-loop linear PI compensation is a commonly used linear compensation method when a system works near a stable equilibrium point. By modeling the small signal of NCG-CIIBC-AFL and designing the compensation network, it can be obtained that the open loop transfer functions G D > 0.5 ( s ) , G D < 0.5 ( s ) , and the transfer function G c ( s ) of the compensation network for NCG-CIIBC-AFL under duty ratios D > 0.5 and D < 0.5 are
G D > 0.5 ( s ) = num den
G D < 0.5 ( s ) = num den
G c ( s ) = 5.64 × 10 6 s 2 + 9.7 × 10 2 s + 3046 2 × 10 7 s 2 + s
The expressions for num, den, num , and den are shown in the Appendix A.
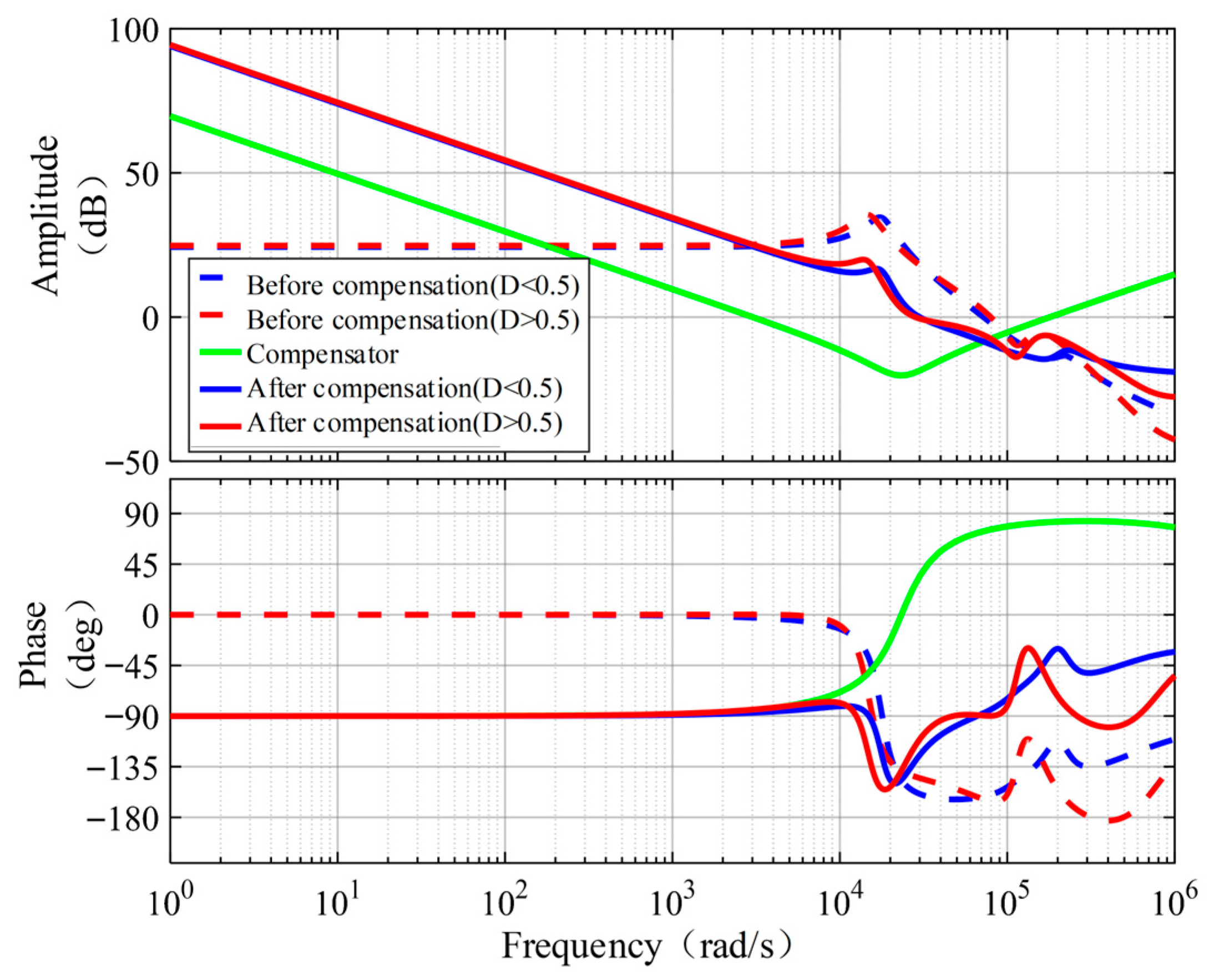
The NCG-CIIBC-AFL open-loop Bode diagram before and after compensation is shown in Figure 11. As can be seen from Figure 10, after adding compensation link correction, the phase margins of NCG-CIIBC-AFL under operating conditions with duty ratios D > 0.5 and D < 0.5 are 55.3° and 63.3°, respectively, and the cutoff frequencies are 28.1 kHz and 30.0 kHz, respectively. The low-frequency system gain is significantly improved, while the high-frequency system gain rapidly decreases, improving system stability and reducing high-frequency noise interference.
The open-loop descent control strategy is shown in Figure 12. The modulation wave voltage value V c - old at the end of the previous control cycle of the open-loop descent controller is used as the starting operating point, and the duty cycle is linearly reduced according to the set descent slope. During 100 switching cycles, the modulation voltage V c linearly decreases by 1%, that is, the duty ratios of the main MOSFETs S1 and S2 linearly decrease by 1%, and the duty ratios of the auxiliary MOSFETs Sa1 and Sa2 linearly increase by 2% (if any). The modulation wave expression in the open-loop descent control mode is
V c = 0.01 V m 100 T s + V c - old
The open-loop rise control strategy is shown in Figure 13. The operating principle of the open-loop up controller and the open-loop down controller is the same, but the modulation voltage V c changes in the opposite direction.
V c = 0.01 V m 100 T s + V c - old
The PWM output selection controller mainly has two functions. One is to select the source of the output PWM signal by receiving the voltage range signal F common / F up / F down provided by the output voltage range detection module and outputting it to the drive circuit. Another function is to save the PWM information of the last switching cycle in each control cycle as a PWM-old signal. Through the PWM-old signal, the initial modulation voltage V c - old for the next control mode can be obtained and provided to the open-loop up controller and open-loop down controller to determine the initial duty ratio of each MOSFET.
The flow chart of the open-loop–closed-loop cooperative control strategy is shown in Figure 14.
The workflow of the open-loop–closed-loop collaborative control strategy can be described in detail as follows:
(1)
Every 100 switching cycles, the voltage range determination module judges the magnitude relationship between the collected voltage V h from the voltage divider network, the upper threshold voltage V ref - up , and the lower threshold voltage V ref - down
(2)
If the collected voltage V h is between V ref - up and V ref - down , the voltage range determination module outputs a F common signal, and the system enters a voltage closed-loop linear PI control mode. The PI controller operates and outputs a PWM-PI signal.
(3)
When the collected voltage V h is outside of V ref - up and V ref - down , further compare the size relationship between V h and V ref - up , and V ref - down to determine the open loop operating mode of the system. If the collected voltage V h is less than V ref - down , the voltage range determination module outputs a F down signal, and the system enters the open loop rise control mode. The open-loop rise controller starts and outputs a PWM-UP signal. If the collected voltage V h is greater than V ref - up , the voltage range determination module outputs a F up signal, and the system enters the open loop down control mode. The open-loop down controller starts and outputs a PWM-DOWN signal.
(4)
Once the system enters a certain control mode, the system will be locked in this mode for the next 100 switching cycles. The PWM output controller selects the corresponding controller’s PWM signal output based on the voltage range judgment module’s output signal. When a control cycle ends, the PWM output controller stores the PWM output signal of the last switching cycle of the control mode as PWM-OLD, providing an initial duty cycle for the next control mode.
(5)
After the end of a control cycle, the output voltage range judgment module starts again, and the system enters a new control mode.

4. Experiment

An experimental prototype of the NCG-CIIBC-AFL converter with a maximum output power of 100 W has been built at the Power Electronics and Power Drives Laboratory, Harbin Institute of Technology, Shenzhen Campus, Guangdong Province, China. The main component parameters are shown in Table 1.
The steady-state experimental results of the NCG-CIIBC-AFL prototype operating at 20 times the voltage gain are shown in Figure 15. The duty ratio D is 0.6, the input voltage V in is 10 V, the input current I in is 11.3 A, the output voltage V o is 200 V, and the output current I o is 500 mA. The input current AC ripple Δ I in is 500 mA, with a ripple rate of 4.42%; The output voltage Δ V o has an AC ripple of 3 V, with a ripple rate of 1.5%. The main MOSFETs S1 and S2 are staggered for 180° conduction at a frequency of 100 kHz; The driving signals of the auxiliary MOSFETs Sa1 and Sa2 are always zero.
The steady-state experimental results of the NCG-CIIBC-AFL prototype operating at 6 times the voltage gain are shown in Figure 16. The duty ratio D is 0.28, the input voltage V in is 10 V, and the input current I in is intermittent, with a maximum value of about 5 A. The output voltage V o is 60 V, and the output current I o is 150 mA. The duty cycle of the driving signal of the main MOSFETs S1 and S2 is 0.28, the phase difference is 180°, and the frequency is 100 kHz; the drive signal duty ratio of the auxiliary MOSFETs Sa1 and Sa2 is 0.44, and the frequency is 200 kHz.
The startup waveform of the NCG-CIIBC-AFL prototype is shown in Figure 17 and Figure 18. Figure 17 shows the startup waveform using only traditional voltage closed-loop PI control. Due to hardware constraints, the maximum rated output current of the power supply is 20 A. At the moment of startup, the input current I in reaches the maximum power output value of 20 A, and then slowly drops to a steady-state value of 11.3 A. Figure 18 shows a waveform initiated using an open-loop–closed-loop cooperative control strategy. The output voltage V o is 200 V, and there is no overshoot. The input current I in is 11.3 A, the input current peak I in - peak is about 12.2 A, and the overshoot rate is only 7.9%.

5. Conclusions

This paper proposes a coupled inductor type interleaved boost converter with an active flexible circuit. The converter utilizes an interleaved connection, two coupled inductors, and a voltage-doubling capacitor boost link to achieve high voltage gain and low input current ripple. The active flexible circuit expands the working range of the converter and expands the application of this topology. In addition, a collaborative control strategy of open-loop flexible compensation and closed-loop linear compensation is proposed to effectively limit the input surge current. A hardware experimental platform has been built to prove the correctness of the proposed converter and control method. To compare the steady-state performance of the NCG-CIIBC, converters proposed in references [13,14,15,16,17] were selected for comparison under conditions of primary-to-secondary turn ratio N = 1 and coupling coefficient k = 0.95. Key performance metrics are summarized in Table 2, which outlines the steady-state performance indicators for each converter. Under identical duty cycles, the NCG-CIIBC consistently achieves higher voltage gain than the converters in [13,14,15,16,17,18,19], while simultaneously reducing voltage stress on switching devices. The maximum voltage stress on the diodes in the NCG-CIIBC is lower than that in the converters of [15,16,17], equivalent to that in [14], and higher than that in the converter proposed in [13]. Regarding cost, the number of diodes and capacitors used in [16,17] is lower than that of the NCG-CIIBC, while the number of major components used in [13,14,15] is higher than that of the NCG-CIIBC. Considering the above performance metrics, the NCG-CIIBC achieves higher voltage gain without increasing system cost. Reference [19] realizes soft switching (ZVS), significantly reducing switching losses, but sacrifices voltage gain, making it less suitable for high step-up applications. Reference [18], although offering higher voltage gain, suffers from increased switching stress, leading to higher losses. In contrast, the NCG-CIIBC offers a high voltage gain with balanced switching stress and minimal losses, achieving superior performance without increasing system cost.

Author Contributions

Validation, Y.G.; Formal analysis, Y.G.; Resources, C.W.; Writing—original draft, C.W.; Writing—review & editing, H.L.; Supervision, Y.G. All authors have read and agreed to the published version of the manuscript.

Funding

This research received no external funding.

Data Availability Statement

The original contributions presented in this study are included in the article. Further inquiries can be directed to the corresponding author.

Conflicts of Interest

Author Chao Wang was employed by the China Academy of Space Technology (CAST). The remaining authors declare that the research was conducted in the absence of any commercial or financial relationships that could be construed as a potential conflict of interest.

Abbreviations

The following abbreviations are used in this manuscript:
NCG-CIIBCNon-common-ground coupled inductive interleaved Boost converter
AFLActive Flexible Loop

Appendix A

The partial expressions of the NCG-CIIBC-AFL open-loop transfer function in Equations (36) and (37) are as follows:
num = 1.858 × 10 4 s 5 + 1.025 × 10 8 s 4 + 2.205 × 10 5 s 3             + 4.578 × 10 8 s 2 + 3.396 × 10 6 s + 3.011 × 10 10
den = s 6 + 1.736 × 10 5 s 5 + 6.824 × 10 7 s 4 + 5.261 × 10 5 s 3 + 6.299 × 10 6 s 2 + 4.704 × 10 7 s + 1.834 × 10 9
num = 4.082 × 10 4 s 5 + 9.235 × 10 7 s 4 + 7.116 × 10 9 s 3             + 4.817 × 10 7 s 2 + 9.263 × 10 8 s + 1.969 × 10 10
den = s 6 + 4.358 × 10 5 s 5 + 7.386 × 10 7 s 4 + 9.553 × 10 10 s 3 + 4.745 × 10 7 s 2 + 4.069 × 10 7 s + 9.102 × 10 8

References

  1. He, Y.; Emil, E.; Anders, H. Application study of distributed generation. In Proceedings of the 2010 IEEE 11th International Conference on Probabilistic Methods Applied to Power Systems, Singapore, 14–17 June 2010; pp. 1–6. [Google Scholar]
  2. Hu, X. Distributed generation (power supply) technology and its grid connection problem. J. Electr. Eng. 2004, 10, 1–5. [Google Scholar]
  3. Middlebrook, R.D. A continuous model for the tapped-inductor boost converter. In Proceedings of the 1975 IEEE Power Electronics Specialists Conference, Culver City, CA, USA, 9–11 June 1975; pp. 63–79. [Google Scholar]
  4. Omran, K.C.; Beiranvand, R. A high step-up resonant converter based on current-fed voltage multiplier technique. IEEE Trans. Ind. Electron. 2024, 71, 4562–4575. [Google Scholar] [CrossRef]
  5. Prakaivichien, P.; Lim, S.; Sawachan, H.; Wongphasuk, W.; Bilsalam, A. Synthesis of high step-up class E/push-pull resonant converter with lower-recovery current circulating. In Proceedings of the 2024 21st International Conference on Electrical Engineering/Electronics, Computer, Telecommunications and Information Technology (ECTI-CON), Khon Kaen, Thailand, 27–30 May 2024; pp. 1–6. [Google Scholar]
  6. Beiranvand, R.; Sangani, S.H. A Family of Interleaved High Step-Up DC-DC Converters by Integrating a Voltage Multiplier and an Active Clamp Circuits. IEEE Trans. Power Electron. 2022, 37, 8001–8014. [Google Scholar] [CrossRef]
  7. Sarvghadi, P.; Yazdian, A.; Shahparasti, M. A High Step-Up Transformerless DC-DC Converter with New Voltage Multiplier Cell Topology and Coupled Inductor. IEEE Trans. Ind. Electron. 2022, 69, 10162–10171. [Google Scholar] [CrossRef]
  8. Shiung, G.; Liang, T.; Lee, J.; Lin, P. Analysis and design of high step-up DC-DC converter with coupled-inductor technique. In Proceedings of the 2015 IEEE International Telecommunications Energy Conference (INTELEC), Osaka, Japan, 18–22 October 2015; pp. 1–6. [Google Scholar]
  9. Kumar, A.; Sensarma, P. Review of front-end DC-DC boost converters in two-stage micro-inverters. In Proceedings of the 2020 IEEE International Conference on Power Electronics, Drives and Energy Systems (PEDES), Jaipur, India, 16–19 December 2020; pp. 1–6. [Google Scholar]
  10. Fan, S.; Xue, Z.; Guo, Z.; Wang, Y.; Geng, L. VRSPV soft-start strategy and AICS technique for boost converters to improve the start-up performance. IEEE Trans. Power Electron. 2016, 31, 3663–3672. [Google Scholar] [CrossRef]
  11. Li, H.; Du, H.; Zeng, Y.; Su, W.; Jiang, X.; Li, Y. Active flexible start method of non-common-ground two-phase interleaved boost DC converter. Proc. CSEE 2021, 41, 7751–7763. [Google Scholar]
  12. Borovic, B.; Liu, A.Q.; Popa, D.; Cai, H.; Lewis, F.L. Open-loop versus closed-loop control of MEMS devices: Choices and issues. J. Micromech. Microeng. 2005, 15, 1917–1925. [Google Scholar] [CrossRef]
  13. Ajami, A.; Ardi, H.; Farakhor, A. A novel high step-up DC/DC converter based on integrating coupled inductor and switched-capacitor techniques for renewable energy applications. IEEE Trans. Power Electron. 2015, 30, 4255–4263. [Google Scholar] [CrossRef]
  14. Nouri, T.; Hosseini, S.; Babaei, E.; Ebrahimi, J. Interleaved high step-up DC–DC converter based on three-winding high-frequency coupled inductor and voltage multiplier cell. IET Power Electron. 2015, 8, 175–189. [Google Scholar] [CrossRef]
  15. Chen, H. An Interleaved Parallel High-Gain Boost Converter and Its Extended Study. Ph.D. Thesis, Anhui University of Technology, Hefei, China, 2019. [Google Scholar]
  16. Tseng, K.; Chen, J.; Lin, J.; Huang, C.; Yen, T. High step-up interleaved forward-flyback boost converter with three-winding coupled inductors. IEEE Trans. Power Electron. 2015, 30, 4696–4703. [Google Scholar] [CrossRef]
  17. Akhlaghi, B.; Molavi, N.; Fekri, M.; Farzanehfard, H. High step-up interleaved ZVT converter with low voltage stress and automatic current sharing. IEEE Trans. Ind. Electron. 2018, 65, 291–299. [Google Scholar] [CrossRef]
  18. Shojaeian, H.; Hasanzadeh, S.; Salehi, S.M. A Single Switch High Voltage Gain DC-DC Converter Based on Coupled Inductor and Switched-Capacitor for Renewable Energy Systems. In Proceedings of the 2021 12th Power Electronics, Drive Systems, and Technologies Conference (PEDSTC), Tabriz, Iran, 2–4 February 2021; pp. 1–6. [Google Scholar]
  19. Falahi, F.; Babaei, E.; Bagheri, S. Soft-Switched Interleaved High Step-Up Non-isolated DC-DC Converter with High Voltage Gain Ratio. In Proceedings of the 2022 13th Power Electronics, Drive Systems, and Technologies Conference (PEDSTC), Tehran, Iran, 1–3 February 2022; pp. 128–133. [Google Scholar]
Figure 1. Grid-connected diagram of a renewable energy power generation system.
Figure 1. Grid-connected diagram of a renewable energy power generation system.
Energies 18 06174 g001
Figure 2. NCG-CIIBC converter structure.
Figure 2. NCG-CIIBC converter structure.
Energies 18 06174 g002
Figure 3. NCG-CIIBC-AFL converter structure.
Figure 3. NCG-CIIBC-AFL converter structure.
Energies 18 06174 g003
Figure 4. Key waveform plot of NCG-CIIBC-AFL at D > 0.5.
Figure 4. Key waveform plot of NCG-CIIBC-AFL at D > 0.5.
Energies 18 06174 g004
Figure 5. Circuit diagram of NCG-CIIBC-AFL at D > 0.5.
Figure 5. Circuit diagram of NCG-CIIBC-AFL at D > 0.5.
Energies 18 06174 g005
Figure 6. Key waveform plot of NCG-CIIBC-AFL at D < 0.5.
Figure 6. Key waveform plot of NCG-CIIBC-AFL at D < 0.5.
Energies 18 06174 g006
Figure 7. Circuit diagram of NCG-CIIBC-AFL at D < 0.5.
Figure 7. Circuit diagram of NCG-CIIBC-AFL at D < 0.5.
Energies 18 06174 g007
Figure 8. NCG-CIIBC-AFL Voltage Gain vs. Duty Cycle Diagram at D < 0.5. (a) Gain vs. D and N Relationship Diagram (k = 0.98, T s = 1 × 10 5 s, τ a = 2 × 10 5 s); (b) Gain M D < 0.5 vs. D and k Relationship Diagram (N = 1, T s = 1 × 10 5 s, τ a = 2 × 10 5 s); (c) Gain M D < 0.5 vs. D and Ts Relationship Diagram (k = 0.98, N = 1 τ a = 2 × 10 5 s).
Figure 8. NCG-CIIBC-AFL Voltage Gain vs. Duty Cycle Diagram at D < 0.5. (a) Gain vs. D and N Relationship Diagram (k = 0.98, T s = 1 × 10 5 s, τ a = 2 × 10 5 s); (b) Gain M D < 0.5 vs. D and k Relationship Diagram (N = 1, T s = 1 × 10 5 s, τ a = 2 × 10 5 s); (c) Gain M D < 0.5 vs. D and Ts Relationship Diagram (k = 0.98, N = 1 τ a = 2 × 10 5 s).
Energies 18 06174 g008aEnergies 18 06174 g008b
Figure 9. Voltage gain curve at full duty cycle.
Figure 9. Voltage gain curve at full duty cycle.
Energies 18 06174 g009
Figure 10. Control block diagram of open-loop–closed-loop collaborative control strategy.
Figure 10. Control block diagram of open-loop–closed-loop collaborative control strategy.
Energies 18 06174 g010
Figure 11. Bode diagram of NCG-CIIBC-AFL open-loop transfer function.
Figure 11. Bode diagram of NCG-CIIBC-AFL open-loop transfer function.
Energies 18 06174 g011
Figure 12. Open-loop descending control strategy.
Figure 12. Open-loop descending control strategy.
Energies 18 06174 g012
Figure 13. Open-loop rising control strategy.
Figure 13. Open-loop rising control strategy.
Energies 18 06174 g013
Figure 14. Flow chart of open-loop–closed-loop collaborative control strategy.
Figure 14. Flow chart of open-loop–closed-loop collaborative control strategy.
Energies 18 06174 g014
Figure 15. NCG-CIIBC-AFL output voltage 200 V experimental waveform.
Figure 15. NCG-CIIBC-AFL output voltage 200 V experimental waveform.
Energies 18 06174 g015
Figure 16. NCG-CIIBC-AFL output voltage 60 V experimental waveform.
Figure 16. NCG-CIIBC-AFL output voltage 60 V experimental waveform.
Energies 18 06174 g016
Figure 17. NCG-CIIBC-AFL prototype directly starts the experimental waveform.
Figure 17. NCG-CIIBC-AFL prototype directly starts the experimental waveform.
Energies 18 06174 g017
Figure 18. NCG-CIIBC-AFL prototype application open-loop–closed-loop collaborative control start-up experimental waveform.
Figure 18. NCG-CIIBC-AFL prototype application open-loop–closed-loop collaborative control start-up experimental waveform.
Energies 18 06174 g018
Table 1. Selection of experimental parameters.
Table 1. Selection of experimental parameters.
Main ParametersValue/Selection
Input Voltage V in 10   V
Load Resistance R o 400  
Inductance L m 1 , L m 2 100   µ H
Coupling Coefficient k 1 , k 2 0.98
Auxiliary Resistor R a 1 , R a 2 5  
MOSFETs S 1 , S 2 , S a 1 , S a 2 IRFP4668PbF
Output Voltage V o 60 200   V
Voltage-doubling Capacitor C 1 , C 2 4.7   µ F
Load Capacitance C o 1 , C o 2 220   µ F
Turn Ratio N 1 , N 2 1
Switching Frequency f s 100   kHz
Diodes D 1 D 4 , D a STTH3012W
Table 2. Comparison of steady-state performance metrics for various converters.
Table 2. Comparison of steady-state performance metrics for various converters.
Topological StructureQuantity (Switching Transistor/Diode/Inductor Winding/Capacitor)Voltage GainSwitching Transistor Voltage StressMaximum Voltage Stress on the DiodeWhether to Use Coupling Inductors
NCG-CIIBC2/4/4/4 4 ( 1 + N k ) 1 D V o 4 ( 1 + N k ) V o 2 Yes
Reference [13]2/6/4/6 4 + 2 N 1 D V o 4 + 2 N N 2 + N V o Yes
Reference [14]3/5/6/4 4 + 2 N 1 D 1 + N D 4 + 2 N V o 1 + N 2 + N V o Yes
Reference [15]2/8/6/5 1 + 3 N 1 D V o 1 + 3 N N 1 + 3 N V o Yes
Reference [16]2/4/4/3 1 + 2 N 1 D V o 1 + 2 N 2 N 1 + 2 N V o No
Reference [17]2/4/3/3 2 1 D + N D V o 2 + N D ( 1 D ) 2 V o 2 + N D ( 1 D ) Yes
Reference [18]1/5/3/4 N ( D + 1 ) + 2 ( 1 D ) 2 ( N D + 1 ) V o N ( D + 1 ) + 2 ( N + 1 ) V in 2 ( 1 D ) Yes
Reference [19]2/3/4/5 8 7 D 1 D 3 ( 1 D ) V o 8 7 D 6 ( 1 D ) V o 8 7 D Yes
Disclaimer/Publisher’s Note: The statements, opinions and data contained in all publications are solely those of the individual author(s) and contributor(s) and not of MDPI and/or the editor(s). MDPI and/or the editor(s) disclaim responsibility for any injury to people or property resulting from any ideas, methods, instructions or products referred to in the content.

Share and Cite

MDPI and ACS Style

Wang, C.; Gu, Y.; Li, H. Research on Coupled Inductor Interleaved High Step-Up DC-DC Converter. Energies 2025, 18, 6174. https://doi.org/10.3390/en18236174

AMA Style

Wang C, Gu Y, Li H. Research on Coupled Inductor Interleaved High Step-Up DC-DC Converter. Energies. 2025; 18(23):6174. https://doi.org/10.3390/en18236174

Chicago/Turabian Style

Wang, Chao, Yu Gu, and Hanyang Li. 2025. "Research on Coupled Inductor Interleaved High Step-Up DC-DC Converter" Energies 18, no. 23: 6174. https://doi.org/10.3390/en18236174

APA Style

Wang, C., Gu, Y., & Li, H. (2025). Research on Coupled Inductor Interleaved High Step-Up DC-DC Converter. Energies, 18(23), 6174. https://doi.org/10.3390/en18236174

Note that from the first issue of 2016, this journal uses article numbers instead of page numbers. See further details here.

Article Metrics

Back to TopTop