Next Article in Journal
Digital Twins for Space Battery Management Systems: A Comprehensive Review of Different Approaches for Predictive Maintenance and Monitoring
Next Article in Special Issue
Numerical Simulation of Co-Firing Biomass in a 660 MW Coal-Fired Boiler
Previous Article in Journal
BLDC Motor Models for Multi-Domain Modeling of Electric Power Tools
Previous Article in Special Issue
Thermal Conductivity of Sustainable Earthen Materials Stabilized by Natural and Bio-Based Polymers: An Experimental and Statistical Analysis
 
 
Font Type:
Arial Georgia Verdana
Font Size:
Aa Aa Aa
Line Spacing:
Column Width:
Background:
Article

Gas Evolution and Stability of Alkali-Activated MSWI Slag and Fly Ash: Implications for Safe Use and Energy Valorization

by
Beata Łaźniewska-Piekarczyk
1,*,
Grzegorz Dzido
2,
Monika Czop
3 and
Małgorzata Kajda-Szcześniak
3
1
Department of Building Process and Building Physics, Faculty of Civil Engineering, Silesian University of Technology, Akademicka 5, 44-100 Gliwice, Poland
2
Department of Chemical Engineering and Process Design, Faculty of Chemistry, Silesian University of Technology, ks. M. Strzody 7, 44-100 Gliwice, Poland
3
Department of Technologies and Installations for Waste Management, Faculty of Energy and Environmental Engineering, Silesian University of Technology, Konarskiego 18, 44-100 Gliwice, Poland
*
Author to whom correspondence should be addressed.
Energies 2025, 18(21), 5857; https://doi.org/10.3390/en18215857
Submission received: 18 September 2025 / Revised: 20 October 2025 / Accepted: 28 October 2025 / Published: 6 November 2025

Abstract

This study investigates the valorization of municipal solid waste incineration (MSWI) residues—specifically bottom ash with slag (BA + S) and fly ash (FA)—through alkaline activation in geopolymer and cementitious systems. The research demonstrates that alkali activation significantly improves mechanical properties, with compressive strengths up to 45.9 MPa for cement mortars and 33.2 MPa for geopolymers. A key innovation includes the quantification of hydrogen gas release during activation, with up to 72.5 dm3/kg H2 from BA + S, offering insights into binder design and potential green hydrogen recovery. Environmental leachability assessments confirmed that activated BA + S immobilizes heavy metals effectively, although FA showed higher barium and lead leaching. Morphological analysis (SEM, granulometry) revealed microstructural changes enhancing reactivity. Additionally, a practical swelling test is proposed for early detection of expansion risk. The findings contribute to the development of sustainable, high-performance binders from waste, with implications for circular economy and energy valorization strategies.

Graphical Abstract

1. Introduction

The global expansion of municipal solid waste incineration (MSWI) has led to a significant generation of solid residues, notably bottom ash and slag (EWC 19 01 12 [1]), and fly ash (EWC 10 01 07* [1]), which together constitute approximately 25–30% of the initial mass of incinerated waste [2]. Within the framework of sustainable development and circular economy paradigms, these incineration by-products are increasingly investigated as alternative resources for construction materials, especially for the production of cementitious binders and alkali-activated materials (AAMs) [3,4].
Bottom ash and slag (EWC 19 01 12), collectively referred to as BA + S, exhibit a heterogeneous mineralogical structure characterized by substantial contents of silica, alumina, and various metal oxides [5,6,7], rendering them potentially suitable for alkaline activation. However, their utilization is hindered by the presence of reactive components such as metallic aluminum, unburnt carbon, sulfates, and chlorides, which can adversely influence hydration reactions, setting times, gas evolution, and long-term durability of the resulting binders [7,8,9]. Similarly, FA from flue gas treatment processes demonstrates high solubility of heavy metals, elevated alkalinity, and significant leachability of salts, raising environmental concerns during its reuse [10,11,12]. A detailed physicochemical characterization of these residues is provided in Table 1 for BA + S and in Table 2 for FA, respectively, establishing the baseline parameters necessary for their performance evaluation.
Despite a growing body of research on the alkali activation of industrial by-products [13,14,15], few studies have systematically addressed the specific challenges related to MSWI-derived wastes, particularly with regard to standardizing pre-treatment methods and mitigating unwanted side effects such as hydrogen gas release. The latter has been shown to stem from the reaction of metallic aluminum with sodium hydroxide, leading to significant gas evolution, internal expansion, and the formation of microcracks in hardened mortars [16,17,18]. This phenomenon poses not only durability issues but also safety risks during mixing and casting stages [19,20]. Yet, its quantitative characterization in the context of BA + S-based AAM systems remains limited.
To overcome these challenges, this study aims to (i) establish effective activation strategies that mitigate instability associated with reactive waste components, and (ii) quantify the influence of process variables on gas release, microstructural development, mechanical performance, and environmental safety of the resulting binders. The experimental setup used to prepare, activate, and test the materials is schematically presented in Figure 1 and Figure 2. These figures illustrate the sequence of operations, including grinding, mixing, thermal treatment, and curing, enabling replication and standardization. Furthermore, the comparative baseline characteristics documented in Table 1 and Table 2 form a critical reference for evaluating changes resulting from chemical activation and binder formation.
The originality of this research lies in the integrated approach combining chemical, morphological, and environmental diagnostics with practical performance metrics. This study provides novel insights into the relationships between precursor composition, hydrogen evolution, leaching behavior, and mechanical stability, contributing to the development of safer, high-performance binders from MSWI-derived solid residues.

2. Materials and Methods

2.1. Materials and Characterization

This section presents the materials used in the study and their fundamental properties. The main waste-derived constituents—bottom ash and slag (BA + S) and fly ash (FA)—were supplemented by ordinary Portland cement (OPC) and metakaolin (MK), serving as primary and secondary binder components depending on the mix design.
Mortar composition and characteristic of materials are presented in Table 3, Table 4, Table 5, Table 6, Table 7, Table 8 and Table 9. Table 3 summarizes the cement-based mix using BA + S, while Table 4 details the analogous formulation incorporating FA. Geopolymer mortars were composed of either BA + S or FA in combination with metakaolin (Table 9) and activated with a binary alkali solution composed of sodium hydroxide and sodium silicate (Table 7 and Table 8). All mortars were prepared using a binder mas of 225 g, standard quartz sand (1350 g), and water-to-binder ratios of 0.50 for cementitious systems and 0.33 for geopolymers.
The OPC (CEM I 42.5 R) was used both as a reference material and as a hybrid component in cementitious blends. As shown in Table 5, its compressive strength after 2 and 28 days was 29.9 MPa and 56.6 MPa, respectively—exceeding the requirements of EN 197-1 [21]. Its chemical composition (Table 6) revealed low levels of loss on ignition (2.98%), sulfates (3.22%), and chloride ions (0.05%), confirming material conformity.
Metakaolin (MK) was used to enhance the Si/Al molar ratio and promote geopolymerization kinetics. The MK used in this study had a high specific surface area (20,000 cm2/g), high water demand (113%), and a SiO2/Al2O3 ratio within the ideal range for geopolymerization, as presented in Table 9. These properties are in agreement with the work of Provis et al. [17] and Duxson et al. [18,19] meet the criteria established for reactive aluminosilicate precursors. All mixes were prepared using a binder-to-sand ratio of 1:3, with water-to-binder (w/b) ratios ranging from 0.33 to 0.50, selected based on prior optimization studies for alkali-activated and blended cement systems.

2.2. Methods

This section describes the procedures employed to assess the chemical reactivity, dimensional stability, and mechanical performance of alkali-activated materials derived from municipal solid waste incineration (MSWI) residues. A key objective was to ensure reproducibility of the experimental workflow and to mitigate undesired gas evolution phenomena resulting from the presence of metallic aluminum and zinc [15,16,17].
The fly ash (FA) used in this study was collected from the gas treatment system of the same MSWI facility. After sieving to remove coarse fractions, it was used as received. FA displayed favorable oxide composition (primarily SiO2 and Al2O3) and particle fineness conducive to geopolymerization, in line with findings by athors [12,14]. The raw waste materials, namely bottom ash with slag (BA + S) and fly ash (FA), were first pre-treated to improve homogeneity and reactivity. Both materials were mechanically ground in a planetary ball mill equipped with steel balls for two hours (Figure 3a,b). The resulting fine powders (Figure 3c) exhibited increased specific surface area and uniform particle distribution, thereby enhancing their suitability for alkali activation, as previously recommended by Pera et al. [6].
The alkaline activator was formulated from 6.9 M NaOH and commercial sodium silicate solution (47% solids), producing an H2O/Na2O molar ratio of 3.62. This composition was consistent with best practices for geopolymer synthesis [21]. Mixing of the components was conducted immediately prior to casting in order to prevent premature gelling and atmospheric carbonation, particularly in FA-based systems [22,23]. During mixing, noticeable hydrogen gas evolution was observed in both BA + S and FA systems due to the reaction of residual metallic aluminum with hydroxide ions, as illustrated in Figure 4a. This was accompanied by a sharp exothermic temperature rise to 40–60 °C (Figure 4b), confirming the presence of highly reactive phases and influencing the early-age setting kinetics [24,25].
A sealed stainless-steel reactor (Ø 50 mm, 250 mL) (Poland, Gliwice) equipped with a PTFE valve and a manometric sensor (±0.1 kPa) was used to measure gas pressure. The system was calibrated using high-purity N2 and H2, corrected for temperature and barometric pressure (101.3 ± 0.3 kPa). Gas volumes were normalized to STP (0 °C, 101.3 kPa) and reported as L H2/kg dry waste. The combined measurement uncertainty was ±4.2%. Gas composition was verified by gas chromatography (Shimadzu GC-2014 Poland, Gliwice, TCD detector, Molsieve 5A column), confirming > 99.5% H2 with trace N2 and no CH4 or CO2.
Fresh pastes were cast into standardized 40 × 40 × 160 mm3 prismatic molds, sealed with foil to minimize moisture loss, and subjected to three distinct curing profiles:
  • OS_1: ambient temperature (25 °C),
  • OS_2: thermal curing at 60 °C for 24 h,
  • OS_3: thermal curing at 80 °C for 24 h.
The evolution of hydrogen gas upon alkaline activation (Figure 4a) confirmed the presence of metallic Al, which reacts vigorously with NaOH according to the well-documented mechanism [26,27,28]. Moreover, the temperature increase observed during activation (Figure 4b) confirmed the exothermic nature of the reaction, particularly pronounced in BA + S samples, as also discussed by authors [25].
These curing regimes were selected based on recommendations for optimizing geopolymerization and mechanical development of AAMs [26,27]. After demolding at 24 h, specimens were stored in a controlled environment chamber (20 ± 2 °C, 65% relative humidity) until further testing.
Flexural and compressive strengths were determined following PN-EN 197-1 [29] on prismatic specimens (40 × 40 × 160 mm3) at 28 days. Three prisms were tested per age, and the average values were reported. All specimens were cured in water at 20 ± 2 °C until testing.
X-ray diffraction (XRD) analysis was performed on both raw and alkali-activated residues to identify phase assemblages and confirm mineral transformations induced by alkaline activation. The concentrations of heavy metals (Pb, Cd, Cr, Ni, Cu, Zn, As, and Hg) were determined by inductively coupled plasma optical emission spectrometry (ICP–OES) in accordance with PN-EN ISO 11885:2009 [30], while mercury was analyzed using cold-vapor atomic absorption spectrometry (CV–AAS) following PN-EN ISO 12846:2012 [31].
Leaching tests were carried out according to PN-EN 12457-4:2006 [32], applying a liquid-to-solid ratio (L/S) of 10 L/kg and distilled water as the leachant. After 24 h of continuous agitation, eluates were filtered through 0.45 µm membrane filters. The pH and electrical conductivity of the leachates were determined following PN-EN ISO 10523:2012 [33]. Chlorides, sulfates, and phosphates were quantified by classical spectrophotometric or gravimetric methods, in accordance with PN-ISO 9297:1994 [28], PN-ISO 9280:2002 [34], and PN-EN ISO 6878:2006 [35], respectively.

3. Results

3.1. Physicochemical and Environmental Characterization of Untreated MSWI Derived Wastes

A detailed physicochemical assessment of the raw MSWI residues, i.e., fly ash (FA) and bottom ash with slag (BA + S), was undertaken to determine their baseline composition, leachability profiles, and potential environmental risks before any alkali treatment.
As shown in Table 10, FA exhibited extremely high chloride content, with concentrations of 133,632 mg/kg and 105,293 mg/kg under two different operational scenarios (OS_1 and OS_2). These values exceed the regulatory limit for hazardous waste landfilling (25,000 mg/kg) by more than a factor of five, rendering the material unsuitable for uncontrolled disposal. Additionally, the barium content was also significantly above permissible levels (7529 and 5493 mg/kg compared to the limit of 300 mg/kg), further confirming its hazardous classification. Other elements, including zinc, copper, lead, cadmium, chromium, and nickel, remained within acceptable levels, while several parameters were below the quantification threshold (bo), suggesting partial immobilization of trace metals. Table 11 further confirms the classification of FA as hazardous based on its elevated loss on ignition (LOI = 15.40%) and total organic carbon (TOC = 8.15%), which exceeded the limit values (10% and 6%, respectively). However, the relatively high acid neutralization capacity (ANC = 7666.5 mg CaCO3/kg) indicates that FA could buffer acidic environments, a factor that may become relevant in geopolymer.
In contrast, the environmental behavior of BA + S is more favorable. The leaching results presented in Table 12 show that chloride and sulfate concentrations (780 mg/kg and 1157 mg/kg, respectively) are well within limits for inert or non-hazardous classification. Both total organic and inorganic carbon (TOC and TIC) were below quantification thresholds (blq), indicating a low presence of reactive organic or carbonaceous species. The total dissolved solids (TDS) did not exceed 1937 mg/kg, remaining far below the 4000 mg/kg limit for inert classification.
Heavy metal leachability from BA + S, shown in Table 13, was also negligible. Most elements, including barium, lead, cadmium, zinc, and copper, were either below detection limits or well within regulatory thresholds for inert or non-hazardous waste. These results support the hypothesis that BA + S could be directly valorized in construction materials under controlled conditions, unlike FA, which would require pre-treatment or stabilization.

3.2. Hydrogen Evolution and Alkaline Reactivity Under Thermal Activation

The presence of metallic Al and Zn in FA introduces a process of hydrogen gas generation when in contact with alkaline activator. This phenomenon was systematically investigated under varying temperatures to quantify the impact on safety, porosity, and binder performance.
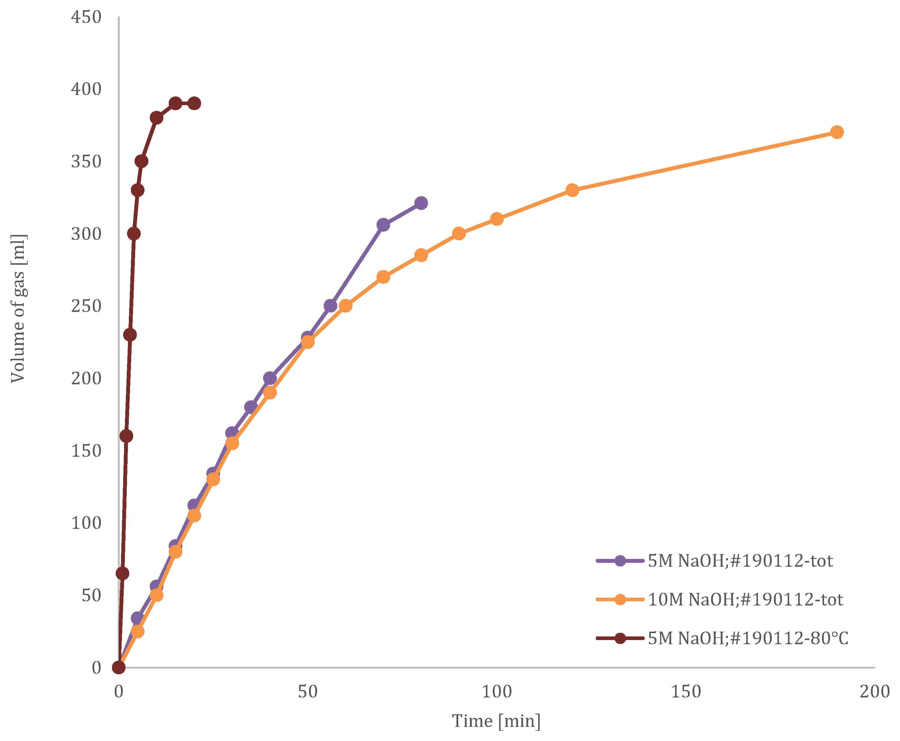
Each measurement of volume of gas was repeated three times (n = 3); mean ± SD values and error bars were reported in Figure 5 and Figure 6 and Table 14 and Table 15. Figure 5 and Figure 6 illustrate the evolution of hydrogen gas from BA + S and FA during alkaline activation at 20 °C and 80 °C. The gas evolution tests were performed in triplicate (n = 3) for each mixture, and the obtained results showed a very low standard deviation (≤3%). Due to the small variation between replicates, the mean values are presented in Figure 5 and Figure 6 without error bars for clarity, while the corresponding standard deviations are reported in Table 14.
This confirms the reproducibility of the gas measurement method and the stability of the activation process. In both materials, hydrogen generation was significantly enhanced under thermal activation, with BA + S releasing visibly more gas than FA. This observation aligns with the reaction mechanism:
2Al + 6H2O + 2OH → 2[Al(OH)4] + 3H2
As presented in Table 14, the literature reports a hydrogen yield of up to 75 dm3/kg from BA + S at 20 °C using 10 M NaOH. In this study, comparable results were achieved using a lower concentration (5 M NaOH) but at elevated temperature (80 °C), confirming that temperature can partially offset alkali strength. The FA yielded only 17.8 dm3/kg under the same conditions, consistent with its lower aluminum content. Table 14 consolidates data the literature and experimental data, showing that BA + S demonstrates significantly higher reactivity and gas evolution potential than FA under all tested conditions.

3.3. Morphological and Granulometric Transformations Due to Alkali Activation

Scanning electron microscopy (SEM) and particle size distribution (PSD) analyses were performed to monitor microstructural evolution and agglomeration phenomena before and after alkaline activation.
In addition to morphological and granulometric observations, X-ray diffraction (XRD) analysis was performed for both raw and alkali-activated residues (BA + S and FA).
The diffraction patterns (corresponding to the materials presented in Figure 7, Figure 8, Figure 9, Figure 10, Figure 11, Figure 12 and Figure 13 revealed a clear reduction in metallic Al0 peaks and the formation of crystalline phases such as CaAl2Si2O8 and hydrogarnet after activation.
These transformations confirm the partial oxidation and dissolution of metallic aluminum during alkaline treatment, which directly contributes to improved chemical stability and reduced gas reactivity of the residues.
Fourier-transform infrared spectroscopy (FTIR) further supported these findings, showing a characteristic shift in the main Si–O–T stretching band from approximately 975 cm−1 to 995 cm−1 after activation. This shift indicates increased polymerization and network condensation within the aluminosilicate framework, typical for alkali-activated binders [40,41,42,43,44,45,46].
The initial PSD of FA, shown in Figure 7, demonstrates a narrow distribution of fine particles. Figure 9 and Figure 10 reveal that untreated FA exhibits angular, glassy morphologies, whereas alkaline treatment produces rounded, porous agglomerates, indicating partial dissolution and gel formation. BA + S underwent a similar transformation (Figure 10 and Figure 11), with smoothened surfaces and increased pore connectivity, characteristic of activated aluminosilicate networks.
Quantitative granulometric results for BA + S are provided in Figure 12 and Figure 13, showing a dramatic increase in median particle size (from 4.05 µm to 30.3 µm) and a decrease in specific surface area (from 14,800 cm2/g to 1983 cm2/g). These changes suggest gel formation, aggregation, and porosity increase, potentially due to hydrogen entrapment and swelling.
The structural changes identified by XRD and FTIR analyses are fully consistent with the microstructural evolution observed in Figure 8, Figure 9, Figure 10 and Figure 11. The SEM images clearly demonstrate that the surfaces of alkali-activated FA and BA + S particles become smoother and more compact compared to their raw, irregular morphologies [47]. This densification is associated with the progressive dissolution of amorphous aluminosilicate phases and the subsequent precipitation of secondary gels—primarily N–A–S–H and C–A–S–H structures—which fill interparticle voids and reduce surface roughness. Moreover, the disappearance of sharp crystalline edges and the formation of continuous gel coatings visible in Figure 9, Figure 10 and Figure 11 indicate an advanced degree of geopolymerization and improved particle cohesion [40,41,42,48,49,50,51,52].
Complementary granulometric data (Figure 12 and Figure 13) further confirm the tendency of fine particles to agglomerate after activation, as evidenced by an increase in median particle size and a reduction in specific surface area.
This phenomenon results from both gel formation and the encapsulation of residual pores by reaction products, which collectively contribute to enhanced mechanical integrity and reduced permeability of the activated matrices.
X-ray diffraction (XRD) analysis was performed on both raw and alkali-activated residues to confirm the phase transformations induced by alkaline activation (Figure 14 and Figure 15).
The raw FA sample exhibited dominant amorphous background with minor crystalline peaks of quartz (SiO2, 2θ ≈ 26.6°), mullite (3Al2O3·2SiO2, 2θ ≈ 16.4°, 40.8°), and hematite (Fe2O3, 2θ ≈ 33.2°).
After alkaline activation, the intensity of mullite reflections decreased, while broad diffuse peaks between 25–35° appeared, indicating the formation of an amorphous aluminosilicate gel (N–A–S–H).
Similarly, the raw BA + S mixture showed crystalline phases of quartz, gehlenite (Ca2Al2SiO7), and metallic aluminum (Al0, 2θ ≈ 38.4°).
Upon activation, the metallic Al0 peaks nearly disappeared, confirming oxidation and reaction with hydroxide ions, and new reflections corresponding to hydrogarnet (Ca3Al2(SiO4)3−x(OH)4x, 2θ ≈ 31.5°) and anorthite (CaAl2Si2O8, 2θ ≈ 27.9°) emerged.
These transformations demonstrate the conversion of the reactive aluminosilicate and metallic phases into a stable, partially amorphous matrix typical for alkali-activated materials.

3.4. Mechanical Performance of Mortars with Activated and Non-Activated MSWI Wastes

The influence of alkaline activation on mechanical properties was assessed through compressive and flexural strength testing at 28 days, with results summarized in Table 15 and Table 16 and visualized in Figure 16.
For BA + S-based mortars, activation significantly improved compressive strength from 13.5 MPa (non-activated) to 45.9 MPa (activated) in cementitious matrices, and from 17.6 MPa to 33.2 MPa in geopolymer systems. Flexural strength improved from 1.2 MPa to 4.4 MPa in cement systems and from 3.3 MPa to 5.2 MPa in geopolymer matrices.
FA-based mortars also benefited from activation, with compressive strength increasing from 36.8 MPa to 53.1 MPa in cement systems, and from 12.5 MPa to 19.8 MPa in geopolymers. These findings support the technical viability of using both waste streams in sustainable binder systems, especially when properly activated.
The degassing process of FA or finely ground BA can also be purposefully applied in the development of other construction materials, particularly lightweight or thermal-insulating composites, where controlled gas release and pore formation are beneficial for improving thermal performance and reducing bulk density [49] (see Figure 16). However, the concentrations of metallic aluminium (≈0.3–2.0 wt% in BA+S) and zinc (≈0.2–1.0 wt% in BA+S; ≈1–4 wt% in FA) are highly variable across MSWI facilities, which underpins the observed scatter in hydrogen evolution and leaching behaviour [44,45,46].

3.5. Leachability of Hardened Mortars and Environmental Safety of Final Products

Leaching tests were conducted to environmental risks of hardened mortars. Table 17 shows that both FA and BA + S mortars, after alkaline activation, release only small quantities of chloride and sulfate, remaining well below permissible limits. Notably, DOC levels were below detection limits in BA + S mortars, confirming effective stabilization of organic compounds.
It is interesting that pH evolution during the curing process was monitored for 28 days to evaluate the chemical stability of the activated mortars. The pH values gradually decreased from 13.1 at day 1 to 11.4 after 28 days and then stabilized, indicating the progressive neutralization of the pore solution and the completion of early-stage alkaline reactions [46,53,54]. The gradual decrease in pH from 13.1 to 11.4 over 28 days (Figure 17) can be attributed to the progressive consumption of free alkalis (Na+, K+, OH) during the geopolymerization and hydration reactions. This stabilization is consistent with the reduction in reactive hydroxide species and the formation of stable C–A–S–H/N–A–S–H gels, which immobilize free alkalis within the binder matrix. As the amorphous aluminosilicate phases of FA and BA + S dissolve, aluminum, and silicon species are incorporated into newly formed C–A–S–H and N–A–S–H gels, which consume hydroxide ions and reduce the alkalinity of the pore solution. In parallel, carbonation from atmospheric CO2 and the partial neutralization of soluble metal hydroxides further contribute to pH stabilization.
As pH decreases toward the 10–11 range, these ions are progressively incorporated into the aluminosilicate network or precipitate as sparingly soluble hydroxides (e.g., Pb(OH)2, Zn(OH)2, Cr(OH)3). As was shown in Figure 18, At very high alkalinity (pH > 13), some metals remain as soluble hydroxide complexes, whereas in the moderately alkaline range (pH ≈ 10–11.5) their solubility sharply decreases due to precipitation of sparingly soluble hydroxides and incorporation into the C–A–S–H/N–A–S–H gel network. This zone corresponds to the optimal immobilization region, where gel densification and pore refinement effectively limit leaching [46,53,54]. Table 18 confirms that heavy metal leachability in BA + S mortars remained below detection or within acceptable limits. For FA-based mortars, lead (Pb = 4.2 mg/dm3) and copper (Cu = 0.52 mg/dm3) slightly exceeded thresholds (0.5 mg/dm3), indicating a need for improved encapsulation or pre-treatment.
Simultaneously, the densification of the gel structure limits ion diffusion pathways, enhancing chemical encapsulation and reducing leachability. Therefore, the observed pH evolution not only reflects ongoing gel formation but also directly correlates with improved chemical stability and effective heavy-metal immobilization within the activated matrix. Although Lee et al. [43] proposed the use of MSWI fly ash as a functional foaming agent in slag-based geopolymers, the results of this study clearly indicate that BA + S and FA residues are unsuitable for such applications. The uncontrolled and vigorous hydrogen evolution (up to 72.5 L H2/kg) causes irregular pore formation, internal cracking, and structural instability, while partial exceedance of Pb and Cu leachability limits further restricts their safe use in foamed or lightweight alkali-activated systems. Therefore, controlled degassing and pre-stabilization of reactive metals are essential before any attempt to utilize these residues in porous geopolymer composites.

4. Discussion

4.1. Mechanical Performance and Durability Implications

The mechanical behavior of mortars containing alkali-activated MSWI residues demonstrates a strong dependency on both precursor type and activation protocol [53]. As shown in Table 16 and Table 17, the incorporation of activated BA + S and FA significantly enhanced compressive and flexural strengths compared to non-activated counterparts. These improvements are attributable to both increased binder reactivity and optimized microstructural development following thermal curing [54,55].
In the case of BA + S-based mortars, compressive strengths of up to 45.9 MPa (cementitious) and 33.2 MPa (geopolymer) were achieved, compared to 13.5 MPa and 17.6 MPa in the respective untreated systems. The elevated strength of activated samples is consistent with the formation of aluminosilicate gels, reduced porosity, and improved binder–particle interaction due to dissolution-enhanced reactivity [56,57].
For FA-based mortars, compressive strengths reached 53.1 MPa (cement) and 19.8 MPa (geopolymer) post-activation, confirming the efficacy of moderate-temperature treatment even in systems with high soluble-salt content. Notably, these performance levels compare favorably to conventional blended cements and exceed minimum requirements for structural mortars in several construction applications [58,59,60].
Despite these gains, dimensional stability remains a concern. Gas generation within the matrix can introduce voids, microcracks, and anisotropy. The thermal curing regime applied (60–80 °C for 24 h) was instrumental in mitigating these risks by accelerating setting and promoting early gel formation. SEM observations (Figure 9, Figure 10 and Figure 11) indicate denser and more continuous gel networks in thermally cured systems, while granulometric analysis (Figure 12 and Figure 13) confirmed reduced fines post-reaction, further supporting enhanced durability [61,62,63].
These findings align with studies on aluminum-induced expansion in alkali systems [7,8,41,42,64,65], which emphasize the importance of pre-treatment or thermal management for high-aluminum precursors. The positive correlation between hydrogen release and mechanical performance, paradoxically, may be due to the enhanced dissolution of reactive species during vigorous degassing, provided that porosity is subsequently minimized through controlled curing.
To further assist researchers and engineers, Table 19 presents a consolidated overview of hydrogen evolution data, activation conditions, and mechanical outcomes from both this study and comparable literature.

4.2. Enhancement of Mechanical Properties Following Alkaline Activation

The mechanical performance of the investigated mortars underwent a notable transformation following alkaline activation, with both BA + S and FA systems exhibiting significant improvements in compressive and flexural strengths. This enhancement is particularly relevant in the context of valorizing MSWI-derived residues in structural applications regarding material durability and performance [66,67,68,69,70,71,72].
As shown in Table 16, cement mortars incorporating alkali-activated BA + S achieved an average compressive strength of 45.9 MPa, a more than threefold increase compared to the non-activated variant (13.5 MPa). A similarly marked increase was observed in geopolymer mortars, where compressive strength rose from 17.6 MPa (non-activated) to 33.2 MPa (activated). Flexural strength values followed analogous trends, improving from 1.2 MPa to 4.4 MPa in cement mortars, and from 3.3 MPa to 5.2 MPa in geopolymer systems [57,58,59,60,68].
In the case of FA-based systems, activation resulted in compressive strength improvements from 36.8 MPa to 53.1 MPa in cement mortars, and from 12.5 MPa to 19.8 MPa in geopolymer mortars, as shown in Table 17. Flexural strength values similarly improved across both systems [58,60,68,69]. These strength gains can be attributed to several synergistic mechanisms:
  • Enhanced chemical reactivity of precursors: Alkaline activation initiates the dissolution of reactive silica and alumina phases, promoting the formation of a three-dimensional aluminosilicate network. This process is particularly efficient in metakaolin-rich systems but also occurs in processed BA + S and FA, as suggested by SEM and XRD analyses in related studies [43,61,67,69].
  • Matrix densification: The generation of N–A–S–H (sodium aluminosilicate hydrate) and C–A–S–H (calcium aluminosilicate hydrate) gels during geopolymerization leads to a denser binder matrix with improved interparticle bonding. The reduction in capillary pores and crack-bridging by secondary gel phases has been confirmed in previous studies [68,70], and indirectly supported here by the SEM observations (Figure 9, Figure 10 and Figure 11).
  • Water consumption during geopolymerization: The alkali-activated systems demonstrated lower free water content due to chemical binding within the gel structures, thus reducing porosity and enhancing the mechanical strength of hardened mortars. This is further corroborated by lower water/binder ratios in geopolymer formulations (Table 7 and Table 8), which improved the mechanical compactness and load-bearing capacity [43,61,68,69].
Overall, the data demonstrate that the proper activation and curing of MSWI-derived residues yield binder systems that are not only environmentally stabilized but also mechanically robust [48,49,61,72]. These results validate the potential for large-scale reuse of such waste streams in structural materials, provided that appropriate pre-treatment and mix design strategies. Table 20 highlights the mechanical improvements post-activation for quick reference.

4.3. Leachability and Environmental Performance of Hardened Mortars

One of the pivotal objectives of this study was to assess the long-term environmental safety of mortars produced from alkali-activated MSWI residues. Specifically, the leaching behavior of both macro-constituents (e.g., chloride, sulfate, and dissolved organic carbon) and trace heavy metals was systematically evaluated to determine compliance with relevant regulatory standards for construction materials.
The results presented in Table 17 and Table 18 confirm that mortars containing alkali-activated BA + S and FA exhibit satisfactory immobilization of most leachable species. In both systems, chloride (Cl) and sulfate (SO42−) concentrations remained significantly below the maximum admissible values stipulated by EU Directive 2003/33/EC [43], with chloride levels at 360.00 mg/dm3 (BA + S) and 138.24 mg/dm3 (FA), versus the threshold of 10,000 mg/dm3. Sulfate levels were even lower—47.15 mg/dm3 (BA+S) and 353.80 mg/dm3 (FA)—remaining under the regulatory limit of 500 mg/dm3.
Despite this overall favorable behavior, leachate pH in both mortar systems was found to be elevated (10.7–11.0), slightly exceeding the environmentally preferred range of 6.0–9.0. This alkalinity, though, is characteristic of alkali-activated systems and contributes to the enhanced stabilization of heavy metals, as higher pH conditions suppress the solubility of several hazardous species, particularly lead, zinc, and chromium, by promoting precipitation into hydroxide and carbonate forms [40,61,71].
The metal content of leachates, detailed in Table 21, provides a more nuanced perspective. For mortars based on BA + S, most trace elements (e.g., Ba, Zn, Cr, Ni, Cu, Cd) were below quantification limits (bo) or significantly under regulatory thresholds. This indicates that alkali activation successfully immobilized potentially hazardous elements, likely through both physical encapsulation and chemical stabilization mechanisms such as ion exchange and binding within C–A–S–H/N–A–S–H gels, as previously reported by Provis and Bernal [54] and Kovalchuk et al. [61].
However, in mortars incorporating FA, lead (Pb) and copper (Cu) leachability slightly exceeded acceptable values. Pb was detected at 4.2 mg/dm3, above the regulatory limit of 0.5 mg/dm3, and Cu at 0.52 mg/dm3, marginally surpassing the threshold. This behavior can be attributed to the higher initial solubility and mobility of these metals in FA (Table 21), and possibly to the lower capacity of the geopolymer matrix to retain them under high pH leaching conditions. Literature reports suggest that FA-derived mortars are more sensitive to pH-induced desorption of cationic species, especially in the absence of calcium-rich secondary gels [61,64].
These findings underline the necessity of additional stabilization strategies for FA-containing mortars, including:
  • Pre-washing or acid neutralization of FA before activation to reduce soluble metal content [64,72].
  • Incorporation of calcium silicate hydrates (C–S–H) to enhance Pb and Cu immobilization [61,71].
  • Optimization of pH buffering capacity through additives such as zeolites or carbonates [61,65].
In contrast, the superior performance of BA + S-based systems indicates a more inert and geochemically stable character, aligning with their low initial leachability (Table 22) and confirming their suitability for use in non-structural and structural materials, from an environmental compliance perspective [40,72].
Overall, the leachability analysis conducted in this study not only supports the technical feasibility of utilizing alkali-activated MSWI residues in mortar formulations but also provides a robust dataset addressing the regulatory and environmental concerns. The results highlight that proper material selection, activation protocols, and post-processing treatments are essential to ensure both mechanical integrity and environmental safety in large-scale applications [40,61,65,72].

4.4. Implications for Sustainable Valorization and Practical Applications

The valorization of MSWI-derived residues through alkali activation presents significant potential for sustainable construction applications, particularly in the context of circular economy principles and resource efficiency [65,72]. The findings of this study, combined with critical environmental and performance assessments, offer a valuable framework for the integration of BA + S and FA into binder systems [40,61,72].
From a materials performance perspective, the consistent improvement in mechanical properties observed across all tested systems (Table 16 and Table 17) indicates that alkali activation transforms otherwise low-value and hazardous waste into mechanically competent materials. Specifically, the compressive strengths obtained for BA + S-based mortars (up to 45.9 MPa) and FA-based mortars (up to 53.1 MPa) meet or exceed standard requirements for non-structural and even certain structural applications, especially in prefabricated elements or secondary concretes [61,65,72].
These results align with the outcomes of previous studies utilizing various industrial by-products [72], but offer a distinctive advantage due to the high-volume incorporation of incineration residues, thereby increasing waste diversion from landfills and reducing reliance on virgin raw materials such as OPC and metakaolin. This dual function—as a binder precursor and a waste management solution—reinforces the holistic sustainability of the proposed approach [65,72].
In terms of environmental performance, the study demonstrates that the controlled activation of MSWI wastes, particularly BA + S, can achieve leachability parameters compliant with European legislation (Table 18), if formulation strategies consider the waste’s chemical reactivity and residual metal content [51,63,69]. The high pH levels (>10.5) observed in leachates, though exceeding neutral values, support heavy metal immobilization.
Moreover, the outcomes provide a response to concerns regarding hydrogen gas evolution—a previously underreported barrier to the industrial use of AAMs incorporating MSWI residues. Quantitative data (Figure 5 and Figure 6, Table 14 and Table 15) clearly show that gas release can be mitigated through optimized curing and formulation, without compromising performance. These findings suggest that thermal activation at moderate NaOH concentrations (e.g., 5 M at 80 °C) offers a balanced approach for minimizing risks while maximizing reactivity, as also indicated in the recent literature [61,65,72].
The potential implications for industrial adoption are substantial. The results suggest that:
  • BA + S can be safely integrated into both OPC and geopolymer binders, with minimal pre-treatment [61,65,72].
  • FA requires additional stabilization due to higher initial contamination and mobility of certain heavy metals [46,63,65].
  • Hybrid systems, incorporating OPC with alkali-activated residues, can exploit synergistic effects, achieving both high mechanical strength and environmental compliance [61,65,72].
The novelty of this work lies in the combination of detailed leaching data, mechanistic interpretation of gas evolution, and optimization of curing strategies, providing a comprehensive roadmap for utilizing problematic waste in value-added construction materials [61,65,72]. The study moves beyond the conventional laboratory-scale testing and proposes technologically relevant insights for scaling up alkali-activated MSWI residue utilization, particularly in regions where incineration waste disposal remains an unresolved issue [40,65,72].
Finally, this discussion confirms that the careful engineering of alkali-activated systems can overcome the limitations posed by waste-derived materials, meeting both technical requirements and regulatory expectations. Future work should focus on life-cycle assessment (LCA), durability under aggressive environmental conditions, and standardization of activation procedures, as already initiated by recent European initiatives and technical guidelines [65,72].
Authors propose a qualitative assessment matrix in Table 22 to assess risk levels related to volumetric instability.

4.5. Integration with Circular Economy and Energy Recovery

In addition to their demonstrated viability in binder systems, MSWI-derived residues—particularly BA + S—offer promising potential for integration within broader circular economy frameworks, especially through their capacity for concurrent material and energy recovery [65,72].
The controlled evolution of hydrogen gas during alkaline activation, as documented in this study, introduces an underexplored dimension of waste-to-energy valorization [40,41,65].
As shown in Table 23, up to 70,0 dm3 of hydrogen gas per kilogram of BA + S can be generated under optimized conditions (5 M NaOH, 80 °C), approaching the values reported for more aggressive activator systems in previous studies [40,41,65].
This gas, primarily released through the reaction between residual metallic aluminum and hydroxide ions (Reaction 1), constitutes a clean and high-energy-value by-product whose controlled capture and utilization could further enhance the environmental and economic performance of alkali-activated materials [65,72].
These findings suggest that the hydrogen generation phenomenon, previously regarded as a processing limitation, can be reframed as a potential co-benefit—supporting the transition toward carbon-neutral and energy-efficient construction materials.
  • The values reported in this study are comparable to those from literature, despite using lower activator molarity (5 M vs. 10 M), due to the increased activation temperature (80 °C).
  • The reaction responsible for H2 generation proceeds according to the mechanism (1).
2Al + 6H2O + 2OH → 2[Al(OH)4] + 3H2
The energy content of hydrogen (~120 MJ/kg) implies that even modest recovery rates could contribute meaningfully to decentralized energy generation, particularly in urban areas, where MSWI residues are abundant [41,65,68,72]. Integration with fuel cells, micro-combustion units, or low-pressure hydrogen storage systems is feasible in theory, although currently constrained by technological and regulatory challenges [68].
A simplified energy balance was performed for the activation at 80 °C for 24 h. The heating energy input was estimated as 1.2 MJ/kg, while the lower heating value (LHV) of the recovered hydrogen reached 6.52 MJ/kg (72.5 L H2 × 0.0899 MJ/dm3). The resulting energy ratio (output/input) was ≈5.4, indicating theoretical feasibility but low practical efficiency when containment and purification losses are considered. NaOH (6.9 M) consumption was ≈27 kg per ton of waste (≈38 EUR/t), while heating costs (80 °C, 24 h) were ≈10 EUR/t, confirming that NaOH dominates (~80%) total processing costs. Thus, gas recovery is energetically feasible but economically marginal under current conditions [48,63,68,72].
To operationalize this valorization pathway, several critical engineering considerations must be addressed::
  • Sealed alkaline activation chambers capable of maintaining pressure and preventing gas leakage [42,68,72].
  • Purification units, such as alkaline or catalytic scrubbers, to remove trace contaminants (e.g., siloxanes, ammonia) [68,72].
  • Real-time pressure control and safety systems, to avoid overpressurization and ensure consistent hydrogen collection [68,72].
  • Monitoring gas purity and flow rates, to meet standards required for energy applications [68].
While these components fall outside the scope of the present experimental setup, their development aligns with the emerging field of integrated materials-energy recovery systems, which seek to co-extract material value and chemical energy from industrial by-products [68,72]. In this context, BA + S can be considered not only as a binder precursor but also as a source of secondary energy carrier, contributing to a dual-loop circular economy [68,72].
Notably, the controlled generation of hydrogen also necessitates strict safety protocols, especially in large-scale processing. As the current study has shown, significant thermal and pressure effects accompany activation, particularly at elevated temperatures (Figure 4b), which must be managed to avoid process hazards [62,68,72].
In summary, this section highlights a novel valorization vector for BA + S through hydrogen recovery, complementing the material circularity demonstrated in the binder systems. The findings suggest a foundation for future research into hybrid material–energy recovery reactors, capable of simultaneously stabilizing hazardous waste and harvesting clean energy—thereby advancing both sustainability and technological innovation [68,72].
Although Yip and van Deventer [69] conceptually support the integration of hydrogen recovery with alkali activation, they do not provide experimental validation. In contrast, experimental studies [63,64] indicate that gas recovery is theoretically feasible, but current energy return ratios (~5.4) and processing costs limit its industrial scalability.

5. Conclusions

This study comprehensively evaluated the alkaline activation of municipal solid waste incineration (MSWI) residues—specifically BA + S and FA—with a focus on their mechanical performance, dimensional stability, and hydrogen gas evolution.
The obtained results highlight several crucial aspects that must be considered when these residues are reused as construction materials:
  • Gas evolution is a decisive factor for structural safety and process design. The interaction of metallic aluminum present in BA + S with alkaline activators led to significant hydrogen evolution—up to 72.5 dm3 H2/kg of waste. This phenomenon directly affects setting, porosity, and mechanical integrity. Therefore, any use of such residues as construction binders requires preliminary degassing or stabilization procedures to avoid internal expansion and safety hazards during mixing and curing.
  • Not all residues labeled under the same waste code (e.g., EWC 19 01 12 or 19 01 07*) are identical in behavior. Many samples classified as “slag” in practice contain mixtures of BA + S, often with varying aluminum content. Such heterogeneity critically affects gas release intensity, chemical reactivity, and ultimately the suitability of the material for construction purposes. Differentiation between pure slag and ash–slag mixtures is essential before large-scale valorization.
  • Hydrogen generation may provide a secondary valorization pathway, yet its economic potential remains limited. The high energy content of hydrogen (~120 MJ/kg) theoretically enables energy recovery during alkaline activation. However, practical implementation would require sealed reactors, gas purification, and safety systems, which substantially increase costs. At the current technological stage, hydrogen capture from MSWI residues is energetically possible but economically unfeasible for large-scale construction material production. Nevertheless, it offers an innovative perspective for integrated material–energy valorization research.
  • From a materials engineering standpoint, controlled activation and degassing significantly improve binder quality. Pre-treatment removed soluble salts (NaCl/KCl); improved geopolymerization and reduced cracking—commonly used as degassing/conditioning step. When gas release is managed, BA + S-based mortars exhibit high compressive strength (up to 45.9 MPa) and stable microstructure. This confirms that proper process design can mitigate expansion risks while maintaining mechanical performance.
  • Practical implication for sustainable construction: The findings emphasize that alkaline activation of incineration residues should not be viewed solely as a chemical stabilization process but also as a gas-evolving reaction system that must be engineered with equal attention to environmental and mechanical outcomes. Only then can MSWI residues transition from waste to reliable, safe, and circular construction materials.

Author Contributions

Conceptualization, B.Ł.-P. and G.D.; methodology, B.Ł.-P., G.D., M.C. and M.K.-S.; software, B.Ł.-P. and G.D.; validation, B.Ł.-P., G.D., M.C. and M.K.-S.; formal analysis, B.Ł.-P., G.D., M.C. and M.K.-S.; investigation, B.Ł.-P., G.D., M.C. and M.K.-S.; resources, B.Ł.-P., G.D., M.C. and M.K.-S.; data curation, B.Ł.-P., G.D., M.C. and M.K.-S.; writing—original draft preparation, B.Ł.-P., G.D., M.C. and M.K.-S.; writing—review and editing, B.Ł.-P. and G.D.; visualization, B.Ł.-P. and G.D.; supervision, B.Ł.-P. and G.D.; project administration, B.Ł.-P. and G.D.; funding acquisition, B.Ł.-P., G.D., M.C. and M.K.-S. All authors have read and agreed to the published version of the manuscript.

Funding

The European Union from the European Social Fund co-financed the project as part of the project “Silesian University of Technology as a Centre of Modern Education based on research and innovation” No. POWR03.05.00-00-Z098/17/00.

Data Availability Statement

The original contributions presented in this study are included in the article. Further inquiries can be directed to the corresponding author.

Conflicts of Interest

The authors declare no conflicts of interest.

Correction Statement

This article has been republished with a minor correction to the existing affiliation information. This change does not affect the scientific content of the article.

References

  1. Commission Decision 2000/532/EC of 3 May 2000 replacing Decision 94/3/EC establishing a list of wastes pursuant to Article 1(a) of Council Directive 75/442/EEC on waste and Council Decision 94/904/EC on a list of hazardous waste. European Waste Catalogue (EWC). EWC 19 01 07**—Solid Wastes from Gas Treatment (Hazardous). Off. J. Eur. Communities L 2000, 226, 3–24. Available online: https://eur-lex.europa.eu/legal-content/EN/TXT/?uri=CELEX:32000D0532 (accessed on 17 September 2025).
  2. Mastrantonio, G.; Grosso, M.; Rigamonti, L. Material and energy recovery in integrated waste management systems: An Italian case study. Waste Manag. 2021, 119, 190–199. [Google Scholar] [CrossRef]
  3. Varona, F.B.; Baeza-Brotons, F.; Tenza-Abril, A.J.; Baeza, F.J.; Bañón, L. Residual Compressive Strength of Recycled Aggregate Concretes after High-Temperature Exposure. Materials 2020, 13, 1981. [Google Scholar] [CrossRef] [PubMed]
  4. Podolský, Z.; Liu, J.; Dinh, H.; Doh, J.; Guerrieri, M.; Fragomeni, S. State of the Art on the Application of Waste Materials in Geopolymer Concrete. Case Stud. Constr. Mater. 2021, 15, e00637. [Google Scholar] [CrossRef]
  5. Wongsa, A.; Boonserm, K.; Waisurasingha, C.; Sata, V.; Chindaprasirt, P. Use of municipal solid waste incinerator (MSWI) bottom ash in high-calcium fly ash geopolymer matrix. J. Clean. Prod. 2017, 148, 49–59. [Google Scholar] [CrossRef]
  6. Pera, J.; Coutaz, L.; Ambroise, J.; Chababbet, M. Use of incinerator bottom ash in concrete. Cem. Concr. Res. 1997, 27, 1–5. [Google Scholar] [CrossRef]
  7. Šyc, M.; Simon, F.G.; Hykš, J.; Braga, R.; Biganzoli, L.; Costa, G.; Grosso, M. Metal recovery from incineration bottom ash: State-of-the-art and recent developments. J. Hazard. Mater. 2020, 393, 122433. [Google Scholar] [CrossRef]
  8. Chen, B.; Perumal, P.; Illikainen, M.; Ye, G. A review on the utilization of municipal solid waste incineration (MSWI) bottom ash as a mineral resource for construction materials. J. Build. Eng. 2023, 71, 106386. [Google Scholar] [CrossRef]
  9. Pietrzak, A.; Ulewicz, M.; Kozień, E.; Pietraszek, J. Application of a Mixture of Fly Ash and Solid Waste from Gas Treatment from Municipal Solid Waste Incineration in Cement Mortar. Materials 2025, 18, 481. [Google Scholar] [CrossRef]
  10. Wang, H.; Li, Y.; Wang, H. The Effect of Various Si/Al, Na/Al Molar Ratios and Free Water on the Mechanical Properties of Metakaolin-Based Geopolymers. Materials 2021, 14, 3845. [Google Scholar] [CrossRef]
  11. Wang, Y.; Han, F.; Mu, J. Solidification/stabilization mechanism of Pb(II), Cd(II), Mn(II) and Cr(III) in fly ash-based geopolymers. Constr. Build. Mater. 2018, 160, 818–827. [Google Scholar] [CrossRef]
  12. Jaturapitakkul, C.; Cheerarot, R. Development of bottom ash as pozzolanic material. J. Mater. Civ. Eng. 2003, 15, 48–53. [Google Scholar] [CrossRef]
  13. Cheng, T.W.; Lee, M.L.; Ko, M.S.; Ueng, T.H.; Yang, S.F. The heavy metal adsorption characteristics on metakaolin-based geopolymer. Appl. Clay Sci. 2012, 56, 90–96. [Google Scholar] [CrossRef]
  14. Van Gerven, T.; Van Keer, E.; Arickx, S.; Jaspers, M.; Wauters, G.; Vandecasteele, C. Carbonation of MSWI-bottom ash to decrease heavy metal leaching, in view of recycling. Waste Manag. 2005, 25, 291–300. [Google Scholar] [CrossRef]
  15. Liu, J.; Xie, G.; Wang, Z.; Zeng, C.; Fan, X.; Li, Z.; Ren, J.; Xing, F.; Zhang, W. Manufacture of alkali-activated cementitious materials using municipal solid waste incineration (MSWI) ash: Immobilization of heavy metals in MSWI fly ash by MSWI bottom ash. Constr. Build. Mater. 2023, 392, 131848. [Google Scholar] [CrossRef]
  16. Rahier, H.; Wastiels, J.; Biesemans, M.; Willem, R.; Van Assche, G.; Van Mele, B. Reaction mechanism, kinetics and high temperature transformations of geopolymers. J. Mater. Sci. 2007, 42, 2982–2996. [Google Scholar] [CrossRef]
  17. Provis, J.L.; van Deventer, J.S.J. Geopolymers: Structures, Processing, Properties and Industrial Applications; Woodhead Publishing: Cambridge, UK, 2009. [Google Scholar]
  18. Komnitsas, K.; Zaharaki, D. Geopolymerisation: A review and prospects for the minerals industry. Miner. Eng. 2007, 20, 1261–1277. [Google Scholar] [CrossRef]
  19. Duxson, P.; Fernández-Jiménez, A.; Provis, J.L.; Lukey, G.C.; Palomo, A.; van Deventer, J.S.J. Geopolymer technology: The current state of the art. J. Mater. Sci. 2007, 42, 2917–2933. [Google Scholar] [CrossRef]
  20. Duxson, P.; Provis, J.L.; Lukey, G.C.; van Deventer, J.S.J. The role of inorganic polymer technology in the development of ‘green concrete’. Cem. Concr. Res. 2007, 37, 1590–1597. [Google Scholar] [CrossRef]
  21. Puertas, F.; Fernández-Jiménez, A. Mineralogical and microstructural characterization of alkali-activated fly ash/slag pastes. Cem. Concr. Compos. 2003, 25, 287–292. [Google Scholar] [CrossRef]
  22. Temuujin, J.; van Riessen, A.; Williams, R. Influence of calcium compounds on the mechanical properties of fly ash geopolymer pastes. J. Hazard. Mater. 2009, 167, 82–88. [Google Scholar] [CrossRef]
  23. Chi, M.; Huang, R. Binding mechanism and properties of alkali-activated fly ash/slag mortars. Constr. Build. Mater. 2013, 40, 291–298. [Google Scholar] [CrossRef]
  24. Bakharev, T. Resistance of geopolymer materials to acid attack. Cem. Concr. Res. 2005, 35, 658–670. [Google Scholar] [CrossRef]
  25. Yip, C.K.; van Deventer, J.S.J. Microanalysis of Calcium Silicate Hydrate Gel Formed within a Geopolymeric Binder. J. Mater. Sci. 2003, 38, 3851–3860. [Google Scholar] [CrossRef]
  26. Polder, R.B.; Peelen, W.H.A. Characterisation of chloride transport and reinforcement corrosion in concrete under cyclic wetting and drying by electrical resistivity. Cem. Concr. Compos. 2002, 24, 427–435. [Google Scholar] [CrossRef]
  27. Bernal, S.A.; Provis, J.L. Durability of alkali-activated materials: Progress and perspectives. J. Am. Ceram. Soc. 2014, 97, 997–1008. [Google Scholar] [CrossRef]
  28. PN-ISO 9297:1994; Water Quality—Determination of Chloride—Argentometric Method. PKN: Warsaw, Poland, 1994.
  29. PN-EN 197-1; Cement—Part 1: Composition, Specifications and Conformity Criteria for Common Cements. CEN: Brussels, Belgium, 2011.
  30. PN-EN ISO 11885:2009; Water Quality—Determination of Selected Elements by Inductively Coupled Plasma Optical Emission Spectrometry (ICP-OES). PKN: Warsaw, Poland, 2009.
  31. PN-EN ISO 12846:2012; Water Quality—Determination of Mercury—Method Using Atomic Absorption Spectrometry (AAS) with and Without Enrichment. PKN: Warsaw, Poland, 2012.
  32. PN-EN 12457-4:2006; Characterization of Waste—Leaching—Compliance Test for Leaching of Granular Waste Materials and Sludges—Part 4: Single-Stage Batch Test at a Liquid-to-Solid Ratio of 10 L/kg for Materials <10 mm. PKN: Warsaw, Poland, 2006.
  33. PN-EN ISO 10523:2012; Water Quality—Determination of pH. PKN: Warsaw, Poland, 2012.
  34. PN-ISO 9280:2002; Water Quality—Determination of Sulfate—Gravimetric Method Using Barium Chloride. PKN: Warsaw, Poland, 2002.
  35. Polish Committee for Standardization (PKN). PN-EN ISO 6878:2006; Water Quality—Determination of Phosphorus—Ammonium Molybdate Spectrometric Method. PKN: Warsaw, Poland, 2006.
  36. Council of the European Union. Council Decision 2003/33/EC of 19 December 2002 Establishing Criteria and Procedures for the Acceptance of Waste at Landfills. Off. J. Eur. Union 2003, L11, 27–49. [Google Scholar]
  37. Zhang, Z.; Provis, J.L.; Reid, A.; Wang, H. Geopolymer foam concrete: An emerging material for sustainable construction. Constr. Build. Mater. 2014, 56, 113–127. [Google Scholar] [CrossRef]
  38. Luukkonen, T.; Abdollahnejad, Z.; Yliniemi, J.; Kinnunen, P.; Illikainen, M. One-part alkali-activated materials: A review. Cem. Concr. Res. 2018, 103, 21–34. [Google Scholar] [CrossRef]
  39. Singh, N.B.; Middendorf, B. Geopolymers as an Alternative to Portland Cement: An Overview. Constr. Build. Mater. 2020, 237, 117455. [Google Scholar] [CrossRef]
  40. Zheng, L.; Wang, C.; Wang, W.; Shi, Y.; Gao, X. Immobilization of MSWI Fly Ash through Geopolymerization: Effects of Water-Wash. Waste Manag. 2011, 31, 311–317. [Google Scholar] [CrossRef] [PubMed]
  41. Qiao, X.C.; Tyrer, M.; Poon, C.S.; Cheeseman, C. Novel cementitious materials produced from incinerator bottom ash. Resour. Conserv. Recycl. 2008, 52, 496–510. [Google Scholar] [CrossRef]
  42. Al-Harahsheh, M.; Al Zboon, K.; Abu-Eldeeb, Y.; Al-Makhadmeh, L.; Khasawneh, M. Fly ash-based geopolymer for heavy metal removal from industrial wastewater. Desalin. Water Treat. 2015, 53, 2090–2100. [Google Scholar] [CrossRef]
  43. Lee, J.; Nam, M.; Park, D.; Wi, K. Recycling Municipal Solid Waste Incineration Fly Ash as a Functional Foaming Agent in Slag-Based Geopolymer. Constr. Build. Mater. 2025, 492, 142839. [Google Scholar] [CrossRef]
  44. Weng, L.; Sagoe-Crentsil, K. Dissolution processes, hydrolysis and condensation reactions during geopolymer synthesis: Part I—Low Si/Al ratio systems. J. Mater. Sci. 2007, 42, 2997–3006. [Google Scholar] [CrossRef]
  45. Puertas, F.; Amat, T.; Fernández-Jiménez, A.; Vázquez, T. Mechanical and durable behaviour of alkaline cement mortars reinforced with polypropylene fibres. Cem. Concr. Res. 2003, 33, 2031–2036. [Google Scholar] [CrossRef]
  46. Cioffi, R.; Maffucci, L.; Santoro, L. Optimization of geopolymer synthesis by calcination and chemical activation of metakaolin. Resour. Conserv. Recycl. 2003, 40, 27–38. [Google Scholar] [CrossRef]
  47. Davidovits, J. Geopolymer Chemistry and Applications, 3rd ed.; Institut Géopolymère: Saint-Quentin, France, 2011. [Google Scholar]
  48. Perera, D.S.; Uchida, O.; Vance, E.R.; Finnie, K.S. Influence of curing schedule on the integrity of geopolymers. J. Mater. Sci. 2007, 42, 3099–3106. [Google Scholar] [CrossRef]
  49. Longhi, M.A.; Zhang, Z.; Rodríguez, E.D.; Kirchheim, A.P.; Wang, H. Efflorescence of Alkali-Activated Cements (Geopolymers) and the Impacts on Material Structures: A Critical Analysis. Front. Mater. 2019, 6, 89. [Google Scholar] [CrossRef]
  50. Rahier, H.; Simons, W.; van Mele, B.; Biesemans, M. Low-temperature synthesized aluminosilicate glasses. Part IV: Influence of the composition of the silicate solution on production, structure and properties. J. Mater. Sci. 1997, 32, 2237–2247. [Google Scholar] [CrossRef]
  51. Van Jaarsveld, J.G.S.; Van Deventer, J.S.J. The effect of metal contaminants on the formation and properties of waste-based geopolymers. Cem. Concr. Res. 1999, 29, 1189–1200. [Google Scholar] [CrossRef]
  52. Avila, Y.; Silva, R.V.; de Brito, J. Alkali-Activated Materials with Pre-Treated Municipal Solid Waste Incinerator Bottom Ash. Appl. Sci. 2022, 12, 3535. [Google Scholar] [CrossRef]
  53. Andreola, F.; Barbieri, L.; Corradi, A.; Lancellotti, I. The Possibility to Recycle Solid Residues of the Municipal Waste Incineration into a Ceramic. J. Mater. Sci. 2001, 36, 4869–4873. [Google Scholar] [CrossRef]
  54. Provis, J.L.; Bernal, S.A. Geopolymers and related alkali-activated materials. Annu. Rev. Mater. Res. 2014, 44, 299–327. [Google Scholar] [CrossRef]
  55. He, J.; Jie, Y.; Zhang, J.; Yu, Y.; Zhang, G. Synthesis and characterization of red mud and rice husk ash-based geopolymer composites. Cem. Con. Comp. 2013, 37, 108–118. [Google Scholar] [CrossRef]
  56. Provis, J.L.; Palomo, A.; Shi, C. Advances in understanding alkali-activated materials. Cem. Concr. Res. 2015, 78, 110–125. [Google Scholar] [CrossRef]
  57. Chindaprasirt, P.; Jaturapitakkul, C.; Sata, V.; Pinchai, S. Influence of fly ash fineness on strength, drying shrinkage and sulfate resistance of blended cement mortar. Constr. Build. Mater. 2004, 7, 580–585. [Google Scholar] [CrossRef]
  58. Van Jaarsveld, J.G.S.; Van Deventer, J.S.J.; Lukey, G.C. The effect of composition and temperature on the properties of fly ash- and kaolinite-based geopolymers. Chem. Eng. J. 2003, 89, 63–73. [Google Scholar] [CrossRef]
  59. Bernal, S.A.; Provis, J.L.; Rose, V.; Mejía de Gutiérrez, R. Evolution of binder structure in sodium silicate-activated slag-metakaolin blends. Cem. Concr. Compos. 2010, 33, 46–54. [Google Scholar] [CrossRef]
  60. Tashima, M.M.; Soriano, L.; Borrachero, M.V.; Monzó, J.; Payá, J. Effect of Curing Time on Microstructure and Mechanical Strength Development of Alkali-Activated Binders Based on Vitreous Calcium Aluminosilicate (VCAS). Bull. Mater. Sci. 2013, 36, 245–249. [Google Scholar] [CrossRef]
  61. Kovalchuk, G.; Fernández-Jiménez, A.; Palomo, A. Alkali-activated fly ash: Effect of thermal curing conditions on mechanical and microstructural development—Part II. Fuel 2007, 86, 315–322. [Google Scholar] [CrossRef]
  62. Poon, L.; Lam, S.C.; Kou, Y.-. L Wong, Ron Wong, Rate of pozzolanic reaction of metakaolin in high-performance cement pastes. Cem. Con. Res. 2001, 31, 1301–1306. [Google Scholar] [CrossRef]
  63. Mehta, A.; Siddique, R. Sulfuric acid resistance of fly ash based geopolymer concrete. Constr. Build. Mater. 2017, 146, 136–143. [Google Scholar] [CrossRef]
  64. Khater, H.M. Effect of cement Kiln dust on geopolymer composition and its resistance to sulfate attack. J. Inst. Civ. Eng. 2013, 1, 36–46. [Google Scholar] [CrossRef]
  65. Shi, C.; Fernández-Jiménez, A.; Palomo, A. New cements for the 21st century: The pursuit of an alternative to Portland cement. Cem. Concr. Res. 2011, 41, 750–763. [Google Scholar] [CrossRef]
  66. Palomo, A.; Krivenko, P.; García-Lodeiro, I.; Kavalerova, E.; Maltseva, O.; Fernández-Jiménez, A. A review on alkaline activation: New analytical perspectives. Mater. Constr. 2014, 64, e022. [Google Scholar] [CrossRef]
  67. Van Deventer, J.S.J.; Provis, J.L.; Duxson, P.; Brice, D.G. Chemical research and climate change as drivers in the commercial adoption of alkali activated materials. Waste Biomass Valorization 2010, 1, 145–155. [Google Scholar] [CrossRef]
  68. Criado, M.; Fernández-Jiménez, A.; Palomo, A. Alkali activation of fly ash: Effect of the SiO2/Na2O ratio. Microporous Mesoporous Mater. 2007, 106, 180–191. [Google Scholar] [CrossRef]
  69. Criado, M.; Fernández-Jiménez, A.; Palomo, A. Alkali activation of fly ashes. Part 1: Effect of curing conditions on the carbonation of the reaction products. Fuel 2005, 84, 2048–2054. [Google Scholar] [CrossRef]
  70. Khale, D.; Chaudhary, R. Mechanism of geopolymerization and factors influencing its development: A review. J. Mater. Sci. 2007, 42, 729–746. [Google Scholar] [CrossRef]
  71. Garcia-Lodeiro, A.; Palomo, A.; Fernández-Jiménez, A. An overview of the chemistry of alkali-activated cement-based binders, Handbook of Alkali-Activated Cements, Mortars and Concretes; Woodhead Publishing: Cambridge, UK, 2015; pp. 19–47. ISBN 9781782422761. [Google Scholar] [CrossRef]
  72. Buchwald, A.; Schulz, M. Alkali-activated binders by use of industrial by-products. Cem. Concr. Res. 2005, 35, 968–973. [Google Scholar] [CrossRef]
Figure 1. Total waste stream generated in individual EU countries in 2022 [6].
Figure 1. Total waste stream generated in individual EU countries in 2022 [6].
Energies 18 05857 g001
Figure 2. Waste management methods in individual EU member states in 2022 [6].
Figure 2. Waste management methods in individual EU member states in 2022 [6].
Energies 18 05857 g002
Figure 3. The view of (a) grinder, (b) metal bearings used during grinding, (c) bottom ash and slag after two grinding hours.
Figure 3. The view of (a) grinder, (b) metal bearings used during grinding, (c) bottom ash and slag after two grinding hours.
Energies 18 05857 g003
Figure 4. The view of (a) gas (hydrogen) bubble getting out during alkaline activation of activated BA or FA waste and (b) temperature during the activation −95.1 °C.
Figure 4. The view of (a) gas (hydrogen) bubble getting out during alkaline activation of activated BA or FA waste and (b) temperature during the activation −95.1 °C.
Energies 18 05857 g004
Figure 5. Measurement results for BA + S at ambient temperatures 20 °C and 80 °C.
Figure 5. Measurement results for BA + S at ambient temperatures 20 °C and 80 °C.
Energies 18 05857 g005
Figure 6. Measurement results for FA at ambient temperatures 20 °C and 80 °C.
Figure 6. Measurement results for FA at ambient temperatures 20 °C and 80 °C.
Energies 18 05857 g006
Figure 7. Results of granulometric analysis of FA waste.
Figure 7. Results of granulometric analysis of FA waste.
Energies 18 05857 g007
Figure 8. SEM images of FA waste before alkaline activation: on the left; the scale in the figure indicates the length of (a) 20 mμ, (b) 10 mμ, (c) 8 mμ.
Figure 8. SEM images of FA waste before alkaline activation: on the left; the scale in the figure indicates the length of (a) 20 mμ, (b) 10 mμ, (c) 8 mμ.
Energies 18 05857 g008aEnergies 18 05857 g008b
Figure 9. SEM images of FA waste after alkaline activation; the scale in the figure indicates the length of (a) 20 μm, (b) 10 μm, (c) 8 μm.
Figure 9. SEM images of FA waste after alkaline activation; the scale in the figure indicates the length of (a) 20 μm, (b) 10 μm, (c) 8 μm.
Energies 18 05857 g009aEnergies 18 05857 g009b
Figure 10. SEM images of BA + S waste before alkaline activation; the scale in the figure indicates the length of (a) 20 μm, (b) 10 μm, (c) 8 μm.
Figure 10. SEM images of BA + S waste before alkaline activation; the scale in the figure indicates the length of (a) 20 μm, (b) 10 μm, (c) 8 μm.
Energies 18 05857 g010aEnergies 18 05857 g010b
Figure 11. SEM images of BA + S waste after alkaline activation; the scale in the figure indicates the length of (a) 20 μm, (b) 10 μm, (c) 8 μm.
Figure 11. SEM images of BA + S waste after alkaline activation; the scale in the figure indicates the length of (a) 20 μm, (b) 10 μm, (c) 8 μm.
Energies 18 05857 g011aEnergies 18 05857 g011b
Figure 12. Results of granulometry analysis of non-activated BA + S.
Figure 12. Results of granulometry analysis of non-activated BA + S.
Energies 18 05857 g012
Figure 13. Results of granulometry analysis of activated BA + S.
Figure 13. Results of granulometry analysis of activated BA + S.
Energies 18 05857 g013
Figure 14. X-ray diffraction patterns of FA residues before and after alkaline activation. In FA, the reduction in mullite and quartz reflections and the development of a broad amorphous hump between 25–35° indicate gel formation (N–A–S–H). In BA + S, the disappearance of metallic Al0 peaks (2θ ≈ 38.4°) and the emergence of hydrogarnet and anorthite phases confirm oxidation of reactive aluminum and structural reorganization into a stable aluminosilicate network.
Figure 14. X-ray diffraction patterns of FA residues before and after alkaline activation. In FA, the reduction in mullite and quartz reflections and the development of a broad amorphous hump between 25–35° indicate gel formation (N–A–S–H). In BA + S, the disappearance of metallic Al0 peaks (2θ ≈ 38.4°) and the emergence of hydrogarnet and anorthite phases confirm oxidation of reactive aluminum and structural reorganization into a stable aluminosilicate network.
Energies 18 05857 g014
Figure 15. X-ray diffraction patterns of BA + S residues before and after alkaline activation. In BA + S, the disappearance of metallic Al0 peaks (2θ ≈ 38.4°) and the emergence of hydrogarnet and anorthite phases confirm oxidation of reactive aluminum and structural reorganization into a stable aluminosilicate network.
Figure 15. X-ray diffraction patterns of BA + S residues before and after alkaline activation. In BA + S, the disappearance of metallic Al0 peaks (2θ ≈ 38.4°) and the emergence of hydrogarnet and anorthite phases confirm oxidation of reactive aluminum and structural reorganization into a stable aluminosilicate network.
Energies 18 05857 g015
Figure 16. The view of geopolymer mortar with not-alkaline activated BA + S.
Figure 16. The view of geopolymer mortar with not-alkaline activated BA + S.
Energies 18 05857 g016
Figure 17. pH evolution of alkali-activated mortars over 28 days of curing, showing stabilization from 13.1 to 11.4.
Figure 17. pH evolution of alkali-activated mortars over 28 days of curing, showing stabilization from 13.1 to 11.4.
Energies 18 05857 g017
Figure 18. Conceptual relationship between pH and the relative solubility of heavy metals (Zn2+, Pb2+, Cr3+) in alkali-activated matrices [46,53,54].
Figure 18. Conceptual relationship between pH and the relative solubility of heavy metals (Zn2+, Pb2+, Cr3+) in alkali-activated matrices [46,53,54].
Energies 18 05857 g018
Table 1. Oxide content according to the method of waste generation [own research].
Table 1. Oxide content according to the method of waste generation [own research].
ParameterWaste EWC 19 01 07** (1)Waste EWC 19 01 12 (2)
Fly Ash from MSWIA with Additional Magnetic Waste Separation with 0–8 mm DiametersFly Ash from MSWIA Without Additional Magnetic Waste Separation with 0–8 mm DiametersSlag from MSWIA with Additional Magnetic Separation of Waste with 0–8 mm DiametersBA + S from MSWIA Without Additional Magnetic Separation of Waste with 0–8 mm Diameters
SilicaSiO28.124.8757.9050.50
Ferric oxideFe2O31.500.574.975.00
AluminaAl2O32.521.8810.8011.30
Manganese oxideMn3O40.050.030.120.11
TitaniaTiO20.510.490.500.95
Calcium oxideCaO21.9642.0012.5016.50
Magnesium oxideMgO0.970.911.731.77
Sulphur trioxideSO38.079.080.741.39
Phosphorus oxideP2O51.320.540.741.12
Sodium oxideNa2O1.874.076.614.16
Potassium oxideK2O2.044.040.950.84
Barium oxideBaO0.200.050.140.14
Note: (1) Waste Code: 19 01 07**: EWC Code: 19 01 07**; Description: Solid wastes from gas treatment, Type: Hazardous waste (HW); Symbol: * (indicates hazardous waste); Explanation: Includes materials like fly ash and filter dust from gas treatment systems in waste incineration or metallurgical plants. These are considered hazardous due to the presence of heavy metals (e.g., lead, mercury) and dioxins. (2) Waste Code: 19 01 12: EWC Code: 19 01 12,Description: Bottom ash and slag (other than those mentioned in 19 01 11). Type: Non-hazardous waste (NHW), Symbol: No asterisk (indicates non-hazardous), Explanation: Covers bottom ash, slag, and similar mineral residues from incineration or thermal treatment, which are not hazardous and can be reused in construction or disposed of in non-hazardous landfills.
Table 2. Heavy metals content according to the method of waste generation [own research].
Table 2. Heavy metals content according to the method of waste generation [own research].
ParameterWaste EWC 19 01 07** (1)Waste EWC 19 01 12 (2)
Fly Ash from MSWIA with Additional Magnetic Waste Separation with 0–8 mm DiametersFly Ash from MSWIA Without Additional Magnetic Waste Separation with 0–8 mm DiametersSlag from MSWIA with Additional Magnetic Separation of Waste with 0–8 mm DiametersBA + S from MSWIA Without Additional Magnetic Separation of Waste with 0–8 mm Diameters
Zinc5108.014,359.01621.02797.0
Copper306.0433.01918.021,608.0
Lead829.02051.0687.0766.0
Nickel27.418.981.073.6
Chromium180.0292.0342.0277.0
Cadmium67.8148.03.45.8
Arsenic14.411.716.55.3
Vanadium15.011.230.031.8
Mercury4.68.30.240.04
Note: (1) Waste Code: 19 01 07**: EWC Code: 19 01 07**; Description: Solid wastes from gas treatment, Type: Hazardous waste (HW); Symbol: * (indicates hazardous waste); Explanation: Includes materials like fly ash and filter dust from gas treatment systems in waste incineration or metallurgical plants. These are considered hazardous due to the presence of heavy metals (e.g., lead, mercury) and dioxins [1]. (2) Waste Code: 19 01 12: EWC Code: 19 01 12,Description: Bottom ash and slag (other than those mentioned in 19 01 11). Type: Non-hazardous waste (NHW), Symbol: No asterisk (indicates non-hazardous), Explanation: Covers bottom ash, slag, and similar mineral residues from incineration or thermal treatment, which are not hazardous and can be reused in construction or disposed of in non-hazardous landfills [1].
Table 3. Composition of cement mortar.
Table 3. Composition of cement mortar.
Type of ComponentUnitQuantity
Ground BA + Sgram225.00
Portland cement CEM I 42.5 Rgram225.00
Watergram225.00
Standard sand, according to PN-EN 196-1 [20]gram1350.00
Water/binder (cement + BA) ratio-0.50
Table 4. Composition of geopolymer with FA.
Table 4. Composition of geopolymer with FA.
Type of ComponentUnitQuantity
FA wastegram225.00
Portland cement CEM I 42.5 Rgram225.00
Watergram225.18
Standard sand, according to PN-EN 196-1 [20]gram1350.00
Water/binder (cement + BA + S) ratio-0.50
Table 5. Mechanical parameters of CEM I 42.5 R.
Table 5. Mechanical parameters of CEM I 42.5 R.
Compressive Strength [MPa]RequirementsAchieved Average Values
after 2 days≥2029.9
after 28 days≥42.5 ≤ 62.556.6
Table 6. Chemical parameters of CEM I 42.5 R.
Table 6. Chemical parameters of CEM I 42.5 R.
ParametersRequirementsAchieved Average Values
Loss of ignition [%]≤5.02.98
Insoluble residue [%]≤5.00.77
Sulfate content of SO4 [%]≤4.03.22
Chloride content of Cl [%]≤0.100.05
Table 7. Composition of geopolymer mortar with BA + S waste.
Table 7. Composition of geopolymer mortar with BA + S waste.
Type of ComponentUnitQuantity
Ground BA + Sgram225.00
Metakaolingram225.00
H2Ogram86.18
NaOH (M6.9)gram23.79
Soda glass. solids 47%gram186.44
Standard sand, according to PN-EN 196-1 [20]gram1350.00
H2O/Na2O-3.62
H2O/binder-0.33
Table 8. Composition of geopolymer with FA waste.
Table 8. Composition of geopolymer with FA waste.
Type of ComponentUnitQuantity
FA wastegram225.00
Metakaolingram225.00
H2Ogram86.18
NaOH (M6.9)gram23.79
Soda glass. solids 47%gram186.44
Standard sand, according to PN-EN 196-1 [20]gram1350.00
H2O/Na2O-3.62
H2O/binder-0.33
Solution ratio of NaOH-2.5
Table 9. Properties of metakaolin.
Table 9. Properties of metakaolin.
ParameterValue
Relative Density2.5 g/cm3
Water demand113%
Specific surface area20,000 cm2/g
Water solubilityIt does not dissolve.
Response rate after 28 days≥75%
Response rate after 28 days≥85%
Fineness (residue on a sieve with a mesh size of 0.045 mm)≤25%
Free CaO content≤0.1%
SiO2 content48–58%
Al2O3 content37–45%
TiO2 content0.8–2.4%
Fe2O3 content0.7–2.3%
Total alkali content (Na2Oeq)≤1.0%
SO3 content≤0.2%
The chloride content, expressed as Cl-≤0.05%
MgO content≤2.0%
P2O5 content≤0.3%
Start of setting timeNo longer than twice the beginning of the bond setting of the comparative cement
Table 10. Leachability of selected contaminants of tested solid waste FA from gas treatment, expressed in mg/kg.
Table 10. Leachability of selected contaminants of tested solid waste FA from gas treatment, expressed in mg/kg.
ParameterOS_1OS_2Criteria for Admitting Hazardous Waste
for Storage [36]
Meet/Exceed Requirements
Reaction pH11.812.1-No requirements
Dissolved Organic Carbon, DOC298.10189.70100,000meets the requirements
Chlorides, Cl133,632.00105,292.8025,000Exceeding
requirements
Sulphates, SO42−14,399.0011,815.4050,000meets the requirements
Barium, Ba7529.005493.00300Exceeding
Requirements
Zinc, Zn1.466.72200meets the requirements
Copper, Cubo0.04100meets the requirements
Lead, Pb0.620.6550meets the requirements
Cadmium, Cd0.05bo5meets the requirements
Chromium, Cr4.90bo70meets the requirements
Cobalt, Cobobo-No requirements
Iron, Febobo-No requirements
Manganese, Mnbobo-No requirements
Nickel, Ni0.970.1640meets the requirements
bo—below the quantification threshold.
Table 11. The chemical properties of solid waste FA from gas treatment allow it to be deposited in landfills designated for hazardous waste.
Table 11. The chemical properties of solid waste FA from gas treatment allow it to be deposited in landfills designated for hazardous waste.
IngredientUnitOS_1OS_2Limit Values [36]Meet/Exceed Requirements
Loss on ignition, LOI% dry mass15.407.6710Exceeding
/Meets the requirements
Total Organic Carbon, TOC% dry mass8.155.806Exceeding
/Meets the requirements
Ability to neutralise acids, ANCmgCaCO3/kg7666.505533.50to be determined to obtain a pH of 7No requirements
Table 12. Leachability of selected contaminants of tested BA + S waste, expressed in mg/kg.
Table 12. Leachability of selected contaminants of tested BA + S waste, expressed in mg/kg.
PropertiesSymbolBA + SLimits Acc. to [36]
Inert WasteNon-Hazardous Waste
pHpH7.9-min. 6
Total CarbonTC118.00--
Total Organic CarbonTOCblq *30,000-
Total Inorganic CarbonTICblq *--
ChlorideCl780.0080015,000
SulphateSO42−1157.41100020,000
Phosphate trainingPO4100.00--
PotassiumK354.60--
CalciumCa878.40--
LithiumLi2.70--
SodiumNa1104.00--
The sum of chloride and sulphateTDS1937.414000060,000
* blq—Values below the limit of quantification.
Table 13. The content of heavy metals in water extracts from BA+S tested, expressed in mg/kg.
Table 13. The content of heavy metals in water extracts from BA+S tested, expressed in mg/kg.
PropertiesSymbolBA + SCriteria for Leachability Acc. to [36]
Inert WasteNon-Hazardous Waste
BariumBabo *20100
ZincZn0.14450
CopperCubo *250
LeadPb0.600.510
CadmiumCd0.040.041
ChromeCrbo *0.510
CobaltCobo *--
IronFebo *--
ManganeseMnbo *--
NickelNi0.220.410
* bo—Values below the limit of quantification.
Table 14. Gas evolution and hydrogen yield of alkali-activated residues based on experimental and literature [37,38,39] data.
Table 14. Gas evolution and hydrogen yield of alkali-activated residues based on experimental and literature [37,38,39] data.
Material TypeGas Volumes Are Expressed as L H2/kg Dry Waste at STP (0 °C, 101.3 kPa)NaOH Concentration (mol/dm3)Activation Temperature (°C)
Fly ash (FA)18.5010.0020.00
Bottom ash + slag (BA + S)75.0010.0020.00
BA + S (own research)72.505.0080.00
FA (own research)17.805.0080.00
Table 15. Mechanical performance of mortars with alkali-activated or non-alkali-activated BA + S after 28 days of curing.
Table 15. Mechanical performance of mortars with alkali-activated or non-alkali-activated BA + S after 28 days of curing.
Type of MortarHeight of Sample, cmMedium High of Sample, cmCompressive Strength of Sample, MPaMedium Compressive Strength of Sample, MPaFlexural Strength MPaMedium Flexural Strength MPa
Geopolymer mortar with alkaline-activated BA + S4.004.0034.5033.2034.805.005.20
4.00 33.8034.00 5.40
4.00 36.7036.30
Geopolymer mortar with not alkaline-activated BA + S5.005.0017.8017.6017.703.003.30
5.10 18.0016.70 3.50
50.0 17.3019.00
Cement mortar with alkaline activated BA + S4.004.0046.5045.9045.504.204.40
4.00 44.5045.70 4.60
4.00 45.9044.20
Cement mortar with not alkaline activated BA + S4.804.9014.5013.5013.501.301.20
4.80 13.3014.10 1.10
5.10 12.7013.10
Table 16. Mechanical performance of mortars with alkali-activated or non-alkali-activated FA after 28 days of curing.
Table 16. Mechanical performance of mortars with alkali-activated or non-alkali-activated FA after 28 days of curing.
Type of MortarHeight of Sample, mmMedium High of Sample, mmCompressive Strength of Sample,
MPa
Medium Compressive Strength of Sample, MPaFlexural Strength, MPaMedium Flexural Strength, MPa
Geopolymer mortar with alkaline-activated FA404021.019.820.14.64.5
40 20.519.3 4.4
40 21.218.9
Geopolymer mortar with non-alkaline activated FA454511.012.512.02.62.3
45 11.811.7 2.0
45 12.412.8
Cement mortar with alkaline-activated FA404054.653.152.84.54.3
40 49.749.3 4.1
40 55.554.5
Cement mortar with non-alkaline-activated FA414237.536.838.13.03.1
43 38.537.8 3.2
42 38.439.5
Table 17. Leachability of cement mortars with alkaline activated BA + S, mg/dm3 (with pH exception).
Table 17. Leachability of cement mortars with alkaline activated BA + S, mg/dm3 (with pH exception).
PropertiesSymbolCement Mortar with Alkaline-Activated BA + SCement Mortar with Alkaline Activated FAThe Highest Allowed Value [51]
pHpH10.711.06.0–9.0
DOC Total Organic CarbonTOCbo *37.2030
ChlorideCl360.00138.2410,000
SulphateSO42−47.15353.80500
* bo—below the limit of quantification.
Table 18. Content of heavy metals in water extracts from the cement mortars with alkaline activated BA +S, mg/dm3.
Table 18. Content of heavy metals in water extracts from the cement mortars with alkaline activated BA +S, mg/dm3.
PropertiesSymbolCement Mortar with Alkaline-Activated BA + SCement Mortar with Alkaline Activated FAThe Highest Allowed Value [44]
Barium, BaBabo *bo *2
Zinc, ZnZn0.01bo *2
Copper, CuCubo *0.520.5
Lead, PbPb0.064.20.5
Cadmium, CdCd0.004bo *no requirements
Chromium, CrCrbo *bo *0.1
Cobalt, CoCobo *bo *1
Iron, FeFebo *bo *10
Manganese, MnMnbo *0.001no requirements
Nickel, NiNi0.020.120.5
* bo—below the limit of quantification.
Table 19. Summary of hydrogen evolution under different activation conditions.
Table 19. Summary of hydrogen evolution under different activation conditions.
MaterialGas Volumes Are Expressed as L H2/kg Dry Waste at STP (0 °C, 101.3 kPa)NaOH (mol/dm3)Temp (°C)Literature Reference
BA + S (this study)72.505.0080.00
FA (this study)17.805.0080.00
BA + S8.4-20.00Avila et al. [52]
FA--20.00Zheng et al. [40]
Table 20. Mechanical strength improvement due to alkaline activation.
Table 20. Mechanical strength improvement due to alkaline activation.
Waste TypeMortar TypeUnactivated Strength (MPa)Activated Strength (MPa)% Improvement
BA + SCement13.545.9+240%
BA + SGeopolymer17.633.2+89%
FACement36.853.1+44%
FAGeopolymer12.519.8+58%
Table 21. Environmental compliance classification for leachability parameters.
Table 21. Environmental compliance classification for leachability parameters.
SampleCompliant with Hazardous Waste Criteria [50]?Key Exceeding ParameterRisk
FA (raw)noCl, Ba, TOC, LOIHigh
BA + S (raw)yesSO42− (borderline)Low
Cement with FAnoPb, CuMedium
Cement with BA + SyesLow
Table 22. Dimensional stability and expansion risk classification.
Table 22. Dimensional stability and expansion risk classification.
Binder SystemExpansion TendencyStability ClassRecommended Mitigation
BA + S without activationHighPoorPre-activation + Rest time
FA without activationMediumModerateExtended curing
BA + S with activationLowStable
FA with activationLowStable
Table 23. Hydrogen gas release (H2) from MSWI residues depending on activator concentration, temperature, and material type.
Table 23. Hydrogen gas release (H2) from MSWI residues depending on activator concentration, temperature, and material type.
Material TypeGas Volumes Are Expressed as L H2/kg Dry Waste at STP (0 °C, 101.3 kPa)NaOH Concentration (mol/dm3)Activation Temperature (°C)Source
BA + S—this study72.55.080.0Current study
FA—this study17.85.080.0Current study
Fly ash (FA)18.5 ± 2.01020Zheng et al., (2011) [40]
Bottom ash + slag (BA + S)75.0 ± 5.01020Avila et al., (2022) [52]
MSWI ash (untreated, various)60–808–1220–25Van Jaarsveld and Van Deventer (1999) [51]
Disclaimer/Publisher’s Note: The statements, opinions and data contained in all publications are solely those of the individual author(s) and contributor(s) and not of MDPI and/or the editor(s). MDPI and/or the editor(s) disclaim responsibility for any injury to people or property resulting from any ideas, methods, instructions or products referred to in the content.

Share and Cite

MDPI and ACS Style

Łaźniewska-Piekarczyk, B.; Dzido, G.; Czop, M.; Kajda-Szcześniak, M. Gas Evolution and Stability of Alkali-Activated MSWI Slag and Fly Ash: Implications for Safe Use and Energy Valorization. Energies 2025, 18, 5857. https://doi.org/10.3390/en18215857

AMA Style

Łaźniewska-Piekarczyk B, Dzido G, Czop M, Kajda-Szcześniak M. Gas Evolution and Stability of Alkali-Activated MSWI Slag and Fly Ash: Implications for Safe Use and Energy Valorization. Energies. 2025; 18(21):5857. https://doi.org/10.3390/en18215857

Chicago/Turabian Style

Łaźniewska-Piekarczyk, Beata, Grzegorz Dzido, Monika Czop, and Małgorzata Kajda-Szcześniak. 2025. "Gas Evolution and Stability of Alkali-Activated MSWI Slag and Fly Ash: Implications for Safe Use and Energy Valorization" Energies 18, no. 21: 5857. https://doi.org/10.3390/en18215857

APA Style

Łaźniewska-Piekarczyk, B., Dzido, G., Czop, M., & Kajda-Szcześniak, M. (2025). Gas Evolution and Stability of Alkali-Activated MSWI Slag and Fly Ash: Implications for Safe Use and Energy Valorization. Energies, 18(21), 5857. https://doi.org/10.3390/en18215857

Note that from the first issue of 2016, this journal uses article numbers instead of page numbers. See further details here.

Article Metrics

Back to TopTop