Computational Efficiency–Accuracy Trade-Offs in EMT Modeling of ANPC Converters: Comparative Study and Real-Time HIL Validation
Abstract
1. Introduction
2. Switching Model Construction for ANPC Topology
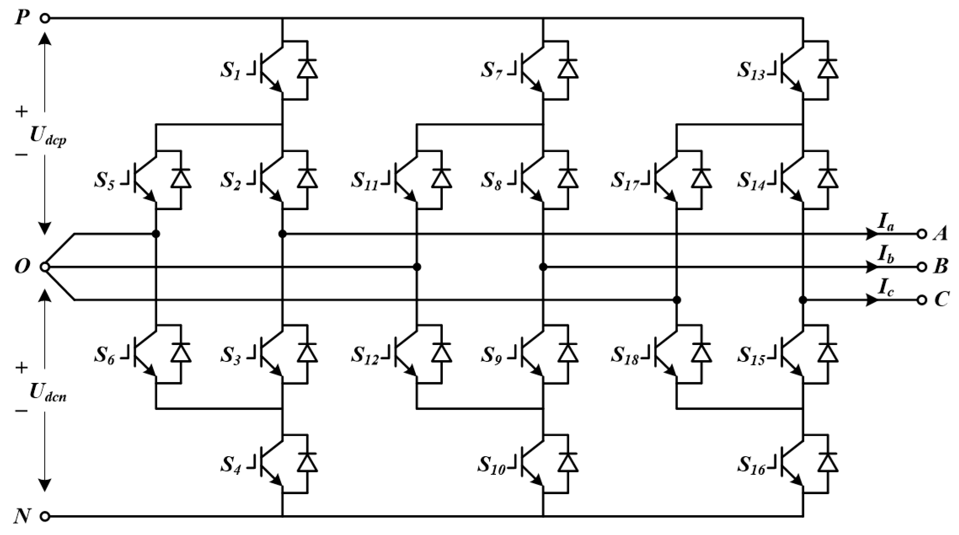
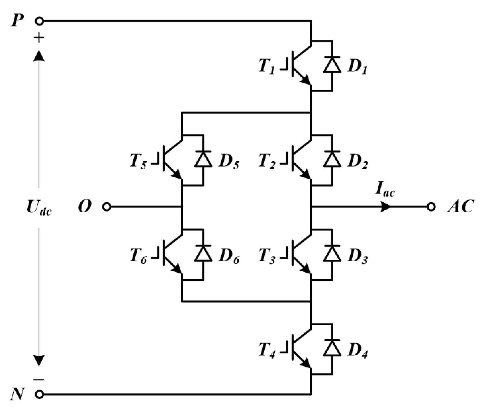
2.1. ANPC Three-Level Topology and Operating Principle
2.2. Fast Simulation Model Based on Switch-State Prediction
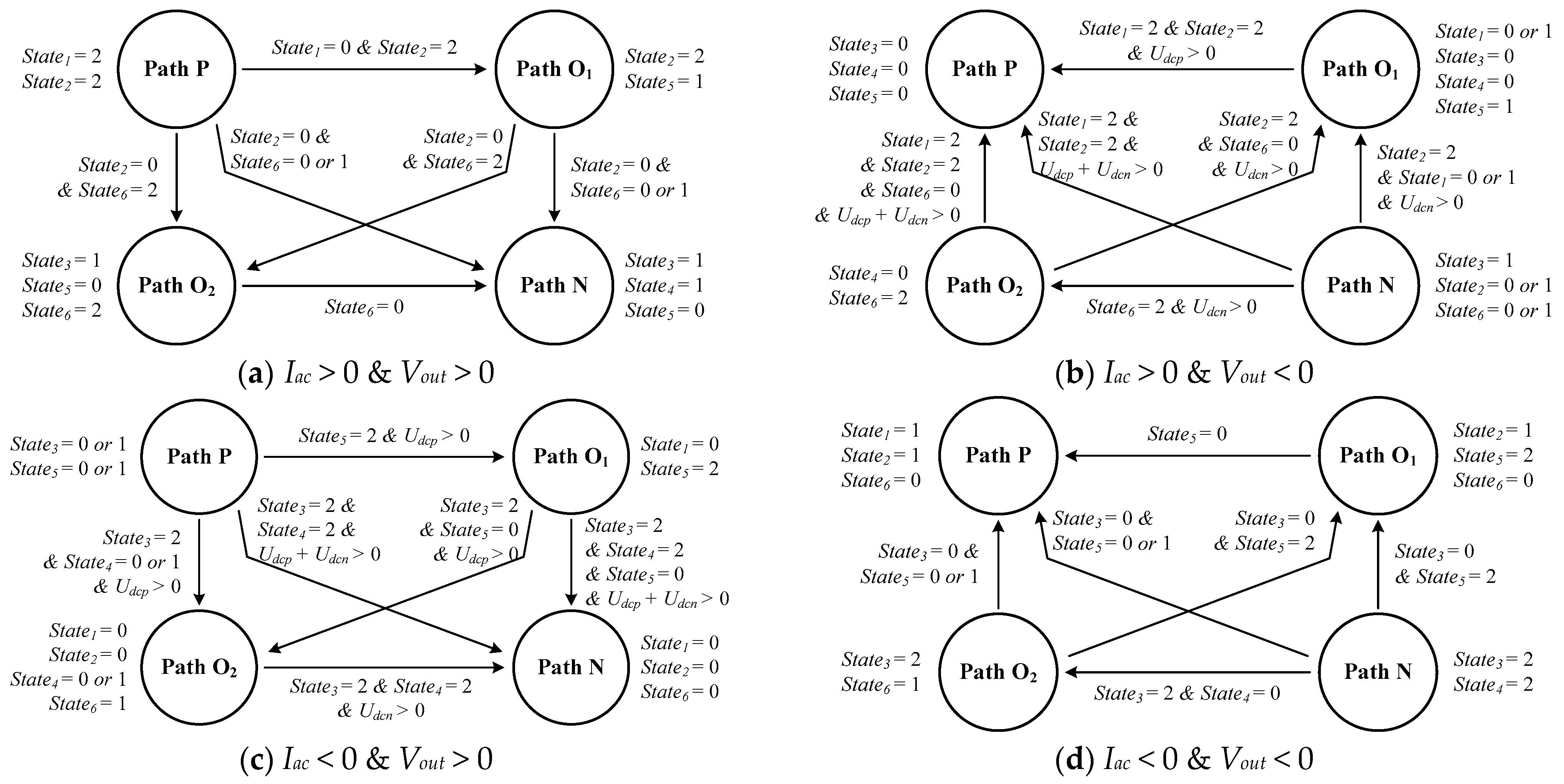
2.2.1. Three-State Machine for IGBT/Diode
2.2.2. Synchronous Switching Event Judgment
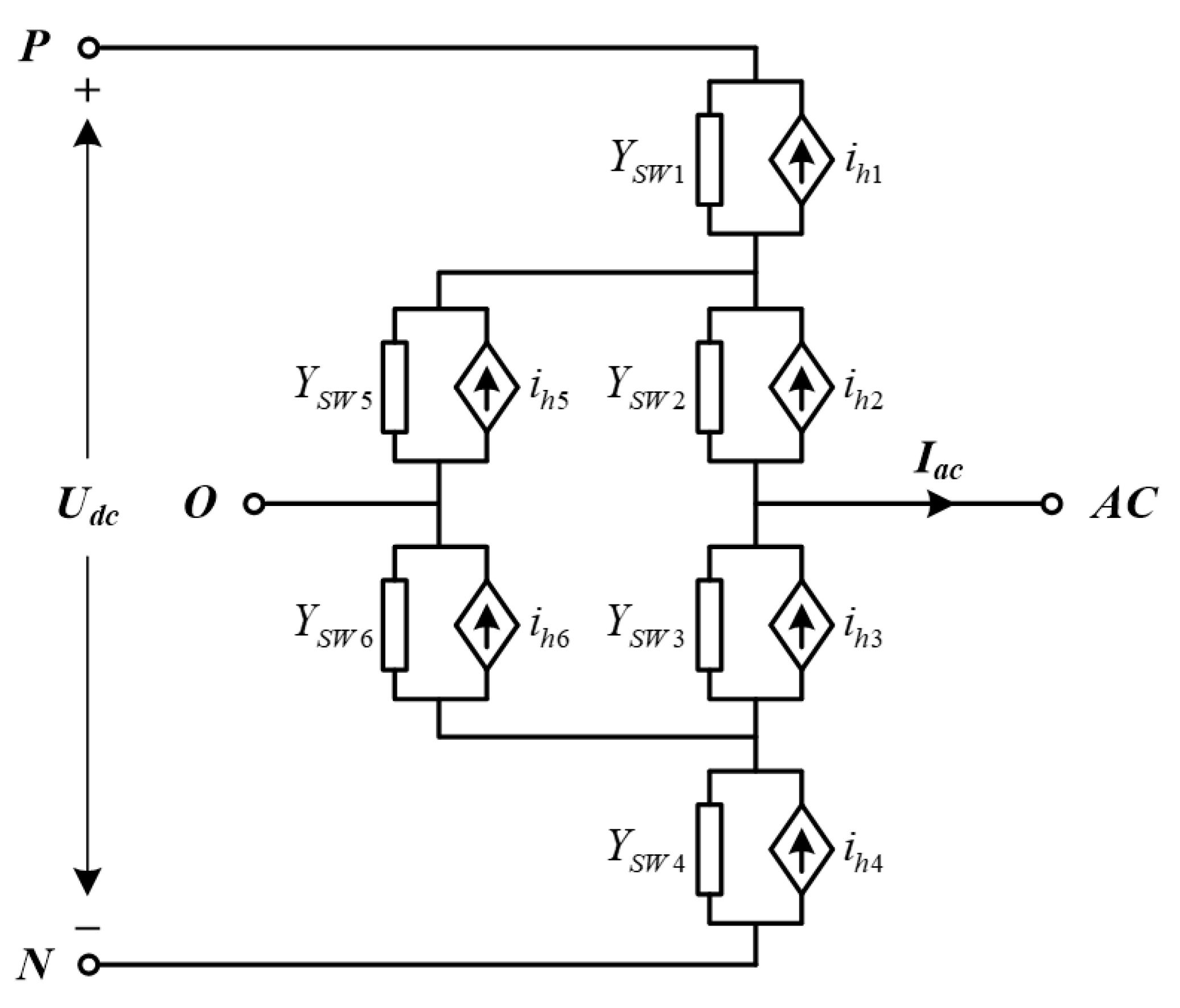
2.3. Switching Model Based on Associated Discrete Circuit
2.3.1. L/C Equivalent of Switch
2.3.2. Norton Equivalent of ADC Switch Model
2.4. Switching Function Model Based on Time-Averaged Method
2.4.1. Switching Function Model Construction
2.4.2. Time-Averaged Method Processing of Switching Control Signals
3. Construction of Simulation Test Cases
3.1. Three-Phase Three-Level ANPC Converter System
3.2. Control System Model
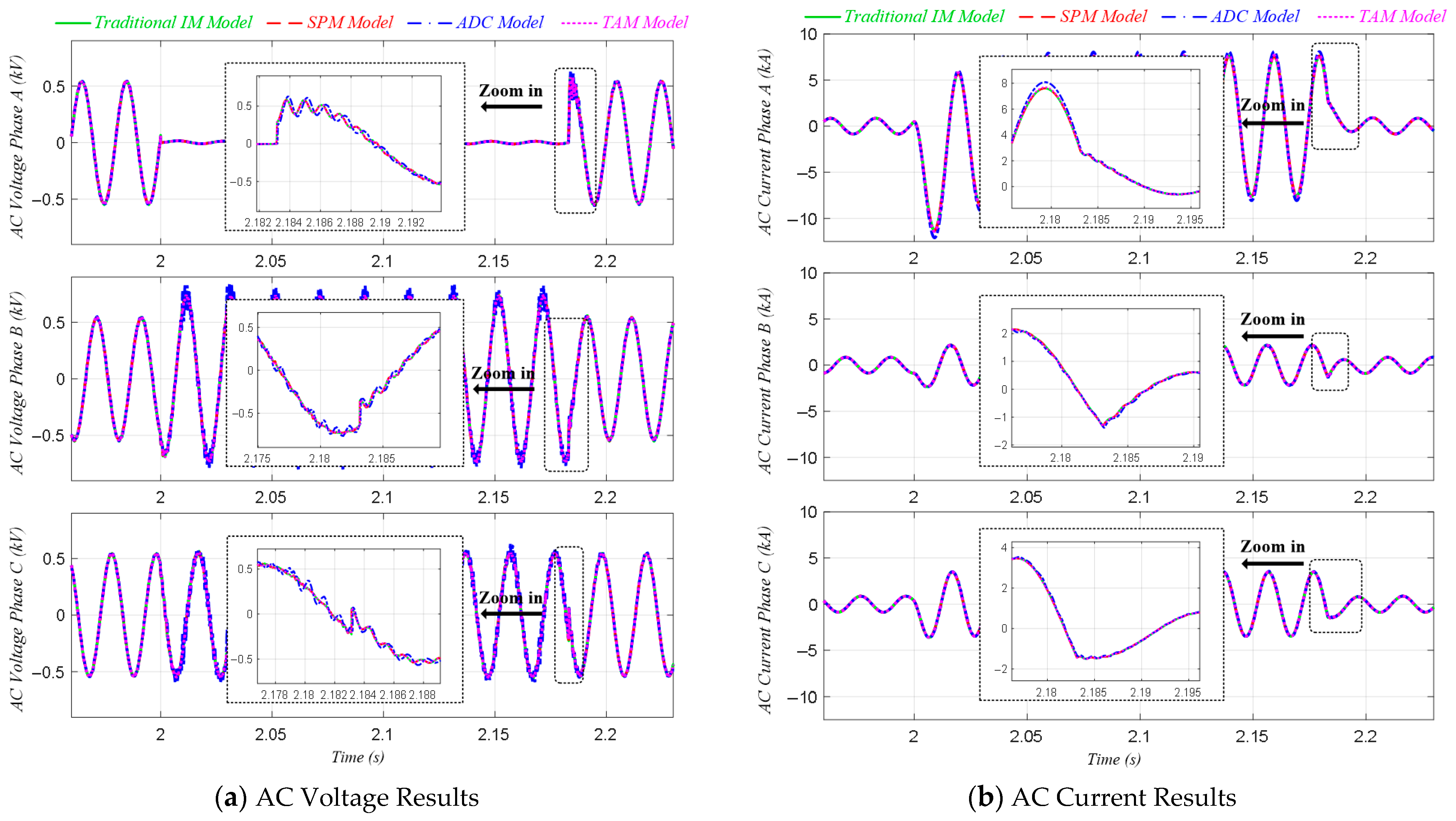
3.3. Simulation Results of Each Model
4. Real-Time Simulation and HIL Application
4.1. HIL Simulation Test Platform
4.2. HIL Simulation Test Results
4.2.1. Symmetrical Fault Condition
4.2.2. Asymmetrical Fault Condition
5. Conclusions
Author Contributions
Funding
Data Availability Statement
Acknowledgments
Conflicts of Interest
Abbreviations
| NPC | Neutral-point-clamped |
| ANPC | Active neutral-point-clamped |
| EMT | Electromagnetic transient |
| HIL | Hardware-in-the-loop |
| IGBT | Insulated gate bipolar transistor |
| IM | Iterative method |
| SPM | Switch-state prediction method |
| ADC | Associated discrete circuit |
| TAM | Time-averaged method |
| PWM | Pulse width modulation |
| DIM | Double-interpolation method |
| IEM | Interpolation–extrapolation method |
| PCM | Post-correction method |
| SVPWM | Space vector pulse width modulation |
| LVRT | Low-voltage ride-through |
References
- Sekar, R.; Suresh, D.S.; Naganagouda, H. A review on power electronic converters suitable for renewable energy sources. In Proceedings of the 2017 International Conference on Electrical, Electronics, Communication, Computer, and Optimization Techniques (ICEECCOT), Mysuru, India, 15–16 December 2017; pp. 501–506. [Google Scholar] [CrossRef]
- Hu, J.; Cheng, K.W.E. Predictive Control of Power Electronics Converters in Renewable Energy Systems. Energies 2017, 10, 515. [Google Scholar] [CrossRef]
- Kolli, N.; Parashar, S.; Kokkonda, R.K.; Bhattacharya, S.; Veliadis, V. Switching loss analysis of three-phase three-level neutral point clamped converter pole enabled by series-connected 10 kV SiC MOSFETs. In Proceedings of the 2023 IEEE Applied Power Electronics Conference and Exposition (APEC), Orlando, FL, USA, 19–23 March 2023; pp. 2353–2360. [Google Scholar] [CrossRef]
- Gopalakrishnan, K.S.; Janakiraman, S.; Das, S.; Narayanan, G. Analytical evaluation of DC capacitor RMS current and voltage ripple in neutral-point clamped inverters. Sādhanā 2017, 42, 827–839. [Google Scholar] [CrossRef]
- Sadigh, A.K.; Dargahi, V.; Corzine, K.A. Analytical determination of conduction and switching power losses in flying-capacitor-based active neutral-point-clamped multilevel converter. IEEE Trans. Power Electron. 2015, 31, 5473–5494. [Google Scholar] [CrossRef]
- Deng, Y.; Li, J.; Shin, K.H.; Viitanen, T.; Saeedifard, M.; Harley, R.G. Improved modulation scheme for loss balancing of three-level active NPC converters. IEEE Trans. Power Electron. 2016, 32, 2521–2532. [Google Scholar] [CrossRef]
- Chen, L.; Xie, X.; He, J.; Xu, T.; Xu, D.; Ma, N. Wideband oscillation monitoring in power systems with high-penetration of renewable energy sources and power electronics: A review. Renew. Sustain. Energy Rev. 2023, 175, 113148. [Google Scholar] [CrossRef]
- Liu, Z.; Li, D.; Wang, W.; Wang, J.; Gong, D. A Review of the Research on the Wide-Band Oscillation Analysis and Suppression of Renewable Energy Grid-Connected Systems. Energies 2024, 17, 1809. [Google Scholar] [CrossRef]
- Subedi, S.; Rauniyar, M.; Ishaq, S.; Hansen, T.M.; Tonkoski, R.; Shirazi, M.; Wies, R.; Cicilio, P. Review of methods to accelerate electromagnetic transient simulation of power systems. IEEE Access 2021, 9, 89714–89731. [Google Scholar] [CrossRef]
- Li, W.; Bélanger, J. An equivalent circuit method for modelling and simulation of modular multilevel converters in real-time HIL test bench. IEEE Trans. Power Deliv. 2016, 31, 2401–2409. [Google Scholar] [CrossRef]
- Lauss, G.; Strunz, K. Accurate and stable hardware-in-the-loop (HIL) real-time simulation of integrated power electronics and power systems. IEEE Trans. Power Electron. 2020, 36, 10920–10932. [Google Scholar] [CrossRef]
- Mojlish, S.; Erdogan, N.; Levine, D.; Davoudi, A. Review of hardware platforms for real-time simulation of electric machines. IEEE Trans. Transp. Electrif. 2017, 3, 130–146. [Google Scholar] [CrossRef]
- Gao, S.; Song, Y.; Chen, Y.; Yu, Z.; Zhang, R. Fast Simulation Model of Voltage Source Converters with Arbitrary Topology Using Switch-State Prediction. IEEE Trans. Power Electron. 2022, 37, 12167–12181. [Google Scholar] [CrossRef]
- Céspedes, M.; Beechner, T.; Sun, J. Averaged modeling and analysis of multilevel converters. In Proceedings of the 2010 IEEE 12th Workshop on Control and Modeling for Power Electronics (COMPEL), Boulder, CO, USA, 28–30 June 2010; pp. 1–6. [Google Scholar] [CrossRef]
- Zhang, B.; Zou, Z.-X.; Wang, Z. Analysis and comparison of three-level ANPC with different commutation modes. In Proceedings of the 2021 IEEE 19th International Power Electronics and Motion Control Conference (PEMC), Gliwice, Poland, 25–29 April 2021; pp. 867–873. [Google Scholar] [CrossRef]
- Gnanarathna, U.N.; Gole, A.M.; Jayasinghe, R.P. Efficient Modeling of Modular Multilevel HVDC Converters (MMC) on Electromagnetic Transient Simulation Programs. IEEE Trans. Power Deliv. 2011, 26, 316–324. [Google Scholar] [CrossRef]
- Wang, K.; Xu, J.; Li, G.; Tai, N.; Tong, A.; Hou, J. A generalized associated discrete circuit model of power converters in real-time simulation. IEEE Trans. Power Electron. 2018, 34, 2220–2233. [Google Scholar] [CrossRef]
- Ferreira, L.F.R.; Bonatto, B.D.; Cogo, J.R.; de Jesus, N.C.; Dommel, H.W.; Marti, J.R. Comparative solutions of numerical oscillations in the trapezoidal method used by EMTP-based programs. In Proceedings of the International Conference on Power Systems Transients (IPST2015), Cavtat, Croatia, 15–18 June 2015; pp. 147–153. [Google Scholar]
- Barzkar, A.; Lin, Q.; Burgos, R. The Average Modeling of Active Neutral Point Clamped (ANPC) Converters. In Proceedings of the 2024 IEEE Energy Conversion Congress and Exposition (ECCE), Phoenix, AZ, USA, 20–24 October 2024; pp. 3781–3786. [Google Scholar] [CrossRef]
- De Kelper, B.; Dessaint, L.A.; Al-Haddad, K.; Nakra, H. A comprehensive approach to fixed-step simulation of switched circuits. IEEE Trans. Power Electron. 2002, 17, 216–224. [Google Scholar] [CrossRef]
- Strunz, K.; Linares, L.; Marti, J.R.; Huet, O.; Lombard, X. Efficient and accurate representation of asynchronous network structure changing phenomena in digital real time simulators. IEEE Trans. Power Syst. 2000, 15, 586–592. [Google Scholar] [CrossRef]
- Lian, K. Real Time Simulation of a VSC. Master’s Thesis, University of Toronto, Toronto, ON, Canada, 2003. [Google Scholar]
- Lian, K.L.; Lehn, P.W. Real-time simulation of voltage source converters based on time average method. IEEE Trans. Power Syst. 2005, 20, 110–118. [Google Scholar] [CrossRef]
- Maguire, T.; Giesbrecht, J. Small Time-Step (≤2 μs) VSC Model for the Real Time Digital Simulator. In Proceedings of the ICPST, Montreal, QC, Canada, 19–23 June 2005; pp. 1–6. [Google Scholar]
- Chen, Y.; Gao, S.; Song, Y.; Huang, S.; Shen, C.; Yu, Z. High-performance electromagnetic transient simulation for new-type power system based on cloud computing. Proc. CSEE 2022, 42, 2854–2864. [Google Scholar]



















| Output Voltage | Converter State | IGBT Gate Switching State | |||||
|---|---|---|---|---|---|---|---|
| T1 | T2 | T3 | T4 | T5 | T6 | ||
| 1/2 Udc | P | 1 | 1 | 0 | 0 | 0 | 0 |
| 0 | O1 | 0 | 1 | 0 | 0 | 1 | 0 |
| 0 | O2 | 0 | 0 | 1 | 0 | 0 | 1 |
| −1/2 Udc | N | 0 | 0 | 1 | 1 | 0 | 0 |
| Output Voltage | Converter State | IGBT Gate Switching State | |||||
|---|---|---|---|---|---|---|---|
| T1 | T2 | T3 | T4 | T5 | T6 | ||
| 1/2 Udc | P | 1 | 1 | 0 | 0 | 0 | 1 |
| 0 | O1 | 1 | 0 | 1 | 0 | 0 | 1 |
| 0 | O2 | 0 | 1 | 0 | 1 | 1 | 0 |
| −1/2 Udc | N | 0 | 0 | 1 | 1 | 1 | 0 |
| Parameter | Value | |
|---|---|---|
| AC Side | Grid-side voltage RMS value | 400 V |
| Grid-side voltage frequency | 50 Hz | |
| Grid-side equivalent inductance | 2.286 × 10−4 H | |
| Grid-side equivalent resistance | 1.436 × 10−2 Ω | |
| Filter inductor | 6.8 × 10−5 H | |
| Filter capacitor | 2.232 × 10−4 F | |
| DC Side | Bus voltage | 700 V |
| Capacitance | 7.875 × 10−3 F | |
| Model Type | Maximum Relative Error 1 | Time Consuming of 10 s Simulation | Speedup | |
|---|---|---|---|---|
| Steady-State | Transient | |||
| IM Model | / | / | 28.92 s | / |
| SPM Model | 0.0047% | 0.0179% | 6.99 s | 4.14 |
| ADC Model | 3.36% | 13.39% | 4.96 s | 5.83 |
| TAM Model | 2.42% | 2.62% | 4.52 s | 6.40 |
Disclaimer/Publisher’s Note: The statements, opinions and data contained in all publications are solely those of the individual author(s) and contributor(s) and not of MDPI and/or the editor(s). MDPI and/or the editor(s) disclaim responsibility for any injury to people or property resulting from any ideas, methods, instructions or products referred to in the content. |
© 2025 by the authors. Licensee MDPI, Basel, Switzerland. This article is an open access article distributed under the terms and conditions of the Creative Commons Attribution (CC BY) license (https://creativecommons.org/licenses/by/4.0/).
Share and Cite
Yan, X.; Li, Z.; Ding, J.; Zhang, P.; Huang, J.; Wei, Q.; Yu, Z. Computational Efficiency–Accuracy Trade-Offs in EMT Modeling of ANPC Converters: Comparative Study and Real-Time HIL Validation. Energies 2025, 18, 5173. https://doi.org/10.3390/en18195173
Yan X, Li Z, Ding J, Zhang P, Huang J, Wei Q, Yu Z. Computational Efficiency–Accuracy Trade-Offs in EMT Modeling of ANPC Converters: Comparative Study and Real-Time HIL Validation. Energies. 2025; 18(19):5173. https://doi.org/10.3390/en18195173
Chicago/Turabian StyleYan, Xinrong, Zhijun Li, Jiajun Ding, Ping Zhang, Jia Huang, Qing Wei, and Zhitong Yu. 2025. "Computational Efficiency–Accuracy Trade-Offs in EMT Modeling of ANPC Converters: Comparative Study and Real-Time HIL Validation" Energies 18, no. 19: 5173. https://doi.org/10.3390/en18195173
APA StyleYan, X., Li, Z., Ding, J., Zhang, P., Huang, J., Wei, Q., & Yu, Z. (2025). Computational Efficiency–Accuracy Trade-Offs in EMT Modeling of ANPC Converters: Comparative Study and Real-Time HIL Validation. Energies, 18(19), 5173. https://doi.org/10.3390/en18195173
