An Overview About Second-Life Battery Utilization for Energy Storage: Key Challenges and Solutions
Abstract
1. Introduction
1.1. Background
1.2. The Definition and Potential Application of Second-Life EV Batteries
- Phase 1 (First life): The power battery is used to supply an EV when the capacity retention rate is between 100% to 80%, where the capacity retention rate refers to the ratio of practical capacity after several cycles to the initial capacity value.
- Phase 2 (Second life): When the capacity retention rate is lower than 80%, the power battery must be retired but can be utilized for energy storage. By second life utilization, the overall lifetime of EV batteries can be maximized. It can be seen that the second life stage is a relatively long duration in the whole lifetime of an EV battery.
- Phase 3 (Recycling): Once the energy retention rate of an EV battery is lower than 30%, EV batteries must be recycled and decomposed.
- Sustainability: A second-life battery can be recycled and reused as ESS to realize energy conservation.
- Cost-effectiveness: The average expense of power batteries during the whole lifetime can be significantly reduced due to an extended lifetime.
- High flexibility: The power of a second-life battery can be flexibly controlled to meet different energy storage application needs.
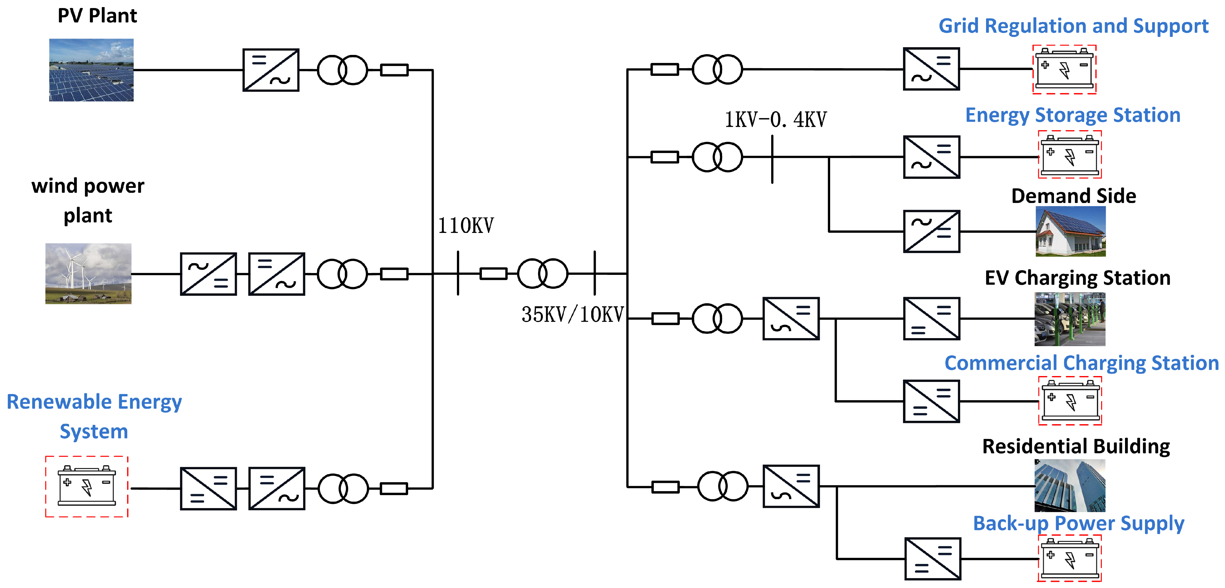
2. The Potential Applications of Second-Life Batteries
2.1. Possible Applications
- (1)
- Power smoothing for renewable energy systems
- (2)
- Commercial charging station
- (3)
- Backup power supply
- (4)
- Auxiliary service capability
2.2. The Potential Technical Challenges of Second-Life Batteries
- Safety and reliability: After long-term operation of the second-life battery system, the capacity and performance will be attenuated, which may destroy the thermal balance of the battery and bring some risks and hazards. Therefore, the safety and reliability of second-life battery use is a key issue.
- Cell inhomogeneity in battery system: The inequality problem of cells in a battery package is an important challenge. An unbalance between the cells may occur, which causes performance differences of cells in the battery pack.
- Compatibility issue: The performance of different battery packs may be different. The compatibility of different battery packs is critical to realize energy storage. Furthermore, cost-effective maintenance and management technologies are also important aspects.
- Data safety and protection strategy: The usage data of second-life batteries can be used to optimize the battery performance, extend the service life, predict potential risks, and even support the dispatch and management of smart grids.
3. Safety Management of Second-Life Battery
3.1. Mechanism Analysis of the Thermal Runaway Issue
3.2. Safety Improvement and Management Method
- (1)
- Material and Structure Optimization
- (2)
- Parameter Identification and Optimization
- (3)
- Battery Management System (BMS) for a Second-life Battery
- (4)
- AI-based operation and control strategies
4. Cell Inhomogeneity in a Power Battery Module
4.1. Mechanism Analysis of Cell Inhomogeneity
4.2. Balance Strategy of Battery Cells
- (1)
- Active Balancing Strategy
- (2)
- Passive Balancing Strategy
- (3)
- Comparative analysis of different balancing strategies
5. Compatibility Issue of Second-Life Battery
5.1. Compatibility of Electrical Characteristics for Energy Storage
5.2. Compatibility of Different Second-Life Batteries with Energy Management Systems
6. Data Safety and Protection Strategies for Second-Life Batteries
6.1. Digital Passport (DP) Technology
6.2. Smart Meter for Second-Life Battery
6.3. Internet of Things-Based Protection Method
6.4. Regulations and Rules for Data Safety of a Second-Life Battery
7. Discussion and Future Trends
- (1)
- Safety Management Technology of a Second-life Battery
- (2)
- Cell Inhomogeneity of Second-life Battery Systems
- (3)
- Combability Issue for Second-life Battery Utilization
- (4)
- Data Safety and Protection Strategy of Second-life Batteries
Author Contributions
Funding
Data Availability Statement
Acknowledgments
Conflicts of Interest
References
- Zhao, Y.; Pohl, O.; Bhatt, A.I.; Collis, G.E.; Mahon, P.J.; Rüther, T.; Hollenkamp, A.F. A Review on Battery Market Trends, Second-Life Reuse, and Recycling. Sustain. Chem. 2021, 2, 167–205. [Google Scholar] [CrossRef]
- Olsson, L.; Fallahi, S.; Schnurr, M.; Diener, D.; Van Loon, P. Circular Business Models for Extended EV Battery Life. Batteries 2018, 4, 57. [Google Scholar] [CrossRef]
- Shahjalal, M.; Roy, P.K.; Shams, T.; Fly, A.; Chowdhury, J.I.; Ahmed, R.; Liu, K. A review on second-life of Li-ion batteries: Prospects, challenges, and issues. Energy 2021, 241, 122881. [Google Scholar] [CrossRef]
- Harper, G.; Sommerville, R.; Kendrick, E.; Driscoll, L.; Slater, P.; Stolkin, R.; Walton, A.; Christensen, P.; Heidrich, O.; Lambert, S.; et al. Recycling lithium-ion batteries from electric vehicles. Nature 2019, 575, 75. [Google Scholar] [CrossRef]
- Timmermans, J.M.; Nikolian, A.; De Hoog, J.; Gopalakrishnan, R.; Goutam, S.; Omar, N.; Coosemans, T.; Van Mierlo, J.; Warnecke, A.; Sauer, D.U.; et al. Batteries 2020—Lithium-ion battery first and second life ageing, validated battery models, lifetime modelling and ageing assessment of thermal parameters. In Proceedings of the 2016 18th European Conference on Power Electronics and Applications (EPE’16 ECCE Europe), Karlsruhe, Germany, 5–9 September 2016; IEEE: Piscataway, NJ, USA, 2016; pp. 1–23. [Google Scholar]
- Rasheed, M.; Hassan, R.; Kamel, M.; Wang, H.; Zane, R.; Tong, S.; Smith, K. Active Reconditioning of Retired Lithium-Ion Battery Packs From Electric Vehicles for Second-Life Applications. IEEE J. Emerg. Sel. Top. Power Electron. 2024, 12, 388–404. [Google Scholar] [CrossRef]
- Kehl, D.; Jennert, T.; Lienesch, F.; Kurrat, M. Electrical Characterization of Li-Ion Battery Modules for Second-Life Applications. Batteries 2021, 7, 32. [Google Scholar] [CrossRef]
- Font, C.H.I.; Siqueira, H.V.; Neto, J.E.M.; dos Santos, J.L.F.; Stevan, S.L.; Converti, A.; Corrêa, F.C. Second Life of Lithium-Ion Batteries of Electric Vehicles: A Short Review and Perspectives. Energies 2023, 16, 953. [Google Scholar] [CrossRef]
- Steckel, T.; Kendall, A.; Ambrose, H. Applying levelized cost of storage methodology to utility-scale second-life lithium-ion battery energy storage systems. Appl. Energy 2021, 300, 117309. [Google Scholar] [CrossRef]
- Rallo, H.; Casals, L.C.; De La Torre, D.; Reinhardt, R.; Marchante, C.; Amante, B. Lithium-ion battery 2nd life used as a stationary energy storage system: Ageing and economic analysis in two real cases. J. Clean. Prod. 2020, 272, 122584. [Google Scholar] [CrossRef]
- Alhadri, M.; Zakri, W.; Esmaeeli, R.; Mohammed, A.H.; Hashemi, S.R.; Barua, H.; Aliniagerdroudbari, H.; Farhad, S. Analysis of Second-Life of a Lithium-Ion Battery in an Energy Storage System Connected to a Wind Turbine. In Proceedings of the 2019 IEEE Power and Energy Conference at Illinois (PECI), Champaign, IL, USA, 28 February–1 March 2019; pp. 1–8. [Google Scholar]
- Kootstra, M.A.; Tong, S.; Park, J.W. Photovoltaic grid stabilization system using second life lithium battery. Int. J. Energy Res. 2015, 39, 825–841. [Google Scholar] [CrossRef]
- Chen, Z.; Chen, L.; Shen, W.; Xu, K. Remaining Useful Life Prediction of Lithium-Ion Battery via a Sequence Decomposition and Deep Learning Integrated Approach. IEEE Trans. Veh. Technol. 2022, 71, 1466–1479. [Google Scholar] [CrossRef]
- Mubenga, N.S.; Sharma, K.; Stuart, T. A Bilevel Equalizer to Boost the Capacity of Second Life Li Ion Batteries. Batteries 2019, 5, 55. [Google Scholar] [CrossRef]
- Hein, T.; Ziegler, A.; Oeser, D.; Ackva, A. A capacity-based equalization method for aged lithium-ion batteries in electric vehicles. Electr. Power Syst. Res. 2021, 191, 106898. [Google Scholar] [CrossRef]
- Yang, Y.; Zhu, W.; Xie, C.; Shi, Y.; Liu, F.; Li, W.; Tang, Z. A Layered Bidirectional Active Equalization Method for Retired Power Lithium-Ion Batteries for Energy Storage Applications. Energies 2020, 13, 832. [Google Scholar] [CrossRef]
- Hua, Y.; Zhou, S.; Cui, H.; Liu, X.; Zhang, C.; Xu, X.; Ling, H.; Yang, S. A comprehensive review on inconsistency and equalization technology of lithium-ion battery for electric vehicles. Int. J. Energy Res. 2020, 44, 11059–11087. [Google Scholar] [CrossRef]
- Martinez-Laserna, E.; Sarasketa-Zabala, E.; Stroe, D.-I.; Swierczynski, M.; Warnecke, A.; Timmermans, J.M.; Goutam, S.; Rodriguez, P. Evaluation of lithium-ion battery second life performance and degradation. In Proceedings of the 2016 IEEE Energy Conversion Congress and Exposition (ECCE), Milwaukee, WI, USA, 18–22 September 2016; pp. 1–7. [Google Scholar]
- Kampker, A.; Heimes, H.H.; Offermanns, C.; Vienenkötter, J.; Frank, M.; Holz, D. Identification of Challenges for Second-Life Battery Systems—A Literature Review. World Electr. Veh. J. 2023, 14, 80. [Google Scholar] [CrossRef]
- Ioakimidis, C.S.; Murillo-Marrodán, A.; Bagheri, A.; Thomas, D.; Genikomsakis, K.N. Life Cycle Assessment of a Lithium Iron Phosphate (LFP) Electric Vehicle Battery in Second Life Application Scenarios. Sustainability 2019, 11, 2527. [Google Scholar] [CrossRef]
- Casals, L.C.; García, B.A.; Cremades, L.V. Electric Vehicle Battery Reuse: Preparing for a Second Life. J. Ind. Eng. Manag. 2017, 10, 266–285. [Google Scholar] [CrossRef]
- Deng, Y.; Zhang, Y.; Luo, F.; Mu, Y. Hierarchical energy management for community microgrids with integration of second-life battery energy storage systems and photovoltaic solar energy. IET Energy Syst. Integr. 2022, 4, 206–219. [Google Scholar] [CrossRef]
- Strickland, D.; Chittock, L.; Stone, D.A.; Foster, M.P.; Price, B. Estimation of Transportation Battery Second Life for Use in Electricity Grid Systems. IEEE Trans. Sustain. Energy 2014, 5, 795–803. [Google Scholar] [CrossRef]
- White, C.; Thompson, B.; Swan, L.G. Repurposed electric vehicle battery performance in second-life electricity grid frequency regulation service. J. Energy Storage 2020, 28, 101278. [Google Scholar] [CrossRef]
- Song, Z.; Feng, S.; Zhang, L.; Hu, Z.; Hu, X.; Yao, R. Economy analysis of second-life battery in wind power systems considering battery degradation in dynamic processes: Real case scenarios. Appl. Energy 2019, 251, 113411. [Google Scholar] [CrossRef]
- Graber, G.; Calderaro, V.; Galdi, V.; Piccolo, A. Battery Second-Life for Dedicated and Shared Energy Storage Systems Supporting EV Charging Stations. Electronics 2020, 9, 939. [Google Scholar] [CrossRef]
- Zhu, C.; Xu, J.; Liu, K.; Li, X. Feasibility analysis of transportation battery second life used in backup power for communication base station. In Proceedings of the 2017 IEEE Transportation Electrification Conference and Expo, Asia-Pacific (ITEC Asia-Pacific), Harbin, China, 7–10 August 2017; pp. 1–4. [Google Scholar]
- Lih, W.C.; Yen, J.H.; Shieh, F.H.; Liao, Y.M. Second Use of Retired Lithium-ion Battery Packs from Electric Vehicles: Technological Challenges, Cost Analysis and Optimal Business Model. In Proceedings of the 2012 International Symposium on Computer, Consumer and Control, Taichung, Taiwan, 4–6 June 2012; pp. 381–384. [Google Scholar]
- Or, T.; Gourley, S.W.D.; Kaliyappan, K.; Yu, A.; Chen, Z. Recycling of mixed cathode lithium-ion batteries for electric vehicles: Current status and future outlook. Carbon Energy 2020, 2, 6–43. [Google Scholar] [CrossRef]
- Gumanova, V.; Sobotova, L. Proposal for Disassembly of Electric Vehicle Batteries used in the Volkswagen Jetta Hybrid System. In Proceedings of the 2019 International Council on Technologies of Environmental Protection (ICTEP), Starý Smokovec, Slovakia, 23–25 October 2019; pp. 100–106. [Google Scholar]
- Hellmuth, J.F.; DiFilippo, N.M.; Jouaneh, M.K. Assessment of the automation potential of electric vehicle battery disassembly. J. Manuf. Syst. 2021, 59, 398–412. [Google Scholar] [CrossRef]
- Kay, I.; Farhad, S.; Mahajan, A.; Esmaeeli, R.; Hashemi, S.R. Robotic Disassembly of Electric Vehiclesrsquo; Battery Modules for Recycling. Energies 2022, 15, 4856. [Google Scholar] [CrossRef]
- Geigle, S.; Baum, S.; Stadler, I.; Maas, A. Suggested Modifications for the Future Market of Balancing Power and the Potentials it offers to Mobile and Stationary Battery Storage in the Private Sector. In Proceedings of the 2018 7th International Energy and Sustainability Conference (IESC), Cologne, Germany, 17–18 May 2018; pp. 1–9. [Google Scholar]
- Narayan, N.; Qin, Z.; Popovic, J.; Bauer, P.; Zeman, M. Evaluating the techno-economic feasibility of battery technologies in the context of Solar Home Systems. In Proceedings of the 2018 20th European Conference on Power Electronics and Applications (EPE’18 ECCE Europe), Riga, Latvia, 17–21 September 2018; pp. P.1–P.10. [Google Scholar]
- Fokui, W.S.T.; Saulo, M.; Ngoo, L. Sizing and Modelling of a Standalone PV System with Battery Management System for a Typical Household in Nairobi, Kenya. In Proceedings of the 2021 IEEE AFRICON, Arusha, Tanzania, 13–15 September 2021; pp. 1–6. [Google Scholar]
- Cong, Y.; Meng, X.; Wang, L.; Wang, Y. A Power Smoothing Approach Based on Battery Energy Storage System for Power Fluctuations of Wind Power Generation. In Proceedings of the 2018 International Conference on Information Systems and Computer Aided Education (ICISCAE), Changchun, China, 6–8 July 2018; pp. 331–334. [Google Scholar]
- Lin, Z.; Qiu, G.; Wang, G.; Jiang, R. Improved wind power and storage system smoothing control strategy based on RE reinforcement learning and low pass filtering algorithms. In Proceedings of the 2014 International Conference on Power System Technology, Chengdu, China, 20–22 October 2014; pp. 1749–1753. [Google Scholar]
- Fang, C.; Hu, Z.; Xia, C.; Shi, L.; Wu, F.; Li, Y. Configuration of storage battery cooperating with pumped-storage units for wind and photovoltaic power fluctuation smoothing. In Proceedings of the 2021 IEEE International Conference on Energy Internet (ICEI), Southampton, UK, 27–29 September 2021; pp. 1–5. [Google Scholar]
- Faessler, B. Stationary, Second Use Battery Energy Storage Systems and Their Applications: A Research Review. Energies 2021, 14, 2335. [Google Scholar] [CrossRef]
- Saez-de-Ibarra, A.; Martinez-Laserna, E.; Koch-Ciobotaru, C.; Rodriguez, P.; Stroe, D.-I.; Swierczynski, M. Second life battery energy storage system for residential demand response service. In Proceedings of the 2015 IEEE International Conference on Industrial Technology (ICIT), Seville, Spain, 17–19 March 2015; pp. 2941–2948. [Google Scholar]
- Tong, S.; Fung, T.; Klein, M.P.; Weisbach, D.A.; Park, J.W. Demonstration of reusing electric vehicle battery for solar energy storage and demand side management. J. Energy Storage 2017, 11, 200–210. [Google Scholar] [CrossRef]
- Eseye, A.T.; Lehtonen, M.; Tukia, T.; Uimonen, S.; Millar, R.J. Optimal Energy Trading for Renewable Energy Integrated Building Microgrids Containing Electric Vehicles and Energy Storage Batteries. IEEE Access 2019, 7, 106092–106101. [Google Scholar] [CrossRef]
- Deng, Y.; Zhang, Y.; Luo, F.; Mu, Y. Operational Planning of Centralized Charging Stations Utilizing Second-Life Battery Energy Storage Systems. IEEE Trans. Sustain. Energy 2021, 12, 387–399. [Google Scholar] [CrossRef]
- Mohsenian-Rad, H. Optimal Bidding, Scheduling, and Deployment of Battery Systems in California Day-Ahead Energy Market. IEEE Trans. Power Syst. 2016, 31, 442–453. [Google Scholar] [CrossRef]
- Lin, N.; Ci, S.; Wu, D.; Guo, H. An Optimization Framework for Dynamically Reconfigurable Battery Systems. IEEE Trans. Energy Convers. 2018, 33, 1669–1676. [Google Scholar] [CrossRef]
- Gu, X.; Zhou, L.; Huang, H.; Shi, X.; Ieromonachou, P. Electric vehicle battery secondary use under government subsidy: A closed-loop supply chain perspective. Int. J. Prod. Econ. 2021, 234, 108035. [Google Scholar] [CrossRef]
- Kurdve, M.; Zackrisson, M.; Johansson, M.I.; Ebin, B.; Harlin, U. Considerations when Modelling EV Battery Circularity Systems. Batteries 2019, 5, 40. [Google Scholar] [CrossRef]
- Koch-Ciobotaru, C.; Saez-de-Ibarra, A.; Martinez-Laserna, E.; Stroe, D.-I.; Swierczynski, M.; Rodriguez, P. Second Life Battery Energy Storage System for Enhancing Renewable Energy Grid Integration. In Proceedings of the 2015 IEEE Energy Conversion Congress and Exposition (ECCE), Montreal, QC, Canada, 20–24 September 2015; pp. 78–84. [Google Scholar]
- Li, R.; Hassan, A.; Gupte, N.; Su, W.; Zhou, X. Degradation Prediction and Cost Optimization of Second-Life Battery Used for Energy Arbitrage and Peak-Shaving in an Electric Grid. Energies 2023, 16, 6200. [Google Scholar] [CrossRef]
- Kebede, A.A.; Hosen, S.; Kalogiannis, T.; Behabtu, H.A.; Assefa, M.Z.; Jemal, T.; Ramayya, V.; Van Mierlo, J.; Coosemans, T.; Berecibar, M. Optimal sizing and lifetime investigation of second life lithium-ion battery for grid-scale stationary application. J. Energy Storage 2023, 72, 10854. [Google Scholar] [CrossRef]
- Bhatt, A.; Ongsakul, W. Optimal techno-economic feasibility study of net-zero carbon emission microgrid integrating second-life battery energy storage system. Energy Convers. Manag. 2022, 266, 115825. [Google Scholar] [CrossRef]
- Huang, B.; Yan, H.; Kong, D.; Guo, Z.; Xie, H. Characteristics index system for the second-life feasibility of retired power batteries from electric vehicles. In Proceedings of the 2021 IEEE 4th International Electrical and Energy Conference (CIEEC), Wuhan, China, 28–30 May 2021; pp. 1–6. [Google Scholar]
- Li, K.; Li, Y.; Rui, X.; Cao, Y.; Fan, L.; Feng, X. Experimental Study on the Effect of State of Charge on Failure Propagation Characteristics within Battery Modules. Chin. J. Electr. Eng. 2023, 9, 3–14. [Google Scholar] [CrossRef]
- Na, Y.-U.; Jeon, J.-W. A Comparative Analysis of Thermal Runaway Trigger Methods on Lithium-Ion Pouch Batteries for Fire Investigation. IEEE Access 2024. early access. [Google Scholar] [CrossRef]
- Stanciu, T.M.; Stroe, D.-I.; Swierczynski, M.; Teodorescu, R.; Nieto, N.; Gastelurrutia, J.; Timmermans, J.-M. Performance degradation of thermal parameters during cycle ageing of high energy density Ni-Mn-Co based Lithium-Ion battery cells. In Proceedings of the IEEE Energy Conversion Congress and Exposition (ECCE), Milwaukee, WI, USA, 18–22 September 2016; IEEE: Piscataway, NJ, USA, 2016; pp. 1–7. [Google Scholar]
- Sanaka, S.P.; Kandula, R.; Garikapati, N.V.S.S.; Chinatada, B.; Mahamad, A.; Gaddam, G. Transient Thermal Analysis on Li-ion Battery Pack used for Evs using Comsol. In Proceedings of the 2023 IEEE 2nd International Conference on Industrial Electronics: Developments & Applications (ICIDeA), Imphal, India, 29–30 September 2023; pp. 639–644. [Google Scholar]
- Gan, D.Z.; Gong, S.; Zhang, W.; Shao, L. Large-Area Flexible Pressure Sensors for In Situ Monitoring of Cell Swelling in Vehicle Battery Packs. IEEE Sens. J. 2024, 24, 13980–13990. [Google Scholar] [CrossRef]
- Adasah, S.N.; Wang, Z.; Hu, S.; Capezza, S.; Shao, J.; Chow, M.-Y. Review of Fault Diagnosis based Protection Mechanisms for Battery Energy Storage Systems. In Proceedings of the 2024 IEEE 33rd International Symposium on Industrial Electronics (ISIE), Ulsan, Republic of Korea, 18–21 June 2024; pp. 1–6. [Google Scholar]
- Cho, A.; Nah, S.; Sapio, G.; Vail, D.; Wang, P.; Hodson, T. Analysis of Lithium-Ion Battery Failure and PyBaMM’s Viability in Simulating Them. In Proceedings of the 2020 IEEE MIT Undergraduate Research Technology Conference (URTC), Cambridge, MA, USA, 9–11 October 2020; pp. 1–4. [Google Scholar]
- Li, J.; Wang, Q.; Li, Y.; Wu, Y.; Cui, Y. Research progress on fire protection technology of containerized Li-ion battery energy storage system. In Proceedings of the 2021 IEEE Sustainable Power and Energy Conference (iSPEC), Nanjing, China, 23–25 December 2021; pp. 1105–1109. [Google Scholar]
- Novotny, J.; Kulhanek, T.; Zich, J. Thermal model of the Second-life Battery Energy Storage System as a building block for digital twin. In Proceedings of the 2023 31st Telecommunications Forum (TELFOR), Belgrade, Serbia, 21–22 November 2023; pp. 1–4. [Google Scholar]
- Durga, C.R.; Karthik, J.; Dakshayani, R.; Manikanta, S. A Novel Approach for Smart Battery Monitoring System in Electric Vehicles using Internet of Things. In Proceedings of the 2023 International Conference on Intelligent Data Communication Technologies and Internet of Things (IDCIoT), Bengaluru, India, 5–7 January 2023; pp. 870–874. [Google Scholar]
- Pérez, A.; Martín, I.S.; Sanchis, P.; Ursúa, A. Integrated Lithium-ion battery model and experimental validation of a second-life prototype. In Proceedings of the 2023 IEEE 32nd International Symposium on Industrial Electronics (ISIE), Helsinki, Finland, 19–21 June 2023; pp. 1–6. [Google Scholar]
- Christensen, A.; Adebusuyi, A. Using on-board electrochemical impedance spectroscopy in battery management systems. In Proceedings of the 2013 World Electric Vehicle Symposium and Exhibition (EVS27), Barcelona, Spain, 17–20 November 2013; pp. 1–7. [Google Scholar]
- Agarwal, A.S.; Hill, D.; Gully, B.; Kleinberg, M.; Zander, B.; Nourai, A.; Thrun, L.; Swartz, S.; Koslowske, M.; Cummings, S.; et al. Detection of off gassing from Li-ion batteries. In Proceedings of the 2013 IEEE Energytech, Cleveland, OH, USA, 21–23 May 2013; pp. 1–7. [Google Scholar]
- Huang, A.; Friend, J. Notice of Removal: Prevent lithium dendrite formation in rechargeable batteries through surface acoustic waves. In Proceedings of the 2017 IEEE International Ultrasonics Symposium (IUS), Washington, DC, USA, 6–9 September 2017. [Google Scholar]
- Chen, F.; Chen, T.; Wu, Z.; Zhou, Z.; Su, J.; Zheng, Y.; Han, X. Uneven Electrolyte Distribution in Lithium-Ion Batteries: Investigating the Phenomenon and Mechanism of Negative Electrode Lithium Plating. In Proceedings of the 2024 IEEE 7th International Electrical and Energy Conference (CIEEC), Harbin, China, 10–12 May 2024; pp. 3457–3464. [Google Scholar]
- Xu, C.; Su, Z.; Wang, J.; Zhong, Z.; Zhu, G.; Cao, Y.C. Liquid Metal Doped Li4Ti5O12 as the Anode Material in Lithium-Ion Battery for Temperature Tolerance Outdoor Secondary Equipment Power Supply. In Proceedings of the 4th International Conference on Power and Renewable Energy (ICPRE), Chengdu, China, 21–23 September 2019; IEEE: Piscataway, NJ, USA, 2019; pp. 351–355. [Google Scholar]
- Ryu, K.S. Synthesis and electrochemical performance of graphene/metal oxide nanocomposite electrodes in lithium secondary battery and supercapacitors. In Proceedings of the Ifost, Ulaanbaatar, Mongolia, 28 June–1 July 2013; IEEE: Piscataway, NJ, USA, 2013; Volume 1, pp. 96–100. [Google Scholar]
- Wang, Y. Research on the Performance Test of Lithium Ion Battery Anode Based on Energy Density Optimization Technology of Layered Cathode Material. In Proceedings of the 2022 6th International Conference on Power and Energy Engineering (ICPEE), Shanghai, China, 25–27 November 2022; pp. 344–350. [Google Scholar]
- Owens, B.B. Polymer electrolyte batteries. In Proceedings of the Sixth Annual Battery Conference on Applications and Advances, Long Beach, CA, USA, 15–17 January 1991; pp. 21–26. [Google Scholar]
- Li, X.; Wu, Z.; Huang, Q.; Li, C.; Jin, Y.; Zhang, G.; Yang, W.; Deng, J.; Xiong, K.; Wu, Y. Design of the flame retardant form-stable composite phase change materials for battery thermal management system. iEnergy 2022, 1, 223–235. [Google Scholar] [CrossRef]
- Bezha, M.; Nanahara, T.; Nagaoka, N. Development of Fast SoH Estimation of Li-Ion Battery Pack/Modules Using Multi Series-Parallel based ANN Structure. In Proceedings of the 2021 IEEE 12th Energy Conversion Congress & Exposition—Asia (ECCE-Asia), Singapore, 24–27 May 2021; pp. 1719–1724. [Google Scholar]
- Matsushita, T.; Yabuta, K.; Tsujikawa, T.; Matsushima, T.; Arakawa, M.; Kurita, K. Construction of three-dimensional thermal simulation model of lithium-ion secondary battery. In Proceedings of the INTELEC 2008—2008 IEEE 30th International Telecommunications Energy Conference, San Diego, CA, USA, 14–18 September 2008; pp. 1–6. [Google Scholar]
- Zhou, Z.; Duan, B.; Kang, Y.; Shang, Y.; Zhang, Q.; Zhang, C. Health Feature Extraction and Efficient Sorting of Second-Life Lithium-Ion Batteries. IEEE Trans. Energy Convers. 2024, 39, 1373–1382. [Google Scholar] [CrossRef]
- Wang, Q.; Wang, Z.; Zhang, L.; Liu, P.; Zhang, Z. A Novel Consistency Evaluation Method for Series-Connected Battery Systems Based on Real-World Operation Data. IEEE Trans. Transp. Electrif. 2021, 7, 437–451. [Google Scholar] [CrossRef]
- Raihan, S.A.; Balasingam, B. Recursive Least Square Estimation Approach to Real-Time Parameter Identification in Li-ion Batteries. In Proceedings of the 2019 IEEE Electrical Power and Energy Conference (EPEC), Montreal, QC, Canada, 16–18 October 2019; pp. 1–6. [Google Scholar]
- Jamshidi, M.B.; Jamshidi, M.; Rostami, S. An intelligent approach for nonlinear system identification of a Li-ion battery. In Proceedings of the 2017 IEEE 2nd International Conference on Automatic Control and Intelligent Systems (I2CACIS), Kota Kinabalu, Malaysia, 21 October 2017; pp. 98–103. [Google Scholar]
- Talat, M.T.; Khawaja, A.H. Li-Ion Battery Parameter Identification Using Pseudo Random Noise. In Proceedings of the 2019 15th International Conference on Emerging Technologies (ICET), Peshawar, Pakistan, 2–3 December 2019; pp. 1–5. [Google Scholar]
- Lin, L.; Fukui, M. An OCV Estimation Algorithm for Lithium-ion Battery using Kalman Filter. In Proceedings of the 2020 IEEE REGION 10 CONFERENCE (TENCON), Osaka, Japan, 16–19 November 2020; pp. 1086–1089. [Google Scholar]
- Aggoun, G.; Mansouri, R.; Abdeslam, D.O. SOC estimation based on OCV and online identification parameters of lithium ion batteries with ADALINE. In Proceedings of the 2016 8th International Conference on Modelling, Identification and Control (ICMIC), Algiers, Algeria, 15–17 November 2016; pp. 538–543. [Google Scholar]
- Sihvo, J.; Roinila, T.; Messo, T.; Stroe, D.-I. Novel online fitting algorithm for impedance-based state estimation of Li-ion batteries. In Proceedings of the IECON 2019—45th Annual Conference of the IEEE Industrial Electronics Society, Lisbon, Portugal, 14–17 October 2019; pp. 4531–4536. [Google Scholar]
- Hiremath, R.; Hulakund, S.; Torgal, V.R.; Patil, A.; Patil, H.R.; Raju, A.B. State-Of-Charge Estimation using Extended Kalman Filter. In Proceedings of the 2023 International Conference for Advancement in Technology (ICONAT), Goa, India, 24–26 January 2023; pp. 1–6. [Google Scholar]
- Yellapu, V.S.; Schofield, N. Reprocessing of retired EV batteries for secondary use: Pulse test method—Results. In Proceedings of the EVI: Charging Ahead (EVI 2023), Glasgow, UK, 14–17 November 2023; pp. 129–132. [Google Scholar]
- Balasingam, B.; Ahmed, M.; Pattipati, K. Battery Management Systems—Challenges and Some Solutions. Energies 2020, 13, 2825. [Google Scholar] [CrossRef]
- Saputra, L.H.; Haq, I.N.; Leksono, E.; Romadhon, R.; Kurniadi, D.; Yuliarto, B. Development of battery thermal management system for LiFeMnPO4 module using air cooling method to minimize cell temperature differences and parasitic energy. In Proceedings of the 2017 4th International Conference on Electric Vehicular Technology (ICEVT), Bali, Indonesia, 2–5 October 2017; pp. 87–92. [Google Scholar]
- Jianhua, C.; Dawei, G.; Jiexun, L.; Jieyuan, W.; Qingchun, L. Thermal modeling of passive thermal management system with phase change material for LiFePO4 battery. In Proceedings of the 2012 IEEE Vehicle Power and Propulsion Conference, Seoul, Republic of Korea, 9–12 October 2012; pp. 436–440. [Google Scholar]
- Kumar, T.P.; Haidari, M.; Vimala, R.; Subramanya, R. Low-cost Battery Management System For E-vehicles. In Proceedings of the 2022 International Conference on Edge Computing and Applications (ICECAA), Tamilnadu, India, 13–15 October 2022; pp. 723–727. [Google Scholar]
- Šuňal, M.; Stupka, A.; Kulhánek, T.; Šišmišová, D.; Matušov, J. BMS Controller Architecture for Second-Life Batteries. In Proceedings of the 2024 ELEKTRO (ELEKTRO), Zakopane, Poland, 20–22 May 2024; pp. 1–6. [Google Scholar]
- Kulhanek, T.; Novotny, J.; Valenta, P. Topology of Battery Management System for Second Life Battery Energy Storage System. In Proceedings of the 2023 31st Telecommunications Forum (TELFOR), Belgrade, Serbia, 21–22 November 2023; pp. 1–4. [Google Scholar]
- Li, J.; Tuo, A.; Cheng, M. Research on Intelligent Control of Charge and Discharge of Lithium Battery. In Proceedings of the 2019 International Conference on Computer Network, Electronic and Automation (ICCNEA), Xi’an, China, 27–29 September 2019; pp. 343–348. [Google Scholar]
- Jamshidi, M.B.; Rostami, S. A dynamic artificial neural network approach to estimate thermal behaviors of li-ion batteries. In Proceedings of the 2017 IEEE 2nd International Conference on Automatic Control and Intelligent Systems (I2CACIS), Kota Kinabalu, Malaysia, 21 October 2017; pp. 116–121. [Google Scholar]
- Mishra, J. Grid circuit design using S.A.N.DY for a battery pack: Switching Algorithm aNd cell DYnamics (S.A.N.DY), a novel approach for optimum discharging/charging of a lithium-polymer battery pack for hybrid/electric vehicles. In Proceedings of the 2015 International Conference on Electrical Systems for Aircraft, Railway, Ship Propulsion and Road Vehicles (ESARS), Aachen, Germany, 3–5 March 2015; pp. 1–7. [Google Scholar]
- Leninpugalhanthi, P.; Kumar, R.S.; Ramya, G.; Prithika, P.; Nandhakishore, R.; Narendaren, K.; Ishwarya, S. Lithium-Ion Battery Life Estimation Using Machine Learning Algorithm. In Proceedings of the 2022 8th International Conference on Advanced Computing and Communication Systems (ICACCS), Coimbatore, India, 25–26 March 2022; pp. 573–576. [Google Scholar]
- Su, Z.; Cheng, F.; Chen, J.; Xu, C.; Zhao, Y.; Gao, X.; Cao, Y.C. Solid State Electrolyte-Enhanced Manganese Dioxide Lithium Primary Battery for Second-life Equipment Power in Grid. In Proceedings of the 4th International Conference on Power and Renewable Energy (ICPRE), Chengdu, China, 21–23 September 2019; IEEE: Piscataway, NJ, USA, 2019; pp. 331–334. [Google Scholar]
- Abdelkarim, E.; Ibrahim, A.A. Control of bi-directional DC-DC converter using batteries for wind power generation. In Proceedings of the 2015 International Conference on Smart Grid and Clean Energy Technologies (ICSGCE), Offenburg, Germany, 20–23 October 2015; pp. 80–84. [Google Scholar]
- An, D.; Chen, Y. A Miniature Millimeter-Wave Radar Based Contactless Lithium Polymer Battery Capacity Sensing with Edge Artificial Intelligence. In Proceedings of the 2022 18th IEEE/ASME International Conference on Mechatronic and Embedded Systems and Applications (MESA), Taipei, Taiwan, 28–30 November 2022; pp. 1–6. [Google Scholar]
- Piombo, G.; Marco, J.; Boyd, R. Analysis of parallel connected lithium-ion cells imbalanced performance based on electrothermal modelling environment. In Proceedings of the 2021 IEEE Vehicle Power and Propulsion Conference (VPPC), Gijon, Spain, 25–28 October 2021; pp. 1–7. [Google Scholar]
- Roy, S.; Khan, F. Detection of Degraded/Aged Cell in a Li-ion Battery Pack using Spread Spectrum Time Domain Reflectometry (SSTDR). In Proceedings of the 2020 IEEE Applied Power Electronics Conference and Exposition (APEC), New Orleans, LA, USA, 15–19 March 2020; pp. 1483–1488. [Google Scholar]
- Yang, S.; Zhang, S. Energy Balance Control of Multi Group Lithium Ion Batteries Under Internet of Things Technology. IEEE Access 2024, 12, 102784–102797. [Google Scholar] [CrossRef]
- Tarasov, A. Methodological Approach to Capacity Harmonization of Renewable Energy Sources and Battery Pacrks. In Proceedings of the 2018 International Multi-Conference on Industrial Engineering and Modern Technologies (FarEastCon), Vladivostok, Russia, 3–4 October 2018; pp. 1–4. [Google Scholar]
- Liu, H.; Hao, S.; Han, T.; Li, G.; Pang, Y. Multi-fault Diagnosis Using the PSO-ET with a Smaller Number of Sensors for Electric Vehicles. IEEE Trans. Transp. Electrif. 2023, 10, 2. [Google Scholar]
- Iannucci, L.; D’Arpino, M.; Capasso, C. Thermal Analysis of Liquid-Cooled Battery Pack with Cell-to-Cell Parameter Variation. In Proceedings of the IEEE Transportation Electrification Conference and Expo (ITEC), Anaheim, CA, USA, 18–20 June 2025; IEEE: Piscataway, NJ, USA, 2024; pp. 1–7. [Google Scholar]
- Jiang, J.; Zhang, Y.; Shi, W.; Xu, J.; Diao, W.; Guo, H. An analysis of optimized series and parallel method for traction lithium-ion batteries. In Proceedings of the 2014 International Conference on Intelligent Green Building and Smart Grid (IGBSG), Taipei, Taiwan, 23–25 April 2014; pp. 1–7. [Google Scholar]
- Di Rienzo, R.; Nicodemo, N.; Verani, A.; Baronti, F.; Roncella, R.; Saletti, R. A novel methodology to study and compare active energy-balance architectures with dynamic equalization for second-life battery applications. J. Energy Storage 2023, 73, 108772. [Google Scholar] [CrossRef]
- Xie, Y.; Li, B.; Hu, X.; Lin, X.; Zhang, Y.; Zheng, J. Improving the Air-Cooling Performance for Battery Packs via Electrothermal Modeling and Particle Swarm Optimization. IEEE Trans. Transp. Electrif. 2021, 7, 1285–1302. [Google Scholar] [CrossRef]
- Tian, N.; Fang, H.; Wang, Y. 3-D Temperature Field Reconstruction for a Lithium-Ion Battery Pack: A Distributed Kalman Filtering Approach. IEEE Trans. Control. Syst. Technol. 2019, 27, 847–854. [Google Scholar] [CrossRef]
- Han, W.; Zou, C.; Zhang, L.; Ouyang, Q.; Wik, T. Near-Fastest Battery Balancing by Cell/Module Reconfiguration. IEEE Trans. Smart Grid 2019, 10, 6954–6964. [Google Scholar] [CrossRef]
- Mubenga, N.S.; Salami, B.; Stuart, T. Bilevel vs. Passive Equalizers for Second Life EV Batteries. Electricity 2021, 2, 63–76. [Google Scholar] [CrossRef]
- Nguyen, N.-A.; La, P.-H.; Choi, S.-J. Coordinated operation algorithm of packchargers and cellequalizers for SOC adjustment in second-life batteries. J. Power Electron. 2022, 22, 105–115. [Google Scholar] [CrossRef]
- Einhorn, M.; Guertlschmid, W.; Blochberger, T.; Kumpusch, R.; Permann, R.; Conte, F.V.; Kral, C.; Fleig, J. A Current Equalization Method for Serially Connected Battery Cells Using a Single Power Converter for Each Cell. IEEE Trans. Veh. Technol. 2011, 60, 4227–4237. [Google Scholar] [CrossRef]
- Einhorn, M.; Permann, R.; Kral, C.; Conte, F.V.; Guertlschmid, W.; Blochberger, T.; Kumpusch, R.; Fleig, J. Current equalization of serially connected battery cells for a possible second life application. In Proceedings of the 2011 IEEE Vehicle Power and Propulsion Conference, Chicago, IL, USA, 6–9 September 2011; pp. 1–5. [Google Scholar]
- Hannan, M.A.; Hoque, M.M.; Peng, S.E.; Uddin, M.N. Lithium-Ion Battery Charge Equalization Algorithm for Electric Vehicle Applications. IEEE Trans. Ind. Appl. 2017, 53, 2541–2549. [Google Scholar] [CrossRef]
- Qi, X.; Wang, Y.; Wang, Y.; Chen, Z. Optimization of Centralized Equalization Systems Based on an Integrated Cascade Bidirectional DC–DC Converter. IEEE Trans. Ind. Electron. 2022, 69, 249–259. [Google Scholar] [CrossRef]
- Milas, N.T.; Tatakis, E.C. Fast Battery Cell Voltage Equalizer Based on the Bidirectional Flyback Converter. IEEE Trans. Transp. Electrif. 2023, 9, 4922–4940. [Google Scholar] [CrossRef]
- Qi, X.; Fang, M.; Wang, Y.; Wang, Y.; Chen, Z. An Equalization Current Ripple Cancellation (ECRC) Converter-Based Centralized Equalization System for Series-Connected Battery Strings. IEEE Trans. Transp. Electrif. 2023, 9, 2765–2777. [Google Scholar] [CrossRef]
- Qi, X.; Wang, Y.; Fang, M.; Wang, H.; Wang, Y.; Chen, Z. A Family of Integrated Cascade Multiport Converters for Centralized Equalization Systems: Derivation, Analysis, and Verification. IEEE Trans. Power Electron. 2023, 38, 7398–7415. [Google Scholar] [CrossRef]
- Qi, X.; Wang, Y.; Fang, M.; Wang, Y.; Chen, Z. Principle and Topology Derivation of Integrated Cascade Bidirectional Converters for Centralized Charge Equalization Systems. IEEE Trans. Power Electron. 2022, 37, 1852–1869. [Google Scholar] [CrossRef]
- La, P.-H.; Choi, S.-J. Novel Dynamic Resistance Equalizer for Parallel-Connected Battery Configurations. Energies 2020, 13, 3315. [Google Scholar] [CrossRef]
- Xu, M.; Dai, W.; Fan, Y.; Fang, X. Distributed Periodic Event-Based Consensus Control for a Battery Management System with Time Delays. In Proceedings of the 2023 38th Youth Academic Annual Conference of Chinese Association of Automation (YAC), Hefei, China, 27–29 August 2023; pp. 586–591. [Google Scholar]
- Li, X.; Yin, X.; Tian, Z.; Jiang, X.; Jiang, L.; Smith, J. Multi-layer state of health balancing control for a battery-based energy storage system to extend cycle life based on active equalization circuits. Front. Energy Res. 2022, 10, 966422. [Google Scholar] [CrossRef]
- Barreras, J.V.; Pinto, C.; de Castro, R.; Schaltz, E.; Andreasen, S.J.; Araujo, R.E. Multi-Objective Control of Balancing Systems for Li-Ion Battery Packs: A Paradigm Shift? In Proceedings of the 2014 IEEE Vehicle Power and Propulsion Conference (VPPC), Coimbra, Portugal, 27–30 October 2014; pp. 1–7. [Google Scholar]
- Turksoy, A.; Teke, A.; Alkaya, A. A comprehensive overview of the dc-dc converter-based battery charge balancing methods in electric vehicles. Renew. Sustain. Energy Rev. 2020, 133, 110274. [Google Scholar] [CrossRef]
- Habib, A.A.; Hasan, M.K.; Islam, S.; Ahmed, M.M.; Aman, A.H.M.; Bagwari, A.; Khan, S. Voltage equalization circuit for retired batteries for energy storage applications. Energy Rep. 2022, 8, 367–374. [Google Scholar] [CrossRef]
- Bashir, H.; Yaqoob, A.; Kousar, F.; Khalid, W.; Akhtar, S.; Sultan, W. A Comprehensive Review of Li-ion Battery Cell Balancing Techniques & Implementation of Adaptive Passive Cell Balancing. In Proceedings of the 2022 International Conference on Electrical Engineering and Sustainable Technologies (ICEEST), Lahore, Pakistan, 14–15 December 2022; pp. 1–6. [Google Scholar]
- Ghaeminezhad, N.; Ouyang, Q.; Hu, X.; Xu, G.; Wang, Z. Active Cell Equalization Topologies Analysis for Battery Packs: A Systematic Review. IEEE Trans. Power Electron. 2021, 36, 9119–9135. [Google Scholar] [CrossRef]
- Kumar, S.; Rao, S.K.; Singh, A.R.; Naidoo, R. Switched-Resistor Passive Balancing of Li-Ion Battery Pack and Estimation of Power Limits for Battery Management System. Hindawi Int. J. Energy Res. 2023, 2023, 5547603. [Google Scholar] [CrossRef]
- Wu, L.; Pang, K.; Zheng, Y.; Huang, P.; Chen, Y. A multi-module equalization system for lithium-ion battery packs. Int. J. Energy Res. 2021, 46, 2771–2782. [Google Scholar] [CrossRef]
- Duraisamy, T.; Kaliyaperumal, D. Machine Learning-Based Optimal Cell Balancing Mechanism for Electric Vehicle Battery Management System. IEEE Access 2021, 9, 132846–132861. [Google Scholar] [CrossRef]
- Kumar, S. Battery Cell Balancing: What to Balance and How; Texas Instruments: Dallas, TX, USA, 2009; pp. 1–8. [Google Scholar]
- Thakkar, R.R.; Rao, Y.S.; Sawant, R.R. Comparative Performance Analysis on Passive and Active Balancing of Lithium-Ion Battery Cells. In Proceedings of the 2021 IEEE 18th India Council International Conference (INDICON), Guwahati, India, 19–21 December 2021; pp. 1–5. [Google Scholar]
- Bhattarai, S.; Mubenga, N.S. Review of Equalization Techniques Applied to Second-Life EV Battery Packs and Their Efficiency. In Proceedings of the NAECON 2023—IEEE National Aerospace and Electronics Conference, Dayton, OH, USA, 28–31 August 2023; pp. 10–15. [Google Scholar]
- Ziegler, A.; Oeser, D.; Hein, T.; Montesinos-Miracle, D.; Ackva, A. Reducing Cell to Cell Variation of Lithium-Ion Battery Packs During Operation. IEEE Access 2021, 9, 24994–25001. [Google Scholar] [CrossRef]
- Williams, C.J.C.; Binder, J.O.; Kelm, T. Demand side management through heat pumps, thermal storage and battery storage to increase local self-consumption and grid compatibility of PV systems. In Proceedings of the 2012 3rd IEEE PES Innovative Smart Grid Technologies Europe (ISGT Europe), Berlin, Germany, 14–17 October 2012; pp. 1–6. [Google Scholar]
- Pietruschka, D.; Brennenstuhl, M.; Matthiss, B.; Binder, J. Decentralised heat pumps and small electricity storages as active components in a virtual power plant for smart grid services. In Proceedings of the 2015 IEEE 15th International Conference on Environment and Electrical Engineering (EEEIC), Rome, Italy, 10–13 June 2015; pp. 737–741. [Google Scholar]
- Li, Y.; Fang, T.; Wang, K.; Zhou, X.; Xin, L.; Cai, R. Secondary Battery Energy Storage System Based on Real-Time Synchronous Data. In Proceedings of the IEEE 6th Conference on Energy Internet and Energy System Integration (EI2), Chengdu, China, 11–13 November 2022; IEEE: Piscataway, NJ, USA, 2022; pp. 2278–2281. [Google Scholar]
- Wang, C.-W.; Lu, L.-J.; Chi, Z.-X.; You, J.-L. A novel structural design of wireless lithium-ion battery management system (BMS) by using pulse width modulation method for charging and discharging. In Proceedings of the 2016 International Conference on Advanced Materials for Science and Engineering (ICAMSE), Tainan, Taiwan, 12–13 November 2016; pp. 204–206. [Google Scholar]
- Najeeb, M.; Schwalbe, U.; Herget, M. Improved Approach for Online Monitoring of Second Life Lithium-Ion Batteries to Optimize the Performance in Stationary Storage Systems. In Proceedings of the 2023 14th International Renewable Energy Congress (IREC), Sousse, Tunisia, 16–18 December 2023; pp. 1–6. [Google Scholar]
- Najeeb, M.; Schwalbe, U. State of Health Estimation for Second Life Lithium-Ion Batteries: Indicators and Considerations. In Proceedings of the 2024 Second International Conference on Smart Technologies for Power and Renewable Energy (SPECon), Ernakulam, India, 2–4 April 2024; pp. 1–6. [Google Scholar]
- Reindl, A.; Meier, H.; Niemetz, M.; Park, S. Decentralized Battery Management System with Customized Hardware Components. In Proceedings of the 2021 IEEE 19th Student Conference on Research and Development (SCOReD), Kota Kinabalu, Malaysia, 23–25 November 2021; pp. 350–355. [Google Scholar]
- Basic, F.; Seifert, C.; Steger, C.; Kofler, R. Secure Data Acquisition for Battery Management Systems. In Proceedings of the 2023 26th Euromicro Conference on Digital System Design (DSD), Golem, Albania, 6–8 September 2023; pp. 553–560. [Google Scholar]
- Gu, X.; Bai, H.; Cui, X.; Zhu, J.; Zhuang, W.; Li, Z.; Hu, X.; Song, Z. Challenges and opportunities for second-life batteries: Key technologies and economy. Renew. Sustain. Energy Rev. 2023, 192, 114191. [Google Scholar] [CrossRef]
- Kostenko, G.; Zaporozhets, A. World experience of legislative regulation for lithium-ion electric vehicle batteries considering their second-life application in power sector. Syst. Res. Energy 2024, 2024, 97–114. [Google Scholar] [CrossRef]
- Berger, K.; Schöggl, J.P.; Baumgartner, R.J. Digital battery passports to enable circular and sustainable value chains: Conceptualization and use cases. J. Clean. Prod. 2022, 353, 131492. [Google Scholar] [CrossRef]
- Berger, K.; Baumgartner, R.J.; Weinzerl, M.; Bachler, J.; Schöggl, J.-P. Factors of digital product passport adoption to enable circular information flows along the battery value chain. Procedia CIRP 2023, 116, 528–533. [Google Scholar] [CrossRef]
- Hassini, M.; Redondo-Iglesias, E.; Venet, P. Battery Passports for Second-Life Batteries: An Experimental Assessment of Suitability for Mobile Applications. Batteries 2024, 10, 153. [Google Scholar] [CrossRef]
- Blümke, J.; Hof, H.J. Binding the Battery to the Pass: An Approach to Trustworthy Product Life Cycle Data by Using Certificates Based on PUFs. Int. J. Adv. Secur. 2023, 16, 44–53. [Google Scholar]
- Weng, A.; Dufek, E.; Stefanopoulou, A. Battery passports for promoting electric vehicle resale and repurposing. Joule 2023, 7, 837–842. [Google Scholar] [CrossRef]
- Naseri, F.; Gil, S.; Barbu, C.; Cetkin, E.; Yarimca, G.; Jensen, A.C.; Larsen, P.G.; Gomes, C. Digital twin of electric vehicle battery systems: Comprehensive review of the use cases, requirements, and platforms. Renew. Sustain. Energy Rev. 2023, 179, 113280. [Google Scholar] [CrossRef]
- Bandini, G.; Buffi, A.; Caposciutti, G.; Marracci, M.; Tellini, B. An RFID System Enabling Battery Lifecycle Traceability. In Proceedings of the 2023 IEEE International Workshop on Metrology for Automotive (MetroAutomotive), Modena, Italy, 28–30 June 2023; pp. 46–50. [Google Scholar]
- Tomosada, M.; Sinohara, Y. Virtual energy demand data: Estimating energy load and protecting consumers’ privacy. In Proceedings of the ISGT 2011, Anaheim, CA, USA, 17–19 January 2011; IEEE: Piscataway, NJ, USA, 2011. [Google Scholar]
- Li, D.; Yang, Q.; Zhang, F.; Wang, Y.; Qian, Y.; An, D. Research on Privacy Issues in Smart Metering System: An Improved TCN-Based NILM Attack Method and Practical DRL-Based Rechargeable Battery Assisted Privacy Preserving Method. IEEE Trans. Autom. Sci. Eng. 2024, 21, 2882–2899. [Google Scholar] [CrossRef]
- Wang, T.; Jin, J.; Gu, X.; Zhang, Y.; Chen, X. PREEN: An Aggregation Mechanism for Privacy-Preserving Smart-Metering Communications. IEEE Trans. Consum. Electron. 2024, 70, 2949–2959. [Google Scholar] [CrossRef]
- Giaconi, G.; Gündüz, D.; Poor, H.V. Smart Meter Privacy With Renewable Energy and an Energy Storage Device. IEEE Trans. Inf. Forensics Secur. 2017, 13, 129–142. [Google Scholar] [CrossRef]
- Esposito, C.; Castiglione, A.; Pop, F.; Choo, K.-K.R. Challenges of Connecting Edge and Cloud Computing: A Security and Forensic Perspective. IEEE Cloud Comput. 2017, 4, 13–17. [Google Scholar] [CrossRef]
- Gouissem, A.; Abualsaud, K.; Yaacoub, E.; Khattab, T.; Guizani, M. A Secure Energy Efficient Scheme for Cooperative IoT Networks. IEEE Trans. Commun. 2022, 70, 3962–3976. [Google Scholar] [CrossRef]
- Wang, R.; Yang, Z.; Kang, Q. Introduction of a new “Intelligent Battery”. In Proceedings of the IEEE 36th International Telecommunications Energy Conference (INTELEC), Vancouver, BC, Canada, 28 September–2 October 2014; IEEE: Piscataway, NJ, USA, 2014; pp. 1–6. [Google Scholar]
- Júnior, C.A.R.; Sanseverino, E.R.; Gallo, P.; Koch, D.; Kotak, Y.; Schweiger, H.G.; Zanin, H. Reviewing Regulations and Standards for Second-Life Batteries. Electr. Electron. Eng. 2024, 10, 115. [Google Scholar] [CrossRef]
- Soufi, C.; Mesbahi, T.; Samet, A. Digital Battery Passport as an Enabler of Environmental Impact Assessment in Electric Vehicle Applications. In Proceedings of the 2023 IEEE Vehicle Power and Propulsion Conference (VPPC), Milan, Italy, 24–27 October 2023; pp. 1–6. [Google Scholar]







| Application | Operators | Advantage | Literature |
|---|---|---|---|
| Renewable energy system | Wind power generation, photovoltaic power generation | Power fluctuation smoothing, energy storage, energy recovery, energy balance, reduction of environmental impact, improved sustainability, stability improvement | [20,25,36,37,38,39,40,41] |
| Commercial charging station | Electricity trading | Energy storage balance, improved energy efficiency, and reduced environmental impact | [42,43,44] |
| Back-up power supply | Microgrid, UPS uninterruptible power supply | High capacity and reliability, mobility, environmental protection, economic efficiency | [45,46,47] |
| Grid regulation and support | Grid operator | Frequency regulation, energy storage, power smoothing, grid flexibility | [23,48,49,50,51] |
| Parameters | Identification Methods | Impacts |
|---|---|---|
| State of change (SOC) | Recursive least squares method [26] Adaptive neural network [30] Online fitting algorithm [31] BMS (non-invasive measurement) [37] | Identify abnormal battery cells |
| Open circuit voltage (OCV) | Recursive least squares method [26] Kalman filter [29] | |
| State of health (SOH) | Regeneration estimation method [22] Online fitting algorithm [31] Pulse testing [33] BMS (non-invasive measurement) [37] | Delaying the aging of battery |
| Remaining useful life (RUL) | OPTICS algorithm [24] Recursive least squares method [26] BMS (non-invasive measurement) [37] | |
| Series resistor Charge transfer resistance Electric double-layer capacitors | Pseudo random noise method [28] | Balanced charging and discharging state |
| Cell temperature difference | Nonlinear parameter identification [27] BMS (non-invasive measurement) [34] BMS (Passive thermal management) [36] BMS (air-cooled) [35] Intelligent control of charging and discharging [39] artificial neural network [40] | Reduction of battery temperature |
| Load voltage | Nonlinear parameter identification [27] Extended Kalman Filter [32] BMS (non-invasive measurement) [34] Intelligent control algorithm [41] | |
| Load current | Extended Kalman Filter [32] BMS (non-invasive measurement) [34] Intelligent control algorithm [41] |
| Balancing Strategy | Method | Impact | Advantage |
|---|---|---|---|
| Active Balancing | active dynamic balance strategy [105] optimization of battery pack cooling [106] distributed Kalman filter [107] dynamic reconstruction of second-life battery [108] dual-level passive charger [109] non-contact battery capacity detection [97] combining a charger and a battery equalizer [110] a battery management controller [89] series current sharing [111,112] bidirectional flyback DC/DC converter [113] integrated cascaded bidirectional DC-DC converter [114] bidirectional flyback converter [115] ECRC converter [116] integrated cascaded multiport converter [117] ICB converter [118] | Realize cell homogeneity through energy conversion between battery cells | High balance efficiency, fast balance speed, and high energy utilization efficiency |
| Passive Balancing | dynamic resistance equalizer [119] time-lag BMS [120] multi-layer SOH balance control [121] virtual resistance control [122] battery balance system [123] passive balancing circuit [124] adaptive passive battery balancing [125] passive battery balancing [126] switch resistance [130] multi module collaborative balancing system [128] BMS based on machine learning [129] capacitor based shuttle battery balancing circuit [130] | Realize cell homogeneity by changing the energy level of individual battery cells | Mature technology, low cost, and reliable methods |
Disclaimer/Publisher’s Note: The statements, opinions and data contained in all publications are solely those of the individual author(s) and contributor(s) and not of MDPI and/or the editor(s). MDPI and/or the editor(s) disclaim responsibility for any injury to people or property resulting from any ideas, methods, instructions or products referred to in the content. |
© 2024 by the authors. Licensee MDPI, Basel, Switzerland. This article is an open access article distributed under the terms and conditions of the Creative Commons Attribution (CC BY) license (https://creativecommons.org/licenses/by/4.0/).
Share and Cite
Song, H.; Chen, H.; Wang, Y.; Sun, X.-E. An Overview About Second-Life Battery Utilization for Energy Storage: Key Challenges and Solutions. Energies 2024, 17, 6163. https://doi.org/10.3390/en17236163
Song H, Chen H, Wang Y, Sun X-E. An Overview About Second-Life Battery Utilization for Energy Storage: Key Challenges and Solutions. Energies. 2024; 17(23):6163. https://doi.org/10.3390/en17236163
Chicago/Turabian StyleSong, Hua, Huaizhi Chen, Yanbo Wang, and Xiang-E Sun. 2024. "An Overview About Second-Life Battery Utilization for Energy Storage: Key Challenges and Solutions" Energies 17, no. 23: 6163. https://doi.org/10.3390/en17236163
APA StyleSong, H., Chen, H., Wang, Y., & Sun, X.-E. (2024). An Overview About Second-Life Battery Utilization for Energy Storage: Key Challenges and Solutions. Energies, 17(23), 6163. https://doi.org/10.3390/en17236163

