Analysis of Optimal HVDC Back-to-Back Placement Based on Composite System Reliability
Abstract
1. Introduction
2. Literature Review
3. Converter Reliability
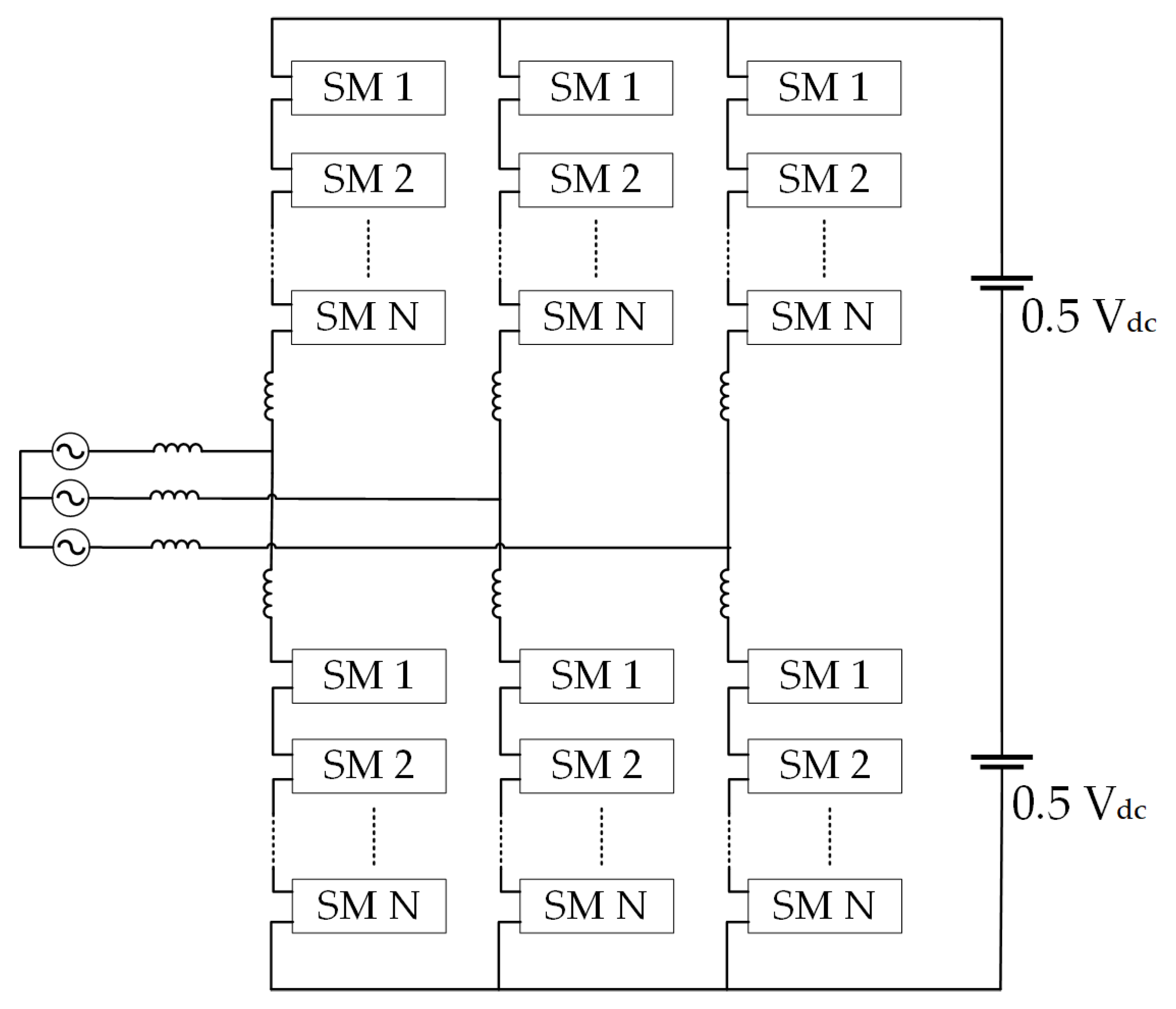
3.1. VSC MMC Back-to-Back Topology
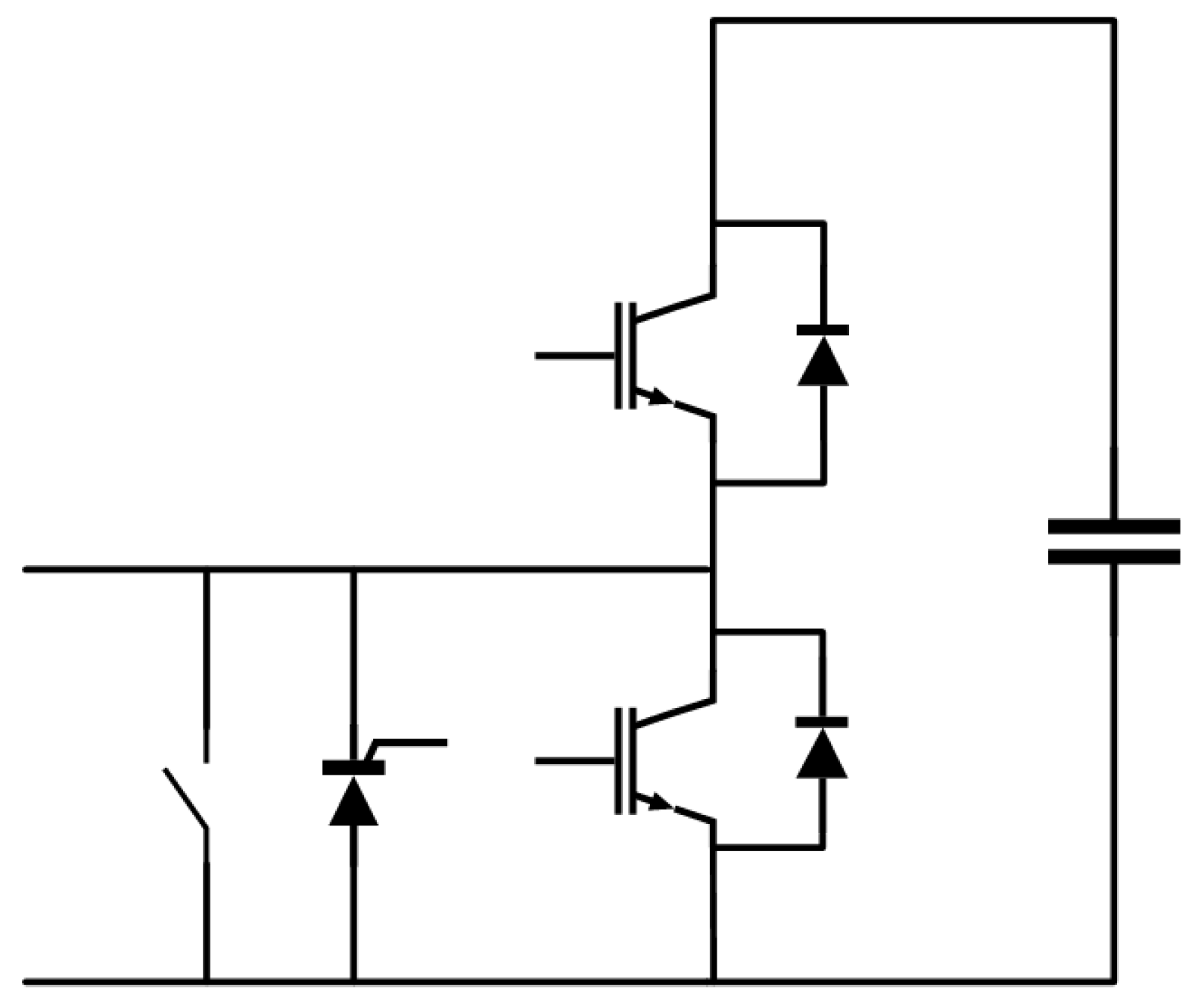
3.2. Submodule Reliability
3.3. Arm Reliability
3.4. MMC Reliability
3.5. Reliability-Based Optimum Placement
4. Methodology
4.1. Test System
4.2. Converter Placement Strategy
- HVDC reliability modeling, focusing on the HV and MV converter’s reliability model based on the design parameter. The calculation is completed with the help of MATLAB, especially in modeling the Markov process.
- HV converter placement, determining the best placement for the high-voltage substation based on the reliability index. The combination reliability calculations is conducted using the DIgSILENT PowerFactory 2021 software. The best placement of this step becomes the baseline for determining the combination of MV converter in the next step.
- MV converter deployment, determining the number of HV converters converted to MV converter. The terminal for MV interconnection can be freely determined because of the flexibility of the MV system. The selection of the MV terminal is based on the highest dV/dP. This method will ensure the terminal selection has a greater impact.
- Economic analysis, determining the number of HV and MV converters in the system considering the cost. This includes the investment, interruption, and maintenance costs. The variation in the cost component may result in different HV and MV converter combinations.
5. Results and Discussion
5.1. HVDC Reliability Modeling
5.2. Optimum Location 115 kV
- Each tie-in location option in the industrial system will accommodate only one converter. This ensures that the converters are more dispersed, enhancing system reliability more evenly. Due to this assumption, seven placement scenario combinations will be used for the 115 kV voltage.
- In this placement process, the capacity of each converter will be made following the capacity recommended by the GEP, so there will be no capacity optimization for each location in this study.
- Optimal placement will be based on the load value for the year 2025, which is 550 MW. In 2025, according to the GEP, all converters will be integrated into the system. Since the converters will be operational that year, optimal placement must be achievable from the initial installation. Optimal placement for this year can be considered representative, as the load changes in each area will tend to occur concurrently.
5.2.1. Reliability-Based Placement
5.2.2. Brute Force Method
- Disconnection of all lines from the northern subsystem to the southern subsystem.
- Tripping of all units of Gen 1 simultaneously. This trip will cause generators with a total capacity of 300 MW to disconnect from the system.
- A short circuit on the 230 kV line connecting the Gen 1 terminal to the central substation followed by a trip after 120 ms.
Load Flow Analysis
Stability Analysis
Optimal Placement Based on Load-Flow and Stability Analysis
5.2.3. Comparison Reliability Method and Brute Force Method
5.3. Optimum Placement HV and MV
- Area VI–2,
- Area II,
- Area I,
- Area VI–1,
- Area V.
5.4. Sensitivity of Converter Reliability
5.5. Economic Analysis
5.6. Sensitivity of Interruption Cost
5.6.1. Interruption Cost Sensitivity I
5.6.2. Interruption Cost Sensitivity II
5.6.3. Interruption Cost Sensitivity III
5.6.4. Interruption Cost Sensitivity Analysis
5.7. Maintenance Cost Considerations
6. Conclusions
Author Contributions
Funding
Data Availability Statement
Conflicts of Interest
Abbreviations
| EIC | Expected interruption cost |
| ENS | Energy not supplied |
| GEP | Generation expansion planning |
| HV | High voltage |
| HVDC | High-voltage direct current |
| IGBT | Insulated-gate bipolar transistor |
| LCC | Life cycle cost |
| MMC | Modular multilevel converter |
| MTTF | Mean time to failure |
| MV | Medium voltage |
| MVDC | Medium-voltage direct current |
| PE | Power electronic |
| PEPS | Power electronic-based power system |
| SAIDI | System average interruption duration index |
| SAIFI | System average interruption frequency index |
| SM | Submodule |
| SSA | Stress–strength analysis |
| THD | Total harmonic distortion |
| TTF | Time to fail |
| UFR | Under-frequency relay |
| VRE | Variable renewable energy |
| VSC | Voltage source converter |
| WTG | Wind turbine generator |
| Symbols | |
| Utilization factor of IGBT | |
| The fraction of the lost load at load point i, for contingency k | |
| The frequency of occurrence of contingency k | |
| The probability of occurrence of contingency k | |
| The weighted average amount of power disconnected | |
| The weighted average amount of power shed at load point i | |
| The average interruption cost for load point i and contingency case k | |
| MMC reliability | |
| Arm reliability | |
| DC link voltage | |
| IGBT voltage class | |
| Submodule failure rate | |
| Standby submodule failure rate |
References
- Hagspiel, S.; Knaut, A.; Peter, J. Reliability in Multi-regional Power Systems: Capacity Adequacy and the Role of Interconnectors. Energy J. 2018, 39, 183–204. [Google Scholar] [CrossRef]
- Crozier, C.; Baker, K. The effect of renewable electricity generation on the value of cross-border interconnection. Appl. Energy 2022, 324, 119717. [Google Scholar] [CrossRef]
- Lee, S.-S.; Jang, Y.-S.; Ahn, S.-H.; Park, G.-P.; Park, J.-K.; Yoon, Y.T. Northeast Asia Interconnection-based integration of DG, DR, HVDC, and nuclear load-following under Smart Grid in the South Korean power system. In Proceedings of the 2012 IEEE Power and Energy Society General Meeting, San Diego, CA, USA, 22–26 July 2012; pp. 1–7. [Google Scholar]
- Watson, N.R.; Watson, J.D. An Overview of HVDC Technology. Energies 2020, 13, 4342. [Google Scholar] [CrossRef]
- Song, G.; Cao, B.; Chang, L. Review of Grid-forming Inverters in Support of Power System Operation. Chin. J. Electr. Eng. 2022, 8, 1–15. [Google Scholar] [CrossRef]
- Eberlein, S.; Rudion, K. Small-signal stability modelling, sensitivity analysis and optimization of droop controlled inverters in LV microgrids. Int. J. Electr. Power Energy Syst. 2021, 125, 106404. [Google Scholar] [CrossRef]
- El Myasse, I.; El Magri, A.; Kissaoui, M.; Lajouad, R.; Giri, F.; Watil, A.; Bahatti, L. Observer and Nonlinear Control Design of VSC-HVDC Transmission System. Int. J. Electr. Power Energy Syst. 2023, 145, 108609. [Google Scholar] [CrossRef]
- el Myasse, I.; El Magri, A.; Watil, A.; Alkuhayli, A.; Kissaoui, M.; Lajouad, R.; Giri, F.; Mahmoud, M.M. Nonlinear Observer-Based Controller Design for VSC-Based HVDC Transmission Systems Under Uncertainties. IEEE Access 2023, 11, 124014–124030. [Google Scholar] [CrossRef]
- Farias, J.V.M.; Cupertino, A.F.; Pereira, H.A.; Seleme, S.I.; Teodorescu, R. On Converter Fault Tolerance in MMC-HVDC Systems: A Comprehensive Survey. IEEE J. Emerg. Sel. Top. Power Electron. 2021, 9, 7459–7470. [Google Scholar] [CrossRef]
- Kjaer, M.V.; Wang, H.; Yang, Y.; Blaabjerg, F. Reliability Analysis of Power Electronic-based Power Systems. In Proceedings of the 2019 International Conference on Smart Energy Systems and Technologies (SEST), Porto, Portugal, 9–11 September 2019; pp. 1–6. [Google Scholar]
- Peyghami, S.; Blaabjerg, F.; Palensky, P. Incorporating Power Electronic Converters Reliability Into Modern Power System Reliability Analysis. IEEE J. Emerg. Sel. Top. Power Electron. 2021, 9, 1668–1681. [Google Scholar] [CrossRef]
- Ye, C.; Guo, L.; Ding, Y.; Ding, M.; Wang, P.; Wang, L. Reliability Assessment of Interconnected Power Systems with HVDC Links Considering Frequency Regulation Process. J. Mod. Power Syst. Clean Energy 2023, 11, 662–673. [Google Scholar] [CrossRef]
- Zhang, B.; Wang, M.; Su, W. Reliability Analysis of Power Systems Integrated With High-Penetration of Power Converters. IEEE Trans. Power Syst. 2021, 36, 1998–2009. [Google Scholar] [CrossRef]
- Chandio, R.H.; Chachar, F.A.; Soomro, J.B.; Ansari, J.A.; Munir, H.M.; Zawbaa, H.M.; Kamel, S. Control and protection of MMC-based HVDC systems: A review. Energy Rep. 2023, 9, 1571–1588. [Google Scholar] [CrossRef]
- Erat, A.; Vural, A.M. DC/DC Modular Multilevel Converters for HVDC Interconnection: A Comprehensive Review. Int. Trans. Electr. Energy Syst. 2022, 2022, 2687243. [Google Scholar] [CrossRef]
- Acero, D.G.; Cheah-Mane, M.; Páez, J.D.; Morel, F.; Gomis-Bellmunt, O.; Dworakowski, P. Dc-MMC for the Interconnection of HVDC Grids With Different Line Topologies. IEEE Trans. Power Deliv. 2022, 37, 1692–1703. [Google Scholar] [CrossRef]
- Dadjo Tavakoli, S.; Prieto-Araujo, E.; Sánchez-Sánchez, E.; Gomis-Bellmunt, O. Interaction Assessment and Stability Analysis of the MMC-Based VSC-HVDC Link. Energies 2020, 13, 2075. [Google Scholar] [CrossRef]
- Sharifi, S.; Ferencz, I.F.; Kamel, T.; Petreuş, D.; Tricoli, P. Medium-voltage DC electric railway systems: A review on feeding arrangements and power converter topologies. IET Electr. Syst. Transp. 2022, 12, 223–237. [Google Scholar] [CrossRef]
- Coffey, S.; Timmers, V.; Li, R.; Wu, G.; Egea-Àlvarez, A. Review of MVDC Applications, Technologies, and Future Prospects. Energies 2021, 14, 8294. [Google Scholar] [CrossRef]
- Wang, J.; Gao, S.; Ji, Z.; Sun, Y.; Hong, L.; Luo, F.; Gu, W. Time/frequency domain modelling for grid-connected MMC sub-synchronous/super-synchronous oscillation in PV MVDC power collection and integration system. IET Renew. Power Gener. 2019, 13, 57–66. [Google Scholar] [CrossRef]
- Kalhor, M.; Asad, R. A new distributed voltage control method for MVDC electric railway systems with renewable energy sources. Int. J. Electr. Power Energy Syst. 2024, 155, 109566. [Google Scholar] [CrossRef]
- Sarkar, S.; Das, A. An Isolated Reduced Arm Modular Multilevel Converter with Fault Blocking Capability for MVDC Rail Traction. IEEE Trans. Transp. Electrif. 2024; early access. [Google Scholar] [CrossRef]
- Fogsgaard, M.B. Multi-Timescale Modelling for Reliability Analysis of Power Electronic-Based Systems. Ph.D. Thesis, Aalborg University, Aalborg, Denmark, 2023. [Google Scholar] [CrossRef]
- Kjær, M. Risk Analysis of Power Electronics-Based Power Systems Using Physics-of-Degradation in Power Electronic Converters. Ph.D. Thesis, Aalborg University, Aalborg, Denmark, 2023. [Google Scholar] [CrossRef]
- Zhang, L.; Zhang, D.; Hua, T.; Zhu, J.; Chen, G.; Wei, T.; Yang, T. Reliability evaluation of modular multilevel converter based on Markov model. J. Mod. Power Syst. Clean Energy 2019, 7, 1355–1363. [Google Scholar] [CrossRef]
- Benato, R.; Chiarelli, A.; Sessa, S.D. Reliability Assessment of a Multi-State HVDC System by Combining Markov and Matrix-Based Methods. Energies 2021, 14, 3097. [Google Scholar] [CrossRef]
- Farias, J.V.M. Reliability Assessment and Fault-Tolerance Schemes for Modular Multilevel Converter-Based STATCOM. Ph.D. Dissertation, Universidade Federal de Minas Gerais, Pampulha, Brazil, 2023. [Google Scholar]
- Zhao, J.; Lei, W.; Lv, G. Reliability analysis of modular multilevel converter system under different submodule topologies. In Proceedings of the 2020 4th International Conference on HVDC (HVDC), Xi’an, China, 6–9 November 2020; pp. 736–741. [Google Scholar]
- Oh, U.; Kim, C.-K.; Choi, J.; Kim, K.-H.; Yoon, Y.-B. A Study on Probabilistic Reliability of Power System including WTG for HVDe Transmission Expansion Planning. In Proceedings of the 2018 IEEE International Conference on Probabilistic Methods Applied to Power Systems (PMAPS), Boise, ID, USA, 24–28 June 2018; pp. 1–6. [Google Scholar]
- Ivanov, O.; Neagu, B.-C.; Toma, N.-C.; Grigoras, G.; Ghilan, P.-D.; Gavrilas, M. Metaheuristic Approaches for Distributed Generation Placement Optimization in Electrical Grids: A comparison between PSO, Tiki-Taka and Archimedes Optimzation Algorithms. In Proceedings of the 2022 International Conference and Exposition on Electrical And Power Engineering (EPE), Iaşi, Romania, 20–22 October 2022; pp. 208–212. [Google Scholar]
- Khudyakova, G. Method of optimal placement of distributed generation sources in order to improve the reliability of power supply. In Proceedings of the 2016 57th International Scientific Conference on Power and Electrical Engineering of Riga Technical University (RTUCON), Riga & Cesis, Latvia, 13–14 October 2016; pp. 1–4. [Google Scholar]
- Siddappaji, M.R.; Thippeswamy, K. Reliability indices evaluation and optimal placement of distributed generation for loss reduction in distribution system by using fast decoupled method. In Proceedings of the 2017 International Conference on Energy, Communication, Data Analytics and Soft Computing (ICECDS), Chennai, India, 1–2 August 2017; pp. 3171–3174. [Google Scholar]
- Salam, I.U.; Yousif, M.; Numan, M.; Zeb, K.; Billah, M. Optimizing Distributed Generation Placement and Sizing in Distribution Systems: A Multi-Objective Analysis of Power Losses, Reliability, and Operational Constraints. Energies 2023, 16, 5907. [Google Scholar] [CrossRef]
- Vrana, T.K.; Härtel, P. Estimation of investment model cost parameters for VSC HVDC transmission infrastructure. Electr. Power Syst. Res. 2018, 160, 99–108. [Google Scholar] [CrossRef]
- Chen, Q.; Chen, M.; Yang, G.; Li, L.; Xin, Q.; Li, H. An Optimization Model of HVDC Transmission System Reliability Improvement Measures Based on Cost-Benefit Analysis. In Proceedings of the 2023 8th Asia Conference on Power and Electrical Engineering (ACPEE), Tianjin, China, 14–16 April 2023; pp. 77–82. [Google Scholar]
- Acaroğlu, H.; García Márquez, F.P. High voltage direct current systems through submarine cables for offshore wind farms: A life-cycle cost analysis with voltage source converters for bulk power transmission. Energy 2022, 249, 123713. [Google Scholar] [CrossRef]
- Gul, M.; Tai, N.; Huang, W.; Nadeem, M.H.; Ahmad, M.; Yu, M. Technical and Economic Assessment of VSC-HVDC Transmission Model: A Case Study of South-Western Region in Pakistan. Electronics 2019, 8, 1305. [Google Scholar] [CrossRef]
- Nguyen, T.H.; Hosani, K.A.; Moursi, M.S.E.; Blaabjerg, F. An Overview of Modular Multilevel Converters in HVDC Transmission Systems With STATCOM Operation During Pole-to-Pole DC Short Circuits. IEEE Trans. Power Electron. 2019, 34, 4137–4160. [Google Scholar] [CrossRef]
- Sakib, M.N.; Azad, S.P.; Kazerani, M. A Critical Review of Modular Multilevel Converter Configurations and Submodule Topologies from DC Fault Blocking and Ride-Through Capabilities Viewpoints for HVDC Applications. Energies 2022, 15, 4176. [Google Scholar] [CrossRef]
- Martinez-Rodrigo, F.; Herrero-de Lucas, L.C.; de Pablo, S.; Rey-Boué, A.B.; Ramirez, D. Calculation of the number of modules and the switching frequency of a modular multilevel converter using near level control. Electr. Power Syst. Res. 2018, 165, 68–83. [Google Scholar] [CrossRef]
- Xiao, Q.; Jin, Y.; Wang, J.; Wang, S.; Chen, L.; Jia, H.; Mu, Y.; Dragičević, T.; Teodorescu, R. A Novel Fault-Tolerant Control Method for Modular Multilevel Converter with an Improved Phase Disposition Level-Shifted PWM. In Proceedings of the IECON 2019—45th Annual Conference of the IEEE Industrial Electronics Society, Lisbon, Portugal, 14–17 October 2019; Volume 1, pp. 3839–3844. [Google Scholar]
- Guo, J.; Wang, X.; Liang, J.; Pang, H.; Gonçalves, J. Reliability Modeling and Evaluation of MMCs Under Different Redundancy Schemes. IEEE Trans. Power Deliv. 2018, 33, 2087–2096. [Google Scholar] [CrossRef]
- Simamora, N.B.; Banjar-Nahor, K.M.; Hariyanto, N. Placement of Frequency Converters as New Power Supply in Increasing the Reliability of Remote Industrial Power System. In Proceedings of the 2024 International Conference on Green Energy, Computing and Sustainable Technology (GECOST), Virtual, 17–19 January 2024; pp. 206–211. [Google Scholar]
- Li, X.; Yuan, Z.; Fu, J.; Wang, Y.; Liu, T.; Zhu, Z. Nanao multi-terminal VSC-HVDC project for integrating large-scale wind generation. In Proceedings of the 2014 IEEE PES General Meeting | Conference & Exposition, National Harbor, MD, USA, 27–31 July 2014; pp. 1–5. [Google Scholar]
- Shahane, R.; Rao, K.N.; Shukla, A. A Review on Hybrid Modular Multilevel Converters for Medium Voltage Applications. In Proceedings of the 2022 IEEE Energy Conversion Congress and Exposition (ECCE), Detroit, MI, USA, 9–13 October 2022; pp. 1–8. [Google Scholar]
- Rui, Ø.; Öhlén, C.; Solvik, J.; Thon, J.; Karijord, K.; Gjengedal, T. Design, operation and availability analysis of a multi-terminal HVDC grid—A case study of a possible Offshore Grid in the Norwegian Sea. In Proceedings of the 2011 IEEE Trondheim PowerTech, Trondheim, Norway, 19–23 June 2011; pp. 1–7. [Google Scholar]
- IEEE Std 493-2007 (Revision of IEEE Std 493-1997); IEEE Recommended Practice for the Design of Reliable Industrial and Commercial Power Systems. IEEE: Piscataway, NJ, USA, 2007; pp. 1–383. [CrossRef]
- Murthy, V.V.S.N.; Kumar, A. Comparison of optimal DG allocation methods in radial distribution systems based on sensitivity approaches. Int. J. Electr. Power Energy Syst. 2013, 53, 450–467. [Google Scholar] [CrossRef]
- Gupta, A.R.; Kumar, A. Deployment of Distributed Generation with D-FACTS in Distribution System: A Comprehensive Analytical Review. IETE J. Res. 2022, 68, 1195–1212. [Google Scholar] [CrossRef]
- Yusuff, A.A.; Mosetlhe, T.C.; Ayodele, T.R. Statistical method for identification of weak nodes in power system based on voltage magnitude deviation. Electr. Power Syst. Res. 2021, 200, 107464. [Google Scholar] [CrossRef]
- Aryanfar, M. Optimal Dispatchable DG Location and Sizing with an Analytical Method, based on a New Voltage Stability Index. Res. Technol. Electr. Ind. 2022, 1, 95–104. [Google Scholar] [CrossRef]
- Marbun, M.P.; Atma, H.; Surya, A.S.; Savitri, I. Study of Stochastic Approach to Determine Value of Lost Load in Jawa-Madura-Bali System. In Proceedings of the 2023 4th International Conference on High Voltage Engineering and Power Systems (ICHVEPS), Bali, Indonesia, 6–10 August 2023; pp. 471–475. [Google Scholar]
- Purwaningsih, C.; Sarjiya, S.; Wijoyo, Y.S. Value of Loss Load Analysis of Java-Bali System Based on Macro Economic Data. FORTEI-JEERI 2020, 1, 49–59. [Google Scholar] [CrossRef]
- Fu, J.; Peyghami, S.; Núñez, A.; Blaabjerg, F.; De Schutter, B. A Tractable Failure Probability Prediction Model for Predictive Maintenance Scheduling of Large-Scale Modular-Multilevel-Converters. IEEE Trans. Power Electron. 2023, 38, 6533–6544. [Google Scholar] [CrossRef]
- Tian, Y.; Konstantinou, G. Reliability of Submodules in Modular Multilevel Converters Considering Periodic Preventive Maintenance for MVDC Applications. In Proceedings of the 2023 IEEE International Future Energy Electronics Conference (IFEEC), Sydney, Australia, 20–23 November 2023; pp. 363–368. [Google Scholar]
- Yu, P.; Fu, W.; Wang, L.; Zhou, Z.; Wang, G.; Zhang, Z. Reliability-Centered Maintenance for Modular Multilevel Converter in HVDC Transmission Application. IEEE J. Emerg. Sel. Top. Power Electron. 2021, 9, 3166–3176. [Google Scholar] [CrossRef]

















| Component | FIT (Failures/109 h) |
|---|---|
| Module IGBT | 180 (2) |
| IGBT module gate unit | 150 (2) |
| SM capacitor | 300 |
| SM capacitor voltage sensor | 150 |
| Bypass thyristor | 20 |
| Bypass thyristor gate unit | 100 |
| Vacuum contactor | 100 |
| Vacuum contactor control | 100 |
| Total | 1430 |
| Parameter | Unit | HV 115 kV | MV 13.8 kV |
|---|---|---|---|
| kV | 6.5 | 3.3 | |
| % | 55 | 51 | |
| kV | 160 | 24 | |
| N | unit | 45 | 14 |
| NR | unit | 4 | 2 |
| NT | unit | 49 | 16 |
| TTF | h | 39,832 | 56,802 |
| MTTR | h | 19 | 19 |
| Component | HV | MV | ||||
|---|---|---|---|---|---|---|
(f/ Year) | (h) | U (h/ Year) | (f/ Year) | (h) | U (h/ Year) | |
| MMCS | 0.2199 | 24.0 | 5.278 | 0.1542 | 24.0 | 3.701 |
| BreakerS | 0.0475 | 51.1 | 2.427 | 0.0235 | 14.8 | 0.348 |
| TransformerS | 0.0500 | 48.0 | 2.400 | 0.0184 | 60.0 | 1.104 |
| ReactorS | 0.1399 | 24.0 | 3.359 | 0.1400 | 24.0 | 3.360 |
| Cap DC Link | 0.0015 | 10.0 | 0.015 | 0.0015 | 10.0 | 0.015 |
| MMCR | 0.2199 | 24.0 | 5.278 | 0.1542 | 24.0 | 3.701 |
| BreakerR | 0.0475 | 51.1 | 2.427 | 0.0235 | 14.8 | 0.348 |
| TransformerR | 0.0500 | 48.0 | 2.400 | 0.0184 | 60.0 | 1.104 |
| ReactorR | 0.1399 | 24.0 | 3.359 | 0.1400 | 24.0 | 3.360 |
| Total | 0.9162 | 29.37 | 26.91 | 0.6738 | 25.27 | 17.03 |
| No | Scenario | SAIFI (1/Ca) | SAIDI (h/Ca) | ENS (MWh/a) | EIC (MUSD/a) | Obj Fun |
|---|---|---|---|---|---|---|
| 1 | Scen_Area I_OFF | 0.2900 | 2.446 | 1140 | 8.968 | 2.838 |
| 2 | Scen_Area II.1_OFF | 0.2908 | 2.447 | 1141 | 8.976 | 2.841 |
| 3 | Scen_Area II.2_OFF | 0.2686 | 2.264 | 990 | 7.812 | 2.555 |
| 4 | Scen_Area V_OFF | 0.2903 | 2.447 | 1140 | 8.972 | 2.839 |
| 5 | Scen_Area VI.1_OFF | 0.3679 | 3.160 | 1881 | 13.247 | 3.988 |
| 6 | Scen_Area VI.2_OFF | 0.3682 | 3.168 | 1898 | 13.247 | 4.000 |
| 7 | Scen_Central_OFF | 0.2902 | 2.449 | 1143 | 8.972 | 2.841 |
| Scenario | Minimum Voltage pu | Maximum Voltage pu | Maximum Loading % |
|---|---|---|---|
| Scen_Area I_OFF | 0.949 | 1.019 | 70.8 |
| Scen_Area II.1_OFF | 0.958 | 1.021 | 70.8 |
| Scen_Area II.2_OFF | 0.956 | 1.021 | 70.8 |
| Scen_Area V_OFF | 0.949 | 1.007 | 70.8 |
| Scen_Area VI.1_OFF | 0.948 | 1.010 | 74.6 |
| Scen_Area VI.2_OFF | 0.900 | 1.009 | 126.2 |
| Scen_Central_OFF | 0.953 | 1.007 | 70.8 |
| Scenario | Disturbance | Frequency (Hz) | Load Shedding (MW) | |
|---|---|---|---|---|
| Nadir | Steady | |||
| Scen_Area I_OFF | Separation North–South | 59.03 | 59.34 | 68.78 |
| Tripping Gen I | 58.84 | 59.10 | 91.20 | |
| Tripping Line 230 kV | 59.62 | 59.99 | - | |
| Scen_Area II.1_OFF | Separation North–South | 59.03 | 59.34 | 68.78 |
| Tripping Gen I | 58.86 | 59.11 | 91.20 | |
| Tripping Line 230 kV | 59.61 | 59.99 | - | |
| Scen_Area II.2_OFF | Separation North–South | 58.78 | 59.01 | 86.16 |
| Tripping Gen I | 58.86 | 59.11 | 91.2 | |
| Tripping Line 230 kV | 59.58 | 59.99 | - | |
| Scen_Area V_OFF | Separation North–South | 59.02 | 59.34 | 68.78 |
| Tripping Gen I | 58.85 | 59.10 | 91.2 | |
| Tripping Line 230 kV | 59.62 | 59.99 | - | |
| Scen_Area VI.1_OFF | Separation North–South | 58.75 | 59.00 | 86.16 |
| Tripping Gen I | 58.84 | 59.10 | 91.2 | |
| Tripping Line 230 kV | 59.64 | 59.99 | - | |
| Scen_Area VI.2_OFF | Separation North–South | 58.74 | 59.00 | 86.16 |
| Tripping Gen I | 58.85 | 59.10 | 91.2 | |
| Tripping Line 230 kV | 59.73 | 59.99 | - | |
| Scen_Central_OFF | Separation North–South | 58.73 | 58.98 | 86.16 |
| Tripping Gen I | 58.85 | 59.09 | 91.2 | |
| Tripping Line 230 kV | 59.76 | 59.99 | - | |
| Terminal | Area | dV/dP (pu/ MW) |
|---|---|---|
| Area II_13.8 kV_#2 | Area II | 0.00272 |
| Area II_13.8 kV_#1 | Area II | 0.00204 |
| Area II_13.8 kV_#3 | Area II | 0.00188 |
| Area II_13.8 kV_#4 | Area II | 0.00122 |
| Area II_13.8 kV_#5 | Area II | 0.00102 |
| No | Scenario Code | MV Converter | SAIFI (occ/yr) | SAIDI (h/yr) | ENS (MWh/yr) | EIC (MUSD/yr) | Obj Fun |
|---|---|---|---|---|---|---|---|
| 1 | 0101010101 | 0 | 0.2668 | 2.248 | 971.7 | 7.804 | 4.00 |
| 2 | 0101100101 | 4 | 0.2665 | 2.241 | 966.3 | 7.762 | 3.99 |
| 3 | 1001010101 | 4 | 0.2642 | 2.235 | 960.5 | 7.693 | 3.96 |
| 4 | 0110010101 | 4 | 0.2652 | 2.232 | 957.8 | 7.714 | 3.96 |
| 5 | 0101011001 | 4 | 0.2340 | 1.936 | 696.7 | 6.110 | 3.24 |
| 6 | 0101010110 | 4 | 0.2329 | 1.922 | 690.5 | 6.079 | 3.22 |
| 7 | 1001100101 | 8 | 0.2642 | 2.229 | 955.5 | 7.655 | 3.95 |
| 8 | 0110100101 | 8 | 0.2651 | 2.225 | 952.4 | 7.672 | 3.95 |
| 9 | 1010010101 | 8 | 0.2629 | 2.219 | 947.2 | 7.607 | 3.92 |
| 10 | 0101101001 | 8 | 0.2340 | 1.929 | 691.9 | 6.067 | 3.22 |
| 11 | 0101011010 | 8 | 0.2326 | 1.922 | 688.5 | 5.985 | 3.20 |
| 12 | 1001011001 | 8 | 0.2316 | 1.923 | 685.7 | 5.996 | 3.20 |
| 13 | 0101100110 | 8 | 0.2329 | 1.916 | 685.3 | 6.037 | 3.20 |
| 14 | 0110011001 | 8 | 0.2326 | 1.919 | 682.4 | 6.016 | 3.20 |
| 15 | 1001010110 | 8 | 0.2305 | 1.910 | 680.0 | 5.965 | 3.18 |
| 16 | 0110010110 | 8 | 0.2315 | 1.906 | 676.9 | 5.986 | 3.18 |
| 17 | 1010100101 | 12 | 0.2627 | 2.212 | 941.8 | 7.564 | 3.91 |
| 18 | 0101101010 | 12 | 0.2324 | 1.915 | 683.3 | 5.942 | 3.19 |
| 19 | 1001101001 | 12 | 0.2315 | 1.916 | 681.0 | 5.958 | 3.18 |
| 20 | 0110101001 | 12 | 0.2325 | 1.912 | 677.5 | 5.973 | 3.18 |
| 21 | 1001011010 | 12 | 0.2298 | 1.909 | 677.0 | 5.862 | 3.16 |
| 22 | 1001100110 | 12 | 0.2304 | 1.903 | 674.6 | 5.928 | 3.16 |
| 23 | 0110011010 | 12 | 0.2310 | 1.905 | 673.8 | 5.892 | 3.16 |
| 24 | 1010011001 | 12 | 0.2301 | 1.907 | 672.0 | 5.907 | 3.16 |
| 25 | 0110100110 | 12 | 0.2314 | 1.899 | 671.5 | 5.944 | 3.16 |
| 26 | 1010010110 | 12 | 0.2290 | 1.894 | 666.3 | 5.877 | 3.14 |
| 27 | 1001101010 | 16 | 0.2297 | 1.903 | 671.9 | 5.832 | 3.15 |
| 28 | 0110101010 | 16 | 0.2307 | 1.898 | 668.0 | 5.848 | 3.15 |
| 29 | 1010101001 | 16 | 0.2298 | 1.900 | 666.6 | 5.863 | 3.14 |
| 30 | 1010011010 | 16 | 0.2284 | 1.893 | 662.7 | 5.781 | 3.12 |
| 31 | 1010100110 | 16 | 0.2288 | 1.887 | 660.5 | 5.833 | 3.12 |
| 32 | 1010101010 | 20 | 0.2284 | 1.886 | 657.5 | 5.737 | 3.11 |
| Number Converter MV | Best Scenario | Transformed HV Converter |
|---|---|---|
| 4 | 0101010110 | Area VI–2 |
| 8 | 1001010110 | Area VI–2, Area II |
| 12 | 1010010110 | Area VI–2, Area II, Area I |
| 16 | 1010011010 | Area VI–2, Area II, Area I, Area VI–1 |
| 20 | 1010101010 | Area VI–2, Area II, Area I, Area VI–1, Area V |
| Number of Redundant | Availability % | SAIFI 1/Ca | SAIDI h/Ca | ENS MWh/a | EIC MUSD/a |
|---|---|---|---|---|---|
| 0 | 97.9720674 | 0.2867981 | 2.690699 | 1470.293 | 7.9250 |
| 1 | 99.3235648 | 0.2724755 | 2.355284 | 1093.104 | 7.8372 |
| 2 | 99.5596256 | 0.2699818 | 2.296692 | 1027.219 | 7.8212 |
| 3 | 99.6481343 | 0.2690475 | 2.274723 | 1002.516 | 7.8152 |
| 4 | 99.6928342 | 0.2685756 | 2.263627 | 990.040 | 7.8121 |
| Number of Redundant | Availability % | SAIFI 1/Ca | SAIDI h/Ca | ENS MWh/a | EIC MUSD/a |
|---|---|---|---|---|---|
| 0 | 99.3148698 | 0.2282983 | 1.882080 | 650.572 | 5.8823 |
| 1 | 99.7321615 | 0.2283157 | 1.881906 | 650.507 | 5.7769 |
| 2 | 99.8056137 | 0.2283189 | 1.881869 | 650.493 | 5.7574 |
| 3 | 99.8333649 | 0.2283202 | 1.881854 | 650.487 | 5.7500 |
| 4 | 99.8474793 | 0.2283208 | 1.881847 | 650.484 | 5.7462 |
| Parameter | Unit | Value |
|---|---|---|
| Investment cost | kUSD/Converter HV | 24,000 |
| Total converter | 6 | |
| Operation period | years | 17 |
| Interest rate | % | 10 |
Disclaimer/Publisher’s Note: The statements, opinions and data contained in all publications are solely those of the individual author(s) and contributor(s) and not of MDPI and/or the editor(s). MDPI and/or the editor(s) disclaim responsibility for any injury to people or property resulting from any ideas, methods, instructions or products referred to in the content. |
© 2024 by the authors. Licensee MDPI, Basel, Switzerland. This article is an open access article distributed under the terms and conditions of the Creative Commons Attribution (CC BY) license (https://creativecommons.org/licenses/by/4.0/).
Share and Cite
Hariyanto, N.; Simamora, N.B.; Banjar-Nahor, K.M.; Paradongan, H.T. Analysis of Optimal HVDC Back-to-Back Placement Based on Composite System Reliability. Energies 2024, 17, 5008. https://doi.org/10.3390/en17195008
Hariyanto N, Simamora NB, Banjar-Nahor KM, Paradongan HT. Analysis of Optimal HVDC Back-to-Back Placement Based on Composite System Reliability. Energies. 2024; 17(19):5008. https://doi.org/10.3390/en17195008
Chicago/Turabian StyleHariyanto, Nanang, Niko B. Simamora, Kevin M. Banjar-Nahor, and Hendry Timotiyas Paradongan. 2024. "Analysis of Optimal HVDC Back-to-Back Placement Based on Composite System Reliability" Energies 17, no. 19: 5008. https://doi.org/10.3390/en17195008
APA StyleHariyanto, N., Simamora, N. B., Banjar-Nahor, K. M., & Paradongan, H. T. (2024). Analysis of Optimal HVDC Back-to-Back Placement Based on Composite System Reliability. Energies, 17(19), 5008. https://doi.org/10.3390/en17195008

