Utilizing Wastewater Tunnels as Thermal Reservoirs for Heat Pumps in Smart Cities
Abstract
1. Introduction
2. Materials and Methods
2.1. Case Study Description
2.2. Methodology for Evaluating the Performance of the Heat Pumps and Wastewater Heat Exchangers
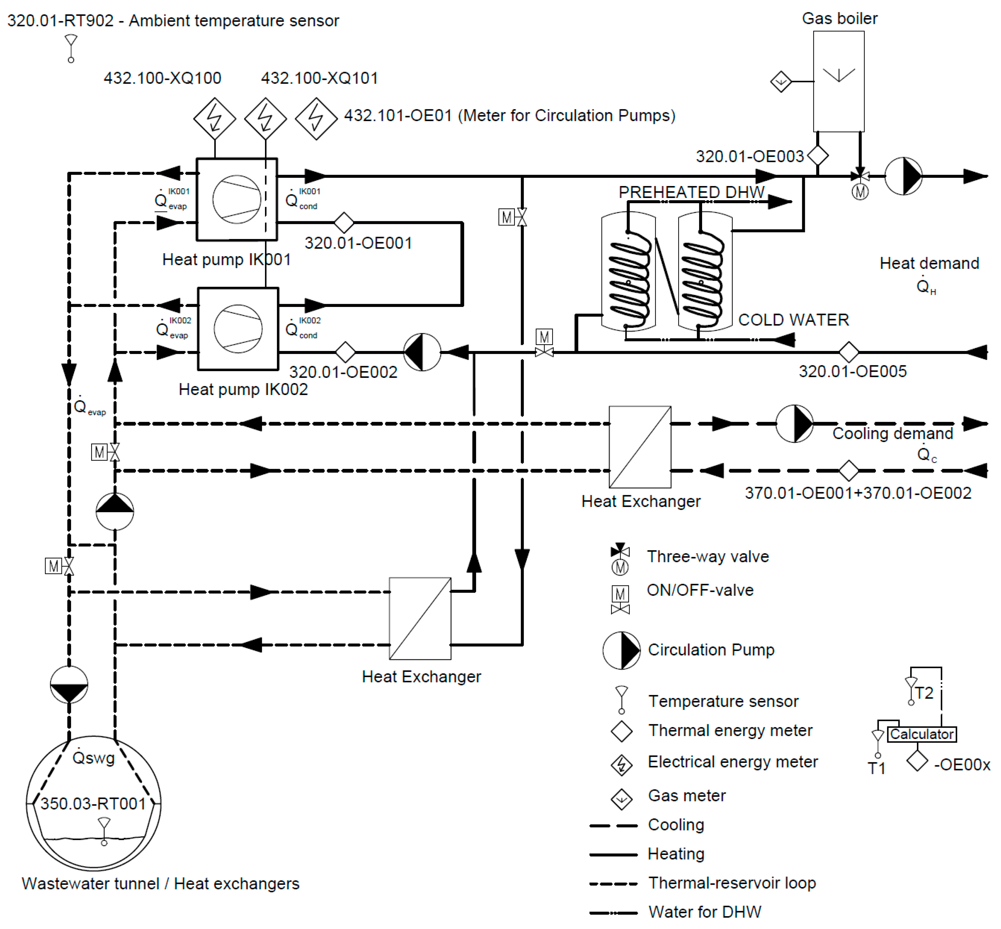
2.2.1. System Design and Relevant Sensors
2.2.2. Data Capture
2.2.3. Performance Parameters
- Heat production is measured by the heat distribution loop energy meter, .
- Cooling production is measured by the sum of the cooling distribution loop energy meters, .
- 0–0.2: Unacceptable
- 0.2–0.35: Poor
- 0.35–0.45: Good
- >0.45: Excellent
2.2.4. Limitations
- Gas boiler contribution: The energy contribution from the gas boiler used in the performance calculations is measured by the thermal energy meter 320.01-OE003, which is positioned between the gas boiler and the heat distribution system. However, actual gas consumption data from the gas company was unavailable due to data capture errors. Previous studies have indicated that the boiler’s efficiency is below expectations, but this error is not attributed to the heat pump system design, but rather to the control strategy implemented in this specific part of the system. Consequently, the SPF values reported here may be higher than the real values, as more gas was used than measured at 320.01-OE003.
- Reduced demand due to refurbishment: The plant was originally designed to supply three buildings with thermal energy. During the data collection period, one of these buildings had been temporarily removed from the system for refurbishment. Thus, during the whole measurement period, the heat pumps have had an overcapacity relative to the maximum demand. Consequently, the utilization rate of the heat pump may appear disproportionately high when compared to typical systems designed to balance both base and peak load units. Additionally, the design production numbers presented in Table 1 are expected to be higher than those measured.
2.3. Statistical Evaluation Using Correlation Analysis
- and are the individual sample points indexed i,
- and are the means of the x and y data sets.
- The result, r, ranges from −1 to +1, where:
- An r-value of +1 indicates a perfect positive linear relationship,
- An r-value of −1 indicates a perfect negative linear relationship,
- An r-value of 0 indicates no linear relationship between the variables.
2.4. Artificial Neural Networks for Evaluating the Heat Pump Performance
2.4.1. Model Structure and Development
2.4.2. Training, Validation, and Test Data with Emphasis on Fouling Assessment
- Training Set: Data from 2020 to 2022 represented the training set, with 20% reserved for validation during the training phase to fine-tune the model.
- Data from 2023 were used for “visual validation,” evaluating the model configuration, testing various input/output parameters, and adjusting hyperparameters. This stage was important for identifying potential faulty operations and providing a practical check against real-world conditions.
- Test Set: Data from 2024, referred to as “unseen” data, were used for final testing to confirm the model’s effectiveness. The test aimed to verify that the model, trained on data from earlier years, could accurately predict system performance under current conditions. A successful outcome would indicate that the system’s performance has remained consistent over the years, free from significant deviations due to fouling or other inefficiencies. Positive results could also suggest the model’s potential for ongoing monitoring and diagnostic applications.
2.4.3. Data Preparation
2.4.4. Model Construction and Training
2.4.5. Performance Metrics
2.5. Manuscript Preparation and Editorial Assistance
3. Results
3.1. Evaluation of Heat Pump Performance
- The system for heating and cooling production, excluding peak heating for DHW, has produced its energy with an SFP between 2.7 and 2.8, which is considered highly satisfactory.
- The heat pumps have met most of the thermal demand for the two operational buildings, with the gas boiler contributing minimally. This outcome aligns with expectations and contrasts with the period of 2019 to 2020, when three buildings were operational [33] and both the heat pump and gas boiler had significantly higher contributions. It is important to note that data from 2019 to 2020 are not as detailed as those presented in this study.
- There have been no significant peaks in gas boiler usage, and the boiler has primarily served as a backup unit during these years.
- Wastewater heat has been the predominant low-temperature heat source, contributing to more than 60% of the total heat produced in both evaluated years, indicating that the heat exchangers are performing in line with expectations.
- While the power contribution of excess heat from cooling is small, averaging about 14 kW, it has been consistent throughout the years. Though not as important in a system where the heat extraction does not significantly influence the source temperature, a steady contribution of 14 kW, equivalent to 120,000 kWh/yr, could significantly benefit a geothermal heat pump system.
- The production from the two heat pumps has been highly uneven; IK001 has produced 87% and 75% of the heat in the respective years, while IK002 has produced 13% and 25%. The SCOP values for IK001 and IK002 were 3.6/3.6 and 3.4/3.5, respectively, perfectly in line with design expectations. Given that IK001, as the second pump in the series, has been set to produce a temperature 5K above that of IK002 and still achieved a higher SCOP, this suggests that the operational strategy and set-point scheme for IK002 should be re-evaluated.
3.2. Prediction of Heat Production, Electricity Consumption, and Outlet Temperature Using ANN
4. Discussion
4.1. Wastewater as a Thermal Reservoir: Evaluating Temperature and Other Influences on Heat Pump Performance
4.2. Comparing Wastewater and Ambient Air as Thermal Reservoirs
4.3. ANN for Monitoring and Evaluating the Heat Pump System and Fouling
4.4. Assessing Wastewater as a Thermal Reservoir from the Perspective of the Municipal Energy Plant Project
5. Conclusions
- The project is considered successful by those responsible for its specification, design, and operation, despite substantial challenges. The wastewater system has proven to be an effective thermal reservoir, maintaining higher temperatures than ambient air during winter for heating operations and colder temperatures during summer for cooling. The consistent temperature stability, never dropping below +5 °C, ensures a reliable heat source during the coldest days. Additionally, the innovative design of the wastewater heat exchanger plates, which are flexible and adaptable to various configurations, makes them ideal for both new and existing wastewater systems.
- There is room to improve the control strategy of the two heat pumps. Notably, heat pump IK001, which operates more frequently than IK002, achieves a higher SCOP despite being set to produce heat at a higher temperature. Re-evaluating the setpoint scheme is recommended, possibly through manual adjustments or by using the ANN model for optimization.
- The ANN has confirmed that the heat exchangers have not experienced degradation due to fouling. Moreover, it has effectively identified operational errors, pinpointing areas for improvement in heat pump management. This demonstrates the model’s utility in guiding operational adjustments. Integrating physics-based modeling with the ANN could further enhance the model’s operational range.
- The main challenges associated with the technology involve accessing the wastewater, addressing issues of ownership, tariffs, and wastewater temperature before it reaches the treatment plant, in addition to the physical installation and establishment of the wastewater heat pump system.
- Future work on this project could aim to refine the control systems of the heat pumps and develop an enhanced fault detection mechanism. Using information from the current manual maintenance logs, more detailed information on the sources of heat pump faults could be extracted and utilized within the machine learning framework. The analysis clearly indicates that the system lacks an automatic response to correct errors as they occur, leading to subsequent issues in other parts of the plant. Therefore, developing a methodology that combines practical knowledge with ML could be a valuable direction for future research.
- Looking ahead more broadly, future studies could investigate the utilization of wastewater as a thermal resource within urban planning, promoting the development of larger integrated systems that utilize this sustainable energy source.
Author Contributions
Funding
Data Availability Statement
Acknowledgments
Conflicts of Interest
Abbreviations
| AI | Artificial Intelligence |
| ANN | Artificial Neural Network |
| COP | Coefficient of Performance |
| DHW | Domestic Hot Water |
| EER | Energy Efficiency Ratio |
| ELF | Electrical Load Factor |
| IEA | International Energy Agency |
| IK001 | Identifier for the first heat pump in the system |
| IK002 | Identifier for the second heat pump in the system |
| LCOE | Levelized Cost of Energy |
| MAE | Mean Absolute Error |
| MAPE | Mean Absolute Percentage Error |
| ML | Machine Learning |
| MEG20 | 20% Monoethylene Glycol solution |
| OECD | Organization for Economic Co-operation and Development |
| ReLU | Rectified Linear Unit |
| RSME | Root Mean Square Error |
| SCADA | Supervisory Control and Data Acquisition |
| SCOP | Seasonal Coefficient of Performance |
| SEI | System Efficiency Index |
| SPF | Seasonal Performance Factor |
| Symbols and Variables | |
| Specific Heat Capacity (in kJ/kgK) | |
| Mass flow rate (in kg/s) | |
| Rate of heat transfer (in kW) | |
| r | Pearson’s correlation coefficient |
| T | Temperature |
| Electrical input to the heat pump (in kWh/h) | |
References
- IEA. Empowering Cities for a Net Zero Future: Unlocking Resilient, Smart, Sustainable Urban Energy Systems; IEA: Paris, France, 2020. [Google Scholar]
- IEA. Net Zero by 2050; IEA: Paris, France, 2021. [Google Scholar]
- IEA. Heat Pumps; IEA: Paris, France, 2020. [Google Scholar]
- Byrne, P. Modelling and Simulation of Heat Pumps for Simultaneous Heating and Cooling, a Special Issue. Energies 2022, 15, 5933. [Google Scholar] [CrossRef]
- Rosenow, J.; Gibb, D.; Nowak, T.; Lowes, R. Heating up the global heat pump market. Nat. Energy 2022, 7, 901–904. [Google Scholar] [CrossRef]
- Madani, H.; Claesson, J.; Lundqvist, P. Capacity control in ground source heat pump systems. Int. J. Refrig. 2011, 34, 1338–1347. [Google Scholar] [CrossRef]
- Lund, R.; Persson, U. Mapping of potential heat sources for heat pumps for district heating in Denmark. Energy 2016, 110, 129–138. [Google Scholar] [CrossRef]
- Blázquez, C.S.; Nieto, I.M.; García, J.C.; García, P.C.; Martín, A.F.; González-Aguilera, D. Comparative Analysis of Ground Source and Air Source Heat Pump Systems under Different Conditions and Scenarios. Energies 2023, 16, 1289. [Google Scholar] [CrossRef]
- Klein, K.; Huchtemann, K.; Müller, D. Numerical study on hybrid heat pump systems in existing buildings. Energy Build. 2014, 69, 193–201. [Google Scholar] [CrossRef]
- Carroll, P.; Chesser, M.; Lyons, P. Air Source Heat Pumps field studies: A systematic literature review. Renew. Sustain. Energy Rev. 2020, 134, 110275. [Google Scholar] [CrossRef]
- IEA. The Future of Heat Pumps; IEA: Paris, France, 2022. [Google Scholar]
- Nagpal, H.; Spriet, J.; Murali, M.; McNabola, A. Heat Recovery from Wastewater—A Review of Available Resource. Water 2021, 13, 1274. [Google Scholar] [CrossRef]
- Patil, V.; Kadam, A. Problems and Perspectives of the Urban Sewage System: A Geographical Review. Res. Rev. Int. J. Multidiscip. 2019, 4, 2815–2819. [Google Scholar]
- Culha, O.; Gunerhan, H.; Biyik, E.; Ekren, O.; Hepbasli, A. Heat exchanger applications in wastewater source heat pumps for buildings: A key review. Energy Build. 2015, 104, 215–232. [Google Scholar] [CrossRef]
- Klimaetaten Oslo. Bringing You Heat That’s Been Extracted from Your Sewage. Available online: https://www.klimaoslo.no/district-heating-from-sewage/ (accessed on 28 May 2024).
- Seehus, G.; Vigre, E. What Is Triangulum? Available online: https://triangulum.no/about-triangulum/?lang=en (accessed on 21 July 2024).
- Helmut UHRIG Straßen- und Tiefbau GmbH. UHRIG Product: Therm-Liner. 2020. Available online: https://www.uhrig-bau.eu/en/division/heat-from-wastewater/product-therm-liner/ (accessed on 21 July 2024).
- Helmut UHRIG Straßen- und Tiefbau GmbH. References UHRIG Energy from Wastewater, Therm-Liner, Last Update: 31.03.2023. Available online: https://www.uhrig-bau.eu/wp-content/uploads/2020/11/230331-references-uhrig-energy-from-wastewater.pdf (accessed on 21 July 2024).
- Bartnicki, G.; Ziembicki, P.; Klimczak, M.; Kalitka, A. The Potential of Heat Recovery from Wastewater Considering the Protection of Wastewater Treatment Plant Technology. Energies 2022, 16, 227. [Google Scholar] [CrossRef]
- Kowalik, R.; Bąk-Patyna, P. Analysis of Heat Recovery from Wastewater Using a Heat Pump on the Example of a Wastewater Treatment Plant in the ŚwiĘtokrzyskie Voivodeship in Polish. Struct. Environ. 2021, 13, 90–95. [Google Scholar] [CrossRef]
- Łokietek, T.; Tuchowski, W.; Leciej-Pirczewska, D.; Głowacka, A. Heat Recovery from a Wastewater Treatment Process—Case Study. Energies 2022, 16, 44. [Google Scholar] [CrossRef]
- Cecconet, D.; Raček, J.; Callegari, A.; Hlavínek, P. Energy Recovery from Wastewater: A Study on Heating and Cooling of a Multipurpose Building with Sewage-Reclaimed Heat Energy. Sustainability 2019, 12, 116. [Google Scholar] [CrossRef]
- Aprile, M.; Scoccia, R.; Dénarié, A.; Kiss, P.; Dombrovszky, M.; Gwerder, D.; Schuetz, P.; Elguezabal, P.; Arregi, B. District Power-To-Heat/Cool Complemented by Sewage Heat Recovery. Energies 2019, 12, 364. [Google Scholar] [CrossRef]
- Xu, T.; Wang, X.; Wang, Y.; Li, Y.; Xie, H.; Yang, H.; Wei, X.; Gao, W.; Lin, Y.; Shi, C. Integration of sewage source heat pump and micro-cogeneration system based on domestic hot water demand characteristics: A feasibility study and economic analysis. Process Saf. Environ. Prot. 2023, 179, 796–811. [Google Scholar] [CrossRef]
- Chen, W.-A.; Lim, J.; Miyata, S.; Akashi, Y. Methodology of evaluating the sewage heat utilization potential by modelling the urban sewage state prediction model. Sustain. Cities Soc. 2022, 80, 103751. [Google Scholar] [CrossRef]
- Aguilera, J.J.; Meesenburg, W.; Markussen, W.B.; Zühlsdorf, B.; Elmegaard, B. Real-time monitoring and optimization of a large-scale heat pump prone to fouling—Towards a digital twin framework. Appl. Energy 2024, 365, 123274. [Google Scholar] [CrossRef]
- Meesenburg, W.; Aguilera, J.J.; Kofler, R.; Markussen, W.B.; Brian, E. Prediction of fouling in sewage water heat pump for predictive maintenance. In Proceedings of the 35th International Conference on Efficiency, Cost, Optimization, Simulation and Environmental Impact of Energy Systems 2022, Copenhagen, Denmark, 3–7 July 2022. [Google Scholar]
- Zhuang, Z.; Zhao, J.; Mi, F.; Zhang, T.; Hao, Y.; Li, S. Application and Analysis of a Heat Pump System for Building Heating and Cooling Using Extracting Heat Energy from Untreated Sewage. Buildings 2023, 13, 1342. [Google Scholar] [CrossRef]
- Wang, J.; Sun, L.; Li, H.; Ding, R.; Chen, N. Prediction Model of Fouling Thickness of Heat Exchanger Based on TA-LSTM Structure. Processes 2023, 11, 2594. [Google Scholar] [CrossRef]
- Kim, M.-H.; Kim, D.-W.; Han, G.; Heo, J.; Lee, D.-W. Ground Source and Sewage Water Source Heat Pump Systems for Block Heating and Cooling Network. Energies 2021, 14, 5640. [Google Scholar] [CrossRef]
- Helmut UHRIG Straßen- und Tiefbau GmbH. Energy from Wastewater with UHRIG Therm-Liner Description of the Heat Exchanger System. Available online: https://www.uhrig-bau.eu/wp-content/uploads/2021/04/en-system-description-uhrig-energy-from-wastewater-eu-211210-1.pdf (accessed on 21 July 2024).
- OECD. Measuring Smart Citities Performance; OECD: Paris, France, 2020. [Google Scholar]
- Fadnes, F.S.; Olsen, E.; Assadi, M. Holistic management of a smart city thermal energy plant with sewage heat pumps, solar heating, and grey water recycling. Front. Energy Res. 2023, 11, 1078603. [Google Scholar] [CrossRef]
- Zou, J.; Hirokawa, T.; An, J.; Huang, L.; Camm, J. Recent advances in the applications of machine learning methods for heat exchanger modeling—A review. Front. Energy Res. 2023, 11, 1294531. [Google Scholar] [CrossRef]
- Starzec, M.; Kordana-Obuch, S.; Piotrowska, B. Evaluation of the Suitability of Using Artificial Neural Networks in Assessing the Effectiveness of Greywater Heat Exchangers. Sustainability 2024, 16, 2790. [Google Scholar] [CrossRef]
- Çengel, Y.A. Heat and Mass Transfer: A Practical Approach, 3rd ed.; McGraw-Hill Science Engineering: Blacklick, OH, USA, 2006. [Google Scholar]
- DKRT. Om DKRT—Dansk Kloak RenoveringsTeknik ApS. Available online: https://kloakshop.dk/om-os/ (accessed on 21 July 2024).
- Schneider Electric. Citect SCADA 2018 Installation and Configuration Guide; Schneider Electric: Rueil-Malmaison, France, 2018. [Google Scholar]
- Andresen, T.; Nekså, P.; Stene, J. Heat Pumps in Smart Energy-Efficient Buildings A State-of-the-Art Report; NTNU and SINTEF: Trondheim, Norway, 2002. [Google Scholar]
- Lane, A.-L.; Benson, J.; Eriksson, L.; Fahlén, P.; Nordman, R.; Haglund Stignor, C.; Berglöf, K.; Hundy, G. Method and Guidelines to Establish System Efficiency Index during Field Measurements on Air Conditioning and Heat Pump Systems; SP Technical Research Institute of Sweden: Borås, Sweden, 2014. [Google Scholar]
- Géron, A. Hands-On Machine Learning with Scikit-Learn, Keras, and TensorFlow, 2nd ed.; Tache, R.R.a.N., Ed.; O’Reilly Media, Inc.: Sebastopol, CA, USA, 2019. [Google Scholar]
- Abida, A.; Richter, P. HVAC control in buildings using neural network. J. Build. Eng. 2023, 65, 105558. [Google Scholar] [CrossRef]
- Fadnes, F.S.; Banihabib, R.; Assadi, M. Using Artificial Neural Networks to Gather Intelligence on a Fully Operational Heat Pump System in an Existing Building Cluster. Energies 2023, 16, 3875. [Google Scholar] [CrossRef]
- Witte, R.S.W.; John, S. Statistics, 11th ed.; John Wiley & Sons, Inc.: Hoboken, NJ, USA, 2017. [Google Scholar]
- Russo, R. Stop Using Moving Average to Smooth Your Time Series; BIP xTech: Rome, Italy, 2024. [Google Scholar]
- de Myttenaere, A.; Golden, B.; Le Grand, B.; Rossi, F. Mean Absolute Percentage Error for regression models. Neurocomputing 2016, 192, 38–48. [Google Scholar] [CrossRef]
- Bogdanov, D.; Satymov, R.; Breyer, C. Impact of temperature dependent coefficient of performance of heat pumps on heating systems in national and regional energy systems modelling. Appl. Energy 2024, 371, 123647. [Google Scholar] [CrossRef]























| Indicator | Target Value |
|---|---|
| Heat Production Heat Pumps [kWh/yr] | 1,692,000 |
| Electricity Consumption for Heating [kWh/yr] | 483,000 |
| Seasonal Coefficient of Performance Heating * | 3.5 |
| Heat Extraction at Evaporator [kWh/yr] | 1,209,000 |
| Cooling Production [kWh/yr] | 187,000 |
| Electricity Consumption for Cooling [kWh/yr] | 18,700 |
| Seasonal Coefficient of Performance Cooling * | 10.0 |
| Heat Rejection at Condenser [kWh/yr] | 205,700 |
| Gas Boiler Contribution Peak Load Heating [kWh/yr] | 66,000 |
| Parameter | Value |
|---|---|
| Network Architecture | (50, 75, 150) |
| Activation Functions | [‘ReLu’, ‘ReLu’, ‘ReLu’, ‘linear’] |
| Loss Function | Mean Squared Error |
| Optimizer | Adam |
| Batch Size | 150 |
| Epochs | 5000 |
| Validation Split | 0.2 |
| Early Stopping | Enabled |
| Patience | 50 |
| Batch Size | 150 |
| Save Best Model | Yes |
| 2022 | 2023 | |||
|---|---|---|---|---|
| Energy [kWh/yr] | Power [kW] | Energy [kWh/yr] | Power [kW] | |
| Heat production | 1,342,000 | 450 | 1,372,000 | 430 |
| Heat Production—IK001 | 1,159,000 | 244 | 1,041,000 | 242 |
| Electricity Consumption—IK001 | 321,000 | 71 | 291,000 | 71 |
| SCOP IK001 [-] | 3.61 | 3.58 | ||
| Heat Production—IK002 | 177,000 | 231 | 321,000 | 248 |
| Electricity Consumption—IK002 | 52,000 | 66 | 91,000 | 67 |
| SCOP IK002 [-] | 3.40 | 3.52 | ||
| Heat Pump Production | 1,336,000 | 450 | 1,362,000 | 430 |
| Electricity consumption | 373,000 | 131 | 382,000 | 130 |
| SCOP Heat [-] | 3.58 | 3.57 | ||
| Heat extracted at evaporator Qevap | 963,000 | 320 | 980,000 | 302.0 |
| Cooling to Heat | 128,000 | 68 | 123,000 | 118.0 |
| Wastewater Heat | 835,000 | 304 | 858,000 | 283.0 |
| Gas Boiler Load | 5700 | 190 | 10,000 | 156.0 |
| Cooling Production | 34,000 | 270 | 44,000 | 233 |
| Electricity Consumption Cooling | 14,000 | 100 | 15,000 | 81 |
| SEER [-] | 2.43 | 2.93 | ||
| Electricity Consumption Pumps | 102,000 | 19 | 110,000 | 19 |
| SPF Total [-] | 2.78 | 2.74 | ||
| Parameter | MAE | RMSE | Max Absolute Error | MAPE |
|---|---|---|---|---|
| Including Errors due to Faulty Operation of IK001 | ||||
| Heat Pump Production [kWh/h] | 16.3 | 34.2 | 157.9 | 8.5% |
| Electricity Consumption [kWh/h] | 4.3 | 9.6 | 45.0 | 8.5% |
| Outlet Temperature Heat Pump [°C] | 0.4 | 0.8 | 3.5 | 5.3% |
| Excluding Errors due to Faulty Operation of IK001 | ||||
| Heat Pump Production [kWh/h] | 6.2 | 9.2 | 24.8 | 3.7% |
| Electricity Consumption [kWh/h] | 1.8 | 2.4 | 6.9 | 3.3% |
| Outlet Temperature Heat Pump [°C] | 0.2 | 0.2 | 0.6 | 0.3% |
| Parameter | MAE | RMSE | Max Absolute Error | MAPE |
|---|---|---|---|---|
| Complete results including period with significant error. 7 February 2024 to 14 March 2024 | ||||
| Heat Pump Production [kWh/h] | 33.7 | 63.6 | 260.1 | 25.8% |
| Electricity Consumption [kWh/h] | 9.7 | 18.3 | 72.6 | 26.3% |
| Outlet Temperature Heat Pump [°C] | 0.8 | 1.5 | 6.1 | 1.6% |
| Result excluding period with significant error. 7 February 2024 to 21 February 2024 and 27 February 2024 to 14 March 2024 | ||||
| Heat Pump Production [kWh/h] | 12.2 | 17.0 | 111.6 | 5.0% |
| Electricity Consumption [kWh/h] | 3.6 | 5.1 | 38.2 | 5.1% |
| Outlet Temperature Heat Pump [°C] | 0.3 | 0.4 | 2.4 | 0.5% |
| Results period with significant error. 21 February 2024 to 27 February 2024 | ||||
| Heat Pump Production [kWh/h] | 140.4 | 150.7 | 260.1 | 129.4% |
| Electricity Consumption [kWh/h] | 40.0 | 43.1 | 72.6 | 132.2% |
| Outlet Temperature Heat Pump [°C] | 3.3 | 3.5 | 6.1 | 7.0% |
Disclaimer/Publisher’s Note: The statements, opinions and data contained in all publications are solely those of the individual author(s) and contributor(s) and not of MDPI and/or the editor(s). MDPI and/or the editor(s) disclaim responsibility for any injury to people or property resulting from any ideas, methods, instructions or products referred to in the content. |
© 2024 by the authors. Licensee MDPI, Basel, Switzerland. This article is an open access article distributed under the terms and conditions of the Creative Commons Attribution (CC BY) license (https://creativecommons.org/licenses/by/4.0/).
Share and Cite
Fadnes, F.S.; Assadi, M. Utilizing Wastewater Tunnels as Thermal Reservoirs for Heat Pumps in Smart Cities. Energies 2024, 17, 4832. https://doi.org/10.3390/en17194832
Fadnes FS, Assadi M. Utilizing Wastewater Tunnels as Thermal Reservoirs for Heat Pumps in Smart Cities. Energies. 2024; 17(19):4832. https://doi.org/10.3390/en17194832
Chicago/Turabian StyleFadnes, Fredrik Skaug, and Mohsen Assadi. 2024. "Utilizing Wastewater Tunnels as Thermal Reservoirs for Heat Pumps in Smart Cities" Energies 17, no. 19: 4832. https://doi.org/10.3390/en17194832
APA StyleFadnes, F. S., & Assadi, M. (2024). Utilizing Wastewater Tunnels as Thermal Reservoirs for Heat Pumps in Smart Cities. Energies, 17(19), 4832. https://doi.org/10.3390/en17194832

