Next Article in Journal
Resource-Saving Overcurrent Protection
Next Article in Special Issue
Transient Active Power in Two-Terminal Networks
Previous Article in Journal
A Numerical Simulation Study on the Combustion of Natural Gas Mixed with Hydrogen in a Partially Premixed Gas Water Heater
Previous Article in Special Issue
Compensation of Budeanu’s Reactive and Complemented Reactive Currents in Extended Budeanu Theory in 3-Phase 4-Wire Systems Powered by Symmetrical Nonsinusoidal Voltage Source
 
 
Font Type:
Arial Georgia Verdana
Font Size:
Aa Aa Aa
Line Spacing:
Column Width:
Background:
Article

The Impact of Limiting Reactive Power Flows on Active Power Losses in Lighting Installations

1
Department of Electrical Engineering, Czestochowa University of Technology, 42-200 Czestochowa, Poland
2
Department of Electrical Engineering, Bialystok University of Technology, Wiejska 45D Street, 15-351 Białystok, Poland
*
Author to whom correspondence should be addressed.
Energies 2024, 17(16), 4072; https://doi.org/10.3390/en17164072
Submission received: 25 June 2024 / Revised: 18 July 2024 / Accepted: 13 August 2024 / Published: 16 August 2024
(This article belongs to the Special Issue Thermo-Mechanical and Electrical Measurements for Energy Systems)

Abstract

Road lighting is one of the most important services provided by public entities. Entities providing such a service are interested in providing it with the lowest possible financial outlays. When planning modernization, unfortunately, one forgets about hidden operating costs, which are caused by, among others, the flow of reactive energy in the circuit. The use of modern light sources also involves the use of electronic systems in their accessories, which makes these electrical energy receivers capacitive. This is due to the lack of use of individual compensation systems in the luminaires themselves. Due to the above, the costs of capacitive reactive energy flow also increase. Newly designed road lighting installations, as well as modernized ones, are equipped with electronic systems enabling their effective control. The operation of such systems also causes fluctuations in the reactive power value, which must be compensated. Commonly used compensation choke systems also introduce additional active power losses, which makes the expected savings lower than expected. In the article, the authors presented selected results of measurements of the electrical parameters of LED luminaires, carried out both in the laboratory and in used road lighting circuits. The determined amounts of active power losses caused by the installation and operation of additional equipment in the road lighting installation, such as compensating chokes, are presented. The calculations were made based on the example of a selected fragment of the audit of this installation. On this basis, modernization was carried out and measurements of current electricity quality parameters were carried out.

1. Introduction

In road lighting installations, a number of individual lighting fixtures are used with a relatively low specific active power of a single fixture. One lighting circuit may contain from several to several dozen luminaires, which in turn means that it can be treated as an electrical energy receiver with relatively high active power. The maximum reduction in energy consumption costs can be achieved by using modern lighting fixtures with adjustable power, for example, by using autonomous intelligent lighting fixtures. Savings are achieved by adjusting the luminous flux in accordance with changes in traffic intensity. Regulating the flux by reducing the active power consumption of luminaires saves electricity, but unfortunately it also has a side effect. This is an increase in capacitive reactive power in the network, which has already been described quite extensively [1,2,3,4,5,6].
The authors in papers [7,8] presented the results of the analysis of energy savings levels when replacing high-pressure sodium luminaires with LED luminaires in street lighting. The results of measurements of the luminous flux as a function of the active power of high-pressure sodium and LED luminaires used in road lighting are described, unfortunately focusing only on determining the power factor values—without providing information on the reactive power values. In publications [9,10,11], the authors, analyzing the operation of lighting installations made of LED fixtures, discuss the energy efficiency of these installations as well as the impact of their control on the power factor values, also without providing information on the reactive power values. In the subsequent analyzed publications [12,13,14,15,16,17,18], the authors present the approach that the values of capacitive reactive power generated by circuits characterized by capacitive reactive energy flows with the “+” sign can be given, with the addition of the comment “capacitive” in some of these publications. In these publications, the values of t g ϕ coefficients are also given with a “+” sign. This is contrary to the findings known in power theory, which require that the values of both of these values be given with a “−” sign. As is known, capacitive reactive power compensation can be achieved by introducing additional elements that are attached to individual luminaires or to the power grid [19,20,21,22,23,24,25].
The selection of these elements can be made at the design stage or after measuring energy quality parameters. Such a task is quite complicated when using many different power lighting fixtures with LED sources. In articles [19,20,21,22], the authors describe the selection of devices (compensation chokes) for capacitive reactive power compensation, providing the values of their inductance. There are chokes available on the market described in a series of types; hence, providing the designated inductance values as used by the authors [22] seems to be insufficient. Grading of the emitted light flux described in publications [26,27,28,29] and in accordance with regulations [30,31,32,33,34] causes changes in the value of capacitive reactive power flows, which necessitates the use of choke batteries with a system for switching them on.

2. The Problem of Reactive Power in Lighting Installations

Energy efficiency is one of the overarching slogans that drive the development and implementation of EU directives and regulations. One such regulation is Directive [35] laying down general principles for establishing ecodesign requirements for energy-using products. This provision applies to electricity-based products, which account for a large share of the EU’s natural resource and energy consumption. The essence of the analyzed regulation is to improve energy efficiency, where one of the available options is better use of electricity by end users. Electricity demand is one of the fastest growing categories of energy end use and is expected to increase in the coming years.
Reactive power in alternating current systems and circuits is a quantity that describes the pulsation of electric energy between the components of an electric circuit. This energy is necessary for the functioning of, among others, electrical machines but also electronic systems. It is not converted into useful work or heat. For sinusoidal waveforms, the reactive power is presented by the formula:
Q 1 = U 1 I 1 s i n ϕ 1
where: Q 1 —reactive power [var], U 1 —effective value of voltage [V], I 1 —effective value of current [A], s i n ϕ 1 —phase shift between voltage and current.
In the case of a purely resistive load, the phase angle between voltage and current is 0°. In the case of a purely inductive load, the phase angle between voltage and current is 90°. However, in the case of a purely capacitive load, the phase angle between voltage and current is −90°. Due to their very complex structure, most devices (loads) that are powered from a single-phase 230 V network become capacitive or inductive loads (or their type may change with a change in the operating mode). Such loads are reactance loads. These are most often electronic systems that cooperate with various devices, including: with lighting fixtures, including LED.
The regulations regulating the electrical parameters of LED converters specify only the minimum values of power factors depending on the power range of the receiver D F = P / S (Table 1). This factor is called the phase shift factor DF in current regulations [36,37,38].
Figure 1 gives a graphical interpretation of the phase shift factor DF.
This definition correctly suggests the inductive or capacitive nature of, among others, electrical energy receivers such as lighting fixtures. Determining the value of the power factor of lighting sources and fixtures in the manner given in the table, with the possible inductive or capacitive nature of the receiver, may mean a negative or positive value of the coefficient determining the ratio of reactive power to active power of the circuit t g ϕ 1 .
t g ϕ 1 = Q 1 P
where: P—active power [W], Q 1 —reactive power [var], ϕ 1 —phase shift between voltage and current.
Possible values of the t g ϕ 1 coefficient are presented in Table 2.
In the power systems of various countries around the world [15], different permissible ranges of power factors D F = c o s ϕ 1 , and therefore also t g ϕ 1 , are adopted. The values of the power factor t g ϕ 1 , if exceeded, that determine the fee for the use of reactive energy in Poland are in the range (0.00; 0.40).The situation is similar in Belgium, France, Latvia and Romania. In the power systems of Italy, Bulgaria, Iceland and Luxembourg, these values are in the range (0.00; 0.48). In the Netherlands they are in the range (0.00; 0.75). However, in the former Yugoslav countries: Bosnia–Herzegovina, Croatia, North Macedonia, Serbia and Slovenia, the value of t g ϕ 1 should be in the range (0.00; 0.33). In Spain and Portugal, this range is (0.00; 0.29). As you can see in the description presented, no fees apply only to recipients of passive inductive energy.
In some countries, fees are charged for t g ϕ 1 values outside the range; in the UK, there is a range (0.43; −0.20), and in California in the USA, there is a range (0.48; −0.33). In some countries, several thresholds (ranges of t g ϕ 1 coefficient values during energy consumption) with progressive rates for reactive energy have been adopted. The method of determining rates for the use of reactive power may also depend on the supply voltage levels depending on the amount of power consumption, capacity, time of consumption or location of the billed entity. Additionally, the methods of calculating fees are varied. In some countries, fees are charged on the entire reactive energy consumption in [varh] (e.g., Estonia, Ireland, Lithuania), while in others, the fee depends on the active power and the value of the coefficients: contractual t g ϕ 1 u and measured t g ϕ 1 m (Poland). As presented above, the value of the t g ϕ 1 m coefficient for the designated power of a lighting circuit used in Poland should be in the range ( 0.0 ; 0.4 ) (in the case of capacitive luminaires, it is necessary to use compensating chokes). The methodology for limiting reactive power flows in other countries is similar, but other limit values will be adopted.

3. Analysis of the Operation of Road Lighting Fixtures with LED Sources

In modern solutions, the LEDs (power) are supplied from the 230 V/50 Hz network using appropriately designed switching power supplies using specialized integrated circuits. These types of power supplies have high energy efficiency >80% and are characterized by power factor values D F 0.9 . Thanks to the passive PF correctors used, the power supplies are resistant to electromagnetic (conducted) interference and are not themselves a source of interference sent to the power supply network. Unfortunately, lighting devices still use PFC-free power supplies. This is a version of the power supply that is theoretically banned in the EU.
As presented in Section 1, lighting receivers only have permissible values of phase shift coefficients D F ( c o s ϕ 1 ) specified in the regulations. The authors are not aware of any regulations that would include permissible values of t g ϕ 1 coefficients for lighting fixtures or power supplies used in them. The design of switching power supplies means that they are capacitive in nature, and because they meet the requirements for the D F value ( c o s ϕ 1 ), their designers and manufacturers do not attach importance to compensating reactive power directly in the light source–power supply system. The existence of such a requirement would eliminate the problem of the need to compensate for reactive power in lighting installations.
Table 3 shows selected electrical parameters of lighting fixtures with LED sources equipped with capacitive power supplies.
The luminaires are equipped with a “fluid” control system implemented via GSM network control. The converter system cooperating with the LED matrix changes its supply current values and, consequently, the value of the emitted light flux. The obtained results of measurements of the electrical parameters of the luminaire with a rated power of 41.5 W on the test stand confirm that the expected decrease in the active power of the entire luminaire also causes a change in the parameters Q 1 , D F = c o s ϕ 1 and t g ϕ 1 . These changes are shown in the form of characteristics of the values P, Q 1 , D F = c o s ϕ 1 and t g ϕ 1 as a function of time in Figure 2 and Figure 3.
As can be observed in Figure 2, the value of active power P decreased from 41.00 W to 2.00 W, and reactive power Q 1 varied in the range from −3.28 var to −10.74 var. In the case of the D F and t g ϕ 1 coefficients presented in Figure 3, their values varied accordingly: for D F the range was from 0.97 to 0.4, and for t g ϕ 1 from −0.265 to −2.4.
Then, the electrical parameters of the same luminaires were determined with individual power reduction implemented by the manufacturer in the converters of each luminaire. The power reduction was carried out according to the proposed schedule:
  • No power reduction from turning on the lighting until 7 p.m. and from 6 a.m. until turning off the lighting;
  • Reduction of specific power to 80%—4 h a day: from 7 p.m. to 9 p.m. and from 4 a.m. to 6 a.m.;
  • Reduction of specific power to 60%—4 h a day: from 9 p.m. to 11 p.m. and from 2 a.m. to 4 a.m.;
  • Reduction of specific power to 40%—3 h a day: from from 11 p.m. to 12 p.m. and from 12 p.m to 2 a.m.;
The control scheme is shown below in Figure 4.
Lighting installations are switched on using light sensors implemented in each lighting circuit. The need to use these sensors results from changes in sunrise and sunset times. Table 4 below shows data for 4 characteristic days a year for a town located in central Poland.
Determining the lighting operation time required analyzing all sunset and sunrise hours. After its determination, it was determined that the total average operating time of lighting fixtures is 4150 h per year and is consistent with the value specified in the regulations [39]. The total saving predicted using the control diagram presented in Figure 4 may be approximately 27% [40]. Table 5 shows the rated and measured selected values of electrical parameters for three selected lighting fixtures with power-reducing LED sources.
The measurements were carried out in laboratory conditions at a station containing: a reference voltage source, a system for measuring electrical parameters and energy quality, and fixtures with LED sources. The results of the active power values P O * and the corresponding values of power factors depending on the control level are shown in Figure 5 and Figure 6. Such characteristics should be developed by manufacturers of lighting fixtures intended for lighting installations [28,29], in which it is planned to control the value of the emitted luminous flux.

4. Audit of Road Lighting Installations

The system power (P) is calculated from the sum of the active power of the light sources, control gear and any other electrical devices (light point control units, switches, photovoltaic cell, etc.) that are directly related to the lighting of the area to be illuminated and installed to operate or adjust the installation. The system power (P) should be calculated for the entire lighting installation or a representative section used during lighting design according to the formula:
P = k = 1 n l p P k + P a d
where:
P [ W ] —total power of the lighting installation system or its representative part;
P k [ W ] —active power of the kth lighting point (light source, fixture, any other devices such as the lighting point control unit, switch or photocell and component that are associated with the lighting point and necessary for its operation);
P a d [ W ] —total active power of all devices not included in P k but necessary for the operation of the road installation, such as a remote switch or photocell, centralized light flux controller or centralized management system;
n l p —the number of lighting points associated with the lighting installation or representative section, whichever is used in the calculation.
If the system power is calculated for a representative area, the total active power of the P a d should be proportional to the number of luminaires used to illuminate the area (luminaires powered by the devices represented by the P a d ). A road lighting audit should include among others [28,29]:
  • Analysis of the existing condition based on the inventory.
  • Selection of new luminaires taking into account the requirements based on road categories with the indication of at least three different and independent luminaire manufacturers.
  • Comparison of investment project options in relation to energy efficiency:
    • option 1—replacement of existing luminaires (luminaires without power reduction);
    • option 2—replacement of existing luminaires (luminaires with power reduction);
    • option 3—replacement of the entire installation including the control (luminaires with dynamic power reduction).
  • Tabular summary of the existing state, the planned state, ecological analysis before and after modernization.
  • Photometric calculations–lighting design.
  • Detailed analysis of the results of road and street lighting measurements in relation to the photometric calculations made using the computer method.
  • Catalog cards and test reports of proposed lighting fixtures.
  • Technical and technological analysis of the proposed lighting fixtures.
  • Analysis of forecasted reactive power flows, taking into account its compensation at control points.
Based on the audit, the authors of the article:
  • Developed a comprehensive inventory of road lighting used on municipal roads in the examined commune.
  • Presented the concept of modernization of road lighting.
  • Determined the possibilities of reducing operating costs by applying the control procedure described earlier in accordance with the guidelines contained in regulations and guidelines [28,29,30,31,32,33,34].
The audit was prepared on the basis of the methodology specified in [39] regarding the detailed scope and method of preparing an energy efficiency audit and methods of calculating energy savings. The audit included improvements enabling energy savings through the use of energy-saving lighting fixtures with LED sources. An inventory was made and a vision was made of the location and assessment of the condition of lighting fixtures in 24 circuits. The inventory included an assessment of the technical condition of the lighting fixtures in use. The actual status was checked and later compared with the available reports. The arrangement of poles and fixtures was also checked. A total of 979 luminaires with discharge sources with a rated power of 70W were inventoried. Photometric projects and analysis of lighting standards were also carried out to ensure appropriate conditions on the roads. Figure 7 shows only a fragment of the complex lighting installation.
Based on the measurement data of the luminaires, the values of active and reactive powers in the analyzed circuits were determined. The results of the analysis taking into account control are presented in Table 6 and Table 7.
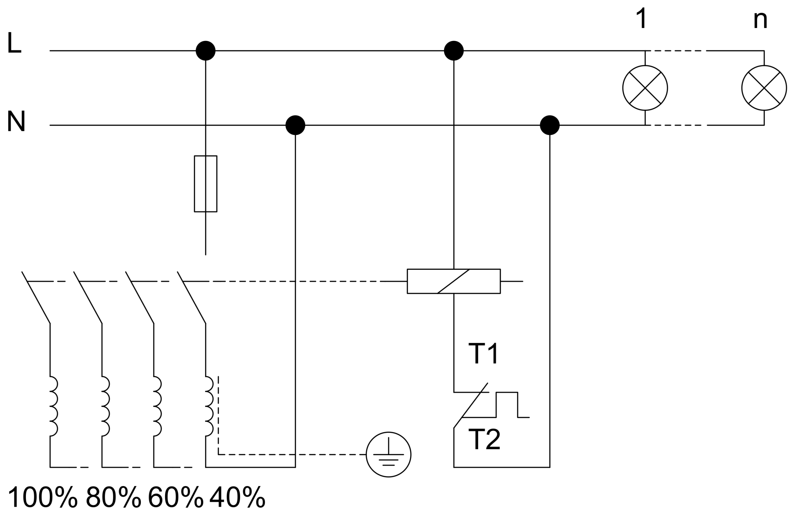
The chokes were implemented in switchboards supplying individual lighting circuits in accordance with the schematic diagram shown in Figure 8.
Based on the measured values of selected parameters of electrical lighting fixtures, compensating chokes were selected in the analyzed circuits and the values of the obtained t g ϕ 1 coefficients were determined. Table 8 and Table 9 present the measured values of reactive power in the tested lighting installations for selected compensation chokes and the values of the determined t g ϕ 1 coefficients in these installations.
As is commonly known, connecting compensation chokes means introducing a resistive-inductive receiver into the installation, characterized not only by useful inductive reactive power but also by active power defined as active power losses Δ P D . A summary of the resistance values of R D chokes and their rated active power losses is presented in Table 10.
After selecting the compensation chokes, the percentage power losses were determined in the analyzed 24 lighting circuits. Figure 9 graphically shows the percentage increase in active power consumption in selected lighting circuits marked with Roman numbers (II, IX, XIV, XVI and XIX).
As can be seen from the diagram presented, the increases in active power are the highest when the lighting fixtures are controlled at 40%. Active power losses resulting from connecting chokes in lighting circuits ranged from 0.56% to 2.82% depending on the power level of the analyzed circuit and the control level. This means small losses of active power in relation to the fees charged by electricity distributors for capacitive reactive power [15].
The constantly growing number of non-linear receivers, including those in lighting installations, causes increasing problems with distortion of current waveforms. Moreover, in the power supply systems for LED luminaires, there is a problem of maintaining the parameters determining the quality of electricity required by regulations [41]. Unfortunately, the analyzed luminaires contain power supplies that cause distortions in the supply currents. Figure 10 graphically shows the values of individual harmonics of the supply current of luminaires operated in circuit No. V after determining the operating parameters for control: 100% and with reductions of 80%, 60% and 40% [39,40,41]. The aquamarine bars indicate the permissible values of harmonics in the supply current of H d o p luminaires.
Current distortions are mostly smaller (harmonics numbers 2, 3, 5, 7 and 27–39) than those permitted by the currently applicable regulations [40,41]. Unfortunately, in the case of harmonics numbers 9 to 25, the permissible values are exceeded. From the point of view of the selection and operation of compensation chokes, the values of the 3.5th and 7th harmonics [40] are important as they have the greatest impact on determining the choke parameters.

5. Conclusions

The laboratory tests carried out as well as practical work and calculations during the preparation of energy audits of road lighting fixtures with LED sources led the authors to draw the following conclusions:
  • With the active power value decreasing from 41 W to 2 W, as expected, for the tested luminaires, their reactive power value changes in the range of negative values from −3.28 var to −10.74 var, the power factor value decreases in the range from 0.97 to 0.40, and the value of the determining the ratio of reactive to active power decreases in the range from −0.265 to −2.40. This does not correspond to the provisions referred to in the article. These regulations specify the requirement to meet only one parameter D F = c o s ϕ 1 and only for 100% control.
  • As a result of the audit of the lighting installation and the analysis of both parameter values in the installation design process and during its operation, small active power losses ranging from 0.56% to 2.82% were found, resulting from the use of compensation chokes.
  • As a result of the analysis of the control process implemented through the use of lighting fixtures with LED diodes containing a power supply with individual power reduction, an electric energy saving effect was achieved, estimated at 27%.
  • Based on many laboratory tests and practical works of the authors, it appears that in order to properly compensate capacitive reactive power, several factors must be taken into account as follows:
    The parameters of the lighting fixtures with LED sources must comply with EU requirements.
    Lighting fixtures with LED sources should include in the documentation experimentally prepared characteristics of changes in active power and power factor values D F = c o s ϕ 1 as a function of time.
    Lighting fixtures with LED sources cannot introduce distortions (harmonics) into the power grid during operation (also when operating in the “control” mode).
    Selected compensation chokes should include information on their resistance values and information on permissible values of harmonic components in their characteristics prepared by their manufacturers.
  • Based on the completed project, it was found that the obtained static compensation of capacitive reactive power generated by LED-based lighting systems, while meeting the above guidelines, is much cheaper than the much more expensive dynamic VAR compensation proposed as an alternative, which may be up to 10 times more expensive.

Author Contributions

Conceptualization, M.K. and T.P.; methodology, M.K., T.P., M.Z. and Z.S.; validation, investigation, M.K.; analysis, M.K., T.P., M.Z. and Z.S.; data curation, M.K.; writing—original draft preparation, T.P. and M.K.; writing—review and editing, M.K., T.P., M.Z. and Z.S.; theoretical modeling, M.K. and T.P.; software; M.K. and T.P.; visualization, M.K., T.P., M.Z. and Z.S.; supervision, T.P. and M.Z.; project administration, M.K. and T.P. All authors have read and agreed to the published version of the manuscript.

Funding

This research received no external funding.

Data Availability Statement

The original contributions presented in the study are included in the article, further inquiries can be directed to the corresponding author.

Conflicts of Interest

The authors declare no conflicts of interest.

References

  1. IEEE Std 1459-2010; Standard Definitions for the Measurement of Electric Power Quantities Under Sinusoidal, Nonsinusoidal, Balanced, or Unbalanced Conditions. IEEE: New York, NY, USA, 2010.
  2. Czarnecki, L.S. Powers and compensation in circuits with periodic current and voltage waveforms. An outline of the development of the history of power theory. In Electrical Power Quality and Utilization; Akademia Górniczo-Hutnicza: Krakow, Poland; Politechnika Łodzka: Lodz, Poland, 1997; Available online: https://polona.pl/preview/46a6222e-0901-46e9-81a2-ee88bb5e6317 (accessed on 24 June 2024). (In Polish)
  3. Czarnecki, L.S. Powers and compensation in circuits with periodic current and voltage waveforms. Energy properties of linear single-phase circuits. In Electrical Power Quality and Utilization; Akademia Górniczo-Hutnicza: Krakow, Poland; Politechnika Łodzka: Lodz, Poland, 1998. (In Polish) [Google Scholar]
  4. Pasko, M. A review of power theory for systems with distorted waveforms. Conference Materials. In Proceedings of the 6th School-Conference Electrical Engineering-Non-sinusoidal Currents, Lubiatów, Poland, 11–13 June 2002. (In Polish). [Google Scholar]
  5. Piotrowski, T. Reactive power-physical meaning and measurement. Reactive power-measurement and physical sense. Pak Publ. House Meas. Autom. Control. 2003, 49, 37–40. (In Polish) [Google Scholar]
  6. Vieira, D.; Shayani, R.A.; De Oliveira, M.A.G. Reactive power billing under nonsinusoidal conditions for low-voltage systems. IEEE Trans. Instrum. Meas. 2017, 66, 2004–2011. [Google Scholar] [CrossRef]
  7. Djuretic, A.; Skerovic, V.; Arsic, N.; Kostic, M. Luminous flux to input power ratio, power factor and harmonics when dimming high-pressure sodium and LED luminaires used in road lighting. Light. Res. Technol. 2019, 51, 304–323. [Google Scholar] [CrossRef]
  8. Djuretic, A.; Kostic, M. Actual energy savings when replacing high-pressure sodium with LED luminaires in street lighting. Energy 2018, 157, 367–378. Available online: https://ideas.repec.org/a/eee/energy/v157y2018icp367-378.html (accessed on 24 June 2024). [CrossRef]
  9. Radulovic, D.; Skok, S.; Kirincic, V. Energy efficiency public lighting management in the cities. Energy 2011, 36, 1908–1915. [Google Scholar] [CrossRef]
  10. Gutierrez-Escolar, A.; Castillo-Martinez, A.; Gomez-Pulido, J.M.; Gutierrez-Martinez, J.M.; Dominguez González-Seco, E.P.; Stapic, Z. A review of energy efficiency label of street lighting systems. Energy Effic. 2017, 10, 265–282. [Google Scholar] [CrossRef]
  11. Wlas, M.; Galla, S. The Influence of LED Lighting Sources on the Nature of Power Factor. Energies 2018, 11, 1479. [Google Scholar] [CrossRef]
  12. Sikora, R.; Markiewicz, P. The Active Power Losses in the Road Lighting Installation with Dimmable LED Luminaires. Sustainability 2018, 10, 4742. [Google Scholar] [CrossRef]
  13. Sikora, R.; Markiewicz, P. Analysis of Electric Power Quantities of Road LED Luminaires under Sinusoidal and Non-Sinusoidal Conditions. Energies 2019, 12, 1109. [Google Scholar] [CrossRef]
  14. Sikora, R.; Markiewicz, P.; Rózga, P. An accurate model of LED luminaire using measurement results for estimation of electrical parameters based on the multivariable regression method. Metrol. Meas. Syst. 2022, 29, 251–269. [Google Scholar] [CrossRef]
  15. Bielecki, S. Aspects of the Use and Management of Reactive Power in the Energy Industry; Publishing House of the Warsaw University of Technology: Warsaw, Poland, 2019. (In Polish) [Google Scholar]
  16. Bieliński, K.; Bieliński, W.; Sławomir Cieślik, S.; Drechny, M.; Flizikowski, J.; Kolasa, M. Intelligent Street Lighting Processes; Publishing House of the University of Technology and Life Sciences: Bydgoszcz, Poland, 2015; p. 174. (In Polish) [Google Scholar]
  17. Hołdyński, G.; Skibko, Z. The Reactive Power Compensation Problems in Modern Electrical Power Networks; Elektro.info: Warsaw, Poland, 2016. (In Polish) [Google Scholar]
  18. Lange, A.; Pasko, M. Effects of LED light sources on the parameters defining the quality of electricity, part 1, Computer Applications in Electrical Engineering. Pozn. Univ. Technol. Acad. J. 2018, 93, 37–52. Available online: https://sin.put.poznan.pl/publications/details/i32489 (accessed on 24 June 2024).
  19. Ernst, S.; Kotulski, L.; Lerch, T.; Rad, M.; Sędziwy, A.; Wojnicki, I. Calculating reactive power compensation for large-scale street lighting. In Proceedings of the Computational Science—ICCS 2020, Lecture Notes in Computer Science, Amsterdam, The Netherlands, 3–5 June 2020; Springer International Publishing: Cham, Switzerland, 2020; pp. 538–550. [Google Scholar]
  20. Lerch, T.; Rad, M.; Wojnicki, I. Impact of Dimming LED Street Luminaires on Power Quality. Intl. J. Electron. Telecommun. 2021, 67, 255–260. [Google Scholar] [CrossRef]
  21. Sędziwy, A.; Basiura, A. Energy reduction in roadway lighting achieved with novel design approach and LEDs. LEUKOS 2018, 14, 45–51. [Google Scholar] [CrossRef]
  22. Ernst, S.; Kotulski, L.; Lerch, T.; Michał Rad, M.; Adam Sędziwy, A.; Wojnicki, I. Application of reactive power compensation algorithm for large-scale street lighting. J. Comput. Sci. 2021, 51, 101338. Available online: https://www.sciencedirect.com/science/article/pii/S1877750321000363/pdfft?md5=f58903209d66e21bf4361f46161b1816pid=1-s2.0-S1877750321000363-main.pdf (accessed on 25 June 2024). [CrossRef]
  23. Kurkowski, M.; Mirowski, J.; Popławski, T.; Pasko, M.; Białoń, T. Measurements of reactive energy in low voltage installations. Prz. Elektrotechniczn. 2016, 92, 144–147. [Google Scholar]
  24. Popławski, T.; Kurkowski, M.; Mirowski, J. Improving the Quality of Electricity in Installations with Mixed Lighting Fittings. Energies 2020, 13, 6017. [Google Scholar] [CrossRef]
  25. Kowalak, R. Compensators and Their Impact on the Operation of the Power System; Gdańsk University of Technology Publishing House: Gdańsk, Poland, 2019; p. 168. (In Polish) [Google Scholar]
  26. Pracki, P. A proposal to classify road lighting energy efficiency. Light. Res. Technol. 2011, 43, 271–280. [Google Scholar] [CrossRef]
  27. Pracki, P. Analiza zapotrzebowania na energię do oświetlenia drogowego przy zmiennym natężeniu ruchu. Prz. Elektrotechniczn. 2014, 90, 104–107. [Google Scholar]
  28. Chrzanowicz, M.; Jamroz, K.; Krukowicz, T.; Kurkowski, M.; Mackun, T.; Moczyński, H.; Salejko, M.; Tomczuk, P.; Żółtowska, J. Guidelines for the Design of Devices for Lighting Rural Roads and Streets. Part 1: Basic and Detailed Requirements WR-D-72-1; Ministry of Infrastructure of the Republic of Poland: Warsaw, Poland, 2022; pp. 1–82. Available online: https://www.gov.pl/web/infrastruktura/wr-d (accessed on 28 November 2023). (In Polish)
  29. Chrzanowicz, M.; Jamroz, K.; Krukowicz, T.; Kurkowski, M.; Mackun, T.; Moczyński, H.; Salejko, M.; Tomczuk, P.; Żółtowska, J. Guidelines for the Design of Devices for Lighting Rural Roads and Streets. Part 2: Catalog of Typical Solutions WR-D-72-2; Ministry of Infrastructure of the Republic of Poland: Warsaw, Poland, 2022; pp. 1–73. Available online: https://www.gov.pl/web/infrastruktura/wr-d (accessed on 28 November 2023). (In Polish)
  30. PKN-CEN/TR 13201-1: 2016-02; Road Lighting—Part 1: Guidelines for the Selection of Lighting Classes. Polish Committee for Standardization: Warsaw, Poland, 2016. Available online: https://sklep.pkn.pl/pkn-cen-tr-13201-1-2016-02e.html (accessed on 19 February 2016).
  31. PN-EN 13201-2: 2016-03; Road Lighting—Part 2: Operational Requirements. Polish Committee for Standardization: Warsaw, Poland, 2016. Available online: https://sklep.pkn.pl/pn-en-13201-2-2016-03e.html (accessed on 23 March 2016).
  32. PN-EN 13201-3: 2016-03; Road Lighting—Part 3: Calculation of Lighting Parameters. Polish Committee for Standardization: Warsaw, Poland, 2016. Available online: https://sklep.pkn.pl/pn-en-13201-3-2016-03e.html (accessed on 25 March 2016).
  33. PN-EN 13201-4: 2016-03; Road Lighting—Part 4: Methods forMeasuring Lighting Efficiency. Polish Committee for Standardization: Warsaw, Poland, 2016. Available online: https://sklep.pkn.pl/pn-en-13201-4-2016-03e.html (accessed on 23 March 2016).
  34. PN-EN 13201-5: 2016-03; Road Lighting—Part 5: Energy Efficiency Indicators. Polish Committee for Standardization: Warsaw, Poland, 2016. Available online: https://sklep.pkn.pl/pn-en-13201-5-2016-03e.html (accessed on 23 March 2016).
  35. DIRECTIVE 2008/28/EC OF THE EUROPEAN PARLIAMENT AND OF THE COUNCIL of 11 March 2008, Amending Directive 2005/32/EC Establishing a Framework for the Setting of Ecodesign Requirements for Energy-Using Products, as well as Council Directive 92/42/EEC and Directives 96/57/EC and 2000/55/EC, as Regards the Implementing Powers Conferred on the Commission, Official Journal of the European Union. Available online: https://eur-lex.europa.eu/legal-content/EN/TXT/?uri=CELEX%3A32008L0028 (accessed on 20 March 2008).
  36. Commission Regulation (EU) 2019/2020 of 1 October 2019 Laying down Ecodesign Requirements for Light Sources and Separate Control Gears Pursuant to Directive 2009/125/EC of the European Parliament and of the Council and Repealing Commission Regulations (EC) No 244/2009, (EC) No 245/2009 and (EU) No 1194/2012 (Text with EEA relevance). Available online: https://webstore.iec.ch/publication/67329 (accessed on 1 October 2019).
  37. EN 62612:2013-11+A1:2017-08+A11:2107-08+A2:2019-01 Self-Ballasted LED Lamps for General Lighting Services with Supply Voltages > 50 V–Performance Requirements. Available online: https://sklep.pkn.pl/pn-en-62612-2014-01-a2-2019-01p.html (accessed on 29 November 2022).
  38. EN 62717:2017-11+A2:2019-07 LED Modules for General Lighting–Performance Requirements. Available online: https://sklep.pkn.pl/pn-en-62717-2017-11-a2-2019-07e.html (accessed on 5 July 2019).
  39. Regulation of the Minister of Energy of October 5, 2017 on the Detailed Scope and Method of Preparing an Energy Efficiency Audit and Methods of Calculating Energy Savings (Journal of Laws of 2017, item 1912, as Amended). Available online: https://isap.sejm.gov.pl/isap.nsf/DocDetails.xsp?id=WDU20170001912 (accessed on 13 October 2017).
  40. Kurkowski, M.; Popławski, T. (Czestochowa, Silesia, Poland). Results of expert Opinions on Electricity Receivers (Including Lighting) and Audits of Electrical Installations. Personal communication, 2023. Unpublished work (In Polish). [Google Scholar]
  41. IEC 61000-3-2:2019+A1:2021 Electromagnetic Compatibility (EMC)—Part 3-2: Permissible Levels—Permissible Levels of Harmonic Current Emissions (Phase Current Supply of the Load <or = 16 A). Available online: https://webstore.iec.ch/publication/28164 (accessed on 31 August 2021).
Figure 1. Definition of the phase angle of the first harmonic current ( ϕ 1 ). Own study based on the source [37,38]. (A)— I 1 precedes U m a i n s , ϕ 1 > 0 ; (B)— I 1 lags behind U m a i n s , ϕ 1 < 0 .
Figure 1. Definition of the phase angle of the first harmonic current ( ϕ 1 ). Own study based on the source [37,38]. (A)— I 1 precedes U m a i n s , ϕ 1 > 0 ; (B)— I 1 lags behind U m a i n s , ϕ 1 < 0 .
Energies 17 04072 g001
Figure 2. Measured characteristics of changes in active power P and reactive power Q 1 as a function of time. Source: authors’ own study.
Figure 2. Measured characteristics of changes in active power P and reactive power Q 1 as a function of time. Source: authors’ own study.
Energies 17 04072 g002
Figure 3. Determined characteristics of changes in the coefficients D F = c o s ϕ 1 and t g ϕ 1 as a function of time. Source: authors’ own study.
Figure 3. Determined characteristics of changes in the coefficients D F = c o s ϕ 1 and t g ϕ 1 as a function of time. Source: authors’ own study.
Energies 17 04072 g003
Figure 4. Lighting control schedule. Source: authors’ own study.
Figure 4. Lighting control schedule. Source: authors’ own study.
Energies 17 04072 g004
Figure 5. Characteristics of changes in active power values of tested LED lighting fixtures as a function of control. Source: authors’ own work.
Figure 5. Characteristics of changes in active power values of tested LED lighting fixtures as a function of control. Source: authors’ own work.
Energies 17 04072 g005
Figure 6. Characteristics of changes in power factors D F = ( c o s ϕ 1 ) of the tested LED lighting fixtures as a function of the control. Source: authors’ own work.
Figure 6. Characteristics of changes in power factors D F = ( c o s ϕ 1 ) of the tested LED lighting fixtures as a function of the control. Source: authors’ own work.
Energies 17 04072 g006
Figure 7. Fragment of the analyzed road lighting installation. Source: authors’ own work.
Figure 7. Fragment of the analyzed road lighting installation. Source: authors’ own work.
Energies 17 04072 g007
Figure 8. Schematic diagram of switching on the compensation choke in lighting installations. Source: authors’ own study.
Figure 8. Schematic diagram of switching on the compensation choke in lighting installations. Source: authors’ own study.
Energies 17 04072 g008
Figure 9. Increased active power consumption when using compensation chokes. Source: authors’ own study.
Figure 9. Increased active power consumption when using compensation chokes. Source: authors’ own study.
Energies 17 04072 g009
Figure 10. Values of harmonics in the supply current of luminaires with a rated power of P N = 41.5 W operated in the V circuit for control: 100% and with reductions of 80%, 60% and 40%. Source: authors’ own work adapted from [40].
Figure 10. Values of harmonics in the supply current of luminaires with a rated power of P N = 41.5 W operated in the V circuit for control: 100% and with reductions of 80%, 60% and 40%. Source: authors’ own work adapted from [40].
Energies 17 04072 g010
Table 1. Values of the phase shift factor DF ( c o s ϕ 1 ) for lighting sources and fixtures.
Table 1. Values of the phase shift factor DF ( c o s ϕ 1 ) for lighting sources and fixtures.
DF ( cos ϕ 1 )
Requirements for the functionality P o n 5 W no requirement
of lighting fixtures Pon5 W < P o n 10 W; DF > 0.5
total power of the fixture10 W < P o n 25 W; DF > 0.7
P o n > 25 W; DF > 0.9
Table 2. Values of D F ( c o s ϕ 1 ) and t g ϕ 1 coefficients for lighting sources and fixtures.
Table 2. Values of D F ( c o s ϕ 1 ) and t g ϕ 1 coefficients for lighting sources and fixtures.
DF ( cos ϕ 1 ) tg ϕ 1
0.4002.29−2.29
0.5001.73−1.73
0.7001.02−1.02
0.9000.48−0.48
0.9280.40−0.40
0.9500.33−0.33
0.9900.14−0.14
Table 3. Rated and measured selected values of parameters of electric lighting fixtures.
Table 3. Rated and measured selected values of parameters of electric lighting fixtures.
No. P N P O * Q 1 DF ( cos ϕ 1 ) tg ϕ 1
[W][W][var][-][-]
1.41.541.0−11.20.965−0.273
2.36.035.5−10.10.961−0.286
3.28.027.5−9.570.947−0.338
* average values from measurements of electrical parameters of 10 lighting fixtures.
Table 4. Length of night for 4 characteristic days a year for a selected town in central Poland.
Table 4. Length of night for 4 characteristic days a year for a selected town in central Poland.
DayWestEastLength of the Night
[h][h][h]
21 March17:5805:3811:40
21 June21:1004:1507:05
21 September18:4306:2411:41
21 December15:3107:4716:16
Table 5. Rated and measured selected values of electrical parameters of lighting fixtures with power reduction implemented in converters. Source: authors’ own study.
Table 5. Rated and measured selected values of electrical parameters of lighting fixtures with power reduction implemented in converters. Source: authors’ own study.
Drive Level P N P O * Q 1 Q 1 DF ( cos ϕ 1 ) tg ϕ 1
No.[%][W][W][var][%][-][-]
110041.541.00−11.20100.000.965−0.273
8041.532.80−9.2082.140.963−0.280
6041.524.60−7.2064.290.960−0.293
4041.516.40−5.2046.430.958−0.317
21003635.50−10.15100.000.961−0.286
803628.40−8.3081.770.960−0.292
603621.30−6.4063.050.958−0.300
403614.20−4.8047.290.947−0.338
31002827.50−9.57100.000.944−0.348
802822.00−7.7981.400.943−0.354
602816.50−6.1063.740.938−0.370
402811.00−4.2043.890.934−0.382
Table 6. Measured values of active power of the tested lighting fixtures, taking into account power reduction in the analyzed circuits.
Table 6. Measured values of active power of the tested lighting fixtures, taking into account power reduction in the analyzed circuits.
Circuit P [kW]
No.P [W][pcs.]100%80%60%40%
1I/41.0421.7221.3781.0330.689
2II/41.0411.6811.3451.0090.672
3III/35.5371.3141.0510.7880.525
4IV/27.5381.0450.8360.6270.418
5V/41.0401.6401.3120.9840.656
6VI/41.0391.5991.2790.9590.640
7VII/41.0411.6811.3451.0090.672
8X/27.5381.0450.8360.6270.418
9XI/41.0371.5171.2140.9100.607
10XII/35.5411.4561.1640.8730.582
11XIII/27.5381.0450.8360.6270.418
12XIV/41.0431.7631.4101.0580.705
13XV/27.5421.1550.9240.6930.462
14XVI/27.5441.2100.9680.7260.484
15XVII/35.5391.3851.1080.8310.554
16XVIII/27.5371.0180.8140.6110.407
17XIX/41.0421.7221.3781.0330.689
18XX/41.0441.8041.4431.0820.722
19XXI/41.0461.8861.5091.1320.754
20XXII/27.5381.0450.8360.6270.418
21XXIII/27.5441.2100.9680.7260.484
22XXV/41.0411.6811.3451.0090.672
23XXVI/41.0431.7631.4101.0580.705
24XXVII/27.5441.2100.9680.7260.484
Table 7. Measured values of reactive power of the tested lighting fixtures, taking into account power reduction in the analyzed circuits.
Table 7. Measured values of reactive power of the tested lighting fixtures, taking into account power reduction in the analyzed circuits.
Circuit Q 1 [kvar]
No.P [W][pcs.]100%80%60%40%
1I/41.042−0.470−0.376−0.282−0.188
2II/41.041−0.459−0.367−0.275−0.184
3III/35.537−0.376−0.301−0.225−0.150
4IV/27.538−0.364−0.291−0.218−0.145
5V/41.040−0.448−0.358−0.269−0.179
6VI/41.039−0.437−0.349−0.262−0.175
7VII/41.041−0.459−0.367−0.275−0.184
8X/27.538−0.364−0.291−0.218−0.145
9XI/41.037−0.414−0.331−0.248−0.166
10XII/35.541−0.416−0.333−0.250−0.167
11XIII/27.538−0.364−0.291−0.218−0.145
12XIV/41.043−0.481−0.385−0.289−0.193
13XV/27.542−0.402−0.322−0.241−0.161
14XVI/27.544−0.421−0.337−0.253−0.168
15XVII/35.539−0.396−0.317−0.238−0.158
16XVIII/27.537−0.354−0.283−0.212−0.142
17XIX/41.042−0.470−0.376−0.282−0.188
18XX/41.044−0.492−0.394−0.295−0.197
19XXI/41.046−0.515−0.412−0.309−0.206
20XXII/27.538−0.364−0.291−0.218−0.145
21XXIII/27.544−0.421−0.337−0.253−0.168
22XXV/41.041−0.459−0.367−0.275−0.184
23XXVI/41.043−0.481−0.385−0.289−0.193
24XXVII/27.544−0.421−0.337−0.253−0.168
Table 8. Summary of the measured values of reactive power in the tested circuits with selected compensation chokes.
Table 8. Summary of the measured values of reactive power in the tested circuits with selected compensation chokes.
Circuit Q 1 [kvar]
No.P [W][pcs.]100%80%60%40%
1I/41.0420.3850.2350.1790.101
2II/41.0410.3990.2400.1780.098
3III/35.5370.3870.2200.1390.069
4IV/27.5380.2580.1460.0910.044
5V/41.0400.4100.2440.1760.095
6VI/41.0390.4180.2470.1730.092
7VII/41.0410.3990.2400.1780.098
8X/27.5380.2580.1460.0910.044
9XI/41.0370.4280.2490.1670.086
10XII/35.5410.3890.2260.1530.079
11XIII/27.5380.2580.1460.0910.044
12XIV/41.0430.3690.2290.1800.103
13XV/27.5420.2640.1520.1000.051
14XVI/27.5440.2620.1530.1040.054
15XVII/35.5390.3910.2250.1470.074
16XVIII/27.5370.2550.1440.0890.043
17XIX/41.0420.3850.2350.1790.101
18XX/41.0440.3500.2210.1810.106
19XXI/41.0460.3030.2010.1810.110
20XXII/27.5380.2580.1460.0910.044
21XXIII/27.5440.2620.1530.1040.054
22XXV/41.0410.3990.2400.1780.098
23XXVI/41.0430.3690.2290.1800.103
24XXVII 27.5440.2620.1530.1040.054
Table 9. Summary of the measured values of t g ϕ 1 C a l c coefficients in the tested circuits with compensation chokes.
Table 9. Summary of the measured values of t g ϕ 1 C a l c coefficients in the tested circuits with compensation chokes.
Circuit tg ϕ 1 Calc [-]
No.P [W][pcs.]100%80%60%40%
1I/41.0420.2240.1710.1740.146
2II/41.0410.2370.1790.1760.146
3III/35.5370.2950.2100.1770.131
4IV/27.5380.2470.1750.1450.106
5V/41.0400.2500.1860.1780.145
6VI/41.0390.2610.1930.1800.144
7VII/41.0410.2370.1790.1760.146
8X/27.5380.2470.1750.1450.106
9XI/41.0370.2820.2050.1830.142
10XII/35.5410.2670.1940.1750.136
11XIII/27.5380.2470.1750.1450.106
12XIV/41.0430.2090.1620.1710.146
13XV/27.5420.2290.1650.1450.111
14XVI/27.5440.2160.1580.1430.112
15XVII/35.5390.2820.2030.1760.134
16XVIII/27.5370.2500.1760.1450.105
17XIX/41.0420.2240.1710.1740.146
18XX/41.0440.1940.1530.1670.146
19XXI/41.0460.1610.1330.1600.146
20XXII/27.5380.2470.1750.1450.106
21XXIII/27.5440.2160.1580.1430.112
22XXV/41.0410.2370.1790.1760.146
23XXVI/41.0430.2090.1620.1710.146
24XXVII/27.5440.2160.1580.1430.112
Table 10. List of resistance values of selected compensation chokes and active power losses Δ P D .
Table 10. List of resistance values of selected compensation chokes and active power losses Δ P D .
Q 1 R D Δ P D
No.[kvar][Ω][W]
10.601.5510.56
20.502.2510.60
30.452.7710.64
40.403.5310.69
50.354.7010.86
60.306.5311.04
70.259.5011.20
80.2015.6011.76
90.1527.9011.80
Disclaimer/Publisher’s Note: The statements, opinions and data contained in all publications are solely those of the individual author(s) and contributor(s) and not of MDPI and/or the editor(s). MDPI and/or the editor(s) disclaim responsibility for any injury to people or property resulting from any ideas, methods, instructions or products referred to in the content.

Share and Cite

MDPI and ACS Style

Kurkowski, M.; Popławski, T.; Zajkowski, M.; Sołjan, Z. The Impact of Limiting Reactive Power Flows on Active Power Losses in Lighting Installations. Energies 2024, 17, 4072. https://doi.org/10.3390/en17164072

AMA Style

Kurkowski M, Popławski T, Zajkowski M, Sołjan Z. The Impact of Limiting Reactive Power Flows on Active Power Losses in Lighting Installations. Energies. 2024; 17(16):4072. https://doi.org/10.3390/en17164072

Chicago/Turabian Style

Kurkowski, Marek, Tomasz Popławski, Maciej Zajkowski, and Zbigniew Sołjan. 2024. "The Impact of Limiting Reactive Power Flows on Active Power Losses in Lighting Installations" Energies 17, no. 16: 4072. https://doi.org/10.3390/en17164072

APA Style

Kurkowski, M., Popławski, T., Zajkowski, M., & Sołjan, Z. (2024). The Impact of Limiting Reactive Power Flows on Active Power Losses in Lighting Installations. Energies, 17(16), 4072. https://doi.org/10.3390/en17164072

Note that from the first issue of 2016, this journal uses article numbers instead of page numbers. See further details here.

Article Metrics

Back to TopTop