Next Article in Journal
StegoDCF: A New Covert Channel for Smart Grids Utilizing the Channel Access Procedure in Wi-Fi Networks
Next Article in Special Issue
The Impact of Limiting Reactive Power Flows on Active Power Losses in Lighting Installations
Previous Article in Journal
Dual-Coupled-Inductor-Based High-Step-Up Boost Converter with Active-Clamping and Zero-Voltage Switching
Previous Article in Special Issue
Budeanu’s Distortion Power Components Based on CPC Theory in Three-Phase Four-Wire Systems Supplied by Symmetrical Nonsinusoidal Voltage Waveforms
 
 
Due to scheduled maintenance work on our servers, there may be short service disruptions on this website between 11:00 and 12:00 CEST on March 28th.
Font Type:
Arial Georgia Verdana
Font Size:
Aa Aa Aa
Line Spacing:
Column Width:
Background:
Article

Compensation of Budeanu’s Reactive and Complemented Reactive Currents in Extended Budeanu Theory in 3-Phase 4-Wire Systems Powered by Symmetrical Nonsinusoidal Voltage Source

1
Faculty of Electrical Engineering, Bialystok University of Technology, Wiejska 45D Street, 15-351 Bialystok, Poland
2
Faculty of Electrical Engineering, Czestochowa University of Technology, Aleja Armii Krajowej 17, 42-200 Czestochowa, Poland
*
Author to whom correspondence should be addressed.
Energies 2024, 17(9), 2020; https://doi.org/10.3390/en17092020
Submission received: 29 March 2024 / Revised: 17 April 2024 / Accepted: 23 April 2024 / Published: 25 April 2024
(This article belongs to the Special Issue Thermo-Mechanical and Electrical Measurements for Energy Systems)

Abstract

The result of continuous efforts in the development of power theory, Budeanu’s power theory was successfully extended. The mathematical description that has been proposed is based on another concept, namely the Currents’ Physical Components (CPC) theory. With CPC theory, it was possible to describe, in the original Budeanu theory, the components of the load current, including the Budeanu distortion current. The Budeanu distortion current can have a maximum of five components associated with different physical phenomena and related to the equivalent parameters of the load. This article discusses passive compensation, which provides compensation for the Budeanu reactive current and the Budeanu complemented reactive current due to the known equivalent load parameters associated with the reactance elements. In addition, the article refers to a very important aspect when determining the parameters of a passive compensator, i.e., choosing parameters in such a way that the compensator simultaneously compensates for the reactive current and the unbalanced current. The article presents five methods relating to the determination of compensator parameters. Two methods are related to the reactive current compensation only for the first harmonic without affecting the unbalanced current. The next three methods relate to the compensation of the Budeanu reactive current and the consideration of the unbalanced current. Calculations and simulations were performed for all five methods, the results of which are presented and analyzed in this publication. The Matlab/Simulink R2023a environment was used as the calculation and simulation software.

1. Introduction

With the growth in the number of non-linear loads and renewable energy sources equipped with power electronics systems, many approaches to improving power quality parameters are available. Nowadays, active and hybrid approaches are prominent, but their main disadvantages compared to passive approaches are the high price and the difficulties caused by the necessity of programming the control systems [1,2,3]. Despite the disadvantages of passive compensators, which are mainly identified as harmonic amplification, there are de-tuning effects and a lack of modification of the parameter values in relation to the conditions existing in the power system. Passive systems are extensively used in practice because of their low price, uncomplicated design, simple operation and servicing, and very high efficiency in reducing specific harmonics. In addition, they are integrated very easily into low-voltage (LV), medium-voltage (MV), and high-voltage (HV) networks. Passive compensators are integrated into the various structures described in the literature; these are single-tuned structures [4,5,6,7], double-tuned structures [8,9,10], triple-tuned structures [11], series passive structures [12], hybrid passive structures [13], damped structures (first-order filter, second-order filter, third-order filter, and C-filter) [14,15,16], grouped filter systems [17,18,19], etc. In addition to the different types of approaches related to the design of passive compensators, there is also the approach proposed by Czarnecki [20,21]. In this approach, a passive compensator compensates for the reactive current in single-phase systems [22]. In three-phase systems, on the contrary, despite the reactive current compensation, it also reduces the unbalanced current’s components [23,24,25]. An identical approach has been used in the developed Budeanu theory for single-phase circuits [26].
It may seem that an appropriate solution would be to abandon the implementation of passive compensators. However, for financial reasons, they are still widely implemented in numerous sectors. Street lighting is a sector where passive compensators have been consistently installed for decades. Despite the significant increase in the use of LED lighting around the world, passive systems continue to be installed [27,28,29]. The only modification is the compensator configuration as, before, capacitors were required for compensation, whereas, at this time, because of the capacitive character of the reactive power produced by electronic circuits, chokes are implemented. Another field of use for reactive compensators is industry. The industrial business sector adopts passive solutions because they provide control over the power factor [2,3,30,31]. In this field, passive systems often differ essentially in the method of switching chokes and capacitors. In factories where reactive power remains relatively stable over short periods, standard control via contactors is widely implemented. Where a faster response of the passive filter is required, power electronic elements, e.g., transistors, and thyristors, are applied for regulation. Another area where passive compensators find application is in renewable energy sources. Compensators, also known as LC filters, enhance the supply conditions of heat pumps, photovoltaic farms, or wind farms [32,33,34,35,36]. A final field where low-cost passive systems need to be applied to reduce the reactive power and correct the power conditions is the field of wireless power transmission (WPT) [37,38,39,40,41]. These systems primarily depend on coils for energy transfer and largely rely on the existing power supply system at the specific area.
The manuscript is divided into 15 sections. Section 1 concerns the introduction, which describes the selection of the compensator parameters for passive compensation and whether load unbalance is also considered. The subsequent part of the introduction focuses on the possibility of using passive compensators in the power systems. Section 2 is dedicated to a brief description of the developed Budeanu theory for three-phase four-wire circuits with symmetrical nonsinusoidal supply voltage. Section 3 presents a theoretical illustration related to the calculation and simulation of a three-phase four-wire load following the developed Budeanu theory. Section 4 presents the first method to determine the parameters of the compensator based on the susceptance corresponding to the existence of the reactive current of the fundamental harmonic. Section 5 is a theoretical illustration demonstrating the results obtained after connecting the compensator described in Section 4. Section 6 presents a compensator whose parameters are associated with the equivalent susceptance responsible for the Budeanu reactive current of the first harmonic. Section 7 is focused on the theoretical illustration, demonstrating the results obtained after connecting the compensator discussed in Section 6. Section 8 presents a method for designing a compensator that compensates for the Budeanu complemented reactive current and the unbalanced current’s components for all the harmonics considered in the supply voltage. Section 9 is a theoretical illustration demonstrating the results obtained after connecting the compensator discussed in Section 8. Section 10 presents a description of the compensator, which is designed to compensate for the Budeanu reactive current and the unbalanced current components for all the harmonics considered in the supply voltage. Section 11 is a theoretical illustration demonstrating the results obtained after connecting the compensator discussed in Section 10. Section 12 presents a description of the compensator, which is designed to compensate for the Budeanu reactive current and the Budeanu complemented reactive current, and also the unbalanced current components for all the harmonics considered in the supply voltage. Section 13 is a theoretical illustration demonstrating the results obtained after connecting the compensator discussed in Section 12. Section 14 is focused on the analysis and discussion of the results obtained from all five methods related to the design of the passive compensator parameters. Finally, Section 15 presents the conclusions that follow from the completed calculations, simulations, and analyses.

2. Extended Budeanu’s Theory for 3-Phase 4-Wire Distorted Symmetrical Waveforms

The developed Budeanu theory for three-phase four-wire systems is described extensively in [42]. The fundamental aspect of the energy description is that the current can be decomposed into components based on the equivalent load’s parameters and a physical interpretation provided to them.
According to Figure 1, an unbalanced linear time-invariant load (LTI) can be supplied with a voltage with nonsinusoidal waveforms.
The voltage vector at the terminals of such a load is defined as follows [23,24,42]:
u t = u R t u S t u T t = 2 Re n N U R n U S n U T n e j n ω 1 t = 2 Re n N U n e j n ω 1 t
where U n means vector of CRMS values of the voltage harmonics, and n harmonic order.
Based on this vector of supply voltages and the load parameters, a vector of line currents is obtained, namely
i t = i R t i S t i T t = 2 Re n N I R n I S n I T n e j n ω 1 t = 2 Re n N I n e j n ω 1 t
where I n means vector of CRMS values of the current harmonics.
As presented in [42], the load current in a three-phase four-wire circuit powered from a source consisting of symmetrical nonsinusoidal waveforms can be decomposed into 7 components. Each component can be described in form of a time waveform, i.e.:
  • active current i a :
i a = G e u = 2 Re n N G e U n e j n ω 1 t
  • scattered current i s :
i s = 2 Re n N G n G e U n e j n ω 1 t
  • Budeanu reactive current i rB :
i rB = 2 Re n N j B eB U n e j n ω 1 t
  • Budeanu complemented reactive current i crB :
i crB = 2 Re n N j B n B eB U n e j n ω 1 t
  • positive-sequence unbalanced current i u p :
i u p = 2 Re n N I u n p e j n ω 1 t = 2 Re n N Y u n p U n e j n ω 1 t = 2 Re n N Y u n p 1 p U R n e j n ω 1 t
  • negative-sequence unbalanced current i u n :
i u n = 2 Re n N I u n n e j n ω 1 t = 2 Re n N Y u n n U n e j n ω 1 t = 2 Re n N Y u n n 1 n U R n e j n ω 1 t
  • zero-sequence unbalanced current i u z :
i u z = 2 Re n N I u n z e j n ω 1 t = 2 Re n N Y u n z U n e j n ω 1 t = 2 Re n N Y u n z 1 z U R n e j n ω 1 t
Each of the 7 current components has its equivalent in a three-phase RMS value, namely
  • active current i a :
i a = G e u = P u
  • scattered current i s :
i s = n N G n G e 2 u n 2
  • Budeanu reactive current i rB :
i rB = B eB u = Q B u
  • Budeanu complemented reactive current i crB :
i crB = n N B n B eB u n 2
  • positive-sequence unbalanced current i u p :
i u p = 3 n N Y u n p U R n
  • negative-sequence unbalanced current i u n :
i u n = 3 n N Y u n n U R n
  • zero-sequence unbalanced current i u z :
i u z = 3 n N Y u n z U R n
In conjunction with the three-phase RMS value of the supply voltage, each of the load current components makes up the power components, namely
  • power X:
X = u i Y
where X denotes the name of the power from the set {S—apparent power, P—active power, DS—scattered power, QB—Budeanu reactive power, QcrB—Budeanu complemented reactive power}, Y denotes the name of the current from the set {“blank”—line current, a—active current, s—scattered current, rB—Budeanu reactive current, crB—Budeanu complemented reactive current}.
The same definition could be present for the unbalanced current, namely
  • unbalanced power Z:
D u W = u i u W
where W denotes the name of the unbalanced power and current from the set {p—positive sequence, n—negative sequence, and z—zero sequence).
The power factor λ of a circuit can be expressed as follows:
λ = P S = P P 2 + D s 2 + Q B 2 + Q crB 2 + D u p   2 + D u n   2 + D u z   2
The method of defining the specific components of the load current is described in [42]. The publications [23,24,42,43] contain information related to the determination of the equivalent load’s parameters, which makes it possible to define the parameters of the reactive compensator reducing the reactive current and the unbalanced current composed of the 3 current components coming from the mathematical decomposition.

3. Theoretical Illustration 1

The circuit depicted in Figure 2 is powered by a symmetrical voltage source that is distorted. In addition to the first harmonic, the distorted voltage source also generates higher orders of harmonics, i.e., n = 3, 5, 7, which result in a symmetrical waveform in each phase in the form of u ( t ) = 230 e j ω 1 t + 15 e j 3 ω 1 t + 25 e j 5 ω 1 t + 10 e j 7 ω 1 t   V . The first harmonic frequency n 1 is 50 Hz. The LTI load is constructed of linear elements, built of resistance, inductive, and capacitive reactances, which are matched at random but with load asymmetry.
The three-phase RMS value of the waveform illustrated in Figure 3 is
u = 401.93   V
The load from Figure 3 has elements, R, L, and C. The values of resistance, inductive, and capacitive reactances for the first harmonic frequency are summarized in Table 1.
Based on the information summarized in Table 1 and the information on the supply voltage, the complex values of the line currents for the specific harmonics were calculated. Table 2 shows the obtained values, while Figure 4 illustrates the waveforms of line currents.
Based on the currents listed in Table 3 and the waveforms shown in Figure 4, the three-phase RMS value of the load current was calculated as follows:
i = 55.497   A
Based on the information in [21] referring to the powers calculated in the Budeanu theory [44] and the developed Budeanu theory [42], the active powers P and Budeanu reactive powers QB are compiled below in Table 3.
The apparent power S, calculated from the product of the three-phase RMS the supply voltage value and the three-phase RMS load current value, is
S = 22306.1   VA
The Budeanu distortion power DB provided by the mathematical formula [21] is
D B = 12569.5   VA
In [42,45], you can find relationships describing the derivation of equivalent parameters in developed Budeanu theory. These parameters are equivalent conductance, equivalent susceptance, conductances, and susceptances for specific harmonics and 4 admittances, i.e., equivalent admittance, unbalanced admittance of the positive sequence, unbalanced admittance of the negative sequence, and unbalanced admittance of the zero sequence. Based on these equivalent parameters and the relationships (10)–(16), the three-phase RMS values of the current’s components described by the developed Budeanu theory have been calculated. The three-phase RMS load currents’ components values for the specific harmonics, as described by the developed Budeanu theory, are listed in Table 4.
The three-phase RMS load current value according to the developed Budeanu theory is i = 55.497   A , and this is the same as the three-phase RMS value obtained from calculations based on Ohm’s law and Kirchhoff’s law.
In 3-phase 4-wire systems powered from a symmetrical nonsinusoidal voltage waveforms and a 3-phase asymmetrical load built of resistance, inductance, and capacitance in each line, the Budeanu distortion power is represented by 5 components: the scattered power, the Budeanu complemented reactive power, and the 3 unbalanced powers of the positive, negative, and zero sequence. In the analyzed example, the Budeanu distortion current has 5 current components, i.e., the same number of components describing the Budeanu distortion power. The waveform of the Budeanu distortion current, as described by the developed Budeanu theory, is illustrated in Figure 5.
Table 5 lists the three-phase RMS currents’ components values, with which it is possible to describe the distortion current and the distortion power as determined by Budeanu theory.
Based on the Expression (17) describing the power factor λ , it equals
λ = 0.757
This means that the load in Figure 2 could be compensated to reach a power factor value as close to unity as possible.

4. Ideal Susceptance Compensation for Fundamental Harmonic

The primary method of improving the value of the power factor is passive compensation, mainly connected to the original load in parallel. The compensator allows the supply current to be controlled in such a way as to reduce its three-phase RMS value.
The simplest passive filter is a capacitor or choke with suitably matched capacitance or inductance. The method does not consider interior resistance, which exists especially in the choke and also in the capacitor.
In this approach, only the susceptance for the first harmonic is compensated for; i.e., all components of the load current are changed, except for the two currents associated with the reactance elements, i.e., the active current and the scattered current.
The selection of susceptance reduction circuit parameters for the first harmonic is based on the following system:
B R 1 = j Im Y R 1 B S 1 = j Im Y S 1   B T 1 = j Im Y T 1
The point that the susceptance reduction circuit for the first harmonic is connected in a Y-structure means that the system in Equation (20) is parallel to the original load. The susceptances in all admittances described in the developed Budeanu theory are modified, namely
Y e n # = G e n + j B e n # = 1 3 Y R n # + Y S n # + Y T n #
Unbalanced admittance of the positive sequence after ideal susceptance compensation for first harmonic:
Y u n p # = 1 3 Y R n # + α β Y S n # + α * β * Y T n # Y e n # 1 + α β + α * β *
Unbalanced admittance of the negative sequence after ideal susceptance reduction for first harmonic:
Y u n n # = 1 3 Y R n # + α * β Y S n # + α β * Y T n # Y e n # 1 + α * β + α β *
Unbalanced admittance of the zero sequence after ideal susceptance compensation for first harmonic:
Y u n z # = 1 3 Y R n # + β Y S n # + β * Y T n # Y e n # 1 + β + β *
where the generalized coefficient β is
β = α * n = { 1 for     n = 3 k             α * for     n = 3 k + 1 α for     n = 3 k 1
As mentioned, all currents except the active and scattered currents are modified. However, the change in the three-phase currents’ components values cannot be determined because the compensation method of reducing the susceptance for the first harmonic is not described in the developed Budeanu theory and therefore does not compensate for a specific orthogonal component.

5. Theoretical Illustration 2

An ideal compensator is connected to the circuit in Figure 2 to compensate for the susceptances causing the reactive current of the first harmonic. Table 6 shows the capacitance and inductance values required for ideal reactive current reduction in the first harmonic. Figure 6 shows how the compensator is connected (Y-structure).
When an ideal compensator is connected to compensate for the reactive current of the first harmonic, the equivalent parameters of the load as observed from the power source side are modified. Following the calculations and simulations, the complex values of the line currents are summarized in Table 7 and illustrated in Figure 7.
On the basis of the currents listed in Table 7 and the waveforms presented in Figure 8, the three-phase RMS load current value after reactive current reduction in the first harmonic was calculated as follows:
i = 50.052   A
As a result of the connection of the first harmonic reactive current compensator, the power values associated with the passive components have changed. Table 8 lists the three-phase active and reactive powers of the respective harmonics and the entire circuit.
The apparent power S, when the reactive current compensator for the first harmonic is connected, is
S = 20117.5   VA
The Budeanu distortion power DB after reactive current reduction in the first harmonic is
D B = 10916.9   VA
Based on Relations (10)–(16), the three-phase RMS currents’ components values were calculated after the connection of the first harmonic reactive current compensator. The three-phase RMS currents’ components values of the load for the specific harmonics, as defined by the developed Budeanu theory, are listed in Table 9.
The three-phase RMS value of the load current after reactive current reduction in the first harmonic is i = 50.052   A , and this is exactly the same as the three-phase RMS value obtained from calculations based on Ohm’s law and Kirchhoff’s law.
When the reactive current compensator of the first harmonic is connected, the 5 current’s components are still responsible for the Budeanu distortion current. The Budeanu distortion current waveform after reactive current compensation of the first harmonic is illustrated in Figure 8.
Table 10 lists the three-phase RMS currents’ components values following reactive current compensation of the first harmonic, with which it is possible to describe the distortion current and power as determined by Budeanu theory.
Based on Relation (19), describing the power factor λ of a system causing reactive current reduction in the first harmonic is
λ = 0.839
This means that the load in Figure 6 did not achieve a value close to unity after connection of the reactive current compensator for the first harmonic. So, further compensation should be considered through a different choice in compensator parameters.

6. Compensation of the Equivalent Susceptance for Fundamental Harmonic

When describing a passive compensator, based on the developed Budeanu theory, in the form of a capacitor or choke, it must be said that it does not influence the equivalent conductance G e or the conductance G n for harmonic orders. This means that it does not modify the active current or the scattered current. The reactance filters, on the contrary, change the susceptance as observed from the power source side. Therefore, it modifies the current associated with the reactance elements (Budeanu reactive current and Budeanu complemented reactive current).
If the susceptance of the reactance compensator for the first harmonic frequency has a value of B k 1 , the waveform of the Budeanu reactive current is
i rB = 2 Re n N j B eB + B k 1 U n e j n ω 1 t
while B k 1 = B eB is tuned only to the first harmonic frequency.
Simultaneously, the susceptance of the reactance compensator also influences the magnitude of the complemented reactive current according to the developed Budeanu theory:
i crB = 2 Re n N j B n B eB + B k 1 U n e j n ω 1 t
Three-phase RMS Budeanu reactive current value is
i rB c = n N B eB + B k 1 u n 2
Moreover, three-phase RMS Budeanu complemented reactive current value is equal to
i crB c = n N B n B eB + B k 1 u n 2
The determination of the optimal capacitance of a capacitor depends on the relationship
C opt = B eB ω 1
The optimal choke inductance, on the contrary, is chosen based on the formula
L opt = 1 ω 1 B eB
The optimal choice of capacitance or inductance fitting the equivalent susceptance value based on Equations (30) and (31) can, in the worst scenario, lead to a resonant amplification of the current for the first harmonic (this condition, however, is not taken into consideration in the planning).
A maximum power factor λ , is not obtainable for several reasons, namely
  • The active current and the scattered current still exist in the circuit as components associated with the resistive elements.
  • There are also three components of unbalanced current left in the circuit that are not compensated for via an equivalent susceptance compensator for the first harmonic.
Only the Budeanu reactive current and the Budeanu complemented reactive current are modified, and only to a certain extent.

7. Theoretical Illustration 3

An equivalent susceptance compensator is connected to the circuit in Figure 2 to compensate for the equivalent susceptance responsible for the Budeanu reactive current of the first harmonic. Table 11 shows the equivalent susceptance values required to reduce the Budeanu reactive current of the first harmonic. Figure 9 illustrates how the compensator is connected (Y-structure).
When an equivalent susceptance compensator is connected to compensate for the Budeanu reactive current of the first harmonic, the load’s equivalent parameters as observed from the power source are modified. After the calculations and simulations, the complex values of the line currents are compiled in Table 12 and presented in Figure 10.
Based on the currents shown in Table 12 and the waveforms presented in Figure 10, the three-phase RMS value of the load current after Budeanu reactive current compensation of the first harmonic was calculated as follows:
i = 53.436   A
As a result of the connection of the Budeanu reactive current compensator of the first harmonic, the power values associated with the passive elements have been modified. Table 13 lists the three-phase active and reactive powers of the chosen harmonics and the whole system.
The apparent power S, when the Budeanu reactive current compensator of the first harmonic is connected, is equal to
S = 21477.6   VA
The Budeanu distortion power DB after the Budeanu reactive current compensation of the first harmonic is
D B = 13265.8   VA
Based on Relations (10)–(16), the three-phase RMS currents’ components values after connection of the Budeanu reactive current compensator of the first harmonic were calculated. The three-phase RMS currents’ components values of the load for the specific harmonics, as determined by the developed Budeanu theory, are shown in Table 14.
The three-phase RMS load current value after reduction for the Budeanu reactive current of the first harmonic is i = 53.436   A , and this is exactly the same as the three-phase RMS value achieved by calculations based on Ohm’s law and Kirchhoff’s law.
When the Budeanu reactive current compensator of the first harmonic is connected, the 5 current components are still responsible for the Budeanu distortion current. The Budeanu distortion current waveform after Budeanu reactive current reduction in the first harmonic is illustrated in Figure 11.
Table 15 lists the three-phase RMS values of the currents’ components following Budeanu reactive current reduction in the first harmonic, with which it is possible to describe the distortion current and thus the distortion power defined by Budeanu theory.
Equation (19) describes the power factor λ of a circuit compensating for the Budeanu reactive current of the first harmonic:
λ = 0.786
This means that the load in Figure 10 did not obtain a value close to unity after connecting the Budeanu reactive current compensator of the first harmonic. Therefore, further reduction should be considered through a different setting of the compensator parameters.

8. Ideal Compensation of the Budeanu Complemented Reactive Current and the Unbalanced Current

Improving the power factor of a three-phase four-wire circuit where the supply voltage is symmetrical but nonsinusoidal needs to compensate for the reactive current and the unbalanced current as each harmonic exists in the supply voltage waveform separately. As can be found in [20,23,24], four-wire circuits supplied with a symmetrical distortion voltage with harmonics of n = 3k order cannot completely compensate for the unbalanced current. This situation is caused by the impossibility of using a -structure compensator for harmonics of n = 3k order. We are forced to choose between two components of unbalanced current; i.e., if we are compensating for the reactive current of the 3rd harmonic with a compensator in a Y-structure, we may choose between a positive-sequence unbalanced current or a negative-sequence unbalanced current. As a general rule, this is completed on the following principle: the higher three-phase RMS value of a given unbalanced component should be compensated together with the reactive current. Thus, the potential current waveform of the load after compensation should also be noted, and only then, with similar three-phase RMS values of the unbalanced current components, decide on the one that causes a higher distortion of the load current waveform.
Four-wire circuits to maximize the power factor require reduction with compensators built in two configurations, i.e., Y-structure and -structure [20,23,24]. The reactive current component can be compensated for with both reactance compensator structures. The same assumption also refers to the unbalanced current’s components of the positive sequence and the negative sequence. The problem is the unbalanced component of the zero-sequence current because its compensation can only be accomplished with a Y-structure. The most popular classification of current’s components in compensator structures is as follows: in a Y-structure, the reactive current’s component and the component of the zero-sequence unbalanced current are compensated, in a -structure, depending on the harmonic order, the component of the positive-sequence unbalanced current or the negative sequence.
The developed Budeanu theory describes two reactive components of the load current, namely the Budeanu reactive current and the Budeanu complemented reactive current. In the reduction method in the discussion, the Budeanu complemented reactive current and the unbalanced current are taken into consideration first. Based on the above assumptions and the information presented in [20,23], the solution of the two equations related to the compensation of the Budeanu complemented reactive current and the zero-sequence unbalanced current, for positive sequence harmonics of n = 3k + 1, is
T R n = 2 Im Y u n z B n B eB T S n = 3 Re Y u n z + Im Y u n z B n B eB T T n = 3 Re Y u n z + Im Y u n z B n B eB
A compensator with a Y-structure modifies the unbalanced admittance of the negative sequence and therefore also affects the negative-sequence unbalanced current. After recalculation of the respective admittances, the solution of the equation for a delta-structure compensator, for harmonics of the positive sequence n = 3k + 1, is
T RS n = 1 3 3 Re Y u n n # Im Y u n n # T ST n = 1 3 2 Im Y u n n # T TR n = 1 3 3 Re Y u n n # Im Y u n n #
If harmonics of the negative sequence n = 3k − 1 exist in the supply voltage, then the solution of Equation (32) has the form
T R n = 2 Im Y u n z B n B eB T S n = 3 Re Y u n z + Im Y u n z B n B eB T T n = 3 Re Y u n z + Im Y u n z B n B eB
The solution of Equation (33) also changes, which, for harmonics of the negative sequence n = 3k − 1, is
T RS n = 1 3 3 Re Y u n p # Im Y u n p # T ST n = 1 3 2 Im Y u n p # T TR n = 1 3 3 Re Y u n p # Im Y u n p #
For voltage harmonics of the zero sequence n = 3k, as already mentioned, the only structure that can be used to compensate for the component of the Budeanu complemented reactive current and one of the two unbalanced components is the Y-structure. When compensation of the positive-sequence unbalanced current is preferred, the solution of the equation becomes
T R n = 2 Im Y u n p B n B eB T S n = 3 Re Y u n p + Im Y u n p B n B eB T T n = 3 Re Y u n p + Im Y u n p B n B eB
If we decide to choose a negative-sequence unbalanced current for reduction, then the solution of the equation is as follows:
T R n = 2 Im Y u n n B n B eB T S n = 3 Re Y u n n + Im Y u n n B n B eB T T n = 3 Re Y u n n + Im Y u n n B n B eB
In this article, the positive sequence’s unbalanced current is considered for the harmonics of n = 3k during the selection of the compensator parameters.

9. Theoretical Illustration 4

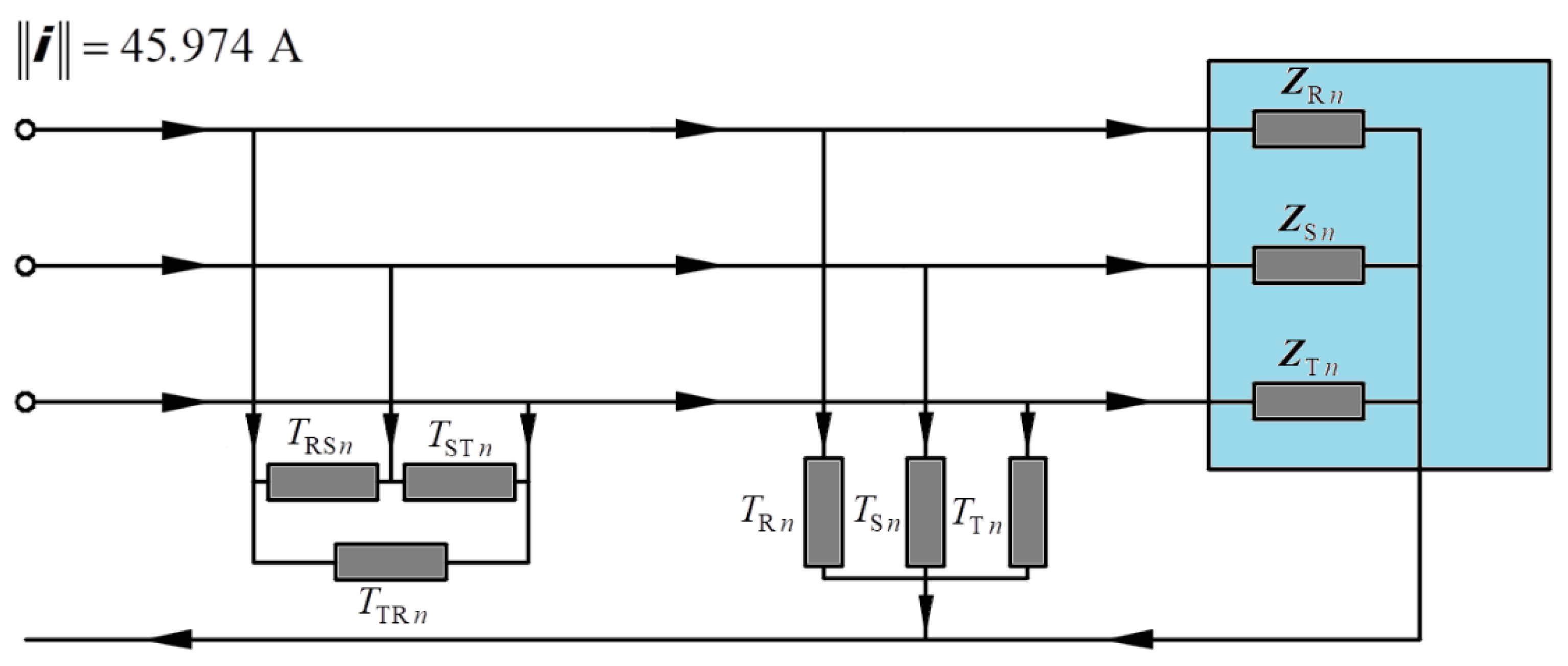
To the circuit in Figure 2, the Budeanu complemented reactive current and the unbalanced current compensator are connected in order to compensate for the susceptances representing the Budeanu complemented reactive current for all considered harmonics existing in the supply voltage. In addition, the circuit supports load balancing by compensating for the unbalanced current’s components. Table 16 and Table 17 show the capacitance and inductance values required to compensate for the Budeanu complemented reactive current and the unbalanced current for specific harmonics. Figure 12 illustrates how the compensator is connected (Y-structure and -structure).
When a compensator is connected to compensate for the Budeanu complemented reactive current and the unbalanced current, the load’s equivalent parameters as observed from the power circuit side are modified. Following the calculations and simulations, the complex line current values presented in Figure 13 are compiled in Table 18.
Based on the currents compiled in Table 18 and the waveforms illustrated in Figure 13, the three-phase RMS value of the load current after reduction in the Budeanu complemented reactive current and the unbalanced current was calculated as follows:
i = 45.974   A
As a result of the connection of the Budeanu complemented reactive current compensator and the unbalanced current, the power values associated with the passive elements have changed. Table 19 lists the three-phase active and reactive powers of the specific harmonics and the entire system.
The apparent power S, after connecting the Budeanu complemented reactive current compensator and the unbalanced current, is
S = 18478.3   VA
The Budeanu distortion power DB after reduction in the Budeanu complemented reactive current and the unbalanced current is
D B = 1370   VA
Based on Equations (10)–(16), the three-phase RMS currents’ components values after the Budeanu complemented reactive current compensator and the unbalanced current were calculated. The three-phase RMS load currents’ components values for the respective harmonics, as determined by the developed Budeanu theory, are compiled in Table 20.
The three-phase RMS value of the load current after reduction for the Budeanu complemented reactive current and the unbalanced current is i = 45.974   A , and this is exactly the same as the three-phase RMS value achieved by calculations based on Ohm’s law and Kirchhoff’s law.
When the Budeanu complemented reactive current and the unbalanced current compensator are connected, the 2 current components are responsible for the Budeanu distortion current. The Budeanu distortion current waveform after Budeanu complemented reactive current and the unbalanced current compensation is illustrated in Figure 14.
Table 21 lists the three-phase RMS currents’ components values resulting from the reduction in the Budeanu complemented reactive current and the unbalanced current, due to which it is possible to describe the distortion current and power defined by Budeanu theory.
Equation (19) describes the power factor λ of a circuit compensating for the Budeanu complemented reactive current and the unbalanced current:
λ = 0.914
This means that the load in Figure 12 did not obtain a value close to unity after connecting the Budeanu complemented reactive current and the unbalanced current compensator. Therefore, further reduction should be considered through a different setting of the compensator parameters.

10. Ideal Compensation of the Budeanu Reactive Current and the Unbalanced Current

The second approach in the developed Budeanu theory is the possibility of compensating for the Budeanu reactive current determined on equivalent susceptance. In the discussed compensation method, the Budeanu reactive current and the unbalanced current were considered. Due to the above assumptions and the information included in [20], the solution of the two equations relating to the reduction in the Budeanu reactive current and the zero-sequence unbalanced current, for harmonics of the positive sequence n = 3k + 1, we have to modify the susceptance describing the Budeanu complemented reactive current B n B eB to an equivalent susceptance representing the Budeanu reactive current B eB in each equation involved in the design of the compensator. The parameters associated with the zero-sequence unbalanced susceptance Y u n z , the negative-sequence unbalanced susceptance Y u n n , and the positive-sequence unbalanced susceptance Y u n p are unchanged, with harmonic order being considered.
The Y-structure compensator changes the unbalanced admittance of the negative sequence and therefore also affects the negative-sequence unbalanced current. After recalculating the appropriate admittances, the solution of the equation for a delta-structure compensator, for harmonics of the positive sequence n = 3k + 1, is identical to that in Equation (33).
For harmonics of the negative sequence n = 3k − 1, the solution to the equation follows the form identical to that in Relation (35).
In this article, the positive sequence’s unbalanced current is considered for the harmonics of n = 3k during the selection of the compensator parameters.

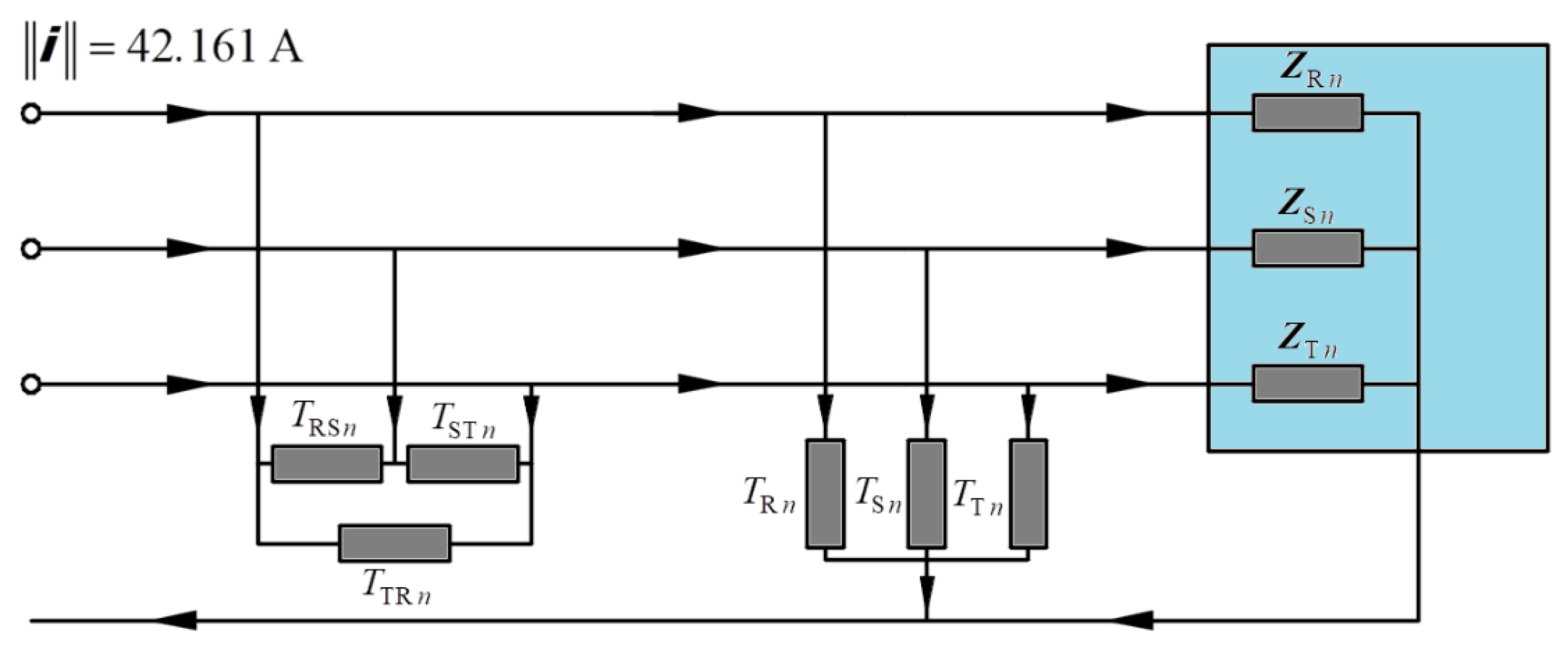
11. Theoretical Illustration 5

To the circuit in Figure 2, the Budeanu reactive current and the unbalanced current compensator are connected in order to compensate for the equivalent susceptance representing the Budeanu reactive current. In addition, the system supports load balancing by compensating for the unbalanced current’s components. Table 22 and Table 23 show the capacitance and inductance values required to compensate for the Budeanu reactive current and the unbalanced current for specific harmonics. Figure 15 illustrates how the compensator is connected (Y-structure and -structure).
When a compensator is connected to compensate for the Budeanu reactive current and the unbalanced current, the equivalent parameters of the load as observed from the power source are modified. Following the calculations and simulations, the complex values of the line currents presented in Figure 16 are listed in Table 24.
Based on the currents compiled in Table 24 and the waveforms illustrated in Figure 16, the three-phase RMS value of the load current after reduction in the Budeanu reactive current and the unbalanced current was calculated as follows:
i = 42.161   A
As a result of the connection of the Budeanu reactive current compensator and the unbalanced current, the power values associated with the passive elements have changed. Table 25 lists the three-phase active and reactive powers of the chosen harmonics and the whole system.
The apparent power S, after connecting the Budeanu reactive current compensator and the unbalanced current is
S = 16945.9   VA
The Budeanu distortion power DB after reduction in the Budeanu reactive current and the unbalanced current is
D B = 1447.9   VA
Based on Equations (10)–(16), the three-phase RMS values of the currents’ components after the Budeanu reactive current compensator and the unbalanced current have been calculated. The three-phase RMS of the load currents’ components values for the specific harmonics, as determined by the developed Budeanu theory, are compiled in Table 26.
The three-phase RMS value of the load current after reduction for the Budeanu reactive current and the unbalanced current is i = 42.161   A , and this is exactly the same as the three-phase RMS value achieved by calculations based on Ohm’s law and Kirchhoff’s law.
When the Budeanu reactive current and the unbalanced current compensator are connected, the 3 current components are responsible for the Budeanu distortion current. The Budeanu distortion current waveform after Budeanu reactive current and the unbalanced current compensation is illustrated in Figure 17.
Table 27 lists the three-phase RMS currents’ components values resulting from the reduction in the Budeanu reactive current and the unbalanced current, due to which it is possible to describe the distortion current and thus the distortion power defined by Budeanu theory.
Equation (19) describes the power factor λ of a circuit compensating for the Budeanu reactive current and the unbalanced current:
λ = 0.996
This means that the load from Figure 16 obtained a value close to unity after connecting the Budeanu reactive current compensator and the unbalanced current. However, there is another method to achieve a higher power factor value.

12. Ideal Compensation of the Combined Budeanu Reactive Currents’ and the Unbalanced Current

The third approach in the developed Budeanu theory is the possibility of compensating for the Budeanu reactive current determined based on equivalent susceptance and the Budeanu complemented reactive current determined based on susceptance of specific harmonics. In the discussed compensation method, the Budeanu reactive current, Budeanu complemented reactive current, and the unbalanced current were considered. Due to the above assumptions and the information included in [20], the solution of the two equations relating to the reduction in the Budeanu reactive current, Budeanu complemented reactive current, and the zero-sequence unbalanced current, for harmonics of the positive sequence n = 3k + 1, we have to include both susceptances describing the Budeanu complemented reactive current B n B eB and the Budeanu reactive current B eB in each equation considered in the design of the compensator. The parameters associated with the zero-sequence unbalanced susceptance Y u n z , the negative-sequence unbalanced susceptance Y u n n , and positive-sequence unbalanced susceptance Y u n p remain unchanged, with the harmonic order being considered.
In solution mentioned above, the equivalent susceptances are reduced B n B eB + B eB = B n .
The Y-structure compensator modifies the unbalanced admittance of the negative sequence and therefore also affects the negative-sequence unbalanced current. After recalculating the appropriate admittances, the solution of the equation for a delta-structure compensator, for harmonics of the positive sequence n = 3k + 1, is identical to that in Equation (33).
For harmonics of the negative sequence n = 3k − 1, the solution to the equation follows the form identical to that in Relation (35).
In this article, the positive sequence’s unbalanced current is considered for the harmonics of n = 3k during the selection of the compensator parameters.

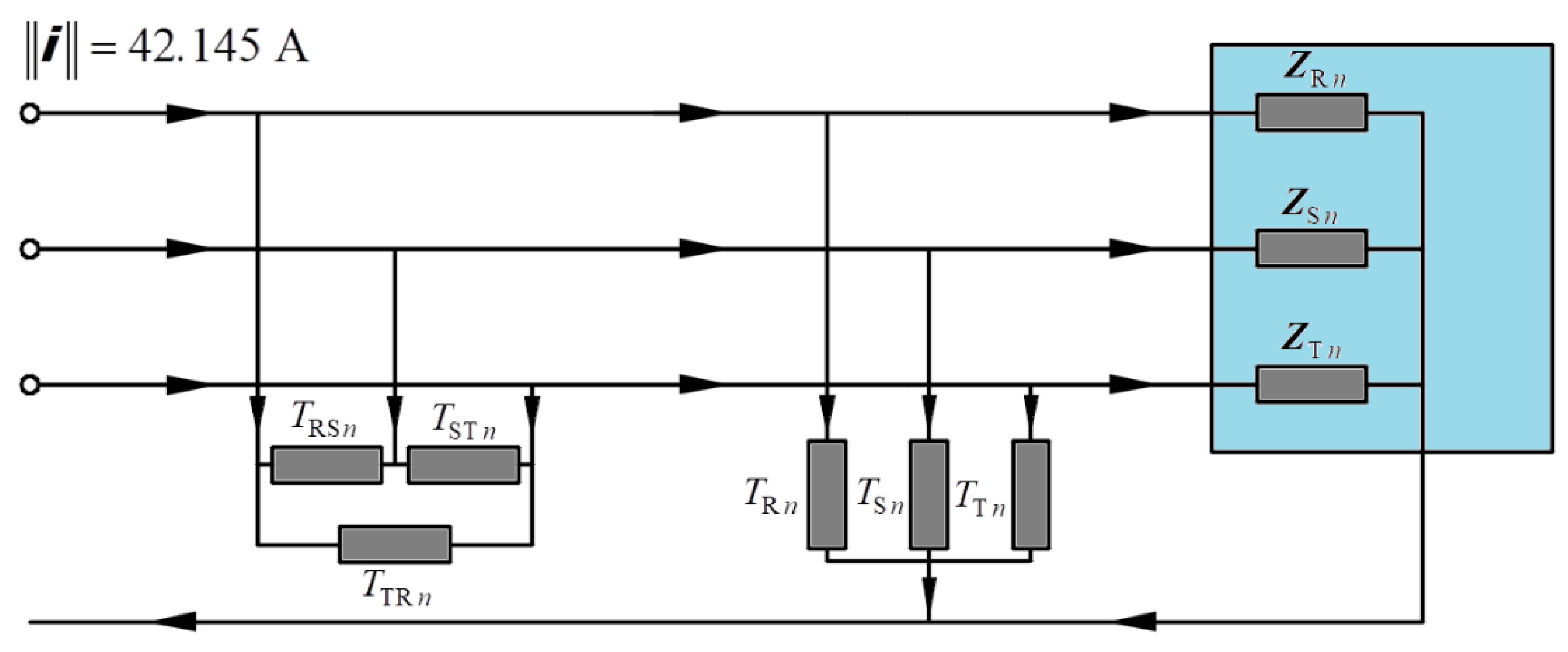
13. Theoretical Illustration 6

To the circuit in Figure 2, the Budeanu reactive current, Budeanu complemented reactive current, and the unbalanced current compensator are connected for the function of compensating for the equivalent susceptance representing the Budeanu reactive current and the susceptances representing the Budeanu complemented reactive current. In addition, the system supports load balancing by compensating for the unbalanced current’s components. Table 28 and Table 29 show the capacitance and inductance values required to compensate for the Budeanu reactive current, Budeanu complemented reactive current, and the unbalanced current for specific harmonics. Figure 18 illustrates how the compensator is connected (Y-structure and -structure).
When a compensator is connected to compensate for the Budeanu reactive current, Budeanu complemented reactive current, and the unbalanced current, the equivalent parameters of the load as observed from the power source are modified. Following the calculations and simulations, the complex values of the line currents presented in Figure 19 are listed in Table 30.
Based on the currents compiled in Table 30 and the waveforms illustrated in Figure 19, the three-phase RMS value of the load current after reduction in the Budeanu reactive current, Budeanu complemented reactive current, and the unbalanced current was calculated as follows:
i = 42.145   A
As a result of the connection of the Budeanu reactive current, Budeanu complemented reactive current, and the unbalanced current compensator, the power values associated with the passive elements have changed. Table 31 lists the three-phase active and reactive powers of the respective harmonics and the whole system.
The apparent power S, after connecting the Budeanu reactive current, Budeanu complemented reactive current, and the unbalanced current compensator, is
S = 16939.5   VA
The Budeanu distortion power DB after reduction in the Budeanu reactive current, Budeanu complemented reactive current, and the unbalanced current is
D B = 1370   VA
Based on Equations (10)–(16), the three-phase RMS values of the currents’ components after the Budeanu reactive current, Budeanu complemented reactive current, and the unbalanced current compensator were calculated. The three-phase RMS load currents’ components values for the chosen harmonics, as described by the developed Budeanu theory, are compiled in Table 32.
The three-phase RMS value of the load current after reduction for the Budeanu reactive current, Budeanu complemented reactive current, and the unbalanced current is i = 42.145   A , and this is exactly identical to the three-phase RMS value achieved by calculations based on Ohm’s law and Kirchhoff’s law.
When the Budeanu reactive current, Budeanu complemented reactive current, and the unbalanced current compensator are connected, the 2 current components are responsible for the Budeanu distortion current. The Budeanu distortion current waveform after Budeanu reactive current and the unbalanced current reduction are illustrated in Figure 20.
Table 33 lists the three-phase RMS values of the currents’ components resulting from the reduction in the Budeanu reactive current, Budeanu complemented reactive current, and the unbalanced current, due to which it is possible to describe the distortion current and power defined by Budeanu theory.
Equation (19) describes that the power factor λ of a circuit compensating for the Budeanu reactive current, Budeanu complemented reactive current, and the unbalanced current is
λ = 0.997
This means that the load from Figure 18, after connecting the Budeanu reactive current, Budeanu complemented reactive current, and the unbalanced current compensator, accomplished the highest possible value close to unity.

14. Analysis and Discussion of the Achieved Results

The article presents five methods related to reactive current reduction, namely
Method I—ideal susceptance compensation for the fundamental harmonic.
Method II—equivalent susceptance compensation for the fundamental harmonic.
Method III—ideal compensation of the Budeanu complemented reactive current and the unbalanced current.
Method IV—ideal compensation of the Budeanu reactive current and the unbalanced current.
Method V—ideal compensation of the Budeanu reactive current, Budeanu complemented reactive current, and the unbalanced current.
As can be noted, each of the described methods of selecting passive compensator parameters provides different results as to the three-phase RMS value of the currents or the three-phase value of the powers’ components.
Table 34 compiles the three-phase RMS values of the load currents’ components presented in Figure 2 and the three-phase RMS values of the currents’ components after the compensator is connected for each of the five methods considered in this publication.
As can be noticed from Table 34, compensation should not only focus on reducing the reactive current associated with the first harmonic (Methods I and II). In the first two methods concerning only the reactive current compensation of the first harmonic, no balancing of the load is considered. This causes only a negligible reduction in the three-phase RMS value of the load current.
Method I reduces the Budeanu reactive current to 1.702 A while increasing the Budeanu complemented reactive current to 13.328 A. This method also modifies the value of the three unbalanced currents. Method II, similarly to Method I, reduces the Budeanu reactive current to 1.211 A and boosts the Budeanu complemented reactive current to 10.617 A. In contradiction to the previous approach, it does not cause a modification in the unbalanced current. This is because Method II is based on an equivalent parameter in the form of an equivalent susceptance defined in the developed Budeanu theory, in which the currents’ components are mutually orthogonal. This reduces the specific current’s components without influencing the values of the other components.
Methods III, IV, and V, in addition to extending the reduction in the components associated with the reactive current to all the harmonics considered in the supply voltage, also include balancing the load by optimally reducing the components involving the unbalanced current. The optimal reduction reduces the unbalanced currents of the positive and zero sequence to 0 and minimizes the negative-sequence unbalanced current to 2.141 A. In the analyzed circuit, it is not possible to reduce the negative-sequence unbalanced current to 0 because, in systems with a symmetrical supply and the existence of an n = 3k harmonics order, it is not possible to use the compensator built in the -structure for compensation.
In Method III, the Budeanu complemented reactive current and the unbalanced current were compensated. This resulted in a value of 0 for the Budeanu complemented reactive current and an optimal reduction in the unbalanced current’s components. As expected, the value of the Budeanu reactive current did not change because the equivalent susceptance parameter was not used to design the compensator.
Method IV considered the reduction in the Budeanu reactive current and the unbalanced current. The Budeanu reactive current was compensated to 0 and the unbalanced current was optimally reduced. The component of the Budeanu complemented reactive current was not modified (orthogonality condition).
In Method V, both reactive components in the form of the Budeanu reactive current and the Budeanu complemented reactive current are included, as well as the unbalanced current. This method resulted in a minimum three-phase RMS current value of 42.145 A.
Attention should also be focused on the Budeanu distortion current values. In Method I, there was a minor reduction in the three-phase RMS value of the Budeanu distortion current (a decrease of 4.112 A). In contrast, an increase in the Budeanu distortion current of 1732 A is observed in Method II. In Methods III, IV, and V, the Budeanu distortion current was reduced significantly to a value of 3602 A for Method IV and to a value of 3409 A in Methods III and V. The Budeanu distortion current of 3.409 A is the minimum value that cannot be compensated by a passive circuit. This is caused by the existence of the negative-sequence unbalanced current associated with the third harmonic of the voltage and the three-phase RMS value of the scattered current. To compensate for the Budeanu distortion component, a system with a frequency converter—an active power filter—would have to be considered.
To better demonstrate the changes caused by connecting compensators to the original load, the parameters of which were selected based on the five methods, Table 35 presents the differences in the absolute percentage values between the three-phase RMS values of the specific components from the original circuit and their analogues after connecting a compensator in each of the five methods under discussion.
Table 35 in green shows the currents that have been reduced from the values obtained in the original circuit. The red color, on the contrary, highlights the currents that have increased in value as a result of the connection of the compensator. A value of 0% means that the three-phase RMS value of the current’s component has not changed as a consequence of the compensation. The values described by the letter ‘z’ denote the full reduction in a given component from the load current. The letter ‘z’ appears four times in Method V and means that the four components of the current have been reduced to 0. There are three ‘z’ letters in Methods III and IV, with the difference that Method IV caused a 32% reduction in the load current versus only a 21% reduction in Method III. Methods I and II proved to be the most inefficient methods for compensation as they do not include the higher harmonics responsible for the reactive component and do not compensate for unbalanced current. Method II reduced the load current by only 4% and increased the Budeanu distortion current by 5%.
A similar analysis can be conducted for the three-phase values of the specific powers determined by the Budeanu theory. Table 36 lists the three-phase values of apparent power, active power, reactive power, and distortion power for the load in Figure 2 and the systems after reduction.
The compiled power values in Table 36 show that the minimum value regarding the Budeanu distortion power can be reduced is 1370 VA. This value is caused by the existence of the scattered power and the unbalanced power of the negative sequence, whereby the scattered power is related to all the harmonics existing in the supply voltage, while the unbalanced power of the negative sequence is related only to the third-order harmonic. Based on the fact that the Budeanu reactive power is calculated from the sum of the reactive powers of the specific harmonics, overcompensation of the circuit can be observed in Method I and Method II, which is correlated with the capacitive nature of the systems after compensation. Method III caused no modification in the Budeanu reactive power QB because the reduction was in the Budeanu complemented reactive power and therefore the value following from the difference between the susceptance for a given harmonic and the equivalent susceptance. Methods IV and V reduce the Budeanu reactive power QB to 0. However, the Budeanu distortion power DB in Method IV is 77.9 VA higher than the Budeanu distortion power DB achieved in Method V. The apparent power S was minimized in Method V and is different from the active power P by 55.5 VA, providing a power factor of 0.997.
As in the analysis of the three-phase RMS values of the currents’ components, in order to better demonstrate the changes caused by connecting compensators to the original load, whose parameters were determined based on the five methods, Table 37 presents the differences in absolute percentage values between the three-phase power values from the original circuit and their analogues after connecting a compensator for any of the five methods discussed.
The three-phase values of the specific powers correlate in a similar way to the three-phase values of the currents’ components, with the difference that some powers are composed of several components. The entire reduction potential is best represented by the reduction in the apparent power S, the absolute percentage value compared with the reduction in the load current. In the two methods (IV and V), the letter ‘z’ appears, which, like the currents, represents the overall reduction in the Budeanu reactive power QB in the circuit.
To finalize the discussion, it should be mentioned that an increase in the power factor to a value near unity is possible when
Condition 1. The scattered current i s has a three-phase RMS value multiple smaller than the active current i a . This condition is practically always satisfied.
Condition 2. The negative-sequence unbalanced current i u n or positive sequence i u p for harmonics of n = 3k also has multiple smaller three-phase RMS values versus the active current i a . This condition is not necessarily satisfied (especially with a significant distortion of the third-order harmonic).
Condition 2 may be very easily simulated by choosing the parameters of the three-phase four-wire load in such a way that the value of resistance relative to reactance is at least three times lower in each line.

15. Conclusions

As demonstrated in the publication, it is possible to compensate for the Budeanu reactive current and the Budeanu complemented reactive current to a value equal to 0 using a mathematical description in the developed Budeanu theory for three-phase four-wire systems supplied with symmetrical distorted waveforms.
As presented in the paper, in addition to compensating for the Budeanu reactive current, the load unbalance must also be considered because it causes a reduction in the value of the power factor. In balancing the load in three-phase four-wire systems with third-order harmonics, it is not possible to provide full reactance compensation and eliminate all the current components associated with the unbalance.
The mathematical description, where the ideal Budeanu reactive current and the unbalanced current compensator parameters for the specific harmonics are obtained, makes it possible to determine the parameters of the compensator, minimizing the reactive current and the unbalanced current.

Author Contributions

The paper was written by Z.S.; conceptualization, Z.S., T.P., M.K. and M.Z.; methodology, Z.S. and T.P.; software, Z.S.; validation, Z.S., T.P., M.K. and M.Z.; formal analysis, Z.S.; investigation, Z.S. and M.K.; resources, Z.S. and M.Z; data curation, Z.S.; writing—original draft preparation, Z.S; writing—review and editing, T.P., M.K. and M.Z.; visualization, Z.S.; supervision, T.P., M.K. and M.Z.; project administration, Z.S.; funding acquisition, T.P. All authors have read and agreed to the published version of the manuscript.

Funding

This research received no external funding.

Data Availability Statement

Data are contained within the article.

Conflicts of Interest

The authors declare no conflicts of interest.

References

  1. Azebaze, M.C.S.; Firlit, A. Investigation of the line-reactor influence on the active power filter and hybrid active power filter efficiency: Practical approach. Przegląd Elektrotechniczny 2021, 97, 39–44. [Google Scholar]
  2. Kwak, S.; Toliyat, H.A. Design and rating comparison of PWM voltage source rectifiers and active power filters for AC drives with unity power factor. IEEE Trans. Power Electron. 2005, 20, 1133–1142. [Google Scholar] [CrossRef]
  3. Kopacz, R.; Harasimczuk, M.; Trochimiuk, P.; Rąbkowski, J. Investigation of Soft-Switching QSW Technique in DC/DC SiC-Based Flying Capacitor Converter with Q2L Control. IEEE Trans. Ind. Electron. 2023, 70, 9035–9045. [Google Scholar] [CrossRef]
  4. Faraby, M.D.; Fitriati, A.; Muchtar, A.; Putri, A.N. Single tuned filter planning to mitigate harmonic polluted in radial distribution network using particle swarm optimization. In Proceedings of the IEEE 3rd International Seminar on Research of Information Technology and Intelligent Systems (ISRITI), Yogyakarta, Indonesia, 10–11 December 2020. [Google Scholar]
  5. Abbas, A.S.; Ali, E.S.; El-Sehiemy, R.A.; Abou El-Ela, A.A.; Fetyan, K.M. Comprehensive parametric analysis of single tuned filter in distribution systems. In Proceedings of the IEEE 21st International Middle East Power Systems Conference (MEPCON), Cairo, Egypt, 17–19 December 2019. [Google Scholar]
  6. Ko, W.-H.; Tuomainen, M. Design and application of a single-tuned passive harmonic filter to suppress harmonic distortion and resonance for railway traction power systems—A case study. IET Electr. Syst. Transp. 2022, 12, 153–164. [Google Scholar] [CrossRef]
  7. Rashid, M.H. Power Electronics Handbook, 5th ed.; Butterworth-Heinemann: Oxford, UK, 2024. [Google Scholar] [CrossRef]
  8. Klempka, R. Optimal Double-Tuned Filter Efficiency analysis. IEEE Trans. Power Deliv. 2020, 36, 1079–1088. [Google Scholar] [CrossRef]
  9. Zobaa, A.; Ahady, H.E.A.A.; Hosam, K.M.Y. Comparative analysis of double-tuned harmonic passive filter design methodologies using slime mould optimization algorithm. In Proceedings of the IEEE Texas Power and Energy Conference (TPEC), College Station, TX, USA, 2–5 February 2021. [Google Scholar]
  10. Yu, M.; Chen, J.; Wang, W.; Wang, Z. A double tuned filter based on controllable reactor, IEEE International Symposium on Power Electronics. In Proceedings of the Electrical Drives, Automation and Motion, SPEEDAM, Taormina, Italy, 23–26 May 2006. [Google Scholar]
  11. Chen, B.; Zeng, X.; Xv, Y. Three tuned passive filter to improve power quality. In Proceedings of the IEEE International Conference on Power System Technology, PowerCon, Chongqing, China, 22–26 October 2006. [Google Scholar]
  12. Al-Zamil, A.M.; Torrey, D.A. A passive series, active shunt filter for high power applications. IEEE Trans. Power Electron. 2001, 16, 101–109. [Google Scholar] [CrossRef]
  13. Bhim, S.; Ambrish, C.; Kamal, A.-H. Power Quality: Problems and Mitigation Techniques; John Wiley & Sons Ltd., The Atrium, Southern Gate: Chichester, UK, 2015. [Google Scholar]
  14. Ai, L.; Hu, H.; Li, Z.; Wang, Y.; Guo, X. A Novel Frequency Tuning Scheme for a C-Type Filter Based on the Best Filtering Frequency. IEEE Trans. Power Deliv. 2023, 38, 3021–3032. [Google Scholar] [CrossRef]
  15. Gwóźdź, M.; Ciepliński, Ł.; Krystkowiak, M. Power supply with parallel reactive and distortion power compensation and tunable inductive filter—Part 1. Bull. Pol. Acad. Sci. Tech. Sci. 2020, 68, 401–408. [Google Scholar] [CrossRef]
  16. Kahar, N.H.B.A.; Zobaa, A.F. Application of mixed integer distributed ant colony optimization to the design of undamped single tuned passive filters based harmonics mitigation. Swarm Evol. Comput. 2019, 44, 187–199. [Google Scholar] [CrossRef]
  17. Gwóźdź, M.; Wojciechowski, R.; Ciepliński, Ł. Power supply with parallel reactive and distortion power compensation and tunable inductive filter—Part 2. Bull. Pol. Acad. Sci. Tech. Sci. 2021, 69, e137938. [Google Scholar] [CrossRef]
  18. Filho da Costa Castro, J.; Lima, L.; Belchior, F.; Ribeiro, P. A Novel Approach to the Design of Passive Filters in Electric Grids. Int. J. Emerg. Electr. Power Syst. 2016, 17, 693–701. [Google Scholar] [CrossRef]
  19. Jandecy, C.L.; Ignacio, P.A.; Maria Emilia de, L.T.; de Oliveira, R.C.L. Multi-objective optimization of passive filters in industrial power systems. Electr. Eng. Mar. 2017, 99, 387–395. [Google Scholar]
  20. Czarnecki, L.S. Currents’ Physical Components (CPC)—Based Power Theory. The review, Part II: Filters and reactive, switching and hybrid compensators. Przeg. Elektr. 2020, 96, 1–11. [Google Scholar]
  21. Czarnecki, L.S. Moce w Obwodach Elektrycznych z Niesinusoidalnymi Przebiegami Prądów i Napięć; Oficyna Wydawnicza Politechniki Warszawskiej: Warszawa, Poland, 2005. (In Polish) [Google Scholar]
  22. Czarnecki, L.S. Considerations on the reactive power in nonsinusoidal situations. IEEE Trans. Instrum. Meas. 1985, IM-34, 399–404. [Google Scholar] [CrossRef]
  23. Czarnecki, L.S.; Haley, P.M. Power Properties of Four-Wire Systems at Nonsinusoidal Supply Voltage. IEEE Trans. Power Deliv. 2016, 31, 513–521. [Google Scholar] [CrossRef]
  24. Czarnecki, L.S.; Haley, P.M. Unbalanced Power in Four-Wire Systems and Its Reactive Compensation. IEEE Trans. Power Deliv. 2015, 30, 53–63. [Google Scholar] [CrossRef]
  25. Czarnecki, L.S.; Bhattarai, P.D. CPC-based reactive compensation of linear loads supplied with asymmetrical nonsinusoidal voltage. Prz. Elektrotechniczny 2019, 1, 3–10. [Google Scholar]
  26. Sołjan, Z.; Zajkowski, M.; Borusiewicz, A. Reactive Power Compensation and Distortion Power Variation Identification in Extended Budeanu Power Theory for Single-Phase Systems. Energies 2024, 17, 227. [Google Scholar] [CrossRef]
  27. Popławski, T.; Kurkowski, M. Nonlinear Loads in Lighting Installations—Problems and Threats. Energies 2023, 16, 6024. [Google Scholar] [CrossRef]
  28. Davidovic, M.; Kostic, M. Comparison of energy efficiency and costs related to conventional and LED road lighting installations. Energy 2022, 254, 124299. [Google Scholar] [CrossRef]
  29. Martinez, R.; Castro, P.; Arroyo, A.; Manana, M.; Galan, N.; Moreno, F.S.; Bustamante, S.; Laso, A. Techniques to Locate the Origin of Power Quality Disturbances in a Power System: A Review. Sustainability 2022, 14, 7428. [Google Scholar] [CrossRef]
  30. Memon, Z.; Uqaili, M.; Unar, M. Harmonics Mitigation of Industrial Power System Using Passive Filters. Mehran Univ. Res. J. Eng. Technol. 2012, 31. Available online: https://publications.muet.edu.pk/archive_by_issue2.php?page=2&j_id=16 (accessed on 29 March 2024).
  31. Aleem, S.H.E.A.; Balci, M.E.; Zobaa, A.F.; Sakar, S. Optimal passive filter design for effective utilization of cables and transformers under non-sinusoidal conditions. In Proceedings of the 2014 16th International Conference on Harmonics and Quality of Power (ICHQP), Bucharest, Romania, 25–28 May 2014; pp. 626–630. [Google Scholar] [CrossRef]
  32. Khajouei, J.; Shakeri, S.; Esmaeili, S.; Nosratabadi, S.M. Multi-criteria decision-making approach for optimal and probabilistic planning of passive harmonic filters in harmonically polluted industrial network with photovoltaic resources. IET Renew. Power Gener. 2023, 17, 2750–2764. [Google Scholar] [CrossRef]
  33. Hołdyński, G.; Skibko, Z.; Firlit, A.; Walendziuk, W. Analysis of the Impact of a Photovoltaic Farm on Selected Parameters of Power Quality in a Medium-Voltage Power Grid. Energies 2024, 17, 623. [Google Scholar] [CrossRef]
  34. Hołdyński, G.; Skibko, Z.; Borusiewicz, A. Analysis of the Influence of Load on the Value of Zero-Voltage Asymmetry in Medium-Voltage Networks Operating with Renewable Energy Sources. Energies 2023, 16, 580. [Google Scholar] [CrossRef]
  35. Jayaraman, M. Passive filter topologies for grid connected and standalone PV systems: A survey. ECS Trans. 2022, 107, 12083–12095. [Google Scholar] [CrossRef]
  36. Argüello, A.; Torquato, R.; Freitas, W. Passive filter tunning for harmonic resonance mitigation in Wind Park. IEEE Trans. Power Deliv. 2023, 38, 3834–3846. [Google Scholar] [CrossRef]
  37. Stankiewicz, J.M. Estimation of the Influence of the Coil Resistance on the Power and Efficiency of the WPT System. Energies 2023, 16, 6210. [Google Scholar] [CrossRef]
  38. Choroszucho, A. Analysis of the influence of electrical parameters of concrete and reinforcement inside concrete walls on the values of the electric field intensity. Przegląd Elektrotechniczny 2022, 98, 111–117. [Google Scholar] [CrossRef]
  39. Hui, S.Y.R. Wireless Power Transfer: A brief review & update. In Proceedings of the 2013 5th International Conference on Power Electronics Systems and Applications(PESA), Hong Kong, China, 11–13 December 2013; pp. 1–4. [Google Scholar]
  40. Lee, C.H.; Jung, G.; Al Hosani, K.; Song, B.; Seo, D.-K.; Cho, D. Wireless Power Transfer system for an autonomous electric vehicle. In Proceedings of the 2020 IEEE Wireless Power Transfer Conference (WPTC), Seoul, Republic of Korea, 15–19 November 2020; pp. 467–470. [Google Scholar]
  41. Zhang, Z.; Pang, H.; Georgiadis, A.; Cecati, C. Wireless Power Transfer—An overview. IEEE Trans. Ind. Electron. 2018, 66, 1044–1058. [Google Scholar] [CrossRef]
  42. Sołjan, Z.; Popławski, T. Budeanu’s Distortion Power Components Based on CPC Theory in Three-Phase Four-Wire Systems Supplied by Symmetrical Nonsinusoidal Voltage Waveforms. Energies 2024, 17, 1043. [Google Scholar] [CrossRef]
  43. Czarnecki, L.S. Currents′ Physical Components (CPC)—Based Power Theory. W review, Part I: Power properties of electrical Circuits and Systems. Przeg. Elektr. 2019, 95, 1–11. [Google Scholar] [CrossRef]
  44. Budeanu, C.I. Puissances Reactives et Fictives; Institut Romain de l’Energie: Bucharest, Romania, 1927. [Google Scholar]
  45. Sołjan, Z.; Zajkowski, M. Extension and correction of Budeanu power theory based on Currents’ Physical Components (CPC) theory for single-phase systems. Energies 2022, 15, 8321. [Google Scholar] [CrossRef]
Figure 1. Unbalanced LTI load powered from nonsinusoidal symmetrical voltage source.
Figure 1. Unbalanced LTI load powered from nonsinusoidal symmetrical voltage source.
Energies 17 02020 g001
Figure 2. Scheme of a load chosen for theoretical illustration 1.
Figure 2. Scheme of a load chosen for theoretical illustration 1.
Energies 17 02020 g002
Figure 3. Nonsinusoidal voltage waveforms at the terminals of a three-phase LTI load.
Figure 3. Nonsinusoidal voltage waveforms at the terminals of a three-phase LTI load.
Energies 17 02020 g003
Figure 4. Line currents waveforms achieved from Ohm’s law and Kirchhoff’s law.
Figure 4. Line currents waveforms achieved from Ohm’s law and Kirchhoff’s law.
Energies 17 02020 g004
Figure 5. The waveforms of the Budeanu distortion current following the developed Budeanu theory.
Figure 5. The waveforms of the Budeanu distortion current following the developed Budeanu theory.
Energies 17 02020 g005
Figure 6. Primary circuit with the connected ideal compensator compensating for the reactive current of the first harmonic.
Figure 6. Primary circuit with the connected ideal compensator compensating for the reactive current of the first harmonic.
Energies 17 02020 g006
Figure 7. The line currents waveforms based on Ohm’s law and Kirchhoff’s law after the connection of a reactive current compensator of the first harmonic.
Figure 7. The line currents waveforms based on Ohm’s law and Kirchhoff’s law after the connection of a reactive current compensator of the first harmonic.
Energies 17 02020 g007
Figure 8. The Budeanu distortion current waveforms according to the developed Budeanu theory after reactive current compensation of the first harmonic.
Figure 8. The Budeanu distortion current waveforms according to the developed Budeanu theory after reactive current compensation of the first harmonic.
Energies 17 02020 g008
Figure 9. The original circuit with the connected ideal compensator used to compensate for the Budeanu reactive current for the first harmonic.
Figure 9. The original circuit with the connected ideal compensator used to compensate for the Budeanu reactive current for the first harmonic.
Energies 17 02020 g009
Figure 10. The line currents waveforms based on Ohm’s law and Kirchhoff’s law after connection of a Budeanu reactive current compensator of the first harmonic.
Figure 10. The line currents waveforms based on Ohm’s law and Kirchhoff’s law after connection of a Budeanu reactive current compensator of the first harmonic.
Energies 17 02020 g010
Figure 11. The Budeanu distortion current waveforms following the developed Budeanu theory after compensation of the Budeanu reactive current of the first harmonic.
Figure 11. The Budeanu distortion current waveforms following the developed Budeanu theory after compensation of the Budeanu reactive current of the first harmonic.
Energies 17 02020 g011
Figure 12. Original circuit with the connected compensator used to compensate for the Budeanu complemented reactive current and the unbalanced current.
Figure 12. Original circuit with the connected compensator used to compensate for the Budeanu complemented reactive current and the unbalanced current.
Energies 17 02020 g012
Figure 13. The waveforms of line currents based on Ohm’s law and Kirchhoff’s law after the connection of a Budeanu complemented reactive current compensator and an unbalanced current.
Figure 13. The waveforms of line currents based on Ohm’s law and Kirchhoff’s law after the connection of a Budeanu complemented reactive current compensator and an unbalanced current.
Energies 17 02020 g013
Figure 14. The Budeanu distortion current waveforms following the developed Budeanu theory after reduction in the Budeanu complemented reactive current and the unbalanced current.
Figure 14. The Budeanu distortion current waveforms following the developed Budeanu theory after reduction in the Budeanu complemented reactive current and the unbalanced current.
Energies 17 02020 g014
Figure 15. Original circuit with the connected compensator used to compensate for the Budeanu reactive current and the unbalanced current.
Figure 15. Original circuit with the connected compensator used to compensate for the Budeanu reactive current and the unbalanced current.
Energies 17 02020 g015
Figure 16. The waveforms of line currents based on Ohm’s law and Kirchhoff’s law after the connection of a Budeanu reactive current compensator and an unbalanced current.
Figure 16. The waveforms of line currents based on Ohm’s law and Kirchhoff’s law after the connection of a Budeanu reactive current compensator and an unbalanced current.
Energies 17 02020 g016
Figure 17. The Budeanu distortion current waveforms following the developed Budeanu theory after reduction in the Budeanu reactive current and the unbalanced current.
Figure 17. The Budeanu distortion current waveforms following the developed Budeanu theory after reduction in the Budeanu reactive current and the unbalanced current.
Energies 17 02020 g017
Figure 18. Original circuit with the connected compensator used to compensate for the Budeanu reactive current, Budeanu complemented reactive current, and the unbalanced current.
Figure 18. Original circuit with the connected compensator used to compensate for the Budeanu reactive current, Budeanu complemented reactive current, and the unbalanced current.
Energies 17 02020 g018
Figure 19. The waveforms of line currents based on Ohm’s law and Kirchhoff’s law after the connection of a Budeanu reactive current, Budeanu complemented reactive current, and the unbalanced current compensator.
Figure 19. The waveforms of line currents based on Ohm’s law and Kirchhoff’s law after the connection of a Budeanu reactive current, Budeanu complemented reactive current, and the unbalanced current compensator.
Energies 17 02020 g019
Figure 20. The Budeanu distortion current waveforms following the developed Budeanu theory after reduction in the Budeanu reactive current, Budeanu complemented reactive current, and the unbalanced current.
Figure 20. The Budeanu distortion current waveforms following the developed Budeanu theory after reduction in the Budeanu reactive current, Budeanu complemented reactive current, and the unbalanced current.
Energies 17 02020 g020
Table 1. List of the values of resistance, inductance, and capacitance reactance for the first harmonic.
Table 1. List of the values of resistance, inductance, and capacitance reactance for the first harmonic.
Parameter in [Ω]Line RLine SLine T
Resistance4.567
Inductive reactance3.14212.566-
Capacitive reactance--1.592
Table 2. List of complex line currents values for specific harmonics.
Table 2. List of complex line currents values for specific harmonics.
Harmonic OrderLine R in [A]Line S in [A]Line T in [A]
n = 1 41.91 e j 34.9 16.52 e j 175.5 32.04 e j 132.8
n = 3 1.44 e j 64.5 0.39 e j 81 2.14 e j 4.3
n = 5 1.53 e j 74 0.40 e j 35.5 3.57 e j 117.4
n = 7 0.45 e j 78.4 0.11 e j 153.9 1.43 e j 121.9
Table 3. List of three-phase values of active and reactive powers for specific harmonics and the total three-phase active and reactive powers of the entire system.
Table 3. List of three-phase values of active and reactive powers for specific harmonics and the total three-phase active and reactive powers of the entire system.
Harmonic OrderActive Power P in [W]Reactive Power QB in [var]
n = 116,7267312
n = 342.222.8
n = 5100.642.6
n = 715.25.0
SUM16,8847382.4
Table 4. List of the RMS values of the specific harmonic components for three-phase currents as described by the developed Budeanu theory.
Table 4. List of the RMS values of the specific harmonic components for three-phase currents as described by the developed Budeanu theory.
Harmonic OrderiaisirBicrB i u p i u n i u z
n = 141.6350.35118.2050.150030.8342.285
n = 32.7151.0921.1870.3081.7170.6530
n = 54.2562.2031.9790.9961.45502.598
n = 71.8100.9300.7920.50100.9840.651
RMS42.0072.65218.3681.1662.25130.8563.521
Table 5. List of three-phase RMS currents’ components values of the distortion current described in the Budeanu theory.
Table 5. List of three-phase RMS currents’ components values of the distortion current described in the Budeanu theory.
Harmonic OrderisicrB i u p i u n i u z idB
n = 10.3510.150030.8342.285
n = 31.0920.3081.7170.6530
n = 52.2030.9961.45502.598
n = 70.9300.50100.9840.651
RMS2.6521.1662.25130.8563.52131.273
Table 6. List of values of inductance and capacitance required to compensate for the first harmonic of reactive current.
Table 6. List of values of inductance and capacitance required to compensate for the first harmonic of reactive current.
ParameterLine RLine SLine T
Inductance [mH]--103.07
Capacitance [mF]33.2020.63-
Table 7. List of values of the complex line currents for the respective harmonics after reduction in the reactive current of the first harmonic.
Table 7. List of values of the complex line currents for the respective harmonics after reduction in the reactive current of the first harmonic.
Harmonic OrderLine R in [A]Line S in [A]Line T in [A]
n = 1 34.36 e j 0 7.12 e j 120 31.24 e j 120
n = 3 3.45 e j 79.7 2.53 e j 88.6 2.13 e j 0.2
n = 5 11.57 e j 87.9 7.71 e j 150.3 3.56 e j 119.9
n = 7 6.87 e j 89.3 4.42 e j 30.1 1.43 e j 120.1
Table 8. List of the active and reactive powers for specific harmonics in three phases, along with the total active and reactive powers of the entire circuit after reactive current reduction for the first harmonic.
Table 8. List of the active and reactive powers for specific harmonics in three phases, along with the total active and reactive powers of the entire circuit after reactive current reduction for the first harmonic.
Harmonic OrderActive Power P in [W]Reactive Power QB in [var]
n = 116,7260
n = 342.2−89
n = 5100.6−482
n = 715.2−112.9
SUM16,884−683.9
Table 9. List of three-phase RMS current’s components values corresponding to specific harmonics, as provided in the developed Budeanu theory, following reduction in the reactive current of the first harmonic.
Table 9. List of three-phase RMS current’s components values corresponding to specific harmonics, as provided in the developed Budeanu theory, following reduction in the reactive current of the first harmonic.
Harmonic OrderiaisirBicrB i u p i u n i u z
n = 141.6350.3511.6871.687014.91214.912
n = 32.7151.0920.1103.3151.5492.4690
n = 54.2562.2030.18310.9496.92405.368
n = 71.8100.9300.0736.44503.2443.866
RMS42.0072.6521.70213.2387.09515.45916.313
Table 10. List of three-phase RMS currents’ components values of the distortion current described in the Budeanu theory.
Table 10. List of three-phase RMS currents’ components values of the distortion current described in the Budeanu theory.
Harmonic OrderisicrB i u p i u n i u z idB
n = 10.3511.687014.91214.912
n = 31.0923.3151.5492.4690
n = 52.20310.9496.92405.368
n = 70.9306.44503.2443.866
RMS2.65213.2387.09515.45916.31327.161
Table 11. List of equivalent susceptance values necessary to compensate for the first harmonic of the Budeanu reactive current.
Table 11. List of equivalent susceptance values necessary to compensate for the first harmonic of the Budeanu reactive current.
ParameterLine RLine SLine T
Capacitance [mF]14.5514.5514.55
Table 12. List of complex line currents values for respective harmonics after reduction in the Budeanu reactive current of the first harmonic.
Table 12. List of complex line currents values for respective harmonics after reduction in the Budeanu reactive current of the first harmonic.
Harmonic OrderLine R in [A]Line S in [A]Line T in [A]
n = 1 36.91 e j 21.4 8.36 e j 151.7 35.87 e j 149.4
n = 3 0.98 e j 50.9 1.67 e j 87.9 3.08 e j 46.1
n = 5 4.26 e j 84.3 5.32 e j 150.4 6.87 e j 61.2
n = 7 2.76 e j 88.1 3.09 e j 30.1 3.55 e j 173.7
Table 13. List of three-phase active power and reactive power values of chosen harmonics and total three-phase active power and reactive power of the whole system after reduction in the Budeanu reactive current of the first harmonic.
Table 13. List of three-phase active power and reactive power values of chosen harmonics and total three-phase active power and reactive power of the whole system after reduction in the Budeanu reactive current of the first harmonic.
Harmonic OrderActive Power P in [W]Reactive Power QB in [var]
n = 116,72659.8
n = 342.2−69.7
n = 5100.6−385.8
n = 715.2−90.9
SUM16,884−486.7
Table 14. List of three-phase RMS currents’ components values for the chosen harmonics defined in the developed Budeanu theory after reduction in the Budeanu reactive current of the first harmonic.
Table 14. List of three-phase RMS currents’ components values for the chosen harmonics defined in the developed Budeanu theory after reduction in the Budeanu reactive current of the first harmonic.
Harmonic OrderiaisirBicrB i u p i u n i u z
n = 141.6350.3511.2001.350030.8342.285
n = 32.7151.0920.0782.6041.7170.6530
n = 54.2562.2030.1308.7801.45502.598
n = 71.8100.9300.0525.19800.9840.651
RMS42.0072.6521.21110.6172.25130.8563.521
Table 15. List of three-phase RMS currents’ components values of the distortion current defined in the Budeanu theory.
Table 15. List of three-phase RMS currents’ components values of the distortion current defined in the Budeanu theory.
Harmonic OrderisicrB i u p i u n i u z idB
n = 10.3511.350030.8342.285
n = 31.0922.6041.7170.6530
n = 52.2038.7801.45502.598
n = 70.9305.19800.9840.651
RMS2.65210.6172.25130.8563.52133.005
Table 16. List of capacitance and inductance values necessary to compensate for the Budeanu complemented reactive current and the unbalanced current for a compensator with a Y-structure.
Table 16. List of capacitance and inductance values necessary to compensate for the Budeanu complemented reactive current and the unbalanced current for a compensator with a Y-structure.
LineHarmonic Order
n = 1n = 3n = 5n = 7
C [µF]L [µH]C [µF]L [mH]C [µF]L [mH]C [µF]L [mH]
R-6.22127.68-60.21--5.41
S35.88--13.60-6.2119.49-
T-26.06-13.62-10.43-9.97
Table 17. List of capacitance and inductance values necessary to compensate for the component of the unbalanced current for a -structure compensator.
Table 17. List of capacitance and inductance values necessary to compensate for the component of the unbalanced current for a -structure compensator.
LineHarmonic Order
n = 1n = 3n = 5n = 7
C [µF]L [µH]C [µF]L [mH]C [µF]L [mH]C [µF]L [mH]
RS145.14----107.761.43-
ST-128.51--34.64--8.32
TR-16.63---13.1623.41-
Table 18. List of complex values of line currents for specific harmonics after reduction in the Budeanu complemented reactive current and the unbalanced current.
Table 18. List of complex values of line currents for specific harmonics after reduction in the Budeanu complemented reactive current and the unbalanced current.
Harmonic OrderLine R in [A]Line S in [A]Line T in [A]
n = 1 26.42 e j 23.4 26.42 e j 143.4 26.42 e j 96.6
n = 3 0.80 e j 39.4 1.56 e j 87.7 2.36 e j 25.3
n = 5 1.76 e j 40.4 1.76 e j 79.6 1.76 e j 160.4
n = 7 0.68 e j 42 0.68 e j 162 0.68 e j 78
Table 19. List of the active and reactive powers for specific harmonics in three phases, along with the total active and reactive powers of the entire circuit after compensating for the Budeanu complemented reactive current and the unbalanced current.
Table 19. List of the active and reactive powers for specific harmonics in three phases, along with the total active and reactive powers of the entire circuit after compensating for the Budeanu complemented reactive current and the unbalanced current.
Harmonic OrderActive Power P in [W]Reactive Power QB in [var]
n = 116,7267252.2
n = 342.230.8
n = 5100.685.7
n = 715.213.7
SUM16,8847382.4
Table 20. List of three-phase RMS currents’ components values for the chosen harmonics defined in the developed Budeanu theory after reduction in the Budeanu complemented reactive current and the unbalanced current.
Table 20. List of three-phase RMS currents’ components values for the chosen harmonics defined in the developed Budeanu theory after reduction in the Budeanu complemented reactive current and the unbalanced current.
Harmonic OrderiaisirBicrB i u p i u n i u z
n = 141.6350.35118.2050000
n = 32.7151.0921.187002.1410
n = 54.2562.2031.9790000
n = 71.8100.9300.7920000
RMS42.0072.65218.368002.1410
Table 21. List of the three-phase RMS values of the currents’ components of the distortion current defined in the Budeanu theory.
Table 21. List of the three-phase RMS values of the currents’ components of the distortion current defined in the Budeanu theory.
Harmonic OrderisicrB i u p i u n i u z idB
n = 10.3510000
n = 31.092002.1410
n = 52.2030000
n = 70.9300000
RMS2.652002.14103.409
Table 22. List of capacitance and inductance values necessary to compensate for the Budeanu reactive current and the unbalanced current for a compensator with a Y-structure.
Table 22. List of capacitance and inductance values necessary to compensate for the Budeanu reactive current and the unbalanced current for a compensator with a Y-structure.
LineHarmonic Order
n = 1n = 3n = 5n = 7
C [µF]L [µH]C [µF]L [mH]C [µF]L [mH]C [µF]L [mH]
R138.04-188.75-103.94--48.49
S180.14--51.87-18.8353.42-
T118.20--52.154.87-13.19-
Table 23. List of capacitance and inductance values necessary to compensate for the component of the unbalanced current for a -structure compensator.
Table 23. List of capacitance and inductance values necessary to compensate for the component of the unbalanced current for a -structure compensator.
LineHarmonic Order
n = 1n = 3n = 5n = 7
C [µF]L [µH]C [µF]L [mH]C [µF]L [mH]C [µF]L [mH]
RS145.14----107.761.43-
ST-78.84--34.56--8.32
TR-609.47---13.1623.41-
Table 24. List of complex values of line currents for respective harmonics after reduction in the Budeanu reactive current and the unbalanced current.
Table 24. List of complex values of line currents for respective harmonics after reduction in the Budeanu reactive current and the unbalanced current.
Harmonic OrderLine R in [A]Line S in [A]Line T in [A]
n = 1 24.24 e j 0.2 24.24 e j 120.2 24.24 e j 119.8
n = 3 1.51 e j 65.7 0.70 e j 84.9 2.14 e j 3.9
n = 5 1.46 e j 23.2 1.46 e j 143.2 1.46 e j 96.8
n = 7 0.58 e j 29.7 0.58 e j 90.3 0.58 e j 149.7
Table 25. List detailing the three-phase active and reactive powers of specific harmonics, as well as the total three-phase active and reactive powers of the entire circuit following compensation for both the Budeanu reactive current and the unbalanced current.
Table 25. List detailing the three-phase active and reactive powers of specific harmonics, as well as the total three-phase active and reactive powers of the entire circuit following compensation for both the Budeanu reactive current and the unbalanced current.
Harmonic OrderActive Power P in [W]Reactive Power QB in [var]
n = 116,72659.8
n = 342.2−8
n = 5100.6−43.1
n = 715.2−8.7
SUM16,8840
Table 26. List of three-phase RMS currents’ components values for the respective harmonics defined in the developed Budeanu theory after reduction in the Budeanu reactive current and the unbalanced current.
Table 26. List of three-phase RMS currents’ components values for the respective harmonics defined in the developed Budeanu theory after reduction in the Budeanu reactive current and the unbalanced current.
Harmonic OrderiaisirBicrB i u p i u n i u z
n = 141.6350.35100.150000
n = 32.7151.09200.30802.1410
n = 54.2562.20300.996000
n = 71.8100.93000.501000
RMS42.0072.65201.16602.1410
Table 27. List of the three-phase RMS currents’ components values of the distortion current described in the Budeanu theory.
Table 27. List of the three-phase RMS currents’ components values of the distortion current described in the Budeanu theory.
Harmonic OrderisicrB i u p i u n i u z idB
n = 10.3510.150000
n = 31.0920.30802.1410
n = 52.2030.996000
n = 70.9300.501000
RMS2.6521.16602.14103.602
Table 28. List of capacitance and inductance values necessary to compensate for the Budeanu reactive current, Budeanu complemented reactive current, and the unbalanced current for a compensator with a Y-structure.
Table 28. List of capacitance and inductance values necessary to compensate for the Budeanu reactive current, Budeanu complemented reactive current, and the unbalanced current for a compensator with a Y-structure.
LineHarmonic Order
n = 1n = 3n = 5n = 7
C [µF]L [µH]C [µF]L [mH]C [µF]L [mH]C [µF]L [mH]
R139.24-176.17-89.30--11.87
S181.34--15.38-11.2140.27-
T119.40-4.76--41.490.034-
Table 29. List of capacitance and inductance values necessary to compensate for the component of the unbalanced current for a -structure compensator.
Table 29. List of capacitance and inductance values necessary to compensate for the component of the unbalanced current for a -structure compensator.
LineHarmonic Order
n = 1n = 3n = 5n = 7
C [µF]L [µH]C [µF]L [mH]C [µF]L [mH]C [µF]L [mH]
RS145.14----107.761.43-
ST-78.84--34.56--8.32
TR-609.47---13.1623.41-
Table 30. List of complex line currents values for chosen harmonics after reduction in the Budeanu reactive current, Budeanu complemented reactive current, and the unbalanced current.
Table 30. List of complex line currents values for chosen harmonics after reduction in the Budeanu reactive current, Budeanu complemented reactive current, and the unbalanced current.
Harmonic OrderLine R in [A]Line S in [A]Line T in [A]
n = 1 24.24 e j 0 24.24 e j 120 24.24 e j 120
n = 3 1.34 e j 62.6 0.88 e j 86 2.15 e j 8.6
n = 5 1.34 e j 0 1.34 e j 120 1.34 e j 120
n = 7 0.51 e j 0 0.51 e j 120 0.51 e j 120
Table 31. List of three-phase RMS currents’ components values for the chosen harmonics defined in the developed Budeanu theory after reduction in the Budeanu reactive current, Budeanu complemented reactive current, and the unbalanced current.
Table 31. List of three-phase RMS currents’ components values for the chosen harmonics defined in the developed Budeanu theory after reduction in the Budeanu reactive current, Budeanu complemented reactive current, and the unbalanced current.
Harmonic OrderActive Power P in [W]Reactive Power QB in [var]
n = 116,7260
n = 342.20
n = 5100.60
n = 715.20
SUM16,8840
Table 32. List of three-phase RMS currents’ components values for the respective harmonics defined in the developed Budeanu theory after reduction in the Budeanu reactive current, Budeanu complemented reactive current, and the unbalanced current.
Table 32. List of three-phase RMS currents’ components values for the respective harmonics defined in the developed Budeanu theory after reduction in the Budeanu reactive current, Budeanu complemented reactive current, and the unbalanced current.
Harmonic OrderiaisirBicrB i u p i u n i u z
n = 141.6350.35100000
n = 32.7151.0920002.1410
n = 54.2562.20300000
n = 71.8100.93000000
RMS42.0072.6520002.1410
Table 33. List of the three-phase RMS currents’ components values of the distortion current determined in the Budeanu theory.
Table 33. List of the three-phase RMS currents’ components values of the distortion current determined in the Budeanu theory.
Harmonic OrderisicrB i u p i u n i u z idB
n = 10.3510000
n = 31.092002.1410
n = 52.2030000
n = 70.9300000
RMS2.652002.14103.409
Table 34. List of three-phase RMS currents’ components values for the original circuit and the systems after the connection of the compensator.
Table 34. List of three-phase RMS currents’ components values for the original circuit and the systems after the connection of the compensator.
ComponentOriginal SystemMethod
IIIIIIIVV
i a 42.00742.00742.00742.00742.00742.007
i s 2.6522.6522.6522.6522.6522.652
i rB 18.3681.7021.21118.36800
i crB 1.16613.23810.61701.1660
i u p 2.2517.0952.251000
i u n 30.85615.45930.8562.1412.1412.141
i u z 3.52116.3133.521000
i dB 31.27327.16133.0053.4093.6023.409
i 55.49750.05253.43645.97442.16142.145
Table 35. List of percentages of absolute values of currents’ components for the original circuit and the systems after the connection of the compensator.
Table 35. List of percentages of absolute values of currents’ components for the original circuit and the systems after the connection of the compensator.
ComponentOriginal SystemMethod
IIIIIIIVV
i a ------
i s ------
i rB -−979%−1417%0%zz
i crB -91%89%z0%z
i u p -68%0%zzz
i u n -−100%0%−1341%−1341%−1341%
i u z -78%0%zzz
i dB -−15%5%−817%−768%−817%
i -−11%−4%−21%−32%−32%
Table 36. List of three-phase powers’ components values calculated based on the Budeanu theory for the original circuit and the systems after the connection of the compensator.
Table 36. List of three-phase powers’ components values calculated based on the Budeanu theory for the original circuit and the systems after the connection of the compensator.
PowerOriginal SystemMethod
IIIIIIIVV
S [VA]22,306.120,117.521,477.618,478.316,945.916,939.5
P [W]16,88416,88416,88416,88416,88416,884
QB [var]7382.4−683.9−486.77382.400
DB [VA]12,569.510,916.913,265.813701447.91370
Table 37. List of percentages of the absolute values of the powers’ components calculated based on the Budeanu theory for the original circuit and the systems after the connection of the compensator.
Table 37. List of percentages of the absolute values of the powers’ components calculated based on the Budeanu theory for the original circuit and the systems after the connection of the compensator.
PowerOriginal SystemMethod
IIIIIIIVV
S [VA]-−11%−4%−21%−32%−32%
P [W]------
QB [var]-1179%1617%0%zz
DB [VA]-−15%5%−817%−768%−817%
Disclaimer/Publisher’s Note: The statements, opinions and data contained in all publications are solely those of the individual author(s) and contributor(s) and not of MDPI and/or the editor(s). MDPI and/or the editor(s) disclaim responsibility for any injury to people or property resulting from any ideas, methods, instructions or products referred to in the content.

Share and Cite

MDPI and ACS Style

Sołjan, Z.; Popławski, T.; Kurkowski, M.; Zajkowski, M. Compensation of Budeanu’s Reactive and Complemented Reactive Currents in Extended Budeanu Theory in 3-Phase 4-Wire Systems Powered by Symmetrical Nonsinusoidal Voltage Source. Energies 2024, 17, 2020. https://doi.org/10.3390/en17092020

AMA Style

Sołjan Z, Popławski T, Kurkowski M, Zajkowski M. Compensation of Budeanu’s Reactive and Complemented Reactive Currents in Extended Budeanu Theory in 3-Phase 4-Wire Systems Powered by Symmetrical Nonsinusoidal Voltage Source. Energies. 2024; 17(9):2020. https://doi.org/10.3390/en17092020

Chicago/Turabian Style

Sołjan, Zbigniew, Tomasz Popławski, Marek Kurkowski, and Maciej Zajkowski. 2024. "Compensation of Budeanu’s Reactive and Complemented Reactive Currents in Extended Budeanu Theory in 3-Phase 4-Wire Systems Powered by Symmetrical Nonsinusoidal Voltage Source" Energies 17, no. 9: 2020. https://doi.org/10.3390/en17092020

APA Style

Sołjan, Z., Popławski, T., Kurkowski, M., & Zajkowski, M. (2024). Compensation of Budeanu’s Reactive and Complemented Reactive Currents in Extended Budeanu Theory in 3-Phase 4-Wire Systems Powered by Symmetrical Nonsinusoidal Voltage Source. Energies, 17(9), 2020. https://doi.org/10.3390/en17092020

Note that from the first issue of 2016, this journal uses article numbers instead of page numbers. See further details here.

Article Metrics

Back to TopTop