Deep and Reinforcement Learning in Virtual Synchronous Generator: A Comprehensive Review
Abstract
1. Introduction
- Section 2 provides an introduction of VSG principles. The main classifications of the VSG are introduced in detail;
- Section 3 gives an overall review of the development of deep learning and reinforcement learning;
- Section 4 focuses on the dynamic process of a single VSG that is optimized by DL and RL algorithms;
- Section 5 reviews the DL and RL algorithms used in multi-VSG systems;
- Section 6 concludes this paper and provides some future research trends according to all the research reviewed in this paper.
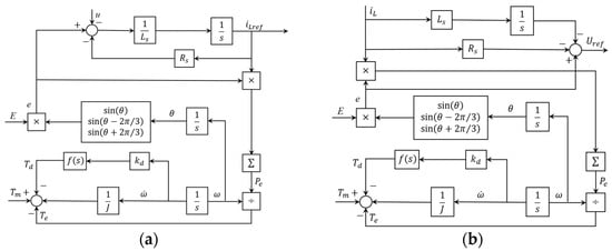
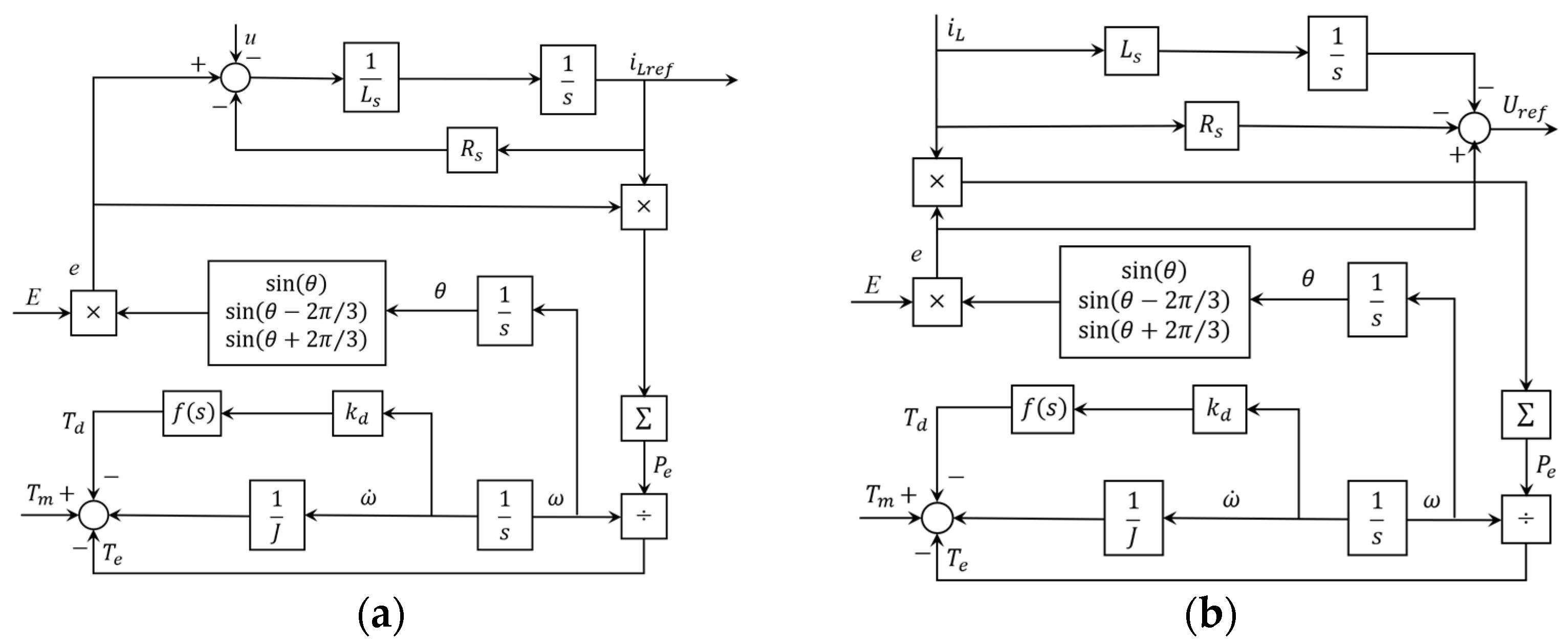
2. Principle and Classification of VSG
2.1. Virtual Synchronous Machine (VISMA)
2.2. Synchronverter
2.3. Other Virtual Synchronous Models
3. Deep Learning and Reinforcement Learning
3.1. Deep Learning
3.1.1. Multi-Layer Perceptron (MLP)
3.1.2. Convolutional Neural Network (CNN)
3.1.3. Recurrent Neural Networks
3.1.4. Attention Mechanism
3.2. Reinforcement Learning
- stands for the state space, which can be either discrete or continuous. It refers to the state of the environment observed by the agent.
- stands for the action space taken by the agent, which can be either discrete or continuous. refers to the action produced by the agent decision at each time step . After each action, the environment will enter the next state.
- refers to the transfer probability function, which represents the possibility that the system moves to the next state after the agent takes a certain action in the current state.
- refers to the reward function. By interacting with the environment, the agent will receive a reward for its action. A positive reward indicates the action is effective, while a negative reward, also known as a punishment, indicates a wrong action. The goal of an agent is to maximize the expected future rewards by optimizing the policy.
3.2.1. Value-Based Approaches
3.2.2. Policy-Based Approaches
4. DL and RL in Single VSG
5. DL and RL in Multi-VSG System
5.1. Power Sharing, Suppression of Current Circulation, and Power Oscillation
5.2. Transient Stability Prediction and Improvement
5.3. Power Prediction and Scheduling
6. Discussion and Future Research Trends
- Flexibility. As mentioned at the beginning of this paper, flexibility is one of the important characteristics of modern power systems. The distributed power supply and loads should be able to be connected or cut off without affecting the conditions of other devices. And, with the further development of distributed power generation, new DGs should be able to connect the system freely, and the parameters of other VSGs should be adjusted automatically if possible, which ensures transient stability under system topology changes.
- Deployment in real devices or systems. With many AI-based control methods being proposed, most of them are verified only in a simulation platform or in lab conditions. Few of these methods are applied in real systems. This is due to the high reliability requirements of the power system and incomplete interpretability of DL and RL. However, the combination of an advanced control strategy, VSG, and advanced AI methods, DL and RL, should not remain only at the theoretical level.
- Efficiency and speed. Since the VSG control can be applied parallelly in a large system, in which the working conditions are complicated, a powerful DL network or RL agent may need plenty of data with which to train. According to the reviewed research, the training process often takes a relatively long time. A faster training process and a smaller training dataset will bring benefits to the practical deployment of the VSG.
- Generalization ability. Since all the DL and RL methods require training processes and all the working conditions of a huge system may not be easy to obtain, a network or agent may perform well on the training datasets but have bad behaviors when a new disturbance occurs. Moreover, topology changes may also lead to failures if operating in a new system with previous parameters. Therefore, the generalization ability of the VSG with DL and RL methods is under great demand. With the strong generalization ability of, the amount of computation and training will be greatly reduced when new systems are deployed.
- Voltage and reactive power control. As concluded in Section 3, most of the AI methods for VSG parameter tuning aim to have a better performance in active power and frequency response. The frequency in a system is a global quantity, so the output frequency of each VSG becomes consistent automatically. The active power output is controlled together with the frequency in the same loop, which makes it easier to control. However, due to the existence of line impedance, the deviation in voltage will cause a current circulation between VSGs with different voltage outputs. Since the voltage instability is more complex than the frequency, it is of great importance that we explore the potential of AI methods in voltage control.
Author Contributions
Funding
Data Availability Statement
Conflicts of Interest
Abbreviations
| A2C | Advantage Actor–Critic |
| A3C | Asynchronous Advantage Actor–Critic |
| AI | Artificial Intelligence |
| BESS | Battery Energy Storage System |
| CNN | Convolutional Neural Network |
| DDPG | Deep Deterministic Policy Gradient |
| DDQN | Double Deep Q-Network |
| DFFNN | Deep Feed-Forward Neural Network |
| DG | Distributed Generator |
| DL | Deep Learning |
| DPG | Deep Policy Gradient |
| DNN | Deep Neural Network |
| DQN | Deep Q-Network |
| DRL | Deep Reinforcement Learning |
| EI | Energy Internet |
| ESS | Energy Storage System |
| IBDG | Inverter-Based Distributed Generator |
| IEPE | Institute of Electrical Power Engineering |
| ILSVRC | ImageNet Large Scale Visual Recognition Competition |
| KHIs | Kawasaki Heavy Industries |
| KLD | Kullback–Leibler Divergence |
| LOS | Loss of Synchronization |
| LSTM | Long Short-Term Memory |
| LVQ | Learning Vector Quantization |
| MDP | Markov Decision Process |
| ML | Machine Learning |
| MLP | Multi-Layer Perceptron |
| MMC | Modular Multilevel Converter |
| MDHDP | Model-Dependent Heuristic Dynamic Programing |
| MPGNN | Message Passing Graph Neural Network |
| OMS | Online Monitoring System |
| OPC | Optimal Preventive Control |
| RBM | Restricted Boltzmann Machine |
| RES | Renewable Energy Source |
| RL | Reinforcement Learning |
| RNN | Recurrent Neural Networks |
| RoCoF | Rate of Change of Frequency |
| SAC | Soft Actor–Critic |
| SG | Synchronous Generator |
| TD | Temporal Difference |
| TD3 | Twin Delayed Deep Deterministic Policy Gradient |
| TRPO | Trust Region Policy Optimization |
| VISMA | Virtual Synchronous Machine |
| VSG | Virtual Synchronous Generator |
| VSM | Virtual Synchronous Motor |
References
- Rifkin, J. The Third Industrial Revolution: How Lateral Power Is Transforming Energy, the Economy, and the World; Macmillan: London, UK, 2011. [Google Scholar]
- Chen, Z.; Liu, Q.; Li, Y.; Liu, S. Discussion on energy internet and its key technology. J. Power Energy Eng. 2017, 5, 1–9. [Google Scholar] [CrossRef]
- Seneviratne, C.; Ozansoy, C. Frequency response due to a large generator loss with the increasing penetration of wind/PV generation—A literature review. Renew. Sustain. Energy Rev. 2016, 57, 659–668. [Google Scholar] [CrossRef]
- Xue, Y.; Manjrekar, M.; Lin, C.; Tamayo, M.; Jiang, J.N. Voltage stability and sensitivity analysis of grid-connected photovoltaic systems. In Proceedings of the 2011 IEEE Power and Energy Society General Meeting, Detroit, MI, USA, 24–29 July 2011; IEEE: New York, NY, USA, 2011; pp. 1–7. [Google Scholar]
- Crăciun, B.-I.; Kerekes, T.; Séra, D.; Teodorescu, R. Frequency support functions in large PV power plants with active power reserves. IEEE J. Emerg. Sel. Top. Power Electron. 2014, 2, 849–858. [Google Scholar] [CrossRef]
- Oroojlooy, A.; Hajinezhad, D. A review of cooperative multi-agent deep reinforcement learning. Appl. Intell. 2022, 53, 13677–13722. [Google Scholar] [CrossRef]
- Beck, H.-P.; Hesse, R. Virtual synchronous machine. In Proceedings of the 2007 9th International Conference on Electrical Power Quality and Utilisation, Barcelona, Spain, 9–11 October 2007; IEEE: New York, NY, USA, 2007; pp. 1–6. [Google Scholar]
- Chen, Y.; Hesse, R.; Turschner, D.; Beck, H.-P. Comparison of methods for implementing virtual synchronous machine on inverters. In Proceedings of the International Conference on Renewable Energies and Power Quality, Santiago de Compostela, Spain, 28–30 March 2012. [Google Scholar]
- Zhong, Q.-C.; Weiss, G. Synchronverters: Inverters that mimic synchronous generators. IEEE Trans. Ind. Electron. 2010, 58, 1259–1267. [Google Scholar] [CrossRef]
- Visscher, K.; De Haan, S.W.H. Virtual synchronous machines (VSG’s) for frequency stabilisation in future grids with a significant share of decentralized generation. In Proceedings of the CIRED Seminar 2008: SmartGrids for Distribution, Frankfurt, Germany, 23–24 June 2008; IET: Stevenage, UK, 2008. [Google Scholar]
- LeCun, Y.; Bengio, Y.; Hinton, G. Deep learning. Nature 2015, 521, 436–444. [Google Scholar] [CrossRef] [PubMed]
- LeCun, Y.; Bottou, L.; Bengio, Y.; Haffner, P. Gradient-based learning applied to document recognition. Proc. IEEE 1998, 86, 2278–2324. [Google Scholar] [CrossRef]
- Krizhevsky, A.; Sutskever, I.; Hinton, G.E. Imagenet classification with deep convolutional neural networks. Adv. Neural Inf. Process. Syst. 2012, 25, 1097–1105. [Google Scholar] [CrossRef]
- Zeiler, M.D.; Fergus, R. Visualizing and understanding convolutional networks. In Proceedings of the Computer Vision—ECCV 2014: 13th European Conference, Zurich, Switzerland, 6–12 September 2014; Proceedings, Part I 13. Springer: Berlin/Heidelberg, Germany, 2017. [Google Scholar]
- Simonyan, K.; Zisserman, A. Very deep convolutional networks for large-scale image recognition. arXiv 2014, arXiv:1409.1556. [Google Scholar]
- Szegedy, C.; Liu, W.; Jia, Y.; Sermanet, P.; Reed, S.; Anguelov, D.; Erhan, D.; Vanhoucke, V.; Rabinovich, A. Going deeper with convolutions. In Proceedings of the IEEE Conference on Computer Vision and Pattern Recognition, Boston, MA, USA, 7–12 June 2015. [Google Scholar]
- He, K.; Zhang, X.; Ren, S.; Sun, J. Deep residual learning for image recognition. In Proceedings of the IEEE Conference on Computer Vision and Pattern Recognition, Las Vegas, NV, USA, 27–30 June 2016. [Google Scholar]
- Girshick, R.; Donahue, J.; Darrell, T.; Malik, J. Rich feature hierarchies for accurate object detection and semantic segmentation. In Proceedings of the IEEE Conference on Computer Vision and Pattern Recognition, Columbus, OH, USA, 23–28 June 2014. [Google Scholar]
- Girshick, R. Fast r-cnn. In Proceedings of the IEEE International Conference on Computer Vision, Santiago, Chile, 7–13 December 2015. [Google Scholar]
- Ren, S.; He, K.; Girshick, R.; Sun, J. Faster r-cnn: Towards real-time object detection with region proposal networks. Adv. Neural Inf. Process. Syst. 2015, 28, 91–99. [Google Scholar] [CrossRef]
- He, K.; Gkioxari, G.; Dollár, P.; Girshick, R. Mask r-cnn. In Proceedings of the IEEE International Conference on Computer Vision, Venice, Italy, 22–29 October 2017. [Google Scholar]
- Rumelhart, D.E.; Hinton, G.E.; Williams, R.J. Learning representations by back-propagating errors. Nature 1986, 323, 533–536. [Google Scholar] [CrossRef]
- Bengio, Y.; Simard, P.; Frasconi, P. Learning long-term dependencies with gradient descent is difficult. IEEE Trans. Neural Netw. 1994, 5, 157–166. [Google Scholar] [CrossRef] [PubMed]
- Hochreiter, S.; Schmidhuber, J. Long short-term memory. Neural Comput. 1997, 9, 1735–1780. [Google Scholar] [CrossRef] [PubMed]
- Chung, J.; Gulcehre, C.; Cho, K.; Bengio, Y. Empirical evaluation of gated recurrent neural networks on sequence modeling. arXiv 2014, arXiv:1412.3555. [Google Scholar]
- Hihi, S.; Bengio, Y. Hierarchical recurrent neural networks for long-term dependencies. Adv. Neural Inf. Process. Syst. 1995, 8, 493–499. [Google Scholar]
- Schuster, M.; Paliwal, K.K. Bidirectional recurrent neural networks. IEEE Trans. Signal Process. 1997, 45, 2673–2681. [Google Scholar] [CrossRef]
- Graves, A.; Fernández, S.; Schmidhuber, J. Multi-dimensional recurrent neural networks. In Proceedings of the International Conference on Artificial Neural Networks, Porto, Portugal, 9–13 September 2007; Springer: Berlin/Heidelberg, Germany, 2007. [Google Scholar]
- Vaswani, A.; Shazeer, N.; Parmar, N.; Uszkoreit, J.; Jones, L.; Gomez, A.N.; Kaiser, Ł.; Polosukhin, I. Attention is all you need. Adv. Neural Inf. Process. Syst. 2017, 30, 6000–6010. [Google Scholar]
- Yin, W.; Schütze, H.; Xiang, B.; Zhou, B. Abcnn: Attention-based convolutional neural network for modeling sentence pairs. Trans. Assoc. Comput. Linguist. 2016, 4, 259–272. [Google Scholar] [CrossRef]
- Liu, B.; Lane, I. Attention-based recurrent neural network models for joint intent detection and slot filling. arXiv 2016, arXiv:1609.01454. [Google Scholar]
- Yang, M.; Tu, W.; Wang, J.; Xu, F.; Chen, X. Attention based LSTM for target dependent sentiment classification. In Proceedings of the AAAI Conference on Artificial Intelligence, San Francisco, CA, USA, 4–9 February 2017. [Google Scholar]
- Bellman, R. Dynamic programming. Science 1966, 153, 34–37. [Google Scholar] [CrossRef]
- Howard, R.A. Dynamic Programming and Markov Processes; MITP: Cambridge, MA, USA, 1960. [Google Scholar]
- Watkins, C.J.C.H. Learning from Delayed Rewards; King’s College: Cambridge, UK, 1989. [Google Scholar]
- Sutton, R.S.; Barto, A.G. Reinforcement Learning: An Introduction; MIT Press: Cambridge, MA, USA, 2018. [Google Scholar]
- Li, C. Applications of Reinforcement Learning in Three-phase Grid-connected Inverter. In Proceedings of the 2023 IEEE 13th International Conference on CYBER Technology in Automation, Control, and Intelligent Systems (CYBER), Qinhuangdao, China, 11–14 July 2023; pp. 580–585. [Google Scholar]
- Mnih, V.; Kavukcuoglu, K.; Silver, D.; Graves, A.; Antonoglou, I.; Wierstra, D.; Riedmiller, M. Playing atari with deep reinforcement learning. arXiv 2013, arXiv:1312.5602. [Google Scholar]
- Wang, X.; Wang, S.; Liang, X.; Zhao, D.; Huang, J.; Xu, X.; Dai, B.; Miao, Q. Deep Reinforcement Learning: A Survey. IEEE Trans. Neural Netw. Learn. Syst. 2022, 35, 5064–5078. [Google Scholar] [CrossRef] [PubMed]
- Van Hasselt, H.; Guez, A.; Silver, D. Deep reinforcement learning with double q-learning. In Proceedings of the AAAI Conference on Artificial Intelligence, Phoenix, AZ, USA, 12–17 February 2016. [Google Scholar]
- Wang, Z.; Schaul, T.; Hessel, M.; Hasselt, H.; Lanctot, M.; Freitas, N. Dueling network architectures for deep reinforcement learning. In Proceedings of the International Conference on Machine Learning, New York, NY, USA, 19–24 June 2016; PMLR: New York, NY, USA, 2016. [Google Scholar]
- Schaul, T.; Quan, J.; Antonoglou, I.; Silver, D. Prioritized experience replay. arXiv 2015, arXiv:1511.05952. [Google Scholar]
- Schulman, J.; Levine, S.; Abbeel, P.; Jordan, M.; Moritz, P. Trust region policy optimization. In Proceedings of the International Conference on Machine Learning, Lile, France, 6–11 July 2015; PMLR: New York, NY, USA, 2015. [Google Scholar]
- Schulman, J.; Wolski, F.; Dhariwal, P.; Radford, A.; Klimov, O. Proximal policy optimization algorithms. arXiv 2017, arXiv:1707.06347. [Google Scholar]
- Silver, D.; Lever, G.; Heess, N.; Degris, T.; Wierstra, D.; Riedmiller, M. Deterministic policy gradient algorithms. In Proceedings of the International Conference on Machine Learning, Beijing, China, 21–26 June 2014; PMLR: New York, NY, USA, 2014. [Google Scholar]
- Lillicrap, T.P.; Hunt, J.J.; Pritzel, A.; Heess, N.; Erez, T.; Tassa, Y.; Silver, D.; Wierstra, D. Continuous control with deep reinforcement learning. arXiv 2015, arXiv:1509.02971. [Google Scholar]
- Mnih, V.; Badia, A.P.; Mirza, M.; Graves, A.; Lillicrap, T.; Harley, T.; Silver, D.; Kavukcuoglu, K. Asynchronous methods for deep reinforcement learning. In Proceedings of the International Conference on Machine Learning, New York, NY, USA, 19–24 June 2016; PMLR: New York, NY, USA, 2016. [Google Scholar]
- Haarnoja, T.; Zhou, A.; Abbeel, P.; Levine, S. Soft actor-critic: Off-policy maximum entropy deep reinforcement learning with a stochastic actor. In Proceedings of the International Conference on Machine Learning, Stockholm, Sweden, 10–15 July 2018; PMLR: New York, NY, USA, 2018. [Google Scholar]
- Fujimoto, S.; Hoof, H.; Meger, D. Addressing function approximation error in actor-critic methods. In Proceedings of the International Conference on Machine Learning, Stockholm, Sweden, 10–15 July 2018; PMLR: New York, NY, USA, 2018. [Google Scholar]
- Alipoor, J.; Miura, Y.; Ise, T. Power System Stabilization Using Virtual Synchronous Generator With Alternating Moment of Inertia. IEEE J. Emerg. Sel. Top. Power Electron. 2015, 3, 451–458. [Google Scholar] [CrossRef]
- Li, D.; Zhu, Q.; Lin, S.; Bian, X.Y. A Self-Adaptive Inertia and Damping Combination Control of VSG to Support Frequency Stability. IEEE Trans. Energy Convers. 2017, 32, 397–398. [Google Scholar] [CrossRef]
- Wang, F.; Zhang, L.; Feng, X.; Guo, H. An Adaptive Control Strategy for Virtual Synchronous Generator. IEEE Trans. Ind. Appl. 2018, 54, 5124–5133. [Google Scholar] [CrossRef]
- Xu, Q.; Dragicevic, T.; Xie, L.; Blaabjerg, F. Artificial Intelligence-Based Control Design for Reliable Virtual Synchronous Generators. IEEE Trans. Power Electron. 2021, 36, 9453–9464. [Google Scholar] [CrossRef]
- Zeng, W.; Xiong, J.; Qi, Z. DCNN-based virtual synchronous generator control to improve frequency stability of PV-ESS station. In Proceedings of the 2022 12th International Conference on CYBER Technology in Automation, Control, and Intelligent Systems (CYBER), Baishan, China, 27–31 July 2022; pp. 861–865. [Google Scholar]
- Zhang, K.; Zhang, C.; Xu, Z.; Ye, S.; Liu, Q.; Lu, Z. A Virtual Synchronous Generator Control Strategy with Q-Learning to Damp Low Frequency Oscillation. In Proceedings of the 2020 Asia Energy and Electrical Engineering Symposium (AEEES), Chengdu, China, 28–30 March 2020. [Google Scholar]
- Wu, W.; Guo, F.; Ni, Q.; Liu, X.; Qiu, L.; Fang, Y. Deep Q-Network based Adaptive Robustness Parameters for Virtual Synchronous Generator. In Proceedings of the 2022 IEEE Transportation Electrification Conference and Expo, Asia-Pacific (ITEC Asia-Pacific), Hangzhou, China, 28–31 October 2022; pp. 1–4. [Google Scholar]
- Li, Y.; Gao, W.; Yan, W.; Huang, S.; Wang, R.; Gevorgian, V.; Gao, D. Data-driven Optimal Control Strategy for Virtual Synchronous Generator via Deep Reinforcement Learning Approach. J. Mod. Power Syst. Clean Energy 2021, 9, 919–929. [Google Scholar] [CrossRef]
- Qiu, J.; Yang, H.; Zhang, J.; Gao, J.; Jiang, T.; Gao, Q.; Chen, J.; Xu, G. Parameter tuning of new type energy virtual synchronous generator based on physics-informed reinforcement learning. In Proceedings of the 2023 8th International Conference on Power and Renewable Energy (ICPRE), Shanghai, China, 22–25 September 2023; IEEE: New York, NY, USA, 2023. [Google Scholar]
- Liu, P.; Bi, Y.; Liu, C. Data-based intelligent frequency control of VSG via adaptive virtual inertia emulation. IEEE Syst. J. 2021, 16, 3917–3926. [Google Scholar] [CrossRef]
- Skiparev, V.; Belikov, J.; Petlenkov, E. Reinforcement learning based approach for virtual inertia control in microgrids with renewable energy sources. In Proceedings of the 2020 IEEE PES Innovative Smart Grid Technologies Europe (ISGT-Europe), Amsterdam, The Netherlands, 25–28 October 2020; IEEE: New York, NY, USA, 2020. [Google Scholar]
- Xiong, K.; Hu, W.; Zhang, G.; Zhang, Z.; Chen, Z. Deep reinforcement learning based parameter self-tuning control strategy for VSG. Energy Rep. 2022, 8, 219–226. [Google Scholar] [CrossRef]
- Oboreh-Snapps, O.; She, B.; Fahad, S.; Chen, H.; Kimball, J.; Li, F.; Cui, H.; Bo, R. Virtual Synchronous Generator Control Using Twin Delayed Deep Deterministic Policy Gradient Method. IEEE Trans. Energy Convers. 2023, 39, 214–228. [Google Scholar] [CrossRef]
- Yang, M.; Wu, X.; Loveth, M.C. A Deep Reinforcement Learning Design for Virtual Synchronous Generators Accommodating Modular Multilevel Converters. Appl. Sci. 2023, 13, 5879. [Google Scholar] [CrossRef]
- Benhmidouch, Z.; Moufid, S.; Ait-Omar, A.; Abbou, A.; Laabassi, H.; Kang, M.; Chatri, C.; Ali, I.H.O.; Bouzekri, H.; Baek, J. A novel reinforcement learning policy optimization based adaptive VSG control technique for improved frequency stabilization in AC microgrids. Electr. Power Syst. Res. 2024, 230, 110269. [Google Scholar] [CrossRef]
- Liu, C.; Chu, Z.; Duan, Z.; Zhang, Y. VSG-Based Adaptive Optimal Frequency Regulation for AC Microgrids With Nonlinear Dynamics. IEEE Trans. Autom. Sci. Eng. 2024, 1–12. [Google Scholar] [CrossRef]
- Afifi, M.A.; Marei, M.I.; Mohamad, A.M. Reinforcement Learning Approach with Deep Deterministic Policy Gradient DDPG-Controlled Virtual Synchronous Generator for an Islanded Microgrid. In Proceedings of the 2023 24th International Middle East Power System Conference (MEPCON), Mansoura, Egypt, 19–21 December 2023; IEEE: New York, NY, USA, 2023. [Google Scholar]
- Shuai, H.; She, B.; Wang, J.; Li, F. Safe Reinforcement Learning for Grid-Forming Inverter Based Frequency Regulation with Stability Guarantee. J. Mod. Power Syst. Clean Energy 2024, 1–8. [Google Scholar] [CrossRef]
- Wang, Z.; Yu, Y.; Gao, W.; Davari, M.; Deng, C. Adaptive, optimal, virtual synchronous generator control of three-phase grid-connected inverters under different grid conditions—An adaptive dynamic programming approach. IEEE Trans. Ind. Inform. 2021, 18, 7388–7399. [Google Scholar] [CrossRef]
- Saadatmand, S.; Alharkan, H.; Shamsi, P.; Ferdowsi, M. Model Dependent Heuristic Dynamic Programming Approach in Virtual Inertia-Based Grid-Connected Inverters. In Proceedings of the 2020 52nd North American Power Symposium (NAPS), Tempe, AZ, USA, 11–14 April 2021; IEEE: New York, NY, USA. [Google Scholar]
- Saadatmand, S.; Shamsi, P.; Ferdowsi, M. Adaptive critic design-based reinforcement learning approach in controlling virtual inertia-based grid-connected inverters. Int. J. Electr. Power Energy Syst. 2021, 127, 106657. [Google Scholar] [CrossRef]
- Issa, H.; Debusschere, V.; Garbuio, L.; Lalanda, P.; Hadjsaid, N. Artificial Intelligence-Based Controller for Grid-Forming Inverter-Based Generators. In Proceedings of the 2022 IEEE PES Innovative Smart Grid Technologies Conference Europe (ISGT-Europe), Novi Sad, Serbia, 10–12 October 2022; pp. 1–6. [Google Scholar]
- Wen, Z.; Long, B.; Lin, K.; Wang, S. Equivalent Modeling Based on Long Short-term Memory Neural Network for Virtual Synchronous Generator. In Proceedings of the 2021 33rd Chinese Control and Decision Conference (CCDC), Kunming, China, 22–24 May 2021; pp. 5881–5886. [Google Scholar]
- Ghodsi, M.R.; Tavakoli, A.; Samanfar, A.; Sun, Q. Microgrid Stability Improvement Using a Deep Neural Network Controller Based VSG. Int. Trans. Electr. Energy Syst. 2022, 2022, 7539173. [Google Scholar] [CrossRef]
- Wang, Z.; Wang, Y.; Davari, M.; Blaabjerg, F. An Effective PQ-Decoupling Control Scheme Using Adaptive Dynamic Programming Approach to Reducing Oscillations of Virtual Synchronous Generators for Grid Connection With Different Impedance Types. IEEE Trans. Ind. Electron. 2023, 71, 3763–3775. [Google Scholar] [CrossRef]
- Groß, D.; Bolognani, S.; Poolla, B.K.; Dörfler, F. Increasing the resilience of low-inertia power systems by virtual inertia and damping. In Proceedings of the IREP’2017 Symposium, Espinho, Portugal, 27 August 27–1 September 2017; International Institute of Research and Education in Power System Dynamics: Bergen, Norway, 2017. [Google Scholar]
- Poolla, B.K.; Bolognani, S.; Dorfler, F. Optimal Placement of Virtual Inertia in Power Grids. IEEE Trans. Autom. Control 2017, 62, 6209–6220. [Google Scholar] [CrossRef]
- Pournazarian, B.; Sangrody, R.; Lehtonen, M.; Gharehpetian, G.B.; Pouresmaeil, E. Simultaneous Optimization of Virtual Synchronous Generators Parameters and Virtual Impedances in Islanded Microgrids. IEEE Trans. Smart Grid 2022, 13, 4202–4217. [Google Scholar] [CrossRef]
- Sun, P.; Yao, J.; Zhao, Y.; Fang, X.; Cao, J. Stability Assessment and Damping Optimization Control of Multiple Grid-connected Virtual Synchronous Generators. IEEE Trans. Energy Convers. 2021, 36, 3555–3567. [Google Scholar] [CrossRef]
- Shi, M.; Chen, X.; Zhou, J.; Chen, Y.; Wen, J. Frequency Restoration and Oscillation Damping of Distributed VSGs in Microgrid With Low Bandwidth Communication. IEEE Trans. Smart Grid 2020, 12, 1011–1021. [Google Scholar] [CrossRef]
- Xu, Y.; Zhang, W.; Chow, M.Y.; Sun, H.; Gooi, H.B.; Peng, J. A Distributed Model-Free Controller for Enhancing Power System Transient Frequency Stability. IEEE Trans. Ind. Inform. 2019, 15, 1361–1371. [Google Scholar] [CrossRef]
- Chen, M.; Zhou, D.; Blaabjerg, F. Active Power Oscillation Damping Based on Acceleration Control in Paralleled Virtual Synchronous Generators System. IEEE Trans. Power Electron. 2021, 36, 9501–9510. [Google Scholar] [CrossRef]
- Fu, S.; Sun, Y.; Liu, Z.; Hou, X.; Han, H.; Su, M. Power oscillation suppression in multi-VSG grid with adaptive virtual inertia. Int. J. Electr. Power Energy Syst. 2022, 135, 107472. [Google Scholar] [CrossRef]
- Liu, J.; Miura, Y.; Bevrani, H.; Ise, T. Enhanced Virtual Synchronous Generator Control for Parallel Inverters in Microgrids. IEEE Trans. Smart Grid 2017, 8, 2268–2277. [Google Scholar] [CrossRef]
- Yang, Q.; Yan, L.; Chen, X.; Chen, Y.; Wen, J. A Distributed Dynamic Inertia-Droop Control Strategy Based on Multi-Agent Deep Reinforcement Learning for Multiple Paralleled VSGs. IEEE Trans. Power Syst. 2023, 38, 5598–5612. [Google Scholar] [CrossRef]
- Wang, H.; Zhang, G.; Hu, W.; Cao, D.; Li, J.; Xu, S.; Xu, D.; Chen, Z. Artificial intelligence based approach to improve the frequency control in hybrid power system. Energy Rep. 2020, 6, 174–181. [Google Scholar] [CrossRef]
- Gupta, P.; Pal, A.; Vittal, V. Coordinated Wide-Area Damping Control Using Deep Neural Networks and Reinforcement Learning. IEEE Trans. Power Syst. 2022, 37, 365–376. [Google Scholar] [CrossRef]
- Skiparev, V.; Nosrati, K.; Petlenkov, E.; Belikov, J. Reinforcement Learning Based Virtual Inertia Control of Multi-Area Microgrids. Available online: https://ssrn.com/abstract=4449057 (accessed on 15 May 2023).
- Oboreh-Snapps, O.; Strathman, S.A.; Saelens, J.; Fernandes, A.; Kimball, J.W. Addressing Reactive Power Sharing in Parallel Inverter Islanded Microgrid Through Deep Reinforcement Learning. In Proceedings of the 2024 IEEE Applied Power Electronics Conference and Exposition (APEC), Long Beach, CA, USA, 25–29 February 2024; IEEE: New York, NY, USA, 2024. [Google Scholar]
- Jiang, J.; Lu, Y.; Pan, T.; Yang, W.; Wang, Y.; Dou, Z. Research on Frequency Optimization Strategy of Multi Virtual Synchronous Generator Microgrid Based on Q-Reinforcement Learning. Int. J. Focus. Innov. Commun. Intell. Control 2023, 19, 1179. [Google Scholar]
- Sun, K.; Likhate, S.; Vittal, V.; Kolluri, V.S.; Mandal, S. An Online Dynamic Security Assessment Scheme Using Phasor Measurements and Decision Trees. IEEE Trans. Power Syst. 2007, 22, 1935–1943. [Google Scholar] [CrossRef]
- Gupta, A.; Gurrala, G.; Sastry, P.S. An Online Power System Stability Monitoring System Using Convolutional Neural Networks. IEEE Trans. Power Syst. 2019, 34, 864–872. [Google Scholar] [CrossRef]
- Zhao, H.; Shuai, Z.; Shen, Y.; Chen, H.; Zhao, F.; Shen, X. Online Transient Stability Assessment Method for Microgrid with Multiple Virtual Synchronous Generators Based on Deep Learning. Autom. Electr. Power Syst. 2022, 46, 109–117. [Google Scholar]
- Zhen, J.; Huang, S.; Jia, X.; Du, H. Transient Stability Evaluation of Independent Microgrid based on Message Passing Graph Neural Network. In Proceedings of the 2023 6th International Conference on Electronics Technology (ICET), Chengdu, China, 12–15 May 2023; pp. 861–866. [Google Scholar]
- Shen, Y.; Shuai, Z.; Shen, C.; Shen, X.; Ge, J. Transient Angle Stability Prediction of Virtual Synchronous Generator Using LSTM Neural Network. In Proceedings of the 2021 IEEE Energy Conversion Congress and Exposition (ECCE), Vancouver, BC, Canada, 10–14 October 2021; pp. 3383–3387. [Google Scholar]
- Zhang, R.; Shuai, Z.; Shen, Y. Data-Mechanism Joint Driven Short-term Voltage Stability Assessment for Islanded Microgrid. In Proceedings of the 2023 26th International Conference on Electrical Machines and Systems (ICEMS), Zhuhai, China, 5–8 November 2023; pp. 4147–4152. [Google Scholar]
- Gan, D.Q.; Xin, H.H.; Wang, J.; Du, Z.; Li, Y. Progress in Transient Stability Preventive Control and Optimization. Autom. Electr. Power Syst. 2004, 28, 1–7. [Google Scholar]
- Su, T.; Liu, Y.; Shen, X.; Liu, T.; Qiu, G.; Liu, J. Deep Learning-driven Evolutionary Algorithm for Preventive Control of Power System Transient Stability. Proc. CSEE 2020, 40, 3813–3824. [Google Scholar]
- Yang, Y.; Liu, Y.B.; Liu, J.Y.; Huang, Z.; Liu, T.J.; Qiu, G. Preventive Transient Stability Control Based on Neural Network Security Predictor. Power Syst. Technol. 2018, 42, 4076–4084. [Google Scholar]
- Lin, Y.; Ni, S.; Zhen, J.; Gao, Z. Preventive Control Method for Transient Stability of Independent Microgrid Based on Deep Learning. In Proceedings of the 2022 5th International Conference on Energy, Electrical and Power Engineering (CEEPE), Chongqing, China, 22–24 April 2022; pp. 705–711. [Google Scholar]
- Liu, Z.; Zhang, Z. Reinforcement learning-based parameter tuning for virtual synchronous machine on grid transient stability enhancement. In Proceedings of the IECON 2020 the 46th Annual Conference of the IEEE Industrial Electronics Society, Singapore, 18–21 October 2020; IEEE: New York, NY, USA, 2020. [Google Scholar]
- Huang, X.; Gwak, J.-Y.; Yu, L.; Zhang, Z.; Cui, H. Transient Stability Preventive Control via Tuning the Parameters of Virtual Synchronous Generators. In Proceedings of the 2023 IEEE Power & Energy Society General Meeting (PESGM), Orlando, FL, USA, 16–20 July 2023; IEEE: New York, NY, USA, 2023. [Google Scholar]
- Han, H.; Luo, S.; Chen, S.; Yuan, L.; Shi, G.; Yang, Y.; Fei, L. A transient stability enhancement framework based on rapid fault-type identification for virtual synchronous generators. Int. J. Electr. Power Energy Syst. 2024, 155, 109545. [Google Scholar] [CrossRef]
- Lin, Y.; Ni, S.; Wang, L. Optimal Scheduling of Virtual Synchronous Independent Microgrid Considering Frequency Stability Constraints. In Proceedings of the 2022 5th International Conference on Energy, Electrical and Power Engineering (CEEPE), Chongqing, China, 22–24 April 2022; pp. 788–794. [Google Scholar]









| References | Learning Algorithm | Objective | Method | ||||
|---|---|---|---|---|---|---|---|
| DL | RL | Power | Frequency | Voltage | Adjust Parameters | Replace VSG Module | |
| [53] | √ | √ | |||||
| [54] | √ | √ | √ | √ | |||
| [55] | √ | √ | √ | √ | |||
| [56] | √ | √ | √ | √ | |||
| [57] | √ | √ | √ | √ | |||
| [58] | √ | √ | √ | √ | |||
| [59] | √ | √ | √ | √ | |||
| [60] | √ | √ | √ | √ | |||
| [61] | √ | √ | √ | ||||
| [62] | √ | √ | √ | √ | |||
| [63] | √ | √ | √ | √ | √ | ||
| [65] | √ | √ | √ | √ | |||
| [66] | √ | √ | √ | √ | |||
| [67] | √ | √ | |||||
| [69] | √ | √ | √ | √ | |||
| [71] | √ | √ | √ | √ | |||
| [72] | √ | √ | √ | √ | |||
| [73] | √ | √ | √ | √ | |||
| [74] | √ | √ | √ | ||||
| References | Learning Algorithm | Objective | Method | ||||
|---|---|---|---|---|---|---|---|
| DL | RL | Oscillation Suppression | Stability Prediction and Improvement | Power Scheduling | Adjust Parameters of each VSG | Predict with Real-Time Data | |
| [84] | √ | √ | √ | ||||
| [85] | √ | √ | √ | ||||
| [86] | √ | √ | √ | ||||
| [86] | √ | √ | √ | ||||
| [87] | √ | √ | √ | ||||
| [88] | √ | √ | √ | ||||
| [89] | √ | √ | √ | ||||
| [90] | √ | √ | √ | ||||
| [91] | √ | √ | √ | ||||
| [92] | √ | √ | √ | ||||
| [93] | √ | √ | √ | ||||
| [94] | √ | √ | √ | ||||
| [95] | √ | √ | √ | ||||
| [99] | √ | √ | √ | ||||
| [100] | √ | √ | √ | ||||
| [101] | √ | √ | √ | ||||
| [103] | √ | √ | √ | ||||
| [102] | √ | √ | √ | ||||
Disclaimer/Publisher’s Note: The statements, opinions and data contained in all publications are solely those of the individual author(s) and contributor(s) and not of MDPI and/or the editor(s). MDPI and/or the editor(s) disclaim responsibility for any injury to people or property resulting from any ideas, methods, instructions or products referred to in the content. |
© 2024 by the authors. Licensee MDPI, Basel, Switzerland. This article is an open access article distributed under the terms and conditions of the Creative Commons Attribution (CC BY) license (https://creativecommons.org/licenses/by/4.0/).
Share and Cite
Ding, X.; Cao, J. Deep and Reinforcement Learning in Virtual Synchronous Generator: A Comprehensive Review. Energies 2024, 17, 2620. https://doi.org/10.3390/en17112620
Ding X, Cao J. Deep and Reinforcement Learning in Virtual Synchronous Generator: A Comprehensive Review. Energies. 2024; 17(11):2620. https://doi.org/10.3390/en17112620
Chicago/Turabian StyleDing, Xiaoke, and Junwei Cao. 2024. "Deep and Reinforcement Learning in Virtual Synchronous Generator: A Comprehensive Review" Energies 17, no. 11: 2620. https://doi.org/10.3390/en17112620
APA StyleDing, X., & Cao, J. (2024). Deep and Reinforcement Learning in Virtual Synchronous Generator: A Comprehensive Review. Energies, 17(11), 2620. https://doi.org/10.3390/en17112620

