Reviewing Control Paradigms and Emerging Trends of Grid-Forming Inverters—A Comparative Study
Abstract
1. Introduction
| Control | Description | Limitations | Advantages |
|---|---|---|---|
| Virtual synchronous generator (VSG) [1,25,26,27] | Emulates the dynamics of synchronous generators by regulating the output voltage and frequency. It provides an inertial response during disturbances and stabilizes the grid. |
|
|
| Frequency and voltage droop control (FVDC) [25,28,29] | The decentralized control method adjusts output power and voltage in response to grid frequency and voltage deviations, mimicking the behavior of synchronous generators. |
|
|
| Model predictive control (MPC) [30,31] | The system uses mathematical models to predict system behavior and optimize control actions, offering adaptive and efficient operation under varying grid conditions. |
|
|
| Adaptive control algorithms (ACAs) [32,33] | The system adapts control parameters based on sensor feedback, ensuring stability and reliability in dynamic grid environments and offering flexibility and robustness. |
|
|
| Hierarchical Control Structures (HCSs) | Integrates multiple controls within a hierarchical framework, coordinating the operation of GFM and other grid assets, offering scalability and flexibility. |
|
|
2. Control Strategies for Grid-Forming Inverters
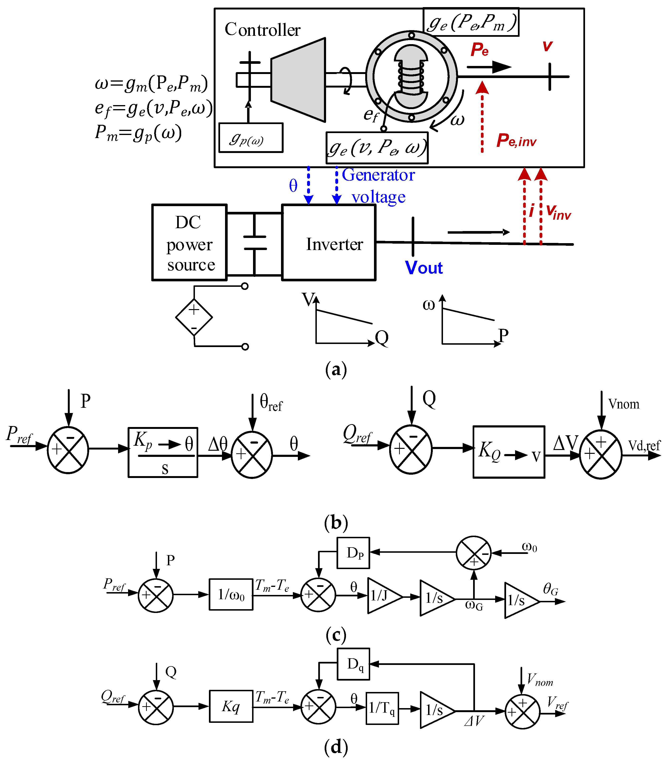
2.1. Virtual Synchronous Generator
- A frequency disturbance in the system causes the grid voltage phase angle, θ, to change.
- A grid voltage phase angle change causes active power from inverter Pe to change according to (4).
- A change in Pe causes the inverter frequency ω and phase angle δ to change according to (5) and (6).
- A change in inverter phase δ causes active power Pe to change again as per (4).
- Go back to step iii until a new steady state is reached.
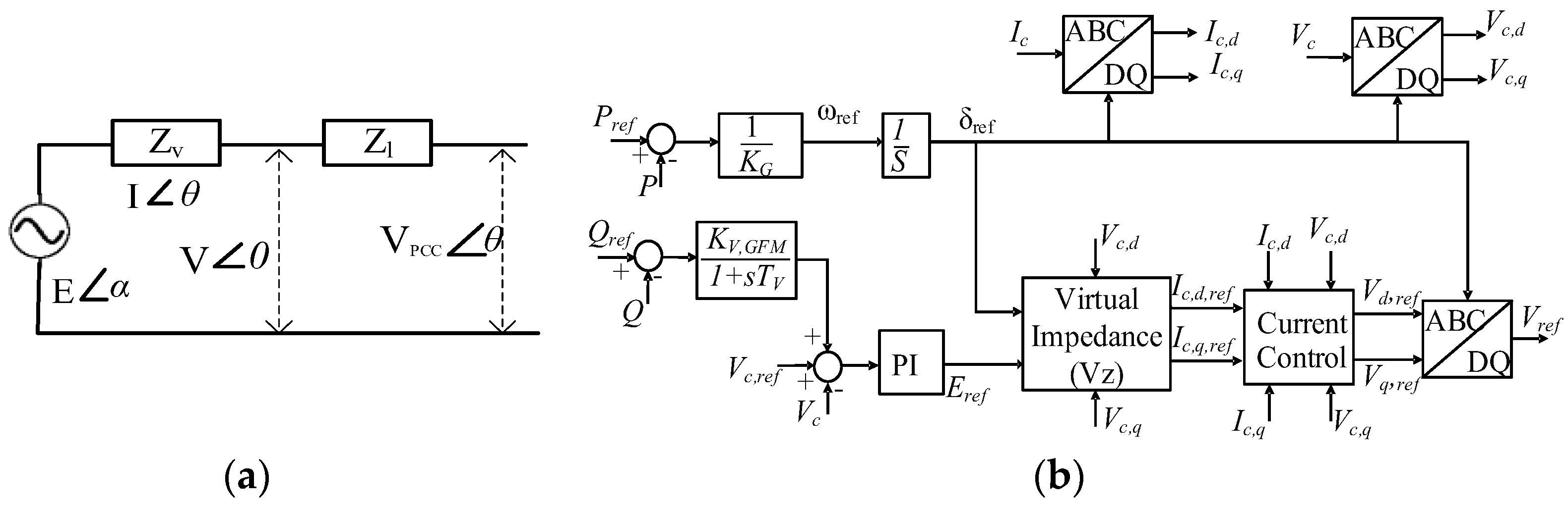
2.2. Droop Control
- Sense the inverter’s output current and voltage.
- Calculate P and Q values; m corresponds to kP, and n corresponds to kQ
- E* and ω* are rated values; find the voltage and frequency error signal here.
- Generate E sin(ωt), which generates PWM signals for the current and voltage loops.
- Slow response and a trade-off between voltage regulation and load power-sharing.
- If harmonics are present in the load, the performance will be degraded.
- If there is a line impedance mismatch, one will be overloaded, and the other will be underloaded, meaning that power sharing will not be equal.
- Conventional droop control does not work with renewable energy, as it constantly changes.
- Influence of Virtual impedance on the output voltage:
- Influence of virtual impedance on the stability [41]:
2.3. Virtual Oscillator-Based Control
2.4. Model Predictive Control
2.5. Reinforcement Learning Based Control
- Dq and Dp represent damping coefficients related to the system’s response in the generalized coordinates.
- J represents the moment of inertia of a rotating system.
- Mf represents friction or another factor influencing the motor’s behavior.
- Actor–Critic Algorithm
3. Performance Analysis of Grid-Forming Inverter
3.1. The Survival of Autonomous Microgrids during Overload Events
3.2. Fault Ride-Through Capability
3.3. Dynamic Behavior and Small Signal Stability
3.4. Islanding Operational Capability
4. Future Research
- When transitioning the grid to isolated mode, the grid-forming mode should emulate the behavior of a synchronous generator. This necessitates the precise control of the rate of change in frequency. In the isolated mode of GFM, it assumes sole responsibility for upholding network frequency, either individually or collectively, with all other inverters behaving parallel to GFM inverters. Consequently, it imposes regulations on the rate of change in frequency. Formerly, frequency variation rate control relied on grid steam valve positioning, but now, this responsibility is placed solely on the inverter. It is imperative to explore controlled strategies and refine them deeper to effectively constrain the rate of change in frequency.
- When enhancing resilience through an inverter, the GFM can be effectively employed in conjunction with various energy sources such as batteries, solar PV systems, wind turbines, etc. When grid voltage disturbances necessitate power injection from the inverter, the question arises: where does the inverter source this additional power? Typically, solar PV systems, wind turbines, etc., operate at their maximum power point, leaving no surplus energy available. Thus, additional power must be sourced from battery storage to augment the inverter’s GFM capability. One proposed solution involves operating the inverter at a fixed point relative to the MPP. However, this approach results in underutilizing the GFM capability, consequently diminishing overall efficiency. This underscores the necessity of conducting comprehensive studies to enhance techniques and topologies to optimize the GFM capability, while maintaining high resiliency and efficiency. Such investigations are essential to identify strategies that leverage the full potential of GFM, while minimizing energy wastage, thereby ensuring optimal system performance under varying grid conditions.
- “What methodologies can be employed to integrate Grid Forming Mode capabilities within Vehicle-to-Grid conditions? Given the future widespread adoption of electric vehicles, how can we effectively control their collective connectivity to support GFM operations within the grid?”
- Future research can focus on empirically investigating the interplay between grid-following and grid-forming inverters within a mixed environment. This includes analyzing the impact of varying ratios of grid-following to grid-forming inverters on grid stability, frequency control, and overall system performance. Additionally, research efforts should explore novel control strategies and coordination mechanisms to optimize the operation of grid-forming inverters in such heterogeneous environments, ultimately enhancing grid resilience and reliability.
- Explore sophisticated stability analysis methodologies, such as small-signal stability analysis and transient stability simulations, to mark out stability boundaries and operational limits in power system networks. Furthermore, future research activities should aim to control the findings from stability analysis to inform decision-making processes regarding the deployment and integration of GFM inverters. By identifying critical stability constraints and evaluating the impact of different deployment scenarios, researchers can develop strategies to optimize the utilization of GFM inverters, while ensuring grid stability and reliability.
- How can advanced simulation models be developed to accurately capture the dynamic behavior of loads and transmission lines, thereby providing a realistic representation of grid-forming inverter performance in dynamic operating conditions? Specifically, how can these models effectively account for the time-varying characteristics of loads and the dynamic response of transmission lines to disturbances?
- Investigations are needed to clarify how variations in filter parameters, such as inductive and capacitive reactance, impact the stability of GFM inverter-based systems, particularly in scenarios involving multiple interconnected inverters. Additionally, the impact of coupling reactance on the stability of inverter-based systems deserves thorough analysis. Furthermore, researchers should explore how the relationships between filter parameters and stability margins can be examined to identify optimal design configurations that enhance stability and mitigate potential instability issues.
- Future research should prioritize conducting transient stability studies to carefully evaluate the dynamic behavior of GFM-based systems under various operating conditions. This involves accurately modeling the transient response of grid-forming inverters and analyzing their interactions with synchronous generators, loads, and transmission lines during dynamic scenarios. To achieve this, it is essential to incorporate detailed representations of inverter control algorithms, system dynamics, and grid infrastructure into simulation frameworks to ensure realistic results.
5. Conclusions
Funding
Conflicts of Interest
References
- Lin, Y.; Eto, J.H.; Johnson, B.B.; Flicker, J.D.; Lasseter, R.H.; Pico, H.N.V.; Seo, G.-S.; Pierre, B.J.; Ellis, A. Research Roadmap on Grid-Forming Inverters; NREL/TP-5D00-73476; National Renewable Energy Laboratory: Golden, CO, USA, 2020. Available online: https://www.nrel.gov/docs/fy21osti/73476.pdf (accessed on 27 February 2024).
- IRENA. Grid Codes for Renewable Powered Systems; International Renewable Energy Agency: Masdar City, Abu Dhabi, 2022; ISBN 978-92-9260-427-1. [Google Scholar]
- Key, T.S. Evaluation of Grid-Connected Inverter Power Systems: The Utility Interface. IEEE Trans. Ind. Appl. 1984, IA-20, 735–741. [Google Scholar] [CrossRef]
- Bayegan, M. A Vision of the Future Grid. IEEE Power Eng. Rev. 2001, 21, 10–12. [Google Scholar] [CrossRef]
- Ninad, N.A.; Lopes, L.A.C. Per-phase vector (dq) controlled three-phase grid-forming inverter for stand-alone systems. In Proceedings of the IEEE International Symposium on Industrial Electronics, Gdansk, Poland, 27–30 June 2011; pp. 1626–1631. [Google Scholar] [CrossRef]
- IEEE Vision for Smart Grid Communications: 2030 and Beyond; IEEE: Piscataway, NJ, USA, 2013; pp. 1–390. [CrossRef]
- Ma, Z.; Pesaran, A.; Gevorgian, V.; Gwinner, D.; Kramer, W. Energy Storage, Renewable Power Generation, and the Grid: NREL Capabilities Help to Develop and Test Energy-Storage Technologies. IEEE Electrif. Mag. 2015, 3, 30–40. [Google Scholar] [CrossRef]
- Adefarati, T.; Bansal, R.C. Integration of renewable distributed generators into the distribution system: A review. IET Renew. Power Gener. 2016, 10, 873–884. [Google Scholar] [CrossRef]
- Arghir, C.; Jouini, T.; Dörfler, F. Grid-forming control for power converters based on matching of synchronous machines. Automatica 2018, 95, 273–282. [Google Scholar] [CrossRef]
- Matevosyan, J.; Badrzadeh, B.; Prevost, T.; Quitmann, E.; Ramasubramanian, D.; Urdal, H.; Achilles, S.; MacDowell, J.; Huang, S.H.; Vital, V.; et al. Grid-Forming Inverters: Are They the Key for High Renewable Penetration? IEEE Power Energy Mag. 2019, 17, 89–98. [Google Scholar] [CrossRef]
- Hart, P.J.; Lasseter, R.H.; Jahns, T.M. Coherency Identification and Aggregation in Grid-Forming Droop-Controlled Inverter Networks. IEEE Trans. Ind. Appl. 2019, 55, 2219–2231. [Google Scholar] [CrossRef]
- Lasseter, R.H.; Chen, Z.; Pattabiraman, D. Grid-Forming Inverters: A Critical Asset for the Power Grid. IEEE J. Emerg. Sel. Top. Power Electron. 2020, 8, 925–935. [Google Scholar] [CrossRef]
- Rathnayake, D.B.; Akrami, M.; Phurailatpam, C.; Me, S.P.; Hadavi, S.; Jayasinghe, G.; Zabihi, S.; Bahrani, B. Grid Forming Inverter Modeling, Control, and Applications. IEEE Access 2021, 9, 114781–114807. [Google Scholar] [CrossRef]
- Casey, L.; Enslin, J.H.; Joós, G.; Siira, M.; Borowy, B.; Sun, C. Advanced Inverter Interactions with Electric Grids. IEEE Power Electron. Mag. 2023, 10, 20–27. [Google Scholar] [CrossRef]
- Badrzadeh, B.; Cardozo, C.; Hishida, M.; Shah, S.; Huq, I.; Modi, N.; Morton, A. Grid-Forming Inverters: Project Demonstrations and Pilots. IEEE Power Energy Mag. 2024, 22, 66–77. [Google Scholar] [CrossRef]
- Lin, Y.; Eto, J.H.; Johnson, B.B.; Flicker, J.D.; Lasseter, R.H.; Pico, H.N.; Seo, G.S.; Pierre, B.J.; Ellis, A.; Miller, J.; et al. Pathways to the Next-Generation Power System with Inverter-Based Resources: Challenges and recommendations. IEEE Electrif. Mag. 2022, 10, 10–21. [Google Scholar] [CrossRef]
- Ustun, T.S.; Ozansoy, C.; Zayegh, A. Simulation of communication infrastructure of a centralized microgrid protection system based on IEC 61850-7-420. In Proceedings of the IEEE Third International Conference on Smart Grid Communications (SmartGridComm), Tainan, Taiwan, 5–8 November 2012; pp. 492–497. [Google Scholar] [CrossRef]
- Hussain, S.S.; Aftab, M.A.; Ali, I.; Ustun, T.S. IEC 61850 based energy management system using plug-in electric vehicles and distributed generators during emergencies. Electr. Power Energy Syst. 2020, 119, 105873. [Google Scholar] [CrossRef]
- Hussain, S.M.S.; Farooq, S.M. A Method for Achieving Confidentiality and Integrity in IEC 61850 GOOSE Messages. IEEE Trans. Power Deliv. 2020, 35, 2565–2567. [Google Scholar] [CrossRef]
- Farooq, S.M.; Hussain, S.S.; Kiran, S.; Ustun, T.S. Certificate Based Authentication Mechanism for PMU Communication Networks Based on IEC 61850-90-5. Electronics 2018, 7, 370. [Google Scholar] [CrossRef]
- Kikusato, H.; Dai, O.; Jun, H.; Takahiro, T.; Takashi, O.; Takahiro, M.; Satoshi, M.; Hiromu, H.; Teru, M. Performance evaluation of grid-following and grid-forming inverters on frequency stability in low-inertia power systems by power hardware-in-the-loop testing. Energy Rep. 2023, 9, 381–392. [Google Scholar] [CrossRef]
- Mueller, J.A.; Rasheduzzaman, M.; Kimball, J.W. A Model Modification Process for Grid-Connected Inverters Used in Islanded Microgrids. IEEE Trans. Energy Convers. 2016, 31, 240–250. [Google Scholar] [CrossRef]
- Shi, Z.; Li, J.; Nurdin, H.I.; Fletcher, J.E. Comparison of Virtual Oscillator and Droop Controlled Islanded Three-Phase Microgrids. IEEE Trans. Energy Convers. 2019, 34, 1769–1780. [Google Scholar] [CrossRef]
- Ganjian-Aboukheili, M.; Shahabi, M.; Shafiee, Q.; Guerrero, J.M. Seamless Transition of Microgrids Operation From Grid-Connected to Islanded Mode. IEEE Trans. Smart Grid 2020, 11, 2106–2114. [Google Scholar] [CrossRef]
- Liu, J.; Miura, Y.; Ise, T. Comparison of Dynamic Characteristics Between Virtual Synchronous Generator and Droop Control in Inverter-Based Distributed Generators. IEEE Trans. Power Electron. 2016, 31, 3600–3611. [Google Scholar] [CrossRef]
- Rathnayake, D.B.; Razzaghi, R.; Bahrani, B. Generalized Virtual Synchronous Generator Control Design for Renewable Power Systems. IEEE Trans. Sustain. Energy 2022, 13, 1021–1036. [Google Scholar] [CrossRef]
- Khalid, M.C. A comprehensive review of virtual synchronous generator. Int. J. Electr. Power Energy Syst. 2020, 120, 106006. [Google Scholar] [CrossRef]
- Liu, J.; Miura, Y.; Bevrani, H.; Ise, T. A Unified Modeling Method of Virtual Synchronous Generator for Multi-Operation-Mode Analyses. IEEE J. Emerg. Sel. Top. Power Electron. 2021, 9, 2394–2409. [Google Scholar] [CrossRef]
- Yao, F.; Zhao, J.; Li, X.; Mao, L.; Qu, K. RBF Neural Network Based Virtual Synchronous Generator Control with Improved Frequency Stability. IEEE Trans. Ind. Inform. 2021, 17, 4014–4024. [Google Scholar] [CrossRef]
- Arjomandi-Nezhad, A.; Guo, Y.; Pal, B.C.; Varagnolo, D. A Model Predictive Approach for Enhancing Transient Stability of Grid-Forming Converters. IEEE Trans. Power Syst. 2024. [Google Scholar] [CrossRef]
- Young, H.A.; Marin, V.A.; Pesce, C.; Rodriguez, J. Simple Finite-Control-Set Model Predictive Control of Grid-Forming Inverters with LCL Filters. IEEE Access 2020, 8, 81246–81256. [Google Scholar] [CrossRef]
- Eskandari, M.; Savkin, A.V.; Fletcher, J. A Deep Reinforcement Learning-Based Intelligent Grid-Forming Inverter for Inertia Synthesis by Impedance Emulation. IEEE Trans. Power Syst. 2023, 38, 2978–2981. [Google Scholar] [CrossRef]
- Quedan, A.; Wang, W.; Ramasubramanian, D.; Farantatos, E.; Asgarpoor, S. An Adaptive Virtual Oscillator Control Structure for Grid-Forming Inverters. IEEE Syst. J. 2023, 17, 3447–3455. [Google Scholar] [CrossRef]
- Shen, C.; Shuai, Z.; Shen, Y.; Peng, Y.; Liu, X.; Li, Z.; Shen, Z.J. Transient Stability and Current Injection Design of Paralleled Current-Controlled VSCs and Virtual Synchronous Generators. IEEE Trans. Smart Grid 2021, 12, 1118–1134. [Google Scholar] [CrossRef]
- Li, J.; Ali, M.; Fletcher, J.E.; Nurdin, H.I. Modeling and Analysis of Multiple Inverters with Dual-Loop-Based Virtual Oscillator Control. IEEE J. Emerg. Sel. Top. Power Electron. 2022, 10, 3963–3974. [Google Scholar] [CrossRef]
- Usman, B.T.; Azrik Bin Roslan, M.; Hwai, L.J.; Kashif, M. A review of droop control techniques for microgrid. Renew. Sustain. Energy Rev. 2017, 76, 717–727. [Google Scholar] [CrossRef]
- Henderson, C.; Egea-Alvarez, A.; Kneuppel, T.; Yang, G.; Xu, L. Grid Strength Impedance Metric: An Alternative to SCR for Evaluating System Strength in Converter Dominated Systems. IEEE Trans. Power Deliv. 2023, 39, 386–396. [Google Scholar] [CrossRef]
- Brabandere, K.D.; Bolsens, B.; Keybus, J.V.; Woyte, A.; Driesen, J.; Belmans, R.J. A Voltage and Frequency Droop Control Method for Parallel Inverters. IEEE Trans. Power Electron. 2007, 22, 1107–1115. [Google Scholar] [CrossRef]
- Wang, X.; Li, Y.W.; Blaabjerg, F.; Loh, P.C. Virtual-Impedance-Based Control for Voltage-Source and Current-Source Converters. IEEE Trans. Power Electron. 2015, 30, 7019–7037. [Google Scholar] [CrossRef]
- Meng, X.; Liu, J.; Liu, Z. A Generalized Droop Control for Grid-Supporting Inverter Based on Comparison Between Traditional Droop Control and Virtual Synchronous Generator Control. IEEE Trans. Power Electron. 2019, 34, 5416–5438. [Google Scholar] [CrossRef]
- Wang, J.; Ma, W.; Miao, H. Analysis of the influence of virtual impedance on the stability of Parallel Voltage Inverters with Different Voltage Levels. J. Phys. Conf. Ser. 2021, 1732, 012179. [Google Scholar] [CrossRef]
- Kim, J.; Guerrero, J.M.; Rodriguez, P.; Teodorescu, R.; Nam, K. Mode Adaptive Droop Control with Virtual Output Impedances for an Inverter-Based Flexible AC Microgrid. IEEE Trans. Power Electron. 2011, 26, 689–701. [Google Scholar] [CrossRef]
- Jun, H.; Ustun, T.S.; Dai, O.; Hiroshi, K.; Otani, K.; Kazuo, S.; Takehiro, M.; Hiroyuki, N.; Hajime, Y.; Takahiro, M.; et al. Developing a synthetic inertia function for smart inverters and studying its interaction with other functions with CHIL testing. Energy Rep. 2023, 2023, 435–443. [Google Scholar] [CrossRef]
- Zhong, Q.-C.; Weiss, G. Synchronverters: Inverters that mimic synchronous generators. IEEE Trans. Ind. Electron. 2011, 58, 1259. [Google Scholar] [CrossRef]
- Rodriguez, J.; Cortes, P. Predictive Control of Power Converters and Electrical Drives, 2012nd ed.; John Wiley & Sons, Ltd.: Hoboken, NJ, USA, 2012; Available online: https://ieeexplore.ieee.org/servlet/opac?bknumber=6198919 (accessed on 28 February 2024).
- Chen, X.; Wu, W.; Gao, N.; Chung, H.S.-H.; Liserre, M.; Blaabjerg, F. Finite control set model predictive control for lcl-filtered grid tied inverter with minimum sensors. IEEE Trans. Ind. Electron. 2020, 67, 9980–9990. [Google Scholar] [CrossRef]
- Zhang, Y.; Li, L. Derivations of point-2 and point-3 time-sequence extrapolation formulas. In Proceedings of the 41st Chinese Control Conference (CCC), Heifei, China, 25–27 July 2022; pp. 1–8. [Google Scholar] [CrossRef]
- Young, H.A.; Perez, M.A.; Rodriguez, J.; Abu-Rub, H. Assessing finite-control-set model predictive control: A comparison with a linear current controller in two-level voltage source inverters. IEEE Ind. Electron. Mag. 2014, 8, 44–52. [Google Scholar] [CrossRef]
- Wang, X.; Yao, J.; Pei, J.; Sun, P.; Zhang, H.; Liu, R. Analysis and Damping Control of Small-Signal Oscillations for VSC Connected to Weak AC Grid During LVRT. IEEE Trans. Energy Convers. 2019, 34, 1667–1676. [Google Scholar] [CrossRef]
- Ghosh, R.; Tummuru, N.R.; Rajpurohit, B.S. A New Virtual Oscillator-Based Grid-Forming Controller with Decoupled Control Over Individual Phases and Improved Performance of Unbalanced Fault Ride-Through. IEEE Trans. Ind. Electron. 2023, 70, 12465–12474. [Google Scholar] [CrossRef]
- Ghosh, R.; Tummuru, N.R.; Rajpurohit, B.S. Dynamic Voltage Stiffness Control Technique for a Virtual Oscillator based Grid-forming Controller. IEEE Trans. Ind. Electron. 2024, 71, 5725–5733. [Google Scholar] [CrossRef]
- Hosseinzadehtaher, M.; Zare, A.; Khan, A.; Umar, M.F.; D’silva, S.; Shadmand, M.B. AI-Based Technique to Enhance Transient Response and Resiliency of Power Electronic Dominated Grids via Grid-Following Inverters. IEEE Trans. Ind. Electron. 2024, 71, 2614–2625. [Google Scholar] [CrossRef]
- Jalali, M.; Kekatos, V.; Gatsis, N.; Deka, D. Designing Reactive Power Control Rules for Smart Inverters Using Support Vector Machines. IEEE Trans. Smart Grid 2020, 11, 1759–1770. [Google Scholar] [CrossRef]
- Liu, H.; Wu, W. Online Multi-Agent Reinforcement Learning for Decentralized Inverter-Based Volt-VAR Control. IEEE Trans. Smart Grid 2021, 12, 2980–2990. [Google Scholar] [CrossRef]
- Mukherjee, S.; Hossain, R.R.; Liu, Y.; Du, W.; Adetola, V.; Mohiuddin, S.M.; Huang, Q.; Yin, T.; Singhal, A. Enhancing Cyber Resilience of Networked Microgrids using Vertical Federated Reinforcement Learning. In Proceedings of the IEEE Power & Energy Society General Meeting (PESGM), Orlando, FL, USA, 16–20 July 2023; pp. 1–5. [Google Scholar] [CrossRef]
- Yeganeh, M.S.O.; Oshnoei, A.; Mijatovic, N.; Dragicevic, T.; Blaabjerg, F. Intelligent Secondary Control of Islanded AC Microgrids: A Brain Emotional Learning-Based Approach. IEEE Trans. Ind. Electron. 2023, 70, 6711–6723. [Google Scholar] [CrossRef]
- Seyedi, M.; Taher, S.A.; Ganji, B.; Guerrero, J. A Hybrid Islanding Detection Method Based on the Rates of Changes in Voltage and Active Power for the Multi-Inverter Systems. IEEE Trans. Smart Grid 2021, 12, 2800–2811. [Google Scholar] [CrossRef]
- Chang, F.; Sun, H.; Kawano, S.; Nikovski, D.; Kitamura, S.; Su, W. A Fault Detection and Location Technique for Inverter-Dominated Islanding Microgrids. In Proceedings of the IEEE 5th International Electrical and Energy Conference (CIEEC), Nangjing, China, 27–29 May 2022; pp. 2041–2046. [Google Scholar] [CrossRef]
- Du, W.; Lasseter, R.H.; Khalsa, A.S. Survivability of Autonomous Microgrid During Overload Events. IEEE Trans. Smart Grid 2019, 10, 3515–3524. [Google Scholar] [CrossRef]
- Dawoud, M.A.; Ibrahim, D.K.; Gilany, M.I.; El’Gharably, A. Robust Coordination Scheme for Microgrids Protection Based on the Rate of Change of Voltage. IEEE Access 2021, 9, 156283–156296. [Google Scholar] [CrossRef]
- Kwon, M.; Park, S.; Oh, C.-Y.; Lee, J.; Choi, S. On the Impact of Fault Ride-Through on Transient Stability of Autonomous Microgrids: Nonlinear Analysis and Solution. IEEE Trans. Smart Grid 2021, 12, 999–1010. [Google Scholar] [CrossRef]
- Ni, B.; Xiang, W.; Zhou, M.; Zuo, W.; Yao, W.; Lin, W.; Wen, J. An Adaptive Fault Current Limiting Control for MMC and Its Application in DC Grid. IEEE Trans. Power Deliv. 2021, 36, 920–931. [Google Scholar] [CrossRef]
- Abdelrahim, A.; Smailes, M.; Ahmed, K.H.; Mckeever, P.; Egea-Àlvarez, A. New Fault Detection Algorithm for an Improved Dual VSM Control Structure with FRT Capability. IEEE Access 2021, 9, 125134–125150. [Google Scholar] [CrossRef]
- Taul, M.G.; Golestan, S.; Wang, X.; Davari, P.; Blaabjerg, F. Modeling of Converter Synchronization Stability Under Grid Faults: The General Case. IEEE J. Emerg. Sel. Top. Power Electron. 2022, 10, 2790–2804. [Google Scholar] [CrossRef]
- Li, Z.-L.; Hu, J.; Chan, K.W. A New Current Limiting and Overload Protection Strategy for Droop-Controlled Voltage-Source Converters in Islanded AC Microgrids Under Grid Faulted Conditions. In Proceedings of the IEEE Energy Conversion Congress and Exposition, Detroit, MI, USA, 11–15 October 2020; pp. 3888–3893. [Google Scholar] [CrossRef]
- He, X.; He, C.; Pan, S.; Geng, H.; Liu, F. Synchronization Instability of Inverter-Based Generation During Asymmetrical Grid Faults. IEEE Trans. Power Syst. 2022, 37, 1018–1031. [Google Scholar] [CrossRef]
- Markovic, U.; Stanojev, O.; Aristidou, P.; Vrettos, E.; Callaway, D.; Hug, G. Understanding Small-Signal Stability of Low-Inertia Systems. IEEE Trans. Power Syst. 2021, 36, 3997–4017. [Google Scholar] [CrossRef]
- Leitner, S.; Yazdanian, M.; Mehrizi-Sani, A.; Muetze, A. Small-signal stability analysis of an inverter-based microgrid with internal model-based controllers. IEEE Trans. Smart Grid 2018, 9, 5393–5402. [Google Scholar] [CrossRef]
- UNIFI Consortium. Wei Du “Transient and Dynamic Modeling of Droop- Controlled, Grid-Forming Inverters at Scale” [Video]. YouTube. 31 January 2022. Available online: https://www.youtube.com/watch?v=H7KdLmaZGWg&t=1421s (accessed on 30 January 2024).
- Kroposki, B.; Johnson, B.; Zhang, Y.; Gevorgian, V.; Denholm, P.; Hodge, B.M.; Hannegan, B. Achieving a 100% Renewable Grid: Operating Electric Power Systems with Extremely High Levels of Variable Renewable Energy. IEEE Power Energy Mag. 2017, 15, 61–73. [Google Scholar] [CrossRef]
- Guerrero, J.M.; Vasquez, J.C.; Matas, J.; de Vicuna, L.G.; Castilla, M. Hierarchical Control of Droop-Controlled AC and DC Microgrids—A General Approach Toward Standardization. IEEE Trans. Ind. Electron. 2011, 58, 158–172. [Google Scholar] [CrossRef]
- Yuting, T.; Wei, D.; Pei, W.; Li, Y.; Li, D.; Ye, H. Review on grid-forming converter control methods in high proportion renewable energy power systems. Glob. Energy Interconnect. 2022, 5, 328–342. [Google Scholar] [CrossRef]
- Tian, G.; Sun, Q.Z. A Stochastic Controller for Primary Frequency Regulation Using ON/OFF Demand Side Resources. IEEE Trans. Smart Grid 2023, 14, 4141–4144. [Google Scholar] [CrossRef]











| Control Topology | Power Quality | Stability | Fault Ride-Through | Black Start | Scalability | Anti-Islanding | Tracking Accuracy | Response Time | Operating Power Range | Technology Maturity |
|---|---|---|---|---|---|---|---|---|---|---|
| Droop control | Fair | Poor | Poor | Very Poor | Fair | Fair | Poor | Very Poor | Medium–high | High |
| V-I droop control | Good | Fair | Fair | Poor | Fair | Good | Fair | Poor | Medium–high | Medium–high |
| VSG control | Excellent | Good | Good | Fair | Fair | Excellent | Good | Fair | Medium–high | Medium–high |
| MPC | Good | Good | Good | Fair | Good | Good | Excellent | Good | High | Medium |
| Reinforcement learning-based [56] | Fair | Good | Fair | Poor | Fair | Fair | Good | Excellent | High | Low |
| Characteristic | Description |
|---|---|
| Autonomous microgrid operation | GFMs facilitate autonomous microgrid operation by controlling inverter frequency. They redistribute load among inverters and activate under-frequency load shedding to address overload issues, ensuring system survival during overload events. |
| Robust fault ride-through capability | GFMs continuously monitor parameters and respond quickly to faults, ensuring resilience during short duration faults. They provide necessary support to the grid, preventing power interruptions and cascading failures. GFMs can withstand faults up to 1.2–2.0 p.u. of their rated value and require current control strategies for future grid integration. |
| Dynamic behavior and small-signal stability | GFMs contribute to stability by reducing frequency deviations and enhancing frequency response compared to traditional grid-following approaches. Transitioning to GFMs improves frequency stability even with mixed inverter types. |
| Islanding operational capability | GFMs use voltage, frequency, and current monitoring to detect faults and initiate appropriate actions to maintain grid stability. GFMs automatically transit to islanded mode, supplying power to local loads, and forming small microgrids separate from the main grid, increasing grid resilience. |
Disclaimer/Publisher’s Note: The statements, opinions and data contained in all publications are solely those of the individual author(s) and contributor(s) and not of MDPI and/or the editor(s). MDPI and/or the editor(s) disclaim responsibility for any injury to people or property resulting from any ideas, methods, instructions or products referred to in the content. |
© 2024 by the authors. Licensee MDPI, Basel, Switzerland. This article is an open access article distributed under the terms and conditions of the Creative Commons Attribution (CC BY) license (https://creativecommons.org/licenses/by/4.0/).
Share and Cite
Rahman, K.; Hashimoto, J.; Orihara, D.; Ustun, T.S.; Otani, K.; Kikusato, H.; Kodama, Y. Reviewing Control Paradigms and Emerging Trends of Grid-Forming Inverters—A Comparative Study. Energies 2024, 17, 2400. https://doi.org/10.3390/en17102400
Rahman K, Hashimoto J, Orihara D, Ustun TS, Otani K, Kikusato H, Kodama Y. Reviewing Control Paradigms and Emerging Trends of Grid-Forming Inverters—A Comparative Study. Energies. 2024; 17(10):2400. https://doi.org/10.3390/en17102400
Chicago/Turabian StyleRahman, Khaliqur, Jun Hashimoto, Dai Orihara, Taha Selim Ustun, Kenji Otani, Hiroshi Kikusato, and Yasuhiro Kodama. 2024. "Reviewing Control Paradigms and Emerging Trends of Grid-Forming Inverters—A Comparative Study" Energies 17, no. 10: 2400. https://doi.org/10.3390/en17102400
APA StyleRahman, K., Hashimoto, J., Orihara, D., Ustun, T. S., Otani, K., Kikusato, H., & Kodama, Y. (2024). Reviewing Control Paradigms and Emerging Trends of Grid-Forming Inverters—A Comparative Study. Energies, 17(10), 2400. https://doi.org/10.3390/en17102400

