Sustainability and Strategic Assessment of Water and Energy Integration Systems: Case Studies of the Process Industry in Portugal
Abstract
1. Introduction
2. Background
- Sustainability policies of the European Union and Portugal;
- The most recent social issues related to the energy crisis and water scarcity;
- The adequacy of the circular economy concept.
2.1. Review of Current Research and Knowledge Gap
- The baseline case within a plant (in which improvement measures have yet to be implemented);
- Other systems (conceptualised and implemented for similar case studies).
- The evaluation of the water–energy nexus promotion potential (the association between several energy-use-related parameters and water-use-related parameters);
- The capacity to perform an overall systemisation of the compliance of engineering projects with specific economic and environmental impact reduction aims (namely, the ones defined in the most recent sustainability policies);
- The analysis of the system based on the ratio between the levels of recirculation associated with different streams (for instance, the ratio between the quantities of treated water and water savings and the ratio between recirculated heat and total energy input).
2.2. Framework of Sustainability Policies
2.3. Framework for Studying the Social Issues of the Energy Crisis and Water Scarcity
2.4. Framework of the Circular Economy Concept
2.5. Framework of Social-Related Benefits Promotion
- Promotion of a socially fair and efficient energy transition: the conceptualised WEIS installations do not require additional investment in land except that which is already used for plants to be installed, and it requires investment costs that are assumed to be allocated from the industrial stakeholders, with the existence of government incentives;
- Reinforcement of the competitiveness of the regional and industrial economies: payback periods of less than the most favourable and acceptable limit of 3 years [39] and a maximum acceptable limit of 5 years [40] are significant in that a considerable margin of total savings can be allocated to the promotion of other benefits. The limits to which the commissioned installations are considered to be economically viable are nevertheless not surpassed;
- Promotion of the creation of work positions: this may be regarded as one of the aforementioned benefits;
- Improvement of air quality and overall human health: while the improvement of air quality is secured by the reduction of waste gas emissions (as evidenced by the final simulation results obtained for the case studies), the improvement of human health may be secured through the combination of this benefit with the improvement of the quality of discharge water (which may be evidenced by the null level of the discharge water obtained for the case studies), as well as the relative increase in water availability.
3. Methodology and Process Industry Cases
3.1. Definition of Assessment Indicators
- One is designated as Beginning-of-Life, corresponding to a scenario at the point in time of the acquisition of the required technology and machinery for the commissioning of the WEIS (in which the total investment cost is considered a negative parcel for the determination of the improved scenario revenue);
- Another is designated as End-of-Life, corresponding to a scenario in the immediate point in time following the return on investment (in which the total investment cost is not already considered as a parcel).
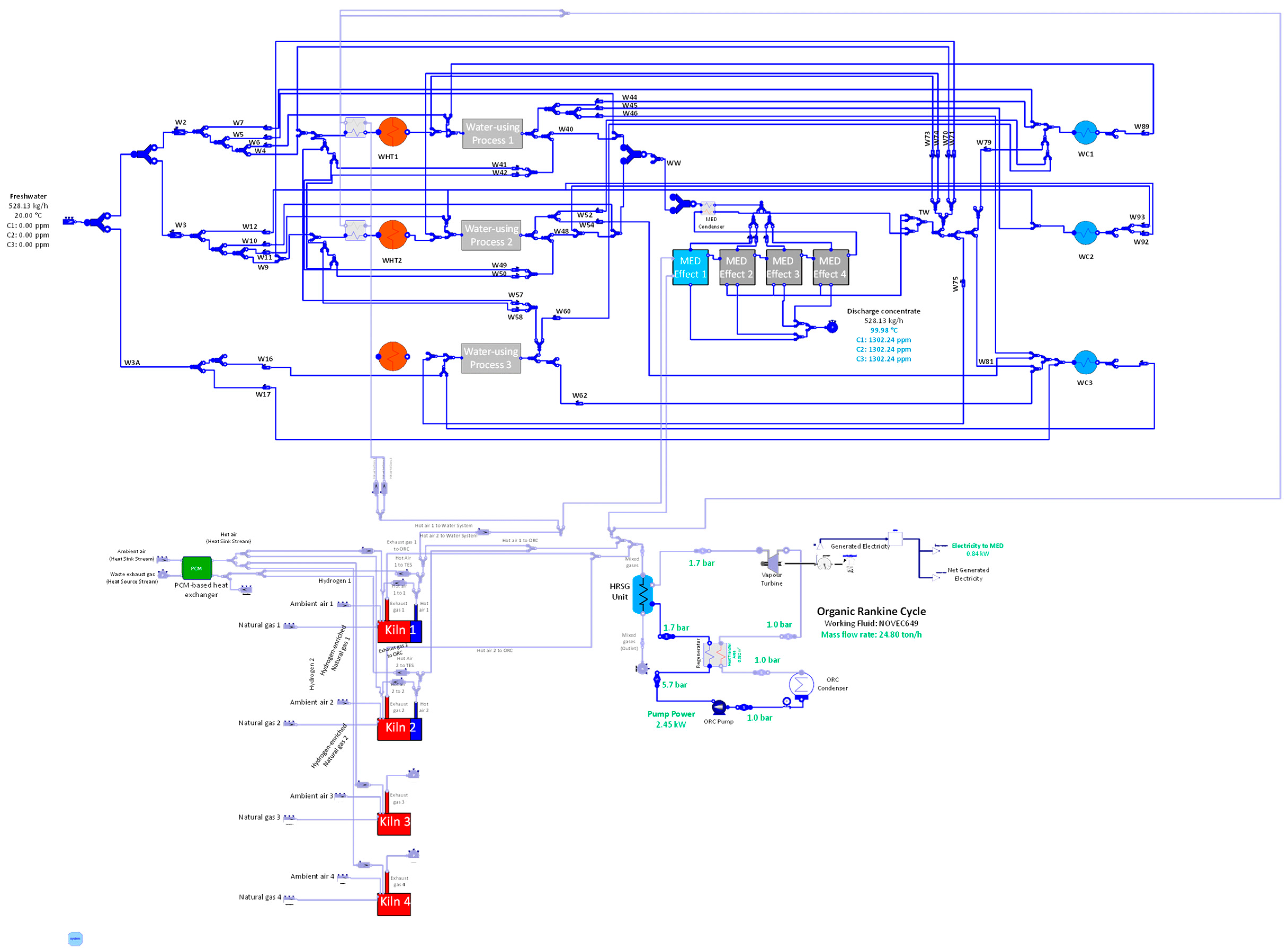
3.2. Characterisation of Case Studies
- Two tunnel kilns (kilns 1 and 2);
- One intermittent kiln;
- Four water-using lines, which, in turn, comprise:
- ○
- Four water-using processes, with each installed to remove a specific unidentified salt contaminant;
- ○
- Four heaters, which are hot water boilers using natural gas (as a hot utility);
- ○
- One cooler, which is a heat exchanger in which a refrigeration organic fluid (cold utility) stream withdraws enthalpy from the water stream (electricity is used to produce the refrigeration stream through its path to the cooling tower).
- Two tunnel kilns (kilns 1 and 2);
- Two intermittent kilns (kilns 3 and 4);
- Three water-using lines, which, in turn, comprise:
- ○
- Three water-using processes, with each one installed to remove a set of three unidentified salt contaminants;
- ○
- Three heaters, which are hot water boilers using natural gas (as a hot utility);
- ○
- Three coolers, which are are heat exchangers in which refrigeration organic fluid (cold utility) streams withdraw enthalpy from the water stream (electricity is used to produce the refrigeration streams through its passage in a cooling tower).
- Direct hot air recirculation between the two kilns as part of pre-heated combustion air (to produce natural gas savings);
- Hot air and exhaust gas mixing (from both kilns) and further recirculation to an Organic Rankine cycle (ORC) (to produce additional electricity);
- Hot air mixing (from both kilns) and further recirculation to a multi-effect distillation unit (to produce treated water);
- Water stream recirculation within the water system.
- Direct hot air recirculation between the two tunnel kilns as part of pre-heated combustion air (to produce natural gas savings);
- Hot air mixing (from kilns 1 and 2), further recirculation to phase change material (thermal energy storage heat exchanger (enthalpy charge phase)), and further pre-heating of an air stream (enthalpy discharge phase) that is then divided in four to be fed as part of pre-heated combustion air to each one of the four kilns;
- Hot air and exhaust gas mixing (from both tunnel kilns) and further recirculation to an Organic Rankine cycle (ORC) (to produce additional electricity);
- Hot air mixing (from kilns 1 and 2) and further recirculation to a multi-effect distillation unit (to produce treated water);
- Water stream recirculation within the water system.
- The representativeness of the ceramic sector within the overall process industry in terms of energy and water use. This sector presents reasonable levels of energy and water use and associated waste streams, and the order of magnitude of the quantity of each resource to be valorised is compatible so as to permit significant savings for each one (for instance, waste heat may be recirculated to cause either significant fuel and electricity savings or to produce a significant level of treated water to be recirculated);
- Both case studies are comparable in terms of the existing energy- and water-using processes (these are based on the same categories of processes) and in terms of the order of magnitude of energy and water consumption;
- Significant availability of data associated with the baseline scenario. The numerical data associated with each parameter of interest characterising the case study are highly discerned (in opposition to similar process industry case studies that are either set in different sectors or in different countries).
4. Results and Discussion
4.1. Assessment of Sustainability Aims Achievement
- Eco-efficiency promotion (indicators that express the potentially improved economic value to environmental burden ratio);
- Circular economy promotion (indicators that express the capacity of the projects for improving the performance of recycling and reuse).
4.1.1. Eco-Efficiency Promotion Indicators
- The energy-use-related indicators are formulated to express the energy consumption in relation to total material production (which is the same value for both the baseline and improved scenarios); thus, it is based on a measure of the productivity of the plant in relation to energy costs;
- The water-system-related indicators are formulated to express water use in relation to total material production and the energy dependence of the water system;
- The GHG-emissions-related indicators shall express not only the environmental footprint but also the level of pollutant emissions against the total use of one of the resources in question (for instance, the level of total GHG emissions in relation to the total energy consumption);
- The aggregated eco-efficiency indicators shall be based on the relationship between the total achieved benefits in terms of increased economic value (achieved through the reduction of energy and water costs) and the reduced environmental burden (achieved through the reduction of pollutant emissions).
4.1.2. Circular Economy Potential Promotion Indicators
4.2. Assessment of Strategic Aims
4.2.1. Framework of Sustainability Policies Aims
4.2.2. Framework for Studying the Impact of the Energy Crisis and Water Scarcity
5. Conclusions
- A considerable eco-efficiency promotion is verified for both case studies by the aggregated analysis of the results obtained for all of the indicators;
- Additional improvement measures are necessary to ensure the case study plants are more proximate to the average levels of the sector (the ceramic industry), including, specifically, for the indicators of specific energy consumption, specific water consumption, and specific equivalent carbon dioxide emissions.
- The stream recirculation practice encompassed by the conceptualisation of the WEIS has been successful in terms of circular economy character promotion;
- For all cases, the reduction of the system output (waste heat and discharge water) is favoured over the input (energy and freshwater entrances).
- The conceptual aims encompassed by the relevant sustainability policies (RNC2050 and PNUEA) and the mitigation of the impacts brought about by the most recent social issues (energy crisis and water scarcity) have been addressed;
- Overall, with only the commissioning of the conceptualised WEIS for the specific water and energy use reduction levels, it is not possible to compare these levels to those required by sustainability policies and for the purpose of the full mitigation of the impacts of the aforementioned social issues.
5.1. Findings for Aggregated Indicators
- A 6.46% and 4.00% improvement for the aggregated eco-efficiency indicator has been obtained for case studies 1 and 2, respectively, which is significant in that the economic value associated with the production processes of both plants is highly increased in relation to the decrease in environmental impact caused by the operation of energy- and water-using processes;
- A null water discharge for both case studies and levels of 8.58% and 6.69% of recirculated heat over total energy consumption have been obtained for case studies 1 and 2, respectively, which is proof of the effectiveness of circular economy promotion for both cases with respect to two inherent aspects of this concept, waste and recirculation of material/products, to the highest possible value.
5.2. Limitations of the Current Research and Future Work
- An inability to perform an exact allocation of estimated improvements associated with the social aspect of sustainability (a proposal of several indicators that are certainly improved in the current framework has been performed so as to prove that the social aspect is addressed and the overall sustainability promotion is secured, but it is performed through a direct calculation of each one of the indicators);
- The dependency of the defined strategic aims (related to sustainability policy benchmark values) on the current time period (these aims have been defined in the context of the most recent policies, and, as such, the benchmark values must be updated in future work using the proposed methodology so as to secure the validity of obtained results).
- Application of the proposed methodology (indicator estimation and related analysis) for similar process industry case studies;
- Direct determination of indicators related to the social aspect of sustainability;
- Assuring that the comparison of strategic-aims-related results is performed based on benchmark values defined in the most recent sustainability policies (so as to ensure that all of the results are compared by taking into account the same basis and the update of these values according to the most recent socio-economic context).
Author Contributions
Funding
Data Availability Statement
Conflicts of Interest
Correction Statement
Nomenclature
| Capital expenditure (EUR) | |
| Annual equivalent carbon dioxide emissions (kg /year) | |
| Annual discharge water quantity (m3/year) | |
| Discharge Water to Freshwater Ratio | |
| Aggregated eco-efficiency (EUR/kg | |
| Annual final energy consumption in a plant (J/year) | |
| Equivalent carbon dioxide emission factor (kg /J) | |
| Energy carbon footprint (kg /J) | |
| Annual electric energy consumption (J/year) | |
| Annual hot and cold utility consumption in a water system (J/year) | |
| Energy in Water System in the Improved Scenario over the Baseline Scenario | |
| Annual fuel consumption (J/year) | |
| Annual water consumption (m3/year) | |
| Greenhouse gas emissions intensity (kg /kg Prod) | |
| Produced material productivity (EUR/kg Prod) | |
| Unitary price (EUR/m3 and EUR/J) | |
| Annual production of the material targeted to be produced in a plant (kg/year) | |
| Annual absolute reduction of equivalent carbon dioxide emissions (kg /year) | |
| Annual revenue/sales turnover in a plant (kg Prod/year) | |
| Annual total quantity of recirculated heat in a plant (J/year) | |
| Recirculated Heat to Baseline Total Energy Ratio | |
| Recirculated Heat to Baseline Fuel Used in Combustion-Based Processes Ratio | |
| Annual quantity of recirculated treated water (m3/year) | |
| Recirculated to Produced Treated Water Ratio | |
| Recirculated Treated Water to Water Savings | |
| Annual monetary savings (EUR/year) | |
| Specific electric energy consumption (J/kg Prod.) | |
| Specific fuel consumption (J/kg Prod.) | |
| Specific water consumption (m3/kg Prod.) | |
| Annual treated water production (m3/year) | |
| Treated Water to Wastewater Ratio | |
| Annual withdrawn quantity of consumed hot and cold utilities in a water system (J/year) | |
| Withdrawn Energy from Water System in the Improved Scenario over Energy in the Water System in the Baseline Scenario (J/year) | |
| Water energy footprint (J/m3) | |
| Annual total quantity of waste heat and heat losses in a plant (J/year) | |
| Waste Heat to Total Energy Ratio | |
| Waste Heat to Natural Gas Used in Combustion-based Processes Ratio | |
| Annual wastewater production (m3/year) | |
| Subscripts | |
| Baseline case of a plant (a Water and Energy Integration System has yet to be implemented) | |
| Energy source | |
| Combustion-based process | |
| Water | |
| Improved Case (a Water and Energy Integration System has been implemented) | |
| Abbreviations | |
| EU | European Union |
| GHG | Greenhouse gases |
| MED | Multi-effect distillation |
| ORC | Organic Rankine Cycle |
| PNUEA | Programa Nacional para o Uso Eficiente da Água |
| RNC2050 | Portugal Roadmap for Carbon Neutrality |
| TES | Thermal energy storage |
| WEIS | Water and Energy Integration Systems |
References
- Environmental Performance and Information Division Environment Directorate, OECD. The Economic Significance of Natural Resources: Key Points for Reformers in Eastern Europe, Caucasus and Central Asia. Environ. Perform. Inf. Div. Environ. Dir. OECD 2017, 5, 1–8. [Google Scholar]
- Gennitsaris, S.; Castro Oliveira, M.; Vris, G.; Bofilios, A.; Ntinou, T.; Frutuoso, A.R.; Queiroga, C.; Giannatsis, J.; Sofianopoulou, S.; Dedoussis, V. Energy Efficiency Management in Small and Medium-Sized Enterprises: Current Situation, Case Studies and Best Practices. Sustainability 2023, 15, 3727. [Google Scholar] [CrossRef]
- IEA Energy and Water. Exploring the Interdependence of Two Critical Resources; International Energy Agency: Paris, France, 2020. [Google Scholar]
- Onar, O.C.; Khaligh, A. Energy Sources. Altern. Energy Power Electron. 2015, 2015, 81–154. [Google Scholar] [CrossRef]
- Pure Water for the World. Fresh Water: A Precious Natural Resource. 2023. Available online: https://www.purewaterfortheworld.org/2022/09/06/fresh-water-a-precious-natural-resource/ (accessed on 1 November 2023).
- Immerman, G. Production and Process Optimization in Manufacturing. 2021. Available online: https://www.machinemetrics.com/blog/process-optimization-manufacturing (accessed on 1 November 2023).
- Ibrić, N.; Ahmetović, E.; Kravanja, Z. Mathematical Programming Synthesis of Non-Isothermal Water Networks by Using a Compact/Reduced Superstructure and an MINLP Model. Clean Technol. Environ. Policy 2016, 18, 1779–1813. [Google Scholar] [CrossRef]
- Castro Oliveira, M.; Iten, M.; Matos, H.A. Simulation and Assessment of an Integrated Thermal Processes and Organic Rankine Cycle (ORC) System with Modelica. Energy Rep. 2022, 8, 764–770. [Google Scholar] [CrossRef]
- Miró, L.; Gasia, J.; Cabeza, L.F. Thermal Energy Storage (TES) for Industrial Waste Heat (IWH) Recovery: A Review. Appl. Energy 2016, 179, 284–301. [Google Scholar] [CrossRef]
- Royo, P.; Acevedo, L.; Ferreira, V.J.; García-Armingol, T.; López-Sabirón, A.M.; Ferreira, G. High-Temperature PCM-Based Thermal Energy Storage for Industrial Furnaces Installed in Energy-Intensive Industries. Energy 2019, 173, 1030–1040. [Google Scholar] [CrossRef]
- Nyamsi, S.N.; Tolj, I.; Lototskyy, M. Metal Hydride Beds-Phase Change Materials: Dual Mode Thermal Energy Storage for Medium-High Temperature Industrialwaste Heat Recovery. Energies 2019, 12, 3949. [Google Scholar] [CrossRef]
- Chan, M.H.E.; Chu, K.K.; Chow, H.F.; Tsang, C.W.; Ho, C.K.D.; Ho, S.K. Improving the Energy Efficiency of Petrochemical Plant Operations: A Measurement and Verification Case Study Using a Balanced Wave Optimizer. Energies 2019, 12, 4136. [Google Scholar] [CrossRef]
- Gherghel, A.; Teodosiu, C.; De Gisi, S. A Review on Wastewater Sludge Valorisation and Its Challenges in the Context of Circular Economy. J. Clean. Prod. 2019, 228, 244–263. [Google Scholar] [CrossRef]
- Yukesh Kannah, R.; Kavitha, S.; Preethi; Parthiba Karthikeyan, O.; Kumar, G.; Dai-Viet, N.V.; Rajesh Banu, J. Techno-Economic Assessment of Various Hydrogen Production Methods—A Review. Bioresour. Technol. 2021, 319, 124175. [Google Scholar] [CrossRef] [PubMed]
- Bauer, D. The Water-Energy Nexus: Challenges and Opportunities; U.S. Department Energy: Washington, DC, USA, 2014; p. vii. [Google Scholar]
- Naveed, U.; Mohammad Rozali, N.E.; Mahadzir, S. Energy–Water–Carbon Nexus Study for the Optimal Design of Integrated Energy–Water Systems Considering Process Losses. Energies 2022, 15, 8605. [Google Scholar] [CrossRef]
- Castro Oliveira, M.; Iten, M.; Matos, H.A. Review on Water and Energy Integration in Process Industry: Water-Heat Nexus. Sustainability 2022, 14, 7954. [Google Scholar] [CrossRef]
- Castro Oliveira, M.; Iten, M.; Matos, H.A. Simultaneous Optimisation of Energy Recovery and Water Recirculation in a Ceramic Plant. Comput. Aided Chem. Eng. 2023, 52, 2785–2790. [Google Scholar] [CrossRef]
- Rees, B.; Cessford, F.; Connelly, R.; Cowan, J.; Bowell, R.; Weatherhead, E.K.; Knox, J.W.; Twite, C.L.; Morris, J. Optimum Use of Water for Industry and Agriculture: Phase 3—Best Practice Manual; R&D Technical Report W6-056/TR2; Environment Agency, Bristol: Bristol, UK, 2003. [Google Scholar]
- Soldati, R.; Zanelli, C.; Cavani, G.; Battaglioli, L.; Guarini, G.; Dondi, M. Improving the Sustainability of Ceramic Tile-Making by Mixing Spray-Dried and Dry-Granulated Powders. Bol. Soc. Esp. Ceram. Vidr. 2021, 61, 325–335. [Google Scholar] [CrossRef]
- Guma, M.; Von Blottnitz, H.; Broadhurst, J.L. A Systems Approach for the Application of Eco-Efficiency Indicators for Process Design in the Minerals Industry. Sustain. Dev. 2009, 301–312. Available online: https://www.researchgate.net/publication/281715273_A_systems_approach_for_the_application_of_eco-efficiency_indicators_for_process_design_in_the_minerals_industry (accessed on 1 November 2023).
- De Pascale, A.; Arbolino, R.; Szopik-Depczyńska, K.; Limosani, M.; Ioppolo, G. A Systematic Review for Measuring Circular Economy: The 61 Indicators. J. Clean. Prod. 2021, 281, 124942. [Google Scholar] [CrossRef]
- Monfort, E.; Mezquita, A.; Granel, R.; Vaquer, E.; Escrig, A.; Miralles, A.; Zaera, V. Analysis of Energy Consumption and Carbon Dioxide Emissions in Ceramic Tile Manufacture. Boletín Soc. Española Cerámica Vidr. 2010, 49, 303–310. [Google Scholar]
- Schaible, C. GHG Emissions/Decarbonisation from Ceramics Manufacturing. 2019. Available online: https://eipie.eu/wp-content/uploads/2021/07/EEB-input-GHG-emissions-CER-BREF-review-Initial-positionEEB.pdf (accessed on 1 November 2023).
- New Delhi Bureau of Energy Efficiency. Detailed Project Report on Waste Heat Recovery in Roller Kiln; New Delhi Bureau of Energy Efficiency: New Delhi, India, 2010. [Google Scholar]
- Salah, I.B.; Jemaï, M.B.M.; Saad, A.B.; Mezza, S. Assessment of the Energy Conversion on the Thermal Balance and Atmospheric Emissions in Ceramic Tile Product Industry in Tunisia: A Case Study. Atmos. Clim. Sci. 2020, 10, 421–442. [Google Scholar] [CrossRef]
- Hu, H.; Kavan, P. Energy Consumption and Carbon Dioxide Emissions of China’s Non-Metallic Mineral Products Industry: Present State, Prospects and Policy Analysis. Sustainability 2014, 6, 8012–8028. [Google Scholar] [CrossRef]
- Chinese, D.; Santin, M.; De Angelis, A.; Saro, O.; Biberacher, M. What to Do with Industrial Waste Heat Considering a Water-Energy Nexus Perspective. ECEEE Ind. Summer Study Proc. 2018, 2018, 217–229. [Google Scholar]
- The Energy Concervation Center (ECC). Output of a Seminar on Energy Conservation in Ceramic Industry. Available online: https://cdi.mecon.gob.ar/bases/docelec/dp3836.pdf (accessed on 1 November 2023).
- Rahimi, B.; Chua, H.T. Low Grade Heat Driven Multi-Effect Distillation and Desalination. In Low Grade Heat Driven Multi-Effect Distillation and Desalination; Elsevier: Amsterdam, The Netherlands, 2017; pp. 1–194. [Google Scholar]
- Datsgerdi, H.R.; Chua, H.T. Thermo-Economic Analysis of Low-Grade Heat Driven Multi-Effect Distillation Based Desalination Processes. Desalination 2018, 448, 36–48. [Google Scholar] [CrossRef]
- Mekonnen, M.M.; Gerbens-Leenes, P.W.; Hoekstra, A.Y. The Consumptive Water Footprint of Electricity and Heat: A Global Assessment. Environ. Sci. Water Res. Technol. 2015, 1, 285–297. [Google Scholar] [CrossRef]
- Portuguese Government Roadmap for Carbon Neutrality 2050 (RNC2050). Rep. R 262/2019. 2019. Available online: https://unfccc.int/sites/default/files/resource/RNC2050_EN_PT%20Long%20Term%20Strategy.pdf (accessed on 1 November 2023).
- APA. Programa Nacional Para o Uso Eficiente Da Água (PNUEA); Portuguese Environment Agency: Amadora, Portugal, 2016. [Google Scholar]
- Allam, Z.; Bibri, S.E.; Sharpe, S.A. The Rising Impacts of the COVID-19 Pandemic and the Russia–Ukraine War: Energy Transition, Climate Justice, Global Inequality, and Supply Chain Disruption. Resources 2022, 11, 99. [Google Scholar] [CrossRef]
- Keating, D. Opinion: Europe’s Energy Crisis Is Not over. Energy Monit. 2023. Available online: https://www.energymonitor.ai/opinion/opinion-europes-energy-crisis-is-not-over/?cf-view (accessed on 1 November 2023).
- Weise, Z.; Zimmermann, A. Europe’s next Crisis: Water. Politico 2023. Available online: https://www.politico.eu/article/europe-next-crisis-water-drought-climate-change/ (accessed on 1 November 2023).
- Corvellec, H.; Stowell, A.F.; Johansson, N. Critiques of the Circular Economy. J. Ind. Ecol. 2022, 26, 421–432. [Google Scholar] [CrossRef]
- Tello, P.; Weerdmeester, R. Spire Roadmap. 2013, 106. Available online: https://www.aspire2050.eu/sites/default/files/pressoffice/spire-roadmap.pdf (accessed on 1 November 2023).
- Brückner, S.; Liu, S.; Miró, L.; Radspieler, M.; Cabeza, L.F.; Lävemann, E. Industrial Waste Heat Recovery Technologies: An Economic Analysis of Heat Transformation Technologies. Appl. Energy 2015, 151, 157–167. [Google Scholar] [CrossRef]
- Castro Oliveira, M.; Iten, M.; Matos, H.A. Assessment of Energy Efficiency Improvement in Ceramic Industry through Waste Heat Recovery Modelling. Comput. Aided Chem. Eng. 2021, 50, 1653–1658. [Google Scholar] [CrossRef]
- Castro Oliveira, M.; Coelho, P.; Iten, M.; Matos, H.A. Modelling of Heat-Driven Water Treatment Systems: Multi-Effect Distillation (MED) Model in Modelica. Comput. Aided Chem. Eng. 2022, 51, 397–402. [Google Scholar] [CrossRef]
- Mezquita, A.; Monfort, E.; Vaquer, E.; Ferrer, S.; Pitarch, J.M.; Arnal, M.A.; Cobo, F. Reduction of CO2-Emissions in Ceramic Tiles Manufacture by Combining Energy-Saving Measures. CFI Ceram. Forum Int. 2014, 91. Available online: https://repositori.uji.es/xmlui/handle/10234/128125 (accessed on 1 November 2023).
- Soliman, F.; Osama, A. Benchmarking Report of the Ceramics Sector; United Nations Industrial Development Organization: Vienna, Austria, 2016; Available online: https://ieeegypt.org/wp-content/uploads/2017/01/BM-Report-Ceramics.pdf (accessed on 1 November 2023).
- Mezquita, A.; Monfort, E.; Ferrer, S.; Gabaldón-Estevan, D. How to Reduce Energy and Water Consumption in the Preparation of Raw Materials for Ceramic Tile Manufacturing: Dry versus Wet Route. J. Clean. Prod. 2017, 168, 1566–1570. [Google Scholar] [CrossRef]
- Vanham, D.; Hoekstra, A.Y.; Wada, Y.; Bouraoui, F.; de Roo, A.; Mekonnen, M.M.; van de Bund, W.J.; Batelaan, O.; Pavelic, P.; Bastiaanssen, W.G.M.; et al. Physical Water Scarcity Metrics for Monitoring Progress towards SDG Target 6.4: An Evaluation of Indicator 6.4.2 “Level of Water Stress”. Sci. Total Environ. 2018, 613–614, 218–232. [Google Scholar] [CrossRef]
- Castro Oliveira, M.; Iten, M.; Matos, H.A. Review of Thermochemical Technologies for Water and Energy Integration Systems: Energy Storage and Recovery. Sustainability 2022, 14, 7506. [Google Scholar] [CrossRef]











| Indicator | Characterisation | Refs. |
|---|---|---|
| Related to Water Use | ||
| Specific water consumption (m3 water/ton material) | It is the ratio between water consumption and the produced ceramic material of a process or across the overall plant. It is (commonly) implemented to assess the potential of several measures to reduce water use. | [19,20] |
| Economic value per dissipated water (EUR/kg dissipated water) | It is the ratio between the economic value associated with ceramic production and the amount of dissipated water. | [21] |
| Wastewater Circonomics Index | It is an aggregated indicator that measures the circularity character of a water system. It is determined by the product of three sub-indicators: a wastewater reuse indicator (which measures the part of product mass relative to reusability), a composite wastewater re-use indicator (a value-weighted indicator measuring the equivalent shadow prices of eliminated externalities), and a wastewater recycle indicator (measures the ratio of the quantity of wastewater that is effectively used by economic activities). Up to 50% water recirculation in the ceramic industry overall is regarded as a benchmark. | [22] |
| Specific water consumption (m3 water/ton material) | It is the ratio between water consumption and the produced ceramic material of a process or across the overall plant. It is (commonly) implemented to assess the potential of several measures to reduce water use. | [19,20] |
| Related to Energy Use | ||
| Specific electric energy consumption (MWhel/ton material) | It is (commonly) used to assess the general energy efficiency associated with the overall use of electric energy in a ceramic plant. | [23,24,25,26] |
| Specific thermal energy consumption (MWhth/ton material) | It is (commonly) used to assess the overall energy efficiency associated with the fuel consumption of thermal processes. | |
| Produced material emission intensity (ton GHG/ton material) | It is the ratio between GHG emissions ( and ) and the produced material related to an overall plant or a process. Considering that combustion-related emissions are highly superior to process emissions for all ceramic thermal processes, it may be used to evaluate the emission intensity reduction potential associated with several measures. | [23,26] |
| Energy carbon footprint (ton /TJ) | It is the ratio between emissions and energy consumption (thermal and electric) in a plant from an overall perspective. | [27,28] |
| Thermal efficiency | It consists of the ratio between the useful thermal energy output and the thermal energy input in a ceramic thermal process. | [29] |
| Aggregated | ||
| Waste Heat Performance Ratio (kg water/kg waste heat stream or GJ-produced vapour/GJ waste heat) | It is the ratio between the produced treated water and the used amount of a waste heat stream. In the context of heat-driven water treatment, it may be determined by comparing the material quantities (the ratio between the mass flow rate of produced treated water and the waste heat stream) and the energy quantities (the ratio between the produced vapour and the supplied thermal energy). | [30,31] |
| Energy water footprint (m3 water/TJ) | It is the ratio of water consumption and energy consumption (thermal and electric) in a plant from an overall perspective. | [28,32] |
| Indicator | Definition | Calculation Formula | |
|---|---|---|---|
| Energy-use-related indicators | |||
| Specific Fuel Consumption (GJ/ton) | It consists of the ratio between the total consumption of a fuel, such as natural gas (), and the total quantity of produced material () in a plant, by assessing the dependency of the production process on the use of a determinate fuel. | (1) | |
| Specific Electricity Consumption (MWh/ton) | It consists of the ratio between the total consumption of electricity () and the total quantity of produced material () in a plant by assessing the dependency of the production process on the use of electric energy. | (2) | |
| Water-system-related indicators | |||
| Specific Water Consumption (m3/ton) | It consists of the ratio between the total consumption of freshwater () and the total quantity of produced material () in a plant by assessing the dependency of the production process on the use of water resources. | (3) | |
| Water energy footprint (MJ/m3) | It consists of the ratio between the energy consumed in the water system (namely, the one corresponding to the consumption of hot and cold utilities) () and freshwater consumption () by assessing the dependency of the production process on the use of water resources. | (4) | |
| GHG-emissions-related indicators | |||
| Produced material emission intensity (ton CO2,eq/ton material) | It consists of the ratio between total equivalent carbon dioxide emissions in the plant () and the quantity of produced material () by assessing the footprint of greenhouse gas emissions on the production process. | (5) | |
| Energy carbon footprint (ton CO2,eq/TJ) | It consists of the ratio between total equivalent carbon dioxide emissions in the plant () and total energy consumption () by assessing the average emission factor associated with the energy mix of the plant. | (6) | |
| Aggregated eco-efficiency indicators | |||
| Aggregated eco-efficiency indicator (EUR/kg CO2,eq) | It consists of the ratio between the revenue associated with produced material sales () and total equivalent carbon dioxide emissions () by assessing the increase in production value in relation to the generated environmental burden. | (7) | |
| Material productivity (EUR/kg material) | It consists of the ratio between the revenue associated with produced material sales () and the quantity of produced material () by assessing the increase in production value in relation to the quantity of produced material in a plant. | (8) | |
| Indicator | Definition | Calculation Formula | |
|---|---|---|---|
| Energy-use-related indicators | |||
| Waste Heat to Total Energy Ratio | It consists of the ratio between waste heat and heat losses () and total energy consumption in the plant (). | (9) | |
| Recirculated Heat to Baseline Total Energy Ratio | It consists of the ratio between recirculated heat () and total energy consumption in the plant in the baseline scenario (). | (10) | |
| Waste Heat to Fuel Used in Combustion-Based Processes Ratio | It consists of the ratio between waste heat from combustion-based processes () and respective fuel consumption (). | (11) | |
| Recirculated Heat to Baseline Fuel Used in Combustion-Based Processes Ratio | It consists of the ratio of recirculated heat in-between combustion-based processes () and respective fuel consumption (). | (12) | |
| Water-use-related indicators | |||
| Discharge Water to Freshwater Ratio | It consists of the ratio between discharge water from the water system () and freshwater (). | (13) | |
| Treated Water to Wastewater Ratio | It consists of the ratio between output treated water from wastewater treatment () and input wastewater (). | (14) | |
| Recirculated to Produced Treated Water Ratio | It consists of the ratio between recirculated treated water () and the total produced treated water from wastewater treatment (). | (15) | |
| Recirculated Treated Water to Water Savings | It consists of the ratio between recirculated treated water () and the difference between freshwater consumption in the baseline () and improved scenarios (). | (16) | |
| Indicators related to energy input in the water system | |||
| Energy in Water System in the Improved Scenario over the Baseline Scenario | It consists of the ratio between the energy input in the water system standalone (namely, hot and cold utilities and recirculated heat from combustion-based processes) in the improved scenario () and the baseline scenario (). | (17) | |
| Withdrawn Energy from the Water System in the Improved Scenario over Energy in the Water System in the Baseline Scenario | It consists of the ratio between the energy withdrawn from the water system in the improved scenario (namely, the difference between total energy input in the water system standalone in the baseline scenario and the total energy input in the improved scenario) () and the total energy input in the baseline scenario (). | (18) | |
| Aspect | Calculation Formula | |
|---|---|---|
| (19) | ||
| (20) | ||
| Energy Consumption in the Water-System-Related Indicators | ||
| Beginning-of-Life | (21) | |
| End-of-Life | (22) | |
| Parcel | Baseline Scenario | Improved Scenario | |
|---|---|---|---|
| Case Study 1 | Case Study 2 | ||
| Energy Consumption (TJ) | |||
| Natural Gas | 304.10 | 277.34 | 280.02 |
| Electricity | 67.45 | 62.04 | 65.54 |
| Liquid petroleum gas | 0.45 | 0.45 | 0.45 |
| Diesel fuel | 3.27 | 3.27 | 3.27 |
| Total | 375.26 | 343.09 | 349.27 |
| Other Indicators | |||
| Production (Mg) | 35.43 | 35.43 | 35.43 |
| Revenue (EUR M) | 26.52 | 27.38 | 27.16 |
| CO2,eq Emissions (kton CO2eq) | 28.56 | 26.14 | 26.80 |
| Natural Gas Consumption in Combustion-Based Thermal Processes | |||||
| Process | Energy Consumption (TJ) | ||||
| Kiln 1 | 69.34 | ||||
| Kiln 2 | 36.52 | ||||
| Annual Energy and Water Consumption in Water-Using Lines | |||||
| Water-Using Line | Water Consumption (Baseline Scenario) (dam3) | Water Consumption (Improved Scenario) (dam3) | Hot Utility Consumption (TJ) | Cold Utility Consumption (TJ) | |
| Line 1 | 3.72 | 1.37 | |||
| Line 2 | 3.73 | 1.43 | |||
| Line 3 | 2.86 | 1.04 | |||
| Line 4 | 0.46 | 0.18 | |||
| Discharge Line | 4.52 | ||||
| Total | 10.77 | 8.22 | 4.01 | 4.52 | |
| Results of Economic and Environmental Impact Reduction Assessment | |||||
| Payback period associated with the installation of the WEIS (years) | 1.80 | ||||
| TotalEmissions reductionassociated with the installation of the WEIS (kton /year) | 2.42 | ||||
| Natural Gas Consumption in Combustion-Based Thermal Processes | |||||
| Process | Energy Consumption (TJ) | ||||
| Kiln 1 | 44.99 | ||||
| Kiln 2 | 42.38 | ||||
| Kiln 3 | 4.34 | ||||
| Kiln 4 | 16.26 | ||||
| Annual Energy and Water Consumption in Water-Using Lines | |||||
| Water-Using Line | Water Consumption (Baseline Scenario) (dam3) | Water Consumption (Improved Scenario) (dam3) | Hot Utility Consumption (TJ) | Cold Utility Consumption (TJ) | |
| Line 1 | 2.44 | 0.98 | 0.66 | ||
| Line 2 | 3.80 | 1.41 | 1.04 | ||
| Line 3 | 0.49 | 0.26 | 0.13 | ||
| Total | 6.73 | 4.14 | 2.65 | 2.65 | |
| Results of Economic and Environmental Impact Reduction Assessment | |||||
| Payback period associated with the installation of the WEIS (years) | 2.83 | ||||
| TotalEmissions reductionassociated with the installation of the WEIS (kton /year) | 1.76 | ||||
| Indicator | Baseline Scenario | Improved Scenarios | |||
|---|---|---|---|---|---|
| Case Study 1 | Case Study 2 | ||||
| Beginning-of-Life | End-of-Life | Beginning-of-Life | End-of-Life | ||
| Energy-use-related indicators | |||||
| Specific Natural Gas Consumption (GJ/ton) | 8.58 | 7.83 | 7.90 | ||
| Specific Electricity Consumption (MWh/ton) | 0.53 | 0.49 | 0.51 | ||
| Water-system-related indicators | |||||
| Specific Water Consumption (m3/ton) | 0.30 | 0.23 | 0.12 | ||
| Water energy footprint (MJ/m3) | 660.38 | 9.88 | 1.01 | ||
| GHG-emissions-related indicators | |||||
| Produced material emission intensity (ton CO2,eq/ton material) | 0.81 | 0.75 | 0.76 | ||
| Energy carbon footprint (ton CO2,eq/TJ) | 76.11 | 77.94 | 76.72 | ||
| Aggregated eco-efficiency indicators | |||||
| Aggregated eco-efficiency indicator (EUR/kg CO2,eq) | 0.75 | 0.75 | 0.80 (6.46% promotion) | 0.73 | 0.78 (4.00% promotion) |
| Produced material productivity (EUR/kg material) | 0.93 | 1.00 | 1.06 | 0.97 | 1.04 |
| Category | Interpretation |
|---|---|
| Energy-use-related |
|
| Water-system-related |
|
| GHG-emissions-related |
|
| Aggregated eco-efficiency |
|
| Indicator | Baseline Scenario | Improved Scenario |
|---|---|---|
| Energy-use-related indicators | ||
| Waste Heat to Total Energy Ratio | 27.34% | 23.25% |
| Recirculated Heat to Baseline Total Energy Ratio | 8.58% | |
| Waste Heat to Natural Gas Used in Combustion-Based Processes Ratio | 96.90% | 96.05% |
| Recirculated Heat to Baseline Natural Gas Used in Combustion-Based Processes Ratio | 38.76% | |
| Water-use-related indicators | ||
| Discharge Water to Freshwater Ratio | 100.00% | 0.00% |
| Treated Water to Wastewater Ratio | 24.25% | |
| Recirculated to Produced Treated Water Ratio | 100.00% | |
| Recirculated Treated Water to Water Savings | 103.14% | |
| Indicators related to energy input in the water system | ||
| Energy in Water System in the Improved Scenario over the Baseline Scenario | 34.15% | |
| Withdrawn Energy from the Water System in the Improved Scenario over Energy in the Water System in the Baseline Scenario | 66.36% | |
| Indicator | Baseline Scenario | Improved Scenario |
|---|---|---|
| Energy-use-related indicators | ||
| Waste Heat to Total Energy Ratio | 23.26% | 19.71% |
| Recirculated Heat to Baseline Total Energy Ratio | 6.69% | |
| Waste Heat to Natural Gas Used in Combustion-Based Processes Ratio | 46.38% | 45.55% |
| Recirculated Heat to Baseline Natural Gas Used in Combustion-Based Processes Ratio | 16.91% | |
| Water-use-related indicators | ||
| Discharge Water to Freshwater Ratio | 100.00% | 0.00% |
| Treated Water to Wastewater Ratio | 33.19% | |
| Recirculated to Produced Treated Water Ratio | 99.21% | |
| Recirculated Treated Water to Water Savings | 78.50% | |
| Indicators related to energy input in the water system | ||
| Energy in Water System in the Improved Scenario over the Baseline Scenario | 22.82% | |
| Withdrawn Energy from the Water System in the Improved Scenario over Energy in the Water System in the Baseline Scenario | 77.29% | |
| Category | Interpretation |
|---|---|
| Energy-use-related |
|
| Water-use-related |
|
| Related to energy input in the water system |
|
| Energy Intensity Levels for the Case Study 1 Plant (MJ/EUR) | ||
| Baseline Scenario | Improved Scenario | Relative Reduction |
| 14.15 | 12.15 | 14.12% |
| Energy Intensity Levels for the Case Study 2 Plant (MJ/EUR) | ||
| Baseline Scenario | Improved Scenario | Relative Reduction |
| 14.15 | 12.56 | 11.20% |
| Energy Intensity Levels Within RNC2050 (MJ/EUR) | ||
| 2020 Reference Year | 2030 Reference Year | Relative Reduction |
| 96.27 | 75.47|65.78 | 21.60%|31.67% |
| Water Consumption Levels for the Water System Within the Case Study 1 Plant (dam3/Year) | ||
| Baseline Scenario | Improved Scenario | Relative Variation |
| 10.78 | 8.22 | 23.71% |
| Water Consumption Levels for the Water System Within the Case Study 2 Plant (dam3/year) | ||
| Baseline Scenario | Improved Scenario | Relative Variation |
| 6.73 | 4.14 | 38.57% |
| Water Efficiency Target Levels for the Industrial Sector (PNUEA) | ||
| 2009 Reference Year | 2020 Reference Year | Relative Variation (Water Input Levels) |
| 77.5% | 85.0% | 8.82% |
| Year | Baseline Scenario (BS) | Improved Scenario (IS) | Relative Savings | Relative Difference Between BSs | Relative Difference between 2022 BS and 2021 IS |
|---|---|---|---|---|---|
| Case Study 1 Plant | |||||
| Natural-Gas-Associated costs | |||||
| 2021 | 2.55 | 2.32 | 8.80% | 64.62% | 67.74% |
| 2022 | 7.19 | 6.56 | |||
| Electricity-Associated costs | |||||
| 2021 | 2.42 | 2.23 | 8.01% | 11.31% | 18.42% |
| 2022 | 2.73 | 2.51 | |||
| Case Study 2 Plant | |||||
| Natural-Gas-Associated costs | |||||
| 2021 | 2.55 | 2.34 | 7.92% | 64.62% | 67.42% |
| 2022 | 7.19 | 6.63 | |||
| Electricity-Associated costs | |||||
| 2021 | 2.42 | 2.36 | 2.83% | 11.31% | 13.82% |
| 2022 | 2.73 | 2.66 | |||
| Baseline Scenario | Improved Scenario | ||
|---|---|---|---|
| Water stress in relation to the water system within the case study 1 plant | |||
| 91.57% | 69.86% | ||
| Water stress in relation to the water system within the case study 2 plant | |||
| 57.19% | 35.13% | ||
| Benchmark water stress levels [46] | |||
| Less than 10% | 10–20% | 20–40% | More than 40% |
Disclaimer/Publisher’s Note: The statements, opinions and data contained in all publications are solely those of the individual author(s) and contributor(s) and not of MDPI and/or the editor(s). MDPI and/or the editor(s) disclaim responsibility for any injury to people or property resulting from any ideas, methods, instructions or products referred to in the content. |
© 2023 by the authors. Licensee MDPI, Basel, Switzerland. This article is an open access article distributed under the terms and conditions of the Creative Commons Attribution (CC BY) license (https://creativecommons.org/licenses/by/4.0/).
Share and Cite
Oliveira, M.C.; Matos, H.A. Sustainability and Strategic Assessment of Water and Energy Integration Systems: Case Studies of the Process Industry in Portugal. Energies 2024, 17, 195. https://doi.org/10.3390/en17010195
Oliveira MC, Matos HA. Sustainability and Strategic Assessment of Water and Energy Integration Systems: Case Studies of the Process Industry in Portugal. Energies. 2024; 17(1):195. https://doi.org/10.3390/en17010195
Chicago/Turabian StyleOliveira, Miguel Castro, and Henrique A. Matos. 2024. "Sustainability and Strategic Assessment of Water and Energy Integration Systems: Case Studies of the Process Industry in Portugal" Energies 17, no. 1: 195. https://doi.org/10.3390/en17010195
APA StyleOliveira, M. C., & Matos, H. A. (2024). Sustainability and Strategic Assessment of Water and Energy Integration Systems: Case Studies of the Process Industry in Portugal. Energies, 17(1), 195. https://doi.org/10.3390/en17010195
