Environmental Assessment of Hellisheidi Geothermal Power Plant based on Exergy Allocation Factors for Heat and Electricity Production
Abstract
1. Introduction
2. Materials and Methods
2.1. General Description of the Hellisheidi Power Plant
2.2. Life-Cycle Assessment (LCA) Methodology
2.2.1. Goal and Scope
- System description and boundaries
- Exergy allocation factors
- Cutoff criteria
2.2.2. Life-Cycle Inventory (LCI)
- Construction
- Operation and maintenance
- End of life
2.2.3. Life-Cycle Impact Evaluation
3. Results and Discussion
3.1. Assessment of Global Results
3.2. Assessment of Impacts in Terms of the Three Main Life-Cycle Stages
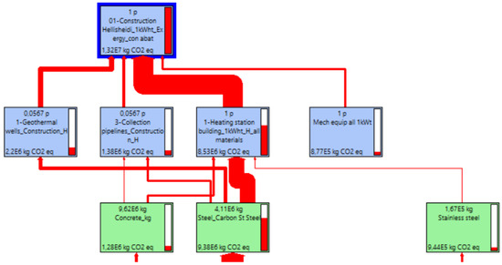
3.3. Environmental Impacts Related to Construction
3.4. Influence of Mechanical Equipment on the Environmental Impact of the Plant
4. Conclusions
Supplementary Materials
Author Contributions
Funding
Data Availability Statement
Acknowledgments
Conflicts of Interest
Nomenclature
| EoL | End of life |
| EOFP | Ozone formation (terrestrial ecosystems) |
| Ex_electric | Work exergy |
| Ex_Thermal | Heat exergy |
| FEP | Freshwater eutrophication |
| FETP | Freshwater ecotoxicity |
| FFP | Fossil resource scarcity |
| GWP | Global warming |
| HOFP | Ozone formation (human health) |
| HTPc | Human carcinogenic toxicity |
| HTPnc | Human non-carcinogenic toxicity |
| IRP | Ionizing radiation |
| LCA | Life-cycle analysis or assessment |
| LCI | Life-cycle inventory |
| LOP | Land use |
| MEP | Marine eutrophication |
| METP | Marine ecotoxicity |
| ODP | Stratospheric ozone depletion |
| OMA | Operation, maintenance, and abatement operation |
| PMFP | Fine particulate matter formation |
| Q | Heat (W) |
| RES | Renewable energy systems |
| SOP | Mineral resource scarcity |
| T | Temperature of the system (° K) |
| T_env | Temperature of environment |
| TAP | Terrestrial acidification |
| TETP | Terrestrial ecotoxicity |
| WCP | Water consumption |
| W_el | Power (electricity) (W) |
| θ | Carnot factor |
References
- Paulillo, A.; Kim, A.; Mutel, C.; Striolo, A.; Bauer, C.; Lettieri, P. Influential parameters for estimating the environmental impacts of geothermal power: A global sensitivity analysis study. Clean. Environ. Syst. 2021, 3, 100054. [Google Scholar] [CrossRef]
- MDíaz-Ramírez, C.; Blecua-de-Pedro, M.; Arnal, A.; Post, J. Acid/base flow battery environmental and economic performance based on its potential service to renewables support. J. Clean. Prod. 2022, 330, 129529. [Google Scholar] [CrossRef]
- Arnal, Á.; Dıáz-Ramırez, M.; Acevedo, L.; Ferreira, V.; Garcıá-Armingol, T.; López-Sabiron, A.; Ferreira, G. Multicriteria analysis for retrofitting of natural gas melting and heating furnaces for sustainable manufacturing and industry 4.0. J. Energy Resour. Technol. Trans. ASME 2020, 142, 022203. [Google Scholar] [CrossRef]
- Royo, P.; Acevedo, L.; Arnal, Á.; Diaz-Ramírez, M.; García-Armingol, T.; Ferreira, V.; Ferreira, G.; López-Sabirón, A. Decision Support System of Innovative High-Temperature Latent Heat Storage for Waste Heat Recovery in the Energy-Intensive Industry. Energies 2021, 14, 365. [Google Scholar] [CrossRef]
- Tomasini-Montenegro, C.; Santoyo-Castelazo, E.; Gujba, H.; Romero, R.; Santoyo, E. Life Cycle Assessment of Geothermal Power Generation Technologies: An Updated Review. Appl. Therm. Eng. 2017, 114, 1119–1136. [Google Scholar] [CrossRef]
- Paulillo, A.; Kim, A.; Mutel, C.; Striolo, A.; Bauer, C.; Lettieri, P. Simplified models for predicting the environmental impacts of geothermal power generation. Clean. Environ. Syst. 2022, 6, 100086. [Google Scholar] [CrossRef]
- Hemeida, M.; Hemeida, A.; Senjyu, T.; Osheba, D. Renewable Energy Resources Technologies and Life Cycle Assessment: Review. Energies 2022, 15, 9417. [Google Scholar] [CrossRef]
- Douziech, M.; Tosti, L.; Ferrara, N.; Parisi, M.; Pérez-López, P.; Ravier, G. Applying harmonised geothermal life cycle assessment guidelines to the rittershoffen geothermal heat plant. Energies 2021, 14, 3820. [Google Scholar] [CrossRef]
- Milousi, M.; Pappas, A.; Vouros, A.; Mihalakakou, G.; Souliotis, M.; Papaefthimiou, S. Evaluating the Technical and Environmental Capabilities of Geothermal Systems through Life Cycle Assessment. Energies 2022, 15, 5673. [Google Scholar] [CrossRef]
- Zuffi, C.; Manfrida, G.; Asdrubali, F.; Talluri, L. Life cycle assessment of geothermal power plants: A comparison with other energy conversion technologies. Geothermics 2022, 104, 102434. [Google Scholar] [CrossRef]
- Frick, S.; Kaltschmitt, M.; Schröder, G. Life cycle assessment of geothermal binary power plants using enhanced low-temperature reservoirs. Energy 2010, 35, 2281–2294. [Google Scholar] [CrossRef]
- Pratiwi, A.; Ravier, G.; Genter, A. Life-cycle climate-change impact assessment of enhanced geothermal system plants in the Upper Rhine Valley. Geothermics 2018, 75, 26–39. [Google Scholar] [CrossRef]
- GEOENVI Project: Tackling the Environmental Concerns for Deploying Geothermal Energy in Europe, Grant agreement ID: 818242. (2018–2021). Available online: https://www.geoenvi.eu/ (accessed on 20 April 2023).
- Parisi, M.; Douziech, M.; Tosti, L.; Pérez-López, P.; Mendecka, B.; Ulgiati, S.; Fiaschi, D.; Manfrida, G.; Blanc, I. Definition of LCA Guidelines in the Geothermal Sector to Enhance Result Comparability. Energies 2020, 13, 3534. [Google Scholar] [CrossRef]
- Parisi, M.; Ferrara, N.; Torsello, L.; Basosi, R. Life cycle assessment of atmospheric emission profiles of the Italian geothermal power plants. J. Clean. Prod. 2019, 234, 881–894. [Google Scholar] [CrossRef]
- MKarlsdóttir, R.; Pálsson, Ó.; Pálsson, H.; Maya-Drysdale, L. Life cycle inventory of a flash geothermal combined heat and power plant located in Iceland. Int. J. Life Cycle Assess. 2015, 20, 503–519. [Google Scholar] [CrossRef]
- MKarlsdottir, R.; Heinonen, J.; Palsson, H.; Palsson, O. High-Temperature Geothermal Utilization in the Context of European Energy Policy—Implications and Limitations. Energies 2020, 13, 3187. [Google Scholar] [CrossRef]
- Paulillo, A.; Striolo, A.; Lettieri, P. The environmental impacts and the carbon intensity of geothermal energy: A case study on the Hellisheiði plant. Environ. Int. 2019, 133, 105226. [Google Scholar] [CrossRef] [PubMed]
- Colucci, V.; Manfrida, G.; Mendecka, B.; Talluri, L.; Zuffi, C. LCA and Exergo-Environmental Evaluation of a Combined Heat and Power Double-Flash Geothermal Power Plant. Sustainability 2021, 13, 1935. [Google Scholar] [CrossRef]
- Karlsdottir, M.; Heinonen, J.; Palsson, H.; Palsson, O. Life Cycle Assessment of a Geothermal Combined Heat and Power Plant Based on High Temperature Utilization. Geothermics 2020, 84, 101727. [Google Scholar] [CrossRef]
- Tosti, L.; Ferrara, N.; Basosi, R.; Parisi, M. Complete Data Inventory of a Geothermal Power Plant for Robust Cradle-to-Grave Life Cycle Assessment Results. Energies 2020, 13, 2839. [Google Scholar] [CrossRef]
- Basosi, R.; Bonciani, R.; Frosali, D.; Manfrida, G.; Parisi, M.; Sansone, F. Life Cycle Analysis of a Geothermal Power Plant: Comparison of the Environmental Performance with Other Renewable Energy Systems. Sustainability 2020, 12, 2786. [Google Scholar] [CrossRef]
- European Commission. Joint Research Centre. International Reference Life Cycle Data System. (ILCD) Handbook: Framework and Requirements for Life Cycle Impact Assessment Models and Indicators; Publications Office of the European Union: Luxembourg, 2010; ISBN 978-92-79-17539-8. ISSN 1018-5593. [Google Scholar] [CrossRef]
- Sayyaadi, H. Modelling, Assessment, and Optimization of Energy Systems; Academic Press: London, UK, 2021; ISBN 978-0-12-816656-7. [Google Scholar]
- Díaz-Ramírez, M.; Ferreira, V.; García-Armingol, T.; López-Sabirón, A.; Ferreira, G. Battery manufacturing resource assessment to minimise component production environmental impacts. Sustainability 2020, 12, 6840. [Google Scholar] [CrossRef]
- Díaz-Ramírez, M.; Ferreira, V.; García-Armingol, T.; López-Sabirón, A.; Ferreira, G. Environmental Assessment of Electrochemical Energy Storage Device Manufacturing to Identify Drivers for Attaining Goals of Sustainable Materials 4.0. Sustainability 2020, 12, 342. [Google Scholar] [CrossRef]













| Power Plant | Electricity Production | Heat Production |
|---|---|---|
| Installed capacity (MW) | 303 | 133 |
| Capacity factor (dimensionless) | 0.87 | 0.55 |
| Net electricity in 30 years (GWh) | 65963 | --- |
| Net heat in 30 years (GWh) | --- | 1922 |
Disclaimer/Publisher’s Note: The statements, opinions and data contained in all publications are solely those of the individual author(s) and contributor(s) and not of MDPI and/or the editor(s). MDPI and/or the editor(s) disclaim responsibility for any injury to people or property resulting from any ideas, methods, instructions or products referred to in the content. |
© 2023 by the authors. Licensee MDPI, Basel, Switzerland. This article is an open access article distributed under the terms and conditions of the Creative Commons Attribution (CC BY) license (https://creativecommons.org/licenses/by/4.0/).
Share and Cite
Díaz-Ramírez, M.; Jokull, S.; Zuffi, C.; Mainar-Toledo, M.D.; Manfrida, G. Environmental Assessment of Hellisheidi Geothermal Power Plant based on Exergy Allocation Factors for Heat and Electricity Production. Energies 2023, 16, 3616. https://doi.org/10.3390/en16093616
Díaz-Ramírez M, Jokull S, Zuffi C, Mainar-Toledo MD, Manfrida G. Environmental Assessment of Hellisheidi Geothermal Power Plant based on Exergy Allocation Factors for Heat and Electricity Production. Energies. 2023; 16(9):3616. https://doi.org/10.3390/en16093616
Chicago/Turabian StyleDíaz-Ramírez, Maryori, Snorri Jokull, Claudio Zuffi, María Dolores Mainar-Toledo, and Giampaolo Manfrida. 2023. "Environmental Assessment of Hellisheidi Geothermal Power Plant based on Exergy Allocation Factors for Heat and Electricity Production" Energies 16, no. 9: 3616. https://doi.org/10.3390/en16093616
APA StyleDíaz-Ramírez, M., Jokull, S., Zuffi, C., Mainar-Toledo, M. D., & Manfrida, G. (2023). Environmental Assessment of Hellisheidi Geothermal Power Plant based on Exergy Allocation Factors for Heat and Electricity Production. Energies, 16(9), 3616. https://doi.org/10.3390/en16093616

