Next Article in Journal
Study on the Extensibility of Voltage-Plateau-Based Lithium Plating Detection for Electric Vehicles
Next Article in Special Issue
The Concept and Understanding of Synchronous Stability in Power Electronic-Based Power Systems
Previous Article in Journal
Experimental Study on Denitration Transformation of CFB Boiler Burning Fujian Anthracite
Previous Article in Special Issue
Study on Quantitative Evaluation Index of Power System Frequency Response Capability
 
 
Font Type:
Arial Georgia Verdana
Font Size:
Aa Aa Aa
Line Spacing:
Column Width:
Background:
Article

Development and Validation of a Load Flow Based Scheme for Optimum Placing and Quantifying of Distributed Generation for Alleviation of Congestion in Interconnected Power Systems

by
Joseph P. Varghese
*,
Kumaravel Sundaramoorthy
and
Ashok Sankaran
Department of Electrical Engineering, National Institute of Technology, Calicut 673601, India
*
Author to whom correspondence should be addressed.
Energies 2023, 16(6), 2536; https://doi.org/10.3390/en16062536
Submission received: 9 January 2023 / Revised: 24 February 2023 / Accepted: 2 March 2023 / Published: 8 March 2023

Abstract

The energy supply entities widely adopt distributed generators (DG) to meet the additional power requirement due to scheduled or unscheduled interruptions. The expansion of transmission and distribution systems via the inclusion of loads and generators and the occurrence of line interruptions are significant causes of congestion of transmission lines in interconnected systems. The management and alleviation of congested lines is a primary requirement for a power system network’s reliable and efficient operation. The researchers investigated the potential scope of distributed generation (DG) to alleviate the congested branches in interconnected transmission systems. The development of a reliable scheme to arrive at the best location and size of local generators for alleviating congestion deserves considerable importance. This paper attempted to develop a simple and reliable strategy for the optimum placement and sizing of DGs to be integrated with a transmission line system of DGs for congestion relief in transmission lines by analyzing power flow solutions. This research work considered the 14-bus system of IEEE for the preliminary analysis to identify the parameters employed for assessing the severity of line congestion and the best placement and sizing of DGs for congestion relief. This work analyzed power flows by load flow algorithms using ETAP software in the 14-bus IEEE system for different line outage cases. The analysis of power flow solutions of the 14-bus system of IEEE revealed that the percentage violation of the system can be regarded as an essential parameter to assess the extent of congestion in an interconnected system. A detailed power flow analysis of the system with various capacities of DG integration at several buses in the system revealed the application of two indices, namely the index of severity (SI) and sensitivity factor (SF), for optimum placement with the best capacity of DGs for congestion alleviation in the system. This work proposed a reliable algorithm for the best siting and sizing of DGs for congestion relief by using the identified indices. The proposed methodology is system indices allied load flow-based algorithm. This work produced a fast simulation solution without any mismatch through this developed scheme. The approximations linked with the algorithm were very minute, resulting in comprehensive bests instead of inexact limited bests with less simulation time and more convergence probability and availing the benefits of the mathematical approach. The work investigated the feasibility of the proposed methodology for optimum placing and quantifying DGs for congestion solutions for a practical interconnected bus system in the supply entity of the Kerala grid with many buses. Any transmission system operator can adopt this method in similar connected systems anywhere. The proposed algorithm determined the most severe cases of congestion and the optimum site and size of DGs for managing congested feeders in the grid system. The analysis of the losses in the system for different cases of DG penetration by load flow analysis validated the suitability of the obtained results.

1. Introduction

The power system network grew significantly in recent years, owing to the ever-increasing demand of industrial and commercial consumers all around the globe. It is essential to maintain reliability, security, redundancy and safety in delivering power to consumers, and it has a massive impact on the economic aspects of society [1]. One of the significant issues in the power system is the occurrence of congestion in transmission lines, which causes adverse implications in maintaining an acceptable level of system security and reliability. Power flow obstruction arises primarily due to improper network expansion, system abnormalities or heavy changes in the loading levels of the system [2]. Abnormal conditions of the power system trigger line congestions and endanger the power flow above the thermal limits of the transmission lines. Some of such abnormal conditions include the unscheduled outage of transmission lines during operational malfunctions, lightning strikes or natural disasters due to unexpected weather events, scheduled outages during preventive maintenance or long-term shutdown maintenance of heavy equipment and the severe impact of low-frequency events [3]. Another major cause of line congestion is the rise in power flow above its allowable range of thermal capacity of transmission lines as the utility generates and transmits more electricity to meet the increased load demand of the consumers.
Moreover, the consideration of economic factors motivates the utilities in deregulated systems to deliver more power for increased benefits, and it may lead to an overflow of energy in some transmission lines leading to congestion which is less likely to occur in the case of regulated systems. The literature survey revealed various impacts of transmission line congestion, such as excessive loading of the system components, failure to fulfil the demand of regional loads and the chance of short-term black-outs in the system. Congestion may also lead to an outage of transmission lines leading to interruption of power delivery to consumers, adversely affecting the reliability and security of the system. The customers may also be affected by economic burden due to line congestion, especially in deregulated scenarios, as they may be required to pay more bills in case of electric power utilization in congested regions of the power grid. This situation demands the formulation of effective congestion management strategies to overcome the adverse effects of line congestion in inter-connected transmission systems [4,5].
The credibility of the interconnected transmission system network can be improved when the power system specialist ensures congestion solutions in a fast, economical and efficient manner. One of the basic schemes is to optimize the scheduling of generators in the system such that the TSO controls power flow to reduce the congested lines, so that it does not exceed the thermal limits of the line. The literature survey revealed the adoption of various algorithms such as the Big Bang-Big Crunch (BB-BC) algorithm, the improved version of the particle swarm optimization (PSO) method in the form of hybrid BB-BC(HBB-BC) optimization algorithm, black-hole, meta-heuristic satin bowerbird, strength pareto evolutionary algorithm, artificial bee colony and multi-objective glow-worm swarm method and Harris hawks optimization algorithm for optimum rescheduling of generating stations for congestion relief in power system network [6]. Previous researchers proposed different algorithms for solving congested lines by rescheduling generators at central stations. The need to introduce changes in generation at significant stations and curtailment of loads creates additional revenue loss and complexity in its realization at inter-connected transmission systems. The generation scheduling approach is less preferred for congestion relief due to economic considerations. Variations in generator power outputs may lead to a restructuring of financial aids among generating companies and consequent economic revenue loss.
Another scheme for congestion relief is the integration of flexible AC transmission (FACTS) devices such as static voltage controllers (SVC), thyristor controlled rectifiers (TCR), thyristor switched capacitors and thyristor controlled rectifiers (TSC-TCR) along with rescheduling of generators in the system [7,8,9,10,11]. The FACTS devices provide the required reactive power to loads locally, which avoids energy extraction from central generators through distant lines up to a certain level, and it assists in alleviating the congestion of transmission lines in the system. However, this method exhibits certain demerits such as the requirement of expensive FACTS devices, limits in the capacity of FACTS device integration due to loading limits of the system and provision of complex control and switching strategies for FACTS devices, the requirement of continuous monitoring schemes of FACTS devices for its smooth and fast operation [12]. The demand response (DR) technique for congestion relief controls power flow along congested lines by effectively controlling consumer load demand during congested periods. The DR technique ensures the customers’ involvement in congestion relief of the system by rescheduling their consumption period from peak hours to off-peak hours, which helps the utility to adjust their load pattern by cutting the peak and filling the valley scenario to manage the congestion issue [13]. However, the overall power market and increase in system complexity introduce significant difficulty in the practical realization of the DR technique due to the requirement of advanced forecasting technology, communication methods, load monitoring methods and demand control strategies for congestion relief. Previous researchers investigated energy storage technologies and their benefits to enhance the transmission aspects of capabilities of congested transmission networks. Still, the battery storage used to alleviate thermal constraints has not yet been thoroughly ensured [14].
The demerits of generation scheduling technique, FACTS device integration methods, DR technique and energy storage technologies motivated the authors of this study to investigate the scope of another major scheme which utilized different DG methodologies such as renewable generation (solar and wind) and the use of alternative methods such as gas operated turbines, IC engines and diesel engines, which can also be adapted for congestion management [15,16]. Renewable distributed generation is a dependable scheme for alleviating congested transmission lines due to its economic and technical benefits. Various system constraints such as line loss reduction, voltage profile and resilience were addressed and analyzed for better performance [17]. The optimal siting and sizing of DG units supported the system to reduce power loss and improve voltage profile and voltage stability fluctuation. Its outcome was illustrated profoundly in the reference [18]. This work conducted voltage performance analysis for high-penetration photovoltaic distribution systems, providing results for improving the system performance [19]. Improvement in power system resiliency was analyzed with optimal location and placing multiple DGs for evaluating the system’s performance [20]. Congestion alleviation methodologies for steel mill power systems by distributed generation and DG allocation techniques in primary Distribution networks were analyzed and illustrated in depth in the reference [21,22].
The DG sources installed at the load buses will deliver the required active power to the loads in the system, reducing energy extraction from central generators through transmission lines over the long corridor. This scheme gives an insight into realizing effective strategies for alleviating congestion in transmission lines by DG penetration in the power grid. The DG integration scheme offers merits such as flexibility to supply the required power to loads with minimum cost and non-requirement of change in the scheduling of central generators locally [23]. The DG integration technology may not instruct the additional support of FACTS device integration or load-shedding scenarios as a solution for congested transmission lines. Researchers considered DGs an effective tool for congestion alleviation, meeting power loss minimization and operational objectives of system availability enhancement.
The outage of any one of the transmission lines may trigger other interconnected lines into a stage of overloading. Thus, installing DGs as a solution for congested lines should consider the level of overloading at each line, as the congestion severity relies primarily on the extent and area of the line outage and the system conditions. Integrating DG into the bus will change system parameters, such as values of active and reactive power flows along lines, power loss at lines, bus voltages and currents. The effectiveness of this method relies on the optimum placement of DG units with sufficient power injection capability at an optimal point in the congested system by considering the changes in the power flow, which will ensure the injection of the required amount of power for congestion relief in the system. Thus, it is essential to consider the changes in all the system parameters after the line outage concerning the normal system parameters just before the integration of DGs into the system for congestion relief.
Developing methods for adequate sizing and siting of DGs for congestion relief requires estimating various parameters in the power system network. Such parameters include active and reactive power flows at each line, the magnitude of current at each bar, active and reactive power losses at each line and voltage magnitudes at buses during typical and outage cases with post- and pre-penetration of DGs in the system. Various techniques to determine the capacity and location of DGs integration into the system for effectively alleviating congestion in transmission lines by maintaining different system parameters within their allowable limits were proposed by previous researchers [23,24,25]. The previous studies broadly categorized the methods adopted for optimal allocation of DGs for congestion relief as analytical, optimization techniques, heuristic approaches and various miscellaneous techniques such as the clustering approach, the Monte-Carlo simulation, simulated annealing algorithm and the cuckoo search algorithm [26,27,28,29,30].
Heuristic methods include genetic algorithms (GA), ant colony optimization, simulated annealing, tabu search (TS), particle swarm optimization, the artificial bee colony algorithm, the shuffled bat algorithm, GA with point estimate method, modified simulated annealing and harmony search with the differential operator. Population-based heuristic methods were widely adapted in operational and planning studies because they efficiently handled multiple constraint criteria. The researcher detailed the use of heuristic methods for optimal siting and sizing of DGs in radial distribution networks [31,32]. The complexity in nature and ample time for computations are some of the demerits of the heuristics approach for optimization. The difficulties employed in heuristic and optimization algorithms motivated the authors to investigate the scope of application of the multi-index-based simulation technique of the load flow estimation approach. This strategy will allow for the evolution of a feasible scheme for the best placing and quantifying of DGs in interconnected transmission systems. The literature survey revealed that the analytical methods used mathematical models of the system to obtain the optimum solution for DG allocation. Primary analytical procedures described in the literature for optimal allocation of DGs in a system have several bases, such as several eigenvalue evaluations, modal analysis, index, sensitivity-based and point estimation methods. Analytical methods face challenges in their application for large and complex power system networks due to the difficulty in obtaining mathematical functions for finding optimal location and capacity. However, the load flow calculation methods such as the Gauss–Seidel method and Newton–Raphson method are reliable mathematical methods to determine the power flows and voltage profiles at each area in a power system network.
As long as the power system planning considers operating the system under the N-1 criterion, the power grid shall be capable of facing an outage of a single transmission line, cable, transformer or generator without causing power interruption to any feeding area of the transmission system operator (TSO). The basic principle of N-1 security in network planning states that network security shall be ensured if a component, such as a transmission line, transformer or generator failure, occurs in a network operating at the maximum energy forecast levels if the system is designed to work under the N-1 criterion. In that case, these criteria will help to ensure system security, reliability, redundancy and safety throughout the system from downstream to upstream. N-1 criterion is the rule according to which the elements remaining in operation within a transmission system operator (TSO)’s control area after the occurrence of a contingency is capable of accommodating the new operational situation without violating operating security limits of the network.
The power system requires only N-1 lines or equipment to deliver the allocated power to all end users satisfactorily during normal system conditions. If one of the lines or equipment fails in the system at any time, the line or equipment will ensure system security, reliability, redundancy and safety throughout the system from downstream to upstream under the N-1 criterion.
This additional installation of one component is essential in generation expansion plan, transmission expansion plan and distribution expansion plan to operate the system under N-1 scenario. Renewable energy sources are available from kW to several thousands of MW, and renewable energy sources can be penetrated in any level of voltage of the system from downstream to upstream. Due to the power quality issues created beyond the allowable range of parameters, such as voltage fluctuation, power factor variation, voltage stability, VAR compensation issues and frequency fluctuations, DGs cannot be considered a permanent remedial measure for N-1 contingency. However, the combined use of system indices, the fast power flow solutions and the investigated scheme’s reliability will motivate the power system specialists to handle this methodology to a certain extent with loss minimization criterion. Renewable energy sources are widely used as distributed generation worldwide to a large extent. Several countries have substantial solar power plants with a capacity of 2200 MW or above extended across several thousands of acres of land in the deserts. Thus, the tremendous growth of renewable energy sources such as solar and wind energy systems triggered present power system policies and scenarios to a profound level of changes all over the globe.
This study proposes to formulate e the system indices allied load flow-based algorithm to obtain the finest solution without any delay in achieving appropriate convergence availing the benefits of a mathematical approach. This work presented a load flow analysis-based method for congestion relief in a 14-bus system of IEEE. The objective of the analysis was to recognize the extremity of interruptions of transmission lines in the power system network. The work also attempted to identify the most critical cases of supply interruptions by analyzing load flow results. The research focused on identifying potential parameters to arrive at the best capacity and bus for DG integration for the solution of congested lines in the system as part of congestion management. This work analyzed power flows in the developed 14-bus IEEE system during line outage events by injecting DG sources of different capacities at several locations. This will help to recognize suitable parameters to propose a reliable scheme to find feasible buses and the capacity of DG to integrate into the system for congestion relief. The analysis focused on selecting the best case of DG penetration, which resulted in a maximum reduction in system loss. This work recognized two system indices to formulate a methodology to best place and quantify the DGs of an interconnected transmission system. This work investigated the applicability of these indices for optimum siting and sizing of distributed generation to inject into the system for congestion relief. As a case study, the research successfully tested the part of the practical system of the supply entity of the state of Kerala, India, using the developed algorithm.

2. Formulation of the Mathematical Problems

Outages of transmission and distribution lines are a critical source of congestion in a power system network, and more investigations on the same are necessary to ensure the feasible and steady operation of the network. Congestion occurs mainly due to the interruptions of feeders and transformers in the power system network. The impact of outages shall be recognized based on the percentage increase in power flow along the lines and are dependent on the area of the line outage and the transmission network configurations. A detailed study of the 14-bus system of the IEEE environment during the interruption of lines at various branches of the system must be conducted to understand the most severe case of line outage, which results in the most congested system conditions in the network. This study is also essential to identify the power flows along the lines for each case of line interruption in the system. As discussed in the previous literature studies, DG penetration is widely recognized as the most feasible scheme for alleviating congestion in the power system network with the following constraints.
V i , m i n V i ( u ) V i , m a x   i B s
where Vi(u) is the voltage at bus i; u is the set of control variables; Vi,min and Vi,max are, respectively, the minimum and maximum allowable voltages at bus i; and Bs is the set of all buses.
Since the power flows through those feeder lines and tie switches cannot exceed their corresponding installation capacities, these limitations can be generally expressed as
P l ( u ) P l , m a x   l L s
where Pl(u) and Pl,max are, respectively, the power flow and the maximum allowable power of line l and Ls is the set of all transmission lines.
In addition to the operational bus voltage and line power flow constraints, the power that can be transferred by the individual tie switch is limited by the available transfer capability (ATC) as
P l ( u )   A T C l
where ATCl is the remained transfer capability in line l for further activity in addition to those already committed, and
A T C l = T T C l T R M l
where T T C l is the maximum power flow without causing thermal overloads, voltage constraints, or any other system security problem at line l, whereas T R M l is the reserved capability at line l comprising possible uncertainties due to system operational condition changes and contingencies.
When we analyzed the optimal power flow (OPF) scenario, several control variables were incorporated, such as generator voltage, transformer tap position, switched capacitor settings, reactive injection for a static VAR compensator, load shedding and decoupled line flow. The OPF is a very lengthy and very tough mathematical programming problem. The OPF equations can be expressed in terms of a vector of state variables x, vector of control variable u, and vector of fixed parameters p. The associated OPF equations using various methods were obtained as detailed below [33,34].
MVA i j MVA i j ( with   line   nm   out ) MVA i j +
where MVA i j is the apparent power flow along the line connecting bus i and bus j with line nm out
P g e n P l o a d P l o s s = 0
where P g e n , P l o a d , P l o s s are the total power generated by the generators, total load connected to the system and total system loss, respectively.
MVA   Flow nm MVA   Flow nm max       MVA   Flow nm MVA   Flow nm max
where MVA   Flow nm max is the maximum power flow without causing thermal overloads, voltage constraints or any other system security.
MVA   Flow nm = MVA   Flow nm 0 + u ( u MVA   flow nm ) Δ u MVA   flow nm max
where MVA   Flow nm max is the maximum power flow without causing thermal overload
P 1 + P 2 + …… + P r e f = P l o a d + P l o s s e s = constant
where each P represents the generator power, load and loss in MW.
As reported in the literature, the congestion issues shall be alleviated, and other problems which occur during line congestion, such as an increase in power loss, and reduced reliability in system performance, shall also be rectified by integrating DGs. In addition, the advantages of achieving stability and bus voltage reliability of the system shall be fulfilled. Furthermore, the research studies are essential to propose a reliable scheme to determine the optimal size and capacity of the DG, which is to penetrate the system to reduce power loss in an extensive power system network. This demands the estimation and analysis of power flows during line outages and the integration of DGs into the system during outage cases. An intense study of power flows and associated index parameters of the system during the integration of DG’s various capacities is a necessary task in the formulation of a suitable scheme for finding the feasible location ad capacity of DG to be integrated into the system during the outage of a line in the system for congestion relief.
The application of two parameters, namely the Index of Severity (SI) and distributed generation sensitivity factor (SF), is described in this paper for estimating the range of congested lines and finding the best DG placement in the system for alleviating the congestion during the case of a line outage in the system. The definition of the proposed index parameters is described below.
(a)
Severity Index and Percentage violation of loading
The severity index estimated using active power flow along transmission lines used to find out the worst outage case and to alleviate the congestion in transmission lines were described in [33,34]. In this paper, the parameter known as the severity index (SI), estimated using apparent power, is proposed to identify the severity of line outages in the system. It is a dimensionless parameter and is given by,
SI = all   branches l ( S flow l S l max ) 2 n
where the SI severity index will provide the extent of the outage affecting the power system. SI will be small if all flows are within the limit and large if one or more lines are overloaded. The best value for n is identified as 1 or 5 to obtain sufficient information in the solution at the end of the first iteration of the decoupled power flow to obtain favourable SI [34,35].
Percentage violation of loading is calculated as given in (11).
V i o l a t i o n = ( T H L P R L ) T H L × 100
where THL is the thermal limit and PRL is the present load in the transmission line.
As long as the voltage is incorporated in the SI, the equation will be interpreted as a severity index estimated using apparent power flow along transmission lines, which is used to find out the worst outage case and alleviate the congestion in transmission lines given by (12).
SI = all   branches l ( S flow   l S l max l ) 2 n + all   buses i ( Δ | E i | Δ | E | max ) 2 m
(b)
Sensitivity Factor
Here, the sensitivity factor is estimated between line l and generator bus i when line k is an outage. Δ | E i | the difference between the voltage magnitude as solved at outage and base case voltage magnitude. When addressing the bus phase angles Δ θ for the obtained set of changes in the bus power injections, P the following mathematical equations will come into the picture using a, d and δ factors to model the power system in its post-outage state.
Δ θ = [ X ] Δ P
where the bus phase angle change Δ θ for the obtained set of changes in the bus power injections, Δ P
Δ P = [ Δ P n Δ P m ]
P ˜ n m = Δ P n = Δ P m
Δ f k = a k i Δ P i
where ( a l i + d l . k a k i ) is the compensated generation shift sensitivity factor
Δ f l = a k i Δ P i + d l . k a k i Δ P i = ( a l i + d l . k a k i ) Δ P i
where ( a l i + d l . k a k i ) is the compensated generation shift sensitivity factor.
The linear sensitivity factor can be expressed as partial derivatives, as in Equation (22). It demonstrates the flow’s (MVA) sensitivity on lines i to j concerning the power generated at bus k.
LSF = MVA   flow i j MW   gen k
where LSF is the linear sensitivity factor. The injection of DGs into the system alters the power flow at each line in the network. The above mathematical equations support the finalization of an index known as distributed generation sensitivity factor (SF), which considered the relative change in apparent power flow along lines concerning the capacity of penetrated DGs and is defined as given in (18). The SF is obtained from the congested lines by power flow change in a transmission line ‘l’, which connects the buses n and m. In this equation, the apparent flow of power is considered for the estimation of the DG sensitivity factor S F considering the influence of reactive power flow.
S F = δ S i δ P i ,
where δ S i is the change in line flow between node n and m, and δPi is the change in actual power injection at nth the node by the DG.

3. Optimal Location of DGs for the Solution of Congested Lines

The introduction of DGs with any bus in the power system alters the power flow values along different lines in the system, which may help reduce the power losses along the lines. As a result, the system performance is improved, and the congestion present in the pipes is alleviated. The extent of congestion varies from case to case of line outage, and the optimum DG size and location to ease congestion for each outage case are different. The development of a feasible approach to estimate the extent of each outage case is essential. This case was considered in the analysis to develop a scheme to find the most viable site for DG penetration to alleviate the congestion in transmission lines. A quantitative analysis of the system by conducting load flow analysis for various cases of line interruptions in the power system was carried out in a modified IEEE 14-bus test system to develop feasible schemes to recognize the most severe outage case. The single-line diagram of the modified IEEE 14-bus system is shown in Figure 1. The IEEE 14-bus system consists of fourteen buses (shown in the red thin bar), five generators (shown in green star connection inserted circle), eleven loads(shown in blue arrow), sixteen lines (shown in black line) and five transformers (shown in parrot green winding).
The modified IEEE 14-bus system was implemented in ETAP®, and a load flow analysis was conducted for the typical load profile, shown in Figure 2 and Figure 3. The percentage violation of loading in each transmission line obtained from the simulation is given in Table 1. This work considered the N-1 contingency analysis by creating an outage of Line No. L6_13 in the IEEE 14-Bus test system. The percentage violation of loading in each transmission line obtained from the simulation is given in Table 1 under both cases without outage and with outage by conducting an N-1 analysis in the outage case. Table 1 depicts the magnitudes of percentage violations indicating the level of congestion of each line in the system due to the interruption of lines 6–13. The effect of the outage of a typical line L6_13 on the transmission line congestion was studied using the ETAP® simulation, and the results are given in Table 1. During the outage of lines 6–13, the apparent power flow of three lines exceeded their thermal limits at each bar, requiring an immediate solution.
The severity index components of the branches (SICB) of the base system of the IEEE 14-Bus test system were arrived at using the equation SICB = ( S i j S i j m a x ) 2 . The values of the severity index component (SICB) of each branch from the power flow status were calculated and are presented in Table 1. From the values, it was observed that none of the SICBs was greater than 1 when there was no component outage in the system. Hence, there was no congestion in the base system, whose SI was 8.4, as presented in Table 1. In observing the outage case in Table 1, the results indicate that the values of SICB for the lines L6_11, L10_11 and L12_13 as 1.61, 2.49 and 2.22, respectively. Hence, these lines were identified as congested lines due to the outage of L6_13. From the results, it was also inferred that line L10_11 was the most critically crowded compared to lines L6_11 and L12_13.
Repeated N-1 simulation studies were conducted using the ETAP® simulation for the outage of each component, such as the transmission line, transformer and generator, to observe the congestion by carrying out an N-1 analysis. The number of congested lines and SI obtained for the entire simulation study are given in Table 2. The outage branches such as generator, transformer and line number, consequent number of congested units and respective SI index values were obtained.
In the normally running base system of the 14-bus IEEE system as configured in Figure 1, the value of SI = 8.4. Table 2 shows that all outage branches in Figure 1 with SI values above 8.4 were treated as congested cases in the system with N-1 analysis, and the number of congested lines in each outage case also showed the importance of the analysis. Being SI a Global Index, in principle it is possible to have congestion cases in which SI is lower than 8.4 in other systems depending upon the configuration of the components. Similarly, the choice of the cases with SI higher than 8.4 is not intended to represent all the possible congestion cases of other systems and it depends upon the components configuration of the system.
The sensitivity factor (SF) determined the best bus location for the penetration of DG into the system for congestion management in transmission lines. Distributed generation SF for each case of DG penetration of 1 MW at different buses was determined from the load flow results obtained by simulation using ETAP software. It was regarded that the negative values of SF reflected the suitability of that location of the bus for DG placement for managing congestion in the interconnected transmission lines, as shown in Table 3. The investigation revealed that for the feeder outage (L6_13), the feasibility of all load bus locations of Bus No. 4, Bus No. 5, Bus No. 7, Bus No. 9, Bus No. 10, Bus No. 11, Bus No. 12, Bus No. 13 and Bus No. 14 were considered for managing congestion in the system, as displayed in Table 3. Thus, different scenarios for congestion relief were obtained by analyzing the system’s power flow for the critical outage case (interruption of feeder L6_13) and the conditions for feasible placing and quantifying of DG integration were determined as given in Table 3. The simulation results and power flow study in the power system network with penetration of DG revealed that the identified Bus No. 7, Bus No. 9, Bus No. 10 and Bus No. 14 were considered suitable buses for integration of DG sources during the outage of feeder L6_13; thus, DG Bus No. 7, DG Bus No. 9, DG Bus No. 10 and DG Bus No. 14 were treated as feasible buses as shown in Table 3.

4. Congestion Management Technique for Best DG Capacity

The power loss at each line is a critical factor to consider during integrating DGs at buses for congestion relief. It was considered in this work to determine the optimum size of the DG source to be integrated into the system for alleviation of congestion during the case of a line outage. The capacity of DG size, which, when injected into the system, results in minimum power loss, will have the capability to alleviate the congested feeders at the maximum level, and it shall be regarded as the best size for the local generator integration as shown in Table 4. The system power loss with various buses for DG penetration of appropriate capacity, which offers minimum power loss when injected at different buses, is shown in Table 4.
The solution for managing congested lines in the interconnected system was ensured by adopting DG methodology at the system of congestion with power loss minimization criteria utilizing the developed algorithm, and its reliability of optimum siting and sizing of DG was proved by cross-checking Table 3, Table 4 and Table 5.

5. Proposed Algorithm for Managing Congested Feeders in Transmission Network

The most crucial step in the development of the algorithm is the design of the accurate power system model, as any error in the system data will adversely affect the simulation results of the actual model of the system to be investigated. The system data, such as resistance, inductance and capacitance of the transmission line, shall be collected and entered correctly to reflect the better performance of the system. It shall be measured and used appropriately. The length of the transmission line and its conductor material shall be considered seriously to obtain accurate simulation results. The transformer specifications, including tap positions, shall be precise while considering the transformer design, and the winding shall be connected with the correct polarity. The type of generators shall be entered explicitly for the appropriate result. The wrong selection of generators may cause a system mismatch while running the algorithm. Utmost care is required to simulate without mismatch. The algorithm’s accuracy depends upon the safe data handling in the system. The identified sensitivity factor (SF) index can be employed to find the feasible location of DGs to be integrated into the system for congestion relief in transmission lines. Using SF in a congested line can minimize the effort to identify the feasible location for DG penetration in an extensive interconnected system. The combined use of load flow analysis and SF is detailed in this section. The combined effect can formulate a feasible approach for finding the best size and bus location for DG placing, thereby managing congested feeders in the transmission network.
The proposed algorithm for managing congested feeders in the transmission network during an outage of lines is described in Figure 4. The algorithm proposes the combined application of system knowledge and computer simulation-based load flow analysis of the system for managing congested feeders in the transmission network. The power system expert shall acquire a prior understanding of the practical system’s parameters for applying this algorithm. The developed system parameters shall be used to formulate a load flow model of the system. They can be utilized for assessing the severity level of various line outage cases and estimating the sensitivity factor (SF) for multiple capacities and the location of DG integration into the system for congestion management during outage cases. The proposed algorithm demands the analysis of power flow solutions of the practical system under various line outage cases and the estimation of congestion level in terms of the number of congested lines and severity index for each outage case. This knowledge shall be used to obtain prior knowledge of solutions for congestion relief by DG integration. Thus, by estimating the severity index during each outage case, the system expert will be able to assess the critical impact of a line outage case on the system during its occurrence.
The technical scheme for managing congested feeders in the transmission network during a particular line outage case requires the analysis of the power flow solutions of the developed model of the system with the corresponding outage introduced into the model. The computer-based simulation and analysis of power flow solutions will yield the apparent power flow and power loss at each inter-connected system’s inter-connected lines. The obtained results shall be used to estimate the sensitivity factor (SF), which can be used to find the best bus for DG penetration for managing congested feeders in the transmission network in the corresponding line outage case. The buses which yield negative values of SF for DG integration in the buses shall be regarded as feasible buses for DG integration into the system for managing congested feeders in any IEEE bus system or any practical interconnected system of any entity.
The decisions of feasible buses using SF should be followed by a series of apparent power flow solutions for the study of the system with outage cases by integrating various capacities of DG sources into the system at feasible buses. During the case of DG integration of various capacities at each possible bus, the power loss in the system shall be acquired by simulation. It can be used to determine the best DG penetration bus for managing congested feeders in the transmission network. Integrating a feasible DG capacity at each viable bus will ensure a congestion-free environment in transmission lines. These DG capacity values shall be obtained by power flow solutions of the system with DG penetration of various matters in the feasible buses. A detailed apparent power flow analysis will yield the DG source values, which tremendously diminish the obstruction of power flow identified by checking the system’s severity index (SI). These values will be different at each feasible bus. Thus, the power flow analysis of the transmission network with variable DG capacity at the probable buses yields the DG capacity required at each viable bus for managing congested feeders in the transmission network.
The next task for managing congested feeders in the transmission network with DG penetration is the most favorable selection among the feasible buses and DG capacities. This shall be acquired by the analysis of power loss of the system for each of the DG integration cases at workable buses. The power loss in the system with DG integration of derived values for congestion relief at the workable buses shall be estimated by load flow analysis. The combination of DG size and location, which yield the minimum power loss in the system, shall be regarded as the optimal size and site for DG or local generator integration for managing congested lines for the particular line outage case, as described in the proposed methodology in Figure 4. This scheme will provide advanced information for the best capacity and location of the local generator to be integrated into the system by estimating the appropriate values of distributed generation sensitivity factor (DGSF). The formulated methodology will provide a proactive indication to arrive at the most favourable buses to eliminate the power flow obstruction in the feeders of the transmission network by the allocation of appropriate local generators or DGs in any interconnected system, using the advanced collection of DGSF in the intermittent step itself of the algorithm rather than moving to the final stage of the scheme.

6. Validation of the Proposed Algorithm for Managing Congested Feeders in the Transmission Network of the 14-Bus System of IEEE

The load flow analysis for the system with DG at various load buses was conducted by simulation, and the results are given in Table 6.
The load buses were identified as bus no. 4, 5, 7, 9, 10, 11, 12, 13 and 14. The DG capacities from 1 MW to 100 MW were penetrated at each load bus after correctly and technically facilitating the system. The result revealed that the power losses were reduced until a specific value of DG capacity, and after that particular value of DG penetration, the loss was increased. This point of minimum failure was selected as the optimal capacity of DG of that load bus. Simulation of the system in ETAP made a comparison of power losses at various lines under the presence of DG of varying capacity at different buses. The results were analyzed and are presented below in Figure 5 and Table 6. The load buses with appropriate DG capacity, which can create minimum system loss, are shown in Table 7. The most favorable buses for DG penetration are shown in Table 8 after validation.

7. Case Study for Congestion Management Using the Formulated Algorithm in the Practical Interconnected Grid System of the Supply Entity of the State of Kerala, KSEBL, India

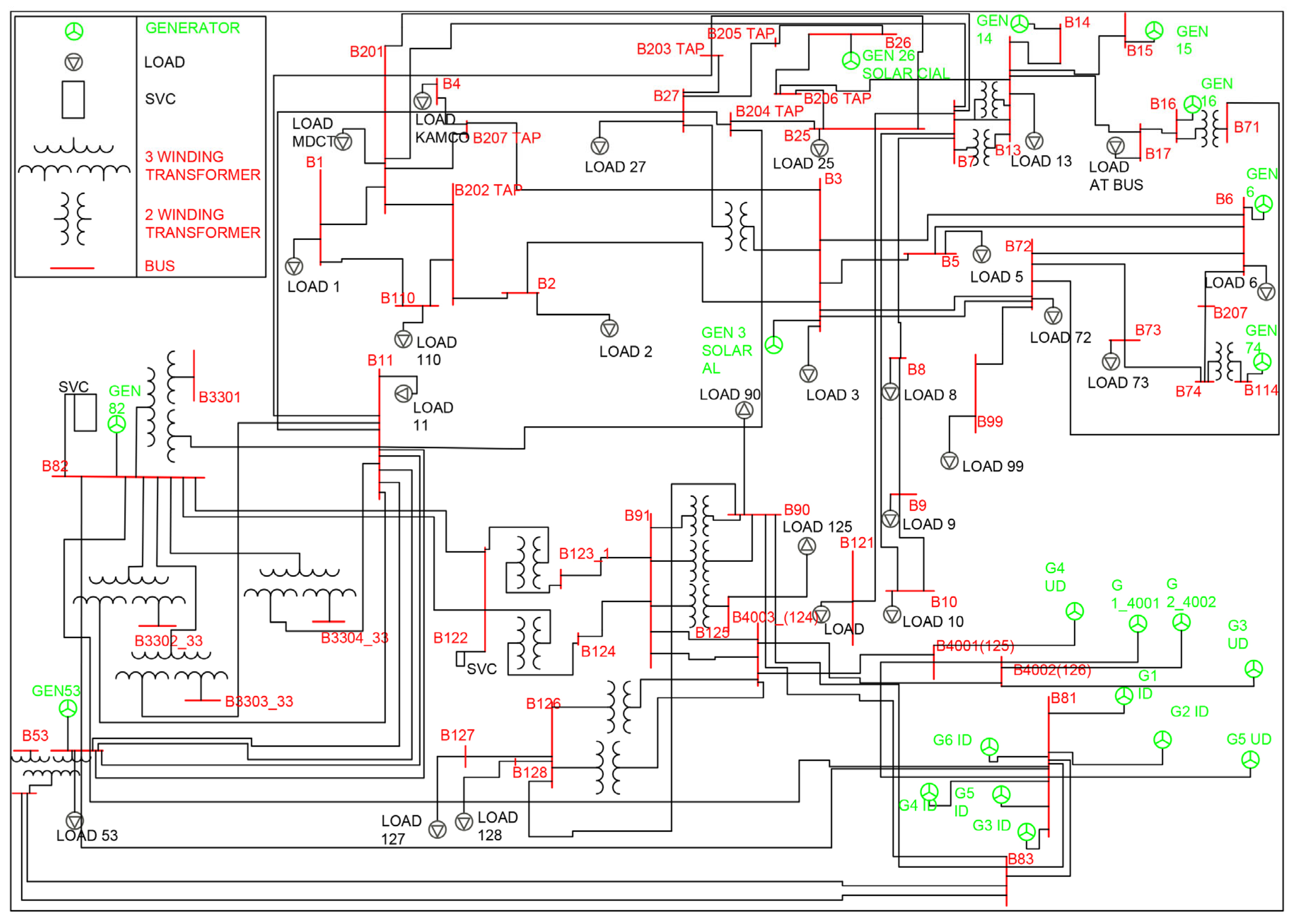
A single-line diagram of the part of the interconnected grid system of the supply entity of the state of Kerala, KSEBL, is shown in Figure 6. The system consisted of 54 numbers of various buses with voltage levels of 400 kV, 220 kV, 110 kV, 66 kV and 33 kV with 80 branches of transmission lines or connections and 14 generators generating 566.933 MW power delivering 17 loads of various specifications, out of which 543.32 MW was active power and 297.93 Mvar was reactive load, producing a loss of 22.613 MW in the system under normal running conditions without any obstruction of energy flows in the feeders. The practical system was implemented in ETAP®, an analysis of power flow solutions was conducted for the typical load profile and the percentage violation of the loading in each transmission line was obtained from the simulation. From the values of the thermal limit of each line and the apparent flowing power of the line in MVA, it was observed that none of the lines was overloaded, nor did the line have a severity index component of each branch (SICB) greater than one, and hence, there was no congestion in the system when there was no feeder interruption in the network. The effect of outage of a typical line of 400 kV, L91_4003 transmitting an apparent power of 240.9 MVA in the system was studied using the ETAP® simulation, and the results are given in Table 9 for observing the status of the congested feeders L17_16 and L17_13 of the practical grid system. These feeders had SICB values of 3.50 and 2.04 with violation percentages of 87.51 and 42.77, respectively, showing concrete proof of the congestion in the system under the outage of L91_4003.
Repeated simulation studies were conducted using the ETAP® simulation for the outage of each transmission line to assess the congestion. The sensitivity factor (SF) determined the best sites/buses for integrating local generators or DGs into the system to solve congested feeders in the transmission network. The SF for each case of DG penetration of 5 MW at different buses was determined from the load flow results obtained by simulation using ETAP software. It was regarded that the negative values of SF reflected the suitability of that location for the placement of DGs or local generators for managing congested feeders in the system. The analysis revealed that, for line outage L91_4003, buses 1, 2, 3, 4, 8, 10, 17, 110 and 125 were considered feasible buses for a congestion solution, as shown in Table 10. The power loss at each line is a critical factor to be considered during the integration of DGs at buses for making the feeders free from power flow obstruction, and this approach was considered in this work to arrive at the best size of DG source for relieving the congested feeders on the occasion of interruption in the network. The capacity of DG size, which, when injected into the system, resulted in minimum power loss, could alleviate the congested feeders, and it was regarded as the best size for the integration of local generators or DGs, as shown in Table 10. Thus, different scenarios for congestion relief were obtained by power flow solutions of the system for the critical interruption event (interruption of line 91_4003). The conditions for feasible placing and quantifying DG allocations were determined and are presented in Table 10. The interruption of L91_4003 will create overloading only in the feeders of L16_17 and L17_13, and the loading of these feeders was observed by placing a DG capacity of 5 MW at each load bus. After the interruption of the feeder L91_4003, the MW loss in the practical grid system was observed as 21.644 MW without placing any DG. The events where the apparent flows in feeders L16_17 and L17_13 were reduced during the interruption of L91_4003 than that of the flow during the usual running case, showing that the SF values were least negative. Power flow solutions of the system with DG penetration revealed that the recognized buses 1, 2, 3, 4, 8, 10,1 7, 110 and 125 were considered feasible buses for integration of DG as a remedial solution after the outage of line 91_4003, as these buses had negative values of SF while buses 25, 27,53 and 72 had positive or zero values of SF, providing a proactive indication for not considering these buses for the best solution, as given in Table 10. The load buses 1,2 and 110 produced minimum losses of 19.58 MW with the allocation of DGs of capacities of 35 MW. Their SF values were investigated and found to be very low compared to other SF values in the group of buses 25, 27, 53 and 72, as given in Table 10. The load buses 3, 4, 8, 10 and 17 produced losses in the range of 20 MW whose SF values were also negative, but more excellent or nearer to the SF values than the group of buses 1, 2 and 110. The buses 25, 27, 53 and 72 produced losses above 21 MW due to their zero or positive values of SF and, hence, these were not considered for comprehensive optima, as predicted in Table 10. The 220 kV bus no.125 was regarded for DG allocation due to its high capacity of 100 MW with a minimum loss of 21.644 MW. The analysis revealed that integrating DG sources of appropriate capacity at buses whose SF values were least negative would help to find a solution for the congested feeders in the practical grid system, particularly when line 91_4003 is interrupted in the same system. The power loss at various lines for DG penetration of capacity which offered minimum power loss when injected at different buses was identified, and the optimal capacity of the DG and bus with minimum loss is shown in Table 11.

8. Conclusions

The development of a load flow-based approach to determine the optimum size and size penetration of DGs for the release of congested feeders from overloading in a transmission system was presented in this paper. The IEEE 14-bus system was considered in the study with rescheduled generation to introduce various line outage cases and analyze the effect of DG penetration on congestion management by power flow solutions. The analysis of the power flow solutions on all transmission lines in the system for various outage cases was carried out, and the combined use of two parameters, such as severity index (SI) and percentage violation, proved its reliability to assess the extent of power flow obstruction of feeders due to feeder outages. The method revealed the most critical case as an outage of transmission line L6_13 in the 14-bus system of IEEE and was considered in the paper for further analysis to develop a method for the most favorable placement and quantification of DGs for congestion management. The use of an index parameter, the sensitivity factor (SF), defined as the ratio of change in apparent power flow along a line concerning the change in penetrated DG capacity at the bus, demonstrated its reliability in identifying the achievable buses for DG penetration to attain a congestion-free environment in feeders. The power loss at each line during each case of DG allocation at workable buses was made to identify the most favourable location and size of DG to reduce obstruction of power flow along feeders. The distributed generation or local generator, which yielded to relieve the environment of overloading in all the feeders with minimum power loss in the system during the outage condition, was regarded as the most favourable case of DG allocation for congestion management. The power flow solutions on the network with feeder outage of L6_13 in the 14-bus system of IEEE with various sizes and locations for DG penetration revealed the adoption of appropriate capacity and a most favourable bus as the most optimum size and location for DG penetration to relieve the congested feeders in the transmission network. The reliability of the formulated approach was examined on the transmission network with various capacities of DGs at all buses in the IEEE bus system, which still yielded the obtained feasible solution as the optimum DG penetration case for congestion management. The investigated scheme for the best placement and quantification of local generators or DGs was verified by the power flow solution of the network with DGs of different sizes at all the buses in the system, and the reliability of the sensitivity factor was revealed. The system indices SI and DGSF provided a proactive indication to predict the potential bus locations for the finest solution of DG penetration in the system. Where appropriate DGSF values are obtained, only those buses should be tested to find the finest buses. As the proposed technique was based on mathematical methods, no approximations were linked with this algorithm. Comprehensive bests arrive while obtaining the solution for optimal bus and DG capacity to integrate the system with DGs. The simulation results were speedy, and appropriate convergence was received in the solution without any divergence probability through this algorithm. The practical application of the proposed algorithm was successfully tested in the grid system of the supply entity of the state of Kerala, comprising a large number of buses, and the best location and size for the allocation of DGs for congestion solution in the most critical case was determined by the presented algorithm. This method proposed a less complex algorithm for the most efficient detection of the best placing and quantifying of DG in a system of interconnected transmission networks.

Author Contributions

Conceptualization, J.P.V. and K.S.; methodology, J.P.V.; software, J.P.V.; validation, J.P.V., K.S. and A.S.; formal analysis, J.P.V., K.S. and A.S.; investigation, J.P.V.; resources, J.P.V.; data curation, J.P.V., K.S. and A.S.; writing—original draft preparation, J.P.V.; writing—review and editing, J.P.V., K.S. and A.S.; visualization, J.P.V.; supervision, K.S. and A.S.; project administration, J.P.V., K.S. and A.S.; funding acquisition, J.P.V., K.S. and A.S. All authors have read and agreed to the published version of the manuscript.

Funding

This research received no external funding.

Data Availability Statement

Not applicable.

Acknowledgments

The authors thank KSEBL, Kerala, India, for providing the technical data for use in this research work.

Conflicts of Interest

The authors declare no conflict of interest.

References

  1. Ayalew, M.; Khan, B.; Giday, I.; Mahela, O.P.; Khosravy, M.; Gupta, N.; Senjyu, T. Integration of Renewable Based Distributed Generation for Distribution Network Expansion Planning. Energies 2022, 15, 1378. [Google Scholar] [CrossRef]
  2. Chakraborty, S.; Verma, S.; Salgotra, A.; Elavarasan, R.M.; Elangovan, D.; Mi-het-Popa, L. Solar-Based DG Allocation Using Harris Hawks Optimization While Considering Practical Aspects. Energies 2021, 14, 5206. [Google Scholar] [CrossRef]
  3. Sarwar, M.; Siddiqui, A.S.; Ghoneim, S.S.; Mahmoud, K.; Darwish, M.M. Effective Transmission Swarm Optimization for Contemporary Congestion Management via Optimal DG Capacity Using Hybrid Swarm Optimization for Con-temporary Power System Operations. IEEE Access 2022, 10, 3187723. [Google Scholar]
  4. Ramadan, A.; Ebeed, M.; Kamel, S.; Nasrat, L. Optimal Allocation of Renewable Energy Resources Considering Uncer dainty in Load Demand and Generation. In Proceedings of the IEEE Conference on Power Electronics and Renewable Energy Resources, Aswan, Egypt, 23–25 October 2019. [Google Scholar]
  5. Selim, A.; Kamel, S.; Jurado, F. Hybrid optimization Technique for Optimal Placement of DG and D-STATCOM in Distribution Networks. In Proceedings of the IEEE Twentieth International Middle East Power Systems Conference, Cairo, Egypt, 18–20 December 2018. [Google Scholar]
  6. Karunarathne, E.; Pasupuleti, J.; Ekanayake, J.; Almeida, D. The Optimal Placement and Sizing of Distributed Generation in an Active Distribution Network with Several Open Points. Energies 2021, 14, 1087. [Google Scholar] [CrossRef]
  7. Prakash, P.; Khatod, D.K. Optimal sizing and siting techniques for distributed Generation in distribution systems: A review. Renew. Sustain. Energy Rev. 2016, 57, 111–130. [Google Scholar] [CrossRef]
  8. Sivakumar, S.; Devaraj, D. Congestion management in Deregulated Power system by Rescheduling of Generators Using Genetic Algorithm. In Proceedings of the International Conference on Power, Signals and controls and computation EPSCICON, Trichur, India, 6–11 January 2014. [Google Scholar]
  9. M’dioud, M.; Bannari, R.; Elkafazi, I. Optimal siting and sizing of the Distributed Generation units to reduce power loss and improve the voltage profile using an enhanced Chaotic Particle Swarm Optimization. In Proceedings of the 3rd Global Power, Energy and Communication Conference (GPECOM), Antalya, Turkey, 5–8 October 2021; pp. 132–141. [Google Scholar] [CrossRef]
  10. Xu, Y.; Dong, S.; Lin, L.; Zhang, S.; Mao, H. Optimal Siting and Sizing of Distributed Generation Considering Voltage Stability Fluctuation. In Proceedings of the 4th International Electrical and Energy Conference (CIEEC), Wuhan, China, 28–30 May 2021; pp. 1–5. [Google Scholar] [CrossRef]
  11. Pachauri, H.; Uniyal, A.; Sarangi, S. Optimal Location and Sizing of Multiple DG to Improve Resiliency of Power System after a HILF event. In Proceedings of the 9th IEEE International Conference on Power Systems (ICPS), Kharagpur, India, 16–18 December 2021; pp. 1–6. [Google Scholar] [CrossRef]
  12. Kumar, M.; Soomro, A.M.; Uddin, W.; Kumar, L. Optimal Multi-Objective Placement and Sizing of Distributed Generation in Distribution System: A Comprehensive Review. Energies 2022, 15, 7850. [Google Scholar] [CrossRef]
  13. Naik, S.G.; Khatod, D.; Sharma, M. Optimal allocation of combined DG and capacitor for real power loss minimization in distribution networks. Int. J. Electr. Power Energy Syst. 2013, 53, 967–973. [Google Scholar] [CrossRef]
  14. Nikoukar, J. Optimal Active Power Rescheduling of Generators for Congestion Management Based on Big Bang-Big Crunch Optimization Using New Definition of Sensitivity. Int. J. Eng. Adv. Technol. 2013, 3, 2249–8958. [Google Scholar]
  15. Saric, M.; Hivziefendic, J.; Tesanovic, M. Optimal DG Allocation for Power Loss Reduction Considering Load and Generation Uncertainties. In Proceedings of the 11th International Symposium on Advanced Topics in Electrical Engineering (ATEE), Bucharest, Romania, 28–30 March 2019; pp. 1–6. [Google Scholar] [CrossRef]
  16. Choudekar, P.; Sinha, S.; Asija, D.; Ruchira; Siddiqui, A. Transmission Congestion Management and Techno Economical Analysis using Placement of TCSC. Int. J. Innov. Technol. Explor. Eng. 2019, 8, 2278–3075. [Google Scholar]
  17. Singh, S.N.; David, A.K. Optimal location of FACTS devices for congestion management. Electric. Power Syst. 2001, 58, 71–79. [Google Scholar] [CrossRef]
  18. Liu, C.T.; Hung, K.Y.; Galicia, M.E.; Lin, S.Y. Systematic integration Guidance for Alleviating Congestion of Steel Mill Power Systems by Distributed Generation Units. IEEE Trans Ind. Appl. Soc. 2014, 50, 3113–3119. [Google Scholar] [CrossRef]
  19. Chiradeja, P. Benefit of Distributed Generation: A-line loss reduction analysis. In Proceedings of the IEEE/PES Transmission and Distribution Conference and Exposition: Asia and Pacific, Dialin, China, 14–18 August 2005. [Google Scholar]
  20. Del Rosso, A.D.; Eckroad, S.W. Energy storage for relief of Transmission congestion. IEEE Trans. Smart Grid 2014, 5, 1138–1146. [Google Scholar] [CrossRef]
  21. Wang, K.; Ouyang, Z.; Krishnan, R.; Shu, L.; He, L. A Game theory- based Energy Management System Using Price Elasticity for Smart Grids. IEEE Trans. Ind. Inform. 2015, 11, 1607. [Google Scholar] [CrossRef]
  22. Atwa, Y.M.; Salama, M.M.A.; Seethapathy, R. Optimal resources mix for Distribution System minimization. IEEE Trans. Power Syst. 2010, 25, 360–370. [Google Scholar] [CrossRef]
  23. Acharya, N.; Mahat, P.; Mithulananthan, N. An analytical approach for DG allocation in the primary distribution network. Int. J. Electr. Power Energy Syst. 2006, 28, 669–67823. [Google Scholar] [CrossRef]
  24. Liu, E.; Bebic, J. Distribution system voltage performance analysis for high penetration photovoltaic distribution system. In Proceedings of the IEEE Energy Conference, Atlanta, GA, USA, 1–8 February 2008. [Google Scholar]
  25. Samimi, A.; Naderi, P. A new method for optimal placement of TCSC based on sensitivity analysis for congestion management. Smart Grid Renew. Energy 2012, 3, 10–16. [Google Scholar]
  26. Acharya, N.; Mithulananthan, N. Locating series FACTS devices for congestion management in deregulated electricity markets. Electr. Power Syst. 2007, 77, 352–360. [Google Scholar] [CrossRef]
  27. Ackermann, T. Distributed resources and reregulated electricity markets. Electr. Power Syst. Res. 2007, 77, 1148–1159. [Google Scholar] [CrossRef]
  28. Alderfer, B.; Eldridge, M.; Starrs, T. Distributed generation in liberalized electric markets. Int. Energy Agency 2002. [Google Scholar]
  29. Besharat, H.; Taher, S.A. Congestion management by determining optimal locations of TCSC in deregulated power systems. Int. J. Electr. Power Energy Syst. 2008, 30, 563–568. [Google Scholar] [CrossRef]
  30. Bompard, E.; Correia, P.; Gross, G.; Amelin, M. Congestion management schemes a competitive analysis under a unified framework. IEEE Trans. Power Syst. 2003, 18, 346–352. [Google Scholar] [CrossRef]
  31. Yu, C.N.; Ilic, M.D. Congestion clusters–based markets for Transmission management. In Proceedings of the IEEE Power Engineering Society Winter Meeting, New York, NY, USA, 31 January–4 February 1999; Volume 2, pp. 11–24. [Google Scholar]
  32. Xiao, Y.; Wang, P.; Goel, L. Congestion management in hybrid power markets. Electr. Power Syst. Res. 2009, 79, 1416–1423. [Google Scholar] [CrossRef]
  33. Allen, J.W.; Bruce, F.W. Power Generation Operation and Control, 2nd ed.; John Wiley and Sons: New York, NY, USA, 1996; pp. 430–452. [Google Scholar]
  34. Alsace, O.; Bright, J.; Paris, M.; Stott, B. Further Developments in LP-Based Optimal Power flow. IEEE Trans. Power Syst. 1990, 5, 697–711. [Google Scholar] [CrossRef]
  35. Karmarkar, N. A New Polynomial-Time Algorithm for linear Programming. Combinatorica 1984, 4, 373–395. [Google Scholar] [CrossRef]
Figure 1. Modified single-line diagram of IEEE 14-bus system.
Figure 1. Modified single-line diagram of IEEE 14-bus system.
Energies 16 02536 g001
Figure 2. A typical load capability profile is considered for load flow analysis under normal conditions for the 14-bus system of IEEE.
Figure 2. A typical load capability profile is considered for load flow analysis under normal conditions for the 14-bus system of IEEE.
Energies 16 02536 g002
Figure 3. A typical load profile under outage of Line 10 by load flow analysis for the 14-bus system of IEEE.
Figure 3. A typical load profile under outage of Line 10 by load flow analysis for the 14-bus system of IEEE.
Energies 16 02536 g003
Figure 4. Algorithm for managing congested feeders in interconnected transmission networks of any bus system with DG penetration.
Figure 4. Algorithm for managing congested feeders in interconnected transmission networks of any bus system with DG penetration.
Energies 16 02536 g004
Figure 5. Validation of the proposed algorithm with bar charts for various DGs at all load buses with respective system losses for the 14-bus system of IEEE.
Figure 5. Validation of the proposed algorithm with bar charts for various DGs at all load buses with respective system losses for the 14-bus system of IEEE.
Energies 16 02536 g005
Figure 6. Single line diagram of the part of the interconnected transmission system of the supply entity of the state of Kerala, KSEBL.
Figure 6. Single line diagram of the part of the interconnected transmission system of the supply entity of the state of Kerala, KSEBL.
Energies 16 02536 g006
Table 1. SICB, SI and violation percentage tabulation of modified IEEE 14-bus system without outage and outage of Line 6–13 cases (N-1 analysis).
Table 1. SICB, SI and violation percentage tabulation of modified IEEE 14-bus system without outage and outage of Line 6–13 cases (N-1 analysis).
BranchLine NumberLoad Flow without Any OutageLoad Flow with L6_13 Outage
Sij in MVASICB = SQ (Sij/Sij,max)Violation%Sij in MVASICB = SQ (Sij/Sij,max)Violation%
L1_2190.00.6−25.189.940.56−25.04
L1_5244.00.5−31.644.450.46−31.61
L2_3339.00.4−40.438.750.35−40.38
L2_4433.00.3−49.233.050.25−49.14
L2_5525.00.3−49.225.390.25−49.20
L3_4610.00.0−84.210.270.02−84.20
L4_5734.00.6−24.534.020.57−24.38
L6_11816.00.8−12.822.871.6127.06
L6_1299.00.1−72.024.210.57−24.32
L6_131022.00.5−30.000−100.00
L9_10113.00.0−90.38.660.07−72.91
L9_14125.00.0−84.612.150.14−62.01
L10_111312.01.0−1.718.932.4957.83
L12_13143.00.0−78.017.902.2249.17
L13_141511.00.8−9.34.18210.12−65.14
SI = 8.4, No Congestion. SI = 12.5 System under Congestion.
Table 2. Number of congested lines and severity index (SI) for various outage cases in the modified IEEE 14-bus system.
Table 2. Number of congested lines and severity index (SI) for various outage cases in the modified IEEE 14-bus system.
Outage Branch L/G/TOutage L/T/G
Number
Total Number of Congested LinesSeverity Index (SI)
L1_21213.7
L1_5219.2
L2_33110.3
L2_4419.9
L2_5508.13
L3_4608.3
L4_5708.2
L6_118212.1
L6_12919.1
L6_1310312.5
L9_101118.5
L9_141218.5
L10_1113110.3
L12_131418.5
L13_1415211.6
G2G208.92
G3G3110.70
G6G629.70
G8G839.98
T1T1620.85
T2T2310.00
T3T3312.01
T4T439.98
T5T5417.21
Table 3. Sensitivity factor for 1 MW DG placed at various buses.
Table 3. Sensitivity factor for 1 MW DG placed at various buses.
Feeder L6_13 Open
DG BusSFSFSF
Feeder L6_11Feeder L10_11Feeder L12_13
Bus 40.0000.0000.000
Bus 50.0000.0000.000
Bus 7−0.140−0.150−0.060
Bus 9−0.320−0.320−0.130
Bus 10−0.360−0.360−0.080
Bus 11−0.4700.4600.020
Bus 120.2000.2000.300
Bus 130.0300.030−0.490
Bus 14−0.170−0.170−0.290
Table 4. DG capacity at all load buses with power loss minimization criteria for the 14-bus system of IEEE.
Table 4. DG capacity at all load buses with power loss minimization criteria for the 14-bus system of IEEE.
DG BusDG Size in MWMinimum Power Loss
(MW)
Bus No. 470.000.051
Bus No. 565.000.055
Bus No. 755.000.049
Bus No. 955.000.038
Bus No. 1045.000.046
Bus No. 113.0000.063
Bus No. 1225.000.067
Bus No. 1330.000.049
Bus No. 1435.000.041
Table 5. Optimal bus and DG size for the 14-bus system of IEEE.
Table 5. Optimal bus and DG size for the 14-bus system of IEEE.
DG BusDG Size in MW
Bus No. 755.00
Bus No. 955.00
Bus No. 1045.00
Bus No. 1435.00
Table 6. Validation table of the algorithm with various DG penetration at all load buses. For the 14-bus system of IEEE.
Table 6. Validation table of the algorithm with various DG penetration at all load buses. For the 14-bus system of IEEE.
Bus 4Bus 5Bus 7Bus 9Bus 10Bus 11Bus 12Bus 13Bus 14
DG (MW)XYXYXYXYXYXYXYXYXY
10.0717.90.07 17.9 0.0718.030.0617.760.0617.76 0.0718.03 0.07 17.7610.0617.760.0617.76
50.0617.980.0617.98 0.0618.240.0616.900.0616.90 0.0616.91 0.06 16.91 0.0616.900.0616.90
100.0617.970.0617.97 0.0618.340.0615.990.0616.00 0.0616.01 0.06 16.01 0.0515.990.0515.99
150.0617.960.06 17.97 0.0618.440.0515.260.0515.270.06 15.29 0.06 15.28 0.0515.270.0515.26
200.0617.960.0617.96 0.0519.960.0514.710.0514.710.06 14.74 0.06 14.73 0.0514.710.0414.70
250.0617.950.06 17.06 0.0520.850.0514.320.0514.330.06 14.36 0.06 14.36 0.0514.330.0414.32
300.0517.940.06 17.95 0.0521.910.0414.100.0514.11 0.0614.155 0.06 14.15 0.0414.120.0414.10
350.0517.940.06 17.95 0.0523.130.0414.050.0414.060.0614.11 0.07 14.11 0.0514.080.0414.05
400.0517.98 0.0517.94 0.0524.530.0414.170.0414.180.06 14.23 0.07 14.24 0.0514.200.0414.17
450.0517.930.05 17.94 0.0526.120.0414.400.0414.450.06 14.53 0.08 14.53 0.0514.490.0414.46
480.0517.930.05 17.94 0.0527.800.0414.420.0414.46 0.0614.670.0814.69 0.05 14.570.0414.72
490.0517.930.05 17.94 0.0527.880.0314.450.0414.47 0.0614.780.0814.970.056 14.68 0.0414.81
500.0517.920.05 17.93 0.0527.890.0314.900.0414.920.06 14.98 0.08 15.00 0.0514.960.0414.92
550.0517.920.05 17.93 0.0429.850.0315.520.0415.540.07 15.61 0.09 15.63 0.0514.49 0.0415.54
600.0517.920.0517.930.0432.010.0316.310.0416.33 0.0716.41 0.09 16.43 0.06 18.23 0.0416.34
650.0517.920.0517.930.0434.000.0317.270.0417.300.07 17.38 0.10 17.41 0.07 20.76 0.0517.31
700.0517.920.0517.930.0437.000.0318.400.0420.000.08 18.530.11 18.560.0798 23.945 0.05518.45
750.0517.920.0517.930.0539.840.0319.710.0421.400.09 19.57 0.13 19.94 0.08 25.67 0.0619.75
800.0517.910.0517.920.0542.940.0321.210.0523.440.09 22.54 0.1424.77 0.097 26.780.07 22.54
850.0517.910.0517.920.0543.960.0321.210.0624.440.99 23.97 0.15 26.970.10 27.76 0.08 24.98
900.0517.910.0517.920.0545.940.0424.770.0625.440.1025.90 0.1727.92 0.13 28.34 0.09 25.67
950.0517.910.0517.920.0549.950.0426.850.0627.440.11 27.09 0.189 28.42 0.15 29.01 0.10 27.98
1000.0517.900.0517.920.0658.360.0429.130.0629.190.119 29.33 0.1929.42 0.1629.380.1029.27
X: Active power loss (in MW). Y: Reactive power loss (in Mvar).
Table 7. The load buses with appropriate DG capacity for minimum power loss at each load bus for the 14-bus system of IEEE.
Table 7. The load buses with appropriate DG capacity for minimum power loss at each load bus for the 14-bus system of IEEE.
DG Bus Penetrated DG Capacity
in MW
Minimum System Loss
in MW
Bus No. 470.00.0510
Bus No. 565.00.0550
Bus No. 755.00.0490
Bus No. 955.00.0380
Bus No. 1045.00.0460
Bus No. 1130.00.0630
Bus No. 1225.00.0670
Bus No. 1330.00.0490
Bus No. 1435.00.0410
Table 8. Optimal Sizes of local generators or DGs with bus numbers for the 14-bus system of IEEE.
Table 8. Optimal Sizes of local generators or DGs with bus numbers for the 14-bus system of IEEE.
DG BusDG Size in MW
Bus No. 755.0
Bus No. 955.0
Bus No. 1045.0
Bus No. 1435.0
Table 9. Violation %, SICBs and apparent power flow in the branches of the practical system with an outage of L91_4003(1), resulting in congestion at L16_17 and L17_13 feeder (N-1 Contingency analysis).
Table 9. Violation %, SICBs and apparent power flow in the branches of the practical system with an outage of L91_4003(1), resulting in congestion at L16_17 and L17_13 feeder (N-1 Contingency analysis).
L/TBus (from)Bus (to)MWMvarThermal LimitMVA Violation % SICBXY
L82_122821229.03224.554276.63526.16249−90.56<117.2984.36
L7_10 71010.6386.55829.03512.49698−56.95<1272.7212.1
L11_5311530.212−1.63765.3481.65067−97.47<11.481.17
L72_372313.9742.40565.34814.17945−78.30<1257.5348.4
L82_81828142.56750.625276.63566.14257−76.09<1239.51301.6
L81_83818300276.6350−100<100
L85_8385839.3229.231276.63513.11−95.25<124.76133.8
L1_110111014.4054.70865.34815.15−76.80<131.142.26
L1_201T1201tap28.68113.56529.03531.729.27<113.0217.6
L7_201T7201tap25.71513.88429.03529.220.65<1664.7898.4
L2_32311.864−2.99629.03512.23−57.85<165.0788.5
L11_5311530.212−1.63765.3481.65−97.47<11.481.17
L72_372313.9742.40529.03514.17−51.16<1257.5348.4
81_82818268.50581.473276.635106.44−61.521<1385.52094.7
L81_83818300276.6350−100<100
L7_201T7201tap25.71513.88429.03529.220.65<1664.7898.4
L3_5353.461−15.50629.03515.88−45.28<139.4958.79
L3_6368.577−2.87729.0359.04−68.84<1543.2735.2
L11_53(1)11530.212−1.63765.3481.65−97.47<11.481.17
L11−53(2)11530.212−1.63765.3481.65−97.47<11.481.17
L6_56518.089−5.6229.03518.94−34.76<11131.61487.5
L6_207T6207tap10.664−14.97429.03518.38−36.68<1170229.9
L7_87823.51514.73529.03527.75−4.42<1473373.4
L8_9893.1532.03529.0353.75−87.07<18.096.28
L9_109103.1452.02929.0353.742−87.10<19.518.09
L11_203T11203tap43.49540.48665.34859.42−9.06<1332.8520.1
L11_204T11204tap47.94840.84565.34862.98−3.61<1374.4512.8
L13_20613206tap30.69132.66465.34844.82−31.41<1784.91225
L16_171617103.70865.26465.348122.5387.513.504355.56800.1
L17_13171380.66746.88465.34893.3042.772.0425263942.5
L25_204T25204tap17.65514.67565.34822.95−64.86<1163.4255
L25_205T26205tap17.88117.36765.34824.92−61.85<1198.4309.9
L26_206T26206tap17.68317.05765.34824.56−62.40<121.834.09
L25_27252717.90517.40565.34824.97−61.78<124.1437.67
L13_201T13201tap7.9394.94329.0359.357−67.79<122.6336.75
L207T_201T207tap201tap3.994.6829.0356.15−78.81<129.6548.15
L3_207T3207tap19.88210.28629.03522.38−22.90<1108175.9
L4_2074207tap23.73414.74129.03527.93−3.77<132.2252.33
L82_122(2)821229.03224.554276.63526.16−90.54<117.2984.36
L83_85(2)838515.00314.856276.63521.11−92.36<139.85215.4
L123_911239118.00447.634276.63550.929−81.59<144.21424.1
L71_72717220.90318.137276.63527.67−89.99<1680.6915.2
L72_73727315.256−7.47929.03516.99−41.48<1354.2484.7
L73_74737415.508−7.13729.03517.071−41.20<1251.6341.9
L91_4003(2)914003197.75403.395609.68449.25−26.31<11764.616,390.9
L90_83(1)908324.995−35.672276.63543.55−84.25<1312.21522.9
L90_83(2)908324.995−35.672276.63543.55−84.25<1312.21522.9
L4003_400140034001105.721182.002609.68210.47−65.47<1415.34053.6
L27_203T27203tap24.9924.47965.34834.98−46.46<147.0773.58
L4003_400240034002105.721182.002609.68210.47−65.47<1415.34053.6
L126_901269012.499−49.787276.63551.33−81.44<1350.81711.4
L127_12612712600276.6350−100<100
L128_12612812600276.6350−100<100
L110_202T1201100.121−4.16865.3484.16−93.61<10.5280.713
L201T_202T201tap202tap9.492.78465.3489.88−84.86<124.0432.5
L2_202T202tap29.587−1.41665.3489.69−85.17<116.0721.97
L25_203203tap2518.17215.48665.34823.87−63.46<1165.8258.8
L27_204T27204tap29.91825.65765.34839.41−39.68<159.7293.35
L25_206T25206tap13.11715.77765.34820.51−68.60<187.41136.5
L74_2077420710.63−15.0229.03518.40−36.62<134.2946.36
T85T24.2623.73816033.94−78.78<129.41646.3
T53T24.23122.09216032.79−79.50<129.41646.3
TTER11T001600−100<129.41646.3
T91T8.198169.843315170.04−46.01<1253.412,671.3
T91T17.205446.129315446.4641.73<12039101,949
T91T188.289145.257315237.80−24.50<1578.528,924.6
T4003T6.425−24.03831524.88−92.10<15.77288.7
T4003T6.425−24.03831524.88−92.10<15.77288.7
T124T003150−100<100
T82T25.66222.10920033.87−83.068<123.851335.3
T11T25.63820.77420032.99−83.50<123.851335.3
T3301T002000−100<123.851335.3
T123T18.0348.93931552.15−83.44<126.11304.9
T82T25.66222.10920033.87−83.06<123.851335.3
T11T25.63820.77420032.99−83.50<123.851335.3
T3302T002000−100<123.851335.3
T82T25.66222.10920033.87−83.06<123.851335.3
T11T25.63820.77420032.99−83.50<123.851335.3
T3303T002000−100<123.851335.3
T82T15.39713.26612020.32−83.06<114.31801.2
T11T15.38312.46412019.79−83.50<114.31801.2
T3304T001200−100<114.31801.2
T13T,742.98930.3516052.62−12.29<1197.35821
T13T,742.98930.3516052.62−12.29<1197.35821
T13T,2714.43418.6446023.57−60.70<1225.34190.5
T71T,1621.21423.9216031.97−46.71<13115784.4
T114T,745.0389.8292011.04−44.77<1160.21945.2
L/T: Line or Transformer. X: Active power loss (kW). Y: Reactive power loss (kvar).
Table 10. Feasible buses in the practical grid system for selecting optimal buses for DG penetration through the developed algorithm during the outage of L91-4003.
Table 10. Feasible buses in the practical grid system for selecting optimal buses for DG penetration through the developed algorithm during the outage of L91-4003.
DG BusSFSF
L16_17L17_13
17−0.3928−0.168
1−0.278−0.258
2−0.256−0.238
3−0.214−0.200
4−0.201−0.190
8−0.314−0.290
10−0.314−0.290
250.0000.000
270.0000.000
53+0.00520.000
720.0000.000
125−0.0002−0.0002
110−0.4068−0.380
Table 11. Congestion solution tabulation through the formulated algorithm for the practical grid system with the allocation of DGs.
Table 11. Congestion solution tabulation through the formulated algorithm for the practical grid system with the allocation of DGs.
DG BusPenetrated DG Capacity
in MW
Minimum System Loss
in MW
Bus No. 11035.019.581
Bus No. 135.019.595
Bus No. 1020.021.717
Bus No. 5355.021.997
Bus No. 2535.021.988
Bus No. 2735.021.854
Bus No. 1735.021.145
Bus No. 235.019.580
Bus No. 330.020.130
Bus No. 835.020.458
Bus No. 7235.022.041
Bus No. 125100.021.644
Disclaimer/Publisher’s Note: The statements, opinions and data contained in all publications are solely those of the individual author(s) and contributor(s) and not of MDPI and/or the editor(s). MDPI and/or the editor(s) disclaim responsibility for any injury to people or property resulting from any ideas, methods, instructions or products referred to in the content.

Share and Cite

MDPI and ACS Style

Varghese, J.P.; Sundaramoorthy, K.; Sankaran, A. Development and Validation of a Load Flow Based Scheme for Optimum Placing and Quantifying of Distributed Generation for Alleviation of Congestion in Interconnected Power Systems. Energies 2023, 16, 2536. https://doi.org/10.3390/en16062536

AMA Style

Varghese JP, Sundaramoorthy K, Sankaran A. Development and Validation of a Load Flow Based Scheme for Optimum Placing and Quantifying of Distributed Generation for Alleviation of Congestion in Interconnected Power Systems. Energies. 2023; 16(6):2536. https://doi.org/10.3390/en16062536

Chicago/Turabian Style

Varghese, Joseph P., Kumaravel Sundaramoorthy, and Ashok Sankaran. 2023. "Development and Validation of a Load Flow Based Scheme for Optimum Placing and Quantifying of Distributed Generation for Alleviation of Congestion in Interconnected Power Systems" Energies 16, no. 6: 2536. https://doi.org/10.3390/en16062536

APA Style

Varghese, J. P., Sundaramoorthy, K., & Sankaran, A. (2023). Development and Validation of a Load Flow Based Scheme for Optimum Placing and Quantifying of Distributed Generation for Alleviation of Congestion in Interconnected Power Systems. Energies, 16(6), 2536. https://doi.org/10.3390/en16062536

Note that from the first issue of 2016, this journal uses article numbers instead of page numbers. See further details here.

Article Metrics

Back to TopTop