Study on the Extensibility of Voltage-Plateau-Based Lithium Plating Detection for Electric Vehicles
Abstract
:1. Introduction
2. Experimental Details
2.1. Cell Preparation
2.2. Reference Performance Test
2.3. Individual Cell Test for VRP
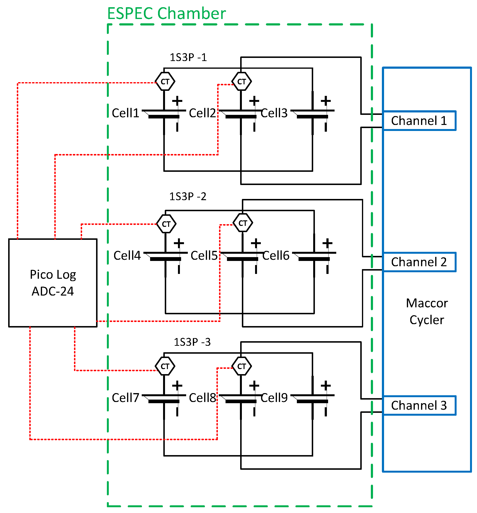
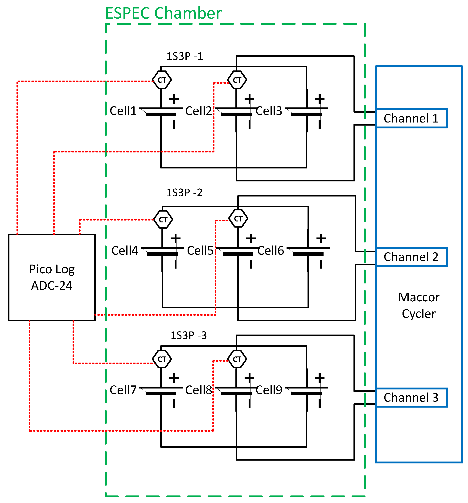
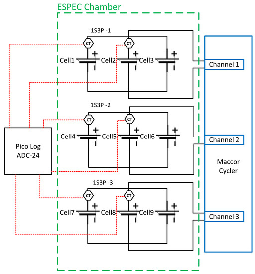
2.4. Scaling to 1-Series and 3-Parallel (1S3P) Configuration
2.5. Scaling to 3-Series and 3-Parallel (3S3P) Configuration
3. Experimental Results and Discussions
3.1. VRP of Individual Cells
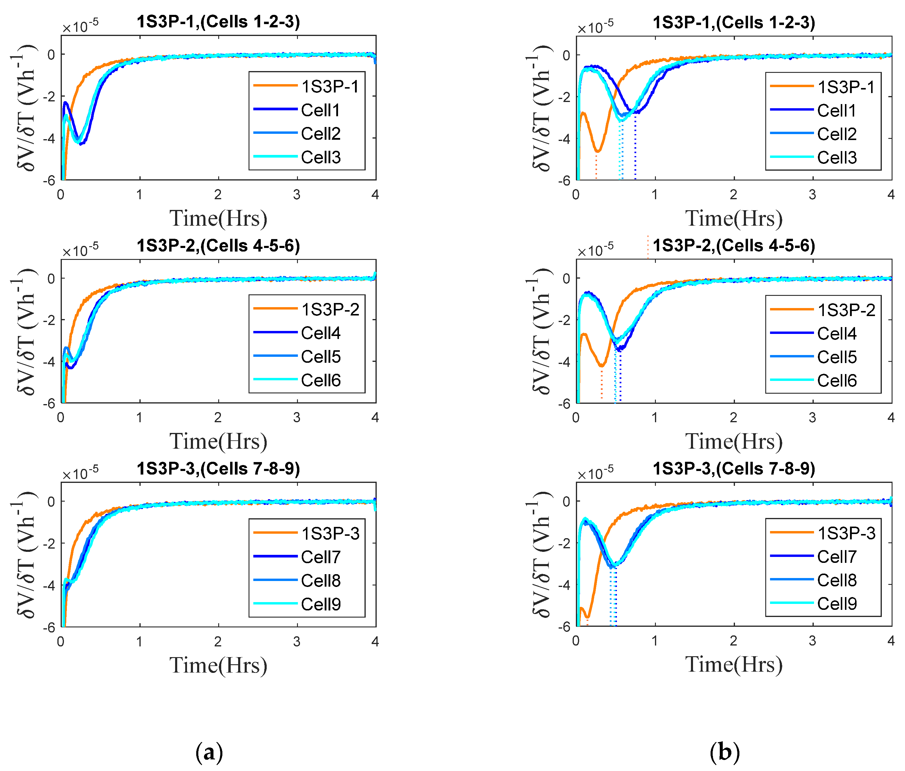
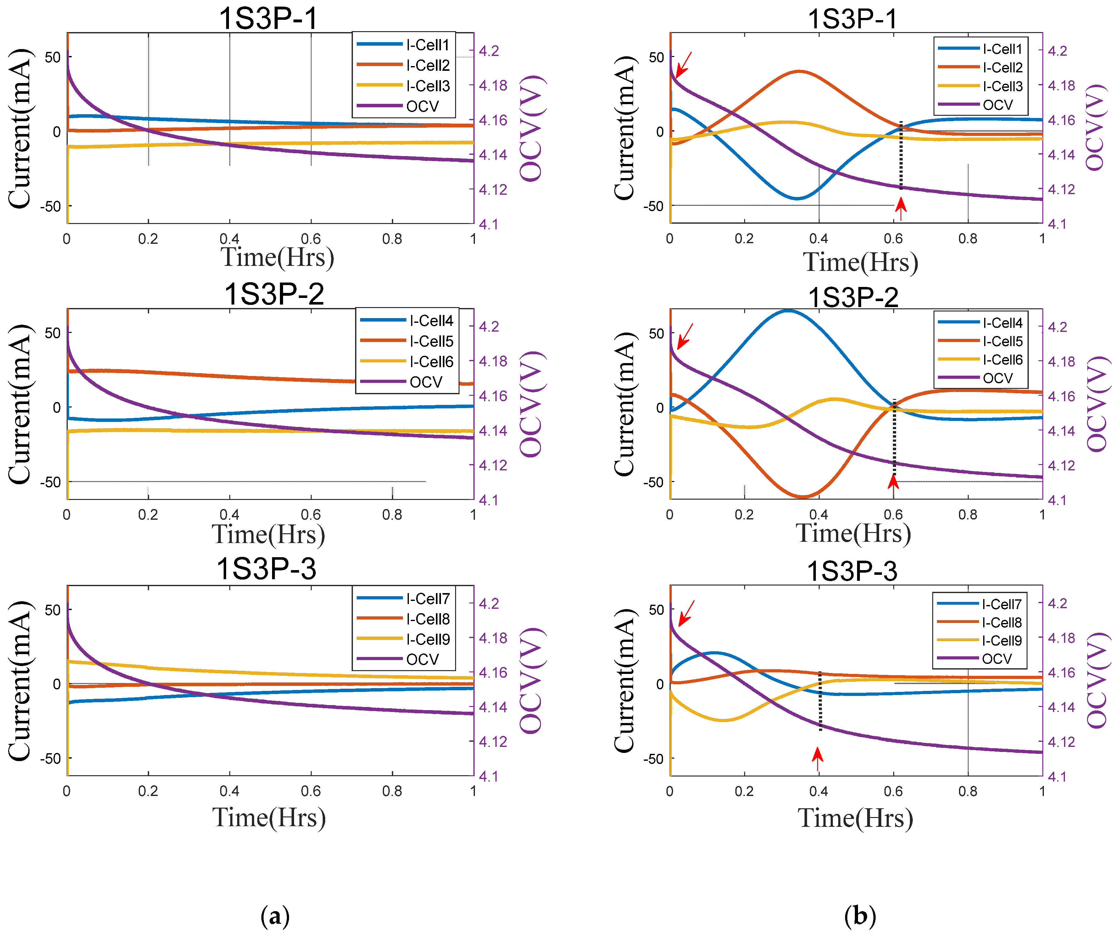
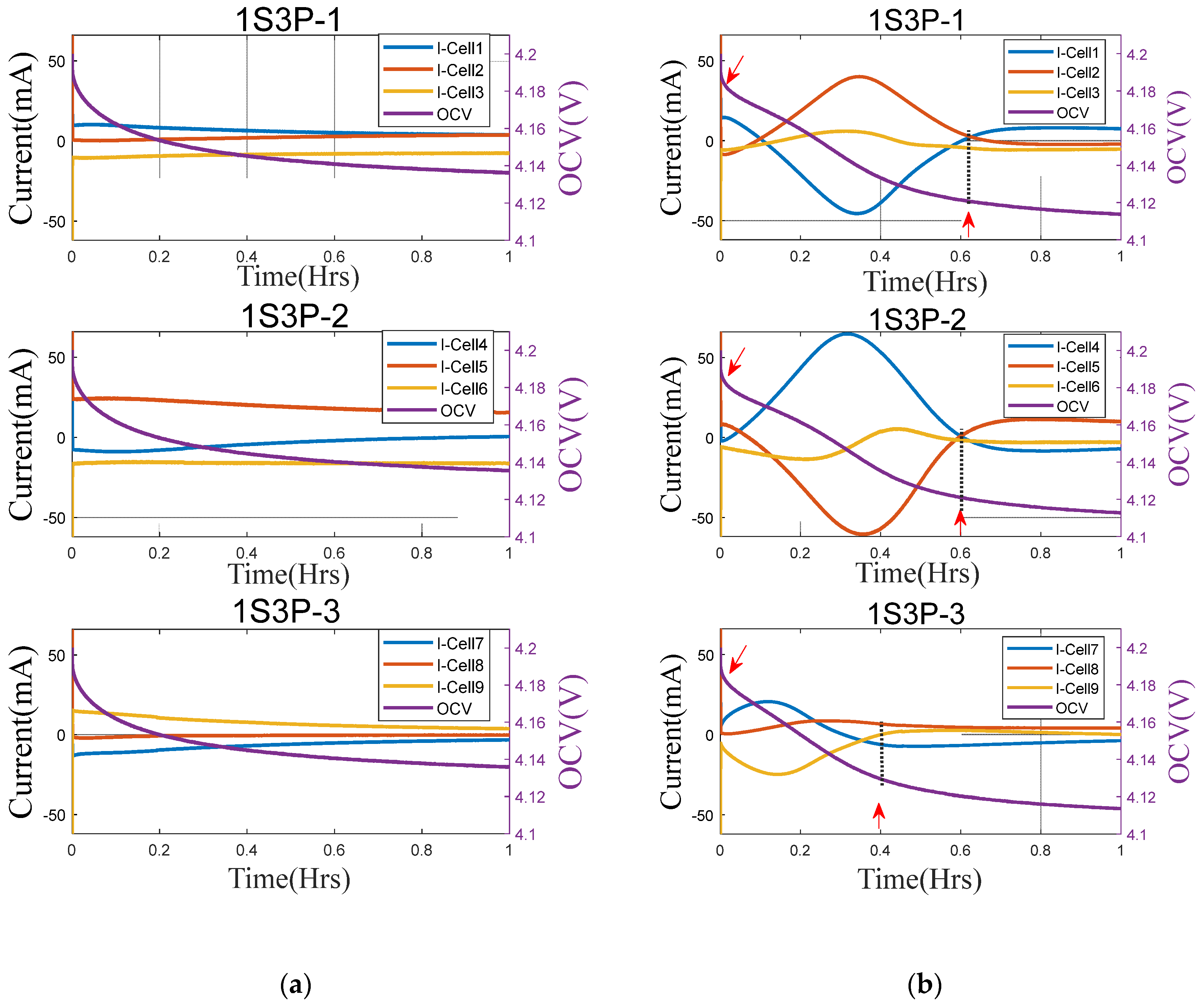
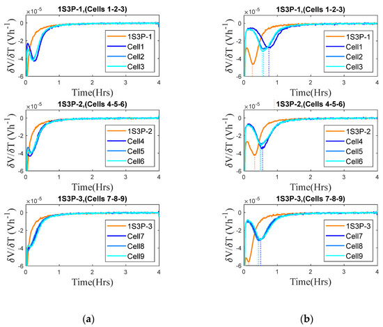
3.2. VRP of 1S3P Configuration
3.3. VRP of 3S3P Configuration
4. Future Works
4.1. Evaluation on Different Cell Chemistries
4.2. Module Formats, Representative Bus Bars, and Interconnections
4.3. Temperature Gradient within the Pack
5. Conclusions
Author Contributions
Funding
Data Availability Statement
Acknowledgments
Conflicts of Interest
Abbreviations
| LP | Lithium plating |
| FC | Fast charging |
| VRP | Voltage relaxation profile |
| CC | Constant current |
| CV | Constant Voltage |
| Crate | Charging rate |
| OCV | Open-circuit voltage |
| RPT | Reference performance test |
| 1S3P | 1 cell in series and 3 in parallel |
| 3S3P | 3 cells in series and 3 in parallel |
| BMS | Battery management system |
References
- Shahriar, S.; Al-Ali, A.R.; Osman, A.H.; Dhou, S.; Nijim, M. Machine learning approaches for EV charging behavior: A review. IEEE Access 2020, 8, 168980–168993. [Google Scholar] [CrossRef]
- Bose, B.; Garg, A.; Panigrahi, B.K.; Kim, J. Study on Li-ion battery fast charging strategies: Review, challenges and proposed charging framework. J. Energy Storage 2022, 55, 105507. [Google Scholar] [CrossRef]
- Gupta, C.; Das, M. Multiphase Interleaved DC-DC Converter for Fast Charging Application of Electric Vehicles. In Proceedings of the 2022 IEEE 16th International Conference on Compatibility, Power Electronics, and Power Engineering (CPE-POWERENG), Birmingham, UK, 29 June–1 July 2022. [Google Scholar] [CrossRef]
- Lin, X.; Khosravinia, K.; Hu, X.; Li, J.; Lu, W. Lithium Plating Mechanism, Detection, and Mitigation in Lithium-Ion Batteries. Prog. Energy Combust. Sci. 2021, 87, 100953. [Google Scholar] [CrossRef]
- Wang, H.; Zhu, Y.; Kim, S.C.; Pei, A.; Li, Y.; Boyle, D.T.; Wang, H.; Zhang, Z.; Ye, Y.; Huang, W.; et al. Underpotential lithium plating on graphite anodes caused by temperature heterogeneity. Proc. Natl. Acad. Sci. USA 2020, 117, 29453–29461. [Google Scholar] [CrossRef] [PubMed]
- Chen, Y.; Torres-Castro, L.; Chen, K.H.; Penley, D.; Lamb, J.; Karulkar, M.; Dasgupta, N.P. Operando detection of Li plating during fast charging of Li-ion batteries using incremental capacity analysis. J. Power Sources 2022, 539, 231601. [Google Scholar] [CrossRef]
- Waldmann, T.; Kasper, M.; Wohlfahrt-Mehrens, M. Optimization of Charging Strategy by Prevention of Lithium Deposition on Anodes in high-energy Lithium-ion Batteries-Electrochemical Experiments. Electrochim. Acta 2015, 178, 525–532. [Google Scholar] [CrossRef]
- O’Kane, S.E.J.; Campbell, I.D.; Marzook, M.W.J.; Offer, G.J.; Marinescu, M. Physical Origin of the Differential Voltage Minimum Associated with Lithium Plating in Li-Ion Batteries. J. Electrochem. Soc. 2020, 167, 090540. [Google Scholar] [CrossRef]
- Konz, Z.M.; Konz, Z.M.; McShane, E.J.; McShane, E.J.; McCloskey, B.D.; McCloskey, B.D. Detecting the Onset of Lithium Plating and Monitoring Fast Charging Performance with Voltage Relaxation. ACS Energy Lett. 2020, 5, 1750–1757. [Google Scholar] [CrossRef]
- Koleti, U.R.; Zhang, C.; Dinh, T.Q.; Marco, J.; Amietszajew, T.; Malik, R. A new concept to improve the lithium plating detection sensitivity in lithium-ion batteries. Int. J. Smart Grid Clean Energy 2019, 8, 505–516. [Google Scholar] [CrossRef]
- Campbell, I.D.; Marzook, M.; Marinescu, M.; Offer, G.J. How Observable Is Lithium Plating? Differential Voltage Analysis to Identify and Quantify Lithium Plating Following Fast Charging of Cold Lithium-Ion Batteries. J. Electrochem. Soc. 2019, 166, A725–A739. [Google Scholar] [CrossRef]
- Janakiraman, U.; Garrick, T.R.; Fortier, M.E. Review—Lithium Plating Detection Methods in Li-Ion Batteries. J. Electrochem. Soc. 2020, 167, 160552. [Google Scholar] [CrossRef]
- Koleti, U.R.; Dinh, T.Q.; Marco, J. A new on-line method for lithium plating detection in lithium-ion batteries. J. Power Sources 2020, 451, 227798. [Google Scholar] [CrossRef]
- Koleti, U.R.; Bui, T.N.M.; Dinh, T.Q.; Marco, J. The Development of Optimal Charging Protocols for Lithium-Ion Batteries to Reduce Lithium Plating. J. Energy Storage 2021, 39, 102573. [Google Scholar] [CrossRef]
- Koseoglou, M.; Tsioumas, E.; Ferentinou, D.; Jabbour, N.; Papagiannis, D.; Mademlis, C. Lithium plating detection using dynamic electrochemical impedance spectroscopy in lithium-ion batteries. J. Power Sources 2021, 512, 230508. [Google Scholar] [CrossRef]
- Luca, R.; Whiteley, M.; Neville, T.; Tranter, T.; Weaving, J.; Marco, J.; Shearing, P.R.; Brett, D.J. Current Imbalance in Parallel Battery Strings Measured Using a Hall-Effect Sensor Array. Energy Technol. 2021, 9, 202001014. [Google Scholar] [CrossRef]
- Somasundaran, N.; Saniee, N.F.; Quang, T.D.; Marco, J. Feasibility Assessment of Differential Voltage Analysis to Detect Lithium Plating in Battery Modules for Electric Vehicles. In Proceedings of the 25th International Conference on Mechatronics Technology (ICMT), Wuhan, China, 28–29 October 2022; pp. 1–6. [Google Scholar] [CrossRef]
- Gulsoy, B.; Vincent, T.A.; Sansom, J.E.H.; Marco, J. In-situ temperature monitoring of a lithium-ion battery using an embedded thermocouple for smart battery applications. J. Energy Storage 2022, 54, 105260. [Google Scholar] [CrossRef]
- Cabañero, M.A.; Altmann, J.; Gold, L.; Boaretto, N.; Müller, J.; Hein, S.; Zausch, J.; Kallo, J.; Latz, A. Investigation of the temperature dependence of lithium plating onset conditions in commercial Li-ion batteries. Energy 2019, 171, 1217–1228. [Google Scholar] [CrossRef]
- Saniee, N.F.; Somasundaran, N.; Gulsoy, B.; Vincent, T.; Amor-Segan, M.; Marco, J. Analysis of Internal Temperature Variations of Lithium-Ion Batteries During Fast Charging. In Proceedings of the 25th International Conference on Mechatronics Technology (ICMT), Wuhan, China, 28–29 October 2022; pp. 1–5. [Google Scholar] [CrossRef]
- Klein, M.P.; Park, J.W. Current Distribution Measurements in Parallel-Connected Lithium-Ion Cylindrical Cells under Non-Uniform Temperature Conditions. J. Electrochem. Soc. 2017, 164, A1893–A1906. [Google Scholar] [CrossRef]
- Zilberman, I.; Ludwig, S.; Schiller, M.; Jossen, A. Online aging determination in lithium-ion battery module with forced temperature gradient. J. Energy Storage 2020, 28, 101170. [Google Scholar] [CrossRef]











| Module | 1S3P 1 | 1S3P 2 | 1S3P 3 | ||||||
|---|---|---|---|---|---|---|---|---|---|
| Cells | cell1 | cell2 | cell3 | cell4 | cell5 | cell6 | cell7 | cell8 | cell9 |
| (%) | 90.68 | 92.68 | 88.19 | 90.80 | 91.14 | 90.23 | 91.25 | 92.28 | 90.53 |
| Module Name | Details | Stripping Time (Min) |
|---|---|---|
| 1S3P-1 | OCV from ISO224 (V_H) | 19.8 |
| 1S3P-2 | OCV from ISO224 (V_M) | 27 |
| 1S3P-3 | OCV from ISO224 (V_L) | 31.8 |
| 3S3P | Module OCV from cycler | 24.6 |
| Module | 1S3P 1 | 1S3P 2 | 1S3P 3 | ||||||
|---|---|---|---|---|---|---|---|---|---|
| Cells | cell1 | cell2 | cell3 | cell4 | cell5 | cell6 | cell7 | cell8 | cell9 |
| (%) | 85.07 | 86.43 | 84.07 | 89.03 | 85.16 | 81.97 | 84.71 | 86.39 | 83.94 |
Disclaimer/Publisher’s Note: The statements, opinions and data contained in all publications are solely those of the individual author(s) and contributor(s) and not of MDPI and/or the editor(s). MDPI and/or the editor(s) disclaim responsibility for any injury to people or property resulting from any ideas, methods, instructions or products referred to in the content. |
© 2023 by the authors. Licensee MDPI, Basel, Switzerland. This article is an open access article distributed under the terms and conditions of the Creative Commons Attribution (CC BY) license (https://creativecommons.org/licenses/by/4.0/).
Share and Cite
Somasundaran, N.; Fereshteh Saniee, N.; Dinh, T.Q.; Marco, J. Study on the Extensibility of Voltage-Plateau-Based Lithium Plating Detection for Electric Vehicles. Energies 2023, 16, 2537. https://doi.org/10.3390/en16062537
Somasundaran N, Fereshteh Saniee N, Dinh TQ, Marco J. Study on the Extensibility of Voltage-Plateau-Based Lithium Plating Detection for Electric Vehicles. Energies. 2023; 16(6):2537. https://doi.org/10.3390/en16062537
Chicago/Turabian StyleSomasundaran, Nithin, Nessa Fereshteh Saniee, Truong Quang Dinh, and James Marco. 2023. "Study on the Extensibility of Voltage-Plateau-Based Lithium Plating Detection for Electric Vehicles" Energies 16, no. 6: 2537. https://doi.org/10.3390/en16062537
APA StyleSomasundaran, N., Fereshteh Saniee, N., Dinh, T. Q., & Marco, J. (2023). Study on the Extensibility of Voltage-Plateau-Based Lithium Plating Detection for Electric Vehicles. Energies, 16(6), 2537. https://doi.org/10.3390/en16062537

